Reduction Smelting of the Waelz Slag from Electric Arc Furnace Dust Processing: An Experimental Study
Abstract
1. Introduction
2. Materials and Methods
2.1. Waelz Slag Characterization
2.2. Thermodynamic Calculation
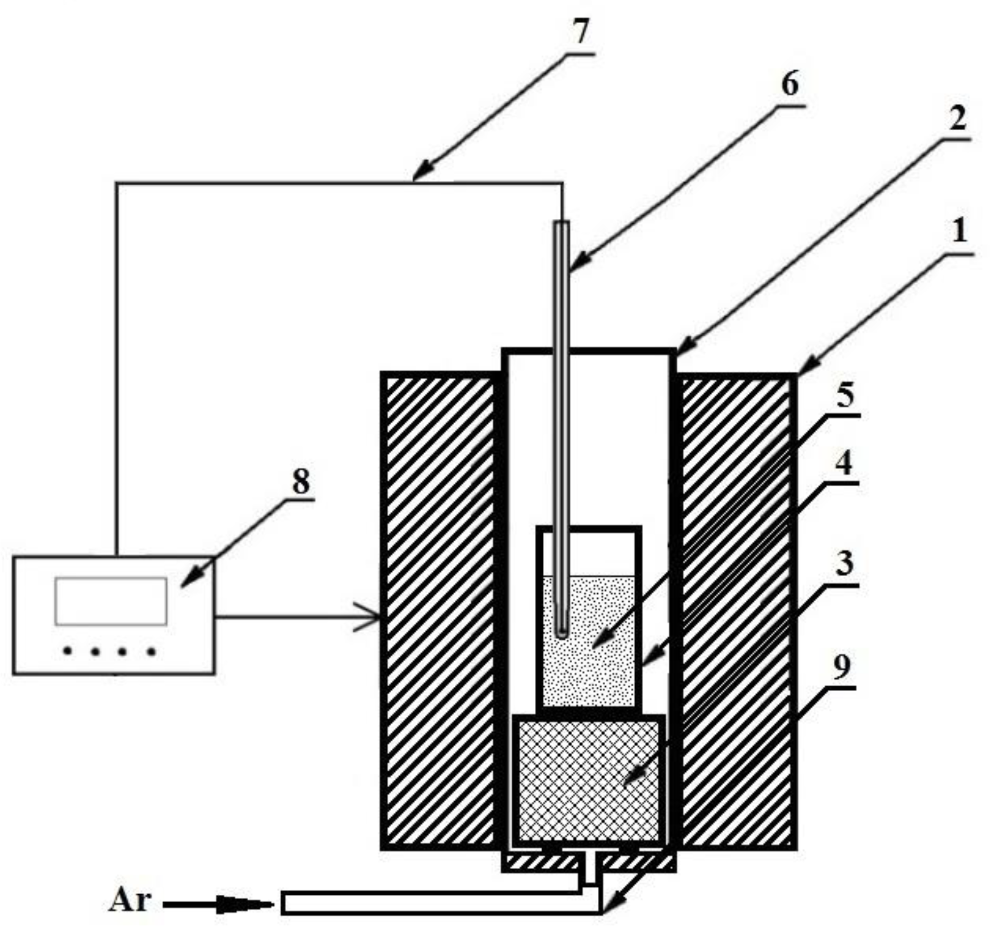
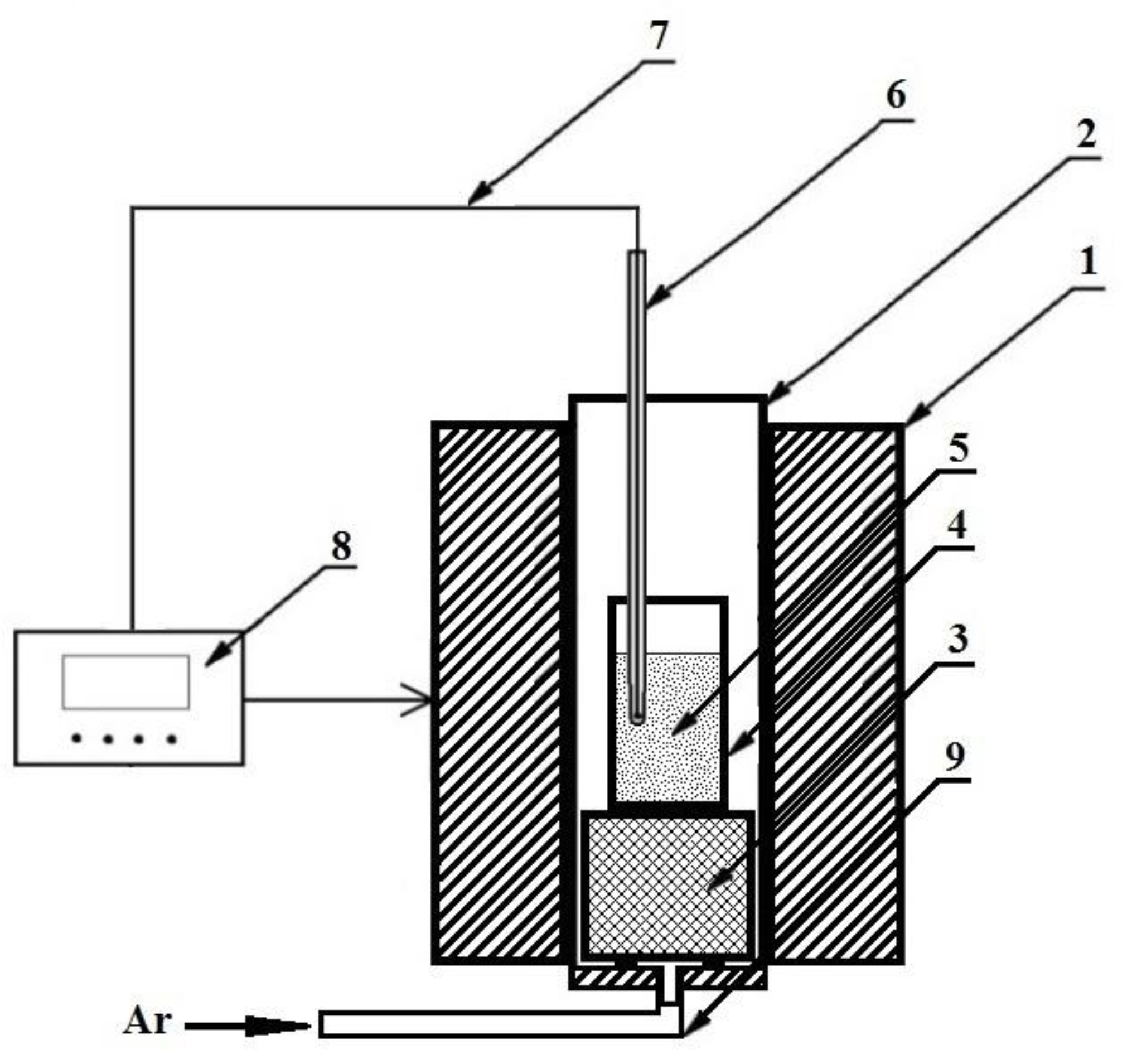
2.3. Experiments
3. Results
3.1. Thermodynamic Calculation
3.2. Reduction Smelting Experiments
3.2.1. The Smelting of the Waelz Slag without Additions
3.2.2. The Smelting of the Waelz Slag with SiO2 Additions
3.2.3. The Smelting of the Waelz Slag after Carbon Excess Removal by Froth Flotation
3.2.4. Optimal Reduction Smelting Conditions and Physical Testing of the Obtained Slag
4. Discussion
5. Conclusions
- The reduction smelting at 1650 °C for 30 min of the Waelz slag sample containing 18.7% carbon with the addition of 18% SiO2 led to obtaining low-silicon ferrosilicon with high Cu content, as well as slag attractive for construction industry;
- The reduction smelting at 1500 °C for 30 min of the froth-floated Waelz slag sample containing 5.1% carbon resulted in the production of high-copper cast iron, slag; carbon concentrate of 68% C suitable for recycling in the Waelz process is also generated during froth flotation.
Author Contributions
Funding
Data Availability Statement
Acknowledgments
Conflicts of Interest
References
- Stefanova, A.; Aromaa, J. Dust formation in iron and steel industry. In Alkaline Leaching of Iron and Steelmaking Dust; Aalto University: Helsinki, Finland, 2012; pp. 6–22. [Google Scholar]
- Global Steel Dust Ltd. Available online: http://www.globalsteeldust.com/about (accessed on 16 December 2022).
- Yakornov, S.A.; Panshin, A.M.; Kozlov, P.A.; Ivakin, D.A. Current state of electrical arc furnace dusts processing in Russia and abroad. Tsvetnye Met. 2017, 4, 23–29. [Google Scholar] [CrossRef]
- Kozlov, P.A. The Waelz Process; Ore and Metals PH: Moscow, Russia, 2003. [Google Scholar]
- Popovici, V. By-Products from EAF Dust Recycling and Their Valorisation. Available online: https://cdn.shawcor.com/shawcor/files/f5/f5469bfd-e3a2-4c95-9201-550c7c30e2fc.pdf (accessed on 16 December 2022).
- Barna, R.; Bae, H.R.; Méhu, J.; Van der Sloot, H.; Moszkowicz, P.; Desnoyers, C. Assessment of chemical sensitivity of Waelz Slag. Waste Manag. 2000, 20, 115–124. [Google Scholar] [CrossRef]
- Bae, H.R.; Barna, R.; Méhu, J.; Van der Sloot, H.; Moszkowicz, P.; Desnoyers, C. Assessment of Chemical Sensitivity of Waelz Slag. Stud. Environ. Sci. 1997, 71, 647–660. [Google Scholar] [CrossRef]
- Onuk, P.; Melcher, F. Mineralogical and Chemical Quantification of Waelz Slag. Int. J. Miner. Process. Extr. Metall. 2022, 7, 50–60. [Google Scholar] [CrossRef]
- Mombelli, D.; Mapelli, C.; Barella, S.; Gruttadauria, A.; Di Landro, U. Laboratory investigation of Waelz slag stabilization. Process Saf. Environ. Prot. 2015, 94, 227–238. [Google Scholar] [CrossRef]
- Abbà, A.; Sorlini, S.; Collivignarelli, M.C. Research experiences on the reuse of industrial waste for concrete production. MATEC Web Conf. 2017, 121, 1–8. [Google Scholar] [CrossRef]
- Quijorna, N.; Miguel, G.S.; Andrés, A. Incorporation of waelz slag into commercial ceramic bricks: A practical example of industrial ecology. Ind. Eng. Chem. Res. 2011, 50, 5806–5814. [Google Scholar] [CrossRef]
- Quijorna, N.; Coz, A.; Andres, A.; Cheeseman, C. Recycling of Waelz slag and waste foundry sand in red clay bricks. Resour. Conserv. Recycl. 2012, 65, 1–10. [Google Scholar] [CrossRef]
- Muñoz, I.; Cifrian, E.; Andrés, A.; Miguel, G.S.; Ruiz, D.; Viguri, J.R. Analysis of environmental benefits associated with the incorporation of Waelz slag into fired bricks using LCA. Constr. Build. Mater. 2018, 168, 178–186. [Google Scholar] [CrossRef]
- Cifrian, E.; Coronado, M.; Quijorna, N.; Alonso-Santurde, R.; Andrés, A. Waelz slag-based construction ceramics: Effect of the trial scale on technological and environmental properties. J. Mater. Cycles Waste Manag. 2019, 21, 1437–1448. [Google Scholar] [CrossRef]
- Li, N.; He, Y.L.; Yi, Z.Z.; Gao, L.; Zhai, F.R.; Chattopadhyay, K. Multiple-metal-doped Fe3O4@Fe2O3 nanoparticles with enhanced photocatalytic performance for methyl orange degradation under UV/solar light irradiation. Ceram. Int. 2020, 46, 19038–19045. [Google Scholar] [CrossRef]
- Jiang, Y.; Sun, L.D.; Li, N.; Gao, L.; Chattopadhyay, K. Metal-doped ZnFe2O4 nanoparticles derived from Fe-bearing slag with enhanced visible-light photoactivity. Ceram. Int. 2020, 46, 28828–28834. [Google Scholar] [CrossRef]
- Vegas, I.; Ibañez, J.A.; San José, J.T.; Urzelai, A. Construction demolition wastes, Waelz slag and MSWI bottom ash: A comparative technical analysis as material for road construction. Waste Manag. 2008, 28, 565–574. [Google Scholar] [CrossRef]
- Besta, P.; Janovská, K.; Samolejová, A.; Beránková, A.; Vozňáková, I.; Hendrych, M. The cycle and effect of zinc in the blast-furnace process. Metalurgija 2013, 52, 197–200. [Google Scholar]
- Rösler, G.; Pichler, C.; Antrekowitsch, J.; Wegscheider, S. “2sDR”: Process Development of a Sustainable Way to Recycle Steel Mill Dusts in the 21st Century. JOM 2014, 66, 1721–1729. [Google Scholar] [CrossRef]
- Pichler, C.; Antrekowitsch, J. Recycling of Zinc- and Lead-Bearing Residues with Pyrolysis Gas. JOM 2015, 67, 2038–2046. [Google Scholar] [CrossRef]
- Pichler, C.; Antrekowitsch, J. Pyrolysis Gas as a Renewable Reducing Agent for the Recycling of Zinc- and Lead-Bearing Residues: A Status Report. JOM 2017, 69, 999–1006. [Google Scholar] [CrossRef]
- Fröhling, M.; Schwaderer, F.; Bartusch, H.; Schultmann, F. A Material Flow-based Approach to Enhance Resource Efficiency in Production and Recycling Networks. J. Ind. Ecol. 2013, 17, 5–19. [Google Scholar] [CrossRef]
- Holmes, R.J.; Lu, Y.; Lu, L. Chapter 1—Introduction: Overview of the global iron ore industry. In Iron Ore Mineralogy, Processing and Environmental Sustainability; Lu, L., Ed.; Woodhead Publishing: Sawston, UK, 2022; pp. 1–56. ISBN 978-0-12-820226-5. [Google Scholar]
- Hu, J.; Li, Y.; Wu, K.; Liu, F.; Zhu, Q.; Li, Y. The exploration on synthesis of calcium aluminate and Fe-Si alloys using red mud and aluminum dross. Adv. Mater. Res. 2010, 97–101, 1104–1108. [Google Scholar] [CrossRef]
- Balomnenos, E.; Kastritis, D.; Panias, D.; Paspaliaris, I.; Boufounos, D. The Enexal Bauxite Residue Treatment Process: Industrial Scale Pilot Plant Results. In Light Metals 2014; Grandfield, J., Ed.; Springer: Cham, Switzerland, 2014; pp. 143–147. [Google Scholar]
- Zinoveev, D.V.; Diubanov, V.G.; Shutova, A.V.; Ziniaeva, M.V. Recycling of red muds with the extraction of metals and special additions to cement. Russ. Metall. 2015, 2015, 19–21. [Google Scholar] [CrossRef]
- Dildin, A.N.; Trofimov, E.A.; Chumanov, I.V. Process improvement for liquid-phase metal reduction from steelmaking dump slags. Indian J. Sci. Technol. 2016, 9, 1–10. [Google Scholar] [CrossRef]
- Ma, J.; Zhang, Y.; Hu, T.; Sun, S. Utilization of converter steel slag by remelting and reducing treatment. IOP Conf. Ser. Mater. Sci. Eng. 2018, 382, 022088. [Google Scholar] [CrossRef]
- Sheshukov, O.Y.; Egiazar’yan, D.K.; Lobanov, D.A. Wasteless processing of ladle furnace and electric arc furnace slag. Izv. Ferr. Metall. 2021, 64, 192–199. [Google Scholar] [CrossRef]
- Tzevelekou, T.V.; Geck, H.G.; Van Hüllen, P.; Höfer, F.; Papamantellos, D.C. Direct smelting of metallurgical dusts and ore fines in a 125t DC-HEP furnace. Steel Res. Int. 2004, 75, 382–391. [Google Scholar] [CrossRef]
- Tzevelekou, T.; Lampropoulou, P.; Giannakopoulou, P.P.; Rogkala, A.; Koutsovitis, P.; Koukouzas, N.; Petrounias, P. Valorization of slags produced by smelting of metallurgical dusts and lateritic ore fines in manufacturing of slag cements. Appl. Sci. 2020, 10, 4670. [Google Scholar] [CrossRef]
- Kumar, P.; Patra, S.K.; Tripathy, S.K.; Sahu, N. Efficient utilization of nickel rich Chromite Ore Processing Tailings by carbothermic smelting. J. Clean. Prod. 2021, 315, 128046. [Google Scholar] [CrossRef]
- Wang, J.P.; Erdenebold, U. A study on reduction of copper smelting slag by carbon for recycling into metal values and cement raw material. Sustainability 2020, 12, 1421. [Google Scholar] [CrossRef]
- Erdenebold, U.; Wang, J.P. Chemical and mineralogical analysis of reformed slag during iron recovery from copper slag in the reduction smelting. Arch. Metall. Mater. 2021, 66, 809–818. [Google Scholar] [CrossRef]
- Zhu, M.L.; Xiao, N.; Tang, L.C.; Zhong, S.P.; Lü, X.L.; Chi, X.P. Preparation of new cementitious material by reduction and activation of copper slag and its application in mine filling. Chinese J. Nonferrous Met. 2020, 30, 2736–2745. [Google Scholar] [CrossRef]
- Zheng, L.; Tao, J. Determination of iron(Ⅱ) in direct reduced iron by iron trichloride decomposition-potassium dichromate titration. Metall. Anal. 2010, 2, 78–80. [Google Scholar]
- Tao, J.; Zheng, L. Determination of metallic iron in direct reduced iron by potassium dichromate titration after decomposition of sample by ferric chloride. Metall. Anal. 2009, 29, 65–68. [Google Scholar]
- Putz, H.; Brandenburg, K. Match!—Phase Identification from Powder Diffraction, version 3.12, Crystal Impact, Bonn. Available online: https://www.crystalimpact.de/match (accessed on 18 April 2022).
- Vaitkus, A.; Merkys, A.; Grazulis, S. Validation of the Crystallography Open Database using the Crystallographic Information Framework. J. Appl. Crystallogr. 2021, 54, 661–672. [Google Scholar] [CrossRef] [PubMed]
- Bale, C.W.; Bélisle, E.; Chartrand, P.; Decterov, S.A.; Eriksson, G.; Gheribi, A.E.; Hack, K.; Jung, I.H.; Kang, Y.B.; Melançon, J.; et al. Reprint of: FactSage thermochemical software and databases, 2010–2016. Calphad 2016, 55, 1–19. [Google Scholar] [CrossRef]
- Delitsyn, L.M.; Ryabov, Y.V.; Kulumbegov, R.V. Method of extracting unburned carbon from TPP fly ash. European Patent RU2692334C1, 27 April 2018. issued: 24 June 2019. [Google Scholar]
- Ghosh, A.; Chatterjee, A. Ironmaking and Steelmaking: Theory and Practice; PHI Learning Private Limited: New Delhi, India, 2008. [Google Scholar]
- Schrama, F.N.H.; Beunder, E.M.; Panda, S.K.; Visser, H.J.; Moosavi-Khoonsari, E.; Sietsma, J.; Boom, R.; Yang, Y. Optimal hot metal desulphurisation slag considering iron loss and sulphur removal capacity part I: Fundamentals. Ironmak. Steelmak. 2021, 48, 1–13. [Google Scholar] [CrossRef]
- Azof, F.I.; Kolbeinsen, L.; Safarian, J. Characteristics of Calcium-Aluminate Slags and Pig Iron Produced from Smelting-Reduction of Low-Grade Bauxites. Metall. Mater. Trans. B Process Metall. Mater. Process. Sci. 2018, 49, 2400–2420. [Google Scholar] [CrossRef]
- Saito, N.; Hara, D.; Teruya, S.; Nakashima, K. Viscosity of slag suspensions with a polar liquid matrix. ISIJ Int. 2020, 60, 2807–2818. [Google Scholar] [CrossRef]
- Filsinger, D.H.; Bourrie, D.B. Silica to Silicon: Key Carbothermic Reactions and Kinetics. J. Am. Ceram. Soc. 1990, 73, 1726–1732. [Google Scholar] [CrossRef]
- Rubio, P.J.Y.; Sahajwalla, V. Carbon Dissolution Occurring during Graphite–Ferrosilicon Interactions at 1550 °C. ISIJ Int. 2009, 49, 1868–1873. [Google Scholar] [CrossRef]
- Safarian, J.; Kolbeinsen, L.; Tangstad, M.; Tranell, G. Kinetics and mechanism of the simultaneous carbothermic reduction of FeO and MnO from high-carbon ferromanganese slag. Metall. Mater. Trans. B Process Metall. Mater. Process. Sci. 2009, 40, 929–939. [Google Scholar] [CrossRef]
- Melting cast irons. In Foseco Ferrous Foundryman’s Handbook; Brown, J.R., Ed.; Butterworth-Heinemann: Oxford, UK, 2000; pp. 40–61. ISBN 9780750642842. [Google Scholar]
- Kurokawa, D.; Honma, K.; Hirao, H.; Fukuda, K. Quality design of belite-melilite clinker. Cem. Concr. Res. 2013, 54, 126–132. [Google Scholar] [CrossRef]
- Gualtieri, A.F.; Boccaletti, M. Recycling of the product of thermal inertization of cement-asbestos for the production of concrete. Constr. Build. Mater. 2011, 25, 3561–3569. [Google Scholar] [CrossRef]
- Grzeszczyk, S.; Szuba, J. Hydration Reactivity of Crystalline and Vitrified Diopside under Hydrothermal Conditions. J. Am. Ceram. Soc. 1990, 73, 2006–2008. [Google Scholar] [CrossRef]
- Erdman, S.V.; Postnikova, A.N. Waterproof compound magnesia cement. Fundam. Res. 2013, 8, 773–778. [Google Scholar]
- Roth, J.L.; Frieden, R.; Hansmann, T.; Monai, J.; Solvi, M. PRIMUS®, a new process for recycling by-products and producing virgin iron. La Rev. Métallurgie-CIT 2001, 98, 987–996. [Google Scholar] [CrossRef]















| Fetotal | Femet | Fe2+ | Fe3+ | Zn | Cu | Pb | Ca | Mg | Al | Si | Mn | Na | K | Cr | As | Ni | Ti | C | P | S |
|---|---|---|---|---|---|---|---|---|---|---|---|---|---|---|---|---|---|---|---|---|
| 26.4 | 12.5 | 12.4 | 1.50 | 0.94 | 0.84 | 0.25 | 9.93 | 4.15 | 1.91 | 5.98 | 2.15 | 0.63 | 0.31 | 0.33 | 0.32 | 0.074 | 0.15 | 18.7 | 0.17 | 1.84 |
| % SiO2 | Temperature, °C | ||||
|---|---|---|---|---|---|
| 1350 | 1450 | 1550 | 1650 | 1750 | |
| 12 | ✗ | ✗ | ✗ | ✗ | ✓ |
| 15 | ✗ | ✗ | ✗ | ✓ | ✓ |
| 18 | ✗ | ✗ | ✗ | ✓ | ✓ |
| Reduction Smelting Temperature, °C | Added % SiO2 | Slag Composition, wt.% | |||||||||||
|---|---|---|---|---|---|---|---|---|---|---|---|---|---|
| CaO | SiO2 | MgO | Al2O3 | Na2O | K2O | TiO2 | Mn | Cr | P | S | Fe | ||
| 1650 | 15 | 34.2 | 33.8 | 15.3 | 7.44 | 0.24 | 0.16 | 0.27 | 0.66 | 0.07 | 0.019 | 3.75 | 2.20 |
| 18 | 30.5 | 36.8 | 16.5 | 7.69 | 0.39 | 0.11 | 0.21 | 0.53 | 0.02 | 0.011 | 3.77 | 1.30 | |
| 1750 | 12 | 34.3 | 32.2 | 17.1 | 8.58 | 0.31 | 0.09 | 0.18 | 0.72 | 0.03 | 0.017 | 4.74 | 0.61 |
| 15 | 33.2 | 34.4 | 16.6 | 8.45 | 0.36 | 0.08 | 0.19 | 0.56 | 0.03 | 0.006 | 4.32 | 0.48 | |
| 18 | 32.5 | 36.5 | 15.8 | 7.63 | 0.51 | 0.15 | 0.25 | 0.71 | 0.02 | 0.005 | 4.03 | 0.49 | |
| Sample | Fe | Zn | Cu | Pb | Ca | Mg | Al | Si | Mn | Na | K | Cr | As | Ti | Ni | C | P | S |
|---|---|---|---|---|---|---|---|---|---|---|---|---|---|---|---|---|---|---|
| Froth-floated Waelz slag | 26.3 | 0.63 | 0.84 | 0.28 | 10.3 | 6.49 | 2.61 | 7.00 | 2.26 | 0.68 | 0.19 | 0.27 | 0.12 | 0.16 | 0.09 | 5.1 | 0.25 | 1.59 |
| Carbon flotation concentrate | 5.14 | 0.39 | 0.38 | 0.12 | 3.48 | 1.83 | 1.80 | 2.89 | 0.83 | 0.59 | 0.64 | 0.08 | 0.06 | 0.14 | 0.01 | 68.0 | 0.16 | 1.00 |
| Reduction Smelting Temperature, °C | Slag Composition, wt.% | |||||||||||
|---|---|---|---|---|---|---|---|---|---|---|---|---|
| CaO | SiO2 | MgO | Al2O3 | Na2O | K2O | TiO2 | Mn | Cr | P | S | Fe | |
| 1500 | 30.85 | 29.87 | 16.02 | 7.43 | 0.11 | 0.12 | 0.78 | 1.35 | 0.05 | 0.01 | 0.60 | 2.30 |
| 1600 | 31.23 | 28.60 | 16.25 | 7.50 | 0.11 | 0.12 | 0.62 | 2.40 | 0.06 | 0.01 | 0.10 | 1.70 |
| Alloy | C | Si | Mn | S | P | Cu | Cr | As | Sb |
|---|---|---|---|---|---|---|---|---|---|
| Obtained | 0.48 | 12.67 | 4.27 | 0.01 | 0.19 | 1.86 | 0.83 | 0.22 | 0.07 |
| Cast iron L1 (GOST 4832-95) | 3.2–3.6 | 3.1–3.6 | 0.9–1.5 | ≤0.04 | ≤0.7 | - | ≤0.1 | - | - |
| Cast iron L2 (GOST 4832-95) | 2.8–3.2 | 2.8–3.2 | 0.9–1.5 | ≤0.04 | ≤0.7 | - | ≤0.1 | - | - |
| Pig iron P1 (GOST 805-95) | - | 0.5–0.9 | >1.5 | ≤0.06 | ≤0.3 | ≤0.3 | - | - | - |
| Pig iron P2 (GOST 805-95) | - | <0.5 | >1.5 | ≤0.06 | ≤0.3 | ≤0.3 | - | - | - |
| Pig iron PL1 (GOST 805-95) | 4.0–4.5 | 0.9–1.5 | ≤1.5 | ≤0.06 | ≤0.3 | ≤0.3 | ≤0.04 | - | - |
| Pig iron PL2 (GOST 805-95) | 4.0–4.5 | 0.5–0.9 | ≤1.5 | ≤0.06 | ≤0.3 | ≤0.3 | ≤0.04 | - | - |
| Cast iron ChS13 (GOST 7769-82) | 0.6–1.4 | 12–14 | ≤0.8 | ≤0.07 | ≤0.1 | - | - | - | - |
| Cast iron ChS15 (GOST 7769-82) | 0.3–0.8 | 14.1–16 | ≤0.8 | ≤0.07 | ≤0.1 | - | - | - | - |
| FeSi10 (GOST 1415-93) | ≤2 | 8–13 | ≤3 | ≤0.06 | ≤0.15 | - | ≤0.8 | - | - |
| Cast iron ChG8D3 (GOST 7769-82) | 3–3.8 | 2–2.5 | 7–9 | ≤0.1 | ≤0.3 | 2.5–3.5 | - | - | - |
| CaO | SiO2 | MgO | Al2O3 | BaO | Na2O | K2O | TiO2 | Mn | Cr | P | S | Fe |
|---|---|---|---|---|---|---|---|---|---|---|---|---|
| 28.5 | 40.8 | 14.9 | 7.54 | 0.47 | 0.53 | 0.2 | 0.24 | 0.84 | 0.14 | 0.02 | 1.66 | 1.74 |
| Attribute | Primary Approach | Auxiliary Approach |
|---|---|---|
| Essence | Reduction smelting of the Waelz slag sample with SiO2-containing flux | Reduction smelting of the froth floated Waelz slag sample with decreased carbon content |
| Smelting temperature | 1650 °C | 1500 °C |
| Obtained alloy | Low-silicon ferrosilicon | Cast iron |
| Slag | Attractive for construction industry | Attractive for construction industry |
| Zn-containing fume | Recyclable in the Waelz process | Recyclable in the Waelz process |
| Cooling | Dispensable | Yes |
| Grinding | No | Yes |
| Froth flotation | No | Yes |
| Pelletizing | Dispensable | Yes |
| Carbon concentrate | No | Yes |
Disclaimer/Publisher’s Note: The statements, opinions and data contained in all publications are solely those of the individual author(s) and contributor(s) and not of MDPI and/or the editor(s). MDPI and/or the editor(s) disclaim responsibility for any injury to people or property resulting from any ideas, methods, instructions or products referred to in the content. |
© 2023 by the authors. Licensee MDPI, Basel, Switzerland. This article is an open access article distributed under the terms and conditions of the Creative Commons Attribution (CC BY) license (https://creativecommons.org/licenses/by/4.0/).
Share and Cite
Grudinsky, P.; Zinoveev, D.; Kondratiev, A.; Delitsyn, L.; Kulumbegov, R.; Lysenkov, A.; Kozlov, P.; Dyubanov, V. Reduction Smelting of the Waelz Slag from Electric Arc Furnace Dust Processing: An Experimental Study. Crystals 2023, 13, 318. https://doi.org/10.3390/cryst13020318
Grudinsky P, Zinoveev D, Kondratiev A, Delitsyn L, Kulumbegov R, Lysenkov A, Kozlov P, Dyubanov V. Reduction Smelting of the Waelz Slag from Electric Arc Furnace Dust Processing: An Experimental Study. Crystals. 2023; 13(2):318. https://doi.org/10.3390/cryst13020318
Chicago/Turabian StyleGrudinsky, Pavel, Dmitry Zinoveev, Alex Kondratiev, Leonid Delitsyn, Ruslan Kulumbegov, Anton Lysenkov, Pavel Kozlov, and Valery Dyubanov. 2023. "Reduction Smelting of the Waelz Slag from Electric Arc Furnace Dust Processing: An Experimental Study" Crystals 13, no. 2: 318. https://doi.org/10.3390/cryst13020318
APA StyleGrudinsky, P., Zinoveev, D., Kondratiev, A., Delitsyn, L., Kulumbegov, R., Lysenkov, A., Kozlov, P., & Dyubanov, V. (2023). Reduction Smelting of the Waelz Slag from Electric Arc Furnace Dust Processing: An Experimental Study. Crystals, 13(2), 318. https://doi.org/10.3390/cryst13020318

