Initial Microstructure Effects on Hot Tensile Deformation and Fracture Mechanisms of Ti-5Al-5Mo-5V-1Cr-1Fe Alloy Using In Situ Observation
Abstract
:1. Introduction
2. Materials and Methods
2.1. Materials
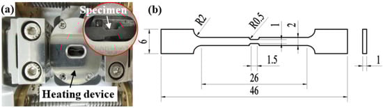
2.2. In Situ Tensile Testing
2.3. EBSD Analysis
3. Results
3.1. The Stress–Displacement Curves during In Situ Testing
3.2. Microstructural Evolution in the Bimodal Microstructure
3.3. Microstructural Evolution in the Lamellar Microstructure
4. Discussion
4.1. Activation of Slip Systems
4.2. Characteristics of Deformation and Fracture
5. Conclusions
- (1)
- Multislip systems are activated in the αP phase to adapt to the plastic strain during the in situ tensile process of bimodal microstructural evolution. The slip modes are dominated by prismatic slip and pyramidal slip.
- (2)
- During in situ stretching at 350 °C, there is a strong bridging tendency of SBs in adjacent αP phases towards coordinated deformation and alleviation of the stress concentration.
- (3)
- The SBs in the αP phase are the preferred crack nucleation sites due to their limited deformation ability. They are also likely to connect with the main crack during crack propagation.
- (4)
- Once the crack crosses the αP/β phase boundary, the crack always deflects significantly, which gives rise to a tortuous crack path and endows specimens with a bimodal microstructure with excellent plasticity.
- (5)
- During the stretching of specimens with a lamellar microstructure, high-density dislocations are concentrated in the large αL phase region at GB. Microcracks readily initiate and propagate along the αL phase boundary at GB, leading to the ductile intergranular fracture of the lamellar microstructure.
Author Contributions
Funding
Institutional Review Board Statement
Informed Consent Statement
Data Availability Statement
Conflicts of Interest
References
- Huang, H.L.; Li, D.; Chen, C.; Li, R.D.; Zhang, X.Y.; Liu, S.C.; Zhou, K.C. Selective laser melted near-beta titanium alloy Ti-5Al-5Mo-5V-1Cr-1Fe: Microstructure and mechanical properties. J. Cent. South Univ. 2021, 28, 1601–1614. [Google Scholar] [CrossRef]
- Yadav, P.; Saxena, K.K. Effect of heat -treatment on microstructure and mechanical properties of Ti alloys: An overview. Mater. Today Proc. 2020, 26, 2546–2557. [Google Scholar] [CrossRef]
- Antunes, R.A.; Salvador, C.A.F.; de Oliveira, M.C.L. Materials Selection of Optimized Titanium Alloys for Aircraft Applications. Mater. Res. 2018, 21, 979–987. [Google Scholar] [CrossRef] [Green Version]
- Pan, S.P.; Liu, H.Q.; Chen, Y.Q.; Zhang, X.Y.; Chen, K.W.; Yi, D.Q. αS dissolving induced mechanical properties decay in Ti-55511 alloy during uniaxial fatigue. Int. J. Fatigue 2020, 132, 105372–105388. [Google Scholar] [CrossRef]
- Boyer, R.R.; Cotton, J.D.; Mohaghegh, M.; Schafrik, R.E. Materials considerations for aerospace applications. Mrs Bull. 2015, 40, 1055–1065. [Google Scholar] [CrossRef] [Green Version]
- Pan, S.P.; Liu, H.Q.; Chen, Y.Q.; Chi, G.F.; Yi, D.Q. Lamellar α fencing effect for improving stress relaxation resistance in Ti-55511 alloy. Mater. Sci. Eng. A 2021, 808, 140945–140960. [Google Scholar] [CrossRef]
- Zhang, H.; Shao, H.; Shan, D.; Wang, K.X.; Cai, L.L.; Yin, E.H.; Wang, Y.L.; Zhuo, L.C. Influence of strain rates on high temperature deformation behaviors and mechanisms of Ti-5Al-5Mo-5V-3Cr-1Zr alloy. Mater. Charact. 2021, 171, 110794–110802. [Google Scholar] [CrossRef]
- Zhou, D.Y.; Gao, H.; Guo, Y.H.; Wang, Y.; Dong, Y.C.; Dan, Z.H.; Chang, H. High-Temperature Deformation Behavior and Microstructural Characterization of Ti-35421 Titanium Alloy. Materials 2020, 13, 3623. [Google Scholar] [CrossRef]
- Pei, W.; Chen, F.H.; Eckert, J.; Pilz, S.; Scudino, S.; Prashanth, K.G. Microstructural evolution and mechanical properties of selective laser melted Ti-6Al-4V induced by annealing treatment. J. Cent. South Univ. 2021, 28, 1068–1077. [Google Scholar]
- Sun, H.; Yu, L.M.; Liu, Y.C.; Zhang, L.Y.; Liu, C.X.; Li, H.J.; Wu, J.F. Effect of heat treatment processing on microstructure and tensile properties of Ti-6Al-4V-10Nb alloy. Trans. Nonferrous Metals Soc. China 2019, 29, 59–66. [Google Scholar] [CrossRef]
- Luo, J.; Ye, P.; Li, M.Q.; Liu, L.Y. Effect of the alpha grain size on the deformation behavior during isothermal compression of Ti-6Al-4V alloy. Mater. Des. 2015, 88, 32–40. [Google Scholar] [CrossRef]
- Wang, T.; Guo, H.Z.; Wang, Y.W.; Peng, X.N.; Zhao, Y.; Yao, Z.K. The effect of microstructure on tensile properties, deformation mechanisms and fracture models of TG6 high temperature titanium alloy. Mater. Sci. Eng. A 2011, 528, 2370–2379. [Google Scholar] [CrossRef]
- Lin, Y.C.; Jiang, X.Y.; Shuai, C.J.; Zhao, C.Y.; He, D.G.; Chen, M.S.; Chen, C. Effects of initial microstructures on hot tensile deformation behaviors and fracture characteristics of Ti-6Al-4V alloy. Mater. Sci. Eng. A 2018, 711, 293–302. [Google Scholar] [CrossRef]
- Jiang, Y.Q.; Lin, Y.C.; Jiang, X.Y.; He, D.G.; Zhang, X.Y.; Kotkunde, N. Hot tensile properties, microstructure evolution and fracture mechanisms of Ti-6Al-4V alloy with initial coarse equiaxed phases. Mater. Charact. 2020, 163, 110272–110279. [Google Scholar] [CrossRef]
- Huang, S.X.; Zhao, Q.Y.; Lin, C.; Wu, C.; Zhao, Y.Q.; Jia, W.J.; Mao, C.L. In-situ investigation of tensile behaviors of Ti-6Al alloy with extra low interstitial. Mater. Sci. Eng. A 2021, 809, 140958–140969. [Google Scholar] [CrossRef]
- Wang, J.; Zhao, Y.; Zhou, W.; Zhao, Q.; Huang, S.; Zeng, W. In-situ investigation on tensile deformation and fracture behaviors of a new metastable β titanium alloy. Mater. Sci. Eng. A 2021, 799, 140187–140198. [Google Scholar] [CrossRef]
- Jin, H.X.; Wei, K.X.; Li, J.M.; Zhou, J.Y.; Peng, W.J. Advances in titanium alloys for aerospace applications. Trans. Nonferrous Metals Soc. China 2015, 25, 280–292. [Google Scholar]
- Wang, Q.J.; Liu, J.R.; Yang, R. Present situation and prospect of high temperature titanium alloy. J. Aeronaut. Mater. 2014, 34, 1–26. [Google Scholar]
- Beausir, B.; Fundenberger, J.J. Analysis Tools For Electron And X-ray Diffraction, ATEX-Software. Université de Lorraine-Metz. 2017. Available online: www.atex-software.eu (accessed on 1 January 2022).
- Qin, L.; Wang, J.; Wu, Q.; Guo, X.Z.; Tao, J. In-situ observation of crack initiation and propagation in Ti/Al composite laminates during tensile test. J. Alloys Compd. 2017, 712, 69–75. [Google Scholar] [CrossRef]
- Wang, H.; Xin, S.W.; Zhao, Y.Q.; Zhou, W.; Zeng, W.D. Plane strain fracture behavior of a new high strength Ti-5Al-3Mo-3V-2Zr-2Cr-1Nb-1Fe alloy during heat treatment. Mater. Sci. Eng. A 2020, 797, 140080–140091. [Google Scholar] [CrossRef]
- Tan, C.S.; Sun, Q.Y.; Xiao, L.; Zhao, Y.Q.; Sun, J. Cyclic deformation and microcrack initiation during stress controlled high cycle fatigue of a titanium alloy. Mater. Sci. Eng. A 2018, 711, 212–222. [Google Scholar] [CrossRef]
- Pan, S.P.; Fu, M.Z.; Liu, H.Q.; Chen, Y.Q.; Yi, D.Q. In Situ Observation of the Tensile Deformation and Fracture Behavior of Ti-5Al-5Mo-5V-1Cr-1Fe Alloy with Different Microstructures. Materials 2021, 14, 5794. [Google Scholar] [CrossRef]
- Lecomte, J.S.; Philippe, M.J.; Klimanek, P. Plastic deformation of a Ti-6%Al-4%V alloy with a strong transverse-type crystallographic α-texture at elevated temperatures. Mater. Sci. Eng. A 1997, 234–236, 869–872. [Google Scholar] [CrossRef]
- Turner, G.I.; White, J.S. Mechanical hysteresis in beryllium single crystals oriented for (100) <110> slip. J. Phys. F Met. Phys. 1973, 3, 926–932. [Google Scholar] [CrossRef]
- Semiatin, S.L.; Bieler, T.R. Effect of texture and slip mode on the anisotropy of plastic flow and flow softening during hot working of Ti 6Al 4V. Metall. Mater. Trans. A 2001, 32, 1787–1799. [Google Scholar] [CrossRef]
- Banerjee, D.; Williams, J.C. Microstructure and slip character in titanium alloys. Def. Sci. J. 2014, 36, 191–206. [Google Scholar] [CrossRef]
- Demulsant, X.; Mendez, J. Microstructural effects on small fatigue crack initiation and growth in Ti6A14V alloys. Fatigue Fract. Eng. Mater. Struct. 1995, 18, 1483–1497. [Google Scholar] [CrossRef]
- Kacher, J.; Eftink, B.P.; Cui, B.; Robertson, I.M. Dislocation interactions with grain boundaries. Curr. Opin. Solid State Mater. Sci. 2014, 18, 227–243. [Google Scholar] [CrossRef]
- Bridier, F.; Villechaise, P.; Mendez, J. Analysis of the different slip systems activated by tension in a α/β titanium alloy in relation with local crystallographic orientation. Acta Mater. 2005, 53, 555–567. [Google Scholar] [CrossRef]
- Tan, C.S.; Sun, Q.Y.; Zhang, G.J.; Zhao, Y.Q. High-cycle fatigue of a titanium alloy: The role of microstructure in slip irreversibility and crack initiation. J. Mater. Sci. 2020, 55, 12476–12487. [Google Scholar] [CrossRef]
- Rabeeh, B.M.; Rokhlin, S.I.; Soboyejo, W.O. Microplasticity and fracture in a Ti-15V-3Cr-3Al-3Sn alloy. Scr. Mater. 1996, 35, 1429–1434. [Google Scholar] [CrossRef]
- Ning, Y.Q.; Yao, Z.K.; Li, H.; Cuo, H.Z.; Tao, Y.; Zhang, Y.W. High temperature deformation behavior of hot isostatically pressed P/M FGH4096 superalloy. Mater. Sci. Eng. A 2010, 527, 961–966. [Google Scholar] [CrossRef]














| Element | Ti | Al | Mo | V | Fe | Cr |
|---|---|---|---|---|---|---|
| Wt. % | 83.37 | 5.07 | 4.81 | 4.74 | 1.06 | 0.95 |
| Samples | σ0.2 (MPa) | σb (MPa) | Lmax (μm) |
|---|---|---|---|
| Bimodal | 930 | 1005 | 1012 |
| Lamellar | 1277 | 1291 | 788 |
Publisher’s Note: MDPI stays neutral with regard to jurisdictional claims in published maps and institutional affiliations. |
© 2022 by the authors. Licensee MDPI, Basel, Switzerland. This article is an open access article distributed under the terms and conditions of the Creative Commons Attribution (CC BY) license (https://creativecommons.org/licenses/by/4.0/).
Share and Cite
Fu, M.; Pan, S.; Liu, H.; Chen, Y. Initial Microstructure Effects on Hot Tensile Deformation and Fracture Mechanisms of Ti-5Al-5Mo-5V-1Cr-1Fe Alloy Using In Situ Observation. Crystals 2022, 12, 934. https://doi.org/10.3390/cryst12070934
Fu M, Pan S, Liu H, Chen Y. Initial Microstructure Effects on Hot Tensile Deformation and Fracture Mechanisms of Ti-5Al-5Mo-5V-1Cr-1Fe Alloy Using In Situ Observation. Crystals. 2022; 12(7):934. https://doi.org/10.3390/cryst12070934
Chicago/Turabian StyleFu, Mingzhu, Suping Pan, Huiqun Liu, and Yuqiang Chen. 2022. "Initial Microstructure Effects on Hot Tensile Deformation and Fracture Mechanisms of Ti-5Al-5Mo-5V-1Cr-1Fe Alloy Using In Situ Observation" Crystals 12, no. 7: 934. https://doi.org/10.3390/cryst12070934
APA StyleFu, M., Pan, S., Liu, H., & Chen, Y. (2022). Initial Microstructure Effects on Hot Tensile Deformation and Fracture Mechanisms of Ti-5Al-5Mo-5V-1Cr-1Fe Alloy Using In Situ Observation. Crystals, 12(7), 934. https://doi.org/10.3390/cryst12070934

