Next Article in Journal
Influence of Ce3+ on the Structural, Morphological, Magnetic, Photocatalytic and Antibacterial Properties of Spinel MnFe2O4 Nanocrystallites Prepared by the Combustion Route
Next Article in Special Issue
Effect of Low-Angle Boundaries on the Microstructures and Tensile Properties of the Third-Generation Single-Crystal Superalloy DD9
Previous Article in Journal
Cd4InO(BO3)3: A New Nonlinear Optical Crystal Exhibiting Strong Second Harmonic Generation Effect and Moderate Birefringence
Previous Article in Special Issue
Effect of Overheating Temperature on Thermal Cycling Creep Properties of K465 Superalloy
 
 
Font Type:
Arial Georgia Verdana
Font Size:
Aa Aa Aa
Line Spacing:
Column Width:
Background:
Communication

Effect of Service-Induced Degradation on Residual Stress Rupture Life of a Directionally Solidified Superalloy

1
Chongqing CEPREI Industrial Technology Research Institute Co., Ltd., Chongqing 401332, China
2
China Electronic Product Reliability and Environmental Testing Research Institute, Guangzhou 511370, China
3
AECC Beijing Institute of Aeronautical Materials, Beijing 100095, China
4
Chongqing Institute of Green and Intelligent Technology, Chinese Academy of Sciences, Chongqing 400714, China
*
Author to whom correspondence should be addressed.
These authors contributed equally to this work.
Crystals 2022, 12(2), 267; https://doi.org/10.3390/cryst12020267
Submission received: 25 January 2022 / Revised: 11 February 2022 / Accepted: 14 February 2022 / Published: 16 February 2022

Abstract

:
The influence of service-induced degradation on residual life is very important for the safe service of turbine blades. In this study, a series of simulation experiments were conducted on a directionally solidified superalloy under (880–1020) °C/(70–220) MPa and interrupted after 500 h. Then, the stress rupture life of the interrupted specimens was tested under 980 °C/275 MPa. The results showed that the increase of simulated experiment temperature decreased the residual stress rupture life. In brief, the simulation experiments at 880 °C did not influence the residual stress rupture life of the alloy. The simulated experiments at 980 °C and 1050 °C mainly affected the microstructure of γ’ phase, while not γ/γ’ eutectic and carbides. After the stress rupture tests under 980 °C/275 MPa, cracks were located at the interfaces between carbides and γ matrix in the interdendritic regions. This study provides guidance on the degradation evaluation and safety service of the directionally solidified superalloys.

1. Introduction

Nickel-based superalloys are widely used to prepare aeroengine turbine blades because of their excellent comprehensive properties [1]. Under normal service conditions, the engines will be overhauled after a period of service, and the blades will undergo a rejuvenation treatment to prolong the service life [2,3]. Therefore, after the blade has been in service for some period, the residual service life is very important for users to avoid premature failure, which would result in serious safety accidents and economic losses. At the same time, due to the harsh service environment, the blades will suffer various forms of failure or damage, such as fatigue [4], creep [5,6], corrosion and so on [7]. With the continuous improvement of aeroengine design, manufacturing level and coating technology, the service life of the engine is prolonged. Meanwhile, failure mainly caused by fatigue, oxidation and corrosion will be significantly reduced. Thus, the degradation of creep property caused by microstructure degradation will become the key factor causing engine failure during the service process [8,9].
The microstructure of directionally solidified superalloys usually include γ’ phase, γ/γ’ eutectic, different types of carbides and grain boundary. Various forms of microstructural degradation may occur under the coupling of high temperature and stress. For example, the γ’ phase coarsening, rafting and dissolution [10,11,12], degeneration of MC carbides to M6C and M23C6 [12], γ/γ’ eutectic dissolution [13] and even initial melting [14]. All the above microstructure evolution could significantly impact the creep properties of the alloys. At the same time, the temperature and stress of the blades are constantly changing during service [15], and further increases the complexity of the effect of service microstructure degradation on the residual stress rupture life. Therefore, to study the effect of service degradation on the residual life of directionally solidified superalloy blades, it is necessary to consider a variety of service temperatures and stresses.
In this study, a widely used directional solidification superalloy was selected as the research object. According to the service environment characteristics of the alloy blade, the service simulation experiments were carried out under the conditions of (880–1020) °C/(70–220) MPa, and studied the effect of service degradation on the stress rupture life under the condition of 980 °C/275 MPa. Combined with the systematic analysis of microstructure, the effect of service-induced degradation on residual stress rupture life was revealed.

2. Materials and Methods

The solidified solid bars were produced by Beijing Institute of Aeronautical Materials, and all bars experienced the standard solution treatment: 1260 °C/1 h + 1275 °C/1 h with air cooling + 1120 °C/4 h with air cooling + 1080 °C/4 h with air cooling + 870 °C/16 h with air cooling. The chemical composition of the alloy was (in wt.%) 11.98 Co-6.77 Cr-6.28 Ta-6.02 Al-4.84 W-2.92 Re-1.53 Mo-1.48 Hf-0.12 C with a balance of Ni. The conditions of simulated service experiments are listed in Table 1, and were interrupted after 500 h except for the simulation experiment under 1020 °C/150 MPa, because the sample broke after about 300 h. After the simulated experiments, specimens were subjected to stress rupture tests under 980 °C/275 MPa to measure the residual stress rupture life. The sketch of the stress rupture specimens is shown in reference [12], and the diameter and length of the gauge area was 5 mm and 25 mm, respectively. Four specimens were measured for one statistical result. Samples were sectioned, ground, polished, and subjected to selective etching to observe the microstructure morphologies. To observe the morphologies of the cracks and carbides, samples were chemically etched in a solution containing 4 g copper sulfate, 20 ml hydrochloric acid, 16 ml water and 1 ml sulfuric acid. To observe the morphology of the γ’ precipitates, samples were electrochemically etched, and the solution contained 3 ml phosphoric, 12 ml sulfuric acid and 10 ml nitric. A NIKON LV150 optical microscope, and an FEI Inspect F50 field-emission scanning electron microscope (FE-SEM) were used to observe the microstructures.

3. Results and Discussion

3.1. Stress Rupture Properties

The measured stress rupture life of the alloy at 980 °C/275 MPa after the standard heat treatment was 50 h [16]. According to the simulated experimental conditions (Table 1), the stress rupture tests were conducted under (880–1020) °C/(70–220) MPa and interrupted after 500 h, following by furnace cooling. The samples broke after the experiment had been carried out for about 300 h under 1020 °C/150 MPa. For the interrupted samples under other conditions, the stress rupture tests under 980 °C/275 MPa were subsequently carried out, and the results are shown in Figure 1.
The simulation experiments may lead to the obvious decrease of the stress rupture life of the alloy under 980 °C/275 MPa. After experiencing the simulation experiments at 880 °C for 500 h, the average residual stress rupture life was maintained for about 50 h, indicating that the influence on the stress rupture property is relatively small. With the increase of the simulated service temperature, the residual stress rupture life decreased rapidly. For example, after the simulation experiment at 1020 °C/100 MPa for 500 h, the stress rupture life at 980 °C/275 MPa was only 3.3 h. The applied stress also had a significant effect on the residual stress rupture life of the alloy. At the simulated experimental temperature 980 °C, the residual stress rupture life decreased from 30.4 h to 5.0 h when the applied stress increased from 70 MPa to 180 MPa.

3.2. Microstructural Degradation after the Simulated Service Process

In order to clarify the effect of service degradation on the residual stress rupture life of the alloy, the microstructures under simulated service conditions were systematically characterized and analyzed. After the simulated experiments, the morphologies of the γ/γ’ eutectics and carbides were close to those of the alloy after the standard solution treatment [12,13]. The γ/γ’ eutectic maintained a sunflower shape, and the granular carbides dispersed in the interdendritic regions and grain boundaries, as shown in Figure 2a,b.
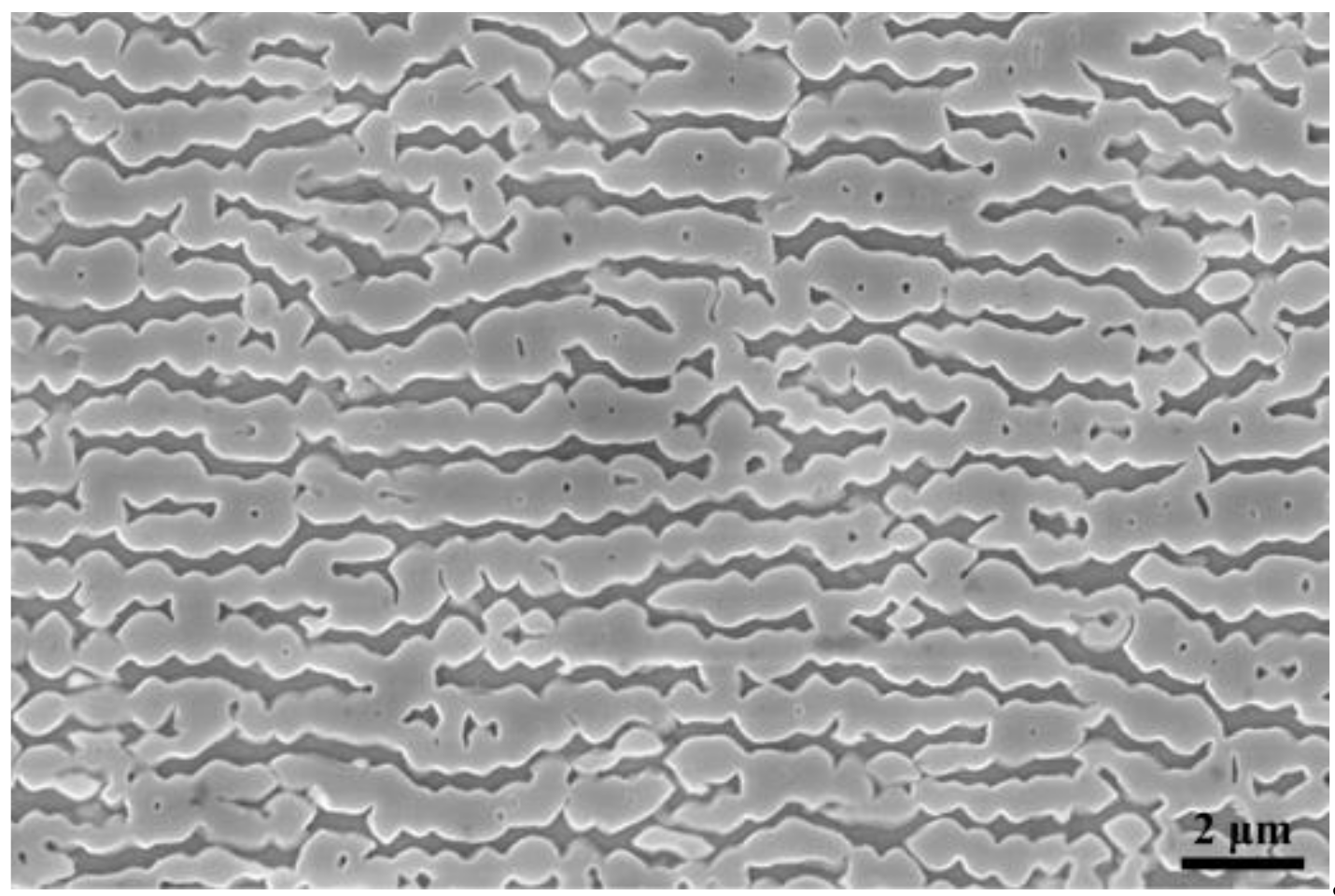
The simulated experiments had a significant effect on the microstructural degradation of γ´ phase, and the morphologies of the γ´ precipitates in the longitudinal sections were systematically characterized, as shown in Figure 2c–k. At 1020 °C, the γ´ phase coarsened and rafted. The coarsening and rafting of the γ´ phase were the most serious at 150 MPa, and the raft structure showed a “wave” shape. With the decrease of stress, the “wave” degree of the raft structure decreased, and the raft structure was basically straight at 70 MPa. At 980 °C, the coarsening and rafting of the γ´ phase was obvious, and also showed a “wave” shape at 110 MPa. With the decrease of stress, the “wave” shape of the rafe structure decreased. The raft structure was basically straight at 70 MPa, which was more regular than that at 1020 °C /70 MPa, as shown in Figure 2f–h. At 880 °C, the microstructure change of γ´ phase was small and only slightly rafted at 220 MPa, while it could be ignored at 130 MPa and 70 MPa (Figure 2i–k).
Overall, the γ´ phase presented rafting in different degrees at 1020 °C and 980 °C, and the “wave” degree of rafting increased with the increase of stress. The γ´ phase was hardly rafted after the simulated experiments at 880 °C for 500 h, and the morphology of γ´ phase was close to that after the standard heat treatment [12]. The microstructure characteristics showed that under the simulated experiments of (980–1020) °C/(70–130) MPa, rafting of the γ’ phase occurred in varying degrees and led to the reduction of the residual life in the subsequent continuous service. Under the simulated experiments of 880 °C/(70–200) MPa, there was no obvious microstructure degradation of the carbides and γ’ precipitates, and this had little influence on the stress ruputre life under 980 °C/275 MPa.

3.3. Microstructure Morphologies after the Stress Rupture Tests

For the investigated alloy, cracks always occurred in the interdendritic regions during stress rupture tests under 980 °C/275 MPa. The results of this study are consistent with the previous conclusions [12,13], and because the carbide morphology in the alloy was close and unchanged under different simulated service conditions, the fracture morphology was consistent after 980 °C/275 MPa stress rupture tests [12]. Plastic deformation occurred in all the stress rupture fracture specimens, and numerous dimples were distributed on the macro fracture, with carbides in the middle of the dimples. The crack characteristics of the longitudinal section of the fracture verify the macro fracture characteristics. Figure 3 shows the SEM-BSE images of the stress rupture voids along the longitudinal sections in the specimens under 980 °C/70 MPa after being exposed to 1020 °C/70 MPa for 500 h. Creep voids distributed in the interdendritic regions (Figure 3a), and located at the interfaces of MC carbides and γ matrix. For polycrystalline cast superalloys containing carbides, such as equiaxed superalloys [17,18] and directionally solidified superalloys [10], the difference of thermal expansion coefficient between carbides and matrix easily leads to stress concentration at the interface. Under the coupling action of high temperature and stress, cracks easily initiate and progress at the interface, resulting in alloy cracking. In this study, the carbides did not undergo microstructural degradation in the simulated service process, and the lasting fracture modes of different simulated service samples were basically the same under 980 °C/275 MPa.
The above results indicate that γ’ phase rafting has a significant effect on the stress rupture property of the alloy, and the microstructures of the γ’ precipitates are thus characterized to ascertain the rafting law in the fracture specimens under 980 °C/275 MPa. For specimens under the simulated service conditions at 1020 °C and 980 °C, the γ’ phase had been rafted after the simulated experiments, so the subsequent 980 °C/275 MPa experimental process would only increase the rafting degree to some extent. During the simulated experiments at 880 °C for up to 500 h, the γ’ phase remained cuboidal (Figure 2i–k), which was mainly due to the relatively low service temperature in comparison with the microstructural stability of the γ’ phase [12]. During the stress rupture tests under 980 °C/275 MPa, the γ’ precipitates also suffered rafting even after 50 h following the simulated service under 880 °C/70 MPa (Figure 4). This phenomenon means that there is a critical temperature for the rafting of the γ’ phase, and the critical value is between 880 °C and 980 °C. Obviously, below the critical temperature, the microstructure of the alloy does not degrade and the service degradation can be ignored. However, above the critical temperature, especially under the condition of large stress, the service degradation easily leads to obvious degradation of stress rupture properties. Besides, the sensitivity of γ’ phase microstructure evolution to service temperature can be used to evaluate blade service degradation. For example, the degree of γ’ rafting and the area fraction of the γ’ phase are used to inversely evaluate the service temperature and stress of the turbine blades [11,19]. For the alloy in this study, more work needs to be done to evaluate the service degradation of blades.
Overall, for directionally solidified superalloys, the strengthening mechanism of the γ’ phase has the most significant effect on the stress rupture property. The grain boundary and carbides always act as weak regions, which often become areas of crack initiation and propagation. In this study, the microstructure degradation in the alloy was mainly manifested in γ’ rafting after being exposed to 980 °C and 1020 °C for up to 500 h. The applied stress will increase the rafting of γ’ phase and reduce the subsequent stress rupture property, and even result in premature fracture before 500 h.

4. Conclusions

In this study, experiments were carried out on a widely used directionally solidified superalloy under the conditions of (880–1020) °C/(70–220) MPa to simulate the service process under different conditions. The stress rupture tests were then conducted on the interrupted samples under 980 °C/ 275 MPa, combined with the systematic characterization of macro-fracture mode, microstructures including γ/γ’ eutectic, carbides and γ’ precipitates. The effect of service degradation on the residual stress rupture life of the alloy was determined. Several conclusions are summarized as follows:
(1) The simulated experiment temperature had the greatest influence on the residual stress rupture life under 980 °C/275 MPa. With the increase of simulated experimental temperature, the residual stress rupture life decreased rapidly. At simulated experimental temperature of 880 °C, the residual stress rupture life was maintained at about 45 h regardless of the serviced stress.
(2) After the simulated experiments of 500 h, the morphologies of γ/γ’ eutectic and carbides were unchanged, while γ’ rafting occurred to varying degrees. In the subsequent 980 °C/275 MPa stress rupture tests, the cracks were located at the interfaces between carbides and γ matrix in the interdendritic regions.
(3) After being exposed to the simulated experiments under 880 °C/(70-220) MPa for 500 h, the γ’ phase remained of cuboidal morphology, while it was rafted after 50 h under the 980 °C/275 MPa stress rupture test. The investigated alloy had a critical rafting temperature, which was between 880 °C and 980 °C. Above the critical temperature, service degradation may significantly reduce the residual stress rupture life.

Author Contributions

Experiment conduction—W.X.; data and image processing—X.G., H.Z. and Y.L.; writing—original draft preparation, X.G.; writing—review and editing, H.P. and C.Y. All authors have read and agreed to the published version of the manuscript.

Funding

This research was funded by the Science and Technology Program of Guangzhou of China (Grant No. 202102020474), and CEPREI Innovation and Development Foundation (Grant No. 20Z33 and 20Z32).

Institutional Review Board Statement

Not applicable.

Informed Consent Statement

Not applicable.

Data Availability Statement

Not applicable.

Conflicts of Interest

The authors declare that the research was conducted in the absence of any commercial or finical relationships that could be construed as a potential conflict of interest.

References

  1. Pollock, T.M.; Tin, S. Nickel-based superalloys for advanced turbine engines: Chemistry, microstructure and properties. J. Propuls. Power 2006, 22, 361–374. [Google Scholar] [CrossRef]
  2. Báachnio, J.; Pawlak, W. Damageability of gas turbine blades-evaluation of exhaust gas temperature in front of the turbine using a non-linear observer. In Advances in Gas Turbine Technology; InTech: London, UK, 2011; pp. 435–464. [Google Scholar]
  3. Donachie, M.J.; Donachie, S.J. Superalloys: A technical Guide; ASM International: Almere, The Netherlands, 2002. [Google Scholar]
  4. Troshchenko, V.; Prokopenko, A. Fatigue strength of gas turbine compressor blades. Eng. Fail. Anal. 2000, 7, 209–220. [Google Scholar] [CrossRef]
  5. Kargarnejad, S.; Djavanroodi, F. Failure assessment of Nimonic 80A gas turbine blade. Eng. Fail. Anal. 2012, 26, 211–219. [Google Scholar] [CrossRef]
  6. Kim, S.G.; Hwang, Y.-H.; Kim, T.-G.; Shu, C.-M. Failure analysis of J85 Engine turbine blades. Eng. Fail. Anal. 2008, 15, 394–400. [Google Scholar] [CrossRef]
  7. Carter, T.J. Common failures in gas turbine blades. Eng. Fail. Anal. 2005, 12, 237–247. [Google Scholar] [CrossRef]
  8. Zhao, W.X.; Li, Y.; Fan, Y.W.; Zheng, Y.R. Fracture Analysis for Second Stage Rotor Turbine Blade in Aero-engine. J. Mater. Eng. 2012, 8, 39–44. [Google Scholar]
  9. Feng, Q.; Tong, J. Service Damage and Repair of Gas Turbine Blades. Materials 2012, 31, 21–34. [Google Scholar]
  10. An, W.; Utada, S. Thermal cycling creep properties of a directionally solidified superalloy DZ125. J. Mater. Sci. Technol. 2022, 104, 269–284. [Google Scholar] [CrossRef]
  11. Chen, Y.; Zheng, Y.; Feng, Q. Evaluating service temperature field of high pressure turbine blades made of directionally solidified DZ125 superalloy based on micro-structural evolution. Acta. Metall. Sin. 2016, 52, 1545–1556. [Google Scholar]
  12. Xing, W.; Zhu, G. Abnormal creep property degradation in a directionally solidified superalloy DZ406 after suffering overheating. Mater. Charact. 2021, 173, 110910. [Google Scholar] [CrossRef]
  13. Xing, W.; Liu, C. Effect of solution heat treatment on microstructures and stress rupture properties of DZ406 alloy. In Proceedings of the MEACM 2020, Beijing, China, 24–25 October 2020; Springer: Berlin/Heidelberg, Germany, 2021; pp. 421–433. [Google Scholar]
  14. An, W.; Zheng, W. Effect of Short-time Overtemperature on Microstructure and Tensile Properties of Directionally Solidified DZ125 Alloy. Rare Met. 2020, 44, 1009–1018. [Google Scholar]
  15. Cormier, J. Cycling Creep Resistance of Ni-Based Single Crystal Superalloys. In Superalloys 2016: Proceedings of the 13th Intenational Symposium of Superalloys, Seven Springs, PA, USA, 11–15 September 2016; Wiley: Hoboken, NJ, USA, 2016; pp. 385–394. [Google Scholar]
  16. Academic Committee of the Superalloys CSM. China Superalloys Handbook; Standard Press of China: Beijing, China, 2012; pp. 232–255. [Google Scholar]
  17. Guo, X.; Zheng, W. High temperature creep behavior of a cast polycrystalline nickel-based superalloy K465 under thermal cycling conditions. Materialia 2020, 12, 100913. [Google Scholar] [CrossRef]
  18. Yuan, X.F.; Wu, J.T. Effects of initial microstructures on the microstructural evolution and corresponding mechanical property of K424 superalloy after overheating exposure. Mater. Sci. Eng. A 2019, 743, 40–56. [Google Scholar] [CrossRef]
  19. Guo, X.; Zheng, W. Evaluation of microstructural degradation in a failed gas turbine blade due to overheating. Eng. Fail. Anal. 2019, 108, 308–317. [Google Scholar] [CrossRef]
Figure 1. Residual stress rupture life under 980 °C/275 MPa under the different simulated service environmental conditions, the blue, green and yellow lines correspond to simulated service temperature of 880 °C, 980 °C and 1020 °C, respectively.
Figure 1. Residual stress rupture life under 980 °C/275 MPa under the different simulated service environmental conditions, the blue, green and yellow lines correspond to simulated service temperature of 880 °C, 980 °C and 1020 °C, respectively.
Crystals 12 00267 g001
Figure 2. Microstructure morphologies after different simulated experiments: scanning electron microscopy back-scattered electron (SEM-BSE) images of the γ/γ’ eutectic (a) and carbides in the interdendritic regions (b) under 1020 °C/150 MPa; SEM-SE images of the γ’ precipitates in the dendrite cores along longitudinal sections under 1020 °C/150 MPa (c), 1020 °C/100 MPa (d), 1020 °C/70 MPa (e), 980 °C/180 MPa (f), 980 °C/110 MPa (g), 980 °C/70 MPa (h), 880 °C/220 MPa (i), 880 °C/130 MPa (j), 880 °C/70 MPa (k).
Figure 2. Microstructure morphologies after different simulated experiments: scanning electron microscopy back-scattered electron (SEM-BSE) images of the γ/γ’ eutectic (a) and carbides in the interdendritic regions (b) under 1020 °C/150 MPa; SEM-SE images of the γ’ precipitates in the dendrite cores along longitudinal sections under 1020 °C/150 MPa (c), 1020 °C/100 MPa (d), 1020 °C/70 MPa (e), 980 °C/180 MPa (f), 980 °C/110 MPa (g), 980 °C/70 MPa (h), 880 °C/220 MPa (i), 880 °C/130 MPa (j), 880 °C/70 MPa (k).
Crystals 12 00267 g002
Figure 3. SEM-BSE images of the stress rupture voids at a lower magnification (a) and a higher magnification (b) along the longitudinal sections in the specimens under 980 °C/70 MPa after being exposed to 1020 °C/70 MPa for 500 h.
Figure 3. SEM-BSE images of the stress rupture voids at a lower magnification (a) and a higher magnification (b) along the longitudinal sections in the specimens under 980 °C/70 MPa after being exposed to 1020 °C/70 MPa for 500 h.
Crystals 12 00267 g003
Figure 4. SEM-SE images of the γ’ precipitates in the dendrite cores away from the fracture along the longitudinal sections for the specimens under 980 °C/275 MPa after being exposed to 880 °C/70 MPa for 500 h.
Figure 4. SEM-SE images of the γ’ precipitates in the dendrite cores away from the fracture along the longitudinal sections for the specimens under 980 °C/275 MPa after being exposed to 880 °C/70 MPa for 500 h.
Crystals 12 00267 g004
Table 1. The temperature and stress under the simulated service conditions.
Table 1. The temperature and stress under the simulated service conditions.
Temperature/°CStress/MPaDuration/h
1020150500
100
70
980180
110
70
880220
130
70
Publisher’s Note: MDPI stays neutral with regard to jurisdictional claims in published maps and institutional affiliations.

Share and Cite

MDPI and ACS Style

Guo, X.; Xing, W.; Zhang, H.; Li, Y.; Peng, H.; Yang, C. Effect of Service-Induced Degradation on Residual Stress Rupture Life of a Directionally Solidified Superalloy. Crystals 2022, 12, 267. https://doi.org/10.3390/cryst12020267

AMA Style

Guo X, Xing W, Zhang H, Li Y, Peng H, Yang C. Effect of Service-Induced Degradation on Residual Stress Rupture Life of a Directionally Solidified Superalloy. Crystals. 2022; 12(2):267. https://doi.org/10.3390/cryst12020267

Chicago/Turabian Style

Guo, Xiaotong, Weijie Xing, Heng Zhang, Yong Li, Hemeng Peng, and Chuan Yang. 2022. "Effect of Service-Induced Degradation on Residual Stress Rupture Life of a Directionally Solidified Superalloy" Crystals 12, no. 2: 267. https://doi.org/10.3390/cryst12020267

APA Style

Guo, X., Xing, W., Zhang, H., Li, Y., Peng, H., & Yang, C. (2022). Effect of Service-Induced Degradation on Residual Stress Rupture Life of a Directionally Solidified Superalloy. Crystals, 12(2), 267. https://doi.org/10.3390/cryst12020267

Note that from the first issue of 2016, this journal uses article numbers instead of page numbers. See further details here.

Article Metrics

Back to TopTop