Investigation and Preparation of the Plastering Mortar for Autoclaved Aerated Blocks Walls
Abstract
1. Introduction
2. Experimental
2.1. Raw Materials
2.2. Mix Proportion
2.3. Test and Characterization
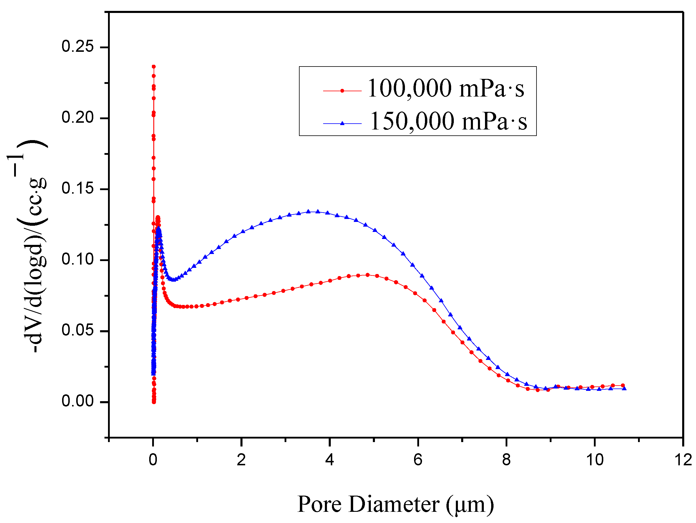
3. Results and Discussion
3.1. Effect of the Water-Binder Ratio on Mortar Properties
3.2. Optimum for Lightweight Aggregate
3.3. Factors That Influence the Performance of the Mortar
3.3.1. Fly Ash
3.3.2. EVA
3.3.3. HPMC
3.3.4. Fibers
4. Conclusions
- (1)
- Based on the test results, the best mix proportion was drawn, and the ratio was, as follows: cement: fly ash: water: heavy calcium carbonate: quartz sand:EVSB:EVA:HPMC (100,000 mPa·s):fiber = 70:30:76:12:250:24:2:0.3:0.2.
- (2)
- In order to achieve the purpose of reducing the heat transfer coefficient, the effects of two types of lightweight fillers on the performance of mortars were evaluated. Contrary to the expanded perlite, the hydrophobicity of EVSB particles would reduce the water absorption of the mortar, thereby increasing the mechanical strength of the mortar.
- (3)
- The incorporation of fly ash can improve the workability of the freshly mixed mortar, and reduce the mechanical strength of the mortar. When the fly ash content was less than 40%, increasing the content can improve the crack resistance of the mortar.
- (4)
- 2% EVA can reduce the micro cracks and fill the pores, improving mortar compactness. EVA enhances the cohesion and air-entraining properties of the mortar, and jointly affects the dry density of the mortar.
- (5)
- In terms of workability, compressive strength, flexural strength, mass water absorption, and pore structure, the optimum dosage of HPMC (100,000 mPa·s) was 0.3%. After 25 freeze-thaw cycle tests, the mass loss was 0.26%, and the strength loss was 1.41%.
- (6)
- The 3-mm fiber had a better effect in improving the crack resistance of the mortar, when compared to the 6-mm fiber. When the content was 0.2%, this had the best toughness improvement effect, and exhibited greater deformation under the same load.
Author Contributions
Funding
Data Availability Statement
Acknowledgments
Conflicts of Interest
References
- Qu, X.L.; Zhao, X.G. Previous and present investigations on the components, microstructure and main properties of autoclaved aerated concrete—A review. Constr. Build. Mater. 2017, 135, 505–516. [Google Scholar] [CrossRef]
- Zhou, C.Y.; Wei, J.X.; Yu, Q.J.; Yin, S.H.; Zhuang, Z.H.; Lei, Z.H. Water absorption characteristics of autoclaved aerated concrete. J. Wuhan Univ. Technol. 2007, 22–26. [Google Scholar] [CrossRef]
- Guo, X.L.; Zhang, T.J. Utilization of municipal solid waste incineration fly ash to produce autoclaved and modified wall blocks. J. Clean. Prod. 2020, 252, 119759. [Google Scholar] [CrossRef]
- Kunchariyakun, K.; Asavapisit, S.; Sombatsompop, K. Properties of autoclaved aerated concrete incorporating rice husk ash as partial replacement for fine aggregate. Cem. Concr. Compos. 2015, 55, 11–16. [Google Scholar] [CrossRef]
- Tao, Y.S.; Wang, B.Z. Production of Autoclaved Aerated Concrete Blocks; China Building Materials Press: Beijing, China, 2018. [Google Scholar]
- Wang, Y.L.; Zhou, M.K.; Shan, J.h.; Xu, F.; Yang, Y.H. Influences of carboxyl methyl cellulose on performances of mortar. J. Wuhan Univ. Technol. Mat. Sci. Edit. 2007, 22, 108–111. [Google Scholar] [CrossRef]
- Loganina, V.; Frolov, M.; Fediuk, R. Developed Heat-insulating Dry Mortar Mixes for the Finishing of Aerated Concrete Walls. Mag. Concr. Res. 2020, 1900446. [Google Scholar] [CrossRef]
- Mirza, J.; Mirza, M.S.; Lapointe, R. Laboratory and field performance of polymer-modified cement-based repair mortars in cold climates. Constr. Build. Mater. 2002, 16, 365–374. [Google Scholar] [CrossRef]
- Raj, A.; Borsaikia, A.C.; Dixit, U.S. Bond strength of Autoclaved Aerated Concrete (AAC) masonry using various joint materials. J. Build. Eng. 2020, 28, 101039. [Google Scholar] [CrossRef]
- Chen, S.; Xu, G.; Liu, D.M.; Peng, Y.Z.; Liu, Y.G. Study on mechanical properties of decorative mortar for autoclaved aerated concrete block. Concrete 2018, 98–101. [Google Scholar] [CrossRef]
- Zhuang, Z.H.; Huang, Q.L.; Wang, Y.; Ma, Z.X. Research on the Improvement Technology of Bonding Performance of Plaster Mortar and Aerated Concrete Wall. China Concr. Cem. Prod. 2020, 71–74. [Google Scholar] [CrossRef]
- Li, Y.; He, H. Research progress of polymer-modified cement mortar. J. Funct. Mater. 2016, 47, 7038–7045. [Google Scholar] [CrossRef]
- Wang, R.; Wang, P.M.; Peng, Y. Comparison of Three Characterization Methods for Flexibility of SBR Latex-Modified Cement Mortar. J. Build. Mater. 2010, 13, 390–394. [Google Scholar] [CrossRef]
- Wang, R.; Wang, P.M.; Li, X.G. Physical and mechanical properties of styrene-butadiene rubber emulsion modified cement mortars. Cem. Concr. Res. 2005, 35, 900–906. [Google Scholar] [CrossRef]
- Lezgy-Nazargah, M.; Vidal, P.; Polit, O. A 1D nonlinear finite element model for analysis of composite foam-insulated concrete sandwich panels. Compos. Struct. 2019, 210, 663–675. [Google Scholar] [CrossRef]
- Kang, J.S. Composite and non-composite behaviors of foam-insulated concrete sandwich panels. Compos. Part B Eng. 2015, 68, 153–161. [Google Scholar] [CrossRef]
- Cheng, J.; Xu, X.H.; Zhang, X.Y.; Dou, P.; Shi, Y.H.; Zhang, Q.; Huang, Z.L. Numerical simulation of the weathering performance of an exterior wall external insulation system under heating-cooling cycles. Chin. J. Eng. 2018, 40, 754–759. [Google Scholar]
- Li, F.L.; Chen, G.L.; Zhang, Y.Y.; Hao, Y.C.; Si, Z.K. Fundamental Properties and Thermal Transferability of Masonry Built by Autoclaved Aerated Concrete Self-Insulation Blocks. Materials 2020, 13, 1680. [Google Scholar] [CrossRef]
- Gorshkov, A.S.; Vatin, N.I. The innovative technology for erection of wall constructions of autoclaved aerated concrete blocks on polyurethane adhesive. Constr. Unique Build. Struct. 2013, 8, 20–28. [Google Scholar]
- Gao, J.P.; Lei, L.; Wu, Y.B.; Xiong, Y.J. Experiment and analysis on load bearing of thermal insulation composite wall. J. Hunan Inst. Eng. 2014, 4, 87–90. [Google Scholar] [CrossRef]
- Zhang, T.T.; Tan, Y.F.; Li, Y.Z. Thermal Bridge Effect of Aerated Concrete Wall and Its Partial Insulation. J. Hunan Univ. Nat. Sci. Ed. 2015, 42, 114–120. [Google Scholar] [CrossRef]
- Liu, X.J.; Tang, T. Research on Basic Thermal Conductivity of Insulation Mortar and Ordinary Mortar. J. Hunan Inst. Eng. Nat. Sci. Ed. 2013, 23, 84–86. [Google Scholar] [CrossRef]
- Maia, J.; Ramos, N.M.M.; De Freitas, V.P.; Sousa, A. Laboratory Tests and Potential of Thermal Insulation Plasters. Energy Procedia 2015, 78, 2724–2729. [Google Scholar] [CrossRef][Green Version]
- Leong, G.W.; Mo, K.H.; Loh, Z.P.; Ibrahim, Z. Mechanical properties and drying shrinkage of lightweight cementitious composite incorporating perlite microspheres and polypropylene fibers. Constr. Build. Mater. 2020, 246, 118410. [Google Scholar] [CrossRef]
- Fang, P.; Mukhopadhyaya, P.; Kumaran, K.; Shi, C.J. Sorption and Thermal Properties of Insulating Mortars with Expanded and Vitrified Small Ball. J. Test. Eval. 2011, 39, 210–218. [Google Scholar] [CrossRef]
- Kim, H.K.; Jeon, J.H.; Lee, H.K. Workability, and mechanical, acoustic and thermal properties of lightweight aggregate concrete with a high volume of entrained air. Constr. Build. Mater. 2012, 29, 193–200. [Google Scholar] [CrossRef]
- Abd Elrahman, M.; El Madawy, M.E.; Chung, S.Y.; Majer, S.; Youssf, O.; Sikora, P. An Investigation of the Mechanical and Physical Characteristics of Cement Paste Incorporating Different Air Entraining Agents using X-ray Micro-Computed Tomography. Crystals 2020, 10, 23. [Google Scholar] [CrossRef]
- Koksal, F.; Gencel, O.; Kaya, M. Combined effect of silica fume and expanded vermiculite on properties of lightweight mortars at ambient and elevated temperatures. Constr. Build. Mater. 2015, 88, 175–187. [Google Scholar] [CrossRef]
- Zhou, Y.; Wang, S.X.; Liu, Z.H.; Ma, J.P.; Wang, T. Simulation Study On Composite Phase Change Thermal Insulationwalls in Solar Greenhouse Based on ANSYS. Acta Energiae Sin. 2020, 41, 113–122. [Google Scholar]
- Zhang, J.; Chen, B.; Yu, F. Preparation of EPS-Based Thermal Insulation Mortar with Improved Thermal and Mechanical Properties. J. Mater. Civ. Eng. 2019, 31, 04019183. [Google Scholar] [CrossRef]
- Arslan, M.E.; Celebi, E. An experimental study on cyclic behavior of aerated concrete block masonry walls retrofitted with different methods. Constr. Build. Mater. 2019, 200, 226–239. [Google Scholar] [CrossRef]
- German Institute for Standardization. Testing of Mortars Containing Mineral Binders—Part 7: Determination of Water Retention of Freshly Mixed Mortar by the Filter Plate Method; DIN 18555-7; Deutsches Institut für Normung: Berlin, Germany, 2000. [Google Scholar]
- China National Standards. Standard for Test Method of Basic Properties of Construction Mortar; JGJ/T70-2009; Ministry of Housing and Urban-Rural Development: Beijing, China, 2009.
- China National Standards. Method of Testing Cements—Determination of Strength; GB/T 17671-1999; General Administration of Quality Supervision, Inspection and Quarantine: Beijing, China, 1999.
- Su, Z.H.; Guo, L.; Zhang, Z.H.; Duan, P. Influence of different fibers on properties of thermal insulation composites based on geopolymer blended with glazed hollow bead. Constr. Build. Mater. 2019, 203, 525–540. [Google Scholar] [CrossRef]
- Zhang, Y.; Ma, G.; Wang, Z.F.; Niu, Z.; Liu, Y.Z.; Li, Z. Shear behavior of reinforced glazed hollow bead insulation concrete beams. Constr. Build. Mater. 2018, 174, 81–95. [Google Scholar] [CrossRef]
- Wang, W.J.; Liu, Y.Z.; Li, Z.; Zhao, L.; Chen, Y.F. Calculation on effective thermal conductivity of recycled aggregate thermal insulation concrete with added glazed hollow beads. Mater. Test. 2017, 59, 202–209. [Google Scholar] [CrossRef]
- Liu, Y.Z.; Wang, W.J.; Zhang, Y.; Li, Z. Mechanical properties of thermal insulation concrete with a high volume of glazed hollow beads. Mag. Concr. Res. 2015, 67, 693–706. [Google Scholar] [CrossRef]
- Chindaprasirt, P.; Buapa, N.; Cao, H.T. Mixed cement containing fly ash for masonry and plastering work. Constr. Build. Mater. 2005, 19, 612–618. [Google Scholar] [CrossRef]
- Li, D.X.; Shen, J.L.; Chen, Y.M.; Cheng, L.; Wu, X.Q. Study of properties on fly ash-slag complex cement. Cem. Concr. Res. 2000, 30, 1381–1387. [Google Scholar] [CrossRef]
- Alaka, H.A.; Oyedele, L.O. High volume fly ash concrete: The practical impact of using superabundant dose of high range water reducer. J. Build. Eng. 2016, 8, 81–90. [Google Scholar] [CrossRef]
- Gao, Y.Y.; Hu, C.L.; Zhang, Y.M.; Li, Z.J.; Pan, J.L. Investigation on microstructure and microstructural elastic properties of mortar incorporating fly ash. Cem. Concr. Compos. 2018, 86, 315–321. [Google Scholar] [CrossRef]
- Fang, P.; Wu, Y.; Gong, G.C. Study on the Microstructure of Expanded and Vitrified Small Balls and Its Sorption Performance. Mater. Rev. 2009, 23, 112–114. [Google Scholar]
- Baueregger, S.; Perello, M.; Plank, J. Role of PVOH and kaolin on colloidal stability of liquid and powder EVA and SB latexes in cement pore solution. Colloid Surf. A Physicochem. Eng. Asp. 2013, 434, 145–153. [Google Scholar] [CrossRef]
- Tarannum, N.; Pooja, K.; Khan, R. Preparation and applications of hydrophobic multicomponent based redispersible polymer powder: A review. Constr. Build. Mater. 2020, 247, 118579. [Google Scholar] [CrossRef]
- Pichniarczyk, P.; Niziurska, M. Properties of ceramic tile adhesives modified by different viscosity hydroxypropyl methylcellulose. Constr. Build. Mater. 2015, 77, 227–232. [Google Scholar] [CrossRef]
- Chen, S.F.; He, R.; Li, Y.P.; Xing, M.L.; Cong, P.L. Influence of thickeners on cement paste structure and performance of engineered cementitious composites. J. Wuhan Univ. Technol. Mat. Sci. Edit. 2013, 28, 285–290. [Google Scholar] [CrossRef]
- Izaguirre, A.; Lanas, J.; Alvarez, J.I. Characterization of aerial lime-based mortars modified by the addition of two different water-retaining agents. Cem. Concr. Compos. 2011, 33, 309–318. [Google Scholar] [CrossRef]
- Shi, C.; Zou, X.W.; Wang, P. Influences of EVA and methylcellulose on mechanical properties of Portland cement-calcium aluminate cement-gypsum ternary repair mortar. Constr. Build. Mater. 2020, 241, 118035. [Google Scholar] [CrossRef]
- Powers, T.C.; Willis, T. The air requirement of frost resistant concrete. Proc. Highway Res. Board 1949, 29, 184–211. [Google Scholar]
- Bogas, J.A.; de Brito, J.; Ramos, D. Freeze-thaw resistance of concrete produced with fine recycled concrete aggregates. J. Clean. Prod. 2016, 115, 294–306. [Google Scholar] [CrossRef]
- Wang, Q.S.; Wang, Q.C.; Zhang, K.; Li, W.L.; Li, J.X. Analysis of Pore Structure and Frost Resistance of Concrete with Different Air Content. B. Chin. Ceram. Soc. 2015, 34, 30–35. [Google Scholar] [CrossRef]
- Mazaheripour, H.; Ghanbarpour, S.; Mirmoradi, S.H.; Hosseinpour, I. The effect of polypropylene fibers on the properties of fresh and hardened lightweight self-compacting concrete. Constr. Build. Mater. 2011, 25, 351–358. [Google Scholar] [CrossRef]
- Altalabani, D.; Bzeni, D.K.H.; Linsel, S. Mechanical properties and load deflection relationship of polypropylene fiber reinforced self-compacting lightweight concrete. Constr. Build. Mater. 2020, 252, 119084. [Google Scholar] [CrossRef]
- Karahan, O.; Atis, C.D. The durability properties of polypropylene fiber reinforced fly ash concrete. Mater. Des. 2011, 32, 1044–1049. [Google Scholar] [CrossRef]














| Oxide | SiO2 | Al2O3 | Fe2O3 | CaO | MgO | SO3 | K2O | L.O.I |
|---|---|---|---|---|---|---|---|---|
| Cement | 20.87 | 4.42 | 2.89 | 63.66 | 0.94 | 2.10 | 0.51 | 3.30 |
| Fly ash | 46.73 | 37.07 | 6.27 | 2.55 | 0.82 | 0.38 | 0.54 | 3.60 |
| Physical Properties | Measurements |
|---|---|
| Bulk Density/kg/m3 | 150 |
| Thermal Conductivity/W/m·K | 0.0284–0.0540 |
| Volumetric Water Absorption/% | 20–50 |
| Particle Size/mm | <0.50 | 0.50–0.63 | 0.63–0.80 | 0.80–1.20 |
| Mass Percentage/% | 13.92 | 15.88 | 51.55 | 18.65 |
| W/B | Consistency/mm | Dry Density/kg/m3 | Mass Water Absorption/% | Compressive Strength/MPa | Flexural Strength/MPa |
|---|---|---|---|---|---|
| 0.68 | 40 | 1340 | 11.3 | 18.0 | 3.3 |
| 0.72 | 48 | 1270 | 15.4 | 12.4 | 2.4 |
| 0.76 | 55 | 1190 | 15.9 | 9.0 | 2.0 |
| 0.80 | 63 | 1170 | 16.3 | 6.7 | 1.6 |
| 0.84 | 72 | 1130 | 19.6 | 3.3 | 1.2 |
| Expanded Perlite/% | Dry Density/kg/m3 | Mass Water Absorption/% | Compressive Strength/MPa |
|---|---|---|---|
| 20 | 1350 | 21.6 | 13.2 |
| 22 | 1220 | 25.3 | 10.7 |
| 24 | 1210 | 28.9 | 9.8 |
| 26 | 1120 | 35.0 | 8.2 |
| 28 | 1090 | 40.1 | 6.5 |
| EVSB/% | Dry Density/kg/m3 | Mass Water Absorption/% | Compressive Strength/MPa |
|---|---|---|---|
| 20 | 1230 | 20.6 | 16.7 |
| 22 | 1150 | 17.2 | 11.7 |
| 24 | 1080 | 22.0 | 11.0 |
| 26 | 1050 | 23.1 | 9.3 |
| 28 | 990 | 24.4 | 8.2 |
Publisher’s Note: MDPI stays neutral with regard to jurisdictional claims in published maps and institutional affiliations. |
© 2021 by the authors. Licensee MDPI, Basel, Switzerland. This article is an open access article distributed under the terms and conditions of the Creative Commons Attribution (CC BY) license (http://creativecommons.org/licenses/by/4.0/).
Share and Cite
Feng, T.; Xu, L.; Shi, X.; Han, J.; Zhang, P. Investigation and Preparation of the Plastering Mortar for Autoclaved Aerated Blocks Walls. Crystals 2021, 11, 175. https://doi.org/10.3390/cryst11020175
Feng T, Xu L, Shi X, Han J, Zhang P. Investigation and Preparation of the Plastering Mortar for Autoclaved Aerated Blocks Walls. Crystals. 2021; 11(2):175. https://doi.org/10.3390/cryst11020175
Chicago/Turabian StyleFeng, Tao, Lingling Xu, Xin Shi, Jian Han, and Pan Zhang. 2021. "Investigation and Preparation of the Plastering Mortar for Autoclaved Aerated Blocks Walls" Crystals 11, no. 2: 175. https://doi.org/10.3390/cryst11020175
APA StyleFeng, T., Xu, L., Shi, X., Han, J., & Zhang, P. (2021). Investigation and Preparation of the Plastering Mortar for Autoclaved Aerated Blocks Walls. Crystals, 11(2), 175. https://doi.org/10.3390/cryst11020175

