Process and Techno-Economic Analysis for Fuel and Chemical Production by Hydrodeoxygenation of Bio-Oil
Abstract
1. Introduction
2. Results and Discussion
2.1. Level 0: Preliminary Information
2.2. Level 1: Batch versus Continuous
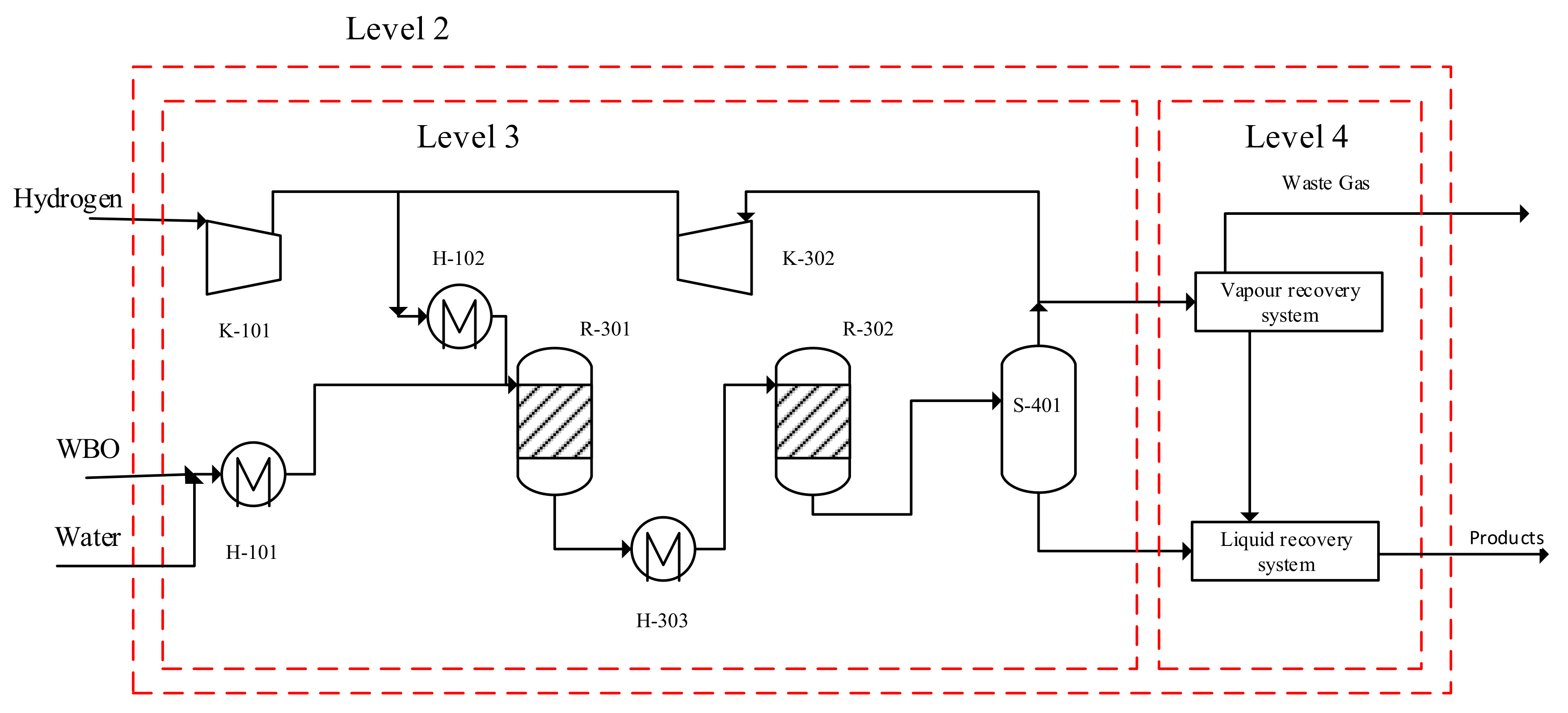
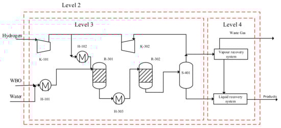
2.3. Level 2: Input-Output Structure
2.3.1. Economic Potential of Second Level
2.4. Level 3: Recycle Structure
2.4.1. Compressor Effect
2.4.2. Reactor Heat Effect
2.4.3. Economic Potential of 3rd Level
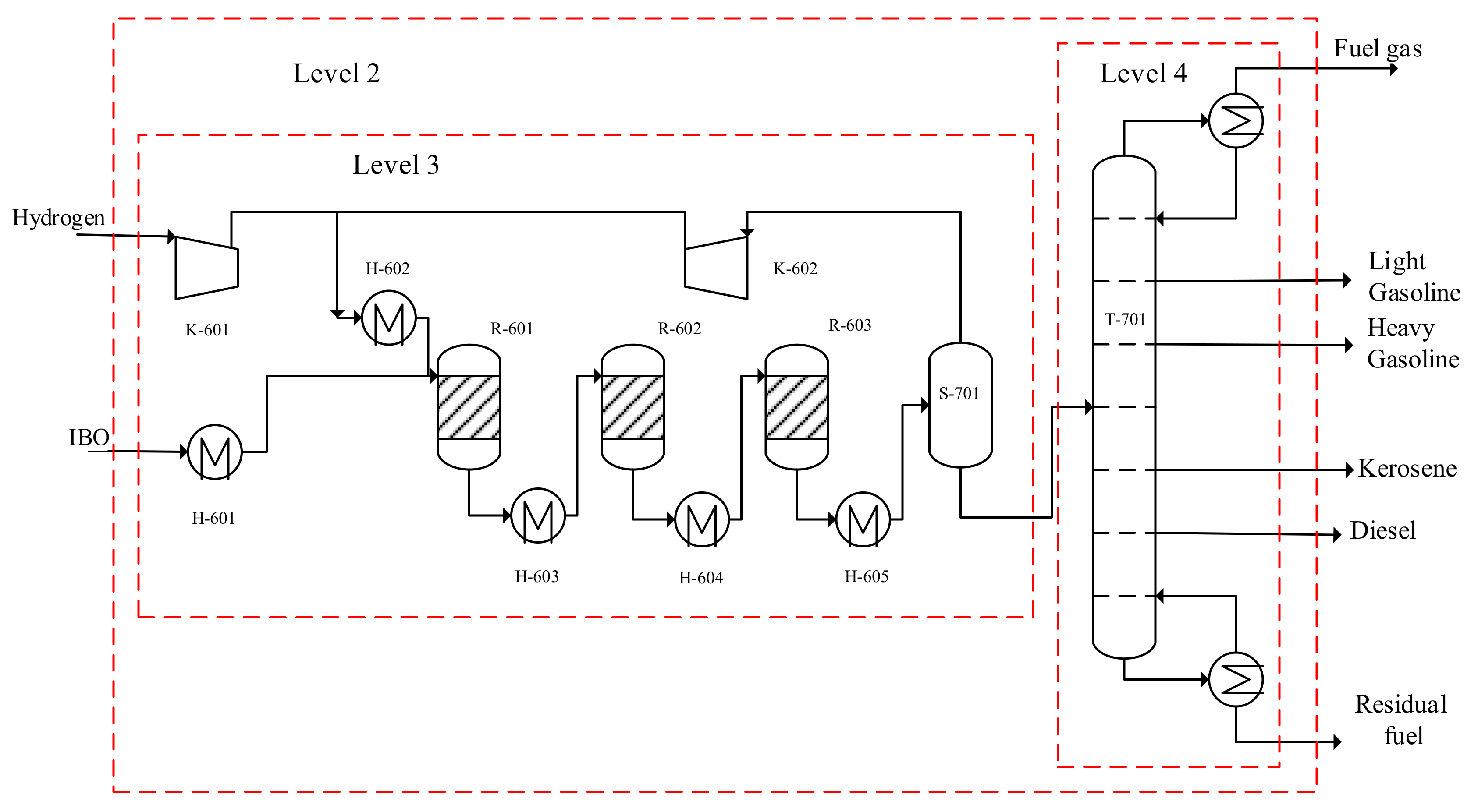
2.5. Level 4: Separation System
2.6. Economic Evaluation
3. Methods
4. Conclusions
Author Contributions
Funding
Conflicts of Interest
Nomenclature
| DCFROR | Discounted cash flow rate of return |
| EP | Economic potential |
| FCI | Fixed-capital investment |
| GGE | Gallon gasoline-equivalent |
| GHG | Greenhouse gases |
| HDO | Hydrodeoxygenation |
| HHV | Higher heating value |
| IBO | Insoluble bio-oil |
| IPV | investment value |
| Keq | Equilibrium constant |
| Equilibrium constant for j reaction | |
| LHSV | Liquid hourly space velocity |
| M$ | Billion dollar |
| MM$ | Million dollar |
| MR | Molar ratio |
| M&S | Marshall and shift index |
| Enthalpy variation | |
| Ideal constant gas | |
| ROI | Return of investment |
| R1 | Vapour recycle fraction |
| R2 | Liquid recycle fraction |
| RPV | Return value |
| SMB | Simulated moved bed |
| Temperature | |
| TBP | Temperature boiling point |
| TCI | Total capital investment |
| TPC | Total product cost |
| WBO | Water-soluble bio-oil |
References
- BP. Statistical Review of World Energy. 2019. Available online: https://www.bp.com/en/global/corporate/energy-economics/statistical-review-of-world-energy.html (accessed on 25 December 2019).
- Pfleiderer, P.; Schleussner, C.F.; Kornhuber, K.; Coumou, D. Summer weather becomes more persistent in a 2°C world. Nat. Clim. Chang. 2019, 9, 666–671. [Google Scholar] [CrossRef]
- Blöschl, G.; Hall, J.; Viglione, A.; Perdigão, R.A.; Parajka, J.; Merz, B.; Lun, D.; Arheimer, B.; Aronica, G.T.; Bilibashi, A.; et al. Changing climate both increases and decreases European river floods. Nature 2019, 573, 108–111. [Google Scholar] [CrossRef]
- Strezov, V.; Anawar, H.M. Renewable Energy Systems from Biomass: Efficiency, Innovation and Sustainability; CRC Press: Boca Raton, FL, USA, 2018. [Google Scholar]
- Marroquín-Sánchez, G.; Ancheyta-Juárez, J. Catalytic hydrotreating of middle distillates blends in a fixed-bed pilot reactor. Appl. Catal. A Gen. 2001, 207, 407–420. [Google Scholar] [CrossRef]
- Gruia, A. Hydrotreating. In Handbook of Petroleum Processing; Jones, D.S.J., Pujado’, P.R., Eds.; Springer: Dordrecht, The Netherlands, 2006; pp. 321–354. [Google Scholar]
- Wildschut, J.; Mahfud, F.H.; Venderbosch, R.H.; Heeres, H.J. Hydrotreatment of Fast Pyrolysis Oil Using Heterogeneous Noble-Metal Catalysts. Ind. Eng. Chem. Res. 2009, 48, 10324–10334. [Google Scholar] [CrossRef]
- Ardiyanti, A.R.; Gutierrez, A.; Honkela, M.L.; Krause, A.O.I.; Heeres, H.J. Hydrotreatment of wood-based pyrolysis oil using zirconia-supported mono- and bimetallic (Pt, Pd, Rh) catalysts. Appl. Catal. A Gen. 2011, 407, 56–66. [Google Scholar] [CrossRef]
- Ardiyanti, A.R.; Khromova, S.A.; Venderbosch, R.H.; Yakovlev, V.A.; Heeres, H.J. Catalytic hydrotreatment of fast-pyrolysis oil using non-sulfided bimetallic Ni-Cu catalysts on a δ-Al2O3. Appl. Catal. B Environ. 2012, 117–118, 105–117. [Google Scholar] [CrossRef]
- Pucher, H.; Schwaiger, N.; Feiner, R.; Pucher, P.; Ellmaier, L.; Siebenhofer, M. Catalytic hydrodeoxygenation of dehydrated liquid phase pyrolysis oil. Int. J. Energy Res. 2014, 38, 1964–1974. [Google Scholar] [CrossRef]
- De Miguel Mercader, F.; Koehorst, P.J.J.; Heeres, H.J.; Kersten, S.R.; Hogendoorn, J.A. Competition between hydrotreating and polymerization reactions during pyrolysis oil hydrodeoxygenation. AIChE J. 2011, 57, 3160–3170. [Google Scholar] [CrossRef]
- Gholizadeh, M.; Gunawan, R.; Hu, X.; Kadarwati, S.; Westerhof, R.; Chaiwat, W.; Hasan, M.M.; Li, C.Z. Importance of hydrogen and bio-oil inlet temperature during the hydrotreatment of bio-oil. Fuel Process. Technol. 2016, 150, 132–140. [Google Scholar] [CrossRef]
- Parapati, D.R.; Guda, V.K.; Penmetsa, V.K.; Steele, P.H.; Tanneru, S.K. Single stage hydroprocessing of pyrolysis oil in a continuous packed-bed reactor. Environ. Prog. Sustain. Energy 2014, 33, 726–731. [Google Scholar] [CrossRef]
- Parapati, D.R.; Guda, V.K.; Penmetsa, V.K.; Tanneru, S.K.; Mitchell, B.; Steele, P.H. Comparison of reduced and sulfided CoMo/γ-Al2O3 catalyst on hydroprocessing of pretreated bio-oil in a continuous packed-bed reactor. Environ. Prog. Sustain. Energy 2015, 34, 1174–1179. [Google Scholar] [CrossRef]
- Bagnato, G.; Boulet, F.; Sanna, A. Effect of Li-LSX zeolite, NiCe/Al2O3 and NiCe/ZrO2 on the production of drop-in bio-fuels by pyrolysis and hydrotreating of Nannochloropsis and isochrysis microalgae. Energy 2019, 179, 199–213. [Google Scholar] [CrossRef]
- Wright, M.M.; Román-Leshkov, Y.; Green, W.H. Investigating the techno-economic trade-offs of hydrogen source using a response surface model of drop-in biofuel production via bio-oil upgrading. Biofuels Bioprod. Biorefining 2012, 6, 503–520. [Google Scholar] [CrossRef]
- Glisic, S.B.; Pajnik, J.M.; Orlović, A.M. Process and techno-economic analysis of green diesel production from waste vegetable oil and the comparison with ester type biodiesel production. Appl. Energy 2016, 170, 176–185. [Google Scholar] [CrossRef]
- Carrasco, J.L.; Gunukula, S.; Boateng, A.A.; Mullen, C.A.; DeSisto, W.J.; Wheeler, M.C. Pyrolysis of forest residues: An approach to techno-economics for bio-fuel production. Fuel 2017, 193, 477–484. [Google Scholar] [CrossRef]
- Zhu, Y.; Biddy, M.J.; Jones, S.B.; Elliott, D.C.; Schmidt, A.J. Techno-economic analysis of liquid fuel production from woody biomass via hydrothermal liquefaction (HTL) and upgrading. Appl. Energy 2014, 129, 384–394. [Google Scholar] [CrossRef]
- Douglas, J.M. Conceptual Design of Chemical Process, 1st ed.; McGraw-Hill: Singapore, 1988; pp. 116–215. [Google Scholar]
- Thangalazhy-Gopakumar, S.; Adhikari, S.; Ravindran, H.; Gupta, R.B.; Fasina, O.; Tu, M.; Fernando, S.D. Physiochemical properties of bio-oil produced at various temperatures from pine wood using an auger reactor. Bioresour. Technol. 2010, 101, 8389–8395. [Google Scholar] [CrossRef] [PubMed]
- Branca, C.; Giudicianni, P.; Di Blasi, C. GC/MS characterization of liquids generated from low-temperature pyrolysis of wood. Ind. Eng. Chem. Res. 2003, 14, 3190–3202. [Google Scholar] [CrossRef]
- Garcia-Perez, M.; Wang, S.; Shen, J.; Rhodes, M.; Lee, W.J.; Li, C.Z. Effects of temperature on the formation of lignin-derived oligomers during the fast pyrolysis of mallee woody biomass. Energy Fuels 2008, 3, 2022–2032. [Google Scholar] [CrossRef]
- Djokic, M.R.; Dijkmans, T.; Yildiz, G.; Prins, W.; Van Geem, K.M. Quantitative analysis of crude and stabilized bio-oils by comprehensive two-dimensional gas-chromatography. J. Chromatogr. ACS Catal. 2012, 1257, 131–140. [Google Scholar] [CrossRef]
- Liu, Y.; Shi, Q.; Zhang, Y.; He, Y.; Chung, K.H.; Zhao, S.; Xu, C. Characterization of red pine pyrolysis bio-oil by gas chromatography-mass spectrometry and negative-ion electrospray ionization fourier transform ion cyclotron resonance mass spectrometry. Energy Fuels 2012, 7, 4532–4539. [Google Scholar] [CrossRef]
- DeSisto, W.J.; Hill, N.; Beis, S.H.; Mukkamala, S.; Joseph, J.; Baker, C.; Ong, T.H.; Stemmler, E.A.; Wheeler, M.C.; Frederick, B.G.; et al. Fast pyrolysis of pine sawdust in a fluidized-bed reactor. Energy Fuels 2010, 4, 2642–2651. [Google Scholar] [CrossRef]
- Kim, K.H.; Eom, I.Y.; Lee, S.M.; Choi, D.; Yeo, H.; Choi, I.G.; Choi, J.W. Investigation of physicochemical properties of biooils produced from yellow poplar wood (Liriodendron tulipifera) at various temperatures and residence times. J. Anal. Appl. Pyrolysis 2011, 1, 2–9. [Google Scholar] [CrossRef]
- Bridgwater, A.V.; Czernik, S.; Diebold, J.; Meier, D.; Oasmaa, A.; Peacocke, C.; Piskorz, J.; Radlein, D. Fast Pyrolysis of Biomass: A Handbook, 1st ed.; CPL Press: Berkshire, UK, 1999; Volume 1. [Google Scholar]
- Chu, S.; Subrahmanyam, A.V.; Huber, G.W. The pyrolysis chemistry of a β-O-4 type oligomeric lignin model compound. Green Chem. 2013, 15, 125–136. [Google Scholar] [CrossRef]
- Jones, S.B.; Meyer, P.A.; Snowden-Swan, L.J.; Padmaperuma, A.B.; Tan, E.; Dutta, A.; Jacobson, J.; Cafferty, K. Process Design and Economics for the Conversion of Lignocellulosic Biomass to Hydrocarbon Fuels; Department of Energy: Oak Ridge, TN, USA, 2013. [Google Scholar]
- Bayerbach, R.; Nguyen, V.D.; Schurr, U.; Meier, D. Characterization of the water-insoluble fraction from fast pyrolysis liquids (pyrolytic lignin): Part III. Molar mass characteristics by SEC, MALDI-TOF-MS, LDI-TOF-MS, and PyFIMS. J. Anal. Appl. Pyrolysis 2006, 77, 95–101. [Google Scholar] [CrossRef]
- Bindwal, A.B.; Vaidya, P.D. Kinetics of Aqueous-Phase Hydrogenation of Levoglucosan over Ru/C Catalyst. Ind. Eng. Chem. Res. 2013, 52, 17781–17789. [Google Scholar] [CrossRef]
- Bindwal, A.B.; Bari, A.H.; Vaidya, P.D. Kinetics of low temperature aqueous-phase hydrogenation of model bio-oil compounds. Chem. Eng. J. 2012, 207–208, 725–733. [Google Scholar] [CrossRef]
- Negahdar, L.; Oltmanns, J.U.; Palkovits, S.; Palkovits, R. Kinetic investigation of the catalytic conversion of cellobiose to sorbitol. Appl. Catal. B Environ. 2014, 147, 677–683. [Google Scholar] [CrossRef]
- Abdelrahman, O.A.; Heyden, A.; Bond, J.Q. Analysis of Kinetics and Reaction Pathways in the Aqueous-Phase Hydrogenation of Levulinic Acid to Form γ-Valerolactone over Ru/C. ACS Catal. 2014, 4, 1171–1181. [Google Scholar] [CrossRef]
- Richard, D.; Delgado-Nuñez, M.D.L. Kinetics of the degradation by catalytic hydrogenation of tyrosol, a model molecule present in olive oil waste waters. J. Chem. Technol. Biotechnol. 2003, 78, 927–934. [Google Scholar] [CrossRef]
- Olcay, H.; Xu, L.; Xu, Y.; Huber, G.W. Aqueous-Phase Hydrogenation of Acetic Acid over Transition Metal Catalysts. ChemCatChem 2010, 2, 1420–1424. [Google Scholar] [CrossRef]
- Sheu, Y.H.E.; Anthony, R.G.; Soltes, E.J. Kinetic studies of upgrading pine pyrolytic oil by hydrotreatment. Fuel Process. Technol. 1988, 19, 31–50. [Google Scholar] [CrossRef]
- Douglas, J.M. Conceptual Design of Chemical Process, 1st ed.; McGraw-Hill: Singapore, 1988; pp. 99–114. [Google Scholar]
- 2019. Available online: https://www.valero.com/en-us (accessed on 7 January 2019).
- Smith, J.M.; Ness, H.V.; Abbott, M. Introduction to Chemical Engineering Thermodynamics; McGraw-Hill: Boston, MA, USA, 2005. [Google Scholar]
- Nag, P. Basic & Applied Thermodynamics; McGraw Hill: Boston, MA, USA, 2017. [Google Scholar]
- Elliott, D.C.; Hart, T.R.; Neuenschwander, G.G.; Rotness, L.J.; Zacher, A.H. Catalytic hydroprocessing of biomass fast pyrolysis bio-oil to produce hydrocarbon products. Environ. Prog. Sustain. Energy 2009, 28, 441–449. [Google Scholar] [CrossRef]
- Aho, A.; Roggan, S.; Eränen, K.; Salmi, T.; Murzin, D.Y. Continuous hydrogenation of glucose with ruthenium on carbon nanotube catalysts. Catal. Sci. Technol. 2015, 5, 953–959. [Google Scholar] [CrossRef]
- Li, J.; Soares, H.S.; Moulijn, J.A.; Makkee, M. Simultaneous hydrolysis and hydrogenation of cellobiose to sorbitol in molten salt hydrate media. Catal. Sci. Technol. 2013, 3, 1565–1572. [Google Scholar] [CrossRef][Green Version]
- Sanna, A.; Vispute, T.P.; Huber, G.W. Hydrodeoxygenation of the aqueous fraction of bio-oil with Ru/C and Pt/C catalysts. Appl. Catal. B Environ. 2015, 165, 446–456. [Google Scholar] [CrossRef]
- Available online: https://www.linde-engineering.com/internet.global.lindeengineering.global/en/images/H2_1_1_e_12_150dpi_NB19_4258.pdf?v=11.0 (accessed on 7 January 2019).
- Gary, J.H.; Handwerk, G.E. Petroleum Refining; Taylor & Francis: New York, NY, USA, 2001. [Google Scholar]
- Kremser, A. Theoretical analysis of absorption process. Natl. Pet. News 1930, 22, 42. [Google Scholar]
- Silva, V.M.; Gomes, P.S.; Rodrigues, A.E. Use of Ion Exchange Resins in Continuous Chromatography for Sugar Processing. In Ion Exchange Technology II: Applications; Inamuddin, D., Luqman, M., Eds.; Springer: Dordrecht, The Netherlands, 2012; pp. 109–135. [Google Scholar]
- Pynnonen, B. Simulated moving bed processing: escape from the high-cost box. J. Chromatogr. A 1998, 827, 143–160. [Google Scholar] [CrossRef]
- Song, H.; Lee, S.Y. Production of succinic acid by bacterial fermentation. Enzym. Microb. Technol. 2006, 39, 352–361. [Google Scholar] [CrossRef]
- Sengupta, D.; Pike, R.W. Chemicals from Biomass. In Handbook of Climate Change Mitigation and Adaptation; Chen, W.Y., Suzuki, T., Lackner, M., Eds.; Springer: New York, NY, USA, 2014; pp. 1–38. [Google Scholar]
- Trading Economics. 2019. Available online: https://tradingeconomics.com/euro-area/interest-rate (accessed on 8 October 2019).
- Centi, G.; Trifiro, F.; Ebner, J.R.; Franchetti, V.M. Mechanistic aspects of maleic anhydride synthesis from C4 hydrocarbons over phosphorus vanadium oxide. Chem. Rev. 1988, 88, 55–80. [Google Scholar] [CrossRef]
- Available online: https://www.eia.gov/electricity/monthly/epm_table_grapher.cfm?t=epmt_5_6_a (accessed on 8 October 2019).
- Li, X.; Ho, B.; Zhang, Y. Selective aerobic oxidation of furfural to maleic anhydride with heterogeneous Mo–V–O catalysts. Green Chem. 2016, 18, 2976. [Google Scholar] [CrossRef]
- Peters, M.S.; Timmerhaus, K.D. Plant Design and Economics for Chemical Engineers; McGraw-Hill: New York, NY, USA, 1991. [Google Scholar]




















| Compound Group | Model Compound | Formula | wt % Dry Base | Ref. |
|---|---|---|---|---|
| Water-soluble | ||||
| Acids | Acetic acid Levulinic acid | C2H4O2 C5H8O3 | 3.90 1.67 | [21] |
| Alcohols | Tyrosol Glycerol | C8H10O2 C3H8O3 | 3.48 3.49 | [21,22,23] |
| Ketones | Hydroxyacetone | C3H6O2 | 8.29 | [21,22,23] |
| Aldehydes | Hydroxyacetaldeyde 3-Methoxy-4-Hydroxybenzaldehyde | C8H8O3 | 6.97 | [21,23,24,25] |
| Guaiacols | o-Methoxyphenol | C10H12O2 | 4.98 | [21,22,26,27] |
| Low MW sugars | Levoglucosan | C6H10O5 | 5.97 | [22,23,26,28] |
| High MW sugars | Cellobiose | C12H22O11 | 33.86 | [26] |
| Water-insoluble | ||||
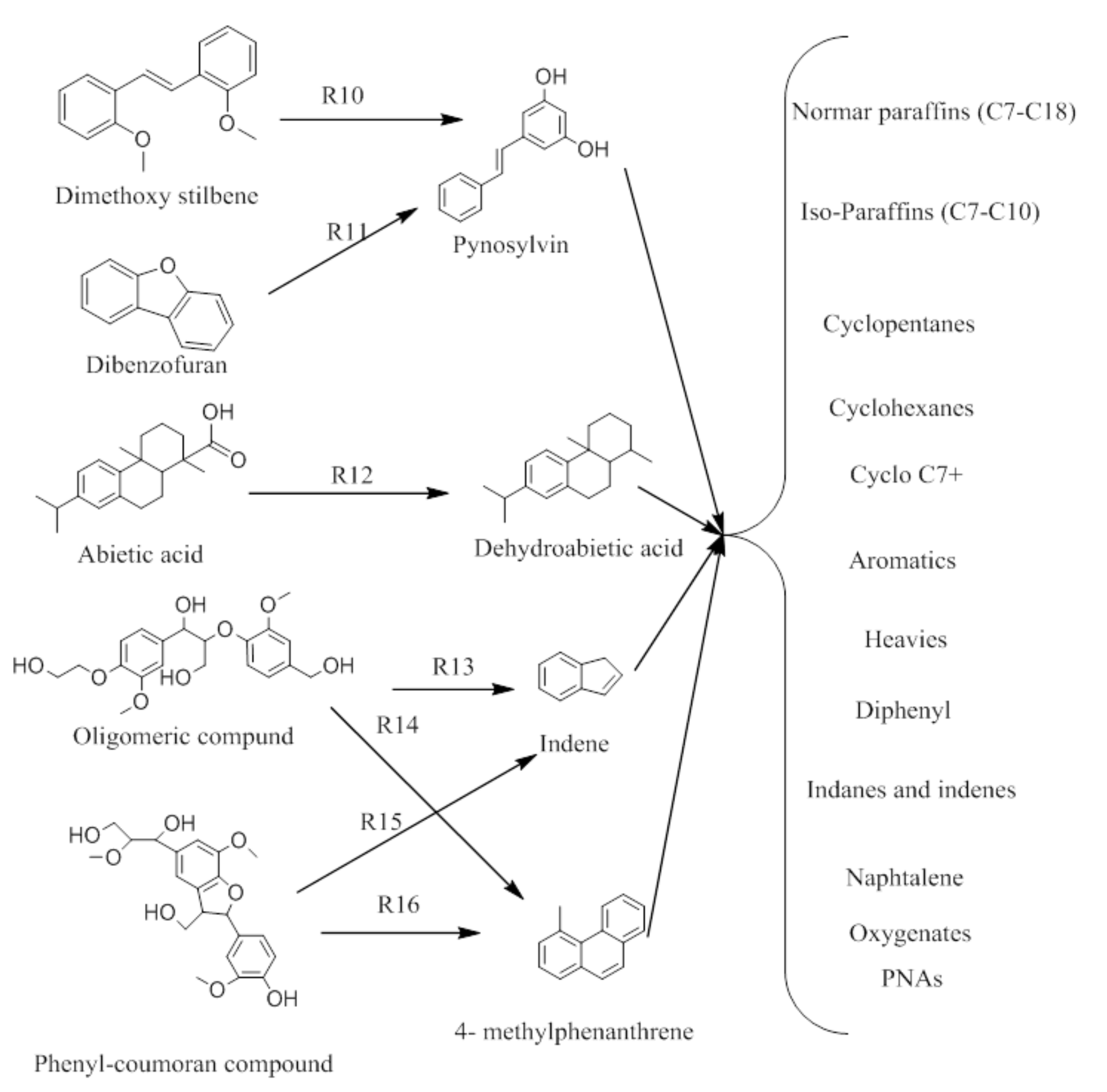
| Low MW lignin-derived compounds | Dimethoxy stilbene | C16H16O2 | 10.95 | [28] |
| Dibenzofuran (representing diphenyl compounds) | C12H8O | 2.21 | [29] | |
| Extractives | Dehydroabietic acid | C20H28O2 | 2.99 | [26,27,28] |
| High MW lignin-derived compounds | Oligomeric compounds with β-O-4 bond | C20H26O8 | 9.15 | [30] |
| Phenylcoumaran compounds | C21H26O8 | 1.99 | [29] | |
| Nitrogen compounds | 2,4,6-trimethylpyridine | C8H11N | 0.070 | [31] |
| Sulfur compounds | Dibenzothiophene | C12H8S | 0.025 | [23] |
| Absorber System Cost + Product Lost [k$/y] | Products Lost w/o Absorber System [k$/y] | ||||
|---|---|---|---|---|---|
| Pressure Outlet [Bar] | Pressure Outlet [Bar] | ||||
| 10 | 20 | 10 | 20 | ||
| Pressure inlet [bar] | 100 | 1050 | 564 | 2820 | 1770 |
| 110 | 950 | 547 | 2740 | 1650 | |
| 120 | 880 | 474 | 3180 | 1340 | |
| 130 | 1040 | 531 | 2850 | 1630 | |
| 140 | 100 | 522 | 2590 | 1600 | |
| 150 | 1010 | 606 | 2560 | 1830 | |
| Mass Fractions | TPB [°C] | |
|---|---|---|
| Ethanol | 0.027 | 78 |
| Water | 0.336 | 100 |
| Hydroxyacetaldeyde | 0.003 | 145 |
| Ethyl cyclohexanol | 0.029 | 191 |
| Ethylene glycol | 0.046 | 197 |
| Cyclohexane ethanol | 0.001 | 210 |
| Propandiol | 0.127 | 214 |
| Benzendiol | 0.042 | 222 |
| Butanediol | 0.015 | 227 |
| Hydroxypropionic acid | 0.015 | 285 |
| Vanillin alcohol | 0.029 | 290 |
| Glucose | 0.018 | 344 |
| Sorbitol | 0.310 | 431 |
| T-401 | T-402 | T-403 | T-404 | T-405 | T-406 | T-407 | T-408 | T-409 | |
|---|---|---|---|---|---|---|---|---|---|
| Reflux ratio [-] | 0.525 | 0.405 | 0.434 | 92.1 | 6.95 | 5.59 | 11.5 | 11.6 | 0.60 |
| N° stages [-] | 100 | 20 | 92 | 230 | 146 | 224 | 816 | 442 | 52 |
| Feed stage [-] | 58 | 22 | 66 | 146 | 94 | 142 | 624 | 132 | 34 |
| Reboiler heating required [Gcal/h] | 334.9 | 92.8 | 2.1 | 387.8 | 146.0 | 239.4 | 208.9 | 82.5 | 9.0 |
| Condenser cooling required [Gcal/h] | 246.2 | 18.87 | 0.02 | 124.8 | 126.7 | 202.5 | 191.3 | 91.35 | 7.70 |
| Distillate temperature [°C] | 117.0 | 100.0 | 138.3 | 166.0 | 196.6 | 213.6 | 218.6 | 213.6 | 227.4 |
| Bottom temperature [°C] | 125.3 | 208.2 | 211.7 | 213.3 | 220.2 | 230.4 | 257.5 | 222.3 | 312.8 |
| Capital cost [M$/y] | 3.92 | 0.70 | 0.68 | 14.70 | 7.02 | 14.32 | 52.17 | 28.26 | 0.42 |
| Utility cost [M$/y] | 131.51 | 32.44 | 0.70 | 139.30 | 58.90 | 96.16 | 85.09 | 34.88 | 3.62 |
| Compound | Price from Fossil Fuel [$/GJ] | Mass Flow [Ton/Day] | MFSP | |
|---|---|---|---|---|
| [$/GJ] | [$/kg] | |||
| Fuel gas | 3.72 | 1.73·10−4 | 5.71 | 0.685 |
| Light gasoline | 14.44 | 125.38 | 22.22 | 0.966 |
| Heavy gasoline | 21.88 | 42.3 | 33.69 | 1.465 |
| Kerosene | 11.92 | 20.8 | 18.35 | 0.791 |
| Diesel | 12.26 | 130.7 | 18.87 | 0.816 |
| Residual fuel | 6.82 | 9.08 | 10.50 | 0.406 |
| Compound | Unit | Price | Ref. | Compound | Unit | Price | Ref. |
|---|---|---|---|---|---|---|---|
| Acetic acid § | $/kg | 0.839 | [52] | Hydroxyacetone § | $/kg | 1.25 | [52] |
| Benzendiol § | $/kg | 1.50 | [52] | Hydroxypropionic acid § | $/kg | 10.12 | [52] |
| Bio-Oil * | $/GJ | 16.84 | [55] | Kerosene * | $/GJ | 11.92 | [56] |
| Butyric acid † | $/kg | 1.21 | [52] | Levulinic acid § | $/kg | 5.80 | [52] |
| Butanediol § | $/kg | 1.71 | [52] | Light Gasoline * | $/GJ | 14.44 | [56] |
| Diesel * | $/GJ | 12.26 | [56] | Methanol § | $/kg | 0.315 | [52] |
| Ethanol § | $/kg | 0.67 | [52] | o-Methoxyphenol § | $/kg | 1.50 | [52] |
| Ethylene glycol § | $/kg | 1.43 | [52] | Propanediol § | $/kg | 1.27 | [52] |
| Fuel gas * | $/GJ | 3.72 | [56] | Residual fuel * | $/GJ | 6.82 | [56] |
| Glucose § | $/kg | 0.309 | [52] | Sorbitol § | $/kg | 1.72 | [52] |
| Heavy Gasoline * | $/GJ | 21.88 | [56] | Methoxy-Hydroxybenzaldehyde § | $/kg | 12.0 | [52] |
| Hydrogen * | $/GJ | 12.50 | [57] | Vanillin alcohol § | $/kg | 44.46 | [52] |
| Hydroxyl acetaldehyde § | $/kg | 1 | [52] | γ-Valero lactone § | $/kg | 14.43 | [52] |
| Direct Costs: | 32,839 MM$ |
| Purchased equipment (22.9% FCI) | 10,758 MM$ |
| Installation, including insulation and painting (8.3% FCI) | 3899 MM$ |
| Instrumentation and controls, installed (6.4% FCI) | 3007 MM$ |
| Piping, installed (7.3% FCI) | 3430 MM$ |
| Electrical, installed (4.6% FCI) | 2161 MM$ |
| Buildings, process and auxiliary (4.6% FCI) | 2161 MM$ |
| Service facilities and yard improvements (13.8% FCI) | 6483 MM$ |
| Land (1% to 2% FCI) | 940 MM$ |
| Indict costs: | 13,765MM$ |
| Engineering and supervision (9.2% FCI) | 4322 MM$ |
| Construction expense and contractor’s fee (12.8% FCI) | 6013 MM$ |
| Contingency (7.3% FCI) | 3430 MM$ |
| Fixed-capital investment (FCI) = direct costs + indirect costs | 46,980MM$ |
| Working capital (15% TCI) | 8291MM$ |
| Total capital investment (TCI) = fixed-capital investment + working capital | 55,271MM$ |
| Manufacturing cost = direct production costs + fixed charges + plant overhead costs | 55,910 MM$ |
| Direct production costs: | 42,847MM$ |
| Raw materials (35% TPC) | 22,861 MM$ |
| Operating labour (10% TPC) | 6532 MM$ |
| Direct supervisory and clerical labour (10% to 25% of operating labour) | 653 MM$ |
| Utilities (15% of total product cost) | 9797 MM$ |
| Maintenance and repairs (2% to 10% of fixed–capital investment) | 810 MM$ |
| Operating supplies (0.5% to 1% FCI) | 235 MM$ |
| Laboratory charges (10% to 20% of operating labour) | 653 MM$ |
| Patents and royalties (0% to 6% TPC) | 1306 MM$ |
| Fixed charges: | 65,320MM$ |
| Depreciation (10% FCI) | 4698 MM$ |
| Local taxes (3% FCI) | 1409 MM$ |
| Insurance (0.7% FCI) | 329 MM$ |
| Rent (10% of value of rented land and buildings) | 94 MM$ |
| Plant—overhead costs (10% TPC); includes costs for the following: general plant upkeep and overhead, payroll overhead, packaging, medical services, safety and protection, restaurants, recreation, salvage, laboratories, and storage facilities. | 6532MM$ |
| General expenses: | 9406MM$ |
| Administrative costs (15% operating labour) | 980 MM$ |
| Distribution and selling costs (11% TPC) | 7185 MM$ |
| Research and development costs (5% TPC) | 3266 MM$ |
| Financing (5% TCI) | 3266 MM$ |
| Total product cost = manufacturing cost + general expenses | 65,316MM$ |
| Gross earnings cost = total income—total product costamount of gross earnings cost depends on amount of gross earnings for entire company and income—tax regulations; a general range for gross—earnings cost is 30% to 40% of gross earnings) | 38,428MM$ |
| Profit before Taxes = Revenue–Total Production Cost | 20,833MM$ |
| Profit after tax = 0.52 Profit before Taxes | 9406MM$ |
| Cash Flow =Profit after Taxes + Depreciation | 19,423MM$ |
© 2019 by the authors. Licensee MDPI, Basel, Switzerland. This article is an open access article distributed under the terms and conditions of the Creative Commons Attribution (CC BY) license (http://creativecommons.org/licenses/by/4.0/).
Share and Cite
Bagnato, G.; Sanna, A. Process and Techno-Economic Analysis for Fuel and Chemical Production by Hydrodeoxygenation of Bio-Oil. Catalysts 2019, 9, 1021. https://doi.org/10.3390/catal9121021
Bagnato G, Sanna A. Process and Techno-Economic Analysis for Fuel and Chemical Production by Hydrodeoxygenation of Bio-Oil. Catalysts. 2019; 9(12):1021. https://doi.org/10.3390/catal9121021
Chicago/Turabian StyleBagnato, Giuseppe, and Aimaro Sanna. 2019. "Process and Techno-Economic Analysis for Fuel and Chemical Production by Hydrodeoxygenation of Bio-Oil" Catalysts 9, no. 12: 1021. https://doi.org/10.3390/catal9121021
APA StyleBagnato, G., & Sanna, A. (2019). Process and Techno-Economic Analysis for Fuel and Chemical Production by Hydrodeoxygenation of Bio-Oil. Catalysts, 9(12), 1021. https://doi.org/10.3390/catal9121021

