Abstract
The discovery of alternative fuels that can replace conventional fuels has become the goal of many scientific researches. Biodiesel is produced from vegetable oils through a transesterification reaction that converts triglycerides into fatty acid methyl esters (FAME), with the use of a low molecular weight alcohol, in different reaction conditions and with different types of catalysts. Titanium dioxide has shown a high potential as heterogeneous catalyst due to high surface area, strong metal support interaction, chemical stability, and acid–base property. This review focused on TiO2 as heterogeneous catalyst and its potential applications in the continuous flow production of biodiesel. Furthermore, the use of micro reactors, able to make possible chemical transformations not feasible with traditional techniques, will enable a reduction of production costs and a greater environmental protection.
1. Introduction
Public attention to energy consumption and related emissions of pollutants is growing. The constant increase in the cost of raw materials derived from petroleum and the growing concerns of environmental impact have given considerable impetus to new products research from renewable raw materials and to technological proposal solutions that reduce energy consumption, use of hazardous substances and waste production, while promoting a model of sustainable development and social acceptance [1,2,3].
In recent years, titanium complex catalytic systems consisting of several catalysts or containing one catalyst with functional additives have found wide applications [4,5,6]. This application is very promising, since it appreciably widens the possibility of controlling the activity and selectivity of catalysts.
Titanium containing catalysts can be divided into organic, inorganic, mixed, and complex catalysts. Both organic and inorganic titanium compounds represent the main components of the complex catalysts for esterification and transesterification reactions [7].
Recently, titanium oxide (TiO2) was introduced as an alternative material for heterogeneous catalysis due to the effect of its high surface area stabilizing the catalysts in its mesoporous structure [8].
Titania-based metal catalysts have attracted interest due to TiO2 nanoparticles high activity for various reduction and oxidation reactions at low pressures and temperatures. Furthermore, TiO2 was found to be a good metal oxide catalyst due to the strong metal support interaction, chemical stability, and acid–base property [9].
This review focuses on TiO2 as an excellent material for heterogeneous catalysis, with potential applications in biodiesel production. Applications of titanium dioxide as heterogeneous catalyst for continuous flow processes have been considered.
2. Titania-Based Catalysts in Transesterification Reaction
Homogeneous basedcatalysts in the transesterification reaction have some disadvantages, among which are high energy consumption, expensive separation of the catalyst from the reaction mixture, and the purification of the raw material. Therefore, to reduce the cost of the purification process, heterogeneous solid catalysts such as metal oxides were recently used, as they can be easily separated from the reaction mixture and reused.
Titanium dioxide used as a heterogeneous catalyst shows a wide availability and economical synthesis modalities.
2.1. Sulfated TiO2
A solid superacidic catalyst used in the petrochemical industry and petroleum refining process was sulfated doped TiO2 [10,11]. This catalyst showed better performances compared to other sulfated metal oxides due to the acid strength of the TiO2 particles which further enhanced with loading of SO42− groups on the surface of TiO2. The higher content of sulfate groups determined the formation of Brönsted acid sites which caused the super acidity of the catalyst [12]. Some studies reported that the enhancement of the acidic properties after the addition of sulfate ions to metal oxides, caused less deactivation of the catalyst [13,14].
2.1.1. SO42−/TiO2
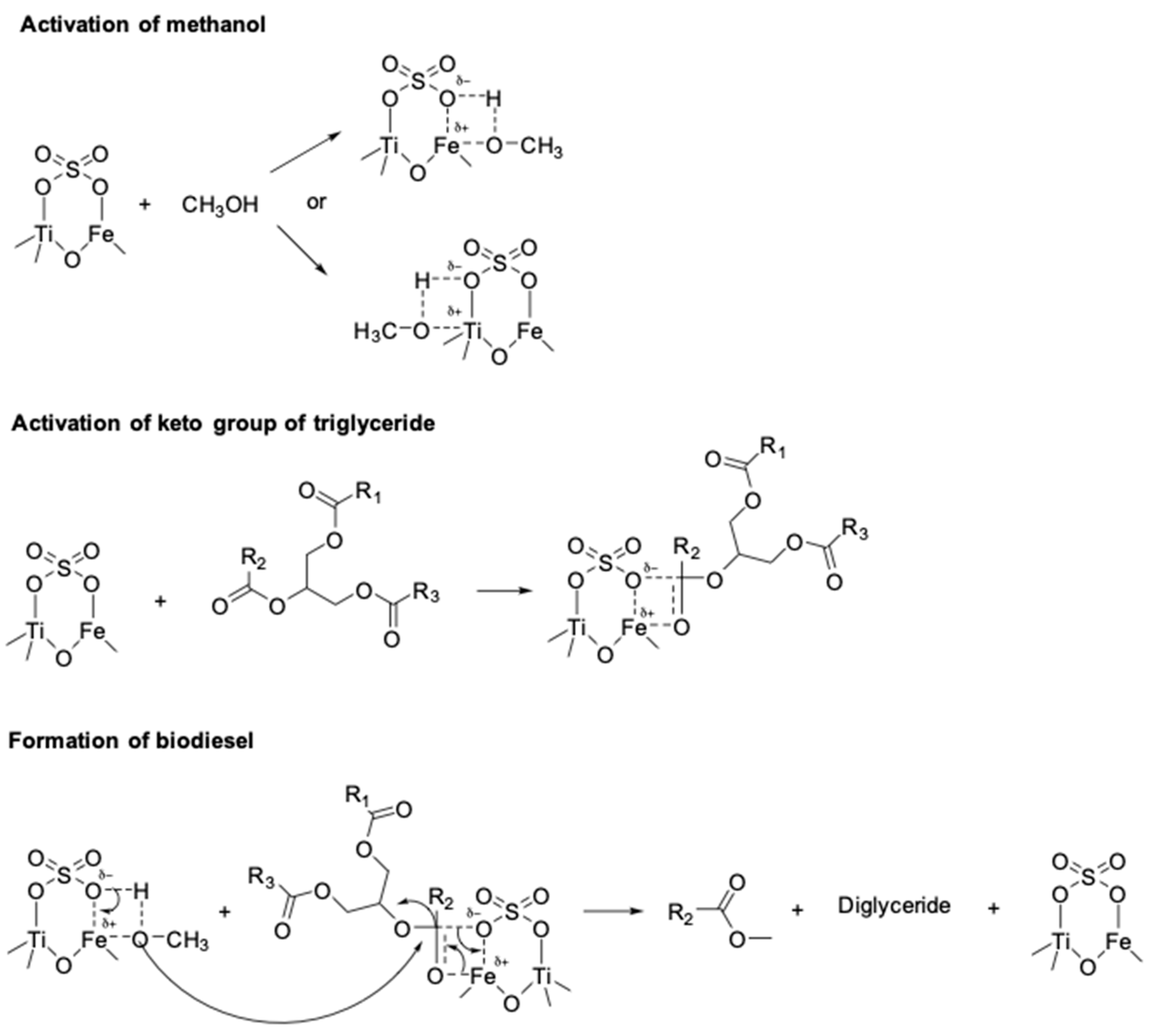
Hassanpour et al. described sulfated doped TiO2 as a solid super-acidic catalyst which is also used in the petrochemical industry and petroleum refining process and shows better performances compared to other sulfated metal oxides [15,16]. This is due to the acid strength of the TiO2 particles which further enhanced with loading of SO42− groups on the surface of TiO2. The synthesized nano-catalyst Ti(SO4)O (Figure 1) is used for the production of biodiesel deriving from used cooking oil (UCO).
Figure 1.
TEM images of (a) TiO2 and (b) Ti(SO4)O (Copyright of Elsevier, see [15]).
The esterification of free fatty acids (FFAs) and transesterification of oils were conducted simultaneously using the titanium catalyst (1.5 wt.%), in methanol/UCO in 9:1 ratio, a temperature reaction of 75 °C, and a reaction time of 3 h, yielding 97.1% of fatty acid methyl esters. The authors investigated the catalytic activity and re-usability of the Ti(SO4)O for the esterification/transesterification of UCO. After eight cycles under optimized conditions the amount of SO42− species in the solid acid nano-catalyst slowly decreased and this data resulted higher compared to other functionalized titania reported in the literature. The formation of polydentate sulfate species inside the structure of TiO2 enhanced the stability of synthesized Ti(SO4)O nanocatalyst and also presented a higher tolerance to ≤6 wt.% percentage of free fatty acids in raw material for biodiesel production (Table 1).
Table 1.
The effect of free fatty acid (FFA) in feedstock on the percentage of fatty acid methyl esters (FAME) yield.
Zhao and co-workers have recently studied the catalytic activity of sulfated titanium oxide (TiO2-SO42−). The authors reported that the high surface acidity of titanium dioxide increased the yield of butyl acetate to about 92.2% in esterification reaction, and the selectivity of the catalyst mostly depended on the degree of exposure of reactive crystal facets [17]. In this paper, a high-surface-area mesoporous sulfated nano-titania was prepared by a simple hydrothermal method without any template followed by surface sulfate modification (Figure 2). Acid sites with moderate- and superacidic strength formed in the sulfated titania catalyst. Also, the prepared sulfated sample possessed both Lewis and Brønsted acid sites. The catalytic activity of sulfated nano-titania with exposed (101) facets was evaluated using the esterification reaction between acetic acid and n-butanol. Compared with the exposed (001) facets, the exposed (101) facets showed better catalytic activity of sulfated TiO2 in esterification. Additionally, the as-prepared sulfated sample could be efficiently recycled and regenerated by simple soaking in sulfuric acid followed by calcination.
Figure 2.
(a) TEM and (b) HRTEM images of TiO2-SO42− (Reproduced by permission of The Royal Society of Chemistry, see [17]).
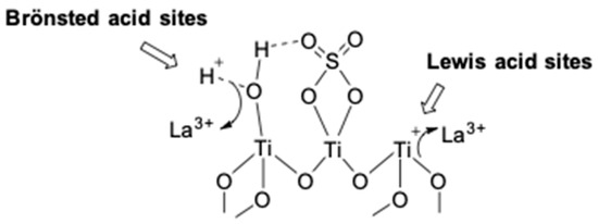
Furthermore, Ropero-Vega et al. investigated the effect of TiO2-SO42− on the esterification of oleic acid with ethanol [18]. The maximum conversion of oleic acid was 82.2%, whilst a 100% selectivity of the catalyst on oleic acid to ester was reported at 80 °C after 3 h. Sulfated titania was prepared by using ammonium sulfate and sulfuric acid as sulfate precursors. Depending on the sulfation method, important effects on the acidity, textural properties as well as on activity were found. After ammonium sulfate was used, a large amount of S=O linked to the titania surface was observed and the acidity strength determined with Hammett indicators showed strong acidity in the sulfated samples. The presence of Lewis and Brönsted acid sites in the sulfated titania with sulfuric acid catalyst, were observed (Figure 3). The sulfated titania showed very high activity for the esterification of fatty acids with ethanol in a mixture of oleic acid (79%). Conversions up to 82.2% of the oleic acid and selectivity to ester of 100% were reached after 3 h of reaction at 80 °C.
Figure 3.
Schematic representation of the Brönsted and Lewis acid sites in the sulfated titania.
The results showed that sulfated titania is a promising solid acid catalyst to be used in the esterification of free fatty acids with 2-propanol (Table 2).
Table 2.
Conversion of 2-propanol and oleic acid esterification on sulfated titania.
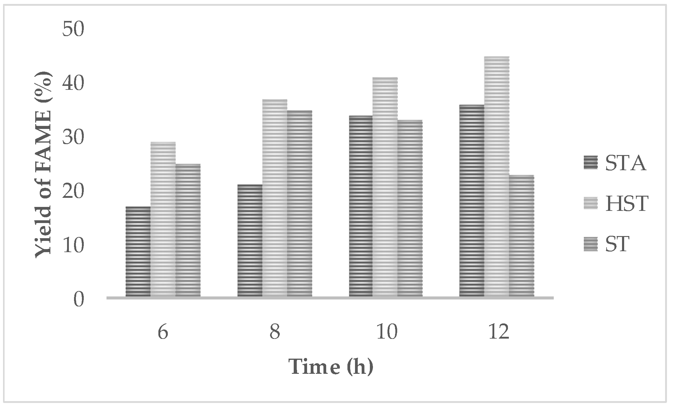
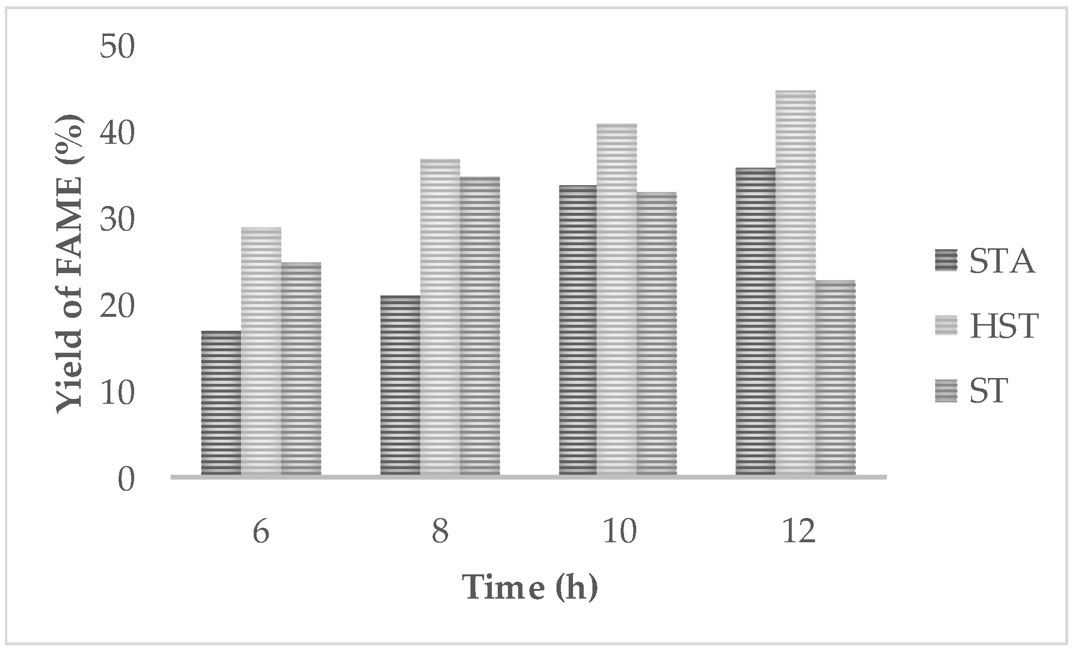
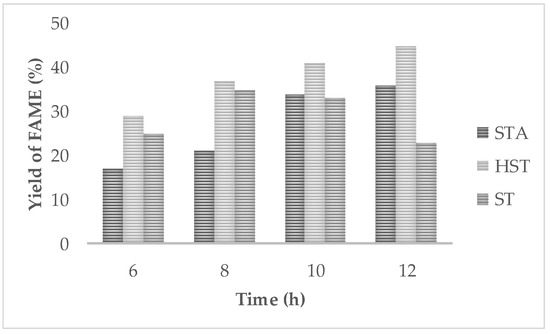
Three sulfated titania-based solid superacid catalysts were prepared by sol-gel and impregnation method by Huang and coworkers [19]. Sulfated titania derived gel was dried at 353 K for 24 h and then calcined in air at 773 K for 3 h and milled into powders (this sample was labeled as ST). Another sulfated titania was prepared with HNO3 instead of H2SO4 solution (this sample was labeled as HST). Sulfated titania-alumina was labeled as STA. The synthesis of biodiesel was performed from rap oil, at 353 K, after 6–12 h, under atmospheric pressure, with a 1:12 molar ratio of oil to methanol. The highest yield was obtained using HST catalyst probably due to its stronger surface acidity. The yields of HST and STA increased with prolonged reaction time, while the optimum reaction time of ST was 8 h (Figure 4).
Figure 4.
Influence of reaction time on the yield of FAME.
Superacid sulfated titania catalyst, TiO2/SO4 (TS-series), have been prepared by de Almeida et al. via the sol-gel technique, with different sulfate concentrations [20]. The relation of structure and catalytic activity of the prepared material have been evaluated. The catalyst that exhibited the highest catalytic activity in the methanolysis of soybean and castor oils at 120 °C, for 1 h (40% and 25%, respectively) was that which displayed the highest specific surface area, average pores diameter and pore volume, and highest percentage in sulfate groups TS-5 (Figure 5).
Figure 5.
Percentage of FAMEs formed in the methanolysis reaction of soybean and castor oils.
Chen, et al. reported the transesterification reaction of cottonseed oil at 230 °C for 8 h, using a molar ratio of 12:1 between methanol and oil and an amount of catalyst of 2 wt.%, with a biodiesel conversion of 90% (Table 3) [21]. The solid acids as heterogeneous catalysts showed high activity for the transesterification and better adaptability compared to solid base catalysts in presence of a high acidity of the oil. The solid acid catalysts were prepared by mounting H2SO4 on TiO2·nH2O and calcinated at 550 °C.
Table 3.
Effect of temperature on the transesterification with catalyst TiO2/SO42− (%, w).
2.1.2. SO42−/TiO2-ZrO2
Oprescu et al. reported an alternative source for biodiesel production, using microalgae as source of oil and an amphiphilic SO42−/TiO2-ZrO2 superacid catalyst and transesterification over KOH [22]. The extracted oil presented high free fatty acids (FFA) and required pre-treatment, if homogeneous catalysts were used due to saponification phenomenon and post-production processes. The biodiesel was obtained by transesterification over KOH and esterification of FFA with methanol using the amphiphilic SO42−/TiO2-ZrO2 superacid catalyst. SO42−/TiO2-ZrO2 was prepared with an alkylsilane to modify the surface of the catalyst. The attachment of alkylsilane on the surface of SO42−/TiO2-ZrO2 support was confirmed by FT-IR and thermo gravimetric analysis. The authors evaluated the catalytic performance varying reaction parameters such as amount of catalyst, reaction time and algal oil/alcohol molar ratio (Table 4). To reduce algae oil acidity to less than 1% the acid esterification was carried out and, after transesterification with KOH, the yield of biodiesel was over 96%.
Table 4.
Parameters optimization for esterification reaction over SO42−/TiO2-ZrO2.
Boffito et al. described the preparation of different samples of sulfated mixed zirconia/titania, with traditional- and ultrasound (US)-assisted sol-gel synthesis, and the corresponding properties in the free fatty acids esterification [23]. The acidity and the surface area of sulfated zirconia was increased through the addition of TiO2 and the same properties with the continuous or pulsed US were also tuned (Table 5). Furthermore, specific values of acidity and surface area were combined to demonstrate which kind of active sites were involved to obtain better catalytic performances in the free fatty acids esterification. SZ and SZT, referred to SO42−/ZrO2 and SO42−/80%ZrO2-20%TiO2, were synthesized using traditional sol-gel method and both traditional and US assisted sol–gel techniques, respectively, while samples named USZT referred to US obtained sulfated 80%ZrO2-20%TiO2 (Figure 6).
Table 5.
List of all samples and of employed synthesis parameters (maximum power = 450 W).
Figure 6.
Conversions obtained after 6 h of reaction, 336 ± 2 K, slurry reactor, initial acidity: 7.5 wt.% (oleic acid), MeOH:oil = 16:100 wt, catalyst:oleic acid = 5:100 wt.
2.1.3. SO42−/TiO2-SiO2
Wang et al. reported a study on the use of SO42−/TiO2-SiO2 as a solid acid catalyst for the simultaneous esterification and transesterification of low cost feedstocks with high FFA [24]. The authors reported that with a mixed oil (50% refined cottonseed oil and 50% oleic acid), under 9:1 methanol to oil moral ratio, 6 h reaction time, 3% catalyst loading, and reaction temperature of 200 °C, a yield of 92% can be achieved. It was also reported that the SO42−/TiO2-SiO2 catalyst can be re-used up to 4 times without reducing the catalytic activity (Figure 7).
Figure 7.
Stability of the solid acid catalyst.
Recently, an inexpensive precursor was used in the synthesis of SO42−/TiO2-SiO2 catalyst by Shao and co-workers [25]. They reported 88% yield for biodiesel production under 20:1 methanol to UCO molar ratio, 10 wt.% catalyst and 3 h reaction time at 120 °C with constant stirring at 400 rpm. A sulfated titania–silica composite (S-TSC) was obtained through surface modification of mesoporous titania–silica composite synthesized using less expensive precursors; titanium oxychloride and sodium silicate as titania and silica sources respectively. A preformed titania sol facilitated the synthesis of a mesoporous composite, suitable for surface modification using sulfuric acid to improve its catalytic performance. FT-IR analysis showed the vibration band, not prominent, of the TiAOASi bond at 943 cm−1, suggesting the incorporation of titania into silica to form a composite. This vibration band was substantially shifted to 952 cm−1 after the attachment of the sulfate group (Figure 8a). In the FT-IR spectrum of sulphated titania, calcined at 450 °C, new peaks were observed at 1043–1125 cm−1 attributable to the presence of the sulfate group (Figure 8b).
Figure 8.
FT-IR spectra of the pure and sulfated titania–silica catalysts (a) titania–silica composite (TSC) (i), sulfated titania–silica composite (S-TSC) (ii), S-TSC-450 (iii), S-TSC-550 (iv). (b) The FT-IR spectra of pure and calcined sulfated titania (Copyright of Elsevier, see [25]).
The catalytic activity of a series of as-prepared TSC, S-TSC calcined samples and pure H2SO4 were evaluated for esterification of oleic acid and transesterification of waste oil with methanol to yield methyl esters (Table 6). It was observed that at these reaction conditions, S-TSC-450 and S-TSC-550 possessed high catalytic activity comparable to that of pure H2SO4 implying that surface modification of the titania–silica composite improved its acidic properties.
Table 6.
Reaction of different catalyst in oleic acid esterification and waste oil transesterification.
Maniam et al. have recently used SO42−/TiO2-SiO2 catalyst for the transesterification of decanter cake produced from waste palm oil into biodiesel. It was found that 120 °C reaction temperature, 1:15 oil to methanol ratio, 5 h transesterification time, and 13 wt.% catalyst loading, yielded a 91% of biodiesel [26]. Decanter cake (DC) was a solid waste produced after centrifugation of the crude palm oil. The pure palm oil was the supernatant while the decanter cake was the sediment. A high free fatty acids (FFA) content of DC-oil can be subjected to esterification, together with the transesterification of triglycerides.
2.1.4. SO42−/TiO2/La3+
A solid acid catalyst SO42−/TiO2/La3+ catalyzed both the esterification and transesterification of waste cooking oil with high content of free fatty acids (Figure 9) [27].
Figure 9.
The framework structure of SO42−/TiO2/La3+ catalyst.
Under the optimized conditions (catalyst amount 5 wt.% of oil, 10:1 molar ratio methanol to oil, temperature 110 °C and reaction time of 1 h) biodiesel was obtained with more than 90% of yield. The catalyst exhibited high activity after five cycles by activation and the content of fatty acid methyl esters was 96.16% (Table 7).
Table 7.
FAMEs yield (%) with various catalyst reused times over catalysts.
A new SO42−/TiO2-ZrO2 solid superacid catalyst loaded with lanthanum was prepared by Li and coworkers [28]. They studied the catalytic performance for the synthesis of fatty acid methyl ester from fatty acid and methanol. The optimized conditions for the preparation of the catalyst were 0.1 wt.% amount of La(NO3)3, 0.5 mol−1 of the concentration of H2SO4 and 550 °C of calcination temperature. A conversion yield of 95% was reached after 5 h at 60 °C, with a catalyst amount of 5 wt.% and methanol amount of 1 mL/g fatty acid (FA). After five cycles the catalyst can be reused without any treatments and the conversion efficiency remained still at 90% (Table 8).
Table 8.
Stability of the catalyst.
2.1.5. SO42−/TiO2/Fe2O3
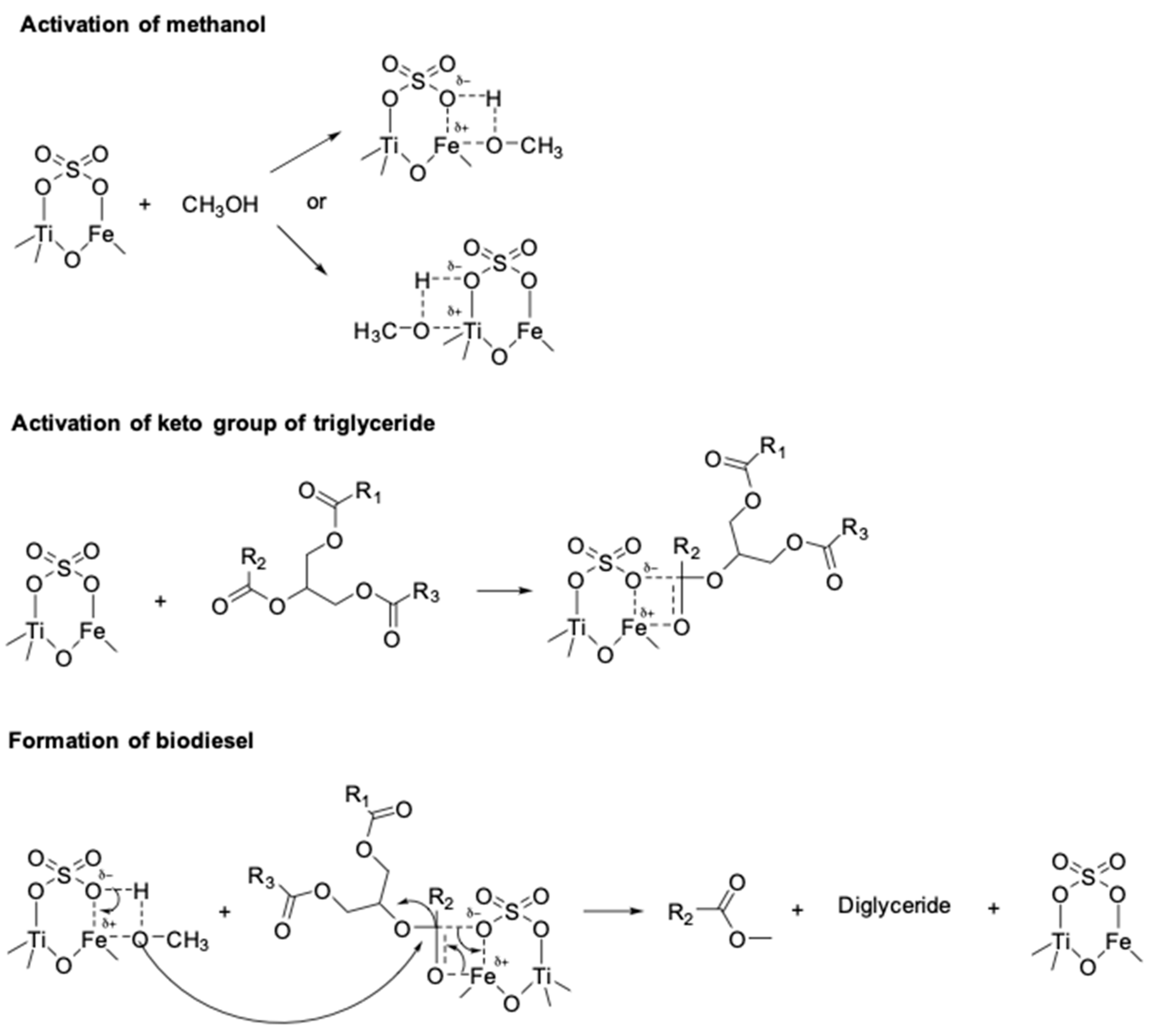
Viswanathan and coworkers synthesized sulfated Fe2O3/TiO2 (SFT) calcinated over 300–900 °C [29]. The authors studied the transesterification of soybean oil with methanol varying sulfate contents over unsulfated and sulfated Fe2O3/TiO2 catalysts and evaluating the acidity (Figure 10).
Figure 10.
Mechanism of transesterification over sulfated Fe2O3-TiO2.
The catalysts calcinated below 500 °C showed higher conversion of vegetable oil and significant yield of biodiesel probably due to the greater affinity of hydroxyl groups of methanol on Fe2O3/TiO2. The removal of sulfate groups during calcination over 500 °C probably decreased the yield of biodiesel (Table 9).
Table 9.
Products and yields of reactions with unsulfated and sulfated Fe2O3/TiO2 catalyst.
2.2. TiO2-Supported-ZnO4
Afolabi and coworkers studied the catalytic properties of 10 wt.% of mixed metal oxide TiO2-supported-ZnO catalyst. The conversion of waste cooking oil into biodiesel was investigated at 100, 150, and 200 °C, after 1 h, in the presence of methanol and hexane as co-solvent, with hexane to oil ratio of 1:1 [30]. Reaction time and temperature increased the biodiesel conversion from 82% to 92% while using hexane as co-solvent increased the rate of transesterification reaction producing higher biodiesel yields in shorter time.
Piraman and coworkers used mixed oxides of TiO2-ZnO and ZnO catalysts as active and stable catalysts for the biodiesel production [31]. 200 mg of TiO2-ZnO catalyst loading exhibited good catalytic activities, a 98% conversion of fatty acid methyl esters was achieved with 6:1 methanol to oil molar ratio, in 5 h, at 60 °C. The catalytic performance of TiO2-ZnO mixed oxide was better compared to ZnO catalyst, and this catalyst can be used for the large-scale biodiesel production (Figure 11).
Figure 11.
Effect of experimental parameters on FAME conversion: (a) catalyst loading, (b) temperature, (c) time and (d) methanol/oil molar ratio.
2.3. TiO2-MgO
Kalala and coworkers reported the preparation of titania supported MgO catalyst samples (10 and 20 wt.% MgO loading) tested as catalyst for the conversion of waste vegetable oil to biodiesel in presence of methanol, with an alcohol to oil molar ratio of 18:1 [32]. The effects of reaction temperature and reaction time increased the oil conversion while the effect of MgO loading on the waste oil conversion depended on the operating temperature. After 1 h, at 60, 150, 175, and 200 °C the resulting conversion yields were 42, 55, 86, and 89% respectively, using a 20 wt.% of MgO loading.
In another work, nano-MgO was deposited on titania using deposition-precipitation method and its activity was tested on the transesterification reaction of soybean oil to biodiesel [33]. The catalyst activity was improved increasing the reaction temperature from 150 and 225 °C while increasing the reaction time over 1 h significant conversion was not observed. The authors investigated the stability of MgO on TiO2 and they observed a MgO loss during the reaction between 0.5 and 2.3 percent, without correlation between the reaction temperature.
Wen et al. used mixed oxides of MgO-TiO2 (MT) produced by the sol-gel method to convert waste cooking oil into biodiesel [34]. The best catalyst was MT-1-923 comprising a Mg/Ti molar ratio of 1 and calcined at 650 °C. The authors investigated the main reaction parameters such as methanol/oil molar ratio, catalyst amount and temperature. The best yield of FAME 92.3% was obtained at a molar ratio of methanol to oil of 50:1; catalyst amount of 10 wt.%; reaction time of 6 h and reaction temperature of 160 °C. They observed that the catalytic activity of MT-1-923 decreased slowly in the recycle process. To improve catalytic activity, MT-1-923 was regenerated by a two-step washing method (the catalyst was washed with methanol four times and subsequently with n-hexane once before being dried at 120 °C). The FAME yield slightly increased to 93.8% compared with 92.8% for the fresh catalyst due to an increase in the specific surface area and average pore diameter. Titanium improved the stability of the catalyst because of the defects induced by the substitution of Ti ions for Mg ions in the magnesia lattice. The best catalyst was determined to be MT-1-923, which is comprised of an Mg/Ti molar ratio of 1 and calcined at 923 K, based on an assessment of the activity and stability of the catalyst. The main reaction parameters, including methanol/oil molar ratio, catalyst amount, and temperature, were investigated (Table 10).
Table 10.
Effects of reaction parameters on the performance of the MT-1-923.
2.4. CaTiO3
Kawashima and coworkers investigated the transesterification of rapeseed oil using heterogeneous base catalysts [35]. They prepared different kinds of metal oxides containing calcium, barium or magnesium and tested the catalytic activity at 60 °C, a reaction time of 10 h and with a 6:1 molar ratio of methanol to oil. The calcium-containing catalysts CaTiO3, CaMnO3, Ca2Fe2O5, CaZrO3, and CaCeO3 showed high activities and yields of biodiesel conversion (Table 11).
Table 11.
Surface area and catalytic activities of metal oxides.
2.5. K-Loading/TiO2
Guerrero and coworkers studied the transesterification reaction of canola oil on titania-supported catalysts with varying loadings of potassium [36]. In a previous work they investigated 20% K-loading catalyst under air conditions and without any treatment before reaction, which achieved the total conversion to methyl esters (Figure 12).
Figure 12.
Conversion of canola oil to methyl esters with (a) K/TiNT and (b) K/TiO2 catalysts.
Afterwards they studied the transesterification reaction of canola oil for the biodiesel production using a hydrotreated TiO2 supported potassium catalyst, K/TiHT [37]. The calcination at different temperatures led to the transformation of the supported potassium catalyst into a titanate form of oxide and this increased the activity of the catalyst. The recovery of the catalyst was then used in successive reactions leading to stable conversions and a maximum conversion was achieved with the optimum reaction conditions using a catalyst loading of 6% (w/w), a methanol to oil ratio of 54:1, and a temperature of reaction of 55 °C, with a catalyst calcined at 700 °C.
In a work by Klimova et al., sodium titanate nanotubes (TNT) doped with potassium were synthesized by the Kasuga method and tested as catalysts for biodiesel production [38]. To increase the basicity of the catalyst, potassium was added to the nanotubes and the efficiency in the transesterification of soybean oil with methanol was improved. To increase potassium loadings in the nanotubes the NaOH/KOH molar ratio was turned from 9:1 to 7:3. Sodium trititanate nanotubes containing 1.5 wt.% of potassium were obtained using a NaOH/KOH molar ratio of 9:1, with a 10 M alkali solution. Titanate nanotubes with larger potassium loadings (3.2 and 3.3 wt.%) were obtained increasing the proportion of KOH to 20 and 30 mol.% in the NaOH/KOH solutions. Potassium-containing nanotubes showed higher catalytic activity in the transesterification reaction compared to the pure sodium used as a reference. The best results were obtained at 80 °C, after 1 h with the samples containing 3.2–3.3 wt.% of potassium obtaining a biodiesel conversion yield of 94–96% (Table 12).
Table 12.
Catalytic activity of the NaK(X)TNT (X refers to the percentage of the potassium loaded) samples.
Table 13 summarized the data previously reported.
Table 13.
Use of titanium dioxide as catalyst in batch production of biodiesel.
3. Titania-Based Catalysts in Continuous Flow Microreactors
Flow chemistry is currently widely applied in the preparation of organic compounds, drugs, natural products and materials in a sustainable manner. Microreactors and streaming technologies have played an important role in both academic and industrial research in recent years, offering a viable alternative to batch processes [39,40,41,42]. The use of continuous processes, within “micro or meso-reactors”, allowed access to a wider profile of reaction conditions not accessible through the use of traditional systems. The microfluidic systems allowed an optimization of the reaction parameters, such as mixing, flow rate, and residence time. Furthermore, pressure and temperature can be easily controlled, in parallel with other conditions such as solvent, stoichiometry and work-up operations.
Most efforts in this area focused on the selection of effective catalysts for biodiesel conversion via transesterification. However, to scale up the biodiesel production, many researchers utilized continuous-flow regime to continuously convert lipids to biodiesel with preferable process design to solve the problems encountered during continuous operation [43,44].
The advantages and limitations of using catalyzed transesterification in conventional continuous-flow reactors could minimize mass transfer resistance and improve biodiesel conversion. Conventionally, due to the presence of multiple phases during the catalytic reaction, the mass transfer between reactants and catalysts, as well as the type of catalyst used are the two major factors that should be considered during the design of the reactor applied for the targeted conversion [45].
Joshi and coworkers outlined the catalytic thermolysis of Jatropha oil using a model fixed bed reactor (Figure 13), in a range of temperature between 340 and 420 °C and at liquid hourly space velocity (LHSV) of 1.12, 1.87, and 2.25 h−1 (Table 14) [46]. They synthesized Amorphous Alumino-Silicate heterogeneous catalysts, separately loaded with transition metal oxide such as titania (SAT). The distillation over the temperature range of 60–200 °C of the crude liquid mixture produced four fractions. The boiling point, specific gravity, viscosity and calorific value of the first fraction resembled the properties of petrol while the second and the third fractions resembled diesel.
Figure 13.
Schematic diagram of lab scale fixed bed reactor.
Table 14.
Experimental results of Jatropha oil cracking over titania (SAT).
McNeff and coworkers developed a novel continuous fixed bed reactor process for the biodiesel production using a metal oxide-based catalyst [47]. Porous zirconia, titania and alumina micro-particulate heterogeneous catalysts were used in the esterification and transesterfication reactions under continuous conditions, high pressure (2500 psi) and elevated temperature (300–450 °C). The authors described a simultaneous continuous transesterification of triglycerides and esterification of free fatty acids, with residence times of 5.4 s (Table 15). Biodiesel was produced from soybean oil, acidulated soapstock, tall oil, algae oil, and corn oil with different alcohols and the process can be easily scaled up for more than 115 h without loss of conversion efficiency.
Table 15.
Biodiesel production condition for base modified titania catalysts.
The biodiesel plant based on the Mcgyan process is reported in Figure 14. The use of two high pressure HPLC pumps was shown. The oil feedstock was filtered under high pressure before entering the heat exchanger and combining with methanol. Both the alcohol and lipid feedstock were pumped into a stainless steel heat exchanger. Afterwards the reactant streams were combined using a “T” and preheated before entering the thermostated fixed bed catalytic reactor. The temperature was controlled and the backpressure of the system was maintained through the use of a backpressure regulator.
Figure 14.
Process flow diagram of a biodiesel plant based on the Mcgyan process (Copyright of Elsevier, see [47]). EFAR: Easy Fatty Acid Removal.
In another work of the same authors a highly efficient continuous catalytic process to produce biodiesel from Dunaliella tertiolecta, Nannochloropsis oculata, wild freshwater microalgae, and macroalgae lipids was developed [48]. Porous titania microspheres and supercritical methanol were used as heterogeneous catalyst in a fixed bed reactor to catalyze the simultaneous transesterification and esterification of triacylglycerides and free fatty acids, into biodiesel (Table 16). The authors used a feedstock solution of algae, hexane-methanol (97:3 w/w) as carrier solvent. The solution was pumped with high pressure HPLC through an empty stainless steel reactor and the reactant stream passed through a heat exchanger. The reactants were pumped across the reactor with a 30 s residence time, at 340 °C, with 2250 psi front pressure and the backpressure of the system was maintained through the use of a backpressure regulator.
Table 16.
A comparison of the supercritical fixed–bed continuous flow process (the Mcgyan process) to the conventional homogeneously base catalyzed batch system.
Aroua and coworkers described the production of biodiesel in a TiO2/Al2O3 membrane reactor (Figure 15) [49]. The effects of reaction temperature, catalyst concentration and cross flow circulation velocity were investigated. Biodiesel was obtained through alkali transesterification of palm oil and separated in the ceramic membrane reactor at 70 °C, with 1.12 wt.% catalyst concentration and 0.211 cm s−1 cross flow circulation velocity. Palm oil and methanol were pumped into the system using two separate ways, with a methanol to oil ratio of 1:1 and various catalyst amounts were used in the packed membrane reactor. Methanol was charged and heated continuously into the reactor using a circulating pump afterwards the reactor was filled with palm oil. Pressure inside the membrane was monitored and after 60 min the circulating pump and heat exchanger were switched off and the products were collected into a separating funnel to separate biodiesel from glycerol. The ceramic membrane has shown an excellent chemical and physical stability even after one year of operation and contact with methanol and solid alkali catalyst.
Figure 15.
Combination of heterogeneous base transesterification and triglyceride separation in the packed bed membrane reactor (Copyright of Elsevier, see [49]).
Wang and coworkers proposed also a continuous process for biodiesel production from cheap raw feedstocks with high FFAs by solid acid catalysis (Figure 16) [24]. The production process was carried out pretreating the raw feedstocks by filtration and dehydration to remove impurities and water. In a series of three reaction boilers, part of the methanol reacted with oils as a reactant, and excess methanol removed water from the system as a solvent, which increased the esterification conversion substantially and effectively decreased the acid value. Finally, excess methanol was purified in a methanol distillation tower for recycling, while the oil phase was refined at a biodiesel vacuum distillation tower to give the biodiesel product. The proposed continuous process produced a 10,000-tonnes/year industrial biodiesel. The use of cheap feedstocks with high FFAs such as waste cooking oils, soapstocks, and non-edible oils, instead of refined vegetable oil, decreased the cost greatly. The solid catalyst SO42−/TiO2-SiO2 had high catalytic activity, easy separation, and catalyzed biodiesel production by simultaneous esterification and transesterification.
Figure 16.
Process flow diagram of biodiesel production by solid acid catalysis (Copyright of Elsevier, see [24]).
The most abundantly produced waste of the biodiesel industrial production was glycerol and several studies of the continuous flow transformation of glycerol were reported in literature (Figure 17) [50].
Figure 17.
Roadmap of selected glycerol valorization reactions in continuous flow.
Chary and co-workers studied the hydrogenation of glycerol to 1- and 2-biopropanols under ambient condition and continuous process over a platinum catalyst supported on titanium phosphates (TiP) as supports (Figure 18) [51]. This heterogeneous catalyst shown excellent results as a steady 97% selectivity toward propanol (87:10 1-/2-propanol). Quantitative glycerol was recovered after 15 h of operation. The influence of reaction temperature on glycerol hydrogenolysis over the 2Pt/TiP catalyst was shown in Table 17. At 220 °C reaction temperature the maximum glycerol conversion and selectivity was obtained.
Figure 18.
Hydrogenolysis of glycerol to produce 1- and 2-propanols.
Table 17.
Effect of reaction temperature on glycerol hydrogenolysis over 2Pt/TiP catalyst.
Paul and co-workers reported the dehydration of glycerol into acrolein using an alternative process using a flow sequence operating at high temperatures (280–400 °C) and atmospheric pressure (Table 18) [52]. The first step of dehydration of glycerol to acrolein was performed over WO3/TiO2 catalyst and the injection of molecular oxygen avoided the catalyst deactivation. The optimized conditions were a reaction temperature of 280 °C, a catalyst amount of 5.0 g; 11.33 mL/min O2; contact time: 0.36 s; gas phase composition at 280 °C: 92.74% H2O, 2.72% O2, 4.54% glycerol.
Table 18.
Catalytic performance of WO3/TiO2.
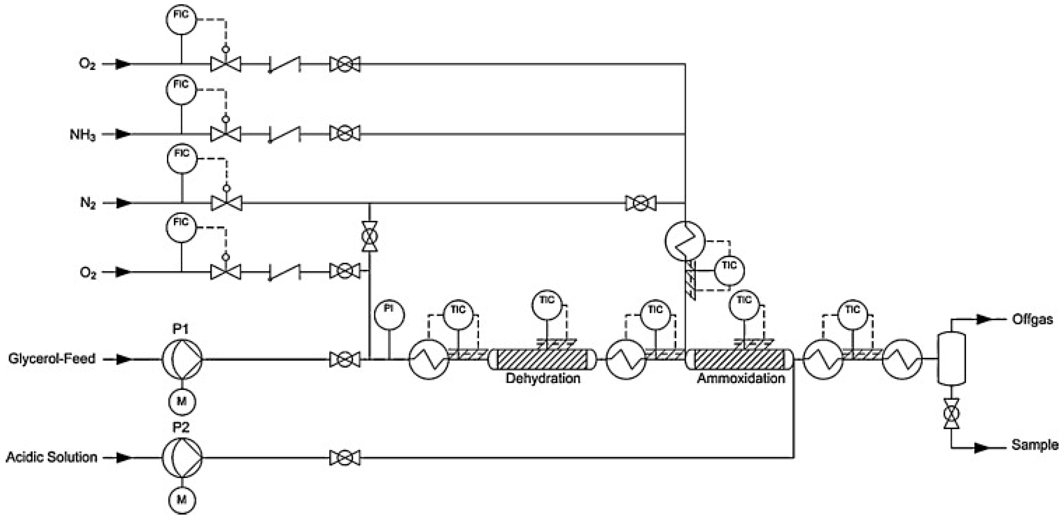
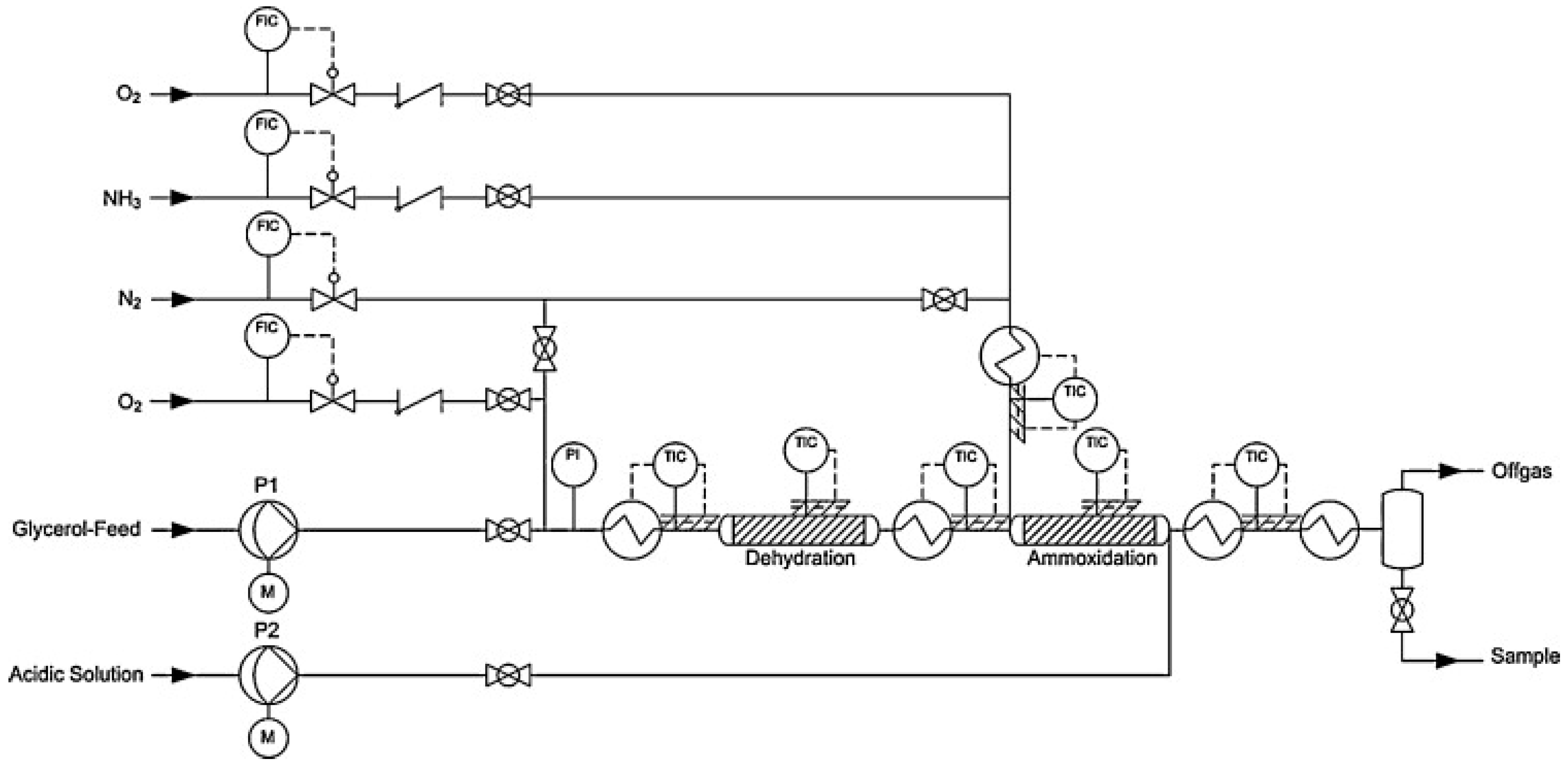
The indirect ammoxidation of glycerol was schematized in Figure 19. The reactions were performed under atmospheric pressure in continuous plug flow fixed-bed reactors, connected to a stainless steel evaporator used to vaporize the liquid reactants before contacting the catalytic bed, filled with granulated catalysts. In the ammoxidation of acrolein and glycerol, the products were condensed in an acidic solution to neutralize unreacted ammonia and to suppress polymerization of acrolein. The mass-flow controllers checked the flow rate of the gaseous reactants.
Figure 19.
Reactor setup for the tandem process (Copyright of Elsevier, see [52]).
The results previously described are reported in Table 19.
Table 19.
Use of TiO2 as catalyst in continuous flow production of biodiesel and glycerol recovery.
4. Titania-Based Additives to Biodiesel
The introduction of titanium dioxide nanoparticles as additive in biodiesel production has been less explored compared to the use of TiO2 as catalyst. Nevertheless, the performances of biodiesel additivated with nano titania resulted increased and variations in properties such as kinematic viscosity, heating value, cetane number, specific fuel consumption, break thermal efficiency, indirect injection, smoke emissions, flash and fire point could be observed.
Jeryrajkumar investigated the effect of titanium dioxide nanoadditives on the performance and emission characteristics of Calophyllum innophyllum biodiesel (B100) in a single cylinder, four strokes, water cooled, compression injection diesel engine [53]. The nanoparticles were prepared by hydrothermal process with a size range of 100 nm. These additives reduced the fuel consumption, particulate matter (PM), carbon monoxide (CO) and unburned hydrocarbons (UHC) emissions while increased the nitrogen oxides (NOx) emission, the engine combustion, the thermal efficiency and performance characteristics. The performance and emission characteristics of a single cylinder, water cooled, compression ignition diesel engine with calophyllum inophyllum methyl ester using B100TiO2 additives were investigated and compared with diesel. The nano additives blended biodiesel increased the brake thermal efficiency while the specific fuel consumption decreased. Titanium dioxide blended biodiesel increased gradually NOx emission at all loads, increased CO emission of 25% at the full load condition and reduced hydrocarbon (HC) emission of 70% at 75% of loading as compared with pure biodiesel.
Venu and coworkers investigated the biodiesel-ethanol (BE) blends in a compression ignition engine using a blend of BE with 25 ppm TiO2 nanoparticle additives (denoted as BE-Ti). The addition of nanoparticles created large contact surface area with the base fuel, increased the combustion with minimal emissions and the oxidation rate while reduced the light-off temperature. The addition of titanium nanoparticles increased NOx, HC and smoke emissions while decreased Break Specific Fuel Consumption (BSFC) and CO emissions. Diethyl ether addition to BE blends increased improved the heat release rate, HC, CO emissions while decreased BSFC, NOx and smoke [54].
Binu and coworkers used titanium dioxide nanoparticles as fuel additive in a C.I. Engine. The nanoparticles were dispersed in B20 methyl ester of pongamia pinnata oil using a probe sonicator. The addition of titanium dioxide nanoparticles enhanced performance and emission characteristics of the fuel samples tested in C.I. Engine test. The use of TiO2 nanoparticles in B20 blend increased brake thermal efficiency of the engine of 2% and reduced the BSFC value of 6% and smoke emission of 16% compared to plain B20 [55].
Prabhu and coworkers investigated the effect of titanium oxide (TiO2) nanoparticle as additive for diesel-biodiesel blends on the performance and emission characteristics of a single cylinder diesel engine at different load conditions. Titanium oxide nanoparticles (250–500 ppm) were blended with 20% biodiesel–diesel (B20). Carbon monoxide (CO), hydrocarbon (HC) and smoke emissions were decreased while the brake thermal efficiency and the NO emissions were increased marginally for 250 ppm nano particle added with B20 blends when compared with B20 and 500 ppm added with B20 fuel at full load conditions [56].
Fangsuwannarak conducted a comparative study of palm biodiesel properties and engine performance efficiency with the addition of TiO2 nanoparticles. The various palm oil fractions of 2, 10, 20, 30, 40, 50 and 100% in the rest of ordinary diesel fuel were denoted as B2, B10, B20, B30, B40, B50, and B100, respectively. The addition of nano-TiO2 additive of 0.1 and 0.2% by volume was evaluated and it was found that the quality of the modified fuel with 0.1% TiO2 increased cetane number, lower-heating value, and flash point while reduced kinematic viscosity. The performance of an indirect injection (IDI) engine and the control of carbon monoxide (CO), carbon dioxide (CO2), and oxides of nitrogen (NOx) emissions were enhanced. The nano-TiO2 additive of 0.1% by volume had the most effective performance of the tested engine for biodiesel blended fuel between B20 and B100 fuels. The additive 0.1% TiO2 biodiesel fuel revealed the higher level of brake power, wheel power, and engine torque. Meanwhile, the level of specific fuel consumption significantly decreased. The effect on CO, CO2, and NOx was also investigated in this study and it was demonstrated that 0.1% TiO2 reduced the exhaust emissions and it is the most effective in B30 fuel [57].
Umashankar presented the effect of titanium oxide coating on the performance characteristics of the bio-diesel-fueled engine. The layer of thermal coating was characterized by alumina-titania (Al2O3/TiO2) plasma coated on to the base of NiCrAl. The experiments were conducted with a single cylinder, four stroke, and direct injected diesel engine and the results showed an increase in brake thermal efficiency and a decrease in brake specific fuel consumption for titanium oxide coated piston [58].
Ravikumar and Senthilkumar investigated radish (Raphanus sativus) oil Methyl Ester in a single cylinder DI diesel engine with and without coating. The effect of biodiesel in a thermal barrier coating engine was studied comparing diesel and radish oil methyl ester used as fuels. In this study the piston crown surface, valves and cylinder head of a diesel engine were coated with a ceramic material-TiO2 (Figure 20). The application of TiO2 coating slightly increased Specific Fuel Consumption (SFC), emissions of CO, smoke density, HC and NOx and decreased brake thermal efficiency. From the above experimental results, it was demonstrated that B25 with TiO2-coated mode of engine operation gave better performance and lower emission characteristics including NOx, without requiring any major modification of engine [59].
Figure 20.
Photographic view of 450 lm TiO2 coated piston, valves, and cylinder head (Reproduced from [59], with the permission of AIP Publishing).
5. Conclusions
This work has been useful in assessing the possible catalytic pathways in the production of biodiesel, exploring particularly the use of titanium dioxide as catalyst. By evaluating the different parameters, among them type and percentage of titania-based catalyst, temperature, time and alcohol/oil ratio, it was possible to evaluate the optimized conditions leading to the best conversion yields, in batch conditions.
Furthermore, this work focused on the study of the different strategies to conduct the transesterification reaction mediated by titanium dioxide as catalyst within microreactors.
Optimized conditions in continuous flow, resulted improved by modifying parameters such as temperature, pressure, and residence time and also allowed a possible recovery and reuse of glycerol.
The use of micro-technologies in biodiesel production and the development of micro-reactors, capable of making possible unpracticable chemical transformations using traditional techniques, allows a reduction in production costs and a greater protection of the environment.
Author Contributions
Writing—Review and Editing, C.C, L.D., R.L.
Funding
This research received no external funding.
Acknowledgments
This work was supported by the Intervento cofinanziato dal Fondo di Sviluppo e Coesione 2007–2013—APQ Ricerca Regione Puglia “Programma regionale a sostegno della specializzazione intelligente e della sostenibilità sociale ed ambientale—FutureInResearch”.
Conflicts of Interest
The authors declare no conflict of interest.
References
- Thanh, L.T.; Okitsu, K.; Van Boi, L. Maeda, Y. Catalytic Technologies for Biodiesel Fuel Production and Utilization of Glycerol: A Review. Catalysts 2012, 2, 191–222. [Google Scholar] [CrossRef]
- Glisic, S.B.; Pajnik, J.M.; Orlović, A.M. Process and techno-economic analysis of green diesel production from waste vegetable oil and the comparison with ester type biodiesel production. Appl. Energy 2016, 170, 176–185. [Google Scholar] [CrossRef]
- Bobadilla Corral, M.; Lostado Lorza, R.; Escribano García, R.; Somovilla Gómez, F.; Vergara González, E.P. An Improvement in Biodiesel Production from Waste Cooking Oil by Applying Thought Multi-Response Surface Methodology Using Desirability Functions. Energies 2017, 10, 130. [Google Scholar] [CrossRef]
- Bavykin, D.V.; Walsh, F.C. Titanate and Titania Nanotubes: Synthesis. RSC Nanosci. Nanotechnol. 2009. [Google Scholar] [CrossRef]
- Bartl, M.H.; Boettcher, S.W.; Frindell, K.L.; Stucky, G.D. Molecular assembly of function in titania-based composite material system. Acc. Chem. Res. 2005, 38, 263–271. [Google Scholar] [CrossRef] [PubMed]
- Linsebigler, A.L.; Lu, G.; Yates, J.T. Photocatalysis on TiO2 Surfaces: Principles, Mechanisms, and Selected Results. Chem. Rev. 1995, 95, 735–758. [Google Scholar] [CrossRef]
- Siling, M.I.; Laricheva, T.N. Titanium compounds as catalysts for esterification and transesterification. Russ. Chem. Rev. 1996, 65, 279–286. [Google Scholar] [CrossRef]
- Carlucci, C.; Xu, H.; Scremin, B.F.; Giannini, C.; Sibillano, T.; Carlino, E.; Videtta, V.; Gigli, G.; Ciccarella, G. Controllable One-Pot Synthesis of Anatase TiO2 Nanorods with the Microwave-Solvothermal Method. Sci. Adv. Mater. 2014, 6, 1668–1675. [Google Scholar] [CrossRef]
- Bagheri, S.; Julkapli, N.M.; Hamid, S.B.A. Titanium Dioxide as a Catalyst Support in Heterogeneous Catalysis. Sci. World J. 2014, 2014, 727496. [Google Scholar] [CrossRef]
- Noda, L.K.; de Almeida, R.M.; Probst, L.F.D.; Gonçalves, N.S. Characterization of sulfated TiO2 prepared by the sol–gel method and its catalytic activity in the n-hexane isomerization reaction. J. Mol. Catal. A Chem. 2005, 225, 39–46. [Google Scholar] [CrossRef]
- Refaat, A. Biodiesel production using solid metal oxide catalysts. Int. J. Environ. Sci. Technol. 2011, 8, 203–221. [Google Scholar] [CrossRef]
- Noda, L.K.; de Almeida, R.M.; Gonçalves, N.S.; Probst, L.F.D.; Sala, O. TiO2 with a high sulfate content -thermogravimetric analysis, determination of acid sites by infrared spectroscopy and catalytic activity. Catal. Today 2003, 85, 69–74. [Google Scholar] [CrossRef]
- Cui, H.; Dwight, K.; Soled, S.; Wold, A. Surface Acidity and Photocatalytic Activity of Nb2O5/TiO2 Photocatalysts. J. Solid State Chem. 1995, 115, 187–191. [Google Scholar] [CrossRef]
- Li, G. Surface modification and charachterizations of TiO2 nanoparticle. Surf. Rev. Lett. 2009, 16, 149–151. [Google Scholar] [CrossRef]
- Gardy, J.; Hassanpour, A.; Laia, X.; Ahmed, M.H. Synthesis of Ti(SO4)O solid acid nano-catalyst and its application for biodiesel production from used cooking oil. Appl. Catal. A Gen. 2016, 527, 81–95. [Google Scholar] [CrossRef]
- Gardy, J.; Hassanpour, A.; Laia, X.; Ahmed, M.H.; Rehan, M. Biodiesel production from used cooking oil using a novel surface functionalised TiO2 nano-catalyst. Appl. Catal. B Environ. 2017, 207, 297–310. [Google Scholar] [CrossRef]
- Zhao, H.; Jiang, P.; Dong, Y.; Huang, M.; Liu, B. A high-surface-area mesoporous sulfated nano-titania solid superacid catalyst with exposed (101) facets for esterification: Facile preparation and catalytic performance. New J. Chem. 2014, 38, 4541–4548. [Google Scholar] [CrossRef]
- Ropero-Vega, J.L.; Aldana-Péreza, A.; Gómez, R.; Nino-Gómez, M.E. Sulfated titania [TiO2/SO42−]: A very active solid acid catalyst for the esterification of free fatty acids with ethanol. Appl. Catal. A Gen. 2010, 379, 24–29. [Google Scholar] [CrossRef]
- Li, X.; Huang, W. Synthesis of Biodiesel from Rap Oil over Sulfated Titania-based Solid Superacid Catalysts. Energy Sources Part A 2009, 31, 1666–1672. [Google Scholar] [CrossRef]
- de Almeida, R.M.; Noda, L.K.; Gonçalves, N.S.; Meneghetti, S.M.P.; Meneghetti, M.R. Transesterification reaction of vegetable oils, using superacid solfate TiO2-base catalysts. Appl. Catal. A Gen. 2008, 347, 100–105. [Google Scholar] [CrossRef]
- Chen, H.; Peng, B.; Wang, D.; Wang, J. Biodiesel production by the transesterification of cottonseed oil by solid acid catalysts. Front. Chem. Eng. China 2007, 1, 11–15. [Google Scholar] [CrossRef]
- Oprescu, E.E.; Velea, S.; Doncea, S.; Radu, A.; Stepan, E.; Bolocan, I. Biodiesel from Algae Oil with High Free Fatty Acid over Amphiphilic Solid Acid Catalyst. Chem. Eng. Trans. 2015, 43, 595–600. [Google Scholar] [CrossRef]
- Boffito, D.C.; Crocellà, V.; Pirola, C.; Neppolian, B.; Cerrato, G.; Ashokkumar, M.; Bianchi, C.L. Ultrasonic enhancement of the acidity, surface area and free fatty acids esterification catalytic activity of sulfated ZrO2-TiO2 systems. J. Catal. 2013, 297, 17–26. [Google Scholar] [CrossRef]
- Peng, B.-X.; Shu, Q.; Wang, J.-F.; Wang, G.-R.; Wang, D.-Z.; Han, M.-H. Biodiesel production from waste oil feedstocks by solid acid catalysis. Process. Saf. Environ. Prot. 2008, 86, 441–447. [Google Scholar] [CrossRef]
- Shao, G.N.; Sheikh, R.; Hilonga, A.; Lee, J.E.; Park, Y.-H.; Kim, H.T. Biodiesel production by sulfated mesoporous titania-silica catalysts synthesized by the sol–gel process from less expensive precursors. Chem. Eng. J. 2013, 215–216, 600–607. [Google Scholar] [CrossRef]
- Embong, N.H.; Maniam, G.P.; Rahim, M.H.A. Biodiesel Preparation from Decanter Cake with Solid Acid Catalyst. Int. J. Chem. Environ. Eng. 2014, 5, 294–296. [Google Scholar]
- Wang, K.; Jiang, J.; Si, Z.; Liang, X. Biodiesel production from waste cooking oil catalyzed by solid acid SO42−/TiO2/La3+. J. Renew. Sustain. Energy 2013, 5, 052001. [Google Scholar] [CrossRef]
- Li, Y.; Zhang, X.-D.; Sun, L.; Zhang, J.; Xu, H.-P. Fatty acid methyl ester synthesis catalyzed by solid superacid catalyst SO42−/ZrO2-TiO2/La3+. Appl. Energy 2010, 87, 156–159. [Google Scholar] [CrossRef]
- Anuradha, S.; Raj, K.J.A.; Vijayaraghavan, V.R.; Viswanathan, B. Sulfated Fe2O3-TiO2 catalysed transesterification of soybean oil to biodiesel. Indian J. Chem. 2014, 53, 1493–1499. [Google Scholar]
- Emeji, I.C.; Afolabi, A.S.; Abdulkareem, A.S.; Kalala, J. Characterization and Kinetics of Biofuel Produced from Waste Cooking Oil. In Proceedings of the World Congress on Engineering and Computer Science, San Francisco, CA, USA, 21–23 October 2015; Volume II. [Google Scholar]
- Madhuvilakku, R.; Piraman, S. Biodiesel synthesis by TiO2-ZnO mixed oxide nanocatalyst catalyzed palm oil transesterification process. Bioresour. Technol. 2013, 150, 55–59. [Google Scholar] [CrossRef]
- Sithole, T.; Meijboom, R.; Jalama, K. Biodiesel Production from Waste Vegetable Oil over MgO/TiO2 catalyst. IJESIT 2013, 2, 189–194. [Google Scholar]
- Mguni, L.L.; Meijboom, R.; Jalama, K. Biodiesel Production over nano-MgO Supported on Titania. Int. J. Chem. Mol. Nuclear Mater. Metall. Eng. 2012, 6, 380–384. [Google Scholar]
- Wen, Z.; Yu, X.; Tu, S.-T.; Yan, J.; Dahlquist, E. Biodiesel production from waste cooking oil catalyzed by TiO2-MgO mixed oxides. Bioresour. Technol. 2010, 101, 9570–9576. [Google Scholar] [CrossRef] [PubMed]
- Kawashima, A.; Matsubara, K.; Honda, K. Development of heterogeneous base catalysts for biodiesel production. Bioresour. Technol. 2008, 99, 3439–3443. [Google Scholar] [CrossRef] [PubMed]
- Salinas, D.; Guerrero, S.; Araya, P. Transesterification of canola oil on potassium-supported TiO2 catalysts. Catal. Commun. 2010, 11, 773–777. [Google Scholar] [CrossRef]
- Salinas, D.; Araya, P.; Guerrero, S. Study of potassium-supported TiO2 catalysts for the production of biodiesel. Appl. Catal. B Environ. 2012, 117–118, 260–267. [Google Scholar] [CrossRef]
- Martínez-Klimova, E.; Hernández-Hipólito, P.; Klimova, T.E. Biodiesel Production with Nanotubular Sodium Titanate Doped with Potassium as a Catalyst. MRS Adv. 2016, 1, 415–420. [Google Scholar] [CrossRef]
- Colella, M.; Carlucci, C.; Luisi, R. Supported Catalysts for Continuous Flow Synthesis. Top. Curr. Chem. 2018, 376, 46. [Google Scholar] [CrossRef]
- Fanelli, F.; Parisi, G.; Degennaro, L.; Luisi, R. Contribution of microreactor technology and flow chemistry to the development of green and sustainable synthesis. Beilstein J. Org. Chem. 2017, 13, 520–542. [Google Scholar] [CrossRef]
- Degennaro, L.; Carlucci, C.; De Angelis, S.; Luisi, R. Flow Technology for Organometallic-Mediated Synthesis. J. Flow Chem. 2016, 6, 136–166. [Google Scholar] [CrossRef]
- Degennaro, L.; Fanelli, F.; Giovine, A.; Luisi, R. External trapping of halomethyllithium enabled by flow microreactors. Adv. Synth. Catal. 2014, 357, 21–27. [Google Scholar] [CrossRef]
- Tran, D.-T.; Chang, J.-S.; Lee, D.-J. Recent insights into continuous-flow biodiesel production via catalytic and non-catalytic transesterification processes. Appl. Energy 2017, 185, 376–409. [Google Scholar] [CrossRef]
- Tiwari, A.; Rajesh, V.M.; Yadav, S. Biodiesel production in micro-reactors: A review. Energy Sustain. Dev. 2018, 43, 143–161. [Google Scholar] [CrossRef]
- Khana, Y.; Marina, M.; Viinikainena, T.; Lehtonena, J.; Puurunena, R.L.; Karinena, R. Structured microreactor with gold and palladium on titania: Active, regenerable and durable catalyst coatings for the gas-phase partial oxidation of 1-butanol. Appl. Catal. A Gen. 2018, 562, 173–183. [Google Scholar] [CrossRef]
- Barot, S.; Bandyopadhyay, R.; Joshi, S.S. Catalytic Conversion of Jatropha Oil to Biofuel Over Titania, Zirconia, and Ceria Loaded Amorphous Alumino-Silicate Catalysts. Environ. Prog. Sustain. Energy 2017, 36, 749–757. [Google Scholar] [CrossRef]
- McNeff, C.V.; McNeff, L.C.; Yan, B.; Nowlan, D.T.; Rasmussen, M.; Gyberg, A.E.; Krohn, B.J.; Fedie, R.L.; Hoye, T.R. A continuous catalytic system for biodiesel production. Appl. Catal. A Gen. 2008, 343, 39–48. [Google Scholar] [CrossRef]
- Krohn, B.J.; McNeff, C.V.; Yan, B.; Nowlan, D. Production of algae-based biodiesel using the continuous catalytic Mcgyan® process. Bioresour. Technol. 2011, 102, 94–100. [Google Scholar] [CrossRef]
- Baroutian, S.; Aroua, M.K.; Raman, A.A.A.; Sulaiman, N.M.N. A packed bed membrane reactor for production of biodiesel using activated carbon supported catalyst. Bioresour. Technol. 2011, 102, 1095–1102. [Google Scholar] [CrossRef]
- Len, C.; Delbecq, F.; Cara Corpas, C.; Ruiz Ramos, E. Continuous Flow Conversion of Glycerol into Chemicals: An Overview. Synthesis 2018, 50, 723–741. [Google Scholar] [CrossRef]
- Bhanuchander, P.; Priya, S.S.; Kumar, V.P.; Hussain, S.; Pethane Rajan, N.; Bhargava, S.K.; Chary, K.V.R. Direct Hydrogenolysis of Glycerol to Biopropanols over Metal Phosphate Supported Platinum Catalysts. Catal. Lett. 2017, 147, 845–855. [Google Scholar] [CrossRef]
- Liebig, C.; Paul, S.; Katryniok, B.; Guillon, C.; Couturier, J.L.; Dubois, J.L.; Dumeignil, F.; Hoelderich, W.F. Glycerol conversion to acrylonitrile by consecutive dehydration over WO3/TiO2 and ammoxidation over Sb-(Fe,V)-O. Appl. Catal. B Environ. 2013, 132–133, 170–182. [Google Scholar] [CrossRef]
- Jeryrajkumar, L.; Anbarasu, G.; Elangovan, T. Effects on Nano Additives on Performance and Emission Characteristics of Calophyllim inophyllum Biodiesel. Int. J. ChemTech Res. 2016, 9, 210–219. [Google Scholar]
- Venu, H.; Madhavan, V. Effect of nano additives (titanium and zirconium oxides) and diethyl ether on biodiesel-ethanol fuelled CI engine. J. Mech. Sci. Technol. 2016, 30, 2361–2368. [Google Scholar] [CrossRef]
- D’Silva, R.; Vinoothan, K.; Binu, K.G.; Bhat, T.; Raju, K. Effect of Titanium Dioxide and Calcium Carbonate Nanoadditives on the Performance and Emission Characteristics of C.I. Engine. K. J. Mech. Sci. Autom. 2016, 6, 28–31. [Google Scholar] [CrossRef]
- Prabhu, L.; Satish Kumar, S.; Andrerson, A.; Rajan, K. Investigation on performance and emission analysis of TiO2 nanoparticle as an additive for biodiesel blends. J. Chem. Pharm. Sci. 2015, 7, 408–412. [Google Scholar]
- Fangsuwannarak, K.; Triratanasirichai, K. Improvements of Palm Biodiesel Properties by Using Nano-TiO2 Additive, Exhaust emission and Engine Performance. Rom. Rev. Precis. Mech. Opt. Mechatron. 2013, 43, 111–118. [Google Scholar]
- Naveen, P.; Rajashekhar, C.R.; Umashankar, C.; Rajashekhar Kiragi, V. Effect of Titanium Oxide Coating on Performance Characteristics of Bio-Diesel (Honge) Fuelled C. I. Engine. IJMER 2012, 2, 2825–2828. [Google Scholar]
- Ravikumar, V.; Senthilkumar, D. Reduction of NOx emission on NiCrAl-Titanium Oxide coated direct injection diesel engine fuelled with radish (Raphanus sativus) biodiesel. J. Renew. Sustain. Energy 2013, 5, 063121. [Google Scholar] [CrossRef]
© 2019 by the authors. Licensee MDPI, Basel, Switzerland. This article is an open access article distributed under the terms and conditions of the Creative Commons Attribution (CC BY) license (http://creativecommons.org/licenses/by/4.0/).



















