Study on the Acidic Modification of Mesoporous HZSM-5 Zeolite and Its Catalytic Cracking Performance
Abstract
1. Introduction
2. Results and Discussion
2.1. XRD
2.2. XRF
2.3. SEM
2.4. BET
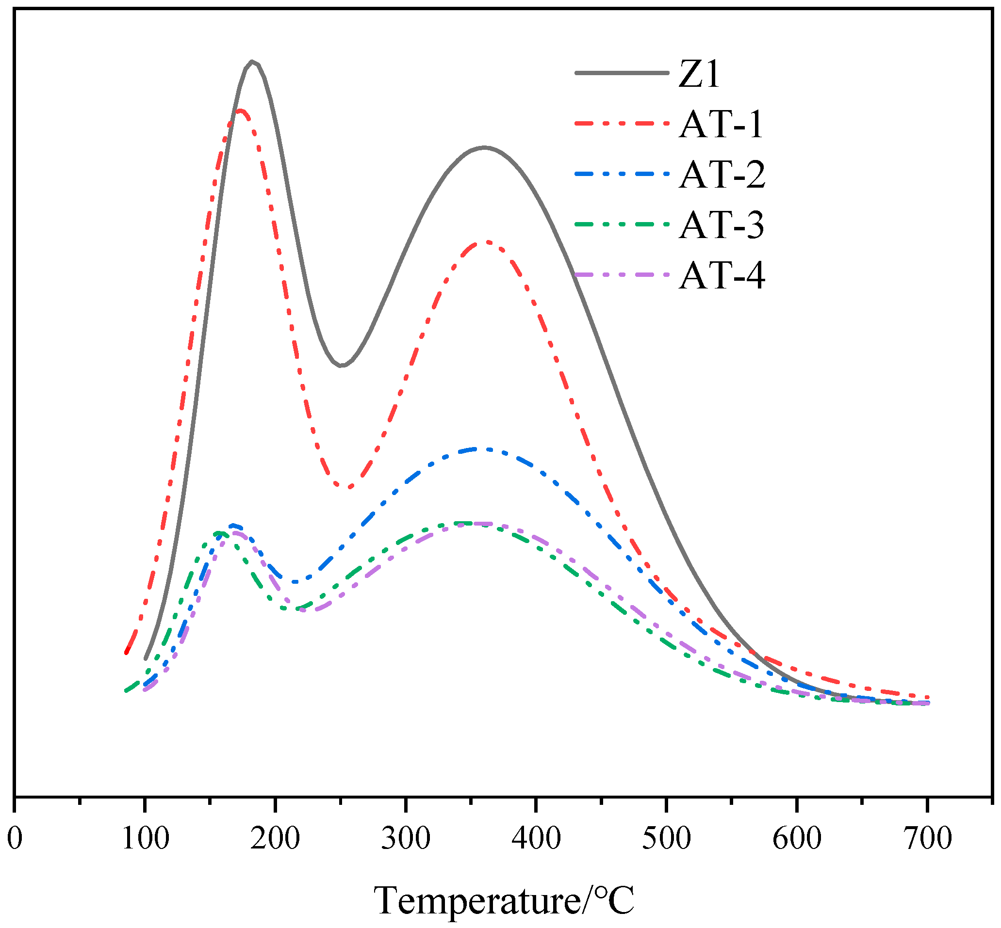
2.5. NH3-TPD
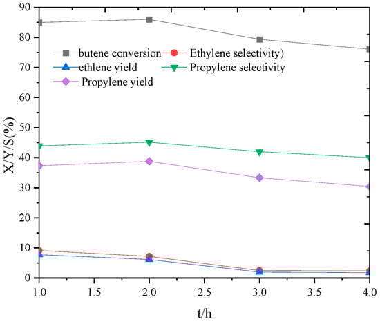
2.6. Catalytic Performance Evaluation
3. Experimental Materials and Methods
3.1. Materials
3.2. Catalyst Preparation
3.3. Catalyst Characterization
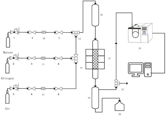
3.4. Reaction Performance Evaluation
4. Conclusions
- (1)
 - In the absence of mesopore templates, HZSM-5 zeolite with a nanocluster mesopore structure was synthesized using a simple hydrothermal method. The zeolite particles have a diameter of approximately 40–50 nm. The ZSM-5 zeolite has a silicon-to-aluminum ratio of 110 and a mesopore volume of 0.188 cm3/g. It is free of other impurities and exhibits a relatively high crystallinity.
 - (2)
 - Hydrothermal modification reduced the surface acid strength and acid amount of the zeolite catalyst. The combined hydrothermal–citric acid treatment removed non-framework aluminum from the pore channels, created new mesopores, increased the catalyst’s specific surface area and pore volume, and decreased the external specific surface area of the catalyst. The reduced strong acid sites and increased mesopore volume suppressed hydrogen transfer reactions during butene catalytic cracking, enhancing propylene selectivity and yield while extending the catalyst’s lifespan. After 2 h of hydrothermal treatment and citric acid washing, the propylene selectivity increased from 24.7% to 44%, and the propylene yield increased from 22% to 38%.
 - (3)
 - The long-term evaluation of the catalyst showed an initial propylene yield of 40%. After 130 h of reaction, the butene conversion rate was 76%, with selectivity still reaching 47% and the propylene yield remaining at 37%. These results indicate that the synthesized ZSM-5 zeolite catalyst possesses good catalytic activity and stability, providing valuable insights for its industrial application.
 
Author Contributions
Funding
Data Availability Statement
Acknowledgments
Conflicts of Interest
References
- Stöcker, M. Methanol-to-Hydrocarbons: Catalytic Materials and Their Behavior. Microporous Mesoporous Mater. 1999, 29, 3–48. [Google Scholar] [CrossRef]
 - Chen, J.Q.; Bozzano, A.; Glover, B.; Fuglerud, T.; Kvisle, S. Recent Advancements in Ethylene and Propylene Production Using the UOP/Hydro MTO Process. Catal. Today 2005, 106, 103–107. [Google Scholar] [CrossRef]
 - Plotkin, J.S.; Nizamoff, A. The Changing Dynamics of Olefin Supply/Demand. Catal. Today 2008, 106, 10–14. [Google Scholar]
 - Lin, L.; Qiu, C.; Zhuo, Z.; Zhang, D.; Zhao, S.; Wu, H.; Liu, Y.; He, M. Acid Strength Controlled Reaction Pathways for the Catalytic Cracking of 1-Butene to Propene over ZSM-5. J. Catal. 2014, 309, 136–145. [Google Scholar] [CrossRef]
 - Ma, L. Global Supply and Demand Analysis and Forecast of Propylene. World Pet. Ind. 2021, 28, 47–53. [Google Scholar]
 - Zhang, J. Current Status and Trend Analysis of Downstream Propylene Industry in China. Petrochem. Technol. Appl. 2022, 40, 66–71. [Google Scholar] [CrossRef]
 - Akah, A.; Williams, J.; Ghrami, M. An Overview of Light Olefins Production via Steam Enhanced Catalytic Cracking. Catal. Surv. Asia 2019, 23, 265–276. [Google Scholar] [CrossRef]
 - Alotibi, M.F.; Alshammari, B.A.; Alotaibi, M.H.; Alotaibi, F.M.; Alshihri, S.; Navarro, R.M.; Fierro, J.L.G. ZSM-5 Zeolite Based Additive in FCC Process: A Review on Modifications for Improving Propylene Production. Catal. Surv. Asia 2020, 24, 1–10. [Google Scholar] [CrossRef]
 - Wang, X.; Zhao, H.; Ma, Y.; Wang, L.; Li, Y.; Chi, L. Discovery of Promising Cu-Based Catalysts for Selective Propane Dehydrogenation to Propylene Assisted by High-Throughput Computations. J. Catal. 2024, 438, 115718. [Google Scholar] [CrossRef]
 - Song, G.; Chen, W.; Dang, P.; Wang, Y.; Li, F. Synthesis of an Excellent MTP Catalyst: Hierarchical ZSM-5 Zeolites with Great Mesoporosity. R. Soc. Open Sci. 2018, 5, 181691. [Google Scholar] [CrossRef]
 - Blay, V.; Epelde, E.; Miravalles, R.; Perea, L.A. Converting Olefins to Propene: Ethene to Propene and Olefin Cracking. Catal. Rev. 2018, 60, 278–335. [Google Scholar] [CrossRef]
 - Zhu, X.; Li, X.; Xie, S.; Liu, S.; Xu, G.; Xin, W.; Huang, S.; Xu, L. Two New On-Purpose Processes Enhancing Propene Production: Catalytic Cracking of C4 Alkenes to Propene and Metathesis of Ethene and 2-Butene to Propene. Catal. Surv. Asia 2009, 13, 1–8. [Google Scholar] [CrossRef]
 - Hou, Y.; Wang, H.; Xian, N. Advances in Global Acrylic Production Technology and Economic Analysis. Mod. Chem. Ind. 2020, 40, 60–65. [Google Scholar] [CrossRef]
 - Zhang, R.; Wang, Z. Catalytic Cracking of 1-Butene to Propylene by Ag Modified HZSM-5. Chin. J. Chem. Eng. 2015, 23, 1131–1137. [Google Scholar] [CrossRef]
 - Liu, Y.; Qi, J.; Yong, X. Research Progress on Catalytic Cracking of C4 Olefins for Propylene Production. Aging Appl. Synth. Mater. 2020, 49, 123–126. [Google Scholar] [CrossRef]
 - Qiu, Y. Propylur Process for Enhancing Propylene Yield. Ind. Catal. 2000, 8, 52. [Google Scholar] [CrossRef]
 - Zhang, Y.; Shen, K.; Teng, J. Research Progress on Olefin Catalytic Cracking Technology. Chem. React. Eng. Technol. 2021, 37, 181–192. [Google Scholar]
 - Ibáñez, M.; Epelde, E.; Aguayo, A.T.; Gayubo, A.G.; Bilbao, J.; Castaño, P. Selective Dealumination of HZSM-5 Zeolite Boosts Propylene by Modifying 1-Butene Cracking Pathway. Appl. Catal. A Gen. 2017, 543, 1–9. [Google Scholar] [CrossRef]
 - Gao, X.; Tang, Z.; Ji, D.; Zhang, H. Modification of ZSM-5 Zeolite for Maximizing Propylene in Fluid Catalytic Cracking Reaction. Catal. Commun. 2009, 10, 1787–1790. [Google Scholar] [CrossRef]
 - Abbasizadeh, S.; Karimzadeh, R. Influence of Various Aluminum Distributions on Modification of ZSM-5 Zeolite Framework with Cobalt Ions in Alkane Catalytic Cracking. Res. Chem. Intermed. 2019, 45, 955–972. [Google Scholar] [CrossRef]
 - Del Campo, P.; Navarro, M.T.; Shaikh, S.K.; Khokhar, M.D.; Aljumah, F.; Martínez, C.; Corma, A. Propene Production by Butene Cracking. Descriptors for Zeolite Catalysts. ACS Catal. 2020, 10, 11878–11891. [Google Scholar] [CrossRef]
 - Auepattana-aumrung, C.; Praserthdam, S.; Wannakao, S.; Jongsomjit, B.; Panpranot, J.; Praserthdam, P. Observation of Reduction on Alkane Products in Butene Cracking over ZSM-5 Modified with Fe, Cu, and Ni Catalysts. Fuel 2021, 291, 120265. [Google Scholar] [CrossRef]
 - Auepattana-aumrung, C.; Suriye, K.; Jongsomjit, B.; Panpranot, J.; Praserthdam, P. Inhibition Effect of Na+ Form in ZSM-5 Zeolite on Hydrogen Transfer Reaction via 1-Butene Cracking. Catal. Today 2020, 358, 237–245. [Google Scholar] [CrossRef]
 - Mao, D.; Guo, Q.; Meng, T.; Lu, G. Effect of Hydrothermal Treatment on the Acidity of Nano-HZSM-5 Zeolite and Its Catalytic Performance in Methanol-to-Propylene Reaction. J. Phys. Chem. 2010, 26, 338–344. [Google Scholar] [CrossRef]
 - Wannapakdee, W.; Yutthalekha, T.; Dugkhuntod, P.; Rodponthukwaji, K.; Thivasasith, A.; Nokbin, S.; Witoon, T.; Pengpanich, S.; Wattanakit, C. Dehydrogenation of Propane to Propylene Using Promoter-Free Hierarchical Pt/Silicalite-1 Nanosheets. Catalysts 2019, 9, 174. [Google Scholar] [CrossRef]
 - Zhang, S.; Gong, Y.; Zhang, L.; Liu, Y.; Dou, T.; Xu, J.; Deng, F. Hydrothermal Treatment on ZSM-5 Extrudates Catalyst for Methanol to Propylene Reaction: Finely Tuning the Acidic Property. Fuel Process. Technol. 2015, 129, 130–138. [Google Scholar] [CrossRef]
 - Alipour, S.M. Recent Advances in Naphtha Catalytic Cracking by Nano ZSM-5: A Review. Chin. J. Catal. 2016, 37, 671–680. [Google Scholar] [CrossRef]
 - Zhu, X.; Zhang, S.; Qian, X.; Niu, X.; Song, Y.; Liu, S.; Xu, L. Effect of Steam Treatment on the Acidity of ZSM-5 and Its Catalytic Performance in Butene Cracking. Catal. Lett. 2004, 7, 571–576. [Google Scholar]
 - Kubo, K.; Iida, H.; Namba, S.; Igarashi, A. Effect of Steaming on Acidity and Catalytic Performance of H-ZSM-5 and P/H-ZSM-5 as Naphtha to Olefin Catalysts. Microporous Mesoporous Mater. 2014, 188, 23–29. [Google Scholar] [CrossRef]
 - Rahimi, N.; Karimzadeh, R. Catalytic Cracking of Hydrocarbons over Modified ZSM-5 Zeolites to Produce Light Olefins: A Review. Appl. Catal. A Gen. 2011, 398, 1–17. [Google Scholar] [CrossRef]
 - Alipour, S.M.; Halladj, R.; Askari, S. Effects of the Different Synthetic Parameters on the Crystallinity and Crystal Size of Nanosized ZSM-5 Zeolite. Rev. Chem. Eng. 2014, 30, 289–322. [Google Scholar] [CrossRef]
 - Wang, Y.-J.; Cao, J.-P.; Ren, X.-Y.; Feng, X.-B.; Zhao, X.-Y.; Huang, Y.; Wei, X.-Y. Synthesis of ZSM-5 Using Different Silicon and Aluminum Sources Nature for Catalytic Conversion of Lignite Pyrolysis Volatiles to Light Aromatics. Fuel 2020, 268, 117286. [Google Scholar] [CrossRef]
 - Matias, P.; Lopes, J.M.; Ayrault, P.; Laforge, S.; Magnoux, P.; Guisnet, M.; Ribeiro, F.R. Effect of Dealumination by Acid Treatment of a HMCM-22 Zeolite on the Acidity and Activity of the Pore Systems. Appl. Catal. A Gen. 2009, 365, 207–213. [Google Scholar] [CrossRef]
 - Xiao, X.; Sun, B.; Wang, P.; Fan, X.; Kong, L.; Xie, Z.; Liu, B.; Zhao, Z. Tuning the Density of Brønsted Acid Sites on Mesoporous ZSM-5 Zeolite for Enhancing Light Olefins Selectivity in the Catalytic Cracking of n-Octane. Microporous Mesoporous Mater. 2022, 330, 111621. [Google Scholar] [CrossRef]
 - Xue, N.; Chen, X.; Nie, L.; Guo, X.; Ding, W.; Chen, Y.; Gu, M.; Xie, Z. Understanding the Enhancement of Catalytic Performance for Olefin Cracking: Hydrothermally Stable Acids in P/HZSM-5. J. Catal. 2007, 248, 20–28. [Google Scholar] [CrossRef]
 - Yi, D.; Meng, X.; Xu, X.; Liu, N.; Shi, L. Catalytic Performance of Modified ZSM-5 Designed with Selectively Passivated External Surface Acidity by Phosphorus. Ind. Eng. Chem. Res. 2019, 58, 10154–10163. [Google Scholar] [CrossRef]
 








| Sample | SiO2 (wt%) | Al2O3 (wt%) | SiO2/Al2O3 (mol/mol) | 
|---|---|---|---|
| Z1 | 97.20 | 1.50 | 110 | 
| AT-1 | 97.32 | 1.47 | 112 | 
| AT-2 | 97.40 | 1.45 | 114 | 
| AT-3 | 97.50 | 1.43 | 116 | 
| AT-4 | 97.51 | 1.42 | 117 | 
| Sample | Surface Area (m2/g) | Pore Volume (cm3/g) | Average Diameter (nm)  | ||||
|---|---|---|---|---|---|---|---|
| Stotal | Smicro | Sext | Vtotal | Vmicro | Vmeso | ||
| Z1 | 399 | 179 | 220 | 0.293 | 0.105 | 0.188 | 4.14 | 
| AT-1 | 398 | 183 | 215 | 0.292 | 0.102 | 0.189 | 4.31 | 
| AT-2 | 400 | 221 | 179 | 0.296 | 0.105 | 0.191 | 4.42 | 
| AT-3 | 402 | 215 | 187 | 0.303 | 0.110 | 0.193 | 4.39 | 
| AT-4 | 395 | 195 | 200 | 0.290 | 0.112 | 0.178 | 4.23 | 
Disclaimer/Publisher’s Note: The statements, opinions and data contained in all publications are solely those of the individual author(s) and contributor(s) and not of MDPI and/or the editor(s). MDPI and/or the editor(s) disclaim responsibility for any injury to people or property resulting from any ideas, methods, instructions or products referred to in the content.  | 
© 2024 by the authors. Licensee MDPI, Basel, Switzerland. This article is an open access article distributed under the terms and conditions of the Creative Commons Attribution (CC BY) license (https://creativecommons.org/licenses/by/4.0/).
Share and Cite
Tong, Y.; Ke, M. Study on the Acidic Modification of Mesoporous HZSM-5 Zeolite and Its Catalytic Cracking Performance. Catalysts 2024, 14, 713. https://doi.org/10.3390/catal14100713
Tong Y, Ke M. Study on the Acidic Modification of Mesoporous HZSM-5 Zeolite and Its Catalytic Cracking Performance. Catalysts. 2024; 14(10):713. https://doi.org/10.3390/catal14100713
Chicago/Turabian StyleTong, Yanbing, and Ming Ke. 2024. "Study on the Acidic Modification of Mesoporous HZSM-5 Zeolite and Its Catalytic Cracking Performance" Catalysts 14, no. 10: 713. https://doi.org/10.3390/catal14100713
APA StyleTong, Y., & Ke, M. (2024). Study on the Acidic Modification of Mesoporous HZSM-5 Zeolite and Its Catalytic Cracking Performance. Catalysts, 14(10), 713. https://doi.org/10.3390/catal14100713
        
                                                