Catalyst for the Generation of OH Radicals in Advanced Electrochemical Oxidation Processes: Present and Future Perspectives
Abstract
1. Introduction
2. Electrochemical Advanced Oxidation Processes
2.1. Reactive Oxygen Species
2.1.1. Hydroxyl Radicals in Dark Conditions
2.1.2. Hydroxyl Radicals Produced by Photon
2.2. Active Chlorine (IEO, Indirect Electro-Oxidation)
3. Synthesis of Catalyst
4. Electronic Modification of Materials
- Strong-interfacial interaction: This refers to a strong interaction between the material and a metal oxide support, named Strong-Metal Support Interaction (SMSI) [87]. It is important to distinguish from Strong-Metal Oxide Carbon Interaction (SMOCI) [139], where this refers to a strong bond formed between the material and support through oxygen–carbon bonds at the interface.
5. Case Studies
5.1. Electrochemical Advanced Oxidation Processes (EAOP)
- Electrochemical reactor design: electrode area/electrolyte volume ratio, cell and electrode geometry, hydrodynamic conditions.
- Electrochemical reactor parameters: Electrical current and potential intervals, electroactive species and supporting electrolyte concentrations, test durations, working cycles, collected and reported data such as Chemical Oxygen Demand (COD), Total Organic Carbon (TOC), pH, current efficiency (ICE), and electrical consumption (kW-h m−3 or kW-h kg−1).
5.2. Pilot Plant Scale AOPs
| Pilot Scale System | Type of Treated Water | Catalyst | Plant Volume | Catalyst Performance | Energy Consumption | Ref. |
|---|---|---|---|---|---|---|
| Electro-degradation processes: Reactive electrochemical membranes | Biologically treated landfills leachate from a municipal landfill in Dongguan, Guangdong, China | RuO2-Ir-REM, Ti4O7-REM, and β-PbO2-REM | 300 and 370 L in a single filtration step | The β-PbO2-REM gave superior results due to its remarkable generation of OH•. Five tests demonstrated reproducibility without deterioration of the electrocatalytic capabilities | 3.6 kW-h m−3 | [127] |
| Electro-degradation processes: DiaCells treatment cells | Leachate from landfills was previously biologically processed. Located in the municipality of Meruelo, Cantabria, Spain. | BDD | 750 L feed tank and three treatment lines, incorporating a total of 150 cells | BDD achieves total COD oxidation and nearly complete mineralization. Partial oxidation of ammonium to nitrates requires an additional operational step. The authors do not address the stability of the anodic yield | Not calculated. Given the high j (300–1200 A m−2), considerable energy consumption could be expected | [126] |
| Electro-degradation processes: ultrafiltration plant | Commercial oxyfluorfen solution | BDD | Multi-tubular ceramic membrane with 19 channels (Dh = 3.5 mm), 38 cm long, 285.1 L h−1 m−2. | Surfactants are not retained by the membrane in ultrafiltration, affecting the formation of persulfates that favor the oxidation of oxyfluorfen. ICE for TOC removal decreases with increasing current density, even as oxyfluorfen degradation increases | 2900 kW-h kg−1, and 590.2 kW-h kg−1 with and without the concentration stage | [227] |
| Electro-degradation processes: electrochemically assisted hydrolysis stage | Pesticide treatment of a wastewater effluent from a company in Dalian, China | Ti coated with a nanocrystalline PbO2 film (MAGNETO, Suzhou, China) | 8.2 m3 volume with a flow rate of 2.5 to 5.5 tons day−1 | The BOD5/COD ratio was doubled, allowing the effluent to meet the quality standards required for urban wastewater treatment plants. No specific evaluation of the catalysts’ performance, but they do not mention any problems related to its operation for a period longer than one year | Reduces operating costs by 14%, with a payback period of 10 years | [226] |
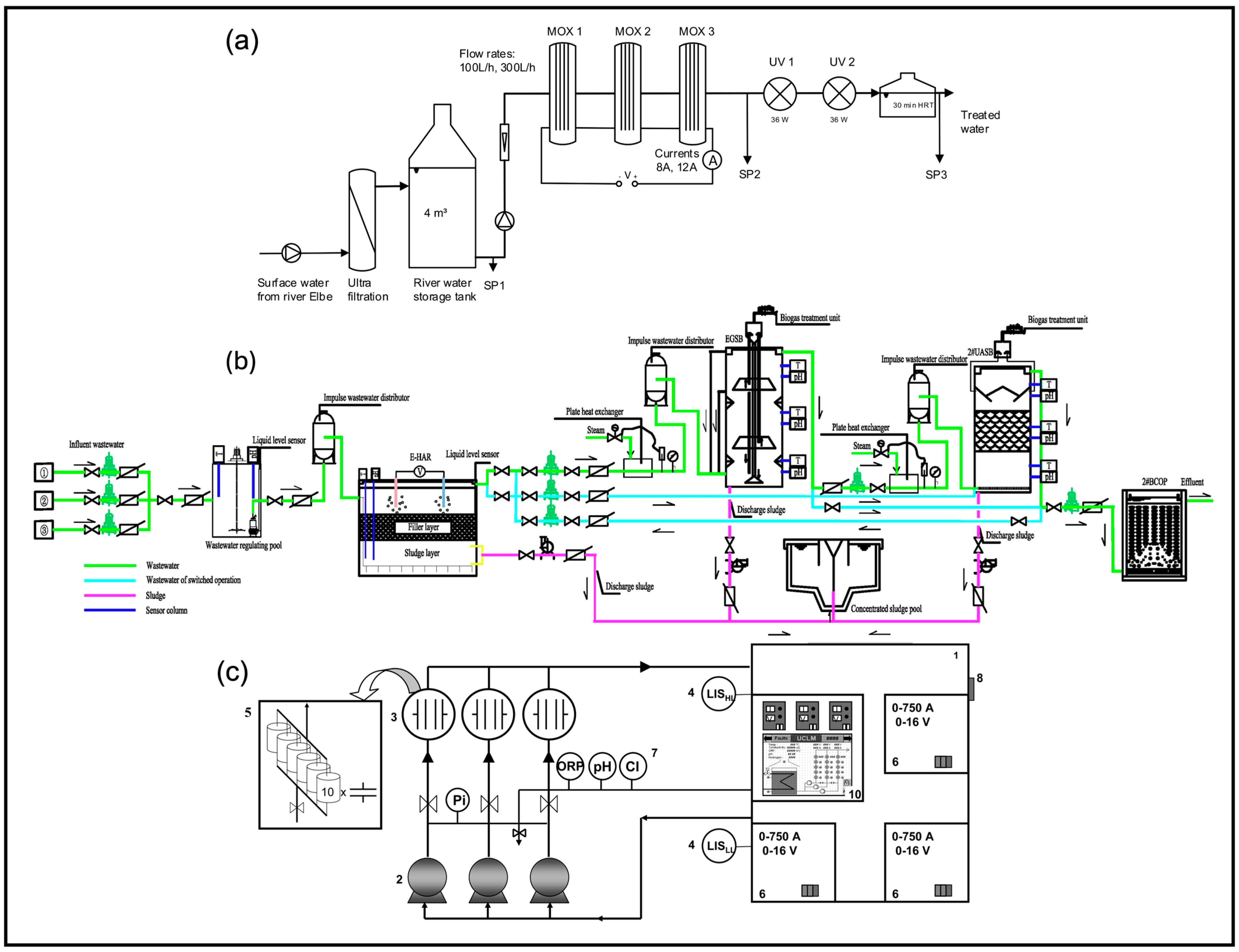
| In situ active chlorine generation: UV/ECl2 pilot system | Elbe River water, filtered by a UF system (Pall, Port Washington, NY, USA) | RuO2/IrO2 mixed oxide | 1023 m3, 3.4 m3d−1 | Gabapentin and oxipurinol were nearly completely degraded by the Cl2. Benzotriazole, 4 and 5-methyl-benzotriazole, and iomeprol were degraded by 5–11%. However, combining UV radiation increased degradation to 49–89%. The field test lasted 10 months. The system operated without technical interruptions, requiring only monthly manual cleaning of quartz glass sleeves. The electrolytic cells showed no wear by the end of the trial, and the water’s hardness did not cause calcareous deposits on the cell surface with polarity inversion intervals of three hours | 1.35 kWh m−3 including pumping | [76] |
| In-situ active chlorine generation: Electrochemical pilot plant | Five different real saline industrial effluents | BDD | 750 L tank and three pumps feeding the electrolyte into three parallel fluid lines | Chloride oxidation was the primary reaction. Complete ammonia removal was achieved for all wastewaters, while TOC removal reached up to 90% | 68 kW-h m−3 | [78] |
| In-situ active chlorine generation: Three-dimensional electrocatalytic system | Industrial hypersaline and high-organic wastewater from Jingzhou City, Hubei Province, China | Ti coated with Ru-Ir-Ti-Sn. And Ti-Sn-Sb@γ-Al2O3 particles | Two reactors with 75 and 71 kg of catalyst. A retention time of 1.5 h, and a flow rate of 3 m3 day−1. | Total biological oxygen demand (BOD) increased from 40 mgL−1 to 1050 mgL−1 with oxide particles, implying a 690% increase in biodegradability. Active chlorine formation is the primary COD removal mechanism. | 102.80 kW-h kg−1 COD and 88.09 kW-h m−3 | [129] |
| Photo-electro-catalysis processes. Stainless-steel continuous tubular reactor | Rainbow trout (Oncorhynchus mykiss) culture. | Ti mesh coated with a photoactive TiO2 film | Three 50 L tanks equipped with the PEC purification system: Continuous tubular reactor with 1 L free volume. | The water of the PEC group showed lower ammonia and nitrite concentrations and higher nitrate concentrations, also leading to gaseous N2, compared with conventional biological filters. Histological analysis did not reveal any pathological alteration in the gills and liver of both groups. | Not reported | [117] |
6. Conclusions and Perspectives
Author Contributions
Funding
Data Availability Statement
Acknowledgments
Conflicts of Interest
Abbreviations
| AOP | Advanced Oxidation Processes |
| BDD | Boron Doped Dimond |
| BOD | Biochemical Oxygen Demand |
| CER | Chlorine Evolution Reaction |
| COD | Chemical Oxygen Demand |
| CPC | Compound Parabolic Concentrators |
| CVD | Chemical Vapor Deposition |
| DC | Direct Current |
| DFT | Density Functional Theory |
| DO | Dissolved Oxygen |
| DOOM | Direct Oxidation of Organic Matter |
| DP | Degradation products |
| EC | Electrocoagulation |
| EO | Electrochemical Oxidation |
| EP | Emerging Pollutant |
| ER | Electrochemical Reduction |
| EAOP | Electrochemical Advanced Oxidation Processes |
| H-AOP | Heterogeneous Advanced Oxidation Processes |
| HOM-AOP | Homogeneous Advanced Oxidation Processes |
| HP-AOP | Homogeneous Photo-driven Advanced Oxidation Processes |
| hkl | Miller index |
| IEO | Indirect Electrochemical Oxidation |
| M | Metal surface |
| MO | Metal Oxide Surface |
| OER | Oxygen Evolution Reaction |
| oVs | Oxygen Vacancies |
| PANI | Polyaniline |
| PhEM | Photo-assisted Electrochemical Methods |
| PZC | Point of Zero Charge |
| REMs | Reactive Electrochemical Membranes |
| rGO | Reduced Graphene Oxide |
| RNO | N,N-dimethyl-p-nitrosoaniline |
| SILAR | Sequential ionic layer adsorption and reaction |
| SSA | Specific Surface Area |
| TDS | Total Dissolved Solids |
| TOC | Total Organic Carbon |
| TSS | Total Suspended Solids |
| UV–Vis | Ultraviolet and visible light |
| WWTP | Wastewater Treatment Plants |
References
- Deblonde, T.; Cossu-Leguille, C.; Hartemann, P. Emerging pollutants in wastewater: A review of the literature. Int. J. Hyg. Environ. Health 2011, 214, 442–448. [Google Scholar] [CrossRef] [PubMed]
- CONAGUA. Portal de Sistemas de Información del Agua. Available online: https://www.gob.mx/conagua/articulos/portal-de-sistemas-de-informacion-del-agua-262506 (accessed on 8 March 2024).
- Aguilar-Aguilar, A.; de León-Martínez, L.D.; Forgionny, A.; Acelas Soto, N.Y.; Mendoza, S.R.; Zárate-Guzmán, A.I. A systematic review on the current situation of emerging pollutants in Mexico: A perspective on policies, regulation, detection, and elimination in water and wastewater. Sci. Total Environ. 2023, 905, 167426. [Google Scholar] [CrossRef]
- Vázquez-Tapia, I.; Salazar-Martínez, T.; Acosta-Castro, M.; Meléndez-Castolo, K.A.; Mahlknecht, J.; Cervantes-Avilés, P.; Capparelli, M.V.; Mora, A. Occurrence of emerging organic contaminants and endocrine disruptors in different water compartments in Mexico—A review. Chemosphere 2022, 308, 136285. [Google Scholar] [CrossRef] [PubMed]
- Central Pollution Control Board. Available online: https://cpcb.nic.in/status-of-stps/ (accessed on 8 March 2024).
- Tripathi, S.; Purchase, D.; Chandra, R.; Nadda, A.K.; Chaturvedi, P. Emerging pollutants characterization, mitigation and toxicity assessment of sewage wastewater treatment plant- India: A case study. J. Contam. Hydrol. 2023, 254, 104139. [Google Scholar] [CrossRef]
- Ranjan, N.; Singh, P.K.; Maurya, N.S. Pharmaceuticals in water as emerging pollutants for river health: A critical review under Indian conditions. Ecotoxicol. Environ. Saf. 2022, 247, 114220. [Google Scholar] [CrossRef]
- Pozo, K.; Sarkar, S.K.; Estellano, V.H.; Mitra, S.; Audi, O.; Kukucka, P.; Přibylová, P.; Klánová, J.; Corsolini, S. Passive air sampling of persistent organic pollutants (POPs) and emerging compounds in Kolkata megacity and rural mangrove wetland Sundarban in India: An approach to regional monitoring. Chemosphere 2017, 168, 1430–1438. [Google Scholar] [CrossRef]
- Zhong, M.; Wang, T.; Zhao, W.; Huang, J.; Wang, B.; Blaney, L.; Bu, Q.; Yu, G. Emerging Organic Contaminants in Chinese Surface Water: Identification of Priority Pollutants. Engineering 2022, 11, 111–125. [Google Scholar] [CrossRef]
- Wang, S.; Ding, G.; Liu, Y.; Dou, Z.; Chen, H.; Ya, M.; Lin, X.; Li, Q.; Li, Y.; Wang, X. Legacy and emerging persistent organic pollutants in the marginal seas of China: Occurrence and phase partitioning. Sci. Total Environ. 2022, 827, 154274. [Google Scholar] [CrossRef]
- Sun, S.; Chen, Y.; Lin, Y.; An, D. Occurrence, spatial distribution, and seasonal variation of emerging trace organic pollutants in source water for Shanghai, China. Sci. Total Environ. 2018, 639, 1–7. [Google Scholar] [CrossRef]
- Sun, R.-X.; Luo, X.-J.; Tan, X.-X.; Tang, B.; Li, Z.-R.; Mai, B.-X. Legacy and emerging halogenated organic pollutants in marine organisms from the Pearl River Estuary, South China. Chemosphere 2015, 139, 565–571. [Google Scholar] [CrossRef]
- Crini, G.; Lichtfouse, E. Advantages and disadvantages of techniques used for wastewater treatment. Environ. Chem. Lett. 2019, 17, 145–155. [Google Scholar] [CrossRef]
- Priyadarshini, M.; Das, I.; Ghangrekar, M.M.; Blaney, L. Advanced oxidation processes: Performance, advantages, and scale-up of emerging technologies. J. Environ. Manag. 2022, 316, 115295. [Google Scholar] [CrossRef] [PubMed]
- Rizzo, L.; Malato, S.; Antakyali, D.; Beretsou, V.G.; Đolić, M.B.; Gernjak, W.; Heath, E.; Ivancev-Tumbas, I.; Karaolia, P.; Lado Ribeiro, A.R.; et al. Consolidated vs new advanced treatment methods for the removal of contaminants of emerging concern from urban wastewater. Sci. Total Environ. 2019, 655, 986–1008. [Google Scholar] [CrossRef] [PubMed]
- Brillas, E.; Martinez-Huitle, C.A. Decontamination of wastewaters containing synthetic organic dyes by electrochemical methods. An updated review. Appl. Catal B-Environ. 2015, 166, 603–643. [Google Scholar] [CrossRef]
- Martínez-Huitle, C.A.; Brillas, E. Decontamination of wastewaters containing synthetic organic dyes by electrochemical methods: A general review. Appl. Catal. B Environ. 2009, 87, 105–145. [Google Scholar] [CrossRef]
- Brillas, E. A critical review on ibuprofen removal from synthetic waters, natural waters, and real wastewaters by advanced oxidation processes. Chemosphere 2022, 286, 131849. [Google Scholar] [CrossRef]
- Brillas, E. Solar photoelectro-Fenton: A very effective and cost-efficient electrochemical advanced oxidation process for the removal of organic pollutants from synthetic and real wastewaters. Chemosphere 2023, 327, 138532. [Google Scholar] [CrossRef]
- Karim, A.V.; Nidheesh, P.V.; Oturan, M.A. Boron-doped diamond electrodes for the mineralization of organic pollutants in the real wastewater. Curr. Opin. Electrochem. 2021, 30, 100855. [Google Scholar] [CrossRef]
- Antonopoulou, M.; Kosma, C.; Albanis, T.; Konstantinou, I. An overview of homogeneous and heterogeneous photocatalysis applications for the removal of pharmaceutical compounds from real or synthetic hospital wastewaters under lab or pilot scale. Sci. Total Environ. 2021, 765, 144163. [Google Scholar] [CrossRef]
- Kulišťáková, A. Removal of pharmaceutical micropollutants from real wastewater matrices by means of photochemical advanced oxidation processes—A review. J. Water Process Eng. 2023, 53, 103727. [Google Scholar] [CrossRef]
- Brillas, E. Progress of homogeneous and heterogeneous electro-Fenton treatments of antibiotics in synthetic and real wastewaters. A critical review on the period 2017–2021. Sci. Total Environ. 2022, 819, 153102. [Google Scholar] [CrossRef]
- Divyapriya, G.; Singh, S.; Martínez-Huitle, C.A.; Scaria, J.; Karim, A.V.; Nidheesh, P.V. Treatment of real wastewater by photoelectrochemical methods: An overview. Chemosphere 2021, 276, 130188. [Google Scholar] [CrossRef] [PubMed]
- Rueda-Marquez, J.J.; Levchuk, I.; Fernández Ibañez, P.; Sillanpää, M. A critical review on application of photocatalysis for toxicity reduction of real wastewaters. J. Clean. Prod. 2020, 258, 120694. [Google Scholar] [CrossRef]
- Garcia-Segura, S.; Ocon, J.D.; Chong, M.N. Electrochemical oxidation remediation of real wastewater effluents—A review. Process Saf. Environ. Prot. 2018, 113, 48–67. [Google Scholar] [CrossRef]
- Moreira, F.C.; Boaventura, R.A.R.; Brillas, E.; Vilar, V.J.P. Electrochemical advanced oxidation processes: A review on their application to synthetic and real wastewaters. Appl. Catal. B Environ. 2017, 202, 217–261. [Google Scholar] [CrossRef]
- Clematis, D.; Panizza, M. Application of boron-doped diamond electrodes for electrochemical oxidation of real wastewaters. Curr. Opin. Electrochem. 2021, 30, 100844. [Google Scholar] [CrossRef]
- Agarkoti, C.; Thanekar, P.D.; Gogate, P.R. Cavitation based treatment of industrial wastewater: A critical review focusing on mechanisms, design aspects, operating conditions and application to real effluents. J. Environ. Manag. 2021, 300, 113786. [Google Scholar] [CrossRef]
- Lin, Y.; Cao, Y.; Yao, Q.; Chai, O.J.H.; Xie, J. Engineering Noble Metal Nanomaterials for Pollutant Decomposition. Ind. Eng. Chem. Res. 2020, 59, 20561–20581. [Google Scholar] [CrossRef]
- Duan, X.; Sun, H.; Wang, S. Metal-Free Carbocatalysis in Advanced Oxidation Reactions. Acc. Chem. Res. 2018, 51, 678–687. [Google Scholar] [CrossRef]
- Zhu, Y.; Xie, Q.; Deng, F.; Ni, Z.; Lin, Q.; Cheng, L.; Chen, X.; Qiu, R.; Zhu, R. The differences in heterogeneous Fenton catalytic performance and mechanism of various iron minerals and their influencing factors: A review. Sep. Purif. Technol. 2023, 325, 124702. [Google Scholar] [CrossRef]
- Chen, W.; He, H.; Liang, J.; Wei, X.; Li, X.; Wang, J.; Li, L. A comprehensive review on metal based active sites and their interaction with O3 during heterogeneous catalytic ozonation process: Types, regulation and authentication. J. Hazard. Mater. 2023, 443, 130302. [Google Scholar] [CrossRef]
- Estudillo-Wong, L.A.; Santillán-Díaz, G.; Arce-Estrada, E.M.M.; Alonso-vante, N.; Manzo-robledo, A. Electroreduction of NOzx species in alkaline medium on Pt nanoparticles. Electrochim. Acta 2013, 88, 358. [Google Scholar] [CrossRef]
- Comninellis, C. Electrocatalysis in the electrochemical conversion/combustion of organic pollutants for waste water treatment. Electrochim. Acta 1994, 39, 1857–1862. [Google Scholar] [CrossRef]
- Polcaro, A.M.; Palmas, S.; Renoldi, F.; Mascia, M. On the performance of Ti/SnO2 and Ti/PbO2 anodes in electrochemical degradation of 2-chlorophenol for wastewater treatment. J. Appl. Electrochem. 1999, 29, 147–151. [Google Scholar] [CrossRef]
- Vazquez-Gomez, L.; de Battisti, A.; Ferro, S.; Cerro, M.; Reyna, S.; Martínez-Huitle, C.A.; Quiroz, M.A. Anodic Oxidation as Green Alternative for Removing Diethyl Phthalate from Wastewater Using Pb/PbO2 and Ti/SnO2 Anodes. CLEAN—Soil Air Water 2012, 40, 408–415. [Google Scholar] [CrossRef]
- Panizza, M.; Cerisola, G. Electrochemical Degradation of Methyl Red Using BDD and PbO2 Anodes. Ind. Eng. Chem. Res. 2008, 47, 6816–6820. [Google Scholar] [CrossRef]
- Ganiyu, S.O.; Martínez-Huitle, C.A.; Oturan, M.A. Electrochemical advanced oxidation processes for wastewater treatment: Advances in formation and detection of reactive species and mechanisms. Curr. Opin. Electrochem. 2021, 27, 100678. [Google Scholar] [CrossRef]
- Gligorovski, S.; Strekowski, R.; Barbati, S.; Vione, D. Environmental Implications of Hydroxyl Radicals (•OH). Chem. Rev. 2015, 115, 13051–13092. [Google Scholar] [CrossRef]
- Xie, J.; Zhang, C.; Waite, T.D. Hydroxyl radicals in anodic oxidation systems: Generation, identification and quantification. Water Res. 2022, 217, 118425. [Google Scholar] [CrossRef]
- Manning, M.R.; Lowe, D.C.; Moss, R.C.; Bodeker, G.E.; Allan, W. Short-term variations in the oxidizing power of the atmosphere. Nature 2005, 436, 1001–1004. [Google Scholar] [CrossRef]
- Brame, J.; Long, M.; Li, Q.; Alvarez, P. Trading oxidation power for efficiency: Differential inhibition of photo-generated hydroxyl radicals versus singlet oxygen. Water Res. 2014, 60, 259–266. [Google Scholar] [CrossRef]
- Sun, B.; Sato, M.; Sid Clements, J. Optical study of active species produced by a pulsed streamer corona discharge in water. J. Electrost. 1997, 39, 189–202. [Google Scholar] [CrossRef]
- Jonsson, S. The Influence of Soil and Contaminant Properties on the Efficiency of Physical and Chemical Soil Remediation Methods. Doctoral Thesis, Umeå University, Umeå, Sweden, 2009. [Google Scholar]
- Afshar, S.; Samari Jahromi, H.; Jafari, N.; Ahmadi, Z.; Hakamizadeh, M. Degradation of malachite green oxalate by UV and visible lights irradiation using Pt/TiO2/SiO2 nanophotocatalyst. Sci. Iran. 2011, 18, 772–779. [Google Scholar] [CrossRef]
- Xia, P.; Zhang, H.; Ye, Z. Recent advances in the application of natural iron and clay minerals in heterogeneous electro-Fenton process. Curr. Opin. Electrochem. 2024, 46, 101495. [Google Scholar] [CrossRef]
- Wang, J.; Tang, J. Fe-based Fenton-like catalysts for water treatment: Preparation, characterization and modification. Chemosphere 2021, 276, 130177. [Google Scholar] [CrossRef]
- Hussain, S.; Aneggi, E.; Goi, D. Catalytic activity of metals in heterogeneous Fenton-like oxidation of wastewater contaminants: A review. Environ. Chem. Lett. 2021, 19, 2405–2424. [Google Scholar] [CrossRef]
- Liu, Y.; Kong, C.; Liu, L.; Jiang, X.; Liu, C.; Liu, F.; Sun, J.; Wang, Y. Progress in copper-based supported heterogeneous electro-Fenton catalysts. Chem. Eng. J. 2024, 486, 150217. [Google Scholar] [CrossRef]
- Jin, X.; Wu, C.; Fu, L.; Tian, X.; Wang, P.; Zhou, Y.; Zuo, J. Development, dilemma and potential strategies for the application of nanocatalysts in wastewater catalytic ozonation: A review. J. Environ. Sci. 2023, 124, 330–349. [Google Scholar] [CrossRef]
- Chen, L.; Wei, L.; Ru, Y.; Weng, M.; Wang, L.; Dai, Q. A mini-review of the electro-peroxone technology for wastewaters: Characteristics, mechanism and prospect. Chin. Chem. Lett. 2023, 34, 108162. [Google Scholar] [CrossRef]
- Rodríguez-Peña, M.; Natividad, R.; Barrera-Díaz, C.E.; Balderas Hernández, P.; Alanis Ramírez, C.I.; Roa-Morales, G. Current perspective of advanced electrochemical oxidation processes in wastewater treatment and life cycle analysis. Int. J. Electrochem. Sci. 2024, 19, 100589. [Google Scholar] [CrossRef]
- Yang, L.; Jiao, Y.; Xu, X.; Pan, Y.; Su, C.; Duan, X.; Sun, H.; Liu, S.; Wang, S.; Shao, Z. Superstructures with Atomic-Level Arranged Perovskite and Oxide Layers for Advanced Oxidation with an Enhanced Non-Free Radical Pathway. ACS Sustain. Chem. Eng. 2022, 10, 1899–1909. [Google Scholar] [CrossRef]
- Hu, J. Oxygen evolution reaction on IrO2-based DSA® type electrodes: Kinetics analysis of Tafel lines and EIS. Int. J. Hydrogen Energy 2004, 29, 791–797. [Google Scholar] [CrossRef]
- Shi, Z.; Wang, X.; Ge, J.; Liu, C.; Xing, W. Fundamental understanding of the acidic oxygen evolution reaction: Mechanism study and state-of-the-art catalysts. Nanoscale 2020, 12, 13249–13275. [Google Scholar] [CrossRef] [PubMed]
- Jaimes, R.; Vazquez-Arenas, J.; González, I.; Galván, M. Theoretical evidence of the relationship established between the HO radicals and H2O adsorptions and the electroactivity of typical catalysts used to oxidize organic compounds. Electrochim. Acta 2017, 229, 345–351. [Google Scholar] [CrossRef]
- Chaplin, B.P.; Schrader, G.; Farrell, J. Electrochemical oxidation of N-nitrosodimethylamine with boron-doped diamond film electrodes. Environ. Sci. Technol. 2009, 43, 8302–8307. [Google Scholar] [CrossRef]
- Moradi, M.; Vasseghian, Y.; Khataee, A.; Kobya, M.; Arabzade, H.; Dragoi, E.-N. Service life and stability of electrodes applied in electrochemical advanced oxidation processes: A comprehensive review. J. Ind. Eng. Chem. 2020, 87, 18–39. [Google Scholar] [CrossRef]
- García-Osorio, D.A.; Vazquez-Arenas, J.; Jaimes, R. Revisiting Tractable Strategies to Determine the Activity/Inactivity of Electrocatalysts towards O2/•OH Production. J. Electrochem. Soc. 2018, 165, J3101–J3108. [Google Scholar] [CrossRef]
- Macpherson, J.V. A practical guide to using boron doped diamond in electrochemical research. Phys. Chem. Chem. Phys. 2015, 17, 2935–2949. [Google Scholar] [CrossRef]
- Costa, C.R.; Montilla, F.; Morallon, E.; Olivi, P. Electrochemical oxidation of synthetic tannery wastewater in chloride-free aqueous media. J. Hazard. Mater. 2010, 180, 429–435. [Google Scholar] [CrossRef]
- Li, X.Y.; Cui, Y.H.; Feng, Y.J.; Xie, Z.M.; Gu, J.D. Reaction pathways and mechanisms of the electrochemical degradation of phenol on different electrodes. Water Res. 2005, 39, 1972–1981. [Google Scholar] [CrossRef]
- Zhang, X.; Yu, W.; Guo, Y.; Li, S.; Chen, Y.; Wang, H.; Bian, Z. Recent advances in photoelectrocatalytic advanced oxidation processes: From mechanism understanding to catalyst design and actual applications. Chem. Eng. J. 2023, 455, 140801. [Google Scholar] [CrossRef]
- Zhang, L.; Shi, Q.; Guo, Y.; Xu, D.; Wang, H.; Wang, L.; Bian, Z. Interface optimization by impedance spectroscopy and photoelectrocatalytic degradation of clofibric acid. Electrochim. Acta 2019, 300, 242–252. [Google Scholar] [CrossRef]
- Mousset, E.; Dionysiou, D.D. Photoelectrochemical reactors for treatment of water and wastewater: A review. Environ. Chem. Lett. 2020, 18, 1301–1318. [Google Scholar] [CrossRef]
- Dang, Q.; Wang, L.; Liu, J.; Wang, D.; Chai, J.; Wu, M.; Tang, L. Recent progress of photoelectrocatalysis systems for wastewater treatment. J. Water Process Eng. 2023, 53, 103609. [Google Scholar] [CrossRef]
- Truong, H.B.; Bae, S.; Cho, J.; Hur, J. Advances in application of g–C3N4–based materials for treatment of polluted water and wastewater via activation of oxidants and photoelectrocatalysis: A comprehensive review. Chemosphere 2022, 286, 131737. [Google Scholar] [CrossRef]
- Alulema-Pullupaxi, P.; Espinoza-Montero, P.J.; Sigcha-Pallo, C.; Vargas, R.; Fernández, L.; Peralta-Hernández, J.M.; Paz, J.L. Fundamentals and applications of photoelectrocatalysis as an efficient process to remove pollutants from water: A review. Chemosphere 2021, 281, 130821. [Google Scholar] [CrossRef]
- Wang, Y.; Wu, J.; Yan, Y.; Li, L.; Lu, P.; Guan, J.; Lu, N.; Yuan, X. Black phosphorus-based semiconductor multi-heterojunction TiO2-BiVO4-BP/RP film with an in situ junction and Z-scheme system for enhanced photoelectrocatalytic activity. Chem. Eng. J. 2021, 403, 126313. [Google Scholar] [CrossRef]
- Li, J.; Tian, M.; Zhang, W.; Qian, J.; Zhao, S.; Dang, W.; Jiang, H.-Y.; Li, C. Structure and photocatalytic performance comparison of two distinctive copper phenylacetylides. Appl. Organomet. Chem. 2021, 35, e6352. [Google Scholar] [CrossRef]
- Koppenol, W.H.; Liebman, J.F. The oxidizing nature of the hydroxyl radical. A comparison with the ferryl ion (FeO2+). J. Phys. Chem. 1984, 88, 99–101. [Google Scholar] [CrossRef]
- Lim, T.; Jung, G.Y.; Kim, J.H.; Park, S.O.; Park, J.; Kim, Y.-T.; Kang, S.J.; Jeong, H.Y.; Kwak, S.K.; Joo, S.H. Atomically dispersed Pt–N4 sites as efficient and selective electrocatalysts for the chlorine evolution reaction. Nat. Commun. 2020, 11, 412. [Google Scholar] [CrossRef]
- Jaimes, R.; Vazquez-Arenas, J. Can HOCl be superficially stabilized on an electrocatalyst as proposed in the active chlorine mechanism involving •OH radicals?: Beyond the Cl2 evolution. J. Electroanal. Chem. 2024, 952, 117948. [Google Scholar] [CrossRef]
- Sirés, I.; Brillas, E.; Oturan, M.A.; Rodrigo, M.A.; Panizza, M. Electrochemical advanced oxidation processes: Today and tomorrow. A review. Environ. Sci. Pollut. Res. 2014, 21, 8336–8367. [Google Scholar] [CrossRef]
- Otter, P.; Mette, K.; Wesch, R.; Gerhardt, T.; Krüger, F.-M.; Goldmaier, A.; Benz, F.; Malakar, P.; Grischek, T. Oxidation of Selected Trace Organic Compounds through the Combination of Inline Electro-Chlorination with UV Radiation (UV/ECl2) as Alternative AOP for Decentralized Drinking Water Treatment. Water 2020, 12, 3275. [Google Scholar] [CrossRef]
- Li, Q.; Liu, G.-h.; Qi, L.; Wang, H.; Xian, G. Chlorine-mediated electrochemical advanced oxidation process for ammonia removal: Mechanisms, characteristics and expectation. Sci. Total Environ. 2023, 896, 165169. [Google Scholar] [CrossRef]
- Anglada, A.; Ibañez, R.; Urtiaga, A.; Ortiz, I. Electrochemical oxidation of saline industrial wastewaters using boron-doped diamond anodes. Catal. Today 2010, 151, 178–184. [Google Scholar] [CrossRef]
- Miklos, D.B.; Remy, C.; Jekel, M.; Linden, K.G.; Drewes, J.E.; Hübner, U. Evaluation of advanced oxidation processes for water and wastewater treatment—A critical review. Water Res. 2018, 139, 118–131. [Google Scholar] [CrossRef]
- Trasatti, S. Progress in the understanding of the mechanism of chlorine evolution at oxide electrodes. Electrochim. Acta 1987, 32, 369–382. [Google Scholar] [CrossRef]
- Wang, Y.; Liu, Y.; Wiley, D.; Zhao, S.; Tang, Z. Recent advances in electrocatalytic chloride oxidation for chlorine gas production. J. Mater. Chem. A 2021, 9, 18974–18993. [Google Scholar] [CrossRef]
- Hansen, H.A.; Man, I.C.; Studt, F.; Abild-Pedersen, F.; Bligaard, T.; Rossmeisl, J. Electrochemical chlorine evolution at rutile oxide (110) surfaces. Phys Chem Chem Phys 2010, 12, 283–290. [Google Scholar] [CrossRef]
- Exner, K.S.; Anton, J.; Jacob, T.; Over, H. Microscopic Insights into the Chlorine Evolution Reaction on RuO2(110): A Mechanistic Ab Initio Atomistic Thermodynamics Study. Electrocatalysis 2014, 6, 163–172. [Google Scholar] [CrossRef]
- Exner, K.S.; Anton, J.; Jacob, T.; Over, H. Chlorine Evolution Reaction on RuO2(110): Ab initio Atomistic Thermodynamics Study—Pourbaix Diagrams. Electrochim. Acta 2014, 120, 460–466. [Google Scholar] [CrossRef]
- Exner, K.S.; Anton, J.; Jacob, T.; Over, H. Full Kinetics from First Principles of the Chlorine Evolution Reaction over a RuO2(110) Model Electrode. Angew. Chem. Int. Ed. 2016, 55, 7501–7504. [Google Scholar] [CrossRef]
- Saha, S.; Gayen, P.; Ramani, V.K. Facet-dependent Chlorine and Oxygen Evolution Selectivity on RuO2: An Ab initio Atomistic Thermodynamic Study. ChemCatChem 2020, 12, 4922–4929. [Google Scholar] [CrossRef]
- Zhang, P.; Jin, Y.; Li, M.; Wang, X.; Zhang, Y.-n. Dual heterojunction-based Au@TiO2 photoelectrode exhibiting efficient charge separation for enhanced removal of organic dye under visible light. RSC Sustain. 2023, 1, 622–630. [Google Scholar] [CrossRef]
- Castillo-Cabrera, G.X.; Espinoza-Montero, P.J. Novel trends in mixed oxide electrodes for photoelectrocatalytic wastewater treatment. Curr. Opin. Electrochem. 2024, 44, 101448. [Google Scholar] [CrossRef]
- Narewadikar, N.A.; Pedanekar, R.S.; Parale, V.G.; Park, H.H.; Rajpure, K.Y. Spray deposited yttrium incorporated TiO2 photoelectrode for efficient photoelectrocatalytic degradation of organic pollutants. J. Rare Earths 2023, 41, 1929–1937. [Google Scholar] [CrossRef]
- Suryavanshi, R.D.; Babar, P.V.; Narewadikar, N.A.; Rajpure, K.Y. Sunlight assisted novel spray deposited Bi2WO6 photoelectrode for degradation of organic pollutants. J. Phys. Chem. Solids 2022, 168, 110786. [Google Scholar] [CrossRef]
- Pedanekar, R.S.; Madake, S.B.; Narewadikar, N.A.; Mohite, S.V.; Patil, A.R.; Kumbhar, S.M.; Rajpure, K.Y. Photoelectrocatalytic degradation of Rhodamine B by spray deposited Bi2WO6 photoelectrode under solar radiation. Mater. Res. Bull. 2022, 147, 111639. [Google Scholar] [CrossRef]
- Dai, Z.; Lian, J.; Sun, Y.; Li, L.; Zhang, H.; Hu, N.; Ding, D. Fabrication of g-C3N4/Sn3O4/Ni electrode for highly efficient photoelectrocatalytic reduction of U(VI). Chem. Eng. J. 2022, 433, 133766. [Google Scholar] [CrossRef]
- Zuo, J.L.; Yang, S.; Li, Y.; Tan, C.; Xia, Z.; Yuan, S.; Yu, S.; Li, J. Preparation and Photoelectrocatalytic Performance Study of Au-RGO/TiO2 NTs Photoelectrode. Macromol. Res. 2022, 30, 783–790. [Google Scholar] [CrossRef]
- Xie, Y.-L.; Guo, L.-F.; Ben, C.-J. Fabrication of BiOI Nanoflowers Decorated TiO2 Nanotube Arrays on Porous Titanium with Enhanced Photocatalytic Performance for Rhodamine B Degradation. Int. J. Electrochem. Sci. 2022, 17, 22022. [Google Scholar] [CrossRef]
- Kiziltas, H. Fabrication and characterization of photoelectrode B–Co/TiO2 nanotubes for effective photoelectrochemical degradation of rhodamine B. Opt. Mater. 2022, 123, 111926. [Google Scholar] [CrossRef]
- Ait hssi, A.; Amaterz, E.; labchir, N.; Soussi, A.; Elfanaoui, A.; Benlhachemi, A.; Ihlal, A.; Bouabid, K. Electrodeposition of nanostructured cuprous oxide on various substrates and their electrochemical and photoelectrochemical properties. J. Mater. Sci. Mater. Electron. 2022, 33, 15791–15801. [Google Scholar] [CrossRef]
- Wang, K.; Wang, Q.; Zhao, Y.; Zhang, Z.; Liao, S.; Deng, Y.; Wang, X.; Ye, Q. Hydrothermal synthesis of Z-scheme Bi2WO6/Bi2MoO6 heterojunctions for the enhanced photoelectrocatalytic performance of TiO2 NTs: Structure, activity and mechanism approach. Fuel 2023, 339, 126973. [Google Scholar] [CrossRef]
- Chen, R.; Chang, C.; Hou, Y.; Li, J. Fabrication of mesoporous titania films and kinetics of photoelectrocatalytic degradation of organic dye. Desalination Water Treat. 2024, 319, 100421. [Google Scholar] [CrossRef]
- da Silva, T.F.; Cavalcante, R.P.; Guelfi, D.R.V.; de Oliveira, S.C.; Casagrande, G.A.; Caires, A.R.L.; de Oliveira, F.F.; Gubiani, J.R.; Cardoso, J.C.; Machulek, A. Photo-anodes based on B-doped TiO2 for photoelectrocatalytic degradation of propyphenazone: Identification of intermediates, and acute toxicity evaluation. J. Environ. Chem. Eng. 2022, 10, 107212. [Google Scholar] [CrossRef]
- Muzakkar, M.Z.; Maulidiyah; Azis, T.; Nurdin, M.; Natsir, M.; Dali, N.; Ratna. Performance of selenium doped TiO2/Ti composite electrodes (Se-TiO2/Ti): Photoelectrocatalyst of reactive green 19 under UV-Visible irradiation. AIP Conf. Proc. 2022, 2638, 020004. [Google Scholar] [CrossRef]
- Chen, C.; Zhao, J.; Guo, D.; Duan, K.; Wang, Y.; Lun, X.; Zhang, C. Microwave-assisted synthesis of defective Ca1−xAgxTi1−yCoyO3 with high photoelectrocatalytic activity for organic pollutant removal from water. Dalton Trans. 2022, 51, 2219–2225. [Google Scholar] [CrossRef]
- Yeganeh, M.; Sobhi, H.R.; Behbahani, M.; Ghambarian, M.; Esrafili, A. Photoelectrocatalytic degradation of sulphonamide antibiotics in aquatic media using a novel Co-doped ZnO nanocomposite: Evaluation of performance, kinetic studies. Int. J. Environ. Anal. Chem. 2022, 104, 2304–2315. [Google Scholar] [CrossRef]
- Chen, Z.; Duan, Y.; Li, Z.; Zhang, Y.; Lin, L.; Cao, T.; Yao, K. MoS2 grown on hollow carbon nanospheres as photoanode for improved photoelectrocatalytic degradation of Bisphenol A. J. Clean. Prod. 2023, 404, 136929. [Google Scholar] [CrossRef]
- Yu, M.; Tang, Y.; Liao, Y.; He, W.; Lu, X.-X.; Li, X. Defect-designed Mo-doped BiVO4 photoanode for efficient photoelectrochemical degradation of phenol. J. Mater. Sci. Technol. 2023, 165, 225–234. [Google Scholar] [CrossRef]
- Ahdour, A.; Taoufyq, A.; Aneflous, L.; Bakiz, B.; Benlhachemi, A. Electrochemical and photoelectrochemical degradation of Rhodamine B using a novel BHP@ZnO photoelectrode: Synthesis, characterization, and statistical study. Colloids Surf. A Physicochem. Eng. Asp. 2023, 678, 132427. [Google Scholar] [CrossRef]
- Kaur, P.; Khan, M.A.; Li, Y.; Al-Othman, A.A.S.; Alothman, Z.A.; Sillanpää, M.; Kuokkanen, V.; Imteaz, M.A.; Al-Farraj, S. Investigating the effectiveness of bifacial mixed metal MOF electrodes for the photoelectro-catalytic treatment of municipal wastewater. J. Clean. Prod. 2023, 392, 136165. [Google Scholar] [CrossRef]
- Zhao, D.; Jiang, L.; Yang, R.; Zhang, Y.; Zhou, Q. Photoelectrocatalytic activity of highly ordered TiO2 nanotube arrays modified with polyaniline for tetrabromobisphenol A degradation in water. Chemosphere 2022, 302, 134928. [Google Scholar] [CrossRef]
- Rodríguez, S.O.; Coy-Aceves, L.E.; Morales, J.E.D.; Sanchez-Salas, J.L.; Martínez-Huitle, C.A.; Ramirez-Rodrigues, M.M.; Cerro-Lopez, M. Ketorolac removal through photoelectrocatalysis using TiO2 nanotubes in water system. Environ. Sci. Pollut. Res. 2023, 30, 118536–118544. [Google Scholar] [CrossRef]
- Xing, Z.; Wang, Z.; Chen, W.; Zhang, M.; Fu, X.; Gao, Y. Degradation of levofloxacin in wastewater by photoelectric and ultrasonic synergy with TiO2/g-C3N4@AC combined electrode. J. Environ. Manag. 2023, 330, 117168. [Google Scholar] [CrossRef]
- Tolosana-Moranchel, A.; McMichael, S.; Hamilton, J.W.J.; Byrne, J.A.; Fernández-Ibañez, P. Electrochemically assisted photocatalytic degradation of contaminants of emerging concern in simulated wastewater using WO3—Elucidation of mechanisms. Chem. Eng. J. 2023, 458, 141442. [Google Scholar] [CrossRef]
- Martins, A.S.; Guaraldo, T.T.; Wenk, J.; Mattia, D.; Boldrin Zanoni, M.V. Nanoporous WO3 grown on a 3D tungsten mesh by electrochemical anodization for enhanced photoelectrocatalytic degradation of tetracycline in a continuous flow reactor. J. Electroanal. Chem. 2022, 920, 116617. [Google Scholar] [CrossRef]
- de Almeida, J.; Kaminagakura, V.M.; Felez, M.R.; de Léon, C.P.; Bertazzoli, R.; de Arruda Rodrigues, C. Effect of W concentration in the organized Ti-W alloy oxide nanotubes array on the photoelectrocatalytic properties and its application in the removal of endocrine disruptors using real water matrix. J. Environ. Chem. Eng. 2022, 10, 107830. [Google Scholar] [CrossRef]
- Mazierski, P.; Białk-Bielińska, A.; Siedlecka, E.; Zaleska-Medynska, A.; Pieczyńska, A. Role of operating parameters in photoelectrocatalytic degradation of anticancer drugs: Ifosfamide, 5-fluorouracil and imatinib using CdS/TiO2. J. Water Process Eng. 2023, 51, 103460. [Google Scholar] [CrossRef]
- Lei, X.; Lei, C.; Chen, W.; Guo, Q.; Huang, B. Photoelectrochemically driven nanoparticulate semiconductors as nanobipolar electrodes for advanced water remediation. Cell Rep. Phys. Sci. 2022, 3, 101132. [Google Scholar] [CrossRef]
- Liu, S.; Yang, B.; Zuo, A.; Tang, Y. Characterization of a Ti/SnO2-Sb/Fe-PVP-PbO2 Electrode Deposited from Methanesulfonate Bath and Application in Electrocatalytic Degradation of MO. J. Electrochem. Soc. 2023, 170, 092505. [Google Scholar] [CrossRef]
- Cifre-Herrando, M.; Roselló-Márquez, G.; Navarro-Gázquez, P.J.; Muñoz-Portero, M.J.; Blasco-Tamarit, E.; García-Antón, J. Characterization and Comparison of WO3/WO3-MoO3 and TiO2/TiO2-ZnO Nanostructures for Photoelectrocatalytic Degradation of the Pesticide Imazalil. Nanomaterials 2023, 13, 2584. [Google Scholar] [CrossRef]
- Buoio, E.; Cialini, C.; Cafiso, A.; Aidos, L.; Mazzola, S.M.; Rossi, R.; Livolsi, S.; Di Giancamillo, A.; Moretti, V.M.; Selli, E.; et al. From Photocatalysis to Photo-Electrocatalysis: An Innovative Water Remediation System for Sustainable Fish Farming. Sustainability 2022, 14, 9067. [Google Scholar] [CrossRef]
- Jaafar, N.F.; Nordin, N.; Mohamed Haris, N.Y.; Mohd Halim, N.H.; Lahuri, A.H.; Samad, W.Z. Potential of low-cost TiO2-PVC composite in photoelectrocatalytic degradation of reactive orange 16 under visible light. Environ. Sci. Pollut. Res. 2023, 30, 47144–47157. [Google Scholar] [CrossRef] [PubMed]
- Philippidis, N.; Pavlidou, E.; Sotiropoulos, S.; Kokkinos, P.; Mantzavinos, D.; Poulios, I. Photoelectrocatalytic Oxidation of Sulfamethazine on TiO2 Electrodes. Catalysts 2023, 13, 1189. [Google Scholar] [CrossRef]
- Thind, S.S.; Wentzel, J.S.; Hatami, E.; Goodwin, C.D.; Chen, A. Integration of Electrochemical Oxidation and Photocatalytic Degradation with Robust Synergistic Effect for Efficient Wastewater Treatment. ACS Sustain. Resour. Manag. 2024, 1, 634–643. [Google Scholar] [CrossRef]
- Tian, H.; Luo, J.; Mu, J.; Liu, B. Insight into the mechanisms of efficient selective removal of Pb2+ from wastewater by nano-flowered MoS2/NHCS electrodes. J. Environ. Chem. Eng. 2024, 12, 113039. [Google Scholar] [CrossRef]
- Bessegato, G.G.; Cardoso, J.C.; Zanoni, M.V.B. Enhanced photoelectrocatalytic degradation of an acid dye with boron-doped TiO2 nanotube anodes. Catal. Today 2015, 240, 100–106. [Google Scholar] [CrossRef]
- Muzakkar, M.Z.; Umar, A.A.; Ilham, I.; Saputra, Z.; Zulfikar, L.; Maulidiyah, M.; Wibowo, D.; Ruslan, R.; Nurdin, M. Chalcogenide material as high photoelectrochemical performance Se doped TiO2/Ti electrode: Its application for Rhodamine B degradation. J. Phys. Conf. Ser. 2019, 1242, 012016. [Google Scholar] [CrossRef]
- Nurdin, M.; Watoni, A.H.; Natsir, M.; Rahmatilah, S.; Maulidiyah, M.; Wibowo, D.; Salim, L.O.A.; Sadikin, S.N.; Bijang, C.M.; Umar, A.A. Photoelectrocatalysis performance of Se doped-TiO2/Ti nanotube arrays for visible-light-driven degradation of diazinon pesticide. Korean J. Chem. Eng. 2023, 40, 2209–2218. [Google Scholar] [CrossRef]
- Yence, M.; Cetinkaya, A.; Ozcelikay, G.; Kaya, S.I.; Ozkan, S.A. Boron-Doped Diamond Electrodes: Recent Developments and Advances in View of Electrochemical Drug Sensors. Crit. Rev. Anal. Chem. 2022, 52, 1122–1138. [Google Scholar] [CrossRef]
- Anglada, A.; Urtiaga, A.; Ortiz, I. Pilot scale performance of the electro-oxidation of landfill leachate at boron-doped diamond anodes. Environ. Sci. Technol. 2009, 43, 2035–2040. [Google Scholar] [CrossRef]
- Lin, H.; Peng, H.; Feng, X.; Li, X.; Zhao, J.; Yang, K.; Liao, J.; Cheng, D.; Liu, X.; Lv, S.; et al. Energy-efficient for advanced oxidation of bio-treated landfill leachate effluent by reactive electrochemical membranes (REMs): Laboratory and pilot scale studies. Water Res. 2021, 190, 116790. [Google Scholar] [CrossRef] [PubMed]
- Mardani, S.; Baghdadi, M.; Torabian, A.; Goharrizi, B.A. Optimization of ammonia and COD removal from municipal wastewater effluent by electrochemical continuous flow reactor equipped with Ti/RuO2 and Cu foam. J. Water Process Eng. 2023, 55, 104185. [Google Scholar] [CrossRef]
- Fang, C.; Xie, S.; Xiao, T.; Liu, Z.; Hong, H.; Gong, S.; Liu, X. Pretreatment of hypersaline and high-organic wastewater with a three-dimensional electrocatalytic system: A pilot-scale study. Water Sci. Technol. 2024, 89, 562–575. [Google Scholar] [CrossRef]
- Martín, A.J.; Mitchell, S.; Mondelli, C.; Jaydev, S.; Pérez-Ramírez, J. Unifying views on catalyst deactivation. Nat. Catal. 2022, 5, 854–866. [Google Scholar] [CrossRef]
- Koyale, P.A.; Mulik, S.V.; Gunjakar, J.L.; Dongale, T.D.; Koli, V.B.; Mullani, N.B.; Sutar, S.S.; Kapdi, Y.G.; Soni, S.S.; Delekar, S.D. Synergistic Enhancement of Water-Splitting Performance Using MOF-Derived Ceria-Modified g-C3N4 Nanocomposites: Synthesis, Performance Evaluation, and Stability Prediction with Machine Learning. Langmuir 2024, 40, 13657–13668. [Google Scholar] [CrossRef]
- Zhang, L.; Hu, W.; He, M.; Li, S. Optimizing Photoelectrochemical Photovoltage and Stability of Molecular Interlayer-Modified Halide Perovskite in Water: Insights from Interpretable Machine Learning and Symbolic Regression. ACS Appl. Energy Mater. 2023, 6, 5177–5187. [Google Scholar] [CrossRef]
- Wang, J.; Sun, C.; Dong, S. Editorial: Special topic on computation-assisted materials screening and design. Sci. China Mater. 2024, 67, 1011–1013. [Google Scholar] [CrossRef]
- Yu, J.; González-Cobos, J.; Dappozze, F.; Vernoux, P.; Caravaca, A.; Guillard, C. Basic comprehension and recent trends in photoelectrocatalytic systems. Green Chem. 2024, 26, 1682–1708. [Google Scholar] [CrossRef]
- Ertl, G.; Knözinger, H.; Schüth, F.; Weitkamp, J. Handbook of Heterogeneous Catalysis; VCH: Weinheim, Germany, 2008. [Google Scholar]
- Xu, K.; Zhong, H.; Li, X.; Song, J.; Estudillo-Wong, L.A.; Yang, J.; Feng, Y.; Zhao, X.; Alonso-Vante, N. Heterostructures by Templated Synthesis of Layered Double Hydroxide to Modulate the Electronic Structure of Nickel Sites for a Highly Efficient Oxygen Evolution Reaction. Small Sci. 2024, 4, 2300294. [Google Scholar] [CrossRef]
- Deng, Y.; Xiao, S.; Zheng, Y.; Rong, X.; Bai, M.; Tang, Y.; Ma, T.; Cheng, C.; Zhao, C. Emerging electrocatalytic activities in transition metal selenides: Synthesis, electronic modulation, and structure-performance correlations. Chem. Eng. J. 2023, 451, 138514. [Google Scholar] [CrossRef]
- Xu, X.; Zhong, Y.; Wajrak, M.; Bhatelia, T.; Jiang, S.P.; Shao, Z. Grain boundary engineering: An emerging pathway toward efficient electrocatalysis. InfoMat 2024, 6, e12608. [Google Scholar] [CrossRef]
- Zhang, Q.; Guo, D.; Huang, Z.; Liu, Y.-y.; Hong, J.-m. 2D hydroxylated MXene (OH-MXene)/RGO composites modification toward superior electrocatalytic degradation of paracetamol. Diam. Relat. Mater. 2023, 137, 110152. [Google Scholar] [CrossRef]
- Abdel-Maksoud, Y.; Imam, E.; Ramadan, A. TiO2 Solar Photocatalytic Reactor Systems: Selection of Reactor Design for Scale-up and Commercialization—Analytical Review. Catalysts 2016, 6, 138. [Google Scholar] [CrossRef]
- Rootare, H.M.; Prenzlow, C.F. Surface areas from mercury porosimeter measurements. J. Phys. Chem. 2002, 71, 2733–2736. [Google Scholar] [CrossRef]
- Trasatti, S.; Petrii, O.A. Real surface area measurements in electrochemistry. J. Electroanal. Chem. 1992, 327, 353–376. [Google Scholar] [CrossRef]
- Leofanti, G.; Padovan, M.; Tozzola, G.; Venturelli, B. Surface area and pore texture of catalysts. Catal. Today 1998, 41, 207–219. [Google Scholar] [CrossRef]
- Herrera, L.; Do, D.D.; Nicholson, D. A Monte Carlo integration method to determine accessible volume, accessible surface area and its fractal dimension. J. Colloid Interface Sci. 2010, 348, 529–536. [Google Scholar] [CrossRef]
- Dubuc, B.; Zucker, S.W.; Tricot, C.; Quiniou, J.F.; Wehbi, D. Evaluating the fractal dimension of surfaces. Proc. R. Soc. Lond. A Math. Phys. Sci. 1997, 425, 113–127. [Google Scholar] [CrossRef]
- Sun, S.; Li, H.; Xu, Z.J. Impact of Surface Area in Evaluation of Catalyst Activity. Joule 2018, 2, 1024–1027. [Google Scholar] [CrossRef]
- Li, H.; Du, Y.; Shen, X.; Kuang, X.; Zhu, J.; Wang, H. Comparative Electrochemical Oxidation of Bisphenol A Using BDD, PbO2, and IrO2 Anodes: Identification of Active Free Radicals. Int. J. Electrochem. Sci. 2022, 17, 221121. [Google Scholar] [CrossRef]
- Ganiyu, S.O.; Arslan, M.; Gamal El-Din, M. Combined solar activated sulfate radical-based advanced oxidation processes (SR-AOPs) and biofiltration for the remediation of dissolved organics in oil sands produced water. Chem. Eng. J. 2022, 433, 134579. [Google Scholar] [CrossRef]
- Peng, J.; Wang, Q.; Li, Z.; Wang, X.; Liu, S.; Li, Y.; Xie, Y.; Li, Y. Pilot testing and engineering application of O3/H2O2 process for 2-methylisoborneol and geosmin removal in drinking water treatment. J. Water Process Eng. 2024, 60, 105140. [Google Scholar] [CrossRef]
- Berg, S.M.; Hozalski, R.M.; Kuo-Dahab, C.; Chen, C.; Elliott, T.J.; Goedjen, G.J.; He, H.; Noe, E.R.; Scharf, R.G.; Arnold, W.A. Contaminant Removal in a Pilot Drinking Water Treatment Plant by Pre-oxidation Followed by Biological Activated Carbon Filtration: Spiking versus Ambient Studies. ACS EST Water 2023, 3, 2966–2977. [Google Scholar] [CrossRef]
- Murgolo, S.; De Giglio, O.; De Ceglie, C.; Triggiano, F.; Apollonio, F.; Calia, C.; Pousis, C.; Marzella, A.; Fasano, F.; Giordano, M.E.; et al. Multi-target assessment of advanced oxidation processes-based strategies for indirect potable reuse of tertiary wastewater: Fate of compounds of emerging concerns, microbial and ecotoxicological parameters. Environ. Res. 2024, 241, 117661. [Google Scholar] [CrossRef]
- Cha, D.; Lim, G.; Joo, H.; Yoon, J.; Lee, C. Oxidative degradation of micropollutants by a pilot-scale UV/H2O2 process: Translating experimental results into multiphysics simulations. Environ. Eng. Res. 2023, 28, 220650–220658. [Google Scholar] [CrossRef]
- Gu, H.; Polanco, J.; Ishida, K.P.; Plumlee, M.H.; Boyd, M.; Desormeaux, E.; Juby, G.J.G.; Shad, M.F. Permeate quality, advanced oxidation process treatability, and cost for two concentrate treatment technologies to enhance recovery for potable reuse. Water Reuse 2023, 13, 305–318. [Google Scholar] [CrossRef]
- Maniakova, G.; Rizzo, L. Pharmaceuticals degradation and pathogens inactivation in municipal wastewater: A comparison among UVC photo-Fenton with chelating agents, UVC/H2O2 and ozonation. J. Environ. Chem. Eng. 2023, 11, 111356. [Google Scholar] [CrossRef]
- Maniakova, G.; Polo López, M.I.; Oller, I.; Malato, S.; Rizzo, L. Ozonation Vs sequential solar driven processes as simultaneous tertiary and quaternary treatments of urban wastewater: A life cycle assessment comparison. J. Clean. Prod. 2023, 413, 137507. [Google Scholar] [CrossRef]
- Lou, F.; Qiang, Z.; Zou, X.; Lv, J.; Li, M. Organic pollutant degradation by UV/peroxydisulfate process: Impacts of UV light source and phosphate buffer. Chemosphere 2022, 292, 133387. [Google Scholar] [CrossRef]
- Jiang, Q.; Wang, Y.; Tian, L.; Liu, Y.; Liu, J.; He, G.; Li, J. Pilot-scale and mechanistic study of the degradation of typical odors and organic compounds in drinking water by a combined UV/H2O2-BAC process. Chemosphere 2022, 292, 133419. [Google Scholar] [CrossRef] [PubMed]
- Chabi, K.; Ye, C.; Yan, W.; Li, J.; Kiki, C.; Xianzhong, L.; Shikan, Z.; Gad, M.; Yu, X. Removing bacteria contaminants from raw surface water using multiple barriers pilot-scale reactor: Sand filtration, activated carbon, and advanced oxidation processes. Biochem. Eng. J. 2024, 204, 109246. [Google Scholar] [CrossRef]
- Guerra-Rodríguez, S.; Abeledo-Lameiro, M.J.; Polo-López, M.I.; Plaza-Bolaños, P.; Agüera, A.; Rodríguez, E.; Rodríguez-Chueca, J. Pilot-scale sulfate radical-based advanced oxidation for wastewater reuse: Simultaneous disinfection, removal of contaminants of emerging concern, and antibiotic resistance genes. Chem. Eng. J. 2023, 477, 146916. [Google Scholar] [CrossRef]
- Wang, S.; Sadhukhan, J.; Xuan, J.; Yu, Y.; Mao, X.; Wang, M.; Chen, X.; Zhou, X.; Xing, L.; Wang, X. Life Cycle Assessment and Life Cycle Cost of Sludge Dewatering, Conditioned with Fe2+/H2O2, Fe2+/Ca(ClO)2, Fe2+/Na2S2O8, and Fe3+/CaO Based on Pilot-Scale Study Data. ACS Sustain. Chem. Eng. 2023, 11, 7798–7808. [Google Scholar] [CrossRef]
- Liao, R.; Song, Z.; Zhang, J.; Xing, D.; Yan, S.; Dong, W.; Sun, F. Pilot-scale treatment of municipal garbage mechanical dewatering wastewater by an integrated system involving partial nitrification and denitrification. J. Environ. Manag. 2023, 329, 117088. [Google Scholar] [CrossRef]
- Wang, J.; Liu, H.; Gao, Y.; Yue, Q.; Gao, B.; Liu, B.; Guo, K.; Xu, X. Pilot-scale advanced treatment of actual high-salt textile wastewater by a UV/O3 pressurization process: Evaluation of removal kinetics and reverse osmosis desalination process. Sci. Total Environ. 2023, 857, 159725. [Google Scholar] [CrossRef]
- Ruíz-Delgado, A.; Ponce-Robles, L.; Salmerón, I.; Oller, I.; Polo-López, M.I.; Malato, S. Advanced microbiological tools for tracking complex wastewater treatment efficiency through the combination of physicochemical and biological technologies. J. Environ. Chem. Eng. 2022, 10, 108651. [Google Scholar] [CrossRef]
- Karaolia, P.; Michael, C.; Schwartz, T.; Fatta-Kassinos, D. Membrane bioreactor followed by solar photo-Fenton oxidation: Bacterial community structure changes and bacterial reduction. Sci. Total Environ. 2022, 847, 157594. [Google Scholar] [CrossRef]
- Maniakova, G.; Salmerón, I.; Aliste, M.; Inmaculada Polo-López, M.; Oller, I.; Malato, S.; Rizzo, L. Solar photo-Fenton at circumneutral pH using Fe(III)-EDDS compared to ozonation for tertiary treatment of urban wastewater: Contaminants of emerging concern removal and toxicity assessment. Chem. Eng. J. 2022, 431, 133474. [Google Scholar] [CrossRef]
- Rapti, I.; Kosma, C.; Albanis, T.; Konstantinou, I. Solar photocatalytic degradation of inherent pharmaceutical residues in real hospital WWTP effluents using titanium dioxide on a CPC pilot scale reactor. Catal. Today 2023, 423, 113884. [Google Scholar] [CrossRef]
- Ferhi, S.; Vieillard, J.; Garau, C.; Poultier, O.; Demey, L.; Beaulieu, R.; Penalva, P.; Gobert, V.; Portet-Koltalo, F. Pilot-scale direct UV-C photodegradation of pesticides in groundwater and recycled wastewater for agricultural use. J. Environ. Chem. Eng. 2021, 9, 106120. [Google Scholar] [CrossRef]
- Luna-Sanguino, G.; Ruíz-Delgado, A.; Tolosana-Moranchel, A.; Pascual, L.; Malato, S.; Bahamonde, A.; Faraldos, M. Solar photocatalytic degradation of pesticides over TiO2-rGO nanocomposites at pilot plant scale. Sci. Total Environ. 2020, 737, 140286. [Google Scholar] [CrossRef]
- Wang, Z.; Khan, M.A.; Al-Othman, A.A.S.; Alothman, Z.A.; Sillanpää, M. Pilot-scale study on photodegradation of benzophenone-3 and benzophenone-8 ultraviolet filters enriched synthetic effluent. J. Water Process Eng. 2021, 44, 102327. [Google Scholar] [CrossRef]
- Bogatu, C.; Covei, M.; Polo-López, M.I.; Duta, A.; Malato, S. Novel ZnO photocatalysts for pollutants’ abatement under solar radiation at pilot plant scale. Catal. Today 2023, 413–415, 113947. [Google Scholar] [CrossRef]
- Yang, Q.; Ke, J.; Li, H.; Guo, X.; Wang, D.; Liu, Y.; Chen, J.; Guo, R. Waste carbon conversion and utilization in chemical wastewater treatment process: Experimental approaches from lab-to pilot-scale. Sep. Purif. Technol. 2023, 308, 122884. [Google Scholar] [CrossRef]
- Barni, B.; Cavicchioli, A.; Riva, E.; Zanoni, L.; Bignoli, F.; Bellobono, I.R.; Gianturco, F.; De Giorgi, A.; Muntau, H.; Montanarella, L.; et al. Pilot-plant-scale photodegradation of phenol in aqueous solution by photocatalytic membranes immobilizing titanium dioxide (PHOTOPERM® process). Chemosphere 1995, 30, 1861–1874. [Google Scholar] [CrossRef]
- Ye, Z.; Steter, J.R.; Centellas, F.; Cabot, P.L.; Brillas, E.; Sirés, I. Photoelectro-Fenton as post-treatment for electrocoagulated benzophenone-3-loaded synthetic and urban wastewater. J. Clean. Prod. 2019, 208, 1393–1402. [Google Scholar] [CrossRef]
- Sánchez, M.; Ramos, D.R.; Fernández, M.I.; Aguilar, S.; Ruiz, I.; Canle, M.; Soto, M. Removal of emerging pollutants by a 3-step system: Hybrid digester, vertical flow constructed wetland and photodegradation post-treatments. Sci. Total Environ. 2022, 842, 156750. [Google Scholar] [CrossRef]
- Vela, N.; Calín, M.; Yáñez-Gascón, M.J.; Garrido, I.; Pérez-Lucas, G.; Fenoll, J.; Navarro, S. Photocatalytic oxidation of six endocrine disruptor chemicals in wastewater using ZnO at pilot plant scale under natural sunlight. Environ. Sci. Pollut. Res. 2018, 25, 34995–35007. [Google Scholar] [CrossRef] [PubMed]
- Biswas, P.; Bhunia, P.; Saha, P.; Sarkar, S.; Chandel, H.; De, S. In situ photodecyanation of steel industry wastewater in a pilot scale. Environ. Sci. Pollut. Res. 2020, 27, 33226–33233. [Google Scholar] [CrossRef]
- Li, Z.; Yang, Z.; Wang, S.; Luo, H.; Xue, Z.; Liu, Z.; Mu, T. Medium entropy metal oxide induced *OH species targeted transfer strategy for efficient polyethylene terephthalate plastic recycling. Chem. Eng. J. 2024, 479, 147611. [Google Scholar] [CrossRef]
- Murcia Mesa, J.J.; Hernández Niño, J.S.; González, W.; Rojas, H.; Hidalgo, M.C.; Navío, J.A. Photocatalytic Treatment of Stained Wastewater Coming from Handicraft Factories. A Case Study at the Pilot Plant Level. Water 2021, 13, 2705. [Google Scholar] [CrossRef]
- Sun, Y.; O’Connell, D.W. Application of visible light active photocatalysis for water contaminants: A review. Water Environ. Res. 2022, 94, e10781. [Google Scholar] [CrossRef] [PubMed]
- Pesqueira, J.F.J.R.; Pereira, M.F.R.; Silva, A.M.T. A life cycle assessment of solar-based treatments (H2O2, TiO2 photocatalysis, circumneutral photo-Fenton) for the removal of organic micropollutants. Sci. Total Environ. 2021, 761, 143258. [Google Scholar] [CrossRef]
- Duarte, A.A.L.S.; Amorim, M.T.S.P. Performance Assessment of Micropollutants Removal From Water Using Advanced Oxidation Processes. Wseas Trans. Environ. Dev. 2020, 16, 57–66. [Google Scholar] [CrossRef]
- Orozco-Hernández, L.; Gómez-Oliván, L.M.; Elizalde-Velázquez, A.; Natividad, R.; Fabian-Castoño, L.; SanJuan-Reyes, N. 17-β-Estradiol: Significant reduction of its toxicity in water treated by photocatalysis. Sci. Total Environ. 2019, 669, 955–963. [Google Scholar] [CrossRef]
- Polliotto, V.; Pomilla, F.R.; Maurino, V.; Marcì, G.; Bianco Prevot, A.; Nisticò, R.; Magnacca, G.; Paganini, M.C.; Ponce Robles, L.; Perez, L.; et al. Different approaches for the solar photocatalytic removal of micro-contaminants from aqueous environment: Titania vs. hybrid magnetic iron oxides. Catal. Today 2019, 328, 164–171. [Google Scholar] [CrossRef]
- Moreira, N.F.F.; Narciso-da-Rocha, C.; Polo-López, M.I.; Pastrana-Martínez, L.M.; Faria, J.L.; Manaia, C.M.; Fernández-Ibáñez, P.; Nunes, O.C.; Silva, A.M.T. Solar treatment (H2O2, TiO2-P25 and GO-TiO2 photocatalysis, photo-Fenton) of organic micropollutants, human pathogen indicators, antibiotic resistant bacteria and related genes in urban wastewater. Water Res. 2018, 135, 195–206. [Google Scholar] [CrossRef]
- Aguas, Y.; Hincapie, M.; Fernández-Ibáñez, P.; Polo-López, M.I. Solar photocatalytic disinfection of agricultural pathogenic fungi (Curvularia sp.) in real urban wastewater. Sci. Total Environ. 2017, 607–608, 1213–1224. [Google Scholar] [CrossRef] [PubMed]
- Zúñiga-Benítez, H.; Peñuela, G.A. Solar lab and pilot scale photo-oxidation of ethylparaben using H2O2 and TiO2 in aqueous solutions. J. Photochem. Photobiol. A Chem. 2017, 337, 62–70. [Google Scholar] [CrossRef]
- Booshehri, A.Y.; Polo-Lopez, M.I.; Castro-Alférez, M.; He, P.; Xu, R.; Rong, W.; Malato, S.; Fernández-Ibáñez, P. Assessment of solar photocatalysis using Ag/BiVO4 at pilot solar Compound Parabolic Collector for inactivation of pathogens in well water and secondary effluents. Catal. Today 2017, 281, 124–134. [Google Scholar] [CrossRef]
- Grcic, I.; Koprivanac, N.; Andricevic, R. Reliability Study of Laboratory Scale Water Treatment by Advanced Oxidation Processes. Environ. Eng. Manag. J. 2017, 16, 1–13. [Google Scholar] [CrossRef]
- Alvarez-Corena, J.R.; Bergendahl, J.A.; Hart, F.L. Advanced oxidation of five contaminants in water by UV/TiO2: Reaction kinetics and byproducts identification. J. Environ. Manag. 2016, 181, 544–551. [Google Scholar] [CrossRef]
- Meeroff, D.E.; Lakner, J.; Shaha, B.; Walecki, E.; Harris, A.; Meyer, L. Futuristic On-Site Leachate Management. World Environ. Water Resour. Congr. 2016, 2016, 1–10. [Google Scholar] [CrossRef]
- Ferro, G.; Fiorentino, A.; Alferez, M.C.; Polo-López, M.I.; Rizzo, L.; Fernández-Ibáñez, P. Urban wastewater disinfection for agricultural reuse: Effect of solar driven AOPs in the inactivation of a multidrug resistant E. coli strain. Appl. Catal. B Environ. 2015, 178, 65–73. [Google Scholar] [CrossRef]
- García-Fernández, I.; Fernández-Calderero, I.; Polo-López, M.I.; Fernández-Ibáñez, P. Disinfection of urban effluents using solar TiO2 photocatalysis: A study of significance of dissolved oxygen, temperature, type of microorganism and water matrix. Catal. Today 2015, 240, 30–38. [Google Scholar] [CrossRef]
- Manenti, D.R.; Soares, P.A.; Silva, T.F.C.V.; Módenes, A.N.; Espinoza-Quiñones, F.R.; Bergamasco, R.; Boaventura, R.A.R.; Vilar, V.J.P. Performance evaluation of different solar advanced oxidation processes applied to the treatment of a real textile dyeing wastewater. Environ. Sci. Pollut. Res. 2015, 22, 833–845. [Google Scholar] [CrossRef]
- Vicente, R.; Soler, J.; Arques, A.; Amat, A.M.; Frontistis, Z.; Xekoukoulotakis, N.; Mantzavinos, D. Comparison of different TiO2 samples as photocatalyst for the degradation of a mixture of four commercial pesticides. J. Chem. Technol. Biotechnol. 2014, 89, 1259–1264. [Google Scholar] [CrossRef]
- Moreira, F.C.; Vilar, V.J.P.; Ferreira, A.C.C.; dos Santos, F.R.A.; Dezotti, M.; Sousa, M.A.; Gonçalves, C.; Boaventura, R.A.R.; Alpendurada, M.F. Treatment of a pesticide-containing wastewater using combined biological and solar-driven AOPs at pilot scale. Chem. Eng. J. 2012, 209, 429–441. [Google Scholar] [CrossRef]
- Vilar, V.J.P.; Pinho, L.X.; Pintor, A.M.A.; Boaventura, R.A.R. Treatment of textile wastewaters by solar-driven advanced oxidation processes. Sol. Energy 2011, 85, 1927–1934. [Google Scholar] [CrossRef]
- Lopez-Alvarez, B.; Torres-Palma, R.A.; Peñuela, G. Solar photocatalitycal treatment of carbofuran at lab and pilot scale: Effect of classical parameters, evaluation of the toxicity and analysis of organic by-products. J. Hazard. Mater. 2011, 191, 196–203. [Google Scholar] [CrossRef]
- Oyama, T.; Otsu, T.; Hidano, Y.; Koike, T.; Serpone, N.; Hidaka, H. Enhanced remediation of simulated wastewaters contaminated with 2-chlorophenol and other aquatic pollutants by TiO2-photoassisted ozonation in a sunlight-driven pilot-plant scale photoreactor. Sol. Energy 2011, 85, 938–944. [Google Scholar] [CrossRef]
- Pérez-Estrada, L.A.; Malato, S.; Agüera, A.; Fernández-Alba, A.R. Degradation of dipyrone and its main intermediates by solar AOPs: Identification of intermediate products and toxicity assessment. Catal. Today 2007, 129, 207–214. [Google Scholar] [CrossRef]
- Oller, I.; Fernández-Ibáñez, P.; Maldonado, M.I.; Pérez-Estrada, L.; Gernjak, W.; Pulgarin, C.; Passarinho, P.C.; Malato, S. Solar heterogeneous and homogeneous photocatalysis as a pre-treatment option for biotreatment. Res. Chem. Intermed. 2007, 33, 407–420. [Google Scholar] [CrossRef]
- Pérez, M.H.; Peñuela, G.; Maldonado, M.I.; Malato, O.; Fernández-Ibáñez, P.; Oller, I.; Gernjak, W.; Malato, S. Degradation of pesticides in water using solar advanced oxidation processes. Appl. Catal. B Environ. 2006, 64, 272–281. [Google Scholar] [CrossRef]
- Muñoz, I.; Peral, J.; Antonio Ayllón, J.; Malato, S.; Passarinho, P.; Domènech, X. Life cycle assessment of a coupled solar photocatalytic–biological process for wastewater treatment. Water Res. 2006, 40, 3533–3540. [Google Scholar] [CrossRef] [PubMed]
- Malato, S.; Blanco, J.; Vidal, A.; Richter, C. Photocatalysis with solar energy at a pilot-plant scale: An overview. Appl. Catal. B Environ. 2002, 37, 1–15. [Google Scholar] [CrossRef]
- Sciscenko, I.; Mestre, S.; Climent, J.; Valero, F.; Escudero-Oñate, C.; Oller, I.; Arques, A. Magnetic Photocatalyst for Wastewater Tertiary Treatment at Pilot Plant Scale: Disinfection and Enrofloxacin Abatement. Water 2021, 13, 329. [Google Scholar] [CrossRef]
- Ata, R.; Tore, G.Y.; Shah, M.P. Emerging technologies for treatment of antibiotic residues from wastewater influent/effluent for sustainable environment: A case study with NFC-doped titania immobilized on polystyrene as an efficient technology. Curr. Res. Green Sustain. Chem. 2021, 4, 100065. [Google Scholar] [CrossRef]
- Mahy, J.G.; Wolfs, C.; Vreuls, C.; Drot, S.; Dircks, S.; Boergers, A.; Tuerk, J.; Hermans, S.; Lambert, S.D. Advanced oxidation processes for waste water treatment: From laboratory-scale model water to on-site real waste water. Environ. Technol. 2021, 42, 3974–3986. [Google Scholar] [CrossRef]
- Vatanpour, V.; Karami, A.; Sheydaei, M. Central composite design optimization of Rhodamine B degradation using TiO2 nanoparticles/UV/PVDF process in continuous submerged membrane photoreactor. Chem. Eng. Process. Process Intensif. 2017, 116, 68–75. [Google Scholar] [CrossRef]
- Wang, C.; Liu, H.; Qu, Y. TiO2-Based Photocatalytic Process for Purification of Polluted Water: Bridging Fundamentals to Applications. J. Nanomater. 2013, 2013, 319637. [Google Scholar] [CrossRef]
- Vela, N.; Calín, M.; Yáñez-Gascón, M.J.; el Aatik, A.; Garrido, I.; Pérez-Lucas, G.; Fenoll, J.; Navarro, S. Removal of Pesticides with Endocrine Disruptor Activity in Wastewater Effluent by Solar Heterogeneous Photocatalysis Using ZnO/Na2S2O8. Water Air Soil Pollut. 2019, 230, 134. [Google Scholar] [CrossRef]
- Lee, Y.-C.; Lee, H.U.; Oh, S.Y.; Jang, S.-C.; Lee, S.C.; Huh, Y.S. Self-Assembled/Oval-Shaped Iron Oxide Nanoparticles for Efficient Photo-Fenton Reaction at Neutral pH. J. Nanosci. Nanotechnol. 2017, 17, 7651–7655. [Google Scholar] [CrossRef]
- Choi, J.; Chung, J. Reuse of Semiconductor Wastewater Using Reverse Osmosis and Metal-Immobilized Catalyst-Based Advanced Oxidation Process. Ind. Eng. Chem. Res. 2014, 53, 11167–11175. [Google Scholar] [CrossRef]
- Huang, M.; Li, Y.-S.; Zhang, C.-Q.; Cui, C.; Huang, Q.-Q.; Li, M.; Qiang, Z.; Zhou, T.; Wu, X.; Yu, H.-Q. Facilely tuning the intrinsic catalytic sites of the spinel oxide for peroxymonosulfate activation: From fundamental investigation to pilot-scale demonstration. Proc. Natl. Acad. Sci. USA 2022, 119, e2202682119. [Google Scholar] [CrossRef]
- Chauhan, P.S.; Singh, K.; Choudhary, A.; Brighu, U.; Singh, S.K.; Bhattacharya, S. Combined advanced oxidation dye-wastewater treatment plant: Design and development with data-driven predictive performance modeling. NPJ Clean Water 2024, 7, 15. [Google Scholar] [CrossRef]
- Majumder, A.; Otter, P.; Röher, D.; Bhatnagar, A.; Khalil, N.; Gupta, A.K.; Bresciani, R.; Arias, C.A. Combination of advanced biological systems and photocatalysis for the treatment of real hospital wastewater spiked with carbamazepine: A pilot-scale study. J. Environ. Manag. 2024, 351, 119672. [Google Scholar] [CrossRef]
- Heinrichs, B.; Lambert, S.D.; Léonard, G.; Alié, C.; Douven, S.; Caucheteux, J.; Geens, J.; Daniel, A.; Archambeau, C.; Vreuls, C.; et al. Upscaling TiO2 sol-gel technology to make it a competitive way for coating manufacture and processing at an industrial scale. J. Sol-Gel Sci. Technol. 2023, 107, 244–258. [Google Scholar] [CrossRef]
- Ersan, M.S.; Wang, B.; Wong, M.S.; Westerhoff, P. Advanced oxidation processes may transform unknown PFAS in groundwater into known products. Chemosphere 2024, 349, 140865. [Google Scholar] [CrossRef] [PubMed]
- Franke, V.; Schäfers, M.D.; Joos Lindberg, J.; Ahrens, L. Removal of per- and polyfluoroalkyl substances (PFASs) from tap water using heterogeneously catalyzed ozonation. Environ. Sci. Water Res. Technol. 2019, 5, 1887–1896. [Google Scholar] [CrossRef]
- Monteil, H.; Pechaud, Y.; Oturan, N.; Trellu, C.; Oturan, M.A. Pilot scale continuous reactor for water treatment by electrochemical advanced oxidation processes: Development of a new hydrodynamic/reactive combined model. Chem. Eng. J. 2021, 404, 127048. [Google Scholar] [CrossRef]
- Roccamante, M.; Salmerón, I.; Ruiz, A.; Oller, I.; Malato, S. New approaches to solar Advanced Oxidation Processes for elimination of priority substances based on electrooxidation and ozonation at pilot plant scale. Catal. Today 2020, 355, 844–850. [Google Scholar] [CrossRef]
- Shestakova, M.; Graves, J.; Sitarz, M.; Sillanpää, M. Optimization of Ti/Ta2O5–SnO2 electrodes and reaction parameters for electrocatalytic oxidation of methylene blue. J. Appl. Electrochem. 2016, 46, 349–358. [Google Scholar] [CrossRef]
- Voglar, D.; Lestan, D. Chelant soil-washing technology for metal-contaminated soil. Environ. Technol. 2014, 35, 1389–1400. [Google Scholar] [CrossRef]
- Zhao, W.; Xing, J.; Chen, D.; Bai, Z.; Xia, Y. Study on the performance of an improved Ti/SnO2–Sb2O3/PbO2 based on porous titanium substrate compared with planar titanium substrate. RSC Adv. 2015, 5, 26530–26539. [Google Scholar] [CrossRef]
- Yan, Z.; Meng, H. Effect of Different Shapes of the Titanium Based IrO2-Ta2O5 Coatings Anode on Electrochemical Properties. Rare Met. Mater. Eng. 2012, 41, 772–775. [Google Scholar] [CrossRef]
- Li, X.; Xu, H.; Yan, W. Fabrication and Characterization of a PbO2-TiN Composite Electrode by Co-Deposition Method. J. Electrochem. Soc. 2016, 163, D592–D602. [Google Scholar] [CrossRef]
- Bertoncello, R.; Cattarin, S.; Frateur, I.; Musiani, M. Preparation of anodes for oxygen evolution by electrodeposition of composite oxides of Pb and Ru on Ti. J. Electroanal. Chem. 2000, 492, 145–149. [Google Scholar] [CrossRef]
- Min, H.; Hu, D.; Wang, H.; Zhao, Y.; Cui, Y.; Luo, K.; Zhang, L.; Liu, W.; Wu, P.; Ge, H.; et al. Electrochemical-assisted hydrolysis/acidification-based processes as a cost-effective and efficient system for pesticide wastewater treatment. Chem. Eng. J. 2020, 397, 125417. [Google Scholar] [CrossRef]
- Acosta-Santoyo, G.; Llanos, J.; Raschitor, A.; Bustos, E.; Cañizares, P.; Rodrigo, M.A. Performance of ultrafiltration as a pre-concentration stage for the treatment of oxyfluorfen by electrochemical BDD oxidation. Sep. Purif. Technol. 2020, 237, 116366. [Google Scholar] [CrossRef]
- Chen, X.; Chen, G.; Yue, P.L. Stable Ti/IrOx−Sb2O5−SnO2 Anode for O2 Evolution with Low Ir Content. J. Phys. Chem. B 2001, 105, 4623–4628. [Google Scholar] [CrossRef]









| Reagent Name | Reduction Potential (V/SHE) | Reference |
|---|---|---|
| Fluorine | 3.03 | [44] |
| Hydroxy radical | 2.80 | |
| Sulfate radical | 2.5 | [45] |
| Atomic Oxygen | 2.42 | [44] |
| Ozone | 2.07 | |
| Sodium persulfate | 2.0 | [45] |
| Hydrogen peroxide | 1.78 | [44] |
| Perhydroxyl radical | 1.70 | |
| Permanganate | 1.68 | |
| Chlorine dioxide | 1.57 | |
| Hypochlorous acid | 1.49 | |
| Chlorine | 1.36 | |
| Oxygen | 1.23 | [45] |
| Superoxide ion | −2.4 |
| Anode Material | OER (V/SHE) |
|---|---|
| RuO2 | 1.4–1.7 |
| IrO2 | 1.5–1.8 |
| Pt | 1.6–1.9 |
| Graphite | 1.7 |
| Ebonex® (Ti4O7) | 1.7–1.8 |
| PbO2 | 1.8–2.0 |
| SnO2 | 1.9–2.2 |
| BDD | 2.2–2.6 |
| Catalyst | Electrochemical Process | Type of Solution | Crystalline Phases | Electronic Modification | Reference |
|---|---|---|---|---|---|
| TiO2/ITO | PEC, Laboratory | Anatase | No modification | [98] | |
| Ti/RuO2 | CER, Laboratory | Synthetic and real municipal wastewater | RuO2, metallic Ti | No modification | [128] |
| Se doped-TiO2/Ti nanotubes | PEC, Laboratory | Synthetic diazinon | Anatase, rutile | Element doping | [124] |
| Bi2WO6-Bi2MoO6/TiO2 nanotubes | PEC, Laboratory | Synthetic Methyl Orange, MB, and RhB | Anatase, orthorhombic Bi2MoO6, orthorhombic Bi2WO6 | Heterojunction | [97] |
| Au@TiO2 | PEC, Laboratory | Synthetic Mo, phenol, and BPA | Anatase | strong-interfacial interaction | [87] |
| BHP@ZnO | PEC, Laboratory | Synthetic RhB | Hexagonal ZnO, orthorhombic BHP. | Heterojunction | [105] |
| MoS2/NHCS | PEC, Laboratory | Synthetic Bisphenol A | NHCS, MoS2 | Heterojunction | [103] |
| Mo-doped BiVO4 | PEC, Laboratory | Synthetic phenol | Monoclinic BiVO4 | Defect engineering | [134] |
| TiO2–Bi (mixed metal)-MOF TiO2–Sb (mixed metal)-MOF | PEC, Laboratory | Real municipal wastewater | Bi2O3 tetragonal, anatase Valentinite, anatase | Heterojunction, element doping | [106] |
| TiO2/g-C3N4@AC | PEC, Laboratory | Synthetic levofloxacin solution | Anatase, g-C3N4 | Heterojunction | [109] |
| TiO2-PVC | PEC, Laboratory | Synthetic orange 16 | Anatase | Heterojunction | [118] |
| Y-doped TiO2 | PEC, Laboratory | Synthetic PA and BA | Anatase | Element doping, defect engineering | [89] |
| TiO2 NTs | PEC, Laboratory | Synthetic ketorolac | Anatase, metallic Ti | No modifications | [108] |
| Ti/SnO2-Sb/Fe-PVP-PbO2 | EO, Laboratory | Synthetic MO | α and β-PbO2 | Element doping, heterojunction | [115] |
| WO3 | PEC, Laboratory | Synthetic trimethoprim, diclofenac, sulfametho-xazole and carbamazepine | Monoclinic WO3 | No modifications | [110] |
| WO3/W | PEC, Laboratory | Synthetic tetracycline | - | No modification | [111] |
| WO3/WO3-MoO3 | PEC, Laboratory | Synthetic pesticide Imazalil | Monoclinic WO3, orthorhombic MoO3 | Heterojunction | [116] |
| TiO2/TiO2-ZnO | PEC, Laboratory | Synthetic pesticide Imazalil | Anatase, wurtzite structure of ZnO | Heterojunction | [116] |
| TiO2/Ti | PEC, Laboratory | Synthetic Sulfamethazine | Anatase and rutile | No modifications | [119] |
| CdS/TiO2 | PEC, Laboratory | Synthetic Ifosfamide, 5-fluorouracil and imatinib | Metal Ti, anatase | Element doping | [113] |
| Bi2WO6 | PEC, Laboratory | Synthetic BA and MB | Polycrystalline orthorhombic Bi2WO6 | Defect engineering | [90] |
| Bi2WO6 | PEC, Laboratory | Synthetic RhB | Orthorhombic Bi2WO6 | Defect engineering | [91] |
| Ti-W alloy oxide nanotubes | PEC, Laboratory | Synthetic endocrine disruptors and real deepwater reservoir | WO3−x (0 ≤ x ≤ 0.28)), Ti0.54W0.46O2, anatase, rutile | Element doping | [112] |
| Ca1−xAgxTi1−yCoyO3 | PEC, Laboratory | Synthetic MB | Orthorhombic CaTiO3, CoTi2O5 | Element doping | [101] |
| Se-doped TiO2/Ti | PEC, Laboratory | Synthetic reactive green 19 | - | Element doping | [100] |
| B–Co/TiO2 | PEC, Laboratory | Synthetic RhB | Hexagonal Ti, anatase | Element doping | [95] |
| Catalyst | Electrochemical Process | Type of Solution | XRD Phases | Electronic Modification | Reference |
| g-C3N4/Sn3O4/Ni | PEC, Laboratory | U(VI) | Triclinical Sn3O4, g-C3N4 | Heterojunction | [92] |
| Au-RGO/TiO2 NTs | PEC, Laboratory | Synthetic MB | Anatase, RGO | Heterojunction | [93] |
| BiOI/TiO2 NTs | PEC, Laboratory | Synthetic RhB | Tetragonal BiOI, anatase | Heterojunction | [94] |
| B-TiO2 | PEC, Laboratory | Synthetic propyphenazone | Anatase, hexagonal Ti, | Element doping | [99] |
| Co-doped ZnO | PEC, Laboratory | Synthetic sulphonamide, real tap water, and secondary sedimentation effluent | - | Element doping | [102] |
| PANI/TiO2 NTAs | PEC, Laboratory | Synthetic tetrabromobisphenol A | - | Heterojunction | [107] |
| Ag/Fe3O4/g-C3N4 | PEC, Fenton, Laboratory | Synthetic 4-chlorophenol | Fe3O4 (magnetite), g-C3N4 | Element doping | [114] |
| Ti-Sn-Sb@γ-Al2O3 | CER, Pilot | Industrial wastewater | Anatase, rutile, cassiterite, valentinite | Element doping, heterojunction | [129] |
| RuO2−IrO2 | PEC, Pilot | Real wastewater of Lake Superior | RuO2, IrO2 | Heterojunction | [120] |
| TiO2/Ti | PEC, Pilot | Real water fish farming | Anatase (45%), rutile (55%) | Defect engineering | [117] |
Disclaimer/Publisher’s Note: The statements, opinions and data contained in all publications are solely those of the individual author(s) and contributor(s) and not of MDPI and/or the editor(s). MDPI and/or the editor(s) disclaim responsibility for any injury to people or property resulting from any ideas, methods, instructions or products referred to in the content. |
© 2024 by the authors. Licensee MDPI, Basel, Switzerland. This article is an open access article distributed under the terms and conditions of the Creative Commons Attribution (CC BY) license (https://creativecommons.org/licenses/by/4.0/).
Share and Cite
Jaimes-López, R.; Jiménez-Vázquez, A.; Pérez-Rodríguez, S.; Estudillo-Wong, L.A.; Alonso-Vante, N. Catalyst for the Generation of OH Radicals in Advanced Electrochemical Oxidation Processes: Present and Future Perspectives. Catalysts 2024, 14, 703. https://doi.org/10.3390/catal14100703
Jaimes-López R, Jiménez-Vázquez A, Pérez-Rodríguez S, Estudillo-Wong LA, Alonso-Vante N. Catalyst for the Generation of OH Radicals in Advanced Electrochemical Oxidation Processes: Present and Future Perspectives. Catalysts. 2024; 14(10):703. https://doi.org/10.3390/catal14100703
Chicago/Turabian StyleJaimes-López, Raciel, Adriana Jiménez-Vázquez, Samuel Pérez-Rodríguez, Luis Alberto Estudillo-Wong, and Nicolas Alonso-Vante. 2024. "Catalyst for the Generation of OH Radicals in Advanced Electrochemical Oxidation Processes: Present and Future Perspectives" Catalysts 14, no. 10: 703. https://doi.org/10.3390/catal14100703
APA StyleJaimes-López, R., Jiménez-Vázquez, A., Pérez-Rodríguez, S., Estudillo-Wong, L. A., & Alonso-Vante, N. (2024). Catalyst for the Generation of OH Radicals in Advanced Electrochemical Oxidation Processes: Present and Future Perspectives. Catalysts, 14(10), 703. https://doi.org/10.3390/catal14100703

