Evidence of Synergy Effects between Zinc and Copper Oxides with Acidic Sites on Natural Zeolite during Photocatalytic Oxidation of Ethylene Using Operando DRIFTS Studies
Abstract
1. Introduction
2. Results and Discussion
2.1. Physico-Chemical Characteristics
2.2. In Situ FTIR Characterisation
2.3. Photocatalytic Oxidation of Ethylene onto Parent Zeolite Support and Prepared Single and Double Metal Oxide Catalysts Supported on Modified Natural Zeolite
2.4. Mechanistic Approach
3. Materials and Methods
3.1. Materials and Reagents
3.2. Modification of Parent Support
- -
- Natural zeolite thermally outgassed at 623 K (ZNAT);
- -
- H form of natural zeolite (ZH), obtained from natural zeolite modified by ion exchanged with ammonium and thermally outgassed at 623 K;
- -
- Copper oxide supported on modified natural zeolite, obtained from natural zeolite ion exchanged with ammonium followed by a single wet impregnation with copper salt and later calcined at 623 K (ZH_Cu);
- -
- Zinc oxide supported on modified natural zeolite, obtained from natural zeolite ion exchanged with ammonium followed by a single wet impregnation with zinc salt and later calcined at 623 K (ZH_Zn);
- -
- Copper and zinc oxides supported on modified natural zeolite, obtained from natural zeolite ion exchanged with ammonium followed by a wet co-impregnation with copper and zinc salts and later calcined at 623 K (ZH_Zn/Cu);
- -
- Raw fumed silica thermally outgassed at 623 K (FS);
- -
- Copper oxide supported on fumed silica, obtained from fumed silica modified by single wet impregnation with copper salt and later calcined at 623 K (FS_Cu);
- -
- Zinc oxide supported on fumed silica, obtained from fumed silica modified by single wet impregnation with zinc salt and later calcined at 623 K (FS_Zn);
- -
- Copper and zinc oxides supported on fumed silica, obtained from fumed silica modified by wet co-impregnation with copper and zinc salts and later calcined at 623 K (FS_Zn/Cu).
3.3. Characterisation of the Parent Zeolite Support and of the Single and Double Metal Oxide Catalysts
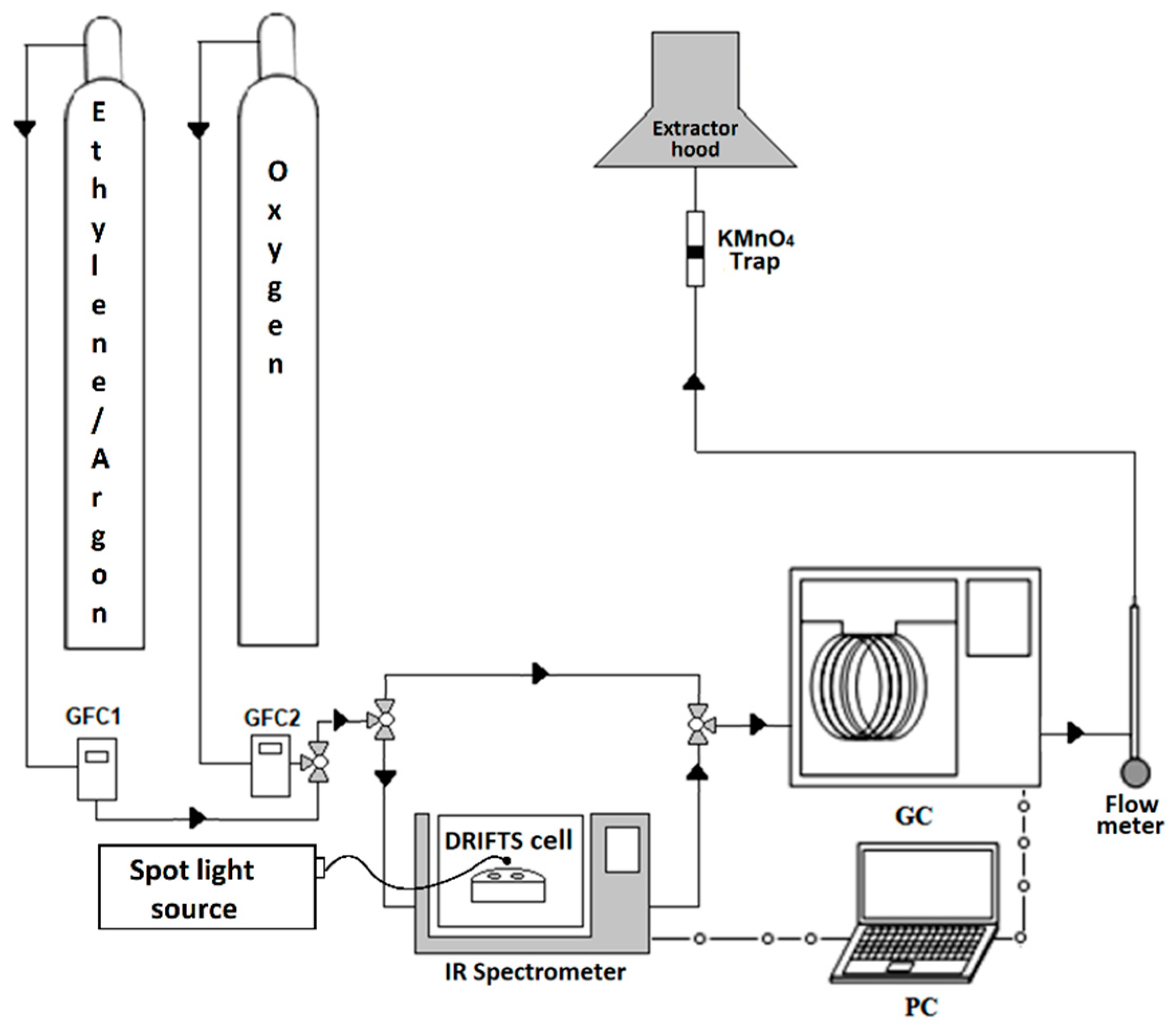
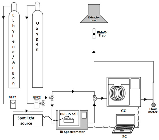
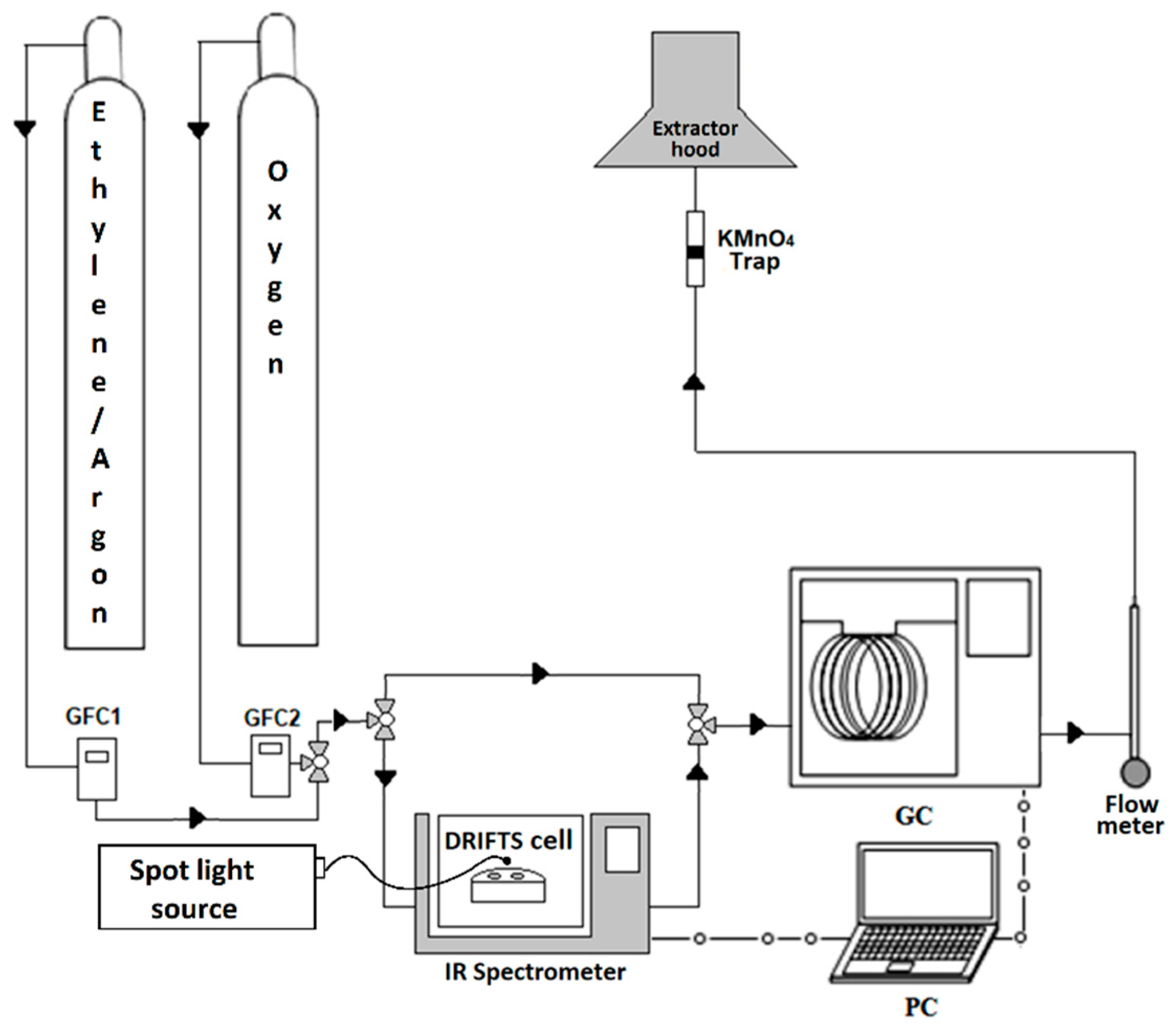
3.4. Photocatalytic Degradation of Ethylene
4. Conclusions
Supplementary Materials
Author Contributions
Funding
Informed Consent Statement
Data Availability Statement
Acknowledgments
Conflicts of Interest
References
- Iqbal, N.; Khan, N.A.; Ferrante, A.; Trivellini, A.; Francini, A.; Khan, M.I.R. Ethylene role in plant growth, development and senescence: Interaction with other phytohormones. Front. Plant Sci. 2017, 8, 475. [Google Scholar] [CrossRef]
- Aprianti, S.; Bintoro, N. The effect of concentrations and exposure durations of ethylene gas on the respiration rate of tomato fruit (Solanum lycopersicum). IOP Conf. Ser. Earth Environ. Sci. 2021, 653, 012021. [Google Scholar] [CrossRef]
- Blanke, M. Challenges of Reducing Fresh Produce Waste in Europe—From Farm to Fork. Agriculture 2015, 5, 389–399. [Google Scholar] [CrossRef]
- Blanke, M.M.; Shekarriz, R. Ethylene levels along the food supply chain—A key to reducing food waste? Acta Hortic. 2015, 1091, 101–106. [Google Scholar] [CrossRef]
- Saltveit, M.E. Effect of ethylene on quality of fresh fruits and vegetables. Postharvest Biol. Technol. 2021, 15, 279–292. [Google Scholar] [CrossRef]
- Kader, A.A.; Cavalieri, R.; Ferguson, I. A Perspective on Postharvest Horticulture (1978–2003). Hortscience 2006, 38, 1004–1008. [Google Scholar] [CrossRef]
- Keller, N.; Ducamp, M.N.; Robert, D.; Keller, V. Ethylene removal and fresh product storage: A challenge at the frontiers of chemistry. Toward an approach by photocatalytic oxidation. Chem. Rev. 2013, 113, 5029–5070. [Google Scholar] [CrossRef] [PubMed]
- Kim, S.I.; Aida, T.; Niiyama, H. Binary adsorption of very low concentration ethylene and water vapor on mordenites and desorption by microwave heating. Sep. Purif. Technol. 2005, 45, 174–182. [Google Scholar] [CrossRef]
- Erdoǧan, B.; Sakizci, M.; Yörükoǧullari, E. Characterization and ethylene adsorption of natural and modified clinoptilolites. Appl. Surf. Sci. 2008, 254, 2450–2457. [Google Scholar] [CrossRef]
- Abreu, N.J.; Valdés, H.; Zaror, C.A.; Azzolina-Jury, F.; Meléndrez, M.F. Ethylene adsorption onto natural and transition metal modified Chilean zeolite: An operando DRIFTS approach. Microporous Mesoporous Mater. 2019, 274, 138–148. [Google Scholar] [CrossRef]
- Golipour, H.; Mokhtarani, B.; Mafi, M.; Moradi, A.; Godini, H.R. Experimental Measurement for Adsorption of Ethylene and Ethane Gases on Copper-Exchanged Zeolites 13X and 5A. J. Chem. Eng. Data 2020, 65, 3920–3932. [Google Scholar] [CrossRef]
- Cisneros, L.; Gao, F.; Corma, A. Silver nanocluster in zeolites. Adsorption of ethylene traces for fruit preservation. Microporous Mesoporous Mater. 2019, 283, 25–30. [Google Scholar] [CrossRef]
- Van Zandvoort, I.; van Klink, G.P.M.; de Jong, E.; van der Waal, J.C. Selectivity and stability of zeolites [Ca]A and [Ag]A towards ethylene adsorption and desorption from complex gas mixtures. Microporous Mesoporous Mater. 2018, 263, 142–149. [Google Scholar] [CrossRef]
- Guo, Y.; Zu, B. Zeolite-based Photocatalysts: A Promising Strategy for Efficient Photocatalysis. J. Thermodyn. Catal. 2013, 4, e120. [Google Scholar] [CrossRef]
- Bahrami, M.; Nezamzadeh-Ejhieh, A. Effect of the supported ZnO on clinoptilolite nano-particles in the photodecolorization of semi-real sample bromothymol blue aqueous solution. Mater. Sci. Semicond. Process. 2015, 30, 275–284. [Google Scholar] [CrossRef]
- Erdoǧan, B. A comparative adsorption study of C2H4 and SO2 on clinoptilolite-rich tuff: Effect of acid treatment. J. Hazard. Mater. 2013, 262, 627–633. [Google Scholar] [CrossRef]
- Sue-aok, N.; Srithanratana, T.; Rangsriwatananon, K.; Hengrasmee, S. Study of ethylene adsorption on zeolite NaY modified with group I metal ions. Appl. Surf. Sci. 2010, 256, 3997–4002. [Google Scholar] [CrossRef]
- Kuz’min, I.V.; Sokolova, N.A.; Subbotina, I.R.; Zhidomirov, G.M. Ethylene adsorption and transformation on zeolite Ga+/ZSM5. Russ. Chem. Bull. 2015, 64, 278–283. [Google Scholar] [CrossRef]
- Despres, J.; Koebel, M.; Kröcher, O.; Elsener, M.; Wokaun, A. Adsorption and desorption of NO and NO2 on Cu-ZSM-5. Microporous Mesoporous Mater. 2003, 58, 175–183. [Google Scholar] [CrossRef]
- Phanichphant, S.; Nakaruk, A.; Chansaenpak, K.; Channei, D. Evaluating the photocatalytic efficiency of the BiVO4/rGO photocatalyst. Sci. Rep. 2019, 9, 16091. [Google Scholar] [CrossRef]
- Li, R.; Li, T.; Zhou, Q. Impact of titanium dioxide (TiO2) modification on its application to pollution treatment—A review. Catalysts 2020, 10, 804. [Google Scholar] [CrossRef]
- El-Roz, M.; Bazin, P.; Daturi, M.; Thibault-Starzyk, F. On the mechanism of methanol photooxidation to methylformate and carbon dioxide on TiO2: An operando-FTIR study. Phys. Chem. Chem. Phys. 2015, 17, 11277–11283. [Google Scholar] [CrossRef]
- Kozlov, D. Titanium dioxide in gas-phase photocatalytic oxidation of aromatic and heteroatom organic substances: Deactivation and reactivation of photocatalyst. Theor. Exp. Chem. 2014, 50, 133–154. [Google Scholar] [CrossRef]
- Abbas, N.; Hussain, M.; Russo, N.; Saracco, G. Studies on the activity and deactivation of novel optimized TiO2 nanoparticles for the abatement of VOCs. Chem. Eng. J. 2011, 175, 330–340. [Google Scholar] [CrossRef]
- Shao, M.; Chen, W.; Ding, S.; Lo, K.H.; Zhong, X.; Yao, L.; Ip, W.F.; Xu, B.; Wang, X.; Pan, H. WXy/G-C3N4 (WXy = W2C, WS2, or W2N) Composites for Highly Efficient Photocatalytic Water Splitting. ChemSusChem 2019, 12, 3355–3362. [Google Scholar] [CrossRef] [PubMed]
- Mera, A.C.; Rodriguez, C.A.; Pizarro-Castillo, L.; Melendrez, M.F.; Valdés, H. Effect of Temperature and Reaction Time during Solvothermal Synthesis of BiOCl on Microspheres Formation: Implications in the Photocatalytic Oxidation of Gallic Acid under Simulated Solar Radiation. J. Sol-Gel. Sci. Technol. 2020, 95, 146–156. [Google Scholar] [CrossRef]
- Li, D.; Haneda, H. Morphologies of Zinc Oxide Particles and Their Effects on Photocatalysis. Chemosphere 2003, 51, 129–137. [Google Scholar] [CrossRef]
- Al-Ariki, S.; Yahya, N.A.A.; Al-A’nsi, S.A.; Jumali, M.H.H.; Jannah, A.N.; Abd-Shukor, R. Synthesis and comparative study on the structural and optical properties of ZnO doped with Ni and Ag nanopowders fabricated by sol gel technique. Sci. Rep. 2021, 11, 11948. [Google Scholar] [CrossRef]
- Ayoub, I.; Kumar, V.; Abolhassani, R.; Sehgal, R.; Sharma, V.; Sehgal, R.; Swart, H.C.; Mishra, Y.K. Advances in ZnO: Manipulation of defects for enhancing their technological potentials. Nanotechnol. Rev. 2022, 11, 575–619. [Google Scholar] [CrossRef]
- Hanif, M.A.; Kim, Y.S.; Ameen, S.; Kim, H.G.; Kwac, L.K. Boosting the Visible Light Photocatalytic Activity of ZnO through the Incorporation of N-Doped for Wastewater Treatment. Coatings 2022, 12, 579. [Google Scholar] [CrossRef]
- Adeel, M.; Saeed, M.; Khan, I.; Muneer, M.; Akram, N. Synthesis and characterization of Co–ZnO and evaluation of its photocatalytic activity for photodegradation of methyl orange. ACS Omega 2021, 6, 1426–1435. [Google Scholar] [CrossRef]
- Ma, S.; Huang, Y.; Hong, R.; Lu, X.; Li, J.; Zheng, Y. Enhancing Photocatalytic Activity of ZnO Nanoparticles in a Circulating Fluidized Bed with Plasma Jets. Catalysts 2021, 11, 77. [Google Scholar] [CrossRef]
- Mao, T.; Liu, M.; Lin, L.; Cheng, Y.; Fang, C. A Study on Doping and Compound of Zinc Oxide Photocatalysts. Polymers 2022, 14, 4484. [Google Scholar] [CrossRef]
- Modwi, A.; Ghanem, M.A.; Al-Mayouf, A.M.; Houas, A. Lowering energy band gap and enhancing photocatalytic properties of Cu/ZnO composite decorated by transition metals. J. Mol. Struct. 2018, 1173, 1–6. [Google Scholar] [CrossRef]
- Dhineshbabu, N.R.; Rajendran, V.; Nithyavathy, N.; Vetumperumal, R. Study of structural and optical properties of cupric oxide nanoparticles. Appl. Nanosci. 2016, 6, 933–939. [Google Scholar] [CrossRef]
- Bekru, A.G.; Tufa, L.T.; Zelekew, O.A.; Goddati, M.; Lee, J.; Sabir, F.K. Green Synthesis of a CuO-ZnO Nanocomposite for Efficient Photodegradation of Methylene Blue and Reduction of 4-Nitrophenol. ACS Omega 2022, 7, 30908–30919. [Google Scholar] [CrossRef]
- Wei, A.; Xiong, L.; Sun, L.; Liu, Y.J.; Li, W.W. CuO nanoparticle modified ZnO nanorods with improved photocatalytic activity. Chin. Phys. Lett. 2013, 30, 046202. [Google Scholar] [CrossRef]
- Maraj, M.; Raza, A.; Wang, X.; Chen, J.; Riaz, K.N.; Sun, W. Mo-Doped CuO Nanomaterial for Photocatalytic Degradation of Water Pollutants under Visible Light. Catalysts 2021, 11, 1198. [Google Scholar] [CrossRef]
- Dasineh Khiavi, N.; Katal, R.; Kholghi Eshkalak, S.; Masudy-Panah, S.; Ramakrishna, S.; Jiangyong, H. Visible Light Driven Heterojunction Photocatalyst of CuO–Cu2O Thin Films for Photocatalytic Degradation of Organic Pollutants. Nanomaterials 2019, 9, 1011. [Google Scholar] [CrossRef] [PubMed]
- Durán, B.; Saldías, C.; Villarroel, R.; Hevia, S.A. In Situ Synthesis of CuO/Cu2O Nanoparticle-Coating Nanoporous Alumina Membranes with Photocatalytic Activity under Visible Light Radiation. Coatings 2023, 13, 179. [Google Scholar] [CrossRef]
- Mai, X.T.; Bui, D.N.; Pham, V.K.; Pham, T.H.T.; Nguyen, T.T.L.; Chau, H.D.; Tran, T.K.N. Effect of CuO Loading on the Photocatalytic Activity of SrTiO3/MWCNTs Nanocomposites for Dye Degradation under Visible Light. Inorganics 2022, 10, 211. [Google Scholar] [CrossRef]
- Hauchecorne, B.; Tytgat, T.; Verbruggen, S.W.; Hauchecorne, D.; Terrens, D.; Smits, M.; Vinken, K.; Lenaerts, S. Photocatalytic degradation of ethylene: An FTIR in situ study under atmospheric conditions. Appl. Catal. B Environ. 2011, 105, 111–116. [Google Scholar] [CrossRef]
- Chen, L.; Xie, X.; Song, X.; Luo, S.; Ye, S.; Situ, W. Photocatalytic degradation of ethylene in cold storage using the nanocomposite photocatalyst MIL101(Fe)-TiO2-rGO. Chem. Eng. J. 2021, 424, 130407. [Google Scholar] [CrossRef]
- Montero, J.; Welearegay, T.; Thyr, J.; Stopfel, H.; Dedova, T.; Acik, I.O.; Österlund, L. Copper–zinc oxide heterojunction catalysts exhibiting enhanced photocatalytic activity prepared by a hybrid deposition method. RSC Adv. 2021, 11, 10224–10234. [Google Scholar] [CrossRef] [PubMed]
- Luévano-Hipólito, E.; Torres-Martínez, L.M.; Fernández-Trujillo, A. Ternary ZnO/CuO/Zeolite composite obtained from volcanic ash for photocatalytic CO2 reduction and H2O decomposition. J. Phys. Chem. Sol. 2021, 151, 109917. [Google Scholar] [CrossRef]
- Iazdani, F.; Nezamzadeh-Ejhieh, A. The photocatalytic rate of ZnO supported onto natural zeolite nanoparticles in the photodegradation of an aromatic amine. Environ. Sci. Pollut. Res. 2021, 28, 53314–53327. [Google Scholar] [CrossRef]
- Condon, J.B.; James, B. Surface Area and Porosity Determinations by Physisorption Measurements and Theory, 1st ed.; Elsevier: Amsterdam, The Netherlands, 2006; pp. 55–90. [Google Scholar]
- Sprynskyy, M.; Golembiewski, R.; Trykowski, G.; Buszewski, B. Heterogeneity and hierarchy of clinoptilolite porosity. J. Phys. Chem. Sol. 2010, 71, 1269–1277. [Google Scholar] [CrossRef]
- Likhachev, D.; Malkova, N.; Poslavsky, L. Modified Tauc-Lorentz dispersion model leading to a more accurate representation of absorption features below the bandgap. Thin Solid Films 2015, 589, 844–851. [Google Scholar] [CrossRef]
- Tauc, J. Optical properties and electronic structure of amorphous Ge and Si. Mat. Res. Bull. 1968, 3, 37–46. [Google Scholar] [CrossRef]
- Pughazhenthiran, N.; Murugesan, S.; Valdés, H.; Selvaraj, M.; Sathishkumar, P.; Smirniotis, P.G.; Anandan, S.; Mangalaraja, R.V. Photocatalytic oxidation of ceftiofur sodium under UV-Visible irradiation using plasmonic porous Ag-TiO2 nanospheres. J. Ind. Eng. Chem. 2022, 105, 384–392. [Google Scholar] [CrossRef]
- Marakatti, V.S.; Halgeri, A.B.; Shanbhag, G. Metal ion-exchanged zeolites as solid acid catalysts for the green synthesis of nopol from Prins reaction. Catal. Sci. Technol. 2014, 4, 4065–4074. [Google Scholar] [CrossRef]
- Barthel, H.; Rosch, L.; Weis, J. Fumed Silica-Production, Properties, and Applications. In Organosilicon Chemistry II: From Molecules to Materials; Auner, N., Weis, J., Eds.; Wiley: Hoboken, NJ, USA, 1996; Volume 1, pp. 761–778. [Google Scholar] [CrossRef]
- Aboelfetoh, E.F.; Pietschnig, R. Preparation, characterization and catalytic activity of MgO/SiO2 supported vanadium oxide based catalysts. Catal. Lett. 2014, 144, 97–103. [Google Scholar] [CrossRef]
- Parida, S.K.; Dash, S.; Patel, S.; Mishra, B.K. Adsorption of organic molecules on silica surface. Adv. Colloid Interface Sci. 2006, 121, 77–110. [Google Scholar] [CrossRef]
- Sabzehei, K.; Hadavi, S.H.; Bajestani, M.G.; Sheibani, S. Comparative evaluation of copper oxide nano-photocatalyst characteristics by formation of composite with TiO2 and ZnO. Solid State Sci. 2020, 107, 106362. [Google Scholar] [CrossRef]
- Sorbiun, M.; Shayegan Mehr, E.; Ramazani, A.; Fardood, S.T. Green Synthesis of Zinc Oxide and Copper Oxide Nanoparticles Using Aqueous Extract of Oak Fruit Hull (Jaft) and Comparing Their Photocatalytic Degradation of Basic Violet 3. Int. J. Environ. Res. 2018, 12, 29–37. [Google Scholar] [CrossRef]
- Esmaili-Hafshejani, J.; Nezamzadeh-Ejhieh, A. Increased photocatalytic activity of Zn(II)/Cu(II) oxides and sulfides by coupling and supporting them onto clinoptilolite nanoparticles in the degradation of benzophenone aqueous solution. J. Hazard. Mater. 2016, 316, 194–203. [Google Scholar] [CrossRef]
- Reza, K.M.; Kurny, A.; Gulshan, F. Parameters affecting the photocatalytic degradation of dyes using TiO2: A review. Appl. Water Sci. 2017, 7, 1569–1578. [Google Scholar] [CrossRef]
- De Lasa, H.; Serrano, B.; Salaices, M. Establishing Photocatalytic Kinetic Rate Equations: Basic Principles and Parameters. In Photocatalytic Reaction Engineering; Springer: Boston, MA, USA, 2005. [Google Scholar] [CrossRef]
- Álvarez-Hernández, M.H.; Martínez-Hernández, G.B.; Avalos Belmontes, F.; Castillo-Campohermoso, M.A.; Contreras-Esquivel, J.C.; Artés-Hernández, F. Potassium Permanganate-Based Ethylene Scavengers for Fresh Horticultural Produce as an Active Packaging. Food Eng. Rev. 2019, 11, 159–183. [Google Scholar] [CrossRef]
- Patdhanagul, N.; Srithanratana, T.; Rangsriwatananon, K.; Hengrasmee, S. Ethylene adsorption on cationic surfactant modified zeolite NaY. Microporous Mesoporous Mater. 2010, 131, 97–102. [Google Scholar] [CrossRef]
- Bordiga, S.; Lamberti, C.; Bonino, F.; Travert, A.; Thibault-Starzyk, F. Probing zeolites by vibrational spectroscopies. Chem. Soc. Rev. 2015, 44, 7262–7341. [Google Scholar] [CrossRef]
- Karimi Shamsabadi, M.; Behpour, M. Fabricated CuO–ZnO/nanozeolite X heterostructure with enhanced photocatalytic performance: Mechanism investigation and degradation pathway. Mater. Sci. Eng. B Solid State Mater. Adv. Technol. 2021, 269, 115170. [Google Scholar] [CrossRef]
- Yu, Z.; Moussa, H.; Liu, M.; Schneider, R.; Wang, W.; Moliere, M.; Liao, H. Development of photocatalytically active heterostructured MnO/ZnO and CuO/ZnO films via solution precursor plasma spray process. Surf. Coat. Technol. 2019, 371, 107–116. [Google Scholar] [CrossRef]
- Zhu, L.; Li, H.; Liu, Z.; Xia, P.; Xie, Y.; Xiong, D. Synthesis of the 0D/3D CuO/ZnO Heterojunction with Enhanced Photocatalytic Activity. J. Phys. Chem. C 2018, 122, 9531–9539. [Google Scholar] [CrossRef]
- Bharathi, P.; Harish, S.; Archana, J.; Navaneethan, M.; Ponnusamy, S.; Muthamizhchelvan, C.; Shimomura, M.; Hayakawa, Y. Enhanced charge transfer and separation of hierarchical CuO/ZnO composites: The synergistic effect of photocatalysis for the mineralization of organic pollutant in water. Appl. Surf. Sci. 2019, 484, 884–891. [Google Scholar] [CrossRef]
- Chabri, S.; Dhara, A.; Show, B.; Adak, D.; Sinha, A.; Mukherjee, N. Mesoporous CuO-ZnO p-n heterojunction based nanocomposites with high specific surface area for enhanced photocatalysis and electrochemical sensing. Catal. Sci. Technol. 2016, 6, 3238–3252. [Google Scholar] [CrossRef]
- Ameta, R.; Solanki, M.S.; Benjamin, S.; Ameta, S.C. Photocatalysis. In Advanced Oxidation Processes for Wastewater Treatment: Emerging Green Chemical Technology; Ameta, S.C., Ameta, R., Eds.; Elsevier: Amsterdam, The Netherlands, 2018; Volume 1, pp. 135–175. [Google Scholar] [CrossRef]
- Parrino, F.; Livraghi, S.; Giamello, E.; Ceccato, R.; Palmisano, L. Role of Hydroxyl, Superoxide, and Nitrate Radicals on the Fate of Bromide Ions in Photocatalytic TiO2 Suspensions. ACS Catal. 2020, 10, 7922–7931. [Google Scholar] [CrossRef]
- Azzolina Jury, F.; Polaert, I.; Estel, L.; Pierella, L.B. Synthesis and characterization of MEL and FAU zeolites doped with transition metals for their application to the fine chemistry under microwave irradiation. Appl. Catal. A Gen. 2013, 453, 92–101. [Google Scholar] [CrossRef]
- Deng, C.; Zhang, J.; Dong, L.; Huang, M.; Li, B.; Jin, G.; Gao, J.; Zhang, F.; Fan, M.; Zhang, L.; et al. The effect of positioning cations on acidity and stability of the framework structure of Y zeolite. Sci. Rep. 2016, 6, 23382. [Google Scholar] [CrossRef]
- Zholobenko, V.; Freitas, C.; Jendrlin, M.; Bazin, P.; Travert, A.; Thibault-Starzyk, F. Probing the acid sites of zeolites with pyridine: Quantitative AGIR measurements of the molar absorption coefficients. J. Catal. 2020, 385, 52–60. [Google Scholar] [CrossRef]










| Samples | SBET a [m2 g−1] | Vmicro a [cm3 g−1] | Vmeso a [cm3 g−1] | Si/Alb | Si b,c [%] | Al b,c [%] | Ca b,c [%] | Na b,c [%] | Fe b,c [%] | Ti b,c [%] | Mg b,c [%] | Zn b,c [%] | Cub,c [%] |
|---|---|---|---|---|---|---|---|---|---|---|---|---|---|
| Z_Nat | 280.88 | 0.07 | 0.14 | 5.32 | 65.39 | 12.29 | 11.13 | 2.12 | 5.27 | 0.89 | 0.53 | 0.02 | ND |
| ZH | 358.24 | 0.12 | 0.10 | 5.44 | 71.13 | 13.07 | 6.83 | 0.38 | 5.66 | 0.90 | 0.30 | 0.02 | ND |
| ZH_Cu | 281.58 | 0.07 | 0.12 | 4.94 | 65.99 | 13.36 | 3.65 | 0.30 | 2.25 | 0.44 | 0.39 | 0.02 | 12.16 |
| ZH_Zn | 203.17 | 0.06 | 0.12 | 5.02 | 68.67 | 13.67 | 3.07 | 0.32 | 2.12 | 0.43 | 0.32 | 10.95 | ND |
| ZH_Zn/Cu | 261.40 | 0.04 | 0.13 | 5.01 | 68.42 | 13.65 | 3.03 | 0.41 | 2.16 | 0.44 | 0.31 | 5.42 | 5.42 |
| FS | 261.02 | ND | 0.32 | ND | 100.0 | ND | ND | ND | ND | ND | ND | ND | ND |
| FS_Cu | 242.35 | ND | 0.31 | ND | 92.20 | ND | ND | ND | ND | ND | ND | ND | 7.80 |
| FS_Zn | 224.80 | ND | 0.31 | ND | 92.11 | ND | ND | ND | ND | ND | ND | 7.89 | ND |
| FS_Zn/Cu | 220.29 | ND | 0.26 | ND | 92.07 | ND | ND | ND | ND | ND | ND | 3.78 | 4.15 |
| Samples | Band Gap Values (eV) |
|---|---|
| Z_Nat | 3.35 |
| ZH_Cu | 2.70 |
| ZH_Zn | 2.75 |
| ZH_Zn/Cu | 2.65 |
| FS | 4.20 |
| FS_Cu | 3.20 |
| FS_Zn | 3.85 |
| FS_Zn/Cu | 3.90 |
| FS_TiO2 | 3.50 |
| Samples | Concentration of Brønsted Acidic Sites a [µmol Py g−1] | Concentration of Lewis Acidic Sites a [µmol Py g−1] | Strength Distribution of Lewis Acidic Sites (%) b | ||
|---|---|---|---|---|---|
| Weak | Mild | Strong | |||
| ZNAT | 17.21 | 84.69 | 49.47 | 9.08 | 41.45 |
| ZH | 78.00 | 37.00 | 0 | 0 | 100 |
| ZH_Cu | ND | 56.20 | 61.93 | 26.33 | 11.74 |
| ZH_Zn | ND | 34.20 | 43.10 | 4.59 | 52.31 |
| ZH_Zn/Cu | ND | 45.64 | 48.30 | 23.47 | 28.23 |
| FS | ND | ND | ND | ND | ND |
| FS_Cu | ND | 3.00 | 100 | 0 | 0 |
| FS_Zn | ND | 106.00 | 61.30 | 29.20 | 9.50 |
| FS_Zn/Cu | ND | 194.00 | 55.15 | 15.46 | 29.39 |
Disclaimer/Publisher’s Note: The statements, opinions and data contained in all publications are solely those of the individual author(s) and contributor(s) and not of MDPI and/or the editor(s). MDPI and/or the editor(s) disclaim responsibility for any injury to people or property resulting from any ideas, methods, instructions or products referred to in the content. |
© 2023 by the authors. Licensee MDPI, Basel, Switzerland. This article is an open access article distributed under the terms and conditions of the Creative Commons Attribution (CC BY) license (https://creativecommons.org/licenses/by/4.0/).
Share and Cite
Abreu, N.J.; Valdés, H.; Zaror, C.A.; de Oliveira, T.F.; Azzolina-Jury, F.; Thibault-Starzyk, F. Evidence of Synergy Effects between Zinc and Copper Oxides with Acidic Sites on Natural Zeolite during Photocatalytic Oxidation of Ethylene Using Operando DRIFTS Studies. Catalysts 2023, 13, 610. https://doi.org/10.3390/catal13030610
Abreu NJ, Valdés H, Zaror CA, de Oliveira TF, Azzolina-Jury F, Thibault-Starzyk F. Evidence of Synergy Effects between Zinc and Copper Oxides with Acidic Sites on Natural Zeolite during Photocatalytic Oxidation of Ethylene Using Operando DRIFTS Studies. Catalysts. 2023; 13(3):610. https://doi.org/10.3390/catal13030610
Chicago/Turabian StyleAbreu, Norberto J., Héctor Valdés, Claudio A. Zaror, Tatianne Ferreira de Oliveira, Federico Azzolina-Jury, and Frédéric Thibault-Starzyk. 2023. "Evidence of Synergy Effects between Zinc and Copper Oxides with Acidic Sites on Natural Zeolite during Photocatalytic Oxidation of Ethylene Using Operando DRIFTS Studies" Catalysts 13, no. 3: 610. https://doi.org/10.3390/catal13030610
APA StyleAbreu, N. J., Valdés, H., Zaror, C. A., de Oliveira, T. F., Azzolina-Jury, F., & Thibault-Starzyk, F. (2023). Evidence of Synergy Effects between Zinc and Copper Oxides with Acidic Sites on Natural Zeolite during Photocatalytic Oxidation of Ethylene Using Operando DRIFTS Studies. Catalysts, 13(3), 610. https://doi.org/10.3390/catal13030610

