Water-Based Photocatalytic Sol–Gel TiO2 Coatings: Synthesis and Durability
Abstract
1. Introduction
2. Results and Discussion
2.1. TiO2 Film Structural Characterization
2.2. Photocatalytic Activity of Synthesized Coatings
2.3. Comparison with Previous TiO2 Coatings
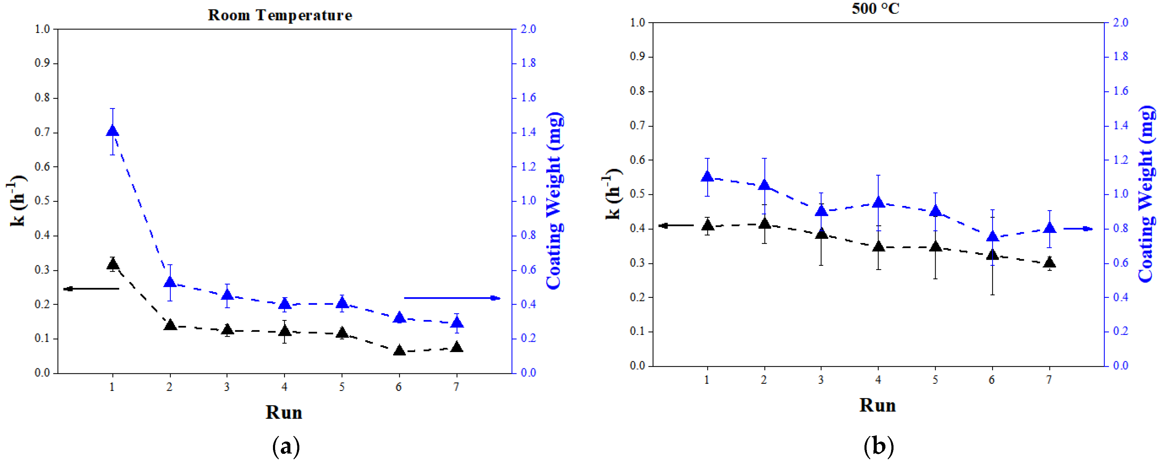
2.4. Durability and Stability of the Coatings
2.5. Spectrophotometric Analyses
3. Materials and Methods
3.1. Materials
3.2. Synthesis of Sol
3.3. Deposition of Thin Films
3.4. Characterization of TiO2 Thin Films
3.5. Photocatalytic Tests in Liquid Phase
3.6. Durability and Stability of TiO2 Thin Films
4. Conclusions
Supplementary Materials
Author Contributions
Funding
Data Availability Statement
Conflicts of Interest
References
- Li, Y.H.; Cheng, S.W.; Yuan, C.S.; Lai, T.F.; Hung, C.H. Removing volatile organic compounds in cooking fume by nano-sized TiO2 photocatalytic reaction combined with ozone oxidation technique. Chemosphere 2018, 208, 808–817. [Google Scholar] [CrossRef] [PubMed]
- Manisalidis, I.; Stavropoulou, E.; Stavropoulos, A.; Bezirtzoglou, E. Environmental and Health Impacts of Air Pollution: A Review. Front. Public Health 2020, 8, 14. [Google Scholar] [CrossRef] [PubMed]
- Wang, X.; Jiang, J.; Gao, W. Reviewing textile wastewater produced by industries: Characteristics, environmental impacts, and treatment strategies. Water Sci. Technol. 2022, 85, 2076–2096. [Google Scholar] [CrossRef]
- Tsai, W. A Survey on Toxic Volatile Organic Compounds (VOCs): Toxicological Profiles, Health Exposure Risks, and Regulatory Strategies for Mitigating Emissions from Stationary Sources in Taiwan. Atmosphere 2023, 14, 242. [Google Scholar] [CrossRef]
- Al-Mamun, M.R.; Kader, S.; Islam, M.S.; Khan, M.Z.H. 209—Photocatalytic activity improvement and application of UV-TiO2 photocatalysis in textile wastewater treatment: A review. J. Environ. Chem. Eng. 2019, 7, 103248. [Google Scholar] [CrossRef]
- Krakowiak, R.; Musial, J.; Bakun, P.; Spychała, M.; Czarczynska-Goslinska, B.; Mlynarczyk, D.T.; Koczorowski, T.; Sobotta, L.; Stanisz, B.; Goslinski, T. Titanium dioxide-based photocatalysts for degradation of emerging contaminants including pharmaceutical pollutants. Appl. Sci. 2021, 11, 8674. [Google Scholar] [CrossRef]
- Abujazar, M.S.S.; Karaağaç, S.U.; Abu Amr, S.S.; Alazaiza, M.Y.D.; Bashir, M.J.K. Recent advancement in the application of hybrid coagulants in coagulation-flocculation of wastewater: A review. J. Clean. Prod. 2022, 345, 131133. [Google Scholar] [CrossRef]
- Lee, H.; Park, Y.K.; Jung, S.C. Preparation of N and Eu doped TiO2 using plasma in liquid process and its photocatalytic degradation activity for diclofenac. Korean J. Chem. Eng. 2022, 39, 2080–2088. [Google Scholar] [CrossRef]
- Rueda-Marquez, J.J.; Levchuk, I.; Fernández Ibañez, P.; Sillanpää, M. A critical review on application of photocatalysis for toxicity reduction of real wastewaters. J. Clean. Prod. 2020, 258, 120694. [Google Scholar] [CrossRef]
- Byrne, C.; Subramanian, G.; Pillai, S.C. Recent advances in photocatalysis for environmental applications. J. Environ. Chem. Eng. 2018, 6, 3531–3555. [Google Scholar] [CrossRef]
- Mahmoud, A.E.D. Recent Advances of TiO2 Nanocomposites for Photocatalytic Degradation of Water Contaminants and Rechargeable Sodium Ion Batteries. In Advances in Nanocomposite Materials for Environmental and Energy Harvesting Applications; Shalan, A.E., Hamdy Makhlouf, A.S., Lanceros-Méndez, S., Eds.; Springer International Publishing: Cham, Switzerland, 2022; pp. 757–770. ISBN 978-3-030-94319-6. [Google Scholar]
- Ajmal, Z.; ul Haq, M.; Naciri, Y.; Djellabi, R.; Hassan, N.; Zaman, S.; Murtaza, A.; Kumar, A.; Al-Sehemi, A.G.; Algarni, H.; et al. Recent advancement in conjugated polymers based photocatalytic technology for air pollutants abatement: Cases of CO2, NOx, and VOCs. Chemosphere 2022, 308, 136358. [Google Scholar] [CrossRef] [PubMed]
- Pant, B.; Park, M.; Park, S.J. Recent advances in TiO2 films prepared by sol-gel methods for photocatalytic degradation of organic pollutants and antibacterial activities. Coatings 2019, 9, 613. [Google Scholar] [CrossRef]
- Diamanti, M.V.; Lorenzi, A. Nanostructured Titanium Dioxide Films: Sol-Gel and Other Techniques. In Dekker Encyclopedia of Nanoscience and Nanotechnology; CRC Press: Boca Raton, FL, USA, 2014; pp. 37–41. [Google Scholar] [CrossRef]
- Peng, T.; Lalman, J.A. TiO2 Nanomaterials for Enhanced Photocatalysis. In Catalysis by Metal Complexes and Nanomaterials: Fundamentals and Applications; ACS Symposium Series; American Chemical Society: Washington, DC, USA, 2019; Volume 1317, pp. 135–165, SE–7; ISBN 9780841234376. [Google Scholar]
- Esposito, S. “Traditional” sol-gel chemistry as a powerful tool for the preparation of supported metal and metal oxide catalysts. Materials 2019, 12, 668. [Google Scholar] [CrossRef] [PubMed]
- Cui, H.; Zayat, M.; Levy, D. Sol-gel synthesis of nanoscaled spinels using propylene oxide as a gelation agent. J. Sol-Gel Sci. Technol. 2005, 35, 175–181. [Google Scholar] [CrossRef]
- Cui, H.; Ren, W.; Wang, W. Highly transparent UV absorption TiO2-SiO2-Fe2O3 films without oxidation catalytic activity prepared by a room temperature sol-gel route. J. Sol-Gel Sci. Technol. 2011, 58, 476–480. [Google Scholar] [CrossRef]
- Bellè, U.; Invernizzi, M.; Polvara, E.; Lucotti, A.; Diamanti, M.V.; Sironi, S.; Pedeferri, M.P. A novel nanotubular TiO2-based Plug-Flow reactor for gas phase photocatalytic degradation of toluene. Chem. Eng. J. 2022, 437, 135323. [Google Scholar] [CrossRef]
- Pala, L.P.R.; Uday, V.; Gogoi, D.; Peela, N.R. Surface and photocatalytic properties of TiO2 thin films prepared by non-aqueous surfactant assisted sol-gel method. J. Environ. Chem. Eng. 2020, 8, 104267. [Google Scholar] [CrossRef]
- Bernardes, J.C.; Müller, D.; Pinheiro, G.K.; Rambo, C.R. Enhancing the optical transparency of TiO2 aerogels with high surface area through water-based synthesis. Opt. Mater. 2020, 109, 110359. [Google Scholar] [CrossRef]
- Pathan, H.M.; Min, S.K.; Desai, J.D.; Jung, K.D.; Joo, O.S. Preparation and characterization of titanium dioxide thin films by SILAR method. Mater. Chem. Phys. 2006, 97, 5–9. [Google Scholar] [CrossRef]
- Khade, G.V.; Suwarnkar, M.B.; Gavade, N.L.; Garadkar, K.M. Green synthesis of TiO2 and its photocatalytic activity. J. Mater. Sci. Mater. Electron. 2015, 26, 3309–3315. [Google Scholar] [CrossRef]
- Siwińska-Stefańska, K.; Zdarta, J.; Paukszta, D.; Jesionowski, T. The influence of addition of a catalyst and chelating agent on the properties of titanium dioxide synthesized via the sol–gel method. J. Sol-Gel Sci. Technol. 2015, 75, 264–278. [Google Scholar] [CrossRef]
- Simonsen, M.E.; Søgaard, E.G. Sol-gel reactions of titanium alkoxides and water: Influence of pH and alkoxy group on cluster formation and properties of the resulting products. J. Sol-Gel Sci. Technol. 2010, 53, 485–497. [Google Scholar] [CrossRef]
- Attar, A.S.; Ghamsari, M.S.; Hajiesmaeilbaigi, F.; Mirdamadi, S. Modifier ligands effects on the synthesized TiO2 nanocrystals. J. Mater. Sci. 2008, 43, 1723–1729. [Google Scholar] [CrossRef]
- Doeuff, S.; Henry, M.; Sanchez, C.; Livage, J. Hydrolysis of titanium alkoxides: Modification of the molecular precursor by acetic acid. J. Non. Cryst. Solids 1987, 89, 206–216. [Google Scholar] [CrossRef]
- Maeng, W.Y.; Yoo, M. Effect of chelating agents on the stability of nano-TiO2 sol particles for sol-gel coating. J. Nanosci. Nanotechnol. 2015, 15, 8429–8433. [Google Scholar] [CrossRef]
- Javed, S.; Islam, M.; Mujahid, M. Synthesis and characterization of TiO2 quantum dots by sol gel reflux condensation method. Ceram. Int. 2019, 45, 2676–2679. [Google Scholar] [CrossRef]
- Muniandy, S.S.; Mohd Kaus, N.H.; Jiang, Z.T.; Altarawneh, M.; Lee, H.L. Green synthesis of mesoporous anatase TiO2 nanoparticles and their photocatalytic activities. RSC Adv. 2017, 7, 48083–48094. [Google Scholar] [CrossRef]
- Yazid, S.A.; Rosli, Z.M.; Juoi, J.M. Effect of titanium (IV) isopropoxide molarity on the crystallinity and photocatalytic activity of titanium dioxide thin film deposited via green sol-gel route. J. Mater. Res. Technol. 2019, 8, 1434–1439. [Google Scholar] [CrossRef]
- Muthee, D.K.; Dejene, B.F. The effect of tetra isopropyl orthotitanate (TIP) concentration on structural, and luminescence properties of titanium dioxide nanoparticles prepared by sol-gel method. Mater. Sci. Semicond. Process. 2020, 106, 104783. [Google Scholar] [CrossRef]
- Fagnern, N.; Leotphayakkarat, R.; Chawengkijwanich, C.; Gleeson, M.P.; Koonsaeng, N.; Sanguanruang, S. Effect of titanium-tetraisopropoxide concentration on the photocatalytic efficiency of nanocrystalline thin films TiO2 used for the photodegradation of textile dyes. J. Phys. Chem. Solids 2012, 73, 1483–1486. [Google Scholar] [CrossRef]
- Johari, N.D.; Rosli, Z.M.; Juoi, J.M.; Yazid, S.A. Comparison on the TiO2 crystalline phases deposited via dip and spin coating using green sol-gel route. J. Mater. Res. Technol. 2019, 8, 2350–2358. [Google Scholar] [CrossRef]
- Muñiz-Serrato, O.; Serrato-Rodríguez, J. Nanostructuring anatase through the addition of acetic acid by the sol-gel low temperature aqueous processing. Ceram. Int. 2014, 40, 8631–8635. [Google Scholar] [CrossRef]
- Visuttipitukul, P.; Sooksaen, P.; Yongvanich, N. Sol-gel synthesis of SrTiO3 nanoparticles using acetic acid as a chelating agent. Ferroelectrics 2013, 457, 82–88. [Google Scholar] [CrossRef]
- Cihlar, J.; Navarro, L.K.T.; Cihlar, J.; Kasparek, V.; Michalicka, J.; Castkova, K.; Lazar, I.; Kastyl, J.; Celko, L.; Vesely, M.; et al. Influence of substituted acetic acids on “bridge” synthesis of highly photocatalytic active heterophase TiO2 in hydrogen production. J. Sol-Gel Sci. Technol. 2022, 105, 471–488. [Google Scholar] [CrossRef]
- Su, C.; Hong, B.Y.; Tseng, C.M. Sol-gel preparation and photocatalysis of titanium dioxide. Catal. Today 2004, 96, 119–126. [Google Scholar] [CrossRef]
- Mahmoud, H.A.; Narasimharao, K.; Ali, T.T.; Khalil, K.M.S. Acidic peptizing agent effect on anatase-rutile ratio and photocatalytic performance of TiO2 nanoparticles. Nanoscale Res. Lett. 2018, 13, 48. [Google Scholar] [CrossRef] [PubMed]
- Mahy, J.G.; Lejeune, L.; Haynes, T.; Lambert, S.D.; Marcilli, R.H.M.; Fustin, C.A.; Hermans, S. Eco-friendly colloidal aqueous sol-gel process for TiO2 synthesis: The peptization method to obtain crystalline and photoactive materials at low temperature. Catalysts 2021, 11, 768. [Google Scholar] [CrossRef]
- Vinogradov, A.V.; Vinogradov, V.V. Low-temperature sol-gel synthesis of crystalline materials. RSC Adv. 2014, 4, 45903–45919. [Google Scholar] [CrossRef]
- Vinogradov, A.V.; Vinogradov, V.V. Effect of acidic peptization on formation of highly photoactive TiO2 films prepared without heat treatment. J. Am. Ceram. Soc. 2014, 97, 290–294. [Google Scholar] [CrossRef]
- Luttrell, T.; Halpegamage, S.; Tao, J.; Kramer, A.; Sutter, E.; Batzill, M. Why is anatase a better photocatalyst than rutile?—Model studies on epitaxial TiO2 films. Sci. Rep. 2015, 4, 4043. [Google Scholar] [CrossRef]
- Alavi, S.; Bazrafshan, H.; Nikazar, M. An investigation into the simultaneous influence of withdrawal speed and number of coated layers on photocatalytic activity of ZnO thin films. J. Sol-Gel Sci. Technol. 2017, 81, 652–661. [Google Scholar] [CrossRef]
- Ceratti, D.R.; Louis, B.; Paquez, X.; Faustini, M.; Grosso, D. A New Dip Coating Method to Obtain Large-Surface Coatings with a Minimum of Solution. Adv. Mater. 2015, 27, 4958–4962. [Google Scholar] [CrossRef] [PubMed]
- Malengreaux, C.M.; Timmermans, A.; Pirard, S.L.; Lambert, S.D.; Pirard, J.P.; Poelman, D.; Heinrichs, B. Optimized deposition of TiO2 thin films produced by a non-aqueous sol-gel method and quantification of their photocatalytic activity. Chem. Eng. J. 2012, 195–196, 347–358. [Google Scholar] [CrossRef]
- Jongnavakit, P.; Amornpitoksuk, P.; Suwanboon, S.; Ratana, T. Surface and photocatalytic properties of ZnO thin film prepared by sol-gel method. Thin Solid Films 2012, 520, 5561–5567. [Google Scholar] [CrossRef]
- Hwang, J.; Shoji, N.; Endo, A.; Daiguji, H. Effect of withdrawal speed on film thickness and hexagonal pore-array dimensions of SBA-15 mesoporous silica thin film. Langmuir 2014, 30, 15550–15559. [Google Scholar] [CrossRef] [PubMed]
- Lee, S.Y.; Park, S.J. TiO2 photocatalyst for water treatment applications. J. Ind. Eng. Chem. 2013, 19, 1761–1769. [Google Scholar] [CrossRef]
- Ahmad, R.; Ahmad, Z.; Khan, A.U.; Mastoi, N.R.; Aslam, M.; Kim, J. Photocatalytic systems as an advanced environmental remediation: Recent developments, limitations and new avenues for applications. J. Environ. Chem. Eng. 2016, 4, 4143–4164. [Google Scholar] [CrossRef]
- Pelaez, M.; Nolan, N.T.; Pillai, S.C.; Seery, M.K.; Falaras, P.; Kontos, A.G.; Dunlop, P.S.M.; Hamilton, J.W.J.; Byrne, J.A.; O’Shea, K.; et al. A review on the visible light active titanium dioxide photocatalysts for environmental applications. Appl. Catal. B Environ. 2012, 125, 331–349. [Google Scholar] [CrossRef]
- Bellè, U.; Pelizzari, F.; Lucotti, A.; Castiglioni, C.; Ormellese, M.; Pedeferri, M.; Diamanti, M.V. Immobilized Nano-TiO2 photocatalysts for the degradation of three organic dyes in single and multi-dye solutions. Coatings 2020, 10, 919. [Google Scholar] [CrossRef]
- Mokhtarifar, M.; Kaveh, R.; Bagherzadeh, M.; Lucotti, A.; Pedeferri, M.P.; Diamanti, M.V. Heterostructured TiO2/SiO2/γ-Fe2O3/rGO Coating with Highly Efficient Visible-Light-Induced Self-Cleaning Properties for Metallic Artifacts. ACS Appl. Mater. Interfaces 2020, 12, 29671–29683. [Google Scholar] [CrossRef]
- Wiranwetchayan, O.; Promnopat, S.; Thongtem, T.; Chaipanich, A.; Thongtem, S. Effect of polymeric precursors on the properties of TiO2 films prepared by sol-gel method. Mater. Chem. Phys. 2020, 240, 122219. [Google Scholar] [CrossRef]
- Diamanti, M.V.; Pozzi, P.; Randone, F.; Del Curto, B.; Pedeferri, M.P. Robust anodic colouring of titanium: Effect of electrolyte and colour durability. Mater. Des. 2016, 90, 1085–1091. [Google Scholar] [CrossRef]
- García, O.; Malaga, K. Definition of the procedure to determine the suitability and durability of an anti-graffiti product for application on cultural heritage porous materials. J. Cult. Herit. 2012, 13, 77–82. [Google Scholar] [CrossRef]
- Ćurković, L.; Ljubas, D.; Šegota, S.; Bačić, I. Photocatalytic degradation of Lissamine Green B dye by using nanostructured sol-gel TiO2 films. J. Alloys Compd. 2014, 604, 309–316. [Google Scholar] [CrossRef]













| Thermal Treatment Temperature (°C) | Anatase Crystallite Size (nm) |
|---|---|
| Room Temperature | n.a.1 |
| 100 | n.a.1 |
| 300 | 7.9 |
| 500 | 13.9 |
| 600 | 16.1 |
| Number of Dips | Dipping Speed (mm/min) | Annealing Temperature (°C) | Annealing Duration (h) |
|---|---|---|---|
| 2 | 120 | 500 | 2 |
| 2 | 120 | 500 | 1 |
| 2 | |||
| 3 | |||
| 6 | |||
| 2 | 120 | Room temperature | 2 |
| 60 | |||
| 100 | |||
| 300 | |||
| 500 | |||
| 600 | |||
| 2 | 60 | 500 | 2 |
| 120 | |||
| 180 | |||
| 240 | |||
| 1 | 120 | 500 | 2 |
| 2 | |||
| 3 |
Disclaimer/Publisher’s Note: The statements, opinions and data contained in all publications are solely those of the individual author(s) and contributor(s) and not of MDPI and/or the editor(s). MDPI and/or the editor(s) disclaim responsibility for any injury to people or property resulting from any ideas, methods, instructions or products referred to in the content. |
© 2023 by the authors. Licensee MDPI, Basel, Switzerland. This article is an open access article distributed under the terms and conditions of the Creative Commons Attribution (CC BY) license (https://creativecommons.org/licenses/by/4.0/).
Share and Cite
Bellè, U.; Spini, D.; Del Curto, B.; Pedeferri, M.; Diamanti, M.V. Water-Based Photocatalytic Sol–Gel TiO2 Coatings: Synthesis and Durability. Catalysts 2023, 13, 494. https://doi.org/10.3390/catal13030494
Bellè U, Spini D, Del Curto B, Pedeferri M, Diamanti MV. Water-Based Photocatalytic Sol–Gel TiO2 Coatings: Synthesis and Durability. Catalysts. 2023; 13(3):494. https://doi.org/10.3390/catal13030494
Chicago/Turabian StyleBellè, Umberto, Daniela Spini, Barbara Del Curto, MariaPia Pedeferri, and Maria Vittoria Diamanti. 2023. "Water-Based Photocatalytic Sol–Gel TiO2 Coatings: Synthesis and Durability" Catalysts 13, no. 3: 494. https://doi.org/10.3390/catal13030494
APA StyleBellè, U., Spini, D., Del Curto, B., Pedeferri, M., & Diamanti, M. V. (2023). Water-Based Photocatalytic Sol–Gel TiO2 Coatings: Synthesis and Durability. Catalysts, 13(3), 494. https://doi.org/10.3390/catal13030494

