Study on the Influence of Deformation and Temperature on the Properties of High-Strength Tungsten Alloy Wire
Abstract
1. Introduction
2. Materials and Methods
3. Results and Discussion
3.1. The Influence of Rotary Forging on the Microstructure of Tungsten Alloy
3.2. The Influence of Rotary Forging on the Hardness of Tungsten Alloy
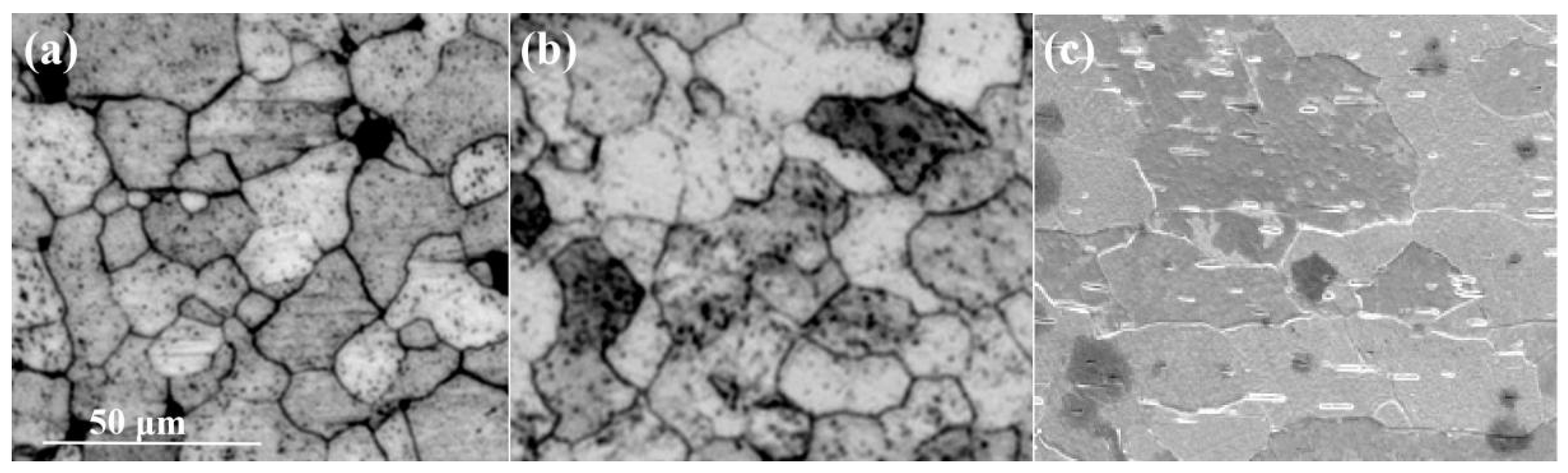
3.3. The Effect of Heat Treatment on the Microstructure and Hardness of Tungsten Alloy
3.4. Fracture Morphology of Tungsten Alloy Wire
4. Conclusions
- (1)
- The tungsten alloy with 85% rolling deformation exhibits a relatively uniform strength distribution and no significant texture. After annealing, tungsten alloys undergo recrystallization and grain growth. When drawing to ø0.8 mm, the final wire develops a strong <110> filamentary fiber texture.
- (2)
- In the process of rotary forging grain growth occurs at high temperatures (1480–1380 °C) along with recrystallization, which increases thermal embrittlement and causes intragranular cracks. Therefore, forging should be performed at lower temperatures (1330–1400 °C). After large-strain processing, subgrain formation and microstructural heterogeneity necessitate annealing prior to further processing.
- (3)
- With increasing annealing temperature, recrystallization and grain growth reduce the hardness of tungsten alloy. For the φ8.9 mm specimen, hardness decreases from 466.5 HV to 395.3 HV as temperature rises from 2200 °C to 2300 °C, while the φ5.2 mm specimen shows a decrease from 435.2 HV to 384.9 HV under the same conditions.
- (4)
- During wire drawing, increasing deformation strain promotes uniform elongated fibrous structures in the longitudinal cross-section and gradual hardness elevation. At low strains, room-temperature brittle fracture with cleavage features predominates. At an 88.4% strain, the fracture mode transitions to ductile–brittle mixed characteristics.
Author Contributions
Funding
Informed Consent Statement
Data Availability Statement
Conflicts of Interest
References
- Schade, P. 100 years of doped tungsten wire. Int. J. Refract. Met. Hard Mater. 2010, 28, 648–660. [Google Scholar] [CrossRef]
- Jiang, X.; Song, J.; Peng, F.; Guo, D.; Fang, Y.; Dai, S.; Zhu, B. Microstructure and High-Temperature Performance of High K-Doped Tungsten Fibers Used as Reinforcement of Tungsten Matrix. Crystals 2022, 12, 63. [Google Scholar] [CrossRef]
- Yang, Y.; Tang, Y. Present situation and development trend of tungsten wire industry in China. China Light. Appl. 2008, 4, 1–3. [Google Scholar]
- Miao, Z.; Wu, Z.; Wang, D. Preparation and mechanical properties of rare earth reinforced tungsten alloy for photovoltaic cutting. China Molybdenum Ind. 2023, 47, 57–60. [Google Scholar]
- Cao, J.; Sun, Y.; Wu, B.; Tang, H.; Ding, Y.; Song, K.; Cui, C. Research Status of Manufacturing Technology of Tungsten Alloy Wire. Micromachines 2023, 14, 1030. [Google Scholar] [CrossRef] [PubMed]
- Peng, H.; Guo, X.; Liu, H.; Zhuo, W.; Wang, J. A novel dissolution-precipitation strategy to accelerate the sintering of yttrium oxide dispersion strengthened tungsten alloy with well-regulated structure. J. Mater. Sci. Technol. 2024, 184, 43–53. [Google Scholar]
- Yang, Y. Study on deformation strengthening of tungsten alloy. In Proceedings of the 2007 Annual Academic Exchange Meeting of Nuclear Materials Branch of China Nuclear Society, Mianyang, China, 1 January 2007; Nuclear Materials Branch of China Nuclear Society: Beijing, China, 2007; pp. 79–82. [Google Scholar]
- Çalışkan, K.N.; Durlu, N.; Bor, Ş. Swaging of liquid phase sintered 90W–7Ni–3Fe tungsten heavy alloy. Int. J. Refract. Met. Hard Mater. 2013, 36, 260–264. [Google Scholar] [CrossRef]
- Osama, R. Effect of cold swaging on mechanical and microstructure characteristics of tungsten heavy alloy. Int. J. Res. Eng. Technol. 2016, 5, 313–316. [Google Scholar] [CrossRef]
- Zhang, L.; Wang, C.; Dong, D.; Zhong, M.; Kan, J. Effect of deformation on microstructure and mechanical properties of forged tungsten bars. China Tungsten Ind. 2021, 36, 48–54. [Google Scholar]
- Fu, C.; Huang, J.; Wei, X. Study on Forging and Annealing Process of Pure Tungsten Bar. Cem. Carbide 2015, 32, 83–87+94. [Google Scholar]
- Yu, M.; Wang, K.; Zan, X.; Ma, L.; Wu, Y. Recrystallization behavior of pure tungsten with different rolling ratios at 1250~1350 °C. J. Mater. Heat Treat. 2017, 38, 50–56. [Google Scholar]
- Thomas, L.; Kevin, C.; Lindegren, B.L.; Partik, N. Thermal stability of differently rolled pure tungsten plates in the temperature range from 1125 °C to 1250 °C. Fusion Eng. Des. 2023, 192, 113581. [Google Scholar] [CrossRef]
- Zan, X.; Gu, M.; Wang, K.; Luo, L.; Zhu, X.; Wu, Y. Recrystallization kinetics of 50% hot-rolled 2% Y2O3 dispersed tungsten. Fusion Eng. Des. 2019, 144, 1–5. [Google Scholar] [CrossRef]
- Zhang, T.; Du, W.Y.; Zhan, C.Y.; Wang, M.M.; Deng, H.W.; Xie, Z.M.; Li, H. The high thermal stability induced by a synergistic effect of ZrC nanoparticles and Re solution in W matrix in hot rolled tungsten alloy. Nucl. Eng. Technol. 2022, 54, 2801–2808. [Google Scholar] [CrossRef]
- Nikolić, V.; Riesch, J.; Pippan, R. The effect of heat treatments on pure and potassium doped drawn tungsten wires: Part I—Microstructural characterization. Mater. Sci. Eng. A 2018, 737, 422–433. [Google Scholar] [CrossRef]
- Yin, X. Production Principle, Technology and Properties of Tungsten Wire; Metallurgical Industry Press: Beijing, China, 1998. [Google Scholar]
- Li, Y.; Du, Z.; Fan, J.; Lv, Y.; Lv, Y.; Li, P. Microstructure and texture evolution in warm-rolled fine-grained tungsten. Int. J. Refract. Met. Hard Mater. 2021, 101, 105690. [Google Scholar] [CrossRef]
- Zhang, X.; Yan, Q.; Lang, S.; Wang, Y.; Ge, C. Evolution of hot rolling texture in pure tungsten and lanthanum oxide doped tungsten with various reductions. Mater. Des. 2016, 109, 443–455. [Google Scholar] [CrossRef]
- Zhao, P.; Riesch, J.; Höschen, T.; Almanstötter, J.; Balden, M.; Coenen, J.W.; Himml, R.; Pantleon, W.; von Toussaint, U.; Neu, R. Microstructure, mechanical behaviour and fracture of pure tungsten wire after different heat treatments. Int. J. Refract. Met. Hard Mater. 2017, 68, 29–40. [Google Scholar] [CrossRef]
- Xu, Z.; Shen, Y.; Cui, K.; Yu, J. Nanoparticle Phase Analysis of Wrought W-1%La2O3 Alloy. Rare Met. Mater. Eng. 2016, 45, 2573–2577. [Google Scholar]
- Yang, J.; Chen, G.; Chen, Z.; Mu, X.; Yu, Y.; Zhang, L.; Li, X.; Qu, X.; Qin, M. Effect of doping methods on microstructure and mechanical properties of W-1.0wt.%La2O3 alloy. Trans. Nonferrous Met. Soc. China 2020, 30, 3296–3306. [Google Scholar] [CrossRef]
- Wang, Y.; Huang, Y.; Chen, B.; Zhang, L.; Fan, P.; Li, Z.; Ma, Y.; Liu, W. The bifunctional low mismatch nano strengthening phase leads to a high strength-ductility W-Ta-Ni-Fe-Cu alloy. J. Mater. Sci. Technol. 2025, 205, 139–149. [Google Scholar] [CrossRef]
- Fan, F.; Ma, C.; Wang, J.; Xu, H.; Liu, S.; Dong, H.; Chen, Q.; Song, H.; Wu, H.; Chen, G. Oxide/metal interface enhancement for improved dispersion strengthening mechanism in oxide-strengthened tungsten. Mater. Sci. Eng. A 2024, 901, 146594. [Google Scholar] [CrossRef]
- Ilimira, R.; Pulati, A.; Wang, Q.; Mamatrishat, M.; Yasenjan, G. Research status of lanthanum oxide improving properties of tungsten materials. Mater. Guide 2017, 31, 337–339+344. [Google Scholar]
- Liu, W.; Zhang, C.; Guo, P.; Shi, Q.; Feng, H.; Zhang, S.; Han, F. Achieving enhanced mechanical properties in the Mg-Y-Zn-V alloy by refining grains and improving the morphology and distribution of LPSO via pre-forging and subsequent rolling. J. Mater. Res. Technol. 2024, 29, 2493–2504. [Google Scholar] [CrossRef]
- Chen, Z.; Yang, J.; Zhang, L.; Jia, B.; Qu, X.; Qin, M. Effect of La2O3 content on the densification, microstructure and mechanical property of W-La2O3 alloy via pressureless sintering. Mater. Charact. 2021, 175, 111092. [Google Scholar] [CrossRef]
- Lai, C.; Wang, J.; Zhou, F.; Liu, W.; Miao, N. Reduction, sintering and mechanical properties of rhenium-tungsten compounds. J. Alloys Compd. 2018, 735, 2685–2693. [Google Scholar] [CrossRef]
- Yu, Y.; Hu, H.; Zhang, W.; Xu, X. Microstructure evolution and recrystallization after annealing of tungsten heavy alloy subjected to severe plastic deformation. J. Alloys Compd. 2016, 685, 971–977. [Google Scholar] [CrossRef]
- Liu, R.; Xie, Z.; Yao, X.; Zhang, T.; Wang, X.; Hao, T.; Fang, Q.; Liu, C. Effects of swaging and annealing on the microstructure and mechanical properties of ZrC dispersion-strengthened tungsten. Int. J. Refract. Met. Hard Mater. 2018, 76, 33–40. [Google Scholar] [CrossRef]
- Zhang, G. Generation and Control of Cracks in Tungsten Wire; Northeastern University: Shenyang, China, 2008. [Google Scholar]
- Guo, T.; Chen, Y.; Cao, R.; Pang, X.; He, J.; Qiao, L. Cleavage cracking of ductile-metal substrates induced by brittle coating fracture. Acta Mater. 2018, 152, 77–85. [Google Scholar] [CrossRef]
- Qiu, N.; Zhang, Y.; Zhang, C.; Tong, H.; Song, X. Tensile properties of tungsten-rhenium wires with nanofibrous structure. Int. J. Miner. Metall. Mater. 2018, 25, 1055–1059. [Google Scholar] [CrossRef]
- Michel, R.; Bienvenu, Y.; Chesnaud, A.; Thorel, A. Study of the tensile behaviour of tungsten wires from ambient temperature to 320 °C in relation to their microstructure. Int. J. Refract. Met. Hard Mater. 2020, 92, 105325. [Google Scholar] [CrossRef]
- Wang, M.; Chen, C.; Zhang, Z.; Lei, R.; Xia, F. Deformation Behavior and Microstructure Evolution of FCC, BCC and HCP Metal Materials; Central South University Press: Changsha, China, 2021. [Google Scholar]

















| Scheme | Rod Size Change (mm) | Temperature (°C) | Deformation (%) |
|---|---|---|---|
| Low temperature | 23→8.9 | 1400 | 85 |
| 8.9→7.2 | 1380 | 34.6 | |
| 8.9→7.2→5.2 | 1350 | 65.9 | |
| 8.9→7.2→5.2→3.7 | 1330 | 82.7 | |
| 23→8.9 | 1480 | 85 | |
| High temperature | 8.9→7.2 | 1450 | 34.6 |
| 8.9→7.2→5.2 | 1400 | 65.9 | |
| 8.9→7.2→5.2→3.7 | 1380 | 82.7 |
| Scheme | Sample Number | Annealing Temperature (°C) |
|---|---|---|
| 1 | 2000 | |
| ø8.9 mm | 2 | 2100 |
| 3 | 2300 | |
| 1 | 2200 | |
| ø5.2 mm | 2 | 2250 |
| 3 | 2300 |
| Sample Number | Variation in Wire Diameter (mm) | Deformation (%) |
|---|---|---|
| 1 | 2.35 | 0 |
| 2 | 2.35→1.72 | 46.4 |
| 3 | 2.35→1.72→1.32 | 68.4 |
| 4 | 2.35→1.72→1.32→1.02 | 81.2 |
| 5 | 2.35→1.72→1.32→1.02→0.8 | 88.4 |
| Element | 1 | 2 | 3 | 4 | |
|---|---|---|---|---|---|
| Weight percentage (%) | La | 1.84 | 0.70 | 1.95 | 1.93 |
| O | 7.88 | 7.34 | 6.21 | 8.96 | |
| W | 90.28 | 91.96 | 91.84 | 89.11 | |
| Atomic number percentage (%) | La | 1.33 | 0.52 | 1.56 | 1.31 |
| O | 49.41 | 47.59 | 43.03 | 52.91 | |
| W | 49.26 | 51.89 | 55.41 | 45.78 |
| Element | 5 | 6 | 7 | 8 | |
|---|---|---|---|---|---|
| Weight percentage (%) | La | 19.31 | 4.59 | 3.30 | 3.67 |
| O | 6.20 | 2.77 | 5.83 | 0 | |
| W | 74.49 | 92.64 | 90.87 | 96.33 | |
| Atomic number percentage (%) | La | 14.93 | 4.65 | 2.70 | 4.80 |
| O | 41.57 | 24.40 | 41.30 | 0 | |
| W | 43.50 | 70.95 | 56.01 | 95.20 |
| Scheme | Temperature (°C) | Deformation Amount (%) | Vickers Hardness (HV) | Density (g/cm3) | Relative Density (%) |
|---|---|---|---|---|---|
| Low temperature | 1400 | 0 | 522.2 | 18.42 | 97 |
| 1380 | 34.6 | 463.8 | 18.58 | 97.9 | |
| 1350 | 65.9 | 498.0 | 18.64 | 98.2 | |
| 1330 | 82.7 | 605.2 | 18.76 | 98.8 | |
| High temperature | 1480 | 0 | 539.2 | 18.48 | 97.4 |
| 1450 | 34.6 | 431.3 | 18.62 | 98.1 | |
| 1400 | 65.9 | 468.8 | 18.72 | 98.6 | |
| 1380 | 82.7 | 442.7 | 18.81 | 99.1 |
| Sample Number | Annealing Temperature (°C) | Grain Granularity (pieces/mm2) | Hardness (HV) | |
|---|---|---|---|---|
| 1 | 2000 | 1461 | 466.5 | |
| ø8.9 mm | 2 | 2100 | 1484 | 440.5 |
| 3 | 2300 | 2296 | 395.3 | |
| 1 | 2200 | 1496 | 435.2 | |
| ø5.2 mm | 2 | 2250 | 619 | 398.7 |
| 3 | 2300 | 2263 | 384.9 |
Disclaimer/Publisher’s Note: The statements, opinions and data contained in all publications are solely those of the individual author(s) and contributor(s) and not of MDPI and/or the editor(s). MDPI and/or the editor(s) disclaim responsibility for any injury to people or property resulting from any ideas, methods, instructions or products referred to in the content. |
© 2025 by the authors. Licensee MDPI, Basel, Switzerland. This article is an open access article distributed under the terms and conditions of the Creative Commons Attribution (CC BY) license (https://creativecommons.org/licenses/by/4.0/).
Share and Cite
Fan, J.; Du, J.; Cao, J.; Sun, Y.; Zhang, J. Study on the Influence of Deformation and Temperature on the Properties of High-Strength Tungsten Alloy Wire. Micromachines 2025, 16, 922. https://doi.org/10.3390/mi16080922
Fan J, Du J, Cao J, Sun Y, Zhang J. Study on the Influence of Deformation and Temperature on the Properties of High-Strength Tungsten Alloy Wire. Micromachines. 2025; 16(8):922. https://doi.org/10.3390/mi16080922
Chicago/Turabian StyleFan, Junling, Jingwen Du, Jun Cao, Yongzhen Sun, and Junchao Zhang. 2025. "Study on the Influence of Deformation and Temperature on the Properties of High-Strength Tungsten Alloy Wire" Micromachines 16, no. 8: 922. https://doi.org/10.3390/mi16080922
APA StyleFan, J., Du, J., Cao, J., Sun, Y., & Zhang, J. (2025). Study on the Influence of Deformation and Temperature on the Properties of High-Strength Tungsten Alloy Wire. Micromachines, 16(8), 922. https://doi.org/10.3390/mi16080922

