Integrated Circuit of a Chua’s System Based on the Integral-Differential Nonlinear Resistance with Multi-Path Voltage-Controlled Oscillator
Abstract
1. Introduction
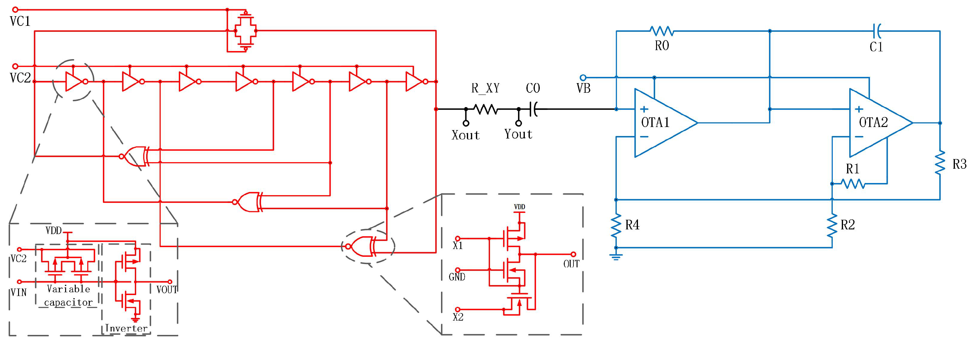
2. The Proposed Chaotic Circuit
2.1. Structure of the Chua’s Chaotic Circuit
2.2. Design of Chua’s Circuit without Inductance
3. Further Explanation of the Basic Circuits
3.1. Proposal for Voltage-Controlled Oscillator in Integrated Chaotic Circuits
3.2. The Nonlinear Resistor
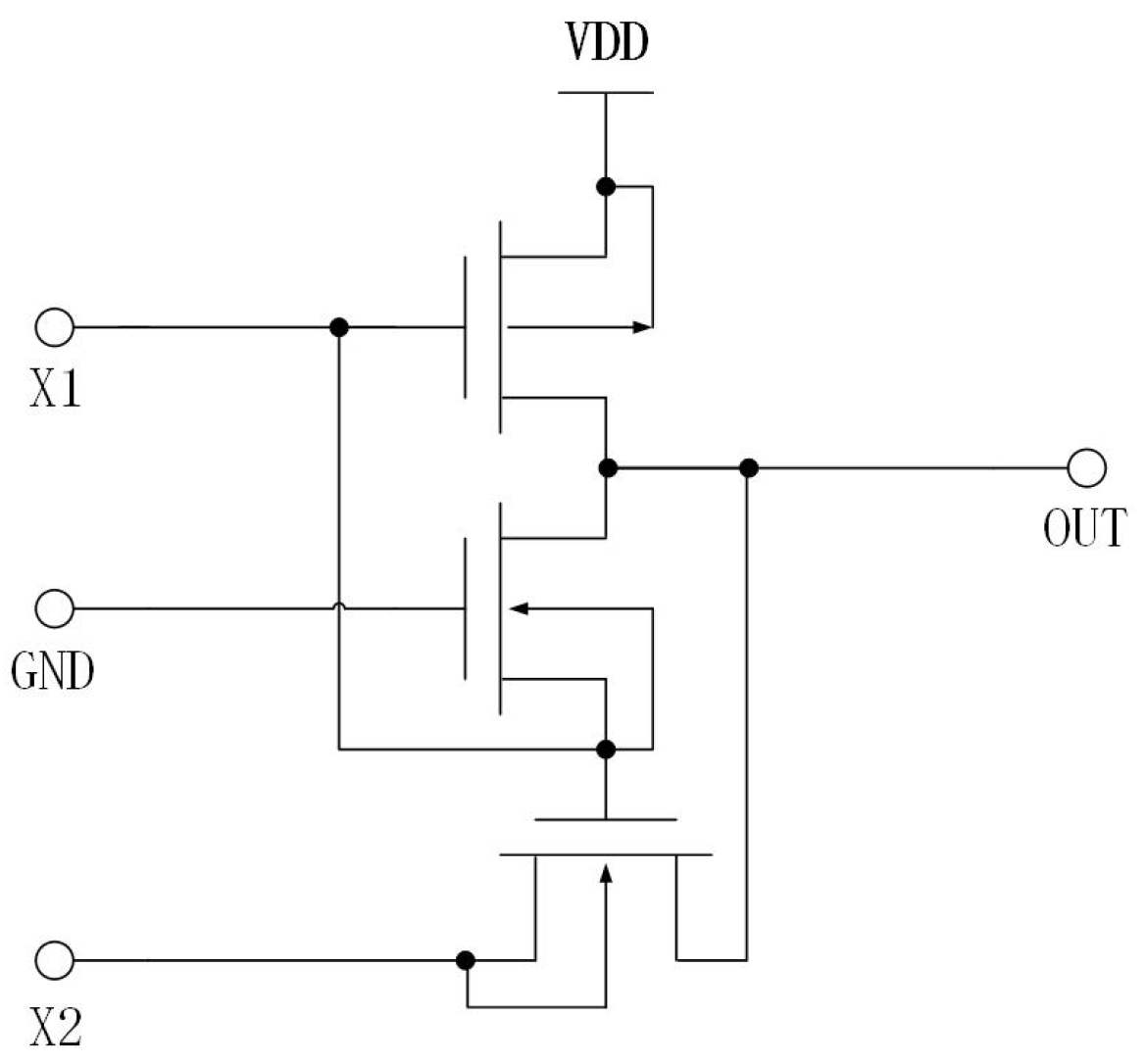
3.2.1. Circuit design of the Nonlinear Resistor
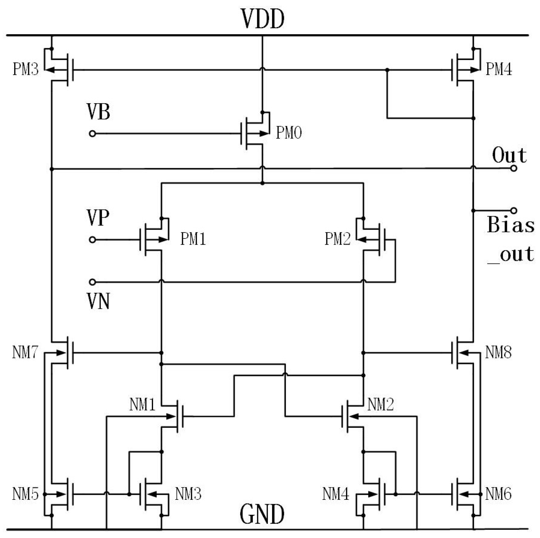
3.2.2. Implementation of the Operational Amplifier
4. Chaotic Chip Layout and Its Simulations
4.1. The Chip Layout Diagram
- Traditional Chua’s circuits are typically constructed using discrete components. The chaos circuit proposed in this article is completely integrated. The incorporation of this technology enhances the stability of the circuit while simultaneously minimizing the physical footprint required by conventional circuitry;
- The inductance L = 18 mH utilized in Chua’s circuit contributes to the generation of an oscillation frequency. The utilization of inductors results in higher power consumption; thus, the integration of chaotic circuits effectively addresses this issue;
- The Chua’s circuit constructed using discrete components is susceptible to external influences, leading to instability in the frequency of the inductor output. The VCO that has been proposed is completely integrated and demonstrates a high level of frequency stability;
- The integral differential nonlinear resistance circuit solves the problem of reducing system variables after replacing the LC oscillator with a VCO, and better realizes the complete integration of Cai’s chaotic circuit.
4.2. Simulation Results
4.2.1. Chaotic Phenomenon
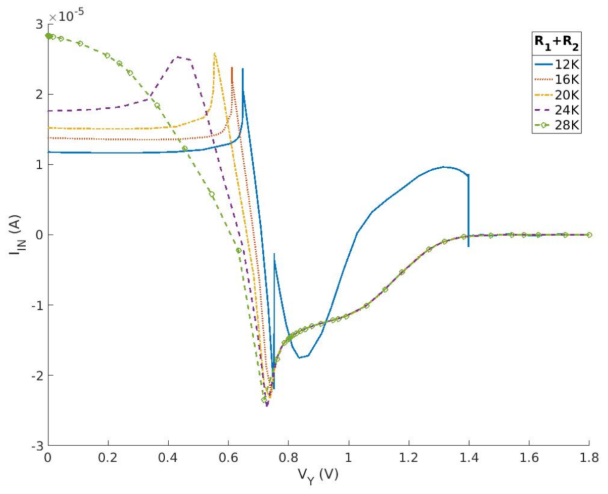
4.2.2. The Impact of Device Parameters on Chaotic Effects
4.3. Performance Comparison
5. Conclusions
Author Contributions
Funding
Institutional Review Board Statement
Informed Consent Statement
Data Availability Statement
Acknowledgments
Conflicts of Interest
References
- Faure, P.; Korn, H. Is there chaos in the brain? I. Concepts of nonlinear dynamics and methods of investigation. Comptes Rendus Acad. Sci. III 2001, 324, 773–793. [Google Scholar] [CrossRef]
- Chua, L.O.; Komuro, M.; Matsumoto, T. The double scroll family. IEEE Trans. Circuits Syst. 1986, 33, 1072–1118. [Google Scholar] [CrossRef]
- Fortuna, L.; Frasca, M.; Xibilia, M.G.; Ebrary, I. Chua’s Circuit Implementations: Yesterday, Today and Tomorrow; World Scientific: London, UK, 2009. [Google Scholar] [CrossRef]
- Elwakil, A.S.; Kennedy, M.P. A semi-systematic procedure for producing chaos from sinusoidal oscillators using diode-inductor and FET-capacitor composites. Circuits Syst. I Regul. Pap. IEEE Trans. 2000, 47, 582–590. [Google Scholar] [CrossRef]
- Yalcin, M.E.; Suykens, J.; Vandewalle, J. True random bit generation from a double-scroll attractor. IEEE Trans. Circuits Syst. I Fundam. Theory Appl. 2004, 51, 1395–1404. [Google Scholar] [CrossRef]
- Shen, C.; Yu, S.; Lu, J.; Chen, G. A Systematic Methodology for Constructing Hyperchaotic Systems With Multiple Positive Lyapunov Exponents and Circuit Implementation. IEEE Trans. Circuits Syst. I Regul. Pap. 2017, 61, 854–864. [Google Scholar] [CrossRef]
- Jia, H.Y.; Chen, Z.Q.; Qi, G.Y. Chaotic Characteristics Analysis and Circuit Implementation for a Fractional-Order System. IEEE Trans. Circuits Syst. I Regul. Pap. 2017, 61, 845–853. [Google Scholar] [CrossRef]
- Bao, B.; Wang, N.; Xu, Q.; Wu, H.; Hu, Y. A Simple Third-Order Memristive Band Pass Filter Chaotic Circuit. IEEE Trans. Circuits Syst. II Express Briefs 2017, 64, 977–981. [Google Scholar] [CrossRef]
- Hua, Z.; Zhou, B.; Zhou, Y. Sine Chaotification Model for Enhancing Chaos and Its Hardware Implementation. IEEE Trans. Ind. Electron. 2018, 66, 1273–1284. [Google Scholar] [CrossRef]
- Li, C.; Lin, D.; Lü, J. Cryptanalyzing an Image-Scrambling Encryption Algorithm of Pixel Bits. IEEE Multimed. 2017, 24, 64–71. [Google Scholar] [CrossRef]
- Madan, R.N.; Guest, E. Chua’s Circuit: A Paredigm for Chaos; World Scientific: London, UK, 1993. [Google Scholar] [CrossRef]
- Tang, W.K.; Zhong, G.; Chen, G.; Man, K. Generation of n-scroll attractors via sine function. IEEE Trans. Circuits Syst. I Fundam. Theory Appl. 2001, 48, 1369–1372. [Google Scholar] [CrossRef]
- Srisuchinwong, B.; San-Um, W. A Chua’s chaotic oscillator based on a coarsely cubic-like CMOS Resistor. In Proceedings of the 2007 Asia-Pacific Conference on Communications, Bangkok, Thailand, 18–20 October 2007; pp. 47–49. [Google Scholar] [CrossRef]
- Tlelo-Cuautle, E.; Jimenez-Fuentes, J.M.; Espinosa-Flores-Verdad, G.; Munoz-Pacheco, J.M.; Rocha-Perez, J.M.; Sanchez-Lopez, C.; Trejo-Guerra, R. Integrated circuit generating 3- and 5-scroll attractors. Commun. Nonlinear Sci. Numer. Simul. 2012, 17, 4328–4335. [Google Scholar] [CrossRef]
- Jafari, S.; Sprott, J. Simple chaotic flows with a line equilibrium. Chaos Solitons Fractals 2013, 57, 79–84. [Google Scholar] [CrossRef]
- Tahir, F.R.; Jafari, S.; Pham, V.T.; Volos, C.; Wang, X. A novel no-equilibrium chaotic system with multiwing butterfly attractors. Int. J. Bifurc. Chaos 2015, 25, 1550056. [Google Scholar] [CrossRef]
- Hong, Q.; Xie, Q.; Xiao, P. A novel approach for generating multi-direction multi-double-scroll attractors. Nonlinear Dyn. 2017, 87, 1015–1030. [Google Scholar] [CrossRef]
- Wang, C.; Liu, X.; Xia, H. Multi-piecewise quadratic nonlinearity memristor and its 2N-scroll and 2N+1-scroll chaotic attractors system. Chaos 2017, 27, 033114. [Google Scholar] [CrossRef] [PubMed]
- Karthikeyan, R.; Serdar, C.; Peiman, N.; Khalaf, A.J.M.; Sajad, J.; Anitha, K. A novel parametrically controlled multi-scroll chaotic attractor along with electronic circuit design. Eur. Phys. J. Plus 2018, 133, 354. [Google Scholar] [CrossRef]
- Dai, S.; Sun, K.; He, S.; Ai, W. Complex chaotic attractor via fractal transformation. Entropy 2019, 21, 1115. [Google Scholar] [CrossRef]
- Zhang, J.; Guo, Y.; Xu, L.; Zhu, X.; Yang, J. Hyperchaotic circuit design based on memristor and its application in image encryption. Microelectron. Eng. 2022, 265, 111872. [Google Scholar] [CrossRef]
- Wang, Z.; Liu, S. Design and Implementation of Simplified Symmetry Chaotic Circuit. Symmetry 2022, 14, 2299. [Google Scholar] [CrossRef]
- Wang, N.; Xu, D.; Iu, H.H.C.; Wang, A.; Chen, M.; Xu, Q. Dual Chua’s Circuit. IEEE Trans. Circuits Syst. I Regul. Pap. 2024, 71, 1222–1231. [Google Scholar] [CrossRef]
- Wang, N.; Cui, M.; Yu, X.; Shan, Y.; Xu, Q. Generating multi-folded hidden Chua’s attractors: Two-case study. Chaos Solitons Fractals 2023, 177, 114242. [Google Scholar] [CrossRef]
- Wang, N.; Xu, D.; Li, Z.; Xu, Q. A general configuration for nonlinear circuit employing current-controlled nonlinearity: Application in Chua’s circuit. Chaos Solitons Fractals 2023, 177, 114233. [Google Scholar] [CrossRef]
- Wu, X.; Fu, L.; He, S.; Yao, Z.; Wang, H.; Han, J. Hidden attractors in a new fractional-order Chua system with arctan nonlinearity and its DSP implementation. Results Phys. 2023, 52, 106866. [Google Scholar] [CrossRef]
- Zhao, Y.; Ding, J.; He, S.; Wang, H.; Sun, K. Fully fixed-point integrated digital circuit design of discrete memristive systems. AEU Arch. Elektron. Ubertragungstechnik Electron. Commun. 2023, 161, 154522. [Google Scholar] [CrossRef]
- Chua, L.O. Chua’s circuit 10 years later. Int. J. Circuit Theory Appl. 1994, 22, 279–305. [Google Scholar] [CrossRef]
- Nguyen, N.; Kaddoum, G.; Giard, P.; Pham-Nguyen, L. A fully CMOS circuit design for an autonomous continuous chaotic system. System 2020, 102, 2887–2904. [Google Scholar]
- Eken, Y.A.; Uyemura, J.P. A 5.9-GHz voltage-controlled ring oscillator in 0.18-μm CMOS. IEEE J. Solid-State Circuits 2004, 39, 230–233. [Google Scholar] [CrossRef]
- Tlelo-Cuautle, E.; Castañeda-Aviña, P.R.; Trejo-Guerra, R.; Carbajal-Gómez, V.H. Design of a wide-band voltage-controlled ring oscillator implemented in 180 nm CMOS technology. Electronics 2019, 8, 1156. [Google Scholar] [CrossRef]
- Stadelmayer, M.; Schumacher, T.; Faseth, T.; Pretl, H. A 1.2-V 180-nm CMOS low-power multi-band ring oscillator based frequency synthesizer for edge-combining transmitters. In Proceedings of the 2020 18th IEEE International New Circuits and Systems Conference (NEWCAS), Montreal, QC, Canada, 16–19 June 2020; IEEE: Toulouse, France, 2020; pp. 22–25. [Google Scholar] [CrossRef]
- Kinget, P. Integrated GHz voltage controlled oscillators. In Analog Circuit Design: (X) DSL and Other Communication Systems; RF MOST Models; Integrated Filters and Oscillators; Springer: Boston, MA, USA, 1999; pp. 353–381. [Google Scholar] [CrossRef]
- Preston, D.J.; Jiang, H.J.; Sanchez, V.; Rothemund, P.; Rawson, J.; Nemitz, M.P.; Lee, W.K.; Suo, Z.; Walsh, C.J.; Whitesides, G.M. A soft ring oscillator. Sci. Robot. 2019, 4, eaaw5496. [Google Scholar] [CrossRef]
- Zhu, L.; Pan, M.; Qiao, X. A chaotic circuit under a new classification framework of inductorless Chua’s circuits. Circuit World 2019, 45, 208–220. [Google Scholar] [CrossRef]
- Kennedy, M.P. Three steps to chaos. I. Evolution. IEEE Trans. Circuits Syst. I Fundam. Theory Appl. 1993, 40, 640–656. [Google Scholar] [CrossRef]
- Moon, Y.J.; Roh, Y.S.; Jeong, C.Y.; Yoo, C. A 4.39–5.26 GHz LC-Tank CMOS Voltage-Controlled Oscillator with Small VCO-Gain Variation. IEEE Microw. Wirel. Components Lett. 2009, 19, 524–526. [Google Scholar] [CrossRef]
- Kavyashree, C.L.; Hemambika, M.; Dharani, K.; Naik, A.V.; Sunil, M.P. Design and implementation of two stage CMOS operational amplifier using 90nm technology. In Proceedings of the 2017 International Conference on Inventive Systems and Control (ICISC), Coimbatore, India, 19–20 January 2017; pp. 1–4. [Google Scholar] [CrossRef]
- Huijsing, J.H.; Linebarger, D. Low-voltage operational amplifier with rail-to-rail input and output ranges. IEEE J. Solid-State Circuits 1985, 20, 1144–1150. [Google Scholar] [CrossRef]
- Zhang, H.; Sun, K.; He, S. A fractional-order ship power system with extreme multistability. Nonlinear Dyn. 2021, 106, 1027–1040. [Google Scholar] [CrossRef]
- Yan, D.; Ji’e, M.; Wang, L.; Duan, S. A novel memristor-based chaotic system with line equilibria and its complex dynamics. Mod. Phys. Lett. B 2021, 35, 2150495. [Google Scholar] [CrossRef]
- Etoundi, C.M.L.; Nkapkop, J.D.D.; Tsafack, N.; Ngono, J.M.; Ele, P.; Wozniak, M.; Shafi, J.; Ijaz, M.F. A novel compound-coupled hyperchaotic map for image encryption. Symmetry 2022, 14, 493. [Google Scholar] [CrossRef]
- Saber, M.; Hagras, E.A. Parallel multi-layer selector S-Box based on Lorenz chaotic system with FPGA implementation. Indones. J. Electr. Eng. Comput. Sci. 2020, 19, 784–792. [Google Scholar] [CrossRef]
- Wannaboon, C.; Tachibana, M.; San-Um, W. A 0.18-μm CMOS high-data-rate true random bit generator through δσ modulation of chaotic jerk circuit signals. Chaos: Interdiscip. J. Nonlinear Sci. 2018, 28, 063126. [Google Scholar] [CrossRef] [PubMed]
- Nguyen, N.; Kaddoum, G.; Pareschi, F.; Rovatti, R.; Setti, G. A fully CMOS true random number generator based on hidden attractor hyperchaotic system. Nonlinear Dyn. 2020, 102, 2887–2904. [Google Scholar] [CrossRef]
- Duan, Z.; Wang, H.; He, S.; Li, S.; Yan, S.; Zhao, X.; Yu, X.; Yang, G.; Tan, H. A fully integrated chaos generator based on voltage controlled oscillator. Microelectron. J. 2022, 126, 105514. [Google Scholar] [CrossRef]
- Prasad, S.S.; Kumar, P.; Ranjan, R.K. Resistorless Memristor Emulator Using CFTA and Its Experimental Verification. IEEE Access 2021, 9, 64065–64075. [Google Scholar] [CrossRef]
- Hedayatipour, A.; McFarlane, N. An Encryption Architecture Suitable for on Chip Integration With Sensors. IEEE J. Emerg. Sel. Top. Circuits Syst. 2021, 11, 395–404. [Google Scholar] [CrossRef]
- Khanday, F.A.; Kant, N.A.; Dar, M.R.; Zulkifli, T.Z.A.; Psychalinos, C. Low-voltage low-power integrable CMOS circuit implementation of integer-and fractional–order FitzHugh–Nagumo neuron model. IEEE Trans. Neural Netw. Learn. Syst. 2018, 30, 2108–2122. [Google Scholar] [CrossRef] [PubMed]
- Gu, B.; Tang, X.; Chen, C.; Mandal, S. A Fully-Integrated CMOS Hyperchaotic Map for Obfuscated IoT Communications. In Proceedings of the 2021 IEEE International Midwest Symposium on Circuits and Systems (MWSCAS), Lansing, MI, USA, 9–11 August 2021; IEEE: Toulouse, France, 2021; pp. 587–592. [Google Scholar] [CrossRef]
















| Element | Transistor | Size (W/L (m)) | Transistor | Size (W/L (m)) |
|---|---|---|---|---|
| Delay Cell | NM1 | 1.0/0.2 | NM2 | 1.0/0.2 |
| NM3 | 0.6/0.5 | NM4 | 0.6/0.5 | |
| XNOR | NM5 | 1.0/0.2 | NM6 | 1.0/0.2 |
| NM7 | 0.3/0.2 | NM8 | 0.3/0.2 | |
| Transfer | PM0 | 3.0/0.2 | PM1 | 1.5/0.2 |
| PM2 | 1.5/0.2 | PM3 | 0.6/0.2 |
| Transistor | Size (W/L (m)) | Transistor | Size (W/L (m)) |
|---|---|---|---|
| NM1 | 1.0/0.2 | NM2 | 1.0/0.2 |
| NM3 | 0.6/0.5 | NM4 | 0.6/0.5 |
| NM5 | 1.0/0.2 | NM6 | 1.0/0.2 |
| NM7 | 0.3/0.2 | NM8 | 0.3/0.2 |
| PM0 | 3.0/0.2 | PM1 | 1.5/0.2 |
| PM2 | 1.5/0.2 | PM3 | 0.6/0.2 |
| PM4 | 0.6/0.2 |
| [Ref. No.] | Architecture | Oscillation Frequency (MHz) | Supply Voltage (V) | Power (mW) | CMOS Process (m) | Chip Area (mm2) |
|---|---|---|---|---|---|---|
| [21] | FPGA | 6 (KHz) | - | - | Discrete | - |
| [30] | Single VDTA | 20 | ±0.9 | 0.243 | 0.18 | - |
| [22] | OTA | - | - | 2.6 | 180 nm | - |
| [35] | FTICC | - | ±15 | - | Discrete | 8.2 × 3.6 (cm2) |
| [39] | Chaotic PWM | 1.2 | 3.3 | - | 0.18 | 0.626 |
| [44] | True Random-Bit Generator | - | 1.8 | 1.32 | 0.18 | 0.037 |
| [45] | TRBG | 100 | 1.8 | 0.9 | 0.18 | - |
| [46] | Single-Delay VCO | 0.011–0.036 | 1.8 | 2.0892 | 0.18 | 0.039 |
| [47] | CFTA | 9 | ±1.2 | - | 0.18 | - |
| [48] | TS-CSK | - | 1.8 | 1.5 | 0.18 | 1.5 |
| [49] | Grounded Capactitors | - | 0.65 | 0.252 | 0.13 | 0.12 |
| [50] | IOT | 6.25 | 2 | 4.5 | 0.18 | 2 |
| This Work | Multi-Path VCO | 320 | 1.8 | 1.0782 | 0.18 | 0.0165 |
Disclaimer/Publisher’s Note: The statements, opinions and data contained in all publications are solely those of the individual author(s) and contributor(s) and not of MDPI and/or the editor(s). MDPI and/or the editor(s) disclaim responsibility for any injury to people or property resulting from any ideas, methods, instructions or products referred to in the content. |
© 2024 by the authors. Licensee MDPI, Basel, Switzerland. This article is an open access article distributed under the terms and conditions of the Creative Commons Attribution (CC BY) license (https://creativecommons.org/licenses/by/4.0/).
Share and Cite
Duan, Z.; Li, H.; He, S.; Long, Y.; Yu, X.; Ke, Q. Integrated Circuit of a Chua’s System Based on the Integral-Differential Nonlinear Resistance with Multi-Path Voltage-Controlled Oscillator. Micromachines 2024, 15, 401. https://doi.org/10.3390/mi15030401
Duan Z, Li H, He S, Long Y, Yu X, Ke Q. Integrated Circuit of a Chua’s System Based on the Integral-Differential Nonlinear Resistance with Multi-Path Voltage-Controlled Oscillator. Micromachines. 2024; 15(3):401. https://doi.org/10.3390/mi15030401
Chicago/Turabian StyleDuan, Zhikui, Huosheng Li, Shaobo He, Yongxi Long, Xinmei Yu, and Qingqing Ke. 2024. "Integrated Circuit of a Chua’s System Based on the Integral-Differential Nonlinear Resistance with Multi-Path Voltage-Controlled Oscillator" Micromachines 15, no. 3: 401. https://doi.org/10.3390/mi15030401
APA StyleDuan, Z., Li, H., He, S., Long, Y., Yu, X., & Ke, Q. (2024). Integrated Circuit of a Chua’s System Based on the Integral-Differential Nonlinear Resistance with Multi-Path Voltage-Controlled Oscillator. Micromachines, 15(3), 401. https://doi.org/10.3390/mi15030401

