Next Article in Journal
Nano-Workbench: A Combined Hollow AFM Cantilever and Robotic Manipulator
Previous Article in Journal
Optimizing Polymer Lab-on-Chip Platforms for Ultrasonic Manipulation: Influence of the Substrate
Previous Article in Special Issue
A Compact W-Band Reflection-Type Phase Shifter with Extremely Low Insertion Loss Variation Using 0.13 µm CMOS Technology
 
 
Font Type:
Arial Georgia Verdana
Font Size:
Aa Aa Aa
Line Spacing:
Column Width:
Background:
Article

Design of 340 GHz 2× and 4× Sub-Harmonic Mixers Using Schottky Barrier Diodes in Silicon-Based Technology

1
School of Microelectronics and Solid-State Electronics, University of Electronic Science and Technology of China, Chengdu 610054, China
2
Semiconductor Device Research Laboratory, Terahertz Research Centre, CAEP, Chengdu 611731, China
*
Author to whom correspondence should be addressed.
Micromachines 2015, 6(5), 592-599; https://doi.org/10.3390/mi6050592
Submission received: 1 March 2015 / Revised: 2 May 2015 / Accepted: 7 May 2015 / Published: 12 May 2015
(This article belongs to the Special Issue Advances in MMICs)

Abstract

:
This paper presents the design of terahertz 2× and 4× sub-harmonic down-mixers using Schottky Barrier Diodes fabricated in standard 0.13 μm SiGe BiCMOS technology. The 340 GHz sub-harmonic mixers (SHMs) are designed based on anti-parallel-diode-pairs (APDPs). With the 2nd and 4th harmonic, local oscillator (LO) frequencies of 170 GHz and 85 GHz are used to pump the two 340 GHz SHMs. With LO power of 7 dBm, the 2× SHM exhibits a conversion loss of 34.5–37 dB in the lower band (320–340 GHz) and 35.5–41 dB in the upper band (340–360 GHz); with LO power of 9 dBm, the 4× SHM exhibits a conversion loss of 39–43 dB in the lower band (320–340 GHz) and 40–48 dB in the upper band (340–360 GHz). The measured input 1-dB conversion gain compression point for the 2× and 4× SHMs are −8 dBm and −10 dBm at 325 GHz, respectively. The simulated LO-IF (intermediate frequency) isolation of the 2× SHM is 21.5 dB, and the measured LO-IF isolation of the 4× SHM is 32 dB. The chip areas of the 2× and 4× SHMs are 330 μm × 580 μm and 550 μm × 610 μm, respectively, including the testing pads.

1. Introduction

In the design of millimeter wave or terahertz transceiver, the generation of the LO signal with high power is rather difficult. Using sub-harmonic mixers is the alternative solution by reducing the LO frequency by half or even higher order. The topology of anti-parallel-diode-pair (APDP) has its advantages of no Direct Current (DC) power consumption, suppressing all even harmonics of the LO signal, and with compact structure; thus, it becomes a popular scheme to realize a sub-harmonic mixer (SHM). Schottky barrier diodes (SBDs) have been widely used to implement a high frequency APDP due to their high switching speed and low voltage drop [1]. Recently, quite a number of SBDs based SHMs have been demonstrated using III-V technologies [2,3,4] and silicon-based technologies [5,6]. However, SHM utilizing SBDs in silicon-based technologies for terahertz applications has seldom been reported.
In this paper, we present the design of the 340 GHz 2× and 4× sub-harmonic down-mixers using Schottky barrier diodes fabricated in a standard 0.13 μm SiGe BiCMOS technology.

2. Schottky Barrier Diode Structurre

Figure 1 shows the cross section of the Schottky barrier diode without any process modifications in 0.13 μm SiGe BiCMOS. The diode is fabricated in an n-well as the figure shows. The Schottky contact is formed on the diffusion region where there are no implants. The ohmic contacts are formed on n implanted parts of an n-well. The anode and cathode are also shown with metal connections. The static current IA of the diode is expressed as Equation (1) shows:
I A = I S { exp [ q ( V A C R S I A ) n K T ] 1 }
where IS is the reverse saturated current, n is the ideality factor, VAC is the voltage applied on the diode, RS is the parasitic series resistance, K is the Boltzmann constant, T is the temperature in Kelvin. The simulated DC sweep of the SBD with dimension of 1 μm × 0.3 μm is depicted in Figure 2, from which a reverse saturated current of 2.06 nA and an ideality factor of 4.135 are calculated. Also, a series resistance of 26.3 Ohm, and zero bias junction capacitance of 20 fF are calculated from simulation which implies a cut-off frequency of 302 GHz.
Figure 1. Cross section of the Schottky barrier diode.
Figure 1. Cross section of the Schottky barrier diode.
Micromachines 06 00592 g001
Figure 2. Simulated DC response of the Schottky barrier diode (SBD) with dimension of 1 μm × 0.3 μm.
Figure 2. Simulated DC response of the Schottky barrier diode (SBD) with dimension of 1 μm × 0.3 μm.
Micromachines 06 00592 g002

3. Circuit Design

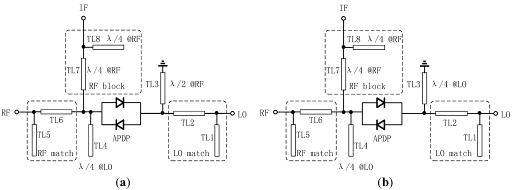
The topologies of the designed SHMs are shown in Figure 3. APDP is used as the mixing core and micro-strip transmission lines (TLs) are deployed for impedance matching. The IF frequency (fIF) of the SHM can be expressed as follows [4]:
f I F = | f R F 2 n f L O |   ( n : integer )
In our proposed design, the 2nd and the 4th harmonics of the LO signal are used for mixing so that the radio frequency (RF) frequency is about 2 and 4 times of the LO frequency. At the LO port in Figure 3a, TL3, the half wave length shorted stub at RF frequency acts as both a shorted circuit for RF frequency and an opened circuit for LO frequency, so that RF signals are shorted but LO signals are not affected. At LO port in Figure 3b, TL3, the quarter wave length shorted stub at LO frequency acts as both a shorted circuit for RF frequency and an opened circuit for LO frequency.
Figure 3. Topology of the 340 GHz sub-harmonic down-mixers: (a) 2× sub-harmonic mixer (SHM) and (b) 4× SHM.
Figure 3. Topology of the 340 GHz sub-harmonic down-mixers: (a) 2× sub-harmonic mixer (SHM) and (b) 4× SHM.
Micromachines 06 00592 g003
Similarly, at RF port, TL4, an open quarter wave length shunt stub at LO frequency, forms the grounding path for LO signals and open for RF signals. Transmission lines, TL1 and TL2, are the LO match network; transmission lines TL5 and TL6, are the RF match network. At IF port, TL8, an open quarter wave length transmission line at RF frequency and TL7, a series quarter wave length transmission line at RF frequency serve as the RF choke.
Concern that the 4× SHM is to use the 4th harmonic of the LO signal to pump the APDP; the LO-RF isolation is inherently larger than its 2nd harmonic counterparts due to the huge difference between the RF and LO frequencies.
The TLs used are fabricated by the top metal layer with the thickness of 3 μm and the ground metal with the thickness of 0.4 μm; the space between the two is 9.83 μm. All the transmission lines in this design have the characteristic impedance of 50 Ohm, with the strip width of 16 μm. The simulation is done with extensive EM simulations by High Frequency Structure Simulator (HFSS) along with the SBD model in Advanced Design Systems (ADS) provided by the Process Design Kit (PDK).

4. Measurement and Discussion

Figure 4 shows the die photographs of the two fabricated 340 GHz SHMs, with the dimensions of 330 μm × 580 μm and 550 μm × 610 μm including the testing pads. The SHMs are measured on wafer with ground-signal-ground (GSG) probes.
The S-parameters are measured with an Agilent vector network analyzer (VNA) and a VDI extender up to 347 GHz. The measured and simulated LO and RF return losses are depicted in Figure 5. The LO return losses of the 2× SHM show slight frequency drift towards higher frequencies whereas the LO return losses of the 4× SHM show frequency drift towards lower frequencies, as shown in Figure 5a,c, respectively. However, the impedance matching for the LO signals are good enough at the central frequencies of 170 GHz and 85 GHz for the two mixers. The measured RF return losses are limited to 347 GHz. However, it can be seen that the measured and simulated results are in good agreement throughout the measured frequency range.
Figure 4. Die photographs of the 340 GHz SHMs: (a) 2× SHM and (b) 4× SHM.
Figure 4. Die photographs of the 340 GHz SHMs: (a) 2× SHM and (b) 4× SHM.
Micromachines 06 00592 g004
Figure 5. Measured and simulated S parameters of the 2× and 4× SHMs: (a) Return losses at LO port of the 2× SHM; (b) return losses at RF port of the 2× SHM; (c) return losses at LO port of the 4× SHM; and (d) return losses at RF port of the 2× SHM.
Figure 5. Measured and simulated S parameters of the 2× and 4× SHMs: (a) Return losses at LO port of the 2× SHM; (b) return losses at RF port of the 2× SHM; (c) return losses at LO port of the 4× SHM; and (d) return losses at RF port of the 2× SHM.
Micromachines 06 00592 g005
For achieving better down-mixing performance, a proper LO power is needed to pump the SHM to result in less conversion loss and lower noise figure (NF). At the RF frequency of 335 GHz and LO frequencies of 170 GHz or 85 GHz, the simulated conversion loss and NF versus LO power for both of the mixers are depicted in Figure 6. For the 2× SHM, the optimal LO power is about 10 dBm from simulation. However, 7 dBm is used during measurement due to the limitation of the 170 GHz signal source. And for the 4× SHM, the simulated optimal LO power is 8 dBm; and the measured optimal LO power is 9 dBm.
Figure 7 depicts the measured and simulated conversion losses of the two SHMs when the LO frequency is fixed at 170 GHz with 7 dBm power or at 85 GHz with 9 dBm power. For the 2× SHM, the measured lower band (320–340 GHz) conversion loss is 34.5–37 dB, which is about 2-dB larger than the simulation results on average. For the 4× SHM, the measured lower band (320–340 GHz) conversion loss is 39–43 dB, which is in good agreement with the simulated result; but the measured conversion loss for the upper band (340–360 GHz) is 40–48 dB, which is much larger than the simulated results. This may be due to the model inaccuracies of the Schottky barrier diode.
The conversion losses and IF output power versus the RF input power measured at 325 GHz for the two mixers are illustrated in Figure 8, which shows that the measured input 1-dB compression point is −8 dBm and −10 dBm for the 2× SHM and 4× SHM, respectively.
At the LO frequency of 80–90 GHz, the measured LO-IF isolation of the 4× SHM is depicted in Figure 9b. More than 28-dB isolation is achieved in the corresponding frequency range. In our measurement setup, coaxial cables are used to connect the probes lower than 110 GHz, while waveguides are used to connect the probes higher than 110 GHz. As a result, the measurement of the 2× SHM LO-IF isolation is not applicable, since the 170 GHz LO signal is heavily suppressed at the IF port due to the low pass feature of the coaxial cable. The simulated LO-IF isolation for the 2× SHM is presented in Figure 9a instead.
Figure 6. Simulated conversion loss and noise figure (NF) versus LO power: (a) 2× SHM and (b) 4× SHM.
Figure 6. Simulated conversion loss and noise figure (NF) versus LO power: (a) 2× SHM and (b) 4× SHM.
Micromachines 06 00592 g006
Figure 7. Measured and simulated conversion loss of the SHM: (a) 2× SHM and (b) 4× SHM.
Figure 7. Measured and simulated conversion loss of the SHM: (a) 2× SHM and (b) 4× SHM.
Micromachines 06 00592 g007
Figure 8. Measured conversion loss and IF output power versus RF power: (a) 2× SHM and (b) 4× SHM.
Figure 8. Measured conversion loss and IF output power versus RF power: (a) 2× SHM and (b) 4× SHM.
Micromachines 06 00592 g008
Figure 9. LO-IF port isolation: (a) simulated isolation of 2× SHM and (b) measured isolation of 4× SHM.
Figure 9. LO-IF port isolation: (a) simulated isolation of 2× SHM and (b) measured isolation of 4× SHM.
Micromachines 06 00592 g009
The simulated SSB NF of the two mixers are 34–36 dB and 39–41 dB within 320–360 GHz. The actual NF is estimated to be about the same value of measured conversion loss due to the passive topology of SHMs.
Performance comparison between some reported APDP-based SHMs and this work is shown in Table 1. Comparing with the 94 GHz 4× SHM [4] and 122 GHz 2× SHM [5], our proposed SHMs work at much higher RF frequency. Comparing with the 245 GHz 2× SHM, our proposed 4× SHM requires a LO at lower frequency. The drawback of the proposed 2× SHM and 4× SHM is their high conversion loss due to the SBD’s low cut-off frequency provided by the foundry. Furture work shall be done to modify the SBD layout to increase the cut-off frequency, which will result in lower conversion loss of the sub-harmonic mixer.
Table 1. Performance comparison of anti-parallel-diode-pair (APDP)-based SHMs.
Table 1. Performance comparison of anti-parallel-diode-pair (APDP)-based SHMs.
Reference[4][5][6]This work
TechnologyGaAsSiGeSiGeSiGeSiGe
RF Frequency (GHz)94122245340340
Die Size (mm2)1.30.60.560.190.34
LO Power (dBm)10@RF/45@RF/26.5@RF/27@RF/29@RF/4
Input P1dB (dBm)−6−5Not Available−8−10
Conversion Loss (dB)11.481734.5–37 *39–43 *
Note: * Lower signal band (320–340 GHz).

5. Conclusions

This paper presents the design of the 340 GHz 2× and 4× SHMs using Schottky barrier diodes in a standard 0.13 μm SiGe BiCMOS technology without any post processing. With the LO frequency fixed at 170 GHz, the 2× SHM shows a conversion loss of 34.5–37 dB in the lower band (320–340 GHz) and 35.5–41 dB in the upper band (340–360 GHz). With the LO frequency fixed at 85 GHz, the 4× SHM shows a conversion loss of 39–43 dB in the lower band (320–340 GHz) and 40–48dB in the upper band (340–360 GHz). The measured input 1-dB compression points of the 2× SHM and 4× SHM are −8 dBm and −10 dBm, respectively.

Acknowledgments

The authors would like to thank National Institute of Metrology, China, for providing the measurement data and assistance in the research work presented.

Author Contributions

All authors contributed equally to this work.

Conflicts of Interest

The authors declare no conflict of interest.

References

  1. Sharma, B.L. Metal-Semiconductor Schottky Barrier Junctions and Their Applications; Springer U.S.: New York, NY, USA, 1984. [Google Scholar]
  2. Hung, S.-H.; Cheng, K.-W.; Wang, Y.-H. Broadband sub-harmonic mixer with a compact band pass filter. In Proceedings of 2012 Asia-Pacific Microwave Conference Proceedings (APMC), Kaohsiung, Taiwan, 4–7 December 2012; pp. 208–210.
  3. Morita, Y.; Kishimoto, S.; Ito, M.; Motoi, K. A low-spurious E-band GaAs MMIC frequency converter for over-Gbps wireless communication. In Proceedings of 2013 IEEE on Compound Semiconductor Integrated Circuit Symposium (CSICS), Monterey, CA, USA, 13–16 October 2013; pp. 1–4.
  4. Kanaya, K.; Kawakami, K.; Hisaka, T.; Ishikawa, T.; Sakamoto, S. A 94 GHz high performance quadruple subharmonic mixer MMIC. In Proceedings of 2002 IEEE MTT-S International Microwave Symposium Digest, Seattle, WA, USA, 2–7 June 2002; pp. 1249–1252.
  5. Sun, Y.; Scheytt, C.J. A 122 GHz subharmonic mixer with a modified APDP topology for IC integration. IEEE Microw. Wirel. Compon. Lett. 2011, 21, 679–681. [Google Scholar] [CrossRef]
  6. Mao, Y.; Schmalz, K.; Borngrabler, J.; Scheytt, J.C.; Meliani, C. 245 GHz subharmonic receivers in SiGe. In Proceedings of 2013 IEEE Radio Frequency Integrated Circuits Symposium (RFIC), Seattle, WA, USA, 2–4 June 2013; pp. 101–104.

Share and Cite

MDPI and ACS Style

Liu, C.; Li, Q.; Li, Y.; Li, X.; Liu, H.; Xiong, Y.-Z. Design of 340 GHz 2× and 4× Sub-Harmonic Mixers Using Schottky Barrier Diodes in Silicon-Based Technology. Micromachines 2015, 6, 592-599. https://doi.org/10.3390/mi6050592

AMA Style

Liu C, Li Q, Li Y, Li X, Liu H, Xiong Y-Z. Design of 340 GHz 2× and 4× Sub-Harmonic Mixers Using Schottky Barrier Diodes in Silicon-Based Technology. Micromachines. 2015; 6(5):592-599. https://doi.org/10.3390/mi6050592

Chicago/Turabian Style

Liu, Chao, Qiang Li, Yihu Li, Xiang Li, Haitao Liu, and Yong-Zhong Xiong. 2015. "Design of 340 GHz 2× and 4× Sub-Harmonic Mixers Using Schottky Barrier Diodes in Silicon-Based Technology" Micromachines 6, no. 5: 592-599. https://doi.org/10.3390/mi6050592

APA Style

Liu, C., Li, Q., Li, Y., Li, X., Liu, H., & Xiong, Y.-Z. (2015). Design of 340 GHz 2× and 4× Sub-Harmonic Mixers Using Schottky Barrier Diodes in Silicon-Based Technology. Micromachines, 6(5), 592-599. https://doi.org/10.3390/mi6050592

Article Metrics

Back to TopTop