Device and Circuit Co-Optimization of Split-Controlled Flip-Flops Against Aging Towards Low-Voltage Applications
Abstract
1. Introduction
2. Aging Effect in SCFF
2.1. Timing Metrics of SCFF
2.2. BTI-Induced Aging Mechanism
2.3. HCI Impact on Critical Transistors
3. Anti-Aging Strategies
3.1. Critical Transistors Affecting Aging
3.2. Reducing the BTI Effect Through Structural Modification
3.2.1. Optimization of Sensitive PMOS Transistor Conduction Time
3.2.2. Reconstruction of the Data Recovery Loop of the Main Latch
3.2.3. Stress Dispersion Design of the Slave Latch
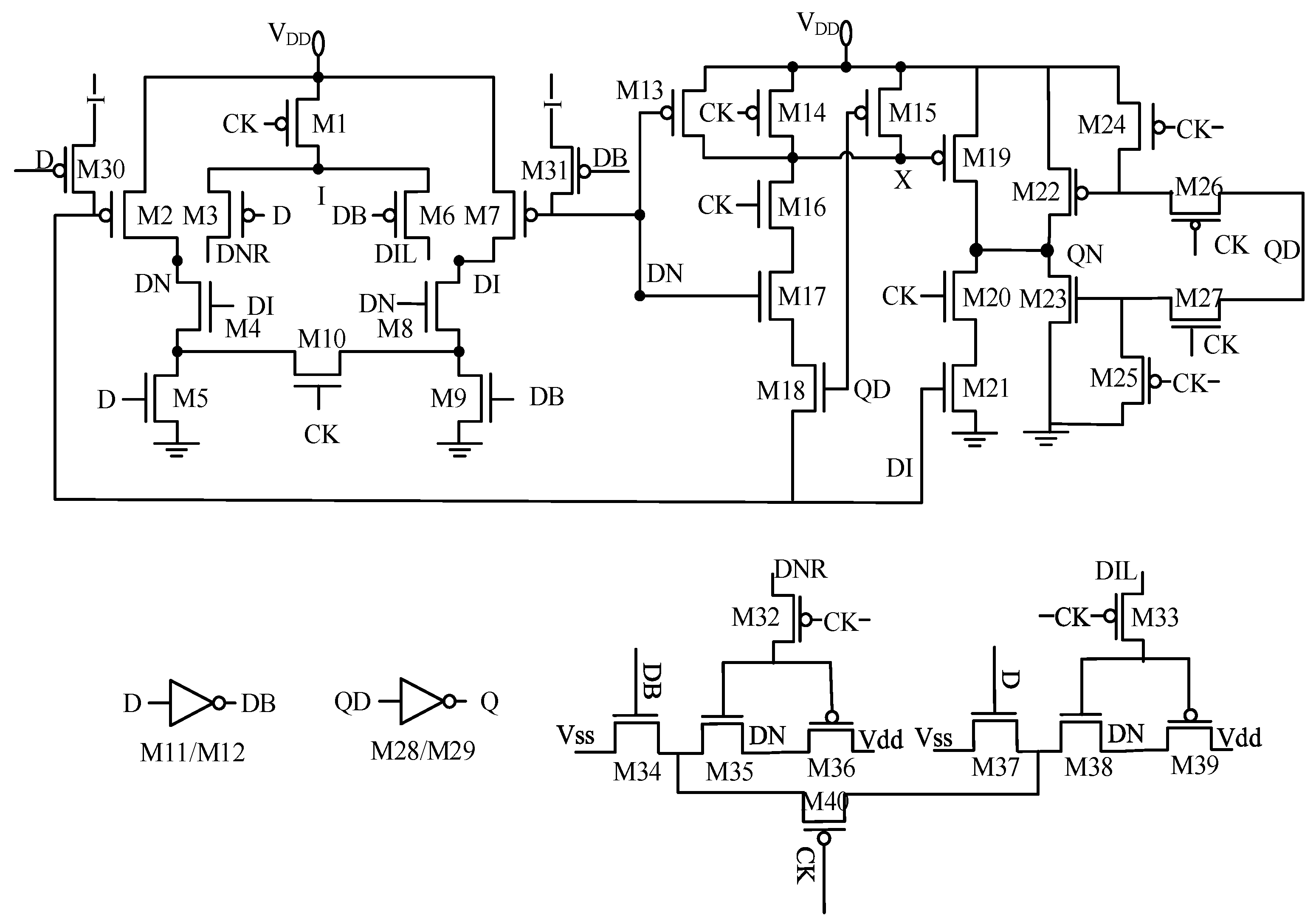
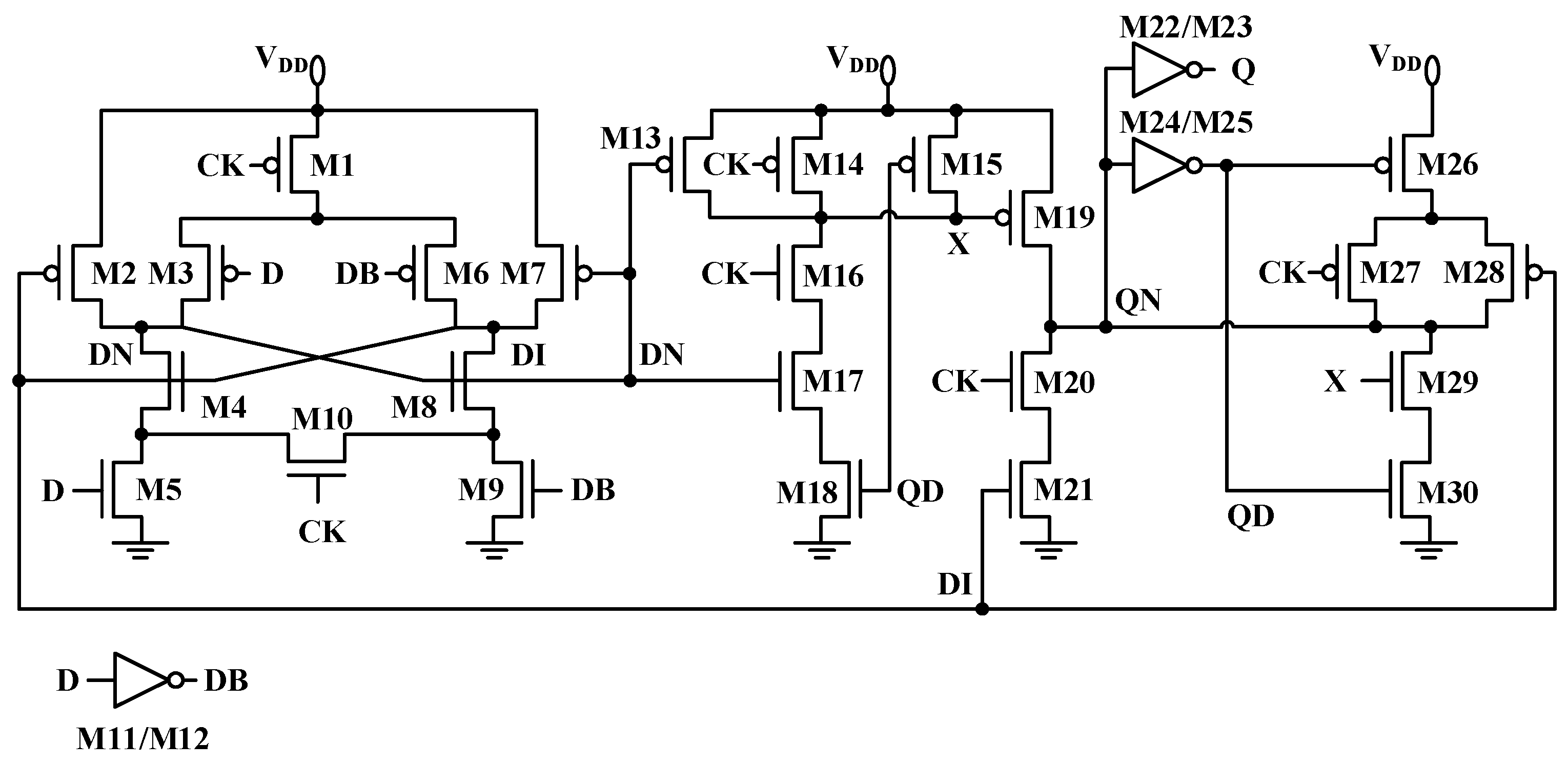
3.3. Transistor-Level Structure Reconfiguration
4. Results and Discussion
5. Conclusions
Author Contributions
Funding
Institutional Review Board Statement
Informed Consent Statement
Data Availability Statement
Conflicts of Interest
References
- Ding, Y.; Yan, C.; Qu, Y.; Zhao, Y. Re-examination of hot carrier degradation mechanism in ultra-scaled nFinFETs. IEEE Electron Device Lett. 2022, 43, 1802–1805. [Google Scholar] [CrossRef]
- Yu, Z.; Sun, Z.; Wang, R.; Zhang, J.; Huang, R. Hot carrier degradation-induced dynamic variability in FinFETs: Experiments and modeling. IEEE Trans. Electron Devices 2020, 67, 1517–1522. [Google Scholar] [CrossRef]
- Parihar, N.; Goel, N.; Mukhopadhyay, S.; Mahapatra, S. BTI analysis tool—Modeling of NBTI DC, AC stress and recovery time kinetics, nitrogen impact, and EOL estimation. IEEE Trans. Electron Devices 2017, 65, 392–403. [Google Scholar] [CrossRef]
- Yan, Z.; Huang, Y.; Jiao, H. A Low-Power Single-Phase Split-Controlled Flip-Flop with No Redundant Switching. In Proceedings of the 2024 IEEE International Symposium on Circuits and Systems (ISCAS), Singapore, Singapore, 19–22 May 2024; pp. 1–5. [Google Scholar] [CrossRef]
- Liu, L.N.; Li, B.; Zhao, M.J.; Xie, J. Design for Improved NBTI Reliability of CMOS Digital IC. In Proceedings of the 2010 IEEE International Conference of Electron Devices and Solid-State Circuits (EDSSC), Hong Kong, 15–17 December 2010; pp. 5–8. [Google Scholar]
- Keane, J.; Wang, X.; Persaud, D.; Kim, C.H. An All-In-One Silicon Odometer for Separately Monitoring HCI, BTI, and TDDB. IEEE J. Solid-State Circuits 2010, 45, 817–829. [Google Scholar] [CrossRef]
- Huard, V.; Denais, M.; Parthasarathy, C. NBTI degradation: From physical mechanisms to modelling. Microelectron. Reliab. 2006, 46, 1–23. [Google Scholar] [CrossRef]
- Schroder, D.K.; Babcock, J.A. Negative bias temperature instability: Road to cross in deep submicron silicon semiconductor manufacturing. J. Appl. Phys. 2003, 94, 1–18. [Google Scholar] [CrossRef]
- Ramakrishnan, K.; Wu, X.; Vijaykrishnan, N.; Xie, Y. Comparative Analysis of NBTI Effects on Low Power and High Performance FlipFlops. In Proceedings of the 2008 IEEE International Conference on Computer Design, Lake Tahoe, CA, USA, 12–15 October 2008; pp. 200–205. [Google Scholar]
- Jafari, A.; Raji, M.; Ghavami, B. Timing Reliability Improvement of Master-Slave Flip-Flops in the Presence of Aging Effects. IEEE Trans. Circuits Syst. I Regul. Pap. 2020, 67, 4761–4773. [Google Scholar] [CrossRef]
- Mintarno, E.; Chandra, V.; Pietromonaco, D.; Aitken, R.; Dutton, R.W. Workload dependent NBTI and PBTI analysis for a sub-45nm commercial microprocessor. In Proceedings of the 2013 IEEE International Reliability Physics Symposium (IRPS), Monterey, CA, USA, 14–18 April 2013; pp. 3A.1.1–3A.1.6. [Google Scholar]
- Kawai, N.; Takayama, S.; Masumi, J.; Kikuchi, N.; Itoh, Y.; Ogawa, K.; Ugawa, A.; Suzuki, H.; Tanaka, Y. A fully static topologically-compressed 21-transistor flip-flop with 75% power saving. IEEE J. Solid-State Circuits 2014, 49, 2526–2533. [Google Scholar] [CrossRef]
- Kim, Y.; Jung, W.; Lee, I.; Dong, Q.; Henry, M.; Sylvester, D.; Blaauw, D. A static contention-free single-phase-clocked 24 T flipflop in 45 nm for low-power applications. In Proceedings of the 2014 IEEE International Solid-State Circuits Conference Digest of Technical Papers (ISSCC), San Francisco, CA, USA, 9–13 February 2014; pp. 466–467. [Google Scholar]
- Cai, Y.; Savanth, A.; Prabhat, P.; Myers, J.; Weddell, A.S.; Kazmierski, T.J. Ultra-Low Power 18-Transistor Fully Static Contention-Free Single-Phase Clocked Flip-Flop in 65-nm CMOS. IEEE J. Solid-State Circuits 2019, 54, 550–559. [Google Scholar] [CrossRef]
- Paul, B.C.; Kunhyuk, K.; Kufluoglu, H.; Alam, M.A.; Roy, K. Temporal performance degradation under nbti: Estimation and design for improved reliability of nanoscale circuits. In Proceedings of the Proceedings of the Design Automation & Test in Europe Conference, Munich, Germany, 6–10 March 2006; Volume 1, pp. 1–6. [Google Scholar]
- Kang, K.; Kufluoglu, H.; Alain, M.A.; Roy, K. Efficient transistor-level sizing technique under temporal performance degradation due to nbti. In Proceedings of the 2006 International Conference on Computer Design, San Jose, CA, USA, 1–4 October 2006; pp. 216–221. [Google Scholar]
- Huang, R.; Jiang, X.B.; Guo, S.F.; Ren, P.P.; Hao, P.; Yu, Z.Q.; Zhang, Z.; Wang, Y.Y.; Wang, R.S. Variability- and reliability-aware design for 16/14 nm and beyond technology. In Proceedings of the 2017 IEEE International Electron Devices Meeting (IEDM), San Francisco, CA, USA, 2–6 December 2017; pp. 12.4.1–12.4.4. [Google Scholar] [CrossRef]
- Chandrakasan, A.P. Analysis of Reliability of Flip-Flops under Transistor Aging Effects in Nano-scale CMOS Technology. In Design of High-Performance Microprocessor Circuits; IEEE Press: Piscataway, NJ, USA, 2001; pp. 57–65. [Google Scholar]
- Alioto, M.; Consoli, E.; Palumbo, G. Variations in nanometer CMOS flip-flops: Part I—Impact of process variations on timing. IEEE Trans. Circuits Syst. I Regul. Pap. 2015, 62, 2035–2043. [Google Scholar] [CrossRef]
- Keane, J.; Kim, C. An odomoeter for CPUs. IEEE Spectr. 2011, 48, 28–33. [Google Scholar] [CrossRef]
- Hicks, J.; Bergstrom, D.; Hattendorf, M.; Jopling, J.; Maiz, J.; Prasad, C.; Wiedemer, J. 45 nm transistor reliability. Intel Technol. J. 2008, 12, 131–144. [Google Scholar]
- Wang, W.; Reddy, V.; Krishnan, A.T.; Vattikonda, R.; Krishnan, S.; Cao, Y. An integrated modeling paradigm ofcircuit reliability for 65 nm CMOS technology. In Proceedings of the 2007 IEEE Custom Integrated Circuits Conference, San Jose, CA, USA, 16–19 September 2007; pp. 511–514. [Google Scholar]
- Zainudin, M.F.; Hussin, H.; Halim, A.K.; Karim, J. Aging analysis of high performance FinFET flip-flop under Dynamic NBTI simulation configuration. In Proceedings of the IOP Conference Series: Materials Science and Engineering, Kuching, Malaysia, 7–8 August 2018; Volume 341. [Google Scholar]
- Ong, T.-C.; Ko, P.-K.; Hu, C. Hot-carrier current modeling and device degradation in surface-channel p-MOSFETs. IEEE Trans. Electron Devices 1990, 37, 1658–1666. [Google Scholar] [CrossRef]
- Yan, A.; Hu, C.; Li, J.; Bai, N.; Huang, Z.; Ni, T.; Patrick, G.; Wen, X. Cost-Optimized Double-Node-Upset-Recovery Latch Designs with Aging Mitigation and Algorithm-Based Verification for Long-Term Robustness Enhancement. IEEE Trans. Very Large Scale Integr. (VLSI) Syst. 2025, 33, 1765–1773. [Google Scholar] [CrossRef]





| Clk-to-Q Delay (ps) | Setup Time (ps) | Data-to-Q Delay (ps) | ||||
|---|---|---|---|---|---|---|
| 0 → 1 | 1 → 0 | 0 → 1 | 1 → 0 | 0 → 1 | 1 → 0 | |
| Original Circuit | 14.112 | 21.67 | 90.122 | 49.469 | 104.234 | 71.139 |
| Aged Circuit | 14.535 | 21.788 | 92.984 | 52.713 | 107.519 | 74.501 |
| M1 | 14.534 | 21.788 | 92.95 | 52.687 | 107.484 | 74.475 |
| M2 | 14.535 | 21.79 | 93.475 | 52.71 | 108.01 | 74.5 |
| M3 | 14.535 | 21.788 | 92.982 | 49.427 | 107.517 | 71.215 |
| M6 | 14.53 | 21.788 | 89.606 | 52.715 | 104.136 | 74.503 |
| M7 | 14.53 | 21.788 | 93.04 | 52.755 | 107.57 | 74.543 |
| M13 | 14.53 | 21.789 | 93.012 | 52.751 | 107.542 | 74.54 |
| M14 | 14.535 | 21.841 | 92.984 | 52.713 | 107.519 | 74.554 |
| M15 | 14.515 | 21.79 | 92.984 | 52.713 | 107.499 | 74.503 |
| M19 | 14.536 | 21.619 | 92.984 | 52.713 | 107.52 | 74.332 |
| M26 | 14.534 | 21.788 | 92.984 | 52.71 | 107.518 | 74.498 |
| M27 | 14.533 | 21.788 | 92.936 | 52.698 | 107.469 | 74.486 |
| M28 | 14.534 | 21.798 | 93.056 | 52.714 | 107.59 | 74.512 |
| Structure | States | td2q(ps) | (Δtd2q) × 100 | Transistor Count | ΔNumber | Average Power (nw) | (ΔPower) × 100 |
|---|---|---|---|---|---|---|---|
| TGFF | Original | 149.52 | −5.73 | 22 | 4 | 322.03 | 7.44 |
| Modified | 140.95 | 26 | 346.01 | ||||
| TGFFV2 | Original | 155.98 | −10.37 | 22 | 4 | 347.35 | −0.38 |
| Modified | 139.8 | 26 | 346.01 | ||||
| C2MOS | Original | 146.55 | −2.66 | 20 | 4 | 591.14 | −2.11 |
| Modified | 142.65 | 24 | 578.62 | ||||
| HLFF | Original | 63.12 | −12.21 | 20 | 7 | 450 | 35.55 |
| Modified | 55.41 | 27 | 610 | ||||
| out work-SCFF | Original | 91.01 | −46.02 | 30 | 10 | 503.2 | 26.31 |
| Modified | 44.99 | 40 | 635.6 |
Disclaimer/Publisher’s Note: The statements, opinions and data contained in all publications are solely those of the individual author(s) and contributor(s) and not of MDPI and/or the editor(s). MDPI and/or the editor(s) disclaim responsibility for any injury to people or property resulting from any ideas, methods, instructions or products referred to in the content. |
© 2026 by the authors. Licensee MDPI, Basel, Switzerland. This article is an open access article distributed under the terms and conditions of the Creative Commons Attribution (CC BY) license.
Share and Cite
Zhao, Y.; Tan, J.; Chen, L.; Zhu, H.; Sun, Q. Device and Circuit Co-Optimization of Split-Controlled Flip-Flops Against Aging Towards Low-Voltage Applications. Micromachines 2026, 17, 111. https://doi.org/10.3390/mi17010111
Zhao Y, Tan J, Chen L, Zhu H, Sun Q. Device and Circuit Co-Optimization of Split-Controlled Flip-Flops Against Aging Towards Low-Voltage Applications. Micromachines. 2026; 17(1):111. https://doi.org/10.3390/mi17010111
Chicago/Turabian StyleZhao, Yuexin, Jingjing Tan, Lin Chen, Hao Zhu, and Qingqing Sun. 2026. "Device and Circuit Co-Optimization of Split-Controlled Flip-Flops Against Aging Towards Low-Voltage Applications" Micromachines 17, no. 1: 111. https://doi.org/10.3390/mi17010111
APA StyleZhao, Y., Tan, J., Chen, L., Zhu, H., & Sun, Q. (2026). Device and Circuit Co-Optimization of Split-Controlled Flip-Flops Against Aging Towards Low-Voltage Applications. Micromachines, 17(1), 111. https://doi.org/10.3390/mi17010111

