Design and Fabrication of MoCuOx Bimetallic Oxide Electrodes for High-Performance Micro-Supercapacitor by Electro-Spark Machining
Abstract
1. Introduction
2. Experimental Part
2.1. Materials
2.2. Electrode Materials Characterization
2.3. Devices Testing
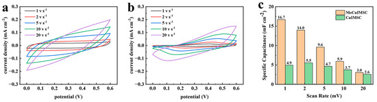
3. Results and Discussion
4. Conclusions
Supplementary Materials
Author Contributions
Funding
Data Availability Statement
Conflicts of Interest
References
- Hassan, Q.; Viktor, P.; Al-Musawi, T.J.; Ali, B.M.; Algburi, S.; Alzoubi, H.M.; Al-Jiboory, A.K.; Sameen, A.Z.; Salman, H.M.; Jaszczur, M. The renewable energy role in the global energy Transformations. Renew. Energy Focus 2024, 48, 100545. [Google Scholar] [CrossRef]
- Belaïd, F.; Al-Sarihi, A.; Al-Mestneer, R. Balancing climate mitigation and energy security goals amid converging global energy crises: The role of green investments. Renew. Energy 2023, 205, 534–542. [Google Scholar] [CrossRef]
- Farghali, M.; Osman, A.I.; Mohamed, I.M.A.; Chen, Z.; Chen, L.; Ihara, I.; Yap, P.-S.; Rooney, D.W. Strategies to save energy in the context of the energy crisis: A review. Environ. Chem. Lett. 2023, 21, 2003–2039. [Google Scholar] [CrossRef] [PubMed]
- Song, Z.; Zhang, G.; Deng, X.; Zou, K.; Xiao, X.; Momen, R.; Massoudi, A.; Deng, W.; Hu, J.; Hou, H.; et al. Ultra-Low-Dose Pre-Metallation Strategy Served for Commercial Metal-Ion Capacitors. Nano-Micro Lett. 2022, 14, 53. [Google Scholar] [CrossRef]
- Elalfy, D.A.; Gouda, E.; Kotb, M.F.; Bureš, V.; Sedhom, B.E. Comprehensive review of energy storage systems technologies, objectives, challenges, and future trends. Energy Strat. Rev. 2024, 54, 101482. [Google Scholar] [CrossRef]
- Chen, M.; Chen, R.; Zhitomirsky, I.; He, G.; Shi, K. Redox-active molecules for aqueous electrolytes of energy storage devices: A review on fundamental aspects, current progress, and prospects. Mater. Sci. Eng. R Rep. 2024, 161, 100865. [Google Scholar] [CrossRef]
- Xiao, X.; Duan, X.; Song, Z.; Deng, X.; Deng, W.; Hou, H.; Zheng, R.; Zou, G.; Ji, X. High-Throughput Production of Cheap Mineral-Based Heterostructures for High Power Sodium Ion Capacitors. Adv. Funct. Mater. 2022, 32, 2110476. [Google Scholar] [CrossRef]
- Song, Z.; Zhang, G.; Deng, X.; Tian, Y.; Xiao, X.; Deng, W.; Hou, H.; Zou, G.; Ji, X. Strongly coupled interfacial engineering inspired by robotic arms enable high-performance sodium-ion capacitors. Adv. Funct. Mater. 2022, 32, 2205453. [Google Scholar] [CrossRef]
- Kumar, Y.A.; Roy, N.; Ramachandran, T.; Hussien, M.; Moniruzzaman; Joo, S.W. Shaping the future of energy: The rise of supercapacitors progress in the last five years. J. Energy Storage 2024, 98, 113040. [Google Scholar] [CrossRef]
- Li, Y.; Ni, L.; Luo, J.; Zhu, L.; Zhang, X.; Li, H.; Zada, I.; Yu, J.; Zhu, S.; Lian, K.; et al. Fenton Reaction Doubled Biomass Carbon Activation Efficiency for High-Performance Supercapacitors. Adv. Funct. Mater. 2024, 34, 2403448. [Google Scholar] [CrossRef]
- Zhu, Y.; Zhang, Q.; Ma, J.; Das, P.; Zhang, L.; Liu, H.; Wang, S.; Li, H.; Wu, Z.S. Three-dimensional (3D)-printed MXene high-voltage aqueous micro-supercapacitors with ultrahigh areal energy density and low-temperature tolerance. Carbon Energy 2024, e481. [Google Scholar] [CrossRef]
- Zhu, Y.; Wang, S.; Ma, J.; Das, P.; Zheng, S.; Wu, Z.-S. Recent status and future perspectives of 2D MXene for micro-supercapacitors and micro-batteries. Energy Storage Mater. 2022, 51, 500–526. [Google Scholar] [CrossRef]
- Dissanayake, K.; Kularatna-Abeywardana, D. A review of supercapacitors: Materials, technology, challenges, and renewable energy applications. J. Energy Storage 2024, 96, 112563. [Google Scholar] [CrossRef]
- Jia, J.; Zhu, Y.; Das, P.; Ma, J.; Wang, S.; Zhu, G.; Wu, Z.-S. Advancing MXene-based integrated microsystems with micro-supercapacitors and/or sensors: Rational design, key progress, and challenging perspectives. J. Mater. 2023, 9, 1242–1262. [Google Scholar] [CrossRef]
- Liu, D.; Xie, W.; Xu, Z.; Deng, P.; Wu, Z.; Zhitomirsky, I.; Wang, W.; Chen, R.; Zhou, L.; Xu, Y. Fabrication of Ni-Cr-FeOx ceramic supercapacitor electrodes and devices by one-step electric discharge ablation. J. Energy Storage 2023, 74, 109429. [Google Scholar] [CrossRef]
- Chen, R.; Xu, Z.; Xie, W.; Deng, P.; Xu, Y.; Xu, L.; Zhang, G.; Yang, Y.; Xie, G.; Zhitomirsky, I. Fabrication of Fe–Fe1−xO based 3D coplanar microsupercapacitors by electric discharge rusting of pure iron substrates. RSC Adv. 2023, 13, 26995–27005. [Google Scholar] [CrossRef] [PubMed]
- Balaji, T.E.; Das, H.T.; Maiyalagan, T. Recent trends in bimetallic oxides and their composites as electrode materials for supercapacitor applications. ChemElectroChem 2021, 8, 1723–1746. [Google Scholar] [CrossRef]
- Reenu; Sonia; Phor, L.; Kumar, A.; Chahal, S. Electrode materials for supercapacitors: A comprehensive review of advancements and performance. J. Energy Storage 2024, 84, 110698. [Google Scholar] [CrossRef]
- Wang, G.; Lu, Z.; Li, Y.; Li, L.; Ji, H.; Feteira, A.; Zhou, D.; Wang, D.; Zhang, S.; Reaney, I.M. Electroceramics for high-energy density capacitors: Current status and future perspectives. Chem. Rev. 2021, 121, 6124–6172. [Google Scholar] [CrossRef]
- Wang, T.; Xu, W.; Wang, H. Ternary NiCoFe layered double hydroxide nanosheets synthesized by cation exchange reaction for oxygen evolution reaction. Electrochim. Acta 2017, 257, 118–127. [Google Scholar] [CrossRef]
- Wang, T.; Chen, H.C.; Yu, F.; Zhao, X.; Wang, H. Boosting the cycling stability of transition metal compounds-based supercapacitors. Energy Storage Mater. 2019, 16, 545–573. [Google Scholar] [CrossRef]
- Delbari, S.A.; Ghadimi, L.S.; Hadi, R.; Farhoudian, S.; Nedaei, M.; Babapoor, A.; Namini, A.S.; Van Le, Q.; Shokouhimehr, M.; Asl, M.S.; et al. Transition metal oxide-based electrode materials for flexible supercapacitors: A review. J. Alloys Compd. 2020, 857, 158281. [Google Scholar] [CrossRef]
- Chen, R.; Yu, M.; Sahu, R.P.; Puri, I.K.; Zhitomirsky, I. The Development of Pseudocapacitor Electrodes and Devices with High Active Mass Loading. Adv. Energy Mater. 2020, 10, 1903848. [Google Scholar] [CrossRef]
- Gaikwad, P.; Tiwari, N.; Kamat, R.; Mane, S.M.; Kulkarni, S.B. A comprehensive review on the progress of transition metal oxides materials as a supercapacitor electrode. Mater. Sci. Eng. B 2024, 307, 117544. [Google Scholar] [CrossRef]
- Ahmad, F.; Shahzad, A.; Danish, M.; Fatima, M.; Adnan, M.; Atiq, S.; Asim, M.; Khan, M.A.; Ain, Q.U.; Perveen, R. Recent developments in transition metal oxide-based electrode composites for supercapacitor applications. J. Energy Storage 2024, 81, 110430. [Google Scholar] [CrossRef]
- Xi, K. Research progress and future prospects of electrode materials for supercapacitors. MATEC Web Conf. 2024, 404, 01012. [Google Scholar] [CrossRef]
- Li, Y.; Shi, X.; Lang, X.; Wen, Z.; Li, J.; Jiang, Q. Remarkable improvements in volumetric energy and power of 3D MnO2 microsupercapacitors by tuning crystallographic structures. Adv. Funct. Mater. 2016, 26, 1830–1839. [Google Scholar] [CrossRef]
- Barclay, M.; Firestein, K.; Wang, X.; Motta, N.; Dubal, D.; Ostrikov, K. Plasma-activated water for improved intercalation and pseudocapacitance of MnO2 supercapacitor electrodes. Mater. Today Sustain. 2023, 22, 100388. [Google Scholar] [CrossRef]
- Tang, C.; Wang, X.; Ma, M.; Wang, Z.; Li, Y.; Li, H.; Li, B.; Zhang, Y.; Zhu, X. Optimizing the electrons/ions diffusion kinetics in δ-MnO2 for realizing an ultra-high rate-capability supercapacitor. Chem. Eng. J. 2023, 471, 144784. [Google Scholar] [CrossRef]
- Beknalkar, S.; Teli, A.; Bhat, T.; Pawar, K.; Patil, S.; Harale, N.; Shin, J.; Patil, P. Mn3O4 based materials for electrochemical supercapacitors: Basic principles, charge storage mechanism, progress, and perspectives. J. Mater. Sci. Technol. 2022, 130, 227–248. [Google Scholar] [CrossRef]
- Yewale, M.; Jadhavar, A.; Kadam, R.; Velhal, N.; Nakate, U.T.; Teli, A.; Shin, J.; Nguyen, L.; Shin, D.; Kaushik, N. Hydrothermal synthesis of manganese oxide (Mn3O4) with granule-like morphology for supercapacitor application. Ceram. Int. 2022, 48, 29429–29437. [Google Scholar] [CrossRef]
- Shi, F.; Li, J.; Xiao, J.; Zhao, X.; Li, H.; An, Q.; Zhai, S.; Wang, K.; Wei, L.; Tong, Y. Three-dimensional hierarchical porous lignin-derived carbon/WO3 for high-performance solid-state planar micro-supercapacitor. Int. J. Biol. Macromol. 2021, 190, 11–18. [Google Scholar] [CrossRef]
- Muslu, E.; Eren, E.; Oksuz, A.U. Research progress on flexible WO3 based thin film electrodes for supercapacitor applications: A comprehensive review. Emergent Mater. 2024, 1–32. [Google Scholar] [CrossRef]
- Anikpa, P.; Mee, A.; Nwanya, A.; Nkele, A.C.; Malavekar, D.; Osuji, R.; Nwulu, N.; Lokhande, C.; Ezema, F.I. Asymmetric su-percapacitor performance of hydrothermally-synthesized MWCNT-WO3 composite electrode. J. Energy Storage 2024, 81, 110439. [Google Scholar] [CrossRef]
- Jayakumar, S.; Santhosh, P.C.; Mohideen, M.M.; Radhamani, A. A comprehensive review of metal oxides (RuO2, Co3O4, MnO2 and NiO) for supercapacitor applications and global market trends. J. Alloys Compd. 2023, 976, 173170. [Google Scholar] [CrossRef]
- Thaines, E.H.; Ferreira, C.S.; Oliveira, A.C.; Garcia, M.D.; Freitas, R.G.; Passos, R.R.; Silva, E.C.; Pocrifka, L.A. Structural and electrochemical analysis of Ni/NiO supercapacitor materials: A theoretical and experimental study. Solid State Ionics 2023, 394, 116194. [Google Scholar] [CrossRef]
- Xu, Y.; Deng, P.; Chen, R.; Xie, W.; Xu, Z.; Yang, Y.; Liu, D.; Huang, F.; Zhuang, Z.; Zhitomirsky, I.; et al. Electric discharge direct writing of 3D Mo-MoOx pseudocapacitive micro-supercapacitors with designable patterns. Ceram. Int. 2023, 49, 22586–22594. [Google Scholar] [CrossRef]
- Zhang, X.; Javed, M.S.; Ren, H.; Wei, X.; Zhang, X.; Khan, S.; Ahmad, A.; Tighezza, A.M.; Hassan, A.M.; Han, W. Human friendly biodegradable supercapacitors utilizing water-soluble MoOx@ Mo-foil as electrode and normal saline as electrolyte. Appl. Phys. Lett. 2023, 123, 213905. [Google Scholar] [CrossRef]
- Prakash, H.C.; Kumar, M.S.; Lin, T.-W.; Batabyal, S.K. Photo-assisted capacitive performance of V2O5 supercapacitor. Electrochim. Acta 2023, 469, 143229. [Google Scholar] [CrossRef]
- Temam, A.G.; Alshoaibi, A.; Getaneh, S.A.; Awada, C.; Nwanya, A.C.; Ejikeme, P.M.; Ezema, F.I. Recent progress on V2O5 based electroactive materials: Synthesis, properties, and supercapacitor application. Curr. Opin. Electrochem. 2023, 38, 101239. [Google Scholar] [CrossRef]
- Chen, R.; Qin, J.; Xu, Z.; Lv, S.; Tao, Z.; He, J.; Zhou, P.; Shu, Z.; Zhuang, Z.; Wang, W.; et al. The impact of processing voltage of wire electric discharge machining on the performance of Mo doped V–VO0.2 based Archimedean micro-supercapacitors. RSC Adv. 2024, 14, 28543–28554. [Google Scholar] [CrossRef]
- Wang, S.; Hu, J.; Jiang, L.; Li, X.; Cao, J.; Wang, Q.; Wang, A.; Li, X.; Qu, L.; Lu, Y. High–performance 3D CuO/Cu flowers supercapacitor electrodes by femtosecond laser enhanced electrochemical anodization. Electrochim. Acta 2018, 293, 273–282. [Google Scholar] [CrossRef]
- Iram, F.; Mustafa, G.M.; Ali, G.; Ahmad, H.; Ramay, S.M.; Iqbal, Z.; Atiq, S. Transition metal (Zn, Mn, and Ni) incorporated CuO nanostructures for supercapacitor applications. J. Energy Storage 2023, 73, 108829. [Google Scholar] [CrossRef]
- Yang, S.; Chen, R.; Huang, F.; Wang, W.; Zhitomirsky, I. 3D Binder-Free Mo@ CoO Electrodes Directly Manufactured in One Step via Electric Discharge Machining for In-Plane Microsupercapacitor Application. Micromachines 2024, 15, 1294. [Google Scholar] [CrossRef] [PubMed]
- Tseng, C.-A.; Sahoo, P.K.; Lee, C.-P.; Lin, Y.-T.; Xu, J.-H.; Chen, Y.-T. Synthesis of CoO-decorated graphene hollow nanoballs for high-performance flexible supercapacitors. ACS Appl. Mater. Interfaces 2020, 12, 40426–40432. [Google Scholar] [CrossRef] [PubMed]
- Zhao, Y.; Wang, X.; Li, H.; Qian, B.; Zhang, Y.; Wu, Y. Synthesis of Co3O4 nanospheres for enhanced photo-assisted supercapacitor. Chem. Eng. J. 2022, 431, 133981. [Google Scholar] [CrossRef]
- Hu, X.; Wei, L.; Chen, R.; Wu, Q.; Li, J. Reviews and Prospectives of Co3O4-Based Nanomaterials for Supercapacitor Application. ChemistrySelect 2020, 5, 5268–5288. [Google Scholar] [CrossRef]
- Kamal, A.; Razia, E.T.; Zahra, M.; Sardar, S.; Mumtaz, A. Monitoring the synergistic effect of Mn/Ni Co-doping and morphological engineering in α-Fe2O3 for energy storage capacity as battery type electrode material. Int. J. Hydrogen Energy 2024, 88, 1280–1292. [Google Scholar] [CrossRef]
- Phakkhawan, A.; Suksangrat, P.; Srepusharawoot, P.; Ruangchai, S.; Klangtakai, P.; Pimanpang, S.; Amornkitbamrung, V. Reagent-and solvent-mediated Fe2O3 morphologies and electrochemical mechanism of Fe2O3 supercapacitors. J. Alloys Compd. 2022, 919, 165702. [Google Scholar] [CrossRef]
- Liao, J.; Li, Y.; Wang, Z.; Lv, L.; Chang, L. In-situ preparation of Fe3O4/graphene nanocomposites and their electrochemical performances for supercapacitor. Mater. Chem. Phys. 2021, 258, 123995. [Google Scholar] [CrossRef]
- Arun, T.; Mohanty, A.; Rosenkranz, A.; Wang, B.; Yu, J.; Morel, M.J.; Udayabhaskar, R.; Hevia, S.A.; Akbari-Fakhrabadi, A.; Mangalaraja, R.; et al. Role of electrolytes on the electrochemical characteristics of Fe3O4/MXene/RGO composites for supercapacitor applications. Electrochim. Acta 2021, 367, 137473. [Google Scholar] [CrossRef]
- Liu, C.; Wang, B.; Song, Z.; Xiao, X.; Cao, Z.; Xiong, D.; Deng, W.; Hou, H.; Yang, Y.; Zou, G.; et al. Enabling Electron Delocalization by Conductor Heterostructure for Highly Reversible Sodium Storage. Adv. Funct. Mater. 2023, 34, 2312905. [Google Scholar] [CrossRef]
- Amate, R.U.; Morankar, P.J.; Chavan, G.T.; Teli, A.M.; Desai, R.S.; Dalavi, D.S.; Jeon, C.-W. Bi-functional electrochromic supercapacitor based on hydrothermal-grown 3D Nb2O5 nanospheres. Electrochim. Acta 2023, 459, 142522. [Google Scholar] [CrossRef]
- Lakra, R.; Kumar, R.; Kumar, S.; Thatoi, D.; Soam, A. Synthesis of TiO2 nanoparticles as electrodes for supercapacitor. Mater. Today Proc. 2022, 74, 863–866. [Google Scholar] [CrossRef]
- He, Z.-K.; Lu, Y.; Zhao, C.; Zhao, J.; Gao, Z.; Song, Y.-Y. Surface-charge regulated TiO2 nanotube arrays as scaffold for constructing binder-free high-performance supercapacitor. Appl. Surf. Sci. 2021, 567, 150832. [Google Scholar] [CrossRef]
- Buldu-Akturk, M.; Toufani, M.; Tufani, A.; Erdem, E. ZnO and reduced graphene oxide electrodes for all-in-one supercapacitor devices. Nanoscale 2022, 14, 3269–3278. [Google Scholar] [CrossRef]
- Najib, S.; Bakan, F.; Abdullayeva, N.; Bahariqushchi, R.; Kasap, S.; Franzò, G.; Sankir, M.; Sankir, N.D.; Mirabella, S.; Erdem, E. Tailoring morphology to control defect structures in ZnO electrodes for high-performance supercapacitor devices. Nanoscale 2020, 12, 16162–16172. [Google Scholar] [CrossRef] [PubMed]
- Siddiqui, S.A.; Das, S.; Rani, S.; Afshan, M.; Pahuja, M.; Jain, A.; Rani, D.; Chaudhary, N.; Jyoti; Ghosh, R.; et al. Phosphorus-Doped Nickel Oxide Micro-Supercapacitor: Unleashing the Power of Energy Storage for Miniaturized Electronic Devices. Small 2023, 20, e2306756. [Google Scholar] [CrossRef] [PubMed]
- Lichchhavi; Kanwade, A.; Shirage, P.M. A review on synergy of transition metal oxide nanostructured materials: Effective and coherent choice for supercapacitor electrodes. J. Energy Storage 2022, 55, 105692. [Google Scholar] [CrossRef]
- Kandasamy, M.; Sahoo, S.; Nayak, S.K.; Chakraborty, B.; Rout, C.S. Recent advances in engineered metal oxide nanostructures for supercapacitor applications: Experimental and theoretical aspects. J. Mater. Chem. A 2021, 9, 17643–17700. [Google Scholar] [CrossRef]
- Liang, R.; Du, Y.; Xiao, P.; Cheng, J.; Yuan, S.; Chen, Y.; Yuan, J.; Chen, J.J. Transition metal oxide electrode materials for supercapacitors: A review of recent developments. Nanomaterials 2021, 11, 1248. [Google Scholar] [CrossRef] [PubMed]
- Mishra, T.T.; Chakraborty, M.; Behera, J.N.; Roy, D. Comprehensive Review on Bimetallic (Ni and Co)-Chalcogenides and Phosphides with Three-Dimensional Architecture for Hybrid Supercapacitor Application. Energy Fuels 2024, 38, 9186–9217. [Google Scholar] [CrossRef]
- Javed, M.S.; Khan, A.J.; Ahmad, A.; Siyal, S.H.; Akram, S.; Zhao, G.; Bahajjaj, A.A.A.; Ouladsmane, M.; Alfakeer, M. Design and fabrication of bimetallic oxide nanonest-like structure/carbon cloth composite electrode for supercapacitors. Ceram. Int. 2021, 47, 30747–30755. [Google Scholar] [CrossRef]
- Mohammadpour-Haratbar, A.; Kiaeerad, P.; Mazinani, S.; Bazargan, A.M.; Sharif, F. Bimetallic nickel–cobalt oxide nanoparticle/electrospun carbon nanofiber composites: Preparation and application for supercapacitor electrode. Ceram. Int. 2022, 48, 10015–10023. [Google Scholar] [CrossRef]
- Wang, W.; Li, Z.; Wu, K.; Dai, G.; Chen, Q.; Zhou, L.; Zheng, J.; Ma, L.; Li, G.; Wang, W. Novel Ag-bridged dual Z-scheme gC3N4/BiOI/AgI plasmonic heterojunction: Exceptional photocatalytic activity towards tetracycline and the mechanism insight. J. Environ. Sci. 2023, 131, 123–140. [Google Scholar] [CrossRef] [PubMed]
- Ibrahim, K.B.; Tsai, M.; Chala, S.A.; Berihun, M.K.; Kahsay, A.W.; Berhe, T.A.; Su, W.; Hwang, B. A review of transition metal-based bifunctional oxygen electrocatalysts. J. Chin. Chem. Soc. 2019, 66, 829–865. [Google Scholar] [CrossRef]
- Yang, S.; Chen, R.; Huang, F.; Wang, W.; Zhitomirsky, I. One-Step Fabrication of 2.5 D CuMoOx Interdigital Microelectrodes Using Numerically Controlled Electric Discharge Machining for Coplanar Micro-Supercapacitors. Micromachines 2024, 15, 1319. [Google Scholar] [CrossRef]
- Murugesan, M.; Nallamuthu, N.; Ranjithkumar, R.; Krishnakumar, M.; Devendran, P.; Ramesh, K. Synthesis and electrochemical investigation of hetero bimetallic complexes CoMn2O4 micro rods for novel supercapacitor electrode. Electron. Mater. Lett. 2023, 19, 108–118. [Google Scholar] [CrossRef]
- Adimule, V.; Bhat, V.S.; Yallur, B.C.; Gowda, A.H.; Padova, P.D.; Hegde, G.; Toghan, A. Facile synthesis of novel SrO0.5:MnO0.5 bimetallic oxide nanostructure as a high-performance electrode material for supercapacitors. Nanomater. Nanotechnol. 2022, 12, 18479804211064028. [Google Scholar] [CrossRef]
- Joshi, B.; Samuel, E.; Kim, Y.; Kim, T.; El-Newehy, M.; Aldalbahi, A.; Yoon, S.S. Electrospun zinc-manganese bimetallic oxide carbon nanofibers as freestanding supercapacitor electrodes. Int. J. Energy Res. 2022, 46, 22100–22112. [Google Scholar] [CrossRef]
- Nagaraju, M.; Sekhar, S.C.; Arbaz, S.J.; Yu, J.S. Solvothermal-derived nanoscale spinel bimetallic oxide particles rationally bridged with conductive vapor-grown carbon fibers for hybrid supercapacitors. Appl. Surf. Sci. 2021, 563, 150223. [Google Scholar] [CrossRef]
- Arbaz, S.J.; Sekhar, S.C.; Ramulu, B.; Yu, J.S. Binder-free preparation of bimetallic oxide vertical nanosheet arrays toward high-rate performance and energy density supercapacitors. Int. J. Energy Res. 2021, 45, 13999–14009. [Google Scholar] [CrossRef]
- Li, M.; Meng, Z.; Feng, R.; Zhu, K.; Zhao, F.; Wang, C.; Wang, J.; Wang, L.; Chu, P.K. Fabrication of bimetallic oxides (MCo2O4: M = Cu, Mn) on ordered microchannel electro-conductive plate for high-performance hybrid supercapacitors. Sustainability 2021, 13, 9896. [Google Scholar] [CrossRef]
- Ashraf, M.; Abushad, M.; Ansari, M.Y.; AR, S.R.; Ansari, K.B.; Al Mesfer, M.K.; Khan, M.S.; Husain, S.; Khan, W. Influence of Ni-doping on CuCo2O4 electrode for enhanced supercapacitor performance and sustainable energy storage. J. Energy Storage 2024, 98, 113151. [Google Scholar] [CrossRef]
- Zhang, H.; Wang, B.; Brown, B. Aerosol-Jet-Printed CoFe2O4 Nanoparticle− Vertically Aligned Carbon Nanotube Composite for Microsupercapacitors. J. Phys. Chem. C 2021, 125, 7590–7597. [Google Scholar] [CrossRef]
- Rani, B.; Sahu, N.K. Electrochemical properties of CoFe2O4 nanoparticles and its rGO composite for supercapacitor. Diam. Relat. Mater. 2020, 108, 107978. [Google Scholar] [CrossRef]
- Shi, M.; Narayanasamy, M.; Yang, C.; Zhao, L.; Jiang, J.; Angaiah, S.; Yan, C. 3D interpenetrating assembly of partially oxidized MXene confined Mn–Fe bimetallic oxide for superior energy storage in ionic liquid. Electrochim. Acta 2020, 334, 135546. [Google Scholar] [CrossRef]
- He, X.; Cheng, Y.; Qi, H.; Zhang, Y. One-step hydrothermal synthesis of bimetallic oxides (NiO@ Mn3O4) supported on rGO: A highly efficient electrode material for supercapacitors. Electrochim. Acta 2021, 388, 138609. [Google Scholar] [CrossRef]
- Joshi, B.; Samuel, E.; Park, C.; Kim, Y.; Lee, H.-S.; Yoon, S.S. Bimetallic ZnFe2O4 nanosheets prepared via electrodeposition as binder-free high-performance supercapacitor electrodes. Appl. Surf. Sci. 2021, 559, 149951. [Google Scholar] [CrossRef]
- Askari, M.B.; Salarizadeh, P.; Seifi, M.; Di Bartolomeo, A. ZnFe2O4 nanorods on reduced graphene oxide as advanced super-capacitor electrodes. J. Alloys Compd. 2021, 860, 158497. [Google Scholar] [CrossRef]
- He, D.; Gao, Y.; Yao, Y.; Wu, L.; Zhang, J.; Huang, Z.-H.; Wang, M.-X. Asymmetric supercapacitors based on hierarchically na-noporous carbon and ZnCo2O4 from a single biometallic metal-organic frameworks (Zn/Co-MOF). Front. Chem. 2020, 8, 719. [Google Scholar] [CrossRef] [PubMed]
- Ganesan, M.; Alagar, S.; Bagchi, V.; Piraman, S. Surface oxygen engineered ZnCo2O4 planar hybrid supercapacitor electrode for high energy applications. J. Energy Storage 2024, 98, 112954. [Google Scholar] [CrossRef]
- Fahimi, Z.; Moradlou, O.; Sabbah, A.; Chen, K.-H.; Chen, L.-C.; Qorbani, M. Co3V2O8 hollow spheres with mesoporous walls as high-capacitance electrode for hybrid supercapacitor device. Chem. Eng. J. 2022, 436, 135225. [Google Scholar] [CrossRef]
- Yewale, M.; Kumar, V.; Kadam, R.; Kharade, R.; Teli, A.; Beknalkar, S.; Dhas, S.; Nakate, U.; Shin, D. Wrapped nanochain microstructures of Ni3V2O8 nanoparticles for supercapacitor applications using the hydrothermal method. J. Energy Storage 2023, 73, 109005. [Google Scholar] [CrossRef]
- Wang, D.; Zhang, Y.; Yang, L.; Fan, G.; Lin, Y.; Fan, L. Direct in situ assembly of bimetallic Co–Ni hydroxide/polyaniline-modified reduced graphene oxide nanocomposite for asymmetric flexible supercapacitor electrode. J. Mater. Sci. Mater. Electron. 2020, 31, 6467–6478. [Google Scholar] [CrossRef]
- Kaverlavani, S.K.; Abbasi, L.; Mishra, Y.K.; Hosseini, S.Y.; Liavali, M.N.; Moosavifard, S.E. Tunable Fabrication of Hollow Nano Sword-Like CuCo2O4 Derived from Bimetal–Organic Frameworks as Binder-Free Electrodes. ACS Sustain. Chem. Eng. 2022, 10, 13310–13318. [Google Scholar] [CrossRef]
- Zhang, S.; Liu, Z.; Chen, D.; Yan, W. An efficient hole transfer pathway on hematite integrated by ultrathin Al2O3 interlayer and novel CuCoOx cocatalyst for efficient photoelectrochemical water oxidation. Appl. Catal. B Environ. 2020, 277, 119197. [Google Scholar] [CrossRef]
- Elayarani, P.; Sumathi, T.; Sivakumar, G. Investigation on structural, morphological, and optical properties of copper molybdate nanorods for supercapacitor applications. J. Mater. Sci. Mater. Electron. 2024, 35, 211. [Google Scholar] [CrossRef]
- Mehta, S.; Kumaravel, S.; Jha, S.; Yen, M.; Kundu, S.; Liang, H. Impacts of structure-directing agents on the synthesis of Cu3Mo2O9 for flexible lignin-based supercapacitor electrodes. J. Compos. Sci. 2023, 7, 155. [Google Scholar] [CrossRef]
- Iyer, M.S.; Rajangam, I. Hybrid nanostructures made of porous binary transition metal oxides for high performance asymmetric supercapacitor application. J. Energy Storage 2023, 67, 107530. [Google Scholar] [CrossRef]
- Prasad, K.; Sreekanth, T.; Yoo, K.; Kim, J. In-situ grown sweet alyssum flowers-like CoMoO4 for high performance hybrid supercapacitors. J. Alloys Compd. 2023, 961, 170896. [Google Scholar] [CrossRef]
- Abbas, N.M.; Solomon, D.G.; Bahari, F. A review on current research trends in electrical discharge machining (EDM). Int. J. Mach. Tools Manuf. 2006, 47, 1214–1228. [Google Scholar] [CrossRef]
- Zhang, Y.; Yang, X.; Wang, S.; Liu, J.; Liu, X.; Chan, K.; Liu, J. Multifunctional superhydrophobic copper mesh for efficient oil/water separation and fog collection. Colloids Surf. A Physicochem. Eng. Asp. 2023, 657, 130603. [Google Scholar] [CrossRef]
- Pandey, A.; Singh, S. Current research trends in variants of Electrical Discharge Machining: A review. Int. J. Eng. Sci. Technol. 2010, 2, 2172–2191. [Google Scholar]
- Keskin, Y.; Halkacı, H.S.; Kizil, M. An experimental study for determination of the effects of machining parameters on surface roughness in electrical discharge machining (EDM). Int. J. Adv. Manuf. Technol. 2005, 28, 1118–1121. [Google Scholar] [CrossRef]
- Manikandan, A.; Sriram, P.; Hsu, K.-C.; Wang, Y.-C.; Chen, C.-W.; Shih, Y.-C.; Yen, T.-J.; Jeng, H.-T.; Kuo, H.-C.; Chueh, Y.-L. Electrochemically active novel amorphous carbon (aC)/Cu3P peapod nanowires by low-temperature chemical vapor phosphorization reaction as high efficient electrocatalysts for hydrogen evolution reaction. Electrochim. Acta 2019, 318, 374–383. [Google Scholar] [CrossRef]
- Pei, L.; Ye, Z.; Yuan, X.; Peng, X.; Li, D.; Zheng, Z. Three-dimensional CoMoMg nanomesh based on the nanoscale Kirkendall effect for the efficient hydrogen evolution reaction. J. Alloys Compd. 2020, 857, 158086. [Google Scholar] [CrossRef]
- Zhang, Y.; Tao, H.; Ma, H.; Du, S.; Li, T.; Zhang, Y.; Li, J.; Yang, X. Three-dimensional MoO2@ few-layered MoS2 covered by S-doped graphene aerogel for enhanced lithium ion storage. Electrochim. Acta 2018, 283, 619–627. [Google Scholar] [CrossRef]
- Li, H.; Cai, Q.; Wang, Y.; Jie, G.; Zhou, H. Spatial-Potential-Color-Resolved Bipolar Electrode Electrochemiluminescence Biosensor Using a CuMoOx Electrocatalyst for the Simultaneous Detection and Imaging of Tetracycline and Lincomycin. Anal. Chem. 2024, 96, 7073–7081. [Google Scholar] [CrossRef]
- Greczynski, G.; Hultman, L. A step-by-step guide to perform x-ray photoelectron spectroscopy. J. Appl. Phys. 2022, 132, 011101. [Google Scholar] [CrossRef]
- Frankcombe, T.J.; Liu, Y. Interpretation of oxygen 1s X-ray photoelectron spectroscopy of ZnO. Chem. Mater. 2023, 35, 5468–5474. [Google Scholar] [CrossRef]
- Liu, W.; Zhang, Z.; Zhang, Y.; Zheng, Y.; Liu, N.; Su, J.; Gao, Y. Interior and exterior decoration of transition metal oxide through Cu 0/Cu+ Co-doping strategy for high-performance supercapacitor. Nano-Micro Lett. 2021, 13, 61. [Google Scholar] [CrossRef]
- Cheng, Q.; Huang, M.; Xiao, L.; Mou, S.; Zhao, X.; Xie, Y.; Jiang, G.; Jiang, X.; Dong, F. Unraveling the Influence of Oxygen Vacancy Concentration on Electrocatalytic CO2 Reduction to Formate over Indium Oxide Catalysts. ACS Catal. 2023, 13, 4021–4029. [Google Scholar] [CrossRef]
- Su, R.; Gao, Y.; Chen, L.; Chen, Y.; Li, N.; Liu, W.; Gao, B.; Li, Q. Utilizing the oxygen-atom trapping effect of Co3O4 with oxygen vacancies to promote chlorite activation for water decontamination. Proc. Natl. Acad. Sci. USA 2024, 121, e2319427121. [Google Scholar] [CrossRef]
- Feng, Y.; Sun, L.; Qi, Z.; Zhang, Y.; Wang, G.; Gao, W.; Liu, W. Cationic and anionic defect decoration of CoO through Cu dopants and oxygen vacancy for a High-Performance supercapacitor. J. Colloid Interface Sci. 2023, 652, 1099–1107. [Google Scholar] [CrossRef]
- Jiang, Z.; Yang, H.; Cao, L.; Yang, Z.; Yuan, Y.; Li, E. Enhanced breakdown strength and energy storage density of lead-free Bi0.5Na0.5TiO3-based ceramic by reducing the oxygen vacancy concentration. Chem. Eng. J. 2021, 414, 128921. [Google Scholar] [CrossRef]
- Gao, D.; Zhang, J.; Yang, G.; Qi, J.; Si, M.; Xue, D. Ferromagnetism induced by oxygen vacancies in zinc peroxide nanoparticles. J. Phys. Chem. C 2011, 115, 16405–16410. [Google Scholar] [CrossRef]
- Kumar, R.; Rai, P.; Sharma, A. Facile synthesis of Cu2O microstructures and their morphology dependent electrochemical supercapacitor properties. RSC Adv. 2015, 6, 3815–3822. [Google Scholar] [CrossRef]
- Niu, X.; Zhu, G.; Yin, Z.; Dai, Z.; Hou, X.; Shao, J.; Huang, W.; Zhang, Y.; Dong, X. Fiber-based all-solid-state asymmetric supercapacitors based on Co3O4@ MnO2 core/shell nanowire arrays. J. Mater. Chem. A 2017, 5, 22939–22944. [Google Scholar] [CrossRef]
- Boruah, B.D.; Nandi, S.; Misra, A. Layered assembly of reduced graphene oxide and vanadium oxide heterostructure supercapacitor electrodes with larger surface area for efficient energy-storage performance. ACS Appl. Energy Mater. 2018, 1, 1567–1574. [Google Scholar] [CrossRef]
- Jolayemi, B.; Buvat, G.; Brousse, T.; Roussel, P.; Lethien, C. Sputtered (Fe, Mn)3O4 spinel oxide thin films for micro-supercapacitor. J. Electrochem. Soc. 2022, 169, 110524. [Google Scholar] [CrossRef]
- Zhang, Q.; Zou, J.; Ai, J.; Pan, X.; Qiao, D.; Jun, S.C.; Jadhav, V.V.; Kang, L.; Huang, C.; Zhang, J. In Situ Construction of the Fe–Cu Hydroxide Interlocking Structure with Solution-Derived Cu/Ag Current Collectors for Flexible Sym-metric Supercapacitors. ACS Appl. Mater. Interfaces 2023, 15, 55055–55064. [Google Scholar] [CrossRef]
- Jha, S.; Mehta, S.; Chen, Y.; Renner, P.; Sankar, S.S.; Parkinson, D.; Kundu, S.; Liang, H. NiWO4 nanoparticle decorated lignin as electrodes for asymmetric flexible supercapacitors. J. Mater. Chem. C 2020, 8, 3418–3430. [Google Scholar] [CrossRef]
- Tyagi, A.; Myung, Y.; Tripathi, K.M.; Kim, T.; Gupta, R.K. High-performance hybrid microsupercapacitors based on Co–Mn layered double hydroxide nanosheets. Electrochim. Acta 2020, 334, 135590. [Google Scholar] [CrossRef]
- Kim, E.; Lee, B.-J.; Maleski, K.; Chae, Y.; Lee, Y.; Gogotsi, Y.; Ahn, C.W. Microsupercapacitor with a 500 nm gap between MXene/CNT electrodes. Nano Energy 2021, 81, 105616. [Google Scholar] [CrossRef]
- Abdolhosseinzadeh, S.; Schneider, R.; Verma, A.; Heier, J.; Nüesch, F.; Zhang, C. Turning trash into treasure: Additive free mxene sediment inks for screen-printed micro-supercapacitors. Adv. Mater. 2020, 32, e2000716. [Google Scholar] [CrossRef]
- Manjakkal, L.; Pullanchiyodan, A.; Yogeswaran, N.; Hosseini, E.S.; Dahiya, R. A wearable supercapacitor based on conductive PEDOT:PSS-coated cloth and a sweat electrolyte. Adv. Mater. 2020, 32, e1907254. [Google Scholar] [CrossRef]
- Abidin, H.E.Z.; Hamzah, A.A.; Majlis, B.Y.; Yunas, J.; Hamid, N.A.; Abidin, U. Electrical characteristics of double stacked Ppy-PVA supercapacitor for powering biomedical MEMS devices. Microelectron. Eng. 2013, 111, 374–378. [Google Scholar] [CrossRef]
- Biesinger, M.C.; Lau, L.W.M.; Gerson, A.R.; Smart, R.S.C. Resolving surface chemical states in XPS analysis of first row transition metals, oxides and hydroxides: Sc, Ti, V, Cu and Zn. Appl. Surf. Sci. 2010, 257, 887–898. [Google Scholar] [CrossRef]
- Duraisamy, N.; Numan, A.; Fatin, S.O.; Ramesh, K.; Ramesh, S. Facile sonochemical synthesis of nanostructured NiO with different particle sizes and its electrochemical properties for supercapacitor application. J. Colloid Interface Sci. 2016, 471, 136–144. [Google Scholar] [CrossRef] [PubMed]
- Pilban Jahromi, S.; Pandikumar, A.; Goh, B.T.; Lim, Y.S.; Basirun, W.J.; Lim, H.N.; Huang, N.M. Influence of particle size on performance of a nickel oxide nanoparticle-based supercapacitor. RSC Adv. 2015, 5, 14010–14019. [Google Scholar] [CrossRef]
- Laohana, P.; Tanapongpisit, N.; Kim, S.; Eknapakul, T.; Fongkaew, I.; Supruangnet, R.; Nakajima, H.; Meevasana, W.; Bark, C.W.; Saenrang, W. Particle size dependence of the electrochemical properties of SrMnO3 supercapacitor electrodes. J. Solid State Electrochem. 2021, 25, 1121–1129. [Google Scholar] [CrossRef]
- Tanapongpisit, N.; Wongprasod, S.; Laohana, P.; Kim, S.; Butburee, T.; Meevasana, W.; Maensiri, S.; Bark, C.W.; Saenrang, W. Effects of the particle size of BaMnO3 powders on the electrochemical performance of supercapacitor electrodes. Mater. Lett. 2022, 319, 132258. [Google Scholar] [CrossRef]










Disclaimer/Publisher’s Note: The statements, opinions and data contained in all publications are solely those of the individual author(s) and contributor(s) and not of MDPI and/or the editor(s). MDPI and/or the editor(s) disclaim responsibility for any injury to people or property resulting from any ideas, methods, instructions or products referred to in the content. |
© 2024 by the authors. Licensee MDPI, Basel, Switzerland. This article is an open access article distributed under the terms and conditions of the Creative Commons Attribution (CC BY) license (https://creativecommons.org/licenses/by/4.0/).
Share and Cite
Chen, R.; Lv, S.; Xu, Y.; Lin, Z.; Zhang, G.; Wang, J.; Wang, B.; Wang, W.; Zhitomirsky, I.; Yang, Y. Design and Fabrication of MoCuOx Bimetallic Oxide Electrodes for High-Performance Micro-Supercapacitor by Electro-Spark Machining. Micromachines 2025, 16, 7. https://doi.org/10.3390/mi16010007
Chen R, Lv S, Xu Y, Lin Z, Zhang G, Wang J, Wang B, Wang W, Zhitomirsky I, Yang Y. Design and Fabrication of MoCuOx Bimetallic Oxide Electrodes for High-Performance Micro-Supercapacitor by Electro-Spark Machining. Micromachines. 2025; 16(1):7. https://doi.org/10.3390/mi16010007
Chicago/Turabian StyleChen, Ri, Siqi Lv, Yunying Xu, Zicong Lin, Guoying Zhang, Jian Wang, Bocheng Wang, Wenxia Wang, Igor Zhitomirsky, and Yong Yang. 2025. "Design and Fabrication of MoCuOx Bimetallic Oxide Electrodes for High-Performance Micro-Supercapacitor by Electro-Spark Machining" Micromachines 16, no. 1: 7. https://doi.org/10.3390/mi16010007
APA StyleChen, R., Lv, S., Xu, Y., Lin, Z., Zhang, G., Wang, J., Wang, B., Wang, W., Zhitomirsky, I., & Yang, Y. (2025). Design and Fabrication of MoCuOx Bimetallic Oxide Electrodes for High-Performance Micro-Supercapacitor by Electro-Spark Machining. Micromachines, 16(1), 7. https://doi.org/10.3390/mi16010007

