Research on Structural Optimization and Excitation Control Method Using a Two-Dimensional OWPT System for Capsule Robots Based on Non-Equivalent Coils
Abstract
1. Introduction
1.1. Research Background
1.2. Related Research Work
1.3. Major Contributions
- A three-phase cylindrical open structure of Helmholtz coils combined with saddle coil pairs is proposed for the treatment needs of patients with different body types.
- Based on the uniformity of the spatial magnetic field, the key structural parameters of the saddle coil pair have been optimized, which means that the receiving mechanism has a high positional tolerance, ensuring sufficient power can be picked up during angle alignment.
- For the non-equivalent magnetic field in three-dimensional space, the phase difference of the excitation currents is optimized, achieving a two-dimensional rotating magnetic field, with excellent tolerance to attitude shifts at the center.
- Only one DC power supply is required, saving resources.
1.4. Article Organization
2. Overview of the Proposed OWPT System
2.1. Framework of the Proposed OWPT System
2.2. Structure of Transmitting and Receiving Coils
3. Magnetic Field Modeling and Transmitting Coil Optimization
3.1. Magnetic Field Modeling of the Transmitting Coils
3.2. Saddle Coil Optimization Based on Finite Element Analysis
4. Circuit Analysis and Derivation of Phase Difference Theory
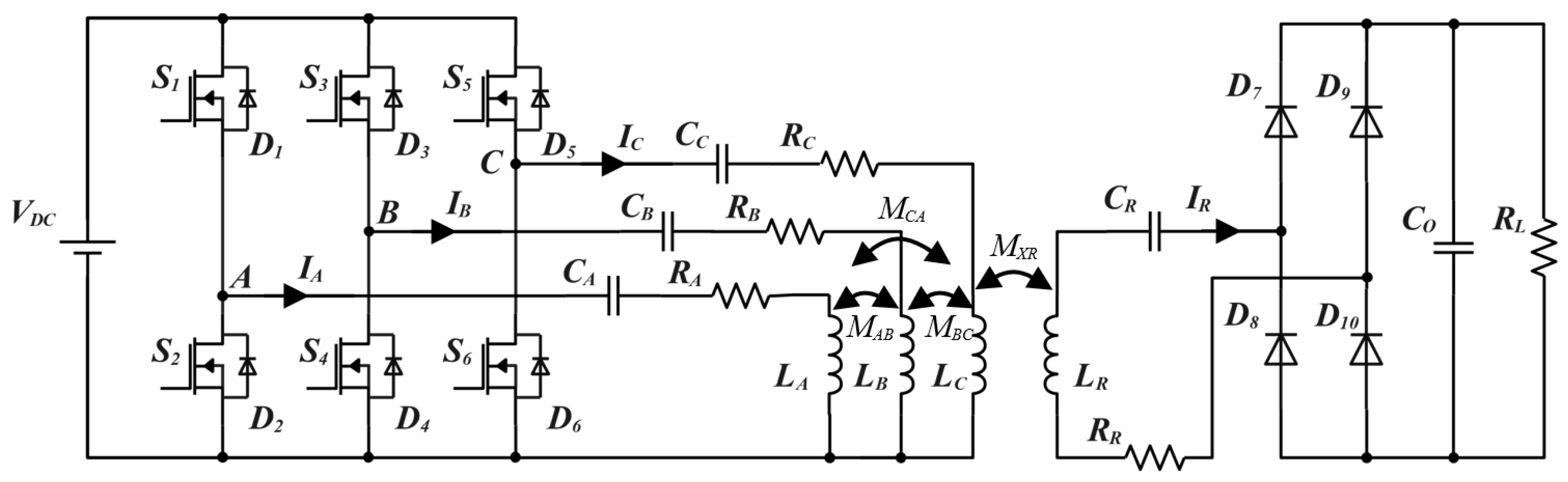
4.1. Three-Phase Circuit Topology Analysis
4.2. Magnetic Field Vector Synthesis and Phase Difference Optimization
5. Simulation and Experimental Results
5.1. Proposed OWPT System
- Transmitting coils: The design specifications for the three coil pairs were developed based on Table 1, and the actual design specifications of SC2 and SC3 were verified using an impedance analyzer to ensure consistency.
- Receiving coil: As a PRC, the backstage delivers the rectified and voltage-stabilized output to the CR. A 30 Ω load is connected in series after the PRC and the compensation capacitors during the actual test to simulate the load of the CR during movement.
- Excitation signals: Based on the specifications in Table 1 and the experimental test, the values of α and β that are necessary for generating a rotating magnetic field during operation were calculated. The excitation signals were then adjusted using the signal generator.
5.2. Simulation and Experimental Verification
5.2.1. Rotating Magnetic Field Simulation
5.2.2. Results of the One-Dimensional Coil Experiment
5.2.3. Results of the Experiment on OWPT System Attitude Shifts
6. Discussion and Conclusions
- Modular design: The transmitting structure could be reconfigured as a modular system, retaining only the basic cylindrical framework embedded within the examination table. The three-dimensional coils could be made detachable, allowing flexible installation and movement to suit different diagnostic and therapeutic scenarios.
- Platform optimization: The patient lying platform could be redesigned with added rollers and tracks, enabling smoother adjustments for different patient postures and improving overall usability.
- Coil design: Enhancing the coil design to improve magnetic field uniformity and intensity could minimize magnetic field leakage, making the transmitting structure more compact while maintaining adequate power supply.
Author Contributions
Funding
Data Availability Statement
Conflicts of Interest
References
- Sekiya, H.; Tokano, K.; Zhu, W.; Komiyama, Y.; Nguyen, K. Design Procedure of Load-Independent Class-E WPT Systems and Its Application in Robot Arm. IEEE Trans. Ind. Electron. 2023, 70, 10014–10023. [Google Scholar] [CrossRef]
- Brecher, A.; Arthur, D. Review and Evaluation of Wireless Power Transfer (WPT) for Electric Transit Applications; John A. Volpe National Transportation Systems Center (U.S.): Cambridge, MA, USA, 2014. [CrossRef]
- Li, S.; Mi, C.C. Wireless Power Transfer for Electric Vehicle Applications. IEEE J. Emerg. Sel. Top. Power Electron. 2015, 3, 4–17. [Google Scholar] [CrossRef]
- Zhou, Y.; Liu, C.; Huang, Y. Wireless Power Transfer for Implanted Medical Application: A Review. Energies 2020, 13, 2837. [Google Scholar] [CrossRef]
- Wang, W.; Yan, G.; Wang, Z.; Jiang, P.; Meng, Y.; Chen, F.; Xue, R. A Novel Expanding Mechanism of Gastrointestinal Microrobot: Design, Analysis and Optimization. Micromachines 2019, 10, 724. [Google Scholar] [CrossRef] [PubMed]
- Ke, Q.; Luo, W.; Yan, G.; Yang, K. Analytical Model and Optimized Design of Power Transmitting Coil for Inductively Coupled Endoscope Robot. IEEE Trans. Biomed. Eng. 2016, 63, 694–706. [Google Scholar] [CrossRef]
- Rehan, M.; Al-Bahadly, I.; Thomas, D.G.; Avci, E. Capsule Robot for Gut Microbiota Sampling Using Shape Memory Alloy Spring. Int. J. Med. Robot. Comput. Assist. Surg. 2020, 16, 1–14. [Google Scholar] [CrossRef]
- Wang, W.; Yan, G.; Han, D.; Meng, Y.; Pu, P. Design and Testing of a Novel Gastrointestinal Microrobot. Biomed. Microdevices 2020, 22, 1–11. [Google Scholar] [CrossRef] [PubMed]
- Gao, J.; Yan, G. Locomotion Analysis of an Inchworm-Like Capsule Robot in the Intestinal Tract. IEEE Trans. Biomed. Eng. 2016, 63, 300–310. [Google Scholar] [CrossRef]
- Gao, J.; Yan, G.; Wang, Z.; Xu, F.; Wang, W.; Jiang, P.; Liu, D. Locomotion Enhancement of an Inchworm-like Capsule Robot Using Long Contact Devices. Int. J. Med. Robot. Comput. Assist. Surg. 2017, 13, e1759. [Google Scholar] [CrossRef] [PubMed]
- Meng, Y.; Yan, G.; Jiang, P.; Zhao, K.; Wang, W.; Chen, F.; Zhuang, H. A Novel Wireless Power Transfer System with Two Parallel Opposed Coils for Gastrointestinal Capsule Robot. Sens. Actuators A Phys. 2021, 321, 112413. [Google Scholar] [CrossRef]
- Basar, R.; Ahmad, M.Y.; Cho, J.; Ibrahim, F. An Improved Resonant Wireless Power Transfer System with Optimum Coil Configuration for Capsule Endoscopy. Sens. Actuators A Phys. 2016, 249, 207–216. [Google Scholar] [CrossRef]
- Basar, R.; Ahmad, M.Y.; Cho, J.; Ibrahim, F. An Improved Wearable Resonant Wireless Power Transfer System for Biomedical Capsule Endoscope. IEEE Trans. Ind. Electron. 2018, 65, 7772–7781. [Google Scholar] [CrossRef]
- Xin, W.H.; Yan, G.Z.; Wang, W.X. A Stable Wireless Energy Transmission System for Gastrointestinal Microsystems. J. Med. Eng. Technol. 2010, 34, 64–70. [Google Scholar] [CrossRef] [PubMed]
- Tortora, G.; Mulana, F.; Ciuti, G.; Dario, P.; Menciassi, A. Inductive-Based Wireless Power Recharging System for an Innovative Endoscopic Capsule. Energies 2015, 8, 10315–10334. [Google Scholar] [CrossRef]
- Campi, T.; Cruciani, S.; Maradei, F.; Feliziani, M. Innovative Wireless Charging System for Implantable Capsule Robots. IEEE Trans. Electromagn. Compat. 2021, 63, 1726–1734. [Google Scholar] [CrossRef]
- Basar, R.; Ahmad, M.Y.; Cho, J.; Ibrahim, F. Stable and High-Efficiency Wireless Power Transfer System for Robotic Capsule Using a Modified Helmholtz Coil. IEEE Trans. Ind. Electron. 2017, 64, 1113–1122. [Google Scholar] [CrossRef]
- Carta, R.; Sfakiotakis, M.; Pateromichelakis, N.; Thoné, J.; Tsakiris, D.P.; Puers, R. A Multi-Coil Inductive Powering System for an Endoscopic Capsule with Vibratory Actuation. Sens. Actuators A Phys. 2011, 172, 253–258. [Google Scholar] [CrossRef]
- Han, D.; Yan, G.; Zhao, K.; Wang, Z.; Jiang, P.; Yan, L. Design and Analysis of a Three-Dimensional Spindle-Shaped Receiving Coil for a Targeted Therapy Capsule Robot in the Intestine. Micromachines 2022, 13, 1884. [Google Scholar] [CrossRef] [PubMed]
- Jia, Z.; Yan, G.; Jiang, P.; Wang, Z.; Hua, L. Efficiency Optimization of Wireless Power Transmission Systems for Active Capsule Endoscopes. Physiol. Meas. 2011, 32, 1561. [Google Scholar] [CrossRef]
- Khan, S.R.; Pavuluri, S.K.; Cummins, G.; Desmulliez, M.P.Y. Miniaturized 3-D Cross-Type Receiver for Wirelessly Powered Capsule Endoscopy. IEEE Trans. Microw. Theory Tech. 2019, 67, 1985–1993. [Google Scholar] [CrossRef]
- Gao, J.; Zhou, J.; Yuan, C.; Zhang, Z.; Gao, C.; Yan, G.; Li, R.; Zhang, L. Stable Wireless Power Transmission for a Capsule Robot with Randomly Changing Attitude. IEEE Trans. Power Electron. 2023, 38, 2782–2796. [Google Scholar] [CrossRef]
- Xin, W.; Yan, G.; Wang, W. Study of a Wireless Power Transmission System for an Active Capsule Endoscope. Int. J. Med. Robot. Comput. Assist. Surg. 2010, 6, 113–122. [Google Scholar] [CrossRef]
- Basir, A.; Shah, I.A.; Yoo, H. Sphere-Shaped Receiver Coil for Misalignment-Resilient Wireless Power Transfer Systems for Implantable Devices. IEEE Trans. Antennas Propag. 2022, 70, 8368–8378. [Google Scholar] [CrossRef]
- Wang, J.; Li, J.; Ho, S.L.; Fu, W.N.; Li, Y.; Yu, H.; Sun, M. Lateral and Angular Misalignments Analysis of a New PCB Circular Spiral Resonant Wireless Charger. IEEE Trans. Magn. 2012, 48, 4522–4525. [Google Scholar] [CrossRef]
- Dang, Z.; Qahouq, J.A.A. Modeling and Investigation of Magnetic Resonance Coupled Wireless Power Transfer System with Lateral Misalignment. In Proceedings of the 2014 IEEE Applied Power Electronics Conference and Exposition—APEC 2014, Fort Worth, TX, USA, 16–20 March 2014; pp. 1317–1322. [Google Scholar]
- Liu, F.; Yang, Y.; Jiang, D.; Ruan, X.; Chen, X. Modeling and Optimization of Magnetically Coupled Resonant Wireless Power Transfer System with Varying Spatial Scales. IEEE Trans. Power Electron. 2017, 32, 3240–3250. [Google Scholar] [CrossRef]
- Fotopoulou, K.; Flynn, B.W. Wireless Power Transfer in Loosely Coupled Links: Coil Misalignment Model. IEEE Trans. Magn. 2011, 47, 416–430. [Google Scholar] [CrossRef]
- Lin, D.; Zhang, C.; Hui, S.Y.R. Mathematic Analysis of Omnidirectional Wireless Power Transfer—Part-II Three-Dimensional Systems. IEEE Trans. Power Electron. 2017, 32, 613–624. [Google Scholar] [CrossRef]
- Lin, D.; Zhang, C.; Hui, S.Y.R. Mathematical Analysis of Omnidirectional Wireless Power Transfer—Part-I: Two-Dimensional Systems. IEEE Trans. Power Electron. 2017, 32, 625–633. [Google Scholar] [CrossRef]
- Feng, J.; Li, Q.; Lee, F.C. Omnidirectional Wireless Power Transfer for Portable Devices. In Proceedings of the 2017 IEEE Applied Power Electronics Conference and Exposition (APEC), Tampa, FL, USA, 26–30 March 2017; pp. 1675–1681. [Google Scholar]
- Wang, H.; Zhang, C.; Yang, Y.; Liang, H.W.R.; Hui, S.Y.R. A Comparative Study on Overall Efficiency of Two-Dimensional Wireless Power Transfer Systems Using Rotational and Directional Methods. IEEE Trans. Ind. Electron. 2022, 69, 260–269. [Google Scholar] [CrossRef]
- Feng, T.; Sun, Y.; Feng, Y.; Dai, X. A Tripolar Plane-Type Transmitter for Three-Dimensional Omnidirectional Wireless Power Transfer. IEEE Trans. Ind. Appl. 2022, 58, 1254–1267. [Google Scholar] [CrossRef]
- Ye, Z.; Sun, Y.; Liu, X.; Wang, P.; Tang, C.; Tian, H. Power Transfer Efficiency Analysis for Omnidirectional Wireless Power Transfer System Using Three-Phase-Shifted Drive. Energies 2018, 11, 2159. [Google Scholar] [CrossRef]
- Mo, Y.; Feng, T.; Xiao, J.; Wang, Z.; Wu, X.; Sun, Y. A 3-D Rotating Magnetic Field Modulation Method for Omnidirectional Wireless Power Transfer Systems. In Proceedings of the 2022 IEEE 9th International Conference on Power Electronics Systems and Applications (PESA), Hong Kong, China, 20–22 September 2022; pp. 1–6. [Google Scholar]
- Liu, H.; Wang, Y.; Yu, H.; Wu, F.; Wheeler, P. A Novel Three-Phase Omnidirectional Wireless Power Transfer System with Zero-Switching-Loss Inverter and Cylindrical Transmitter Coil. IEEE Trans. Power Electron. 2023, 38, 10426–10441. [Google Scholar] [CrossRef]
- Feng, T.; Zuo, Z.; Sun, Y.; Dai, X.; Wu, X.; Zhu, L. A Reticulated Planar Transmitter Using a Three-Dimensional Rotating Magnetic Field for Free-Positioning Omnidirectional Wireless Power Transfer. IEEE Trans. Power Electron. 2022, 37, 9999–10015. [Google Scholar] [CrossRef]
- Feng, T.; Sun, Y.; Zuo, Z.; Wang, Z.; Dai, X. Magnetic Field Analysis and Excitation Currents Optimization for an Omnidirectional WPT System Based on Three-Phase Tubular Coils. IEEE Trans. Ind. Appl. 2022, 58, 1268–1278. [Google Scholar] [CrossRef]
- Zhuang, H.; Wang, W.; Yan, G. Omnidirectional Wireless Power Transfer System Using Modified Saddle-Shaped Coil Pair for Implantable Capsule Robots. IEEE Trans. Power Electron. 2023, 38, 11664–11672. [Google Scholar] [CrossRef]
- Liu, F.; Ding, Z.; Fu, X.; Kennel, R.M. Parametric Optimization of a Three-Phase MCR WPT System with Cylinder-Shaped Coils Oriented by Soft-Switching Range and Stable Output Power. IEEE Trans. Power Electron. 2020, 35, 1036–1044. [Google Scholar] [CrossRef]
- Tan, L.; Zhong, R.; Tang, Z.; Huang, T.; Huang, X.; Meng, T.; Zhai, X.; Wang, C.; Xu, Y.; Yang, Q. Power Stability Optimization Design of Three-Dimensional Wireless Power Transmission System in Multi-Load Application Scenarios. IEEE Access 2020, 8, 91843–91854. [Google Scholar] [CrossRef]
- Bonetto, F.; Anoardo, E.; Polello, M. Saddle Coils for Uniform Static Magnetic Field Generation in NMR Experiments. Concepts Magn. Reson. Part B Magn. Reson. Eng. 2006, 29, 9–19. [Google Scholar] [CrossRef]


















| Parameter | Value | Parameter | Value | Parameter | Value |
|---|---|---|---|---|---|
| 25 V | 50 kHz | 2.33 mH | |||
| 3.13 mH | 3.10 mH | 4.35 nF | |||
| 3.24 nF | 3.27 nF | 2.16 Ω | |||
| 2.77 Ω | 2.83 Ω | 0.53 mH | |||
| 19.30 nF | 5.11 Ω | 30 Ω | |||
| 320 mm | 770 mm | 335 mm | |||
| 15 mm | 18.6 mm | 14 mm | |||
| 150° | 30 × 2 | 120 × 3 |
| Coil | γ(%) | ||||
|---|---|---|---|---|---|
| HC1 | 5.244 | 5.005 | 5.148 | 883.4 | 95.8 |
| SC2 | 4.139 | 3.835 | 3.991 | 530.9 | 94.5 |
| SC3 | 4.092 | 3.829 | 3.981 | 528.3 | 95.0 |
Disclaimer/Publisher’s Note: The statements, opinions and data contained in all publications are solely those of the individual author(s) and contributor(s) and not of MDPI and/or the editor(s). MDPI and/or the editor(s) disclaim responsibility for any injury to people or property resulting from any ideas, methods, instructions or products referred to in the content. |
© 2024 by the authors. Licensee MDPI, Basel, Switzerland. This article is an open access article distributed under the terms and conditions of the Creative Commons Attribution (CC BY) license (https://creativecommons.org/licenses/by/4.0/).
Share and Cite
Li, W.; Jiang, P.; Wang, Z.; Yan, G. Research on Structural Optimization and Excitation Control Method Using a Two-Dimensional OWPT System for Capsule Robots Based on Non-Equivalent Coils. Micromachines 2024, 15, 1510. https://doi.org/10.3390/mi15121510
Li W, Jiang P, Wang Z, Yan G. Research on Structural Optimization and Excitation Control Method Using a Two-Dimensional OWPT System for Capsule Robots Based on Non-Equivalent Coils. Micromachines. 2024; 15(12):1510. https://doi.org/10.3390/mi15121510
Chicago/Turabian StyleLi, Wenwei, Pingping Jiang, Zhiwu Wang, and Guozheng Yan. 2024. "Research on Structural Optimization and Excitation Control Method Using a Two-Dimensional OWPT System for Capsule Robots Based on Non-Equivalent Coils" Micromachines 15, no. 12: 1510. https://doi.org/10.3390/mi15121510
APA StyleLi, W., Jiang, P., Wang, Z., & Yan, G. (2024). Research on Structural Optimization and Excitation Control Method Using a Two-Dimensional OWPT System for Capsule Robots Based on Non-Equivalent Coils. Micromachines, 15(12), 1510. https://doi.org/10.3390/mi15121510

