Next Article in Journal
Health Monitoring System from Pyralux Copper-Clad Laminate Film and Random Forest Algorithm
Previous Article in Journal
Design Guidelines for Thin Diaphragm-Based Microsystems through Comprehensive Numerical and Analytical Studies
 
 
Font Type:
Arial Georgia Verdana
Font Size:
Aa Aa Aa
Line Spacing:
Column Width:
Background:
Article

A 54 µW CMOS Auto-Trimming Bandgap References (ATBGR) Achieving 90 dB PSRR for Artificial Intelligence of Things (AIoT) Chips

by
Balamahesn Poongan
1,
Jagadheswaran Rajendran
1,*,
Selvakumar Mariappan
1,
Arvind Singh Rawat
2,
Narendra Kumar
3,
Arokia Nathan
4 and
Binboga S. Yarman
5
1
Collaborative Microelectronic Design Excellence Center (CEDEC), Universiti Sains Malaysia, Bayan Lepas 11900, Malaysia
2
School of Computing, DIT University, Dehradun 248009, Uttarakhand, India
3
Department of Electrical Engineering, Faculty of Engineering, University of Malaya, Kuala Lumpur 50603, Malaysia
4
Darwin College, Cambridge University, Cambridge CB3 9EU, UK
5
Department of Electrical and Electronics Engineering, Istanbul University, 34320 Istanbul, Turkey
*
Author to whom correspondence should be addressed.
Micromachines 2023, 14(9), 1724; https://doi.org/10.3390/mi14091724
Submission received: 28 June 2023 / Revised: 12 August 2023 / Accepted: 29 August 2023 / Published: 1 September 2023
(This article belongs to the Section D1: Semiconductor Devices)

Abstract

:
An Auto-Trimming CMOS Bandgap References Circuit (ATBGR) with PSRR enhancement circuit for Artificial Intelligence of Things (AIoT) chips is presented in this paper. The ATBGR is designed with a first-order temperature compensation technique providing a stable reference voltage of 1.25 V in the ranges of input voltages from 1.65 V to 4.5 V. An auto-trimming circuit is integrated into a PTAT resistor of BGR to minimize the influences of the process variations. The four parallel resistor pairs with PMOS switches are connected in series with the PTAT resistor. The reference voltage, VREF, is compared to an external constant value, 1.25 V, through an operational amplifier, and the output of the de-multiplexer is used to configure the PMOS switches. High power supply rejection is achieved through a PSRR enhancement circuit constituting a cascaded PMOS common gate pair. The ATBGR circuit is fabricated in 180 nm CMOS technology, consuming an area of 0.03277 mm2. The auto-trimming method yields an average temperature coefficient of 9.99 ppm/°C with temperature ranges from −40 °C to 125 °C, and a power supply rejection ratio of −90 dB at 100 MHz is obtained. The line regulation of the proposed circuit is 0.434%/V with power consumption of 54.12 µW at room temperature.

1. Introduction

AIoT microchips are designed to enable Artificial Intelligence (AI) and Internet of Things (IoT) capabilities in a single device. AIoT chips are typically designed to handle the computational demands of AI algorithms while providing interfaces and protocols to connect with IoT devices and networks. The integration of complex neural networks to perform complex AI computations efficiently demands a precise and low-power reference voltage generator on the chip.
CMOS and bandgap reference are the two types of circuits widely used to provide a stable reference voltage through the process, voltage, and temperature (PVT) changes. MOSFET devices will be used in the CMOS reference circuit to represent the complementary to absolute temperature (CTAT) [1,2] and proportional to absolute temperature (PTAT) [3] characteristics. The MOS transistor’s threshold voltage, Vth, determines the reference voltage while holding the CTAT characteristic with minimal temperature dependence on BJT. The simplified CMOS-based conventional voltage reference generator is depicted in Figure 1.
The reference voltage is the voltage difference between the gate sources of two MOS transistors [4]. Both transistors are operating in the saturation region. Equation (1) expresses the VREF from the two MOS transistors.
V REF = V GS 2 V GS 1 = V th 2 V th 1 2 I ( 1 K 2 1 K 1 )
In CMOS reference, the dependency of reference voltage on temperature can be reduced by lowering the bias current, I [5]. In this condition, the reference voltage is approximately VREF = Vth2Vth1. Usage of MOSFET in the reference design of CMOS will be an added advantage, as it consumes less power and allows a reduction in chip area. However, MOSFET is less sensitive to temperature, and thus it requires multiple trimming points across the process. The bandgap reference circuit has been adjusted during fabrication to produce the desired output voltage at a specific temperature. Multiple-point trimming calibrates the circuit at numerous temperature points to increase accuracy and thermal stability across a wider temperature range.
In the BGR circuit, the BJT has been used as a diode where the p-n junction of the diode is coupled with an intrinsic silicon bandgap voltage, VBG. When the bias current is applied to the p-n junction, it produces CTAT voltage with a substantial temperature dependency. On the other hand, the design parameters can be used to adjust the temperature coefficient of a PTAT voltage to generate VBG as well [6]. Since the BJT has higher temperature sensitivity and higher negative temperature co-efficient, it is good to inherit the replication of CTAT behavior in BGR despite it occupying a larger area on the chip and draining higher current [5]. Besides that, the BJT transistor is the best to compensate for process variation, as it holds a single-point trimming compared to the MOSFET transistor.
As compared to the BGR architecture, the CMOS reference voltage generator has lower power consumption and occupies a smaller area. However, due to the additional Vth as it outputs voltage headroom, it is subject to process variation. Various solutions have been proposed to solve this issue without trimming circuits, such as hybrid architecture, geometry dependence [7], and process compensation scheme [8,9]. However, all these solutions have been traded off to MOSFET’s temperature coefficient.
Various techniques have been proposed to improvise the performances of BGR in the aspect of the area, power consumption, and trimming. In [10], bandgap voltage and current references (BGVCR) technique, without an amplifier, was proposed to reduce the chip area. To produce PTAT current to guarantee the stability of the system, an amplifier was used in most BGR designs [11]. The amplifier takes up space on the chip and degrades the accuracy of the reference voltage, owing to input offset voltage and noise. Despite eliminating the amplifier from the design, a relatively bigger area was still consumed on the chip. Apart from this, BGR with a PTAT-embedded amplifier was introduced to reduce the chip area [12]. It consists of a single current branch that draws lower power and only consumes an area of 0.0082 mm2. This method contributes to higher noise, as the load on the amplifier has been increased.
The resistor-less BGR circuit is another method that is widely used in BGR design. The resistor that was previously used to integrate the PTAT and CTAT voltage characteristics to create the reference voltage has been removed in this architecture. To compensate for the use of the resistor in BGR, single-branch floating PTAT voltage and PTAT voltage generators with voltage duplicator techniques were created in [13,14], respectively. The voltage of the bipolar transistor, VEB, was directly floating on CTAT and was biased by a resistor-less current source in single-branch PTAT voltage, cascoded high-impedance current bias techniques. In single-branch PTAT voltage, where the voltage of a bipolar transistor, VEB, was directly floated on CTAT and biased by a resistor-less current source, the cascoded high-impedance current bias techniques were utilized.
In [13], the proposed voltage duplicator was multiplied by four times of PTAT, which was produced by connecting two PMOS differential pairs in series. The input of the voltage duplicator receives the bipolar transistor’s CTAT voltage or VEB. This method aids in obviating the necessity for a resistor. The proposed methods, however, worsen the temperature coefficient performance since there is no suitable PTAT and CTAT combination to generate the reference voltage.
A resistor-less CMOS reference design has been developed to create lower power, high PSRR reference voltage for SoC applications in the MHz frequency ranges. Due to the lack of a resistor in the design, most architectures, unfortunately, have trouble providing higher-order compensation as temperature sweeps from low to high. A poor temperature coefficient results from this scenario. To address this problem, resistor-less BGR successive voltage step compensation was put forth in [15,16]. The PSRR is only guaranteed by this approach, however, for lower frequencies and temperature coefficients.
To overcome the aforementioned problems, this research suggests an auto-trimming BJT-based BGR with a PSRR improvement circuit. System stability is maintained without compromising BGR’s performance in terms of temperature coefficient, line regulation, and chip area. To solve the issue of process variance, the automatic trimming circuit with a straightforward comparator and network resistor has been added to the PTAT resistor. The comparator will detect when the reference voltage is out of alignment due to process variation because its input is connected to the reference voltage, and its output will activate the trimming network resistor based on the appropriate weighting to compensate for the desired output. The paper is organized as follows. The suggested BGR and circuit implementation for each block are described in Section 2. Meanwhile, Section 3 discusses the measurement data and analysis, and Section 4 provides a conclusion.

2. Proposed Bandgap Voltage Reference

Figure 2 depicts the ATBGR schematic. A BGR Core (CTAT, PTAT, and op-amp), a startup circuit, a PSRR enhancement circuit, and an auto-trimming circuit are integrated. The auto-trimming circuit generates a consistent reference voltage across CMOS process variations.

2.1. Core Circuit of Bandgap Voltage Reference

Figure 3 illustrates the proposed BGR core circuit.
To design BGR with a less sensitive solution across the PVT, the circuit needs to bias itself, and the current need to independently flow to all of three branches in Figure 3. The current mirror approach has been used to supply equal current across the CTAT, PTAT, and VREF generator circuit. The relationship of CTAT and PTAT to VREF is illustrated in Figure 4.
Referring to Figure 4, the correct pairing of the CTAT and PTAT can eliminate temperature-dependent variations and result in a stable and temperature-independent reference voltage. CTAT and PTAT node’s potential voltage is ideally equal, as shown in Equation (2).
V D = V 2
Since a bipolar junction transistor is employed in this design as a diode, the voltage across the diode is defined below in terms of the thermal voltage:
V D = V T l n ( I O / I S )
where IO and IS are the BJT’s collector current and reverse saturated current. The CTAT voltage is designated VD, exhibiting a negative temperature coefficient (TC).
On the PTAT side, number, n, of the bipolar transistor was added to minimize the potential voltage difference between the CTAT and PTAT. The voltage across the diode is given in (4):
V D = V T l n ( I O / n I S )
Using (3) and (4), the voltage across the resistor, R1, is derived as follows:
V R 1 = V D V D 1 = V T l n ( I O / I S ) V T l n ( I O / n I S ) = V T l n ( n )
where VT = kT/q, k is Boltzman’s constant, and q is the charge of the electron. Referring to (5), the voltage across the resistor, R1, is the PTAT voltage, VPTAT. There are three branches in the core circuit, including PTAT, CTAT, and REF_GEN. All these three branches have equal bias currents, and the total current of this core circuit can be expressed in (6).
I T o t a l = I C T A T + I P T A T + I R E F _ G E N
Hence, VPTAT is
V R 1 = I P T A T R 1
Since the voltage across the resistor, R1, is computed using Equation (5), and the biased current will be determined based on the design specification, the resistor, R1, value can be obtained with Equation (8). Equation (8) is expressed by Substituting (7) into the result of (5).
R 1 = V T l n ( n ) I P T A T
To achieve minimal voltage variation, a total of eight bipolar transistor-based diodes are used in this design.
By assuming VCTAT = VD = 0.7 V as the typical diode voltage, the reference voltage of BGR is the total voltage across R2 and Q10, where they represent the behavior of PTAT and CTAT, respectively.
V R E F = V R 2 + V Q 10
The reference voltage is derived in terms of thermal voltage, VT, and diode voltage, VD, as in Equation (10).
V R E F = α ( V T ) + β ( V D )
where α and β are the weightage of PTAT and CTAT, respectively. Exhibiting zero temperature coefficient can be achieved by adding two items with the opposite temperature coefficients with the appropriate weight, as expressed in Equation (11).
δ V R E F δ T = α ( δ V T δ T ) + β ( δ V D δ T ) = 0
Since CTAT has only one diode, the CTAT weightage, β = 1. Based on [16], the ( δ VT)/( δ T) = 85 µV/°C) and ( δ VD)/( δ T) = −1.63 mV/°C), by substituting into (11), the PTAT weightage, α , will be computed as 18.82. The PTAT weightage, α , is equivalent to VR2 because it replicates the behavior of the PTAT as it is defined in (9). The voltage across the resistor, VR2, is expressed as in (12).
V R 2 = I R E F _ G E N R 2
Since all three branches flow the same current, by substituting Equation (7) into Equation (12), R2 can be determined. R1 and R2 play a critical role in determining the reference value. A trimming circuit has been implemented on R2 to ensure the reference voltage is independent of the process variation.

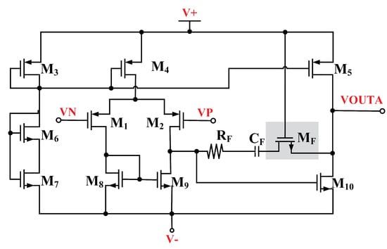
2.2. Two-Stage Operational Amplifier with Active Miller Compensation (AMC)

In our BGR, a two-stage op-amp is used to achieve the design goal of equal CTAT and PTAT potential differences. The schematic of the design is illustrated in Figure 5. If the amplifier detects inequality, the output of the amplifier will trigger the gate of current mirror M8 and M9 to increase the drain current to equalize the voltage differences. Figure 6 illustrates the simulated input voltages of the amplifier across the temperature. The simulated input voltages of the amplifier exhibit linear characteristics from −40 °C to 125 °C while generating the reference voltage with CTAT and PTAT. A stable and constant output voltage is produced because CTAT and PTAT are tied to each amplifier node.
The two-stage op-amp consists of a differential single-ended output with current mirror biasing as the first stage and a common source stage as the second stage. Its transfer function is given as follows:
H ( s ) = K ( 1 + s ω Z ) ( 1 + s ω P 1 ) ( 1 + s ω P 2 )
The gain of the op-amp is expressed as follows:
D C G a i n = g m M 1 g m M 10 ( r o M 2 / / ( r o M 9 ) ( r o M 5 / / ( r o M 10 )
Referring to Figure 5, the integrated MF acts as an AMC for the high-gain op-amp. Operating comfortably in the saturation region due to high overdrive gate voltage from VDD contributes to higher active RC, which is inherited from MF. Higher RC moves the dominant pole away towards low frequency, thus improving the phase margin. Figure 7 illustrates the simulation results of the two-stage op-amp’s corresponding open-loop gain and phase margin. The maximum achieved is 64 dB with a phase margin of 60°.
The active miller compensation with integrated MF helps to move the dominant pole to a higher frequency, that is, from 40 MHz to 50 MHz, and achieves a phase margin of 60 degrees, which is a stable condition.

2.3. Startup Circuit

Figure 8 illustrates the proposed startup circuit for the ATBGR.
The startup circuit consists of three PMOS transistors, a NMOS transistor, and a resistor, R3, designed to break the zero-current region into the normal operating region. VN of M1 is connected to the startup circuit.
When the BGR core circuit is turned to normal operation mode, all transistors in the startup circuit are in hibernate mode, as condition VN is zero current state. Only the transistor, M18, is ON, and the current starts to flow on the VN node.
As a result, the amplifier will perform a comparison between VN and VP nodes, respectively, and correct another node by increasing the current flow through M12 of the core circuit, leading to an equal flow of current on both of nodes. As the input node of the amplifier starts to flow the current, the gate voltage of the M19 is in a “HIGH” state, enabling current mirror pair M16–M17. As a result, M18 is turned off, thus switching the startup circuit to hibernating mode. Figure 9 illustrates the simulated transient response of the ATBGR with and without the startup circuit.
The ATBGR quickly reaches a steady state after the startup circuit exits the zero-current region. On the other hand, without the startup circuit, it takes longer to reach a steady state, as depicted in Figure 9, as the amplifier’s input node was initiated by itself to break the zero-current region.

2.4. Auto-Trimming Circuit

Figure 10 illustrates the auto-trimming circuit integrated into the ATBGR to resolve the reference voltage variation issue across the process. R2 is used for the trimming purpose, referring to (12). A 4-bit trimming circuit has been integrated with R2. The value of the resistor is an increment from one to another in multiples of two, that is, R, 2R, 4R, and 8R, each connected in parallel to the PMOS switches M20–M23. PMOS is favorable over NMOS, as it exhibits reduced process sensitivity.
The trimming action is automated in the auto-trimming circuit (ATC) through built-in op-amps 1 and 2. The op-amps compare an external voltage, +1.25V_EXT, 1.25 V, with the reference voltage, VREF, to detect and reduce the variation. This external voltage was supplied from an external DC power supply model (Agilent-E3631A). In this design, two op-amps were used to capture the variation range.
The first op-amp was used to record any events where the output voltage was marginally higher than the external voltage. When the reference voltage is greater than the external voltage, the op-amp will be set. The negative op-amp node is connected and attached to the external voltage, +1.25V_EXT, while a positive node is connected to the VREF output of the BGR core.
Op-amp 2 is used to determine whether the output voltage was less than the external voltage. When the output voltage is less than the external voltage, the op-amp will set. The output of the BGR was connected to its negative node and an external voltage, +1.25V_EXT, is connected to the positive node. When the output voltage of the BGR exceeds the external reference voltage, the resistors R and 2R are configured, whereas larger resistances, such as 4R and 8R, are configured when the output voltage is lower. The transistor-level schematic of the op-amp is shown in Figure 11.
The 2-to-4 demultiplexer is used to control the resistor network through the PMOS switches. The output of the op-amps is used as the selection pin of the de-multiplexer. The MOSFET switches will be configured according to the response of the op-amp. The trimming step for the 4-bit trimming circuit is 110 µV/LSB. The truth table of the 2-to-4 demultiplexer is shown in Table 1.
To verify the effectiveness of the ATC, a Monte Carlo simulation has been performed for 200 samples. The Monte Carlo simulation was used to analyze the normal distribution of both with and without the ATC, and the results are illustrated in Figure 12 and Figure 13, respectively.
Referring to Figure 12 and Figure 13, the BGR with ATC achieves VREF with higher precision (1.25001 V) than without ATC (1.25156 V). According to the findings, the ATBGR with ATC-distributed data is close to the mean value compared to the ATBGR without ATC. ATC has resulted in a normal distribution. Furthermore, the latter has a lower standard deviation than the former.

2.5. PSRR Enhancement Circuit

To enhance the PSRR performances in the BGR circuit at a higher frequency range, a cascaded PMOS common gate pair has been integrated at the output of the BGR, as illustrated in Figure 2.
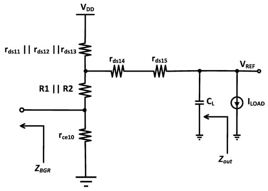
An analysis model of the BGR is illustrated in the Figure 14 below.
In the figure, Zout is the output impedance of the BGR and ZBGR is the shunting effect of its feedback loop. Zout and ZBGR are given as follows:
Z o u t = Z c l | | R o u t
R o u t = r d s 14 + r d s 15 + R 1 | | R 2 + r c e 10
Z B G R = Z o u t | | r d s * A o 1 . r c e 10 ( R 1 | | R 2 ) + r c e 10
where
* A o 1 = g m 14 r o 14 . g m 15 r o 15
and
r d s = r d s 11 | | r d s 12 | | r d s 13
From here, VREF is calculated as
V R E F = Z o u t | | Z B G R r d s + Z o u t | | Z B G R . V D D
and PSRR is obtained as
P S R R = V R E F V D D = Z o u t | | Z B G R r d s + Z o u t | | Z B G R
The final equation is given in the Appendix A.
The simulation results of the PSRR with and without the PSRR enhancement circuit are illustrated in Figure 15. It can be observed that the enhancement circuit improves the rejection significantly at a frequency of more than 1 KHz.

3. Measurement Results

The proposed BJT-based BGR has been designed and fabricated in 0.18 µm CMOS technology. The chip area of the BGR is 0.032768 mm2, including the bond pads for measurement. Figure 16 depicts the photomicrograph of the proposed BJT-based BGR with the bond pads.
To validate the proposed BGR design, a total of 10 samples of the chip were measured. The 10 samples are selected from various wafers that fall under the FF, TT, and SS speed grades. Figure 17 shows the output voltage of BGR with a temperature range from −40 °C to 125 °C with a supply voltage of 3.3 V. The BGR was designed to generate 1.25 V as an output voltage. The output voltage of the proposed BGR has a deviation smaller than 1.278 mV across the temperature ranging from −40 °C to 125 °C. Based on the 10 samples, the minimum and maximum temperature coefficients are 6.11 ppm/°C and 15.32 ppm/°C, respectively, with power supply ranges from 1.65 V to 4.5 V. The proposed BGR core circuit only consumes 16.4 µA when the input supply is 3.3 V.
Additionally, the input voltage variation is also taken into consideration in this proposed BGR circuit. Figure 18 shows the output voltage of BGR with swiping the input supply from 0 V to 4.5 V. The output voltage starts to become saturated when the input supply is 1.65 V and remains in the saturation region up to 4.5 V. During this saturation period, the deviation of the output voltage is only 15.47 mV. The measured line regulation of the output voltage is 0.434%/V across the power supply of 1.65 V to 4.5 V.
The performance distribution of the proposed BGR for the ten samples after trimming was extracted from Figure 17 and Figure 18, and the distribution of VREF and the temperature coefficient is shown in Figure 19 and Figure 20, respectively. Figure 19 illustrates the measured mean output reference voltage at room temperature, that is, 1.2495 V with a standard deviation of 2.38 mV. The measured TC distribution is depicted in Figure 20 and has a mean value of 9.99 ppm/°C and a standard deviation of 3.06 ppm/°C.
The measured results of the PSSR of the proposed BGR circuit are shown in Figure 21. The PMOS PSRR enhancement circuit helps to optimize the PSRR of the BGR circuit across the frequency, especially in the higher frequency range.
The measurement results are compared against other BGRs from the literature in Table 2. With a supply headroom range of 1.65 V to 4.5 V and a reasonable temperature coefficient, the proposed BGR provides the best PSRR at higher frequency ranges.

4. Conclusions

An auto-trimming BJT-based bandgap voltage reference, ATBGR, with a PSRR improvement circuit is proposed in this work. Even though the auto-trimming and PSRR improvement circuits were included in this design, the proposed BGR takes up less space. By optimizing a two-stage differential amplifier and including an NMOS transistor in the second output stage, the stability of the system has been improved. A competitive advantage has been achieved, thus qualifying the ATBGR in application designs such as System on Chip (SoC), mobile devices, medical implants, Internet of Things (IoT), and Wireless Sensor Node (WSN) due to the high supply rejection ratio that was accomplished at a higher frequency range by the PSRR augmentation circuit. The proposed circuit has been fabricated using 180 nm CMOS technology with an area of 0.327768 mm2. The average reference voltage and temperature coefficient across temperature ranges from −40 °C to 125 °C are 1.25 V and 6.49 ppm/°C, respectively, when the supply voltage is within the range of 1.65 V to 4.5 V. Line regulation of the proposed BGR is 0.424%/V across the supply voltage range and the PSRR is −90 dB at 100 MHz.

Author Contributions

Conceptualization, B.P. and J.R.; methodology, B.P., J.R. and S.M.; software, B.P., A.S.R. and S.M.; formal analysis, B.P., J.R. and S.M.; validation, B.P., J.R., S.M. and A.S.R.; resources, J.R. and S.M.; data curation, B.P., J.R. and A.S.R.; writing—original draft preparation, B.P., J.R. and S.M.; writing—review and editing, B.P., J.R., S.M., A.S.R., N.K., A.N. and B.S.Y.; visualization, B.P., J.R. and S.M.; supervision, J.R., A.N. and B.S.Y.; project administration, J.R.; funding acquisition, J.R. and S.M. All authors have read and agreed to the published version of the manuscript.

Funding

Malaysian Ministry of Higher Education’s Fundamental Research Grant Scheme [grant number: FRGS/1/2019/TK04/USM/02/14].

Data Availability Statement

Not applicable.

Acknowledgments

The authors would like to offer their deepest gratitude to the Ministry of Higher Education of Malaysia (MOHE) for the funding through Fundamental Research Grant Scheme [grant number: FRGS/1/2019/TK04/USM/02/14], Collaborative Microelectronic Design Excellence Centre (CEDEC) Universiti Sains Malaysia for the measurement facilities, and Silterra Malaysia Sdn Bhd for the fabrication support.

Conflicts of Interest

The authors declare no conflict of interest.

Abbreviations

The following abbreviations are used in this manuscript:
BGRBandgap reference
AIoTArtificial Intelligence of Things
PSRRPower Supply Rejection Ratio
CTATComplementary to absolute temperature
PTATProportional to absolute temperature
CMOSComplementary Metal Oxide Semiconductor
EAError amplifier

Appendix A

P S R R = [ ( ( r ds 12 + r ds 13 ) r ds 11 + r ds 12 r ds 13 ) ( ( R 2 + r ce 10 ) R 1 + R 2 r ce 10 ) Z cl ( ( r ds 14 + r ds 15 + R 2 + r ce 10 ) R 1 + R 2 ( r ds 14 + r ds 15 + r ce 10 ) ) ) ] / [ ( ( ( g m 14 g m 15 r ce 10 r o 14 r o 15 + R 2 + r ce 10 ) R 1 + R 2 r ce 10 ( g m 14 g m 15 r o 14 r o 15 + 1 ) ) ( ( ( ( ( r ds 13 + Z cl ) r ds 12 + r ds 13 Z cl ) r ds 11 + r ds 12 r ds 13 Z cl ) R 2 + ( ( ( r ds 14 + r ds 15 + Z cl + r ce 10 ) r ds 13 + Z cl ( r ds 14 + r ds 15 + r ce 10 ) ) r ds 12 + r ds 13 Z cl ( r ds 14 + r ds 15 + r ce 10 ) ) r ds 11 + r ds 12 r ds 13 Z cl ( r ds 14 + r ds 15 + r ce 10 ) ) R 1 + R 2 ( ( ( ( r ds 14 + r ds 15 + Z cl + r ce 10 ) r ds 13 + Z cl ( r ds 14 + r ds 15 + r ce 10 ) ) r ds 12 + r ds 13 Z cl ( r ds 14 + r ds 15 + r ce 10 ) ) r ds 11 + r ds 12 r ds 13 Z cl ( r ds 14 + r ds 15 + r ce 10 ) ) ) ) ]

References

  1. Nagulapalli, R.; Palani, R.K.; Bhagavatula, S. A 24.4 ppm/°C Voltage Mode Bandgap Reference with a 1.05 V Supply. IEEE Trans. Circuits Syst. II Express Briefs 2021, 68, 1088–1092. [Google Scholar]
  2. Chatterjee, B.; Modak, N.; Amaravati, A.; Mistry, D.; Das, D.M.; Baghini, M.S. A Sub-1 V, 120 nW, PVT-Variation Tolerant, Tunable, and Scalable Voltage Reference with 60-dB PSNA. IEEE Trans. Nanotechnol. 2017, 16, 406–410. [Google Scholar]
  3. Alhasssan, N.; Zhou, Z.; Sinencio, E.S. An All-MOSFET Sub-1-V Voltage Reference with a -51-dB PSR up to 60 MHz. IEEE Trans. Very Large Scale Integr. Syst. 2017, 25, 919–928. [Google Scholar] [CrossRef]
  4. Ji, Y.; Lee, J.; Kim, B.; Park, H.J.; Sim, J.Y. A 192-pW Voltage Reference Generating Bandgap-Vth with Process and Temperature Dependence Compensation. IEEE-Solid-State Circuits 2019, 54, 3281–3291. [Google Scholar] [CrossRef]
  5. Song, B.S.; Gray, P.R. Threshold-Voltage Temperature Drift in Ion-Implanted MOS Transistors. IEEE J. Solid-State Circuits 1982, 17, 291–298. [Google Scholar] [CrossRef]
  6. Vita, G.D.; Iannaccone, G. A Sub-1-V, 10 ppm/°C, Nanopower Voltage Reference Generator. IEEE J. Solid-State Circuits 2007, 42, 1536–1542. [Google Scholar] [CrossRef]
  7. Fardi, H.Z. Modeling dc gain performance of 4H-SiC BJTs. COMPEL Int. J. Comput. Math. Electr. Electron. Eng. 2007, 26, 1236–1246. [Google Scholar] [CrossRef]
  8. Albano, D.; Crupi, F.; Cucchi, F.; Iannaccone, G. A Sub-kT/q Voltage Reference Operating at 150 mV. IEEE Trans. Very Large Scale Integr. Syst. 2015, 23, 1547–1551. [Google Scholar] [CrossRef]
  9. Sundaresan, K.; Allen, P.E.; Ayazi, F. Process and temperature compensation in a 7-MHz CMOS clock oscillator. IEEE J. Solid-State Circuits 2006, 41, 433–441. [Google Scholar] [CrossRef]
  10. Pappu, A.M.; Zhang, X.; Harrison, A.V.; Apsel, A.B. Process-invariant current source design: Methodology and examples. IEEE J. Solid-State Circuits 2007, 42, 2293–2302. [Google Scholar] [CrossRef]
  11. Huang, W.; Liu, L.; Zhu, Z. A Sub-200 nW All-in-One Bandgap Voltage and Current Reference without Amplifiers. IEEE Trans. Circuits Syst. II Express Briefs 2021, 68, 121–125. [Google Scholar]
  12. Liu, L.; Liao, X.; Mu, J. A reference with Offset/Noise Suppression and Five-Piece Linear Compensation. IEEE Trans. Circuits Syst. I Regul. Pap. 2019, 66, 3786–3796. [Google Scholar] [CrossRef]
  13. Zhou, Z.; Shi, Y.; Wang, Y.; Li, N.; Xiao, Z.; Wang, Y.; Liu, X.; Wang, Z.; Zhang, B. A Resistorless High-Precision Compensated CMOS Bandgap Voltage Reference. IEEE Trans. Circuits Syst. I Regul. Pap. 2019, 66, 428–437. [Google Scholar] [CrossRef]
  14. Kim, M.; Cho, S.; Member, S. A 0.0082-mm 2,192-nW Single BJT Branch Bandgap. IEEE Solid-State Circuits Lett. 2020, 3, 426–429. [Google Scholar] [CrossRef]
  15. Wang, S.; Mok, P.K.T. An 8-nW Resistor-Less Bandgap Reference Based on a Single-Branch Floating PTAT Voltage. IEEE Solid-State Circuits Lett. 2020, 3, 74–77. [Google Scholar] [CrossRef]
  16. Ming, X.; Hu, L.; Xin, Y.L.; Zhang, X.; Gao, D.; Zhang, B. A High-Precision Resistor-Less CMOS Compensated Bandgap Reference Based on Successive Voltage-Step Compensation. IEEE Trans. Circuits Syst. I Regul. Pap. 2018, 65, 4086–4096. [Google Scholar] [CrossRef]
  17. Wang, S.; Member, S.; Mok, P.K.T. An 18-nA Ultra-Low-Current Resistor-Less Bandgap Reference for 2.8 V–4.5 V High Voltage Supply Li-Ion-Battery-Based LSIs. IEEE Trans. Circuits Syst. 2020, 67, 2382–2386. [Google Scholar]
  18. Uu, C.W.; Zeng, W.L.; Law, M.K.; Lam, C.S.; Martins, R.P. A 0.5-V Supply, 36 nW Bandgap Reference with 42 ppm/°C Average Temperature Coefficient Within −40 °C to 120 °C. IEEE Trans. Circuits Syst. I Regul. Pap. 2020, 67, 3656–3669. [Google Scholar]
Figure 1. Simplified CMOS−based voltage reference generator.
Figure 1. Simplified CMOS−based voltage reference generator.
Micromachines 14 01724 g001
Figure 2. Schematic of proposed BGR circuit.
Figure 2. Schematic of proposed BGR circuit.
Micromachines 14 01724 g002
Figure 3. Schematic of proposed BGR core circuit.
Figure 3. Schematic of proposed BGR core circuit.
Micromachines 14 01724 g003
Figure 4. Relation of CTAT and PTAT.
Figure 4. Relation of CTAT and PTAT.
Micromachines 14 01724 g004
Figure 5. Schematic of the two-stage differential amplifier.
Figure 5. Schematic of the two-stage differential amplifier.
Micromachines 14 01724 g005
Figure 6. Simulated input voltage of the two-stage differential amplifier.
Figure 6. Simulated input voltage of the two-stage differential amplifier.
Micromachines 14 01724 g006
Figure 7. Simulated results of open−loop gain and phase margin of two-stage op-amp.
Figure 7. Simulated results of open−loop gain and phase margin of two-stage op-amp.
Micromachines 14 01724 g007
Figure 8. Startup circuit of the ATBGR.
Figure 8. Startup circuit of the ATBGR.
Micromachines 14 01724 g008
Figure 9. Simulated transient response of BGR with and without startup circuit.
Figure 9. Simulated transient response of BGR with and without startup circuit.
Micromachines 14 01724 g009
Figure 10. Schematic of auto-trimming circuit.
Figure 10. Schematic of auto-trimming circuit.
Micromachines 14 01724 g010
Figure 11. Schematic of operational amplifier.
Figure 11. Schematic of operational amplifier.
Micromachines 14 01724 g011
Figure 12. Monte Carlo simulation results for BGR with ATC.
Figure 12. Monte Carlo simulation results for BGR with ATC.
Micromachines 14 01724 g012
Figure 13. Monte Carlo simulation results for BGR without ATC.
Figure 13. Monte Carlo simulation results for BGR without ATC.
Micromachines 14 01724 g013
Figure 14. Model of proposed BGR.
Figure 14. Model of proposed BGR.
Micromachines 14 01724 g014
Figure 15. Simulated PSRR of BGR with and without PSRR enhancement circuit.
Figure 15. Simulated PSRR of BGR with and without PSRR enhancement circuit.
Micromachines 14 01724 g015
Figure 16. Micrograph of the designed BJT−based BGR.
Figure 16. Micrograph of the designed BJT−based BGR.
Micromachines 14 01724 g016
Figure 17. The output voltage of BGR across temperature.
Figure 17. The output voltage of BGR across temperature.
Micromachines 14 01724 g017
Figure 18. Theoutput voltage of BGR across input voltage.
Figure 18. Theoutput voltage of BGR across input voltage.
Micromachines 14 01724 g018
Figure 19. Distribution of VREF for 10 samples at room temperature.
Figure 19. Distribution of VREF for 10 samples at room temperature.
Micromachines 14 01724 g019
Figure 20. Distribution of TC for 10 samples.
Figure 20. Distribution of TC for 10 samples.
Micromachines 14 01724 g020
Figure 21. Measured PSRR of BGR with PMOS PSRR enhancement circuit.
Figure 21. Measured PSRR of BGR with PMOS PSRR enhancement circuit.
Micromachines 14 01724 g021
Table 1. Truth table of demultiplexer of auto-trimming circuit.
Table 1. Truth table of demultiplexer of auto-trimming circuit.
ENV_AV_BA0A1A2A3Resistance
0XX0000R2
1001000R2 + R
1010100R2 + 2R
1100010R2 + 4R
1110001R2 + 8R
Table 2. Summary of the performance of the proposed ATBGR compared with other state-of-the-art BGRs.
Table 2. Summary of the performance of the proposed ATBGR compared with other state-of-the-art BGRs.
ReferenceThis Work[4][13][14][15][17][18]
Year2023201920192020202020222022
Technology (nm)18018035018013035065
Temperature Range (°C)−40 to 125−20 to 100−40 to 125−40 to 140−20 to 1100 to 80−40 to 120
Supply Voltage, VIN (V)1.65–4.51.02.0–5.01.3–1.81.42.8–4.50.5
Supply Current, IIN (A)16.4µ0.192n33µ107n5.9n18n76n
Power Consumption, P (W)27.1µ192p66µ139.1n8.26n50.4n38n
Reference Voltage, VREF (V)1.250.69261.140551.171.2521.170.495
TC (ppm/°C)6.49331.0126.3686542
PSRR (dB) @ 100 Hz−58−55−61−52--−50 @ DC
PSRR (dB) @ 1 MHz−93--−44---
PSRR (dB) @ 100 MHz−58------
Noise @ 10 Hz (µV/sqr (Hz)) (dB) @ 100 MHz34.626.8--6--
Line Regulation (%/V)0.4240.022 mV/V0.070.0190.1120.64
Chip Area (mm2)0.0330.00450.03960.00820.0170.0420.0532
Disclaimer/Publisher’s Note: The statements, opinions and data contained in all publications are solely those of the individual author(s) and contributor(s) and not of MDPI and/or the editor(s). MDPI and/or the editor(s) disclaim responsibility for any injury to people or property resulting from any ideas, methods, instructions or products referred to in the content.

Share and Cite

MDPI and ACS Style

Poongan, B.; Rajendran, J.; Mariappan, S.; Rawat, A.S.; Kumar, N.; Nathan, A.; Yarman, B.S. A 54 µW CMOS Auto-Trimming Bandgap References (ATBGR) Achieving 90 dB PSRR for Artificial Intelligence of Things (AIoT) Chips. Micromachines 2023, 14, 1724. https://doi.org/10.3390/mi14091724

AMA Style

Poongan B, Rajendran J, Mariappan S, Rawat AS, Kumar N, Nathan A, Yarman BS. A 54 µW CMOS Auto-Trimming Bandgap References (ATBGR) Achieving 90 dB PSRR for Artificial Intelligence of Things (AIoT) Chips. Micromachines. 2023; 14(9):1724. https://doi.org/10.3390/mi14091724

Chicago/Turabian Style

Poongan, Balamahesn, Jagadheswaran Rajendran, Selvakumar Mariappan, Arvind Singh Rawat, Narendra Kumar, Arokia Nathan, and Binboga S. Yarman. 2023. "A 54 µW CMOS Auto-Trimming Bandgap References (ATBGR) Achieving 90 dB PSRR for Artificial Intelligence of Things (AIoT) Chips" Micromachines 14, no. 9: 1724. https://doi.org/10.3390/mi14091724

APA Style

Poongan, B., Rajendran, J., Mariappan, S., Rawat, A. S., Kumar, N., Nathan, A., & Yarman, B. S. (2023). A 54 µW CMOS Auto-Trimming Bandgap References (ATBGR) Achieving 90 dB PSRR for Artificial Intelligence of Things (AIoT) Chips. Micromachines, 14(9), 1724. https://doi.org/10.3390/mi14091724

Note that from the first issue of 2016, this journal uses article numbers instead of page numbers. See further details here.

Article Metrics

Back to TopTop