Next Article in Journal
Mode Characterization and Sensitivity Evaluation of a Surface Acoustic Wave (SAW) Resonator Biosensor: Application to the Glial-Fibrillary-Acidic-Protein (GFAP) Biomarker Detection
Previous Article in Journal
Growth of Nanocolumnar TiO2 Bilayer by Direct Current Reactive Magnetron Sputtering in Glancing-Angle Deposition Configuration for High-Quality Electron Transport Layer
Previous Article in Special Issue
Amorphous ITZO-Based Selector Device for Memristor Crossbar Array
 
 
Font Type:
Arial Georgia Verdana
Font Size:
Aa Aa Aa
Line Spacing:
Column Width:
Background:
Article

A Compact Fully Electronically Tunable Memristive Circuit Based on CCCDTA with Experimental Results

1
Turkish Air Force Academy, Department of Electronics Engineering, National Defence University, 34334 Istanbul, Turkey
2
Department of Electronics and Communication Engineering, Istanbul Technical University, 34485 Istanbul, Turkey
Micromachines 2023, 14(8), 1484; https://doi.org/10.3390/mi14081484
Submission received: 21 June 2023 / Revised: 18 July 2023 / Accepted: 19 July 2023 / Published: 25 July 2023
(This article belongs to the Special Issue Advances in Memristors, Memristive Devices and Systems)

Abstract

This work presents a flux-controlled memristor structure employing a Current-Controlled Current Differencing Transconductance Amplifier (CCCDTA) with a grounded capacitor. The proposed emulator’s invariant and variant parts can be safely adjustable, showing promising characteristics of up to 1.5 MHz operating frequency. Furthermore, there is no need for an additional circuit, switching mechanism or changing the circuit topology for the changing of operation modes. To justify the performance of the emulator with incremental and decremental mode operations, a Monte Carlo and temperature analysis are validated using TSMC 0.18 µm technology under a symmetrical supply voltage of ±0.9 V. Furthermore, the workability of the proposed circuit is tested with commercial elements such as ALD1116, AD844 and LM13700. When compared with other studies, the presented emulator circuit demonstrates promising performance in various features.

1. Introduction

In modern technologies, there is a strong need for powerful and resilient memory devices. In addition, the significant increase in artificial intelligence applications which employ various complex neural network structures poses new challenges to design more advanced configurations. In this regard, the fabrication process of memristors by the Hewlett-Packard (HP) company in 2018 has attracted circuit designers to reach novel solutions and implementations owing to its unique characteristics.
Memristive elements have a unique feature which combines memory devices and resistive architectures. However, we are still not aware whether these components are available for commercial usage. This is because they necessitate numerous difficult processes and high production costs during fabrication. Consequently, there is a strong need for the fourth element to enable different facilities and architectures in analog and digital circuit design.
There is also a considerable demand for memory and artificial neural networks (ANNs) based on different emulators, providing the advantages of small chip area and design simplicity. In particular, large numbers of architectures have been proposed using the device physics and operating mechanism presented by Chua in [1,2]. From this point of view, Refs. [3,4] present several synaptic circuits while evaluating their utilization in spiking neural networks. Furthermore, Refs. [5,6,7] introduce some neuromorphic applications based on memristive circuits. This is because the use of memristors as synapses not only enables high connectivity but also may offer high density for the implementations where efficient computing is very crucial. In [8], a floating memristor emulator is proposed utilizing a large number of active devices, such as current conveyors and operational amplifiers. In addition, Refs. [9,10] worked on a long-term memory circuit and neuron-inspired encoder system. However, both studies suffer from a large number of active devices and design complexity in achieving memristive behavior for a wide range of operating mechanisms. In [11], a neuromorphic circuit is developed using CMOS technology. Another work presented in [12] introduces a flux-controlled memristor mechanism constructed using an emulator circuit, including seven operational amplifiers, two multipliers and a trigonometric function converter. Ref. [13] proposes a mem-element device using a switching circuitry to control the mode of operation. The circuit combines large numbers of active devices and resistances as passive elements, whereas [14] presents a memristive circuit based on two VDTAs and a switching mechanism. There is an alternative circuit proposed by [15] for utilization in neuromorphic circuits based on a MOSFET-only design. It may encounter additional nonlinearity issues arising from intrinsic parameters of the MOS devices, while [16] presents incremental/decremental modes of operation with different memristor emulators. However, the proposed mechanism requires different circuitries to transition between incremental and decremental operation modes. In addition, Refs. [17,18] propose incremental and decremental mode operations with different architectures. However, they incorporate a couple of resistances as well as active blocks. Ref. [18] necessitates a different circuit to change operation mode.
Some floating memristor emulators are proposed in [19,20,21]. In [19], there is only an incremental mode of operation with large chip area occupation. Ref. [20] makes use of diodes and additional passive components to reach a pinched hysteresis loop. Ref. [21] incorporates an Operational Transconductance Amplifier (OTA) and additional transistors to have incremental/decremental characteristics. Ref. [22] proposes a grounded memristor emulator based on a Differential Voltage Current Conveyor (DVCC) and single OTA with additional passive resistance and switching mechanism. Ref. [23] makes use of Multi-Output OTA (MO-OTA) structure in a feedback structure to obtain a floating memristance. However, it presents only decremental mode characteristics with high complexity. Ref. [24] uses a Current Backward Transconductance Amplifier (CBTA) with additional high-valued capacitances to construct memristive behavior. Refs. [25,26] contain a switching mechanism to change the mode of operation. Ref. [25] includes a Voltage Differencing Current Conveyor (VDCC), whereas [26] employs grounded and floating resistances with Current Conveyor Transconductance Amplifier (CCTA) to obtain pinched hysteresis. Furthermore, Ref. [27] presents an exemplary memristive circuit incorporating two different active blocks with MOSFET-based electronic resistance. It demonstrates a complex operating mechanism while providing pinched hysteresis loops. Ref. [28] has incremental and decremental modes with additional transistors, a single Voltage Differencing Transconductance Amplifier (VDTA) and resistors, whereas [29] utilizes a Voltage Differencing Inverting Buffered Amplifier (VDIBA) and single OTA for all operation modes. Despite providing floating and grounded operations, Ref. [29] requires multiple switching mechanisms for the transition between incremental and decremental modes. While [30] employs OTA and a buffering amplifier to make floating architecture with a switching mechanism, Ref. [31] brings only incremental memristance behavior in different emulators. Ref. [32] presents a compact memristor architecture, which only brings a power consumption of 7.5 µW. In addition, Ref. [33] gives a compound memristor emulator consisting of Second-Generation Current Conveyors (CCIIs) and a single multiplier. However, they combine switching mechanisms, increasing circuit complexity. Ref. [34] gives an alternative architecture as a grounded-type memristor composed of Multiple Output Operational Transconductance Amplifiers (MO-OTAs) with additional passive components. Although it performs well up to 500 kHz, it brings a large number of transistors with ±2.5 V power supplies, which boosts chip area and power consumption. Some grounded and floating memristor emulators are also proposed in [35,36,37,38]. They employ multiple passive elements to reach memristive behavior, where [35] makes use of a single Differential Voltage Current Conveyor Transconductance Amplifier (DVCCTA). In addition, they have flexible architectures operating well up to higher frequencies. On the other hand, these schemes suffer from switching mechanisms, and they also lack electronical adjustability with the help of control voltages.
Memristors are components based on memory devices and resistive architectures. Nevertheless, the commercial availability of these elements is affected by challenging production processes and high fabrication costs. In this respect, there is a strong motivation for the memristor emulators, which can be controlled electronically and incorporate both incremental and decremental operation modes within a unified architecture. In particular, considering the aforementioned studies in the literature, there is preference for simple architectures that include a small number of passive elements and switching mechanisms to change operation mode.
This paper presents a CCCDTA-element-based, grounded memristor circuit. The presented structure is safely tunable with the help of control voltages. The circuit incorporates an active element with a grounded capacitor. It is essential to emphasize that the fixed and variable memristance parts of the proposed memristor can be adjusted separately using control voltages. In addition, it is crucial to highlight that an additional switching mechanism or different circuit topology is not necessary to reach an incremental or a decremental memristive characteristics. Extensive simulations of the presented memristor emulator are investigated on the basis of Cadence Environment with TSMC0.18µm CMOS technology. Theoretical features are also confirmed by experimental results incorporating commercially available elements, such as ALD1116, AD844 and LM13700.
This work comprises the following parts: The next part describes the operation mechanism of the proposed emulator circuit. It also describes the CCCDTA terminals’ relationships and functional behavior. A mathematical basis is given to investigate frequency and time characteristics of the memristor emulator. Further view presents decremental and incremental memristance behaviors, wherein the fixed and variable parts of the emulator can be adjusted separately. The simulation results show the performance of the presented circuit in the Cadence Environment, using postlayout extractions. Performance evaluations are given with extensive comparisons with other studies in the literature. In addition, experimental verifications are presented using commercially available elements to confirm the theoretical part. The last part concludes the paper with final remarks.

2. The Proposed Emulator Circuit

CCCDTA characteristics show similarities to conventional CDTA. In addition, the input parasitic resistances of CCCDTA can be easily adjustable with input bias current. CCCDTA has five terminals, two terminals of which are inputs, and the others are outputs. The input terminals have low impedance. The functional matrix of the CCCDTA is given in Equation (1). It is important to note that an active block of CCCDTA consists of the current difference unit and a transconductance block. In the first part, the input current signal is obtained and sent to the second stage as a voltage signal using a Current Differencing Unit (CDU). This enables the input terminal’s current difference to be obtained at the Z terminal. The second part of the CCCDTA incorporates a Dual-Output Operational Transconductance Amplifier (DO-OTA).
Considering the functionality of the CCCDTA, the proposed memristor emulator structure can be depicted as given in Figure 1. Based on the circuit implementation of CCCDTA shown in Figure 2, terminal relationships can be derived with the help of the characterization matrix of the CCCDTA.
[ V P V N I Z I X P I X N ] = [ 1 g P 0 0 0 1 g N 0 1 1 0 0 0 g m p 0 0 g m n ] [ I P I N V Z ]
Equation (1) defines the characterization of the CCCDTA, where gP and gN denote the transconductances of the input terminals, respectively. Additionally, gmp and gmn denote the output transconductance values. Using this matrix and the current and voltage relationships of the proposed emulator circuit’s terminals illustrated in Figure 1, the following equations can be described as follows:
I I N = I P = I Z
V I N = V P
Using the relationship given in (1):
I Z = g m n V Z
g P V I N = g m n V Z
The VZ voltage can be obtained as
V Z = g P g m n V I N
In this respect, the dropped voltage across the grounded capacitance VC, can be evaluated in the following relationship, where VZ voltage is described in (6):
V B 1 = V C = 1 C I X P d t
V C = g m p g P g m n C V I N d t
V C = g m p g P g m n C Φ I N
Using the translinear principle in [39], the Equations (10)–(12) can be solved as follows:
g P = 2 g m x = 2 K ( V B 1 V S S V T H )
g P = 2 g m x = 2 K ( g m p g P g m n C Φ I N V S S V T H )
Considering the overall CCCDTA circuit given in Figure 1, the conductance value seen from the P terminal can be calculated as defined in (11), where K is defined as follows:
K = C o x μ n ( W L ) 15 ( μ p ( W p L p ) 7 + μ n ( W n L n ) 3 )
where gmx = gm2,3gm6,7. In this regard, the memductance value can be evaluated as follows:
g P = 2 K ( V S S V T H ) 1 + 2 g m p K g m n C Φ I N
M ( Φ I N ) = V I N I I N = 1 g P = 1 2 K ( V S S V T H ) fixed   part + g m p Φ I N g m n C ( V S S V T H ) variable   part
M ( Φ I N ) = V I N I I N = 1 g N = 1 2 K ( V S S V T H ) g m p Φ I N C g m n ( V S S V T H )
Here, (14) and (15) provide both incremental and decremental mode operation of the proposed memristance emulator. It is important to note that supply voltage (VSS) becomes negative-valued, and the time-invariant part (fixed part) becomes positive-valued. Equations (14) and (15) indicate that the fixed part can be varied electronically by the VSS voltage source, while the time-variant part (variable part) can be safely controlled electronically with the help of gmp/gmn.
Φ I N = V A M P cos ( ω t π ) ω
If (16) is substituted with (14) and (15), the following equations can be found as
M ( Φ I N ) = V I N I I N = 1 g P = 1 2 K ( V S S V T H ) + g m p V A M P cos ( ω t π ) g m n ω C ( V S S V T H )
M ( Φ I N ) = V I N I I N = 1 g N = 1 2 K ( V S S V T H ) g m p V A M P cos ( ω t π ) g m n ω C ( V S S V T H )
In this regard, Equations (17) and (18) describe the incremental and decremental memristance behaviors, respectively.
Considering the memristance emulator circuit in Figure 1, the incremental memristance can be obtained with the help of input voltage applied to the positive terminal of the CCCDTA, whereas decremental behavior can be observed during input signal injection to the negative terminal. The proposed memristor emulator, including CCCDTA, is dimensioned as tabulated in Table 1, where the overall CCCDTA structure is given in Figure 2.
Figure 2. Overall CCCDTA circuit [40].
Figure 2. Overall CCCDTA circuit [40].
Micromachines 14 01484 g002
Considering the operating mechanism of the proposed memristor emulator seen in (17) and (18), the time-variant parts of the memristance values can be adjusted by means of VB2. When the ratio of gmp/gmn increases, the time-variant parts become dominant, besides the time-invariant parts of incremental and decremental operation modes. Table 2 demonstrates that the ratio of output terminals’ transconductances can be easily modified with the help of VB2 bias voltage of M30, as illustrated in Figure 2.
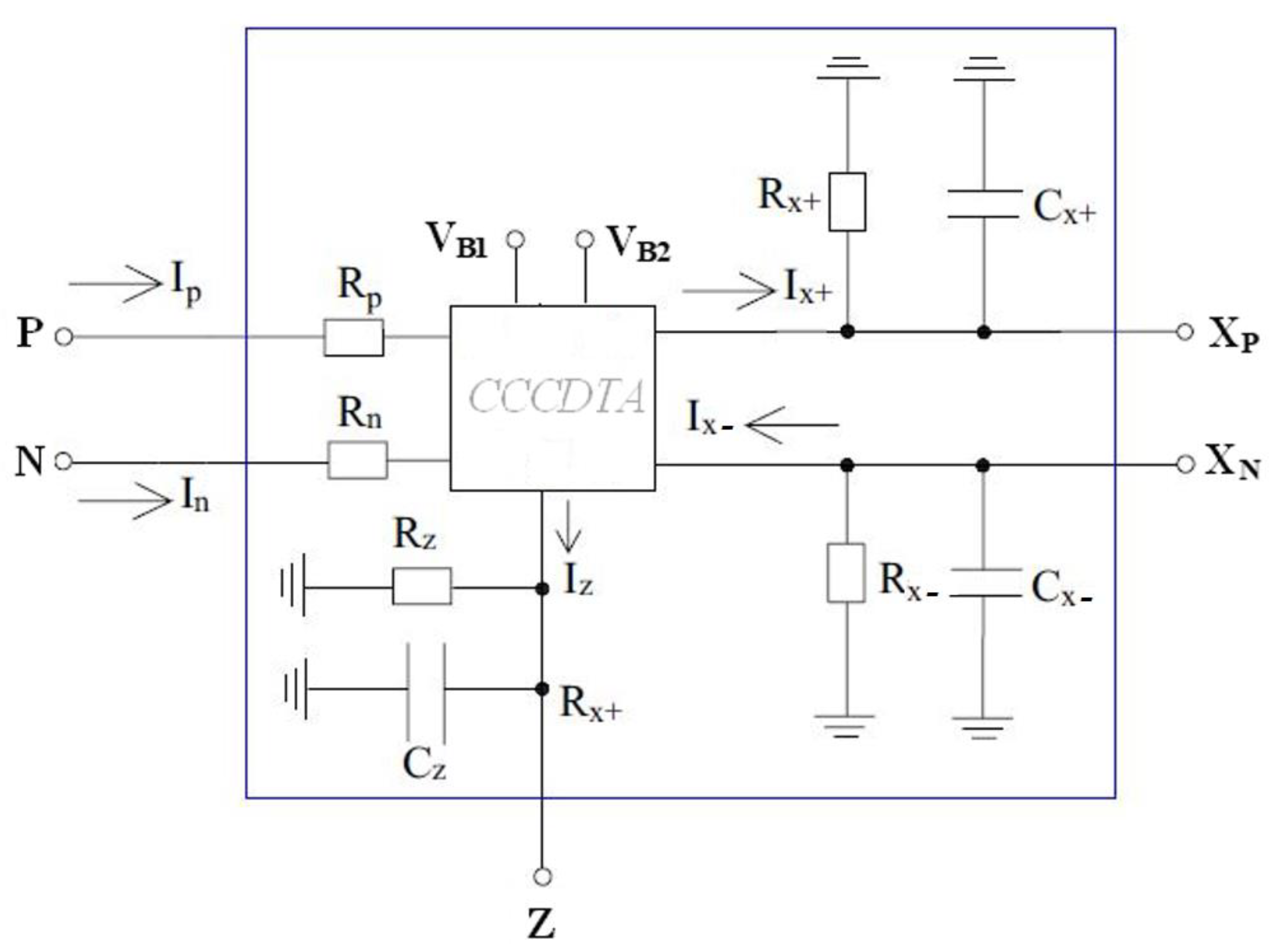
The parasitic effects arising from the nonideal behavior of the proposed emulator circuit in Figure 1 can be depicted as illustrated in Figure 3. In the ideal case, Rz, Rx+ and Rx− are the parasitic resistances that occur in parallel at the terminals z, x+ and x−, respectively. They can be evaluated as infinity. In addition, the parasitic capacitances Cz, Cx+ and Cx− become zero. On the basis of the parasitic impedances, the capacitor of C employed in the design should usually be quite higher than the parasitic capacitances (C >> Cx+ and C >> Cx−), so that parasitic capacitance effects can be minimized around operating frequencies. To reduce the effects of the CCCDTA parasitic resistances worsening the proper memristive behavior, C should be selected under the conditions: 1/sC << Rx+ and 1/sC << Rx−. Grounded capacitance of the memristor emulator illustrated in Figure 1 facilitates the usage of MOS-Cap instead of real capacitance. In this regard, chip area occupation can be significantly reduced, allowing for the attainment of the high-frequency nonlinear behavior of the pinch hysteresis loops. However, MOS-Cap employment worsens the aforementioned parasitic effects. The MOS-Cap intrinsic capacitances bring additional nonlinearity with respect to control voltages. Also, the parasitic capacitances seen from CCCDTA’s input terminals can be disregarded for a wide range of frequencies (considering the overall circuit given in Figure 1 and dimensioned in Table 1, the input impedances have resistive characteristics of up to around 450 MHz).

3. Simulation Results

The presented structure has been fully implemented in the Cadence Virtuoso environment using TSMC 0.18 µm CMOS technology under ±0.9 V symmetrical power supplies. All simulations are given on the basis of extracted postlayout simulations as well. The memristor emulator illustrated in Figure 1 is examined through extensive analyses, where NMOS bulk terminals are connected to the most negative voltage and the PMOS devices’ bulks are shorted to the most positive voltage. Figure 4 gives the overall circuit’s layout to evaluate postlayout performance (the total area is around 26.5 µm × 53.9 µm).
Considering the proposed emulator circuit as depicted in Figure 1 in conjunction with Figure 2, VB1 is selected as −200 mV, and VB2 is adjusted as −160 mV for the proper bias conditions around the 20 µA drain current of M30. In this regard, terminal resistances of the CCCDTA terminals are given as rP = 686 Ω, rN = 688 Ω, rZ = 156.5 kΩ rXP = 910.4 kΩ and rXN = 906.6 kΩ, respectively. Consequently, the current following ratios of the CCCDTA are found as IZ/IP = 0.998 and IZ/IN = 0.958 for a wide range of frequencies (up to 450 MHz). Furthermore, the grounded capacitance of the emulator circuit is selected as 10 pF.
The memristor’s current and voltage signals are investigated with respect to the time axis in Figure 5a,b for incremental and decremental features, respectively. When the injected input voltage equals zero, the memristor current becomes zero as well. The change in the operation modes of the proposed memristor emulator can be seen from Figure 6a, where the input signal injection is applied to the P and N input terminals, respectively. In addition, the memristor has frequency-dependent characteristics so that it behaves as a combination of nonlinear and linear resistive characterization. When applied to high frequencies, it shows linear resistance behavior, while it shows nonlinear resistance behavior at low frequencies. As shown in Figure 6b, the memristor shows nonlinear voltage–current behavior at lower frequencies. However, it becomes more linear-resistant when the input signal frequency increases.
Furthermore, the parallel memristors should have more conductive features in comparison with single memristors. This is because memristors have resistive behaviors. Also, the voltage–current relationship of the parallel memristive devices becomes more nonlinear compared with the single memristive block. Therefore, hysteresis loops are justified and obtained, as shown in Figure 6c. Figure 6d shows an examination of the effect of the capacitor that is employed in the proposed memristor emulator. According to Equations (17) and (18), the voltage–current behaviors should be similar when the multiplication of operating frequency and capacitor value are the same. In Figure 6d, 0.25 MHz, 0.5 MHz, and 1 MHz frequencies are injected into the emulator circuit. Similar hysteresis loops are obtained for the capacitor values of 40 pF, 20 pF and 10 pF, respectively, with 100 mV of input signal amplitude.
In Figure 7a, the memristor shows more linear behaviors when the control voltage of VB2 shifts to more negative voltages. As a result, the memristor circuit’s working frequency can be adjusted electronically by altering the VB2 voltage. Also, the VSS voltage value influences the memristor performance. Equations (14) and (15) clearly state that VSS directly affects the average memductance value, namely the time-invariant part of the memductance can be controlled by changing the VSS voltage. As shown in Figure 7b, the absolute value of the current increases as the VSS decreases.
The time-variant part of the proposed memristor emulator structure is dependent on the amplitude value of the input voltage signal, as shown in Figure 8. This behavior confirms the theoretical structure of the emulator as given Equations (17) and (18).
To verify the performance of the memristor emulator, pinched hysteresis loops are given for various process corners and a wide range of temperatures. As depicted in Figure 9a, slightly changed voltage–current hysteresis loops can be obtained for the wide range of temperatures (−25 °C to 80 °C). From Figure 9a, it is evident that the memristor current increases as the temperature level goes down. Regarding the different process corners, Figure 9b clearly indicates that the memristor emulator circuit still remains within the acceptable region to work in the specified operation mode. Meanwhile, to deepen the analysis of mismatches between the transistors and process corners on the proposed memristor emulator, the Monte Carlo analysis is presented in Figure 10. The Monte Carlo realization is given for a hundred times. The pinched hysteresis loop for the memristor circuit is shifted slightly. The performance of the proposed memristor remains within the acceptable limits.
As given in Figure 11, the memristor current decreases within each pulse. In this memory verification, pulse duration is selected as 25 ns, whereas the period is 100 ns. The current decreases in the subsequent pulses, whereas the memristance remains unchanged in the interval of the pulses. It is important to note that the proposed memristor emulator circuit operates as a memory device. Figure 11 points out the effect of VB2 voltage on the average memristance value. By adjusting VB2 voltage to the more negative voltages, the average memristance value decreases. The proposed memristor shows promising performance in comparison with previous studies, as depicted in Table 3. The table presents information on the number of active and passive elements, electronically controllable property and conditions for changing the operation modes.
The proposed emulator circuit can be justified based on a first-order high-pass filter structure. To adjust the roll-off frequency of the filter, it should be considered that the memristor behavior can be controlled electronically. Also, the operation mode of the memristance affects the filter’s gain and cut-off frequency according to the following equations between (19) and (21) [41]:
R M = R a v e r a g e ± Δ R M cos ( ω t ϕ )
G a i n ( d B ) = 10 log 10 ( ( R a v e r a g e ± Δ R M cos ( ω t ϕ ) ) · C f i l t e r )
f 3 d B = 1 2 π R M C f i l t e r
where RM denotes the memristance value that is affected by the amplitude of sinusoidal resistance changing across Raverage, while ϕ represents the phase shift in the input signal. Cfilter gives the capacitance value used in the first-order high-pass filters. In this respect, the average and changing parts can be evaluated based on Equations (17) and (18) as follows:
R a v e r a g e = 1 2 K ( V S S V T H )
Δ R M = g m p V A M P g m n ω C ( V S S V T H )
As shown in Figure 12 and Equations (19)–(23), the incremental and decremental configurations have different cut-off frequencies in the first-order high-pass filter application, where Cfilter is selected as 50 pF. In the incremental mode, the cut-off frequency is 676 kHz, while the decremental mode brings the cut-off frequency to around 450 kHz. In addition, the memristance value can be evaluated as 4.6 kΩ in the incremental configuration, while this value is around 7 kΩ in the operation of the decremental mode. This variation results from changing part of the memristance value in Equation (23) with regard to different operation modes.
Table 3. Previous architectures from the literature in comparison with the present work.
Table 3. Previous architectures from the literature in comparison with the present work.
ReferenceActive ElementsPassive ElementsNumber of TransistorsActual Layout Area/Approximated Layout Area **Floating or GroundedPower ConsumptionElectronically AdjustabilityRequired Conditions to Reach Incremental and Decremental Modes
[12] *1 OPAMP, 1 Multiplier, 1 Sine Converter16 Resistors, 1 CapacitorNANAGrounded>5 mWFixed and variable partsOnly incremental mode
[13]3 AD844 and 1 Multiplier6 ResistorsNANAFloating850 mW×Usage of the multiple switching mechanisms
[15]10 Transistors2 Capacitors10NA/55 µm2FloatingNANANA
[16]1 OPAMP3 Resistors, 1 CapacitorNANAFloatingNA×Usage of the multiple switching mechanisms
[17]1 DDCC, 1 Multiplier2 Resistors, 1 Capacitor50NA/645 µm2FloatingNA×Usage of different circuit topology
[18]4 AD844 and 1 AD6333 Resistors, 1 CapacitorNANAFloatingNA×Usage of different circuit topology
[19]4 AD844 and 1 AD6334 Resistors, 1 CapacitorNANAFloating>1 mW×Circuit topology remains the same
[20]4 AD844 and 2 1N41484 Resistors, 4 CapacitorsNANAFloating>1 mW×NA
[21]1 OTA and 3 Transistors2 CapacitorsNANAFloating>1 mWNACircuit topology remains the same
[22]1 OTA and 1 DVCC1 Resistor, 1 Capacitor23NA/130 µm2GroundedNANAUsage of the switching mechanism
[23] *1 MO OTA1 Capacitor17476 µm2/136 µm2FloatingNAFixed and variable partsOnly decremental mode
[24]1 CBTA2 Capacitors31NA/185 µm2FloatingNA×Circuit topology remains the same
[25]1 VDCC and 2 Transistors1 Capacitor261160 µm2/100 µm2GroundedNAFixed and variable partsUsage of the switching mechanism
[26]1 CCTA3 Resistors, 1 Capacitor30NA/311 µm2Grounded>7.5 mW×Usage of the switching mechanism
[27]1 DO-OTA,1 DVCC, 2 Transistors1 Capacitor2910,700 µm2/416 µm2Floating>1 mWFixed and variable partsCircuit topology remains the same
[28]1 VDTA, 19 Transistors2 Resistors, 1 Capacitor19NA/121 µm2Floating1.34 mW×Usage of the switching mechanism
[29]1 VDIBA, 1 OTA, 2 Transistors1 Resistor, 1 Capacitor20624 µm2/57 µm2FloatingNAFixed and variable partsUsage of the multiple switching mechanism
[30]1 OTA, 1 VDBA1 MOS-Cap2512,075 µm2/NAFloatingNA×Usage of the switching mechanism
[31] a*1 OTA, 1 VF, 1 Transistor×16NA/77 µm2GroundedNA×Only incremental mode
[31] b*1 OTA, 1 Transistor×10NA/162 µm2GroundedNA×Only incremental mode
[32]1 DVCC, 3 Transistors×15442 µm2/50 µm2Grounded7.5 µWOnly Variable PartUsage of the switching mechanism
[33]2 CCII, 1 Multiplier2 Resistor, 1 CapacitorNANAFloatingNAxUsage of the multiple switching mechanism
[34]4 MO-OTA3 Resistor, 1 Capacitor92NA/495 µm2GroundedNAFixed and variable partsUsage of the switching mechanism
[35]1 DVCCTA3 Resistor, 1 Capacitor28NA/244 µm2GroundedNA×Usage of the switching mechanism
[36]1 CCII, 1 OTA1 Resistor, 1 Capacitor245250 µm2/145 µm2Grounded9.5 mW×Usage of the switching mechanism
[37]1 CCII, 1 MO-OTA1 Resistor, 1 Capacitor304829 µm2/179 µm2Floating9.8 mW×Usage of the switching mechanism
[38]1 CCII, 1 CCTA3 Resistor, 1 Capacitor38NA/421 µm2FloatingNA×Usage of the switching mechanism
The Present Work1 CCCDTA1 Capacitor351428 µm2/265 µm2Grounded715 µWFixed and variable partsCircuit topology remains the same
* The cited work presents only the incremental mode of memristive behavior. NA represents that there is no information regarding the related parameter. VF symbolizes voltage follower. ** Approximated layout area is calculated by summing the products of the channel widths and channel lengths of each transistor, where there is no information about the exact layout area. a The first architecture in the related work. b The second architecture in the related work.
The proposed memristor provides an alternative solution compared with previous studies, as shown in Table 3. The table provides information on the number of active and passive elements, electronically controllable property, power consumption, number of transistors and conditions for the change in operation modes. Considering the different architectures in the previous works, multiplier circuits or a large number of active elements and floating components have been employed to acquire more nonlinear behavior, resulting in the requirement of more power consumption and large chip area. From this perspective, this work proposes a compact architecture without any multiplier blocks to obtain the nonlinear characteristics of the memristor. It is noteworthy that some of the proposed architectures have a floating architecture. However, they bring switching mechanisms or need different topologies to change the operation mode. Unlike in most previous studies, the proposed memristor emulator allows for safe adjustment, enabling the separate control of the invariant and variant parts through control voltages.

4. Experimental Verifications

The performance of the memristor emulator structure is confirmed with the help of commercial off-the-shelf elements employed based on CCCDTA structure, as shown in Figure 13. In the measurement test bench, all integrated circuits are operated under power supplies of ±10 V. Additionally, the bias currents of the LM13700 are generated using bias resistances with a value of 56 kΩ, whereas the capacitance and load resistance are valued at 100 nF and 2.2 kΩ, respectively. To obtain input current, the current output terminal of the AD844 is used. In addition, to alter the input terminal resistances of the CCCDTA, the capacitor voltage is utilized. Tunable resistances operated in the triode region can be easily obtained using MOS devices incorporated by ALD1116. Furthermore, an additional level shifter circuit can be employed to keep the MOS devices in the deep triode region.
To shift the operation mode of the memristor emulator from incremental to decremental, the input voltage should be shorted to the n terminal. Figure 14 gives the pinched hysteresis loops depicting the current–voltage relationship with respect to input signal frequency, where the peak-to-peak input amplitude is around 4 V. Figure 15 shows transient responses in each case of the incremental mode operation. In accordance with the theoretical aspect, when input signal frequency increases, the memristor emulator exhibits more linear behavior, owing to the decreasing time-variant part. Figure 16 illustrates decremental memristive behavior with respect to increasing operating frequency, while Figure 17 presents transient responses in the decremental mode. However, it is crucial to consider that the limited bandwidth of the integrated circuits and additive noisy operating conditions might be worsening measurement conditions.

5. Conclusions

This work presents a CCCDTA-element-based, grounded memristor circuit. The proposed structure is safely tunable with the use of control voltages, where the circuit incorporates a single active element with a grounded capacitor. It is critical to point out that the fixed and variable memristance parts of the proposed memristor can be adjusted separately using control voltages. It is also important to note that an additional switching mechanism or different circuit topology is not required to reach incremental or decremental memristive characteristics. Extensive simulations of the presented memristor emulator were performed using TSMC 0.18 µm CMOS technology.
Taking into account the different architectures in previous works, multiplier circuits or a large number of active elements and floating components have been utilized to acquire more nonlinear behavior so that more power consumption and a large chip area are necessitated. From this view, this work presents a compact architecture without any multiplier blocks to reach the nonlinear characteristics of the memristor. It should be noted that some of the proposed architectures have a floating architecture. However, they bring switching mechanisms or need different topologies to change the operation mode. Unlike in most previous studies, the proposed memristor emulator allows for safe adjustment, enabling the separate control of the invariant and variant parts through control voltages.
The memristor emulator circuit that incorporates a single active and a grounded passive element is presented based on postlayout simulations. The different emulators proposed in previous works make use of multiplier circuits in order to acquire more nonlinear behavior, or a lot of active elements and floating components are used, so that they require more chip area and huge amounts of power. In summary, the proposed circuit outperforms the previous memristor emulator architectures in terms of some important features. First, the grounded memristor structure is obtained from the circuit without modifying the circuit structure or using an additional switching mechanism to obtain different operation modes. Second, unlike in many previous studies, the memristance value of the proposed circuit can be adjusted electronically. It can also be tunable through the use of bias voltages in both the time-invariant and variant parts. As the final point, the circuit can be implemented using a single active element and a grounded capacitance. The postlayout performance is given with Monte Carlo realizations, temperature variations and process corners. All simulation results are presented in extensive comparisons with previous studies. Finally, experimental verifications justify the operation of the proposed memristor emulator using commercially available ICs.

Funding

This research received no external funding.

Data Availability Statement

It is clarified that data sharing is not applicable to this article because there are no specifically produced datasets in the presented work.

Conflicts of Interest

The author declares that there are no known competing financial interests or personal relationships that could have appeared to influence the work reported in this paper.

References

  1. Chua, L. Memristor-the missing circuit element. IEEE Trans. Circuit Theory 1971, 18, 507–519. [Google Scholar] [CrossRef]
  2. Chua, L.O.; Kang, S.M. Memristive devices and systems. Proc. IEEE 1976, 64, 209–223. [Google Scholar] [CrossRef]
  3. Hu, M.; Chen, Y.; Yang, J.J.; Wang, Y.; Li, H.H. A compact memristor-based dynamic synapse for spiking neural networks. IEEE Trans. Comput. Des. Integr. Circuits Syst. 2017, 36, 1353–1366. [Google Scholar] [CrossRef]
  4. Wang, X.; Chen, Y. Spintronic Memristor Device and Application. In Proceedings of the Design, Automation & Text in Europe Conference & Exhibition, Dresden, Germany, 8–12 March 2010. [Google Scholar]
  5. Valov, I.; Kozicki, M. Organic memristors come of age. Nat. Mater. 2017, 16, 1170–1172. [Google Scholar] [CrossRef] [PubMed]
  6. Jo, S.H.; Chang, T.; Ebong, I.; Bhadviya, B.B.; Mazumder, P.; Lu, W. Nanoscale Memristor Device as Synapse in Neuromorphic Systems. Nano Lett. 2010, 10, 1297–1301. [Google Scholar] [CrossRef] [PubMed]
  7. Strukov, D.B.; Snider, G.S.; Stewart, D.R.; Williams, R.S. The missing memristor found. Nature 2008, 453, 80–83. [Google Scholar] [CrossRef] [PubMed]
  8. Yu, D.; Iu, H.H.-C.; Fitch, A.L.; Liang, Y. A floating memristor emulator based relaxation oscillator. IEEE Trans. Circuits Syst. I Regul. Pap. 2014, 61, 2888–2896. [Google Scholar] [CrossRef]
  9. Smagulova, K.; Krestinskaya, O.; James, A.P. A memristor-based long short term memory circuit. Analog. Integr. Circuits Signal Process. 2018, 95, 467–472. [Google Scholar] [CrossRef]
  10. Irmanova, A.; James, A.P. Neuron inspired data encoding memristive multi-level memory cell. Analog. Integr. Circuits Signal Process. 2018, 95, 429–434. [Google Scholar] [CrossRef]
  11. Prezioso, M.; Merrikh-Bayat, F.; Hoskins, B.D.; Adam, G.C.; Likharev, K.K.; Strukov, D.B. Training and operation of an integrated neuromorphic network based on metal-oxide memristors. Nature 2015, 521, 61–64. [Google Scholar] [CrossRef]
  12. Cao, H.; Wang, F. Spreading Operation Frequency Ranges of Memristor Emulators via a New Sine-Based Method. IEEE Trans. Very Large Scale Integr. (VLSI) Syst. 2021, 29, 617–630. [Google Scholar] [CrossRef]
  13. Liu, Y.; Iu, H.H.-C.; Guo, Z.; Si, G. The Simple Charge-Controlled Grounded/Floating Mem-Element Emulator. IEEE Trans. Circuits Syst. II Express Briefs 2021, 68, 2177–2181. [Google Scholar] [CrossRef]
  14. Vista, J.; Ranjan, A. High Frequency Meminductor Emulator Employing VDTA and its Application. IEEE Trans. Comput.-Aided Des. Integr. Circuits Syst. 2020, 39, 2020–2028. [Google Scholar] [CrossRef]
  15. Babacan, Y.; Kaçar, F. Memristor emulator with spike-timing-dependent-plasticity. AEU-Int. J. Electron. Commun. 2017, 73, 16–22. [Google Scholar] [CrossRef]
  16. Kim, H.; Sah, M.P.; Yang, C.; Cho, S.; Chua, L.O. Memristor emulator for memristor circuit applications. IEEE Trans. Circuits Syst. I Regul. Pap. 2012, 59, 2422–2431. [Google Scholar] [CrossRef]
  17. Yeşil, A.; Babacan, Y.; Kaçar, F. A new DDCC based memristor emulator circuit and its applications. Microelectron. J. 2014, 45, 282–287. [Google Scholar] [CrossRef]
  18. Cam, Z.G.; Sedef, H. A new floating memristance simulator circuit based on second generation current conveyor. J. Circ. Syst. Comput. 2017, 26, 1750029. [Google Scholar] [CrossRef]
  19. Sánchez-López, C.; Mendoza-López, J.; Carrasco-Aguilar, M.A.; Muñiz-Montero, C. A floating analog memristor emulator circuit. IEEE Trans. Circuits Syst. II Express Briefs 2014, 61, 309–313. [Google Scholar] [CrossRef]
  20. Abuelma’atti, M.T.; Khalifa, Z.J. A new floating memristor emulator and its application in frequency-to-voltage conversion. Analog. Integr. Circuits Signal Process. 2016, 86, 141–147. [Google Scholar] [CrossRef]
  21. Gul, F.; Babacan, Y. A novel OTA-based circuit model corroborated by an experimental semiconductor memristor. Microelectron. Eng. 2018, 194, 56–60. [Google Scholar] [CrossRef]
  22. Raj, A.; Singh, S.; Kumar, P. Dual mode, high frequency and power efficient grounded memristor based on OTA and DVCC. Analog. Integr. Circuits Signal Process. 2022, 110, 81–89. [Google Scholar] [CrossRef]
  23. Yesil, A. Floating memristor employing single MO-OTA with hard-switching behavior. J. Circuits Syst. Comput. 2019, 28, 1950026. [Google Scholar] [CrossRef]
  24. Yesil, A.; Babacan, Y.; Kaçar, F. A new floating memristor based on CBTA with grounded capacitors. J. Circuits Syst. Comput. 2019, 28, 1950217. [Google Scholar] [CrossRef]
  25. Yesil, A.; Babacan, Y.; Kacar, F. Electronically tunable memristor based on VDCC. AEU-Int. J. Electron. Commun. 2019, 107, 282–290. [Google Scholar] [CrossRef]
  26. Ranjan, R.K.; Rani, N.; Pal, R.; Paul, S.K.; Kanyal, G. Single DVCCTA based high frequency floating and grounded type of incremental/decremental memristor emulator and its application. Microelectron. J. 2017, 60, 119–128. [Google Scholar] [CrossRef]
  27. Yesil, A.; Babacan, Y.; Kacar, F. An electronically controllable, fully floating memristor based on active elements: DO-OTA and DVCC. AEU-Int. J. Electron. Commun. 2020, 123, 153315. [Google Scholar] [CrossRef]
  28. Petrovic, P.B. Tunable flux-controlled floating memristor emulator circuits. IET Circuits Devices Syst. 2019, 13, 479–486. [Google Scholar] [CrossRef]
  29. Bhardwaj, K.; Srivastava, M. Compact Floating Dual Memelement Emulator Employing VDIBA and OTA: A Novel Realization. Circuits Syst. Signal Process. 2022, 41, 5933–5967. [Google Scholar] [CrossRef]
  30. Ghosh, M.; Mondal, P.; Borah, S.S.; Kumar, S. Resistorless Memristor Emulators: Floating, Grounded using OTA and VDBA for high frequency applications. IEEE Trans. Comput.-Aided Des. Integr. Circuits Syst. 2022, 42, 978–986. [Google Scholar] [CrossRef]
  31. Yildiz, H.A. New area efficient memristor realizations. Microelectron. J. 2021, 111, 105037. [Google Scholar] [CrossRef]
  32. Tasneem, S.; Sharma, P.K.; Ranjan, R.K.; Khateb, F. Electronically Tunable Memristor Emulator Implemented Using a Single Active Element and Its Application in Adaptive Learning. Sensors 2023, 23, 1620. [Google Scholar] [CrossRef] [PubMed]
  33. Sharma, P.K.; Ranjan, R.K.; Khateb, F.; Kumngern, M. Charged controlled mem-element emulator and its application in a chaotic system. IEEE Access 2020, 8, 171397–171407. [Google Scholar] [CrossRef]
  34. Ranjan, R.K.; Sharma, P.K.; Sagar; Raj, N.; Kumari, B.; Khateb, F. Memristor emulator circuit using multiple-output ota and its experimental results. J. Circuits Syst. Comput. 2019, 28, 1950166. [Google Scholar] [CrossRef]
  35. Ranjan, R.K.; Raj, N.; Bhuwal, N.; Khateb, F. Single DVCCTA based high frequency incremental/decremental memristor emulator and its application. AEU-Int. J. Electron. Commun. 2017, 82, 177–190. [Google Scholar] [CrossRef]
  36. Raj, N.; Ranjan, R.K.; Khateb, F. Flux-controlled memristor emulator and its experimental results. IEEE Trans. Very Large Scale Integr. (VLSI) Syst. 2020, 28, 1050–1061. [Google Scholar] [CrossRef]
  37. Raj, N.; Ranjan, R.K.; Khateb, F.; Kumngern, M. Mem-elements emulator design with experimental validation and its application. IEEE Access 2021, 9, 69860–69875. [Google Scholar] [CrossRef]
  38. Ranjan, R.K.; Sagar, S.; Roushan, S.; Kumari, B.; Rani, N.; Khateb, F. High-frequency floating memristor emulator and its experimental results. IET Circuits Devices Syst. 2019, 13, 292–302. [Google Scholar] [CrossRef]
  39. Chaisricharoen, R.; Chipipop, B.; Sirinaovakul, B. CMOS CCCII: Structures, characteristics, and considerations. AEU-Int. J. Electron. Commun. 2010, 64, 540–557. [Google Scholar] [CrossRef]
  40. Siripruchyanun, M.; Jaikla, W. CMOS current-controlled current differencing transconductance amplifier and applications to analog signal processing. AEU-Int. J. Electron. Commun. 2008, 62, 277–287. [Google Scholar] [CrossRef]
  41. Sozen, H.; Cam, U. First-order memristor–capacitor filter circuits employing hp memristor. J. Circuits Syst. Comput. 2014, 23, 1450116. [Google Scholar] [CrossRef]
Figure 1. The proposed memristor emulator circuit.
Figure 1. The proposed memristor emulator circuit.
Micromachines 14 01484 g001
Figure 3. CCCDTA representation with parasitic effects.
Figure 3. CCCDTA representation with parasitic effects.
Micromachines 14 01484 g003
Figure 4. Layout of the overall memristor emulator (26.5 µm × 53.9 µm).
Figure 4. Layout of the overall memristor emulator (26.5 µm × 53.9 µm).
Micromachines 14 01484 g004
Figure 5. The presented memristor emulator’s time-domain responses: (a) incremental and (b) decremental mode.
Figure 5. The presented memristor emulator’s time-domain responses: (a) incremental and (b) decremental mode.
Micromachines 14 01484 g005
Figure 6. Memristor characteristics: (a) incremental and decremental modes of the proposed memristor structure (blue is incremental mode and green is decremental mode), (b) variation of the hysteresis from 750 kHz up to 1.5 MHz, (c) single and parallel connected memristors’ voltage current relationships and (d) voltage–current relationship of the proposed memristor emulator for the constant ωC values in decremental mode.
Figure 6. Memristor characteristics: (a) incremental and decremental modes of the proposed memristor structure (blue is incremental mode and green is decremental mode), (b) variation of the hysteresis from 750 kHz up to 1.5 MHz, (c) single and parallel connected memristors’ voltage current relationships and (d) voltage–current relationship of the proposed memristor emulator for the constant ωC values in decremental mode.
Micromachines 14 01484 g006
Figure 7. The voltage–current curves for different (a) VB2 bias voltage values and (b) VSS voltage values.
Figure 7. The voltage–current curves for different (a) VB2 bias voltage values and (b) VSS voltage values.
Micromachines 14 01484 g007
Figure 8. Input signal’s amplitude effect for the memristance behavior.
Figure 8. Input signal’s amplitude effect for the memristance behavior.
Micromachines 14 01484 g008
Figure 9. The memristor behavior with respect to different operation conditions: (a) the different temperatures and (b) process corners.
Figure 9. The memristor behavior with respect to different operation conditions: (a) the different temperatures and (b) process corners.
Micromachines 14 01484 g009
Figure 10. Monte Carlo simulations for the 100 random Monte Carlo seeds.
Figure 10. Monte Carlo simulations for the 100 random Monte Carlo seeds.
Micromachines 14 01484 g010
Figure 11. Variation of the incremental memristance value (VB2 varies between −250 mV and −100 mV).
Figure 11. Variation of the incremental memristance value (VB2 varies between −250 mV and −100 mV).
Micromachines 14 01484 g011
Figure 12. The frequency response of the proposed memristor-emulator-based high-pass filters: decremental MC filter, incremental MC filter and RC filter.
Figure 12. The frequency response of the proposed memristor-emulator-based high-pass filters: decremental MC filter, incremental MC filter and RC filter.
Micromachines 14 01484 g012
Figure 13. Practical measurement set-up of the proposed memristor emulator based on commercial off-the-shelf elements.
Figure 13. Practical measurement set-up of the proposed memristor emulator based on commercial off-the-shelf elements.
Micromachines 14 01484 g013
Figure 14. Pinched-loop hysteresis measurement for different frequencies in incremental mode: (a) @100 kHz hysteresis, (b) @175 kHz hysteresis and (c) @250 kHz hysteresis.
Figure 14. Pinched-loop hysteresis measurement for different frequencies in incremental mode: (a) @100 kHz hysteresis, (b) @175 kHz hysteresis and (c) @250 kHz hysteresis.
Micromachines 14 01484 g014
Figure 15. Transient responses for different frequencies in incremental mode: (a) @100 kHz transient, (b) @175 kHz transient and (c) @250 kHz transient (in the transient response, the yellow color output is input voltage, whereas the blue color one illustrates the load resistance’s voltage).
Figure 15. Transient responses for different frequencies in incremental mode: (a) @100 kHz transient, (b) @175 kHz transient and (c) @250 kHz transient (in the transient response, the yellow color output is input voltage, whereas the blue color one illustrates the load resistance’s voltage).
Micromachines 14 01484 g015
Figure 16. Pinched-loop hysteresis measurement for different frequencies in decremental mode: (a) @100 kHz hysteresis, (b) @175 kHz hysteresis and (c) @250 kHz hysteresis.
Figure 16. Pinched-loop hysteresis measurement for different frequencies in decremental mode: (a) @100 kHz hysteresis, (b) @175 kHz hysteresis and (c) @250 kHz hysteresis.
Micromachines 14 01484 g016
Figure 17. Transient responses for different frequencies in decremental mode: (a) @100 kHz transient, (b) @175 kHz transient and (c) @250 kHz transient (in the transient response, the yellow color output is input voltage, whereas the blue color one illustrates the load resistance’s voltage).
Figure 17. Transient responses for different frequencies in decremental mode: (a) @100 kHz transient, (b) @175 kHz transient and (c) @250 kHz transient (in the transient response, the yellow color output is input voltage, whereas the blue color one illustrates the load resistance’s voltage).
Micromachines 14 01484 g017
Table 1. Dimensions of the transistor in CCCDTA.
Table 1. Dimensions of the transistor in CCCDTA.
TransistorsW (μm)L (μm)
M1–M4150.36
M5–M8450.36
M9–M14150.5
M15–M2050.5
M21–M24, M303.61.8
M25–M297.21.8
M31–M352.41.8
Table 2. CCCDTA output terminals’ transconductance variation versus bias voltage of VB2.
Table 2. CCCDTA output terminals’ transconductance variation versus bias voltage of VB2.
VB2 (mV)−250−200−160−130−100
gmp (μA/V)114.8146.8170.5187.3199.8
gmn (μA/V)115146.1169.3185.6197.6
Emulator Power Consumption (µW)615661715748780
Disclaimer/Publisher’s Note: The statements, opinions and data contained in all publications are solely those of the individual author(s) and contributor(s) and not of MDPI and/or the editor(s). MDPI and/or the editor(s) disclaim responsibility for any injury to people or property resulting from any ideas, methods, instructions or products referred to in the content.

Share and Cite

MDPI and ACS Style

Ozenli, D. A Compact Fully Electronically Tunable Memristive Circuit Based on CCCDTA with Experimental Results. Micromachines 2023, 14, 1484. https://doi.org/10.3390/mi14081484

AMA Style

Ozenli D. A Compact Fully Electronically Tunable Memristive Circuit Based on CCCDTA with Experimental Results. Micromachines. 2023; 14(8):1484. https://doi.org/10.3390/mi14081484

Chicago/Turabian Style

Ozenli, Deniz. 2023. "A Compact Fully Electronically Tunable Memristive Circuit Based on CCCDTA with Experimental Results" Micromachines 14, no. 8: 1484. https://doi.org/10.3390/mi14081484

APA Style

Ozenli, D. (2023). A Compact Fully Electronically Tunable Memristive Circuit Based on CCCDTA with Experimental Results. Micromachines, 14(8), 1484. https://doi.org/10.3390/mi14081484

Note that from the first issue of 2016, this journal uses article numbers instead of page numbers. See further details here.

Article Metrics

Back to TopTop