Next Article in Journal
Red Blood Cell Partitioning Using a Microfluidic Channel with Ladder Structure
Next Article in Special Issue
A Fully Integrated RFID Reader SoC
Previous Article in Journal
A Free-Standing Chitosan Membrane Prepared by the Vibration-Assisted Solvent Casting Method
Previous Article in Special Issue
Photoplethysmography-Based Distance Estimation for True Wireless Stereo
 
 
Font Type:
Arial Georgia Verdana
Font Size:
Aa Aa Aa
Line Spacing:
Column Width:
Background:
Article

A High-Precision Current-Mode Bandgap Reference with Nonlinear Temperature Compensation

1
State Key Laboratory of Materials for Integrated Circuits, Shanghai Institute of Microsystem and Information Technology, Chinese Academy of Sciences, 865 Changning Road, Shanghai 200050, China
2
Schools of Microelectronics, University of Chinese Academy of Sciences, Beijing 100049, China
*
Author to whom correspondence should be addressed.
Micromachines 2023, 14(7), 1420; https://doi.org/10.3390/mi14071420
Submission received: 19 June 2023 / Revised: 5 July 2023 / Accepted: 13 July 2023 / Published: 14 July 2023
(This article belongs to the Special Issue System-on-a-Chip (SoC): Design and Applications)

Abstract

A high-precision current-mode bandgap reference (BGR) circuit with a high-order temperature compensation is presented in this paper. In order to achieve a high-precision BGR circuit, the equation of the nonlinear current has been modified and the high-order term of the current flowing into the nonlinear compensation bipolar junction transistor (NLCBJT) is compensated further. According to the modified equation, two solutions are designed to improve the output accuracy of BGR circuits. The first solution is to divide the NLCBJT branch into two branches to reduce the coefficient of the nonlinear temperature compensation current. The second solution is to inject the nonlinear current into the two branches based on the first one to further eliminate the temperature coefficient (TC) of the current flowing into the NLCBJT. The proposed BGR circuit has been designed using the Semiconductor Manufacturing International Corporation (SMIC) 55 nm CMOS process. The simulation results show that the variations in currents flowing into NLCBJTs improved from 148.41 nA to 69.35 nA and 7.4 nA, respectively, the TC of the output reference current of the proposed circuit is approximately 3.78 ppm/°C at a temperature range of −50 °C to 120 °C with a supply voltage of 3.3 V, the quiescent current consumption of the entire BGR circuit is 42.13 μA, and the size of the BGR layout is 0.044 mm2, leading to the development of a high-precision BGR circuit.

1. Introduction

Bandgap reference (BGR) circuits are critical modules in most integrated circuit systems and are widely used in analog circuits, digital circuits, and mixed-signal circuits, such as memory circuits, A/D converters, and low dropout linear regulators. BGR circuits provide temperature-independent voltages or currents for the system-on-a-chip (SoC), and their performance determines the quality of the entire SoC. With the development of the CMOS process, the feature size of integrated circuits continues to decrease, and the operation voltage of the electronic system is becoming increasingly lower. Low-voltage and high-precision BGR circuits have received widespread attention.
The output voltage of conventional voltage-mode BGR circuits with first-order temperature compensation is 1.25 V approximately, which can achieve a TC of about a few tens of ppm/℃. In order to achieve more accurate reference voltages, higher-order temperature-compensated techniques are required for BGR circuits. Rincon-Mora et al. [1] adjusted the reference voltage by optimizing the temperature component with the trimming process and achieved high accuracy of the output voltage. Leung et al. [2] proposed that the ratio of resistors with the same type and size is independent of temperature, which can be used to reduce temperature drift. Ker et al. [3] used a subtraction circuit to cancel the convex curve or the concave curve of the output reference current of two BGR circuits. Exponential temperature compensation [4], quadratic temperature compensation [5], and third-order compensation [6] were also used to cancel the high-order terms of the emitter-base voltage VEB, eliminate the temperature drift, and obtain a reference voltage with a very small TC.
In modern CMOS technology, the operation voltage of CMOS devices is lower than 1.2 V, so a reference voltage should be lower than 1.2 V. Banba et al. [7] proposed a sub-1V BGR circuit in which the current-mode technique is adopted to scale down the output reference voltage, and a variety of high-precision BGR circuits are developed.
Compared to the first-order temperature compensation in [7], Malcovati [8] introduced a high-order temperature compensation, which is based on the theory that the current in the nonlinear compensation bipolar junction transistor (NLCBJT) is temperature-independent. However, high-order temperature residue terms still exist in the NLCBJT currents in this circuit, which require further rejection or elimination.
In this paper, the accuracy of the BGR is further improved on the basis of [8]. The rest of this paper is organized as follows: Section 2 describes the operation principle of a conventional current-mode BGR circuit; Section 3 describes the two proposed solutions for nonlinear compensation BGR circuits; Section 4 presents the simulation results that verify the accuracy of the proposed high-order terms compensated circuit; and the conclusions are provided in Section 5.

2. Principle of Conventional Current-Mode BGR Circuits

The low-voltage BGR circuit proposed by Banba et al. [7] is a current-mode BGR circuit whose output reference current IREF is realized by the sum of two currents. One is complementary to the absolute temperature ICTAT, and the other is proportional to the absolute temperature IPTAT. First, a temperature-independent reference current was generated.
As presented in Figure 1, due to the effect of negative feedback, the relationship VA = VB = VEB1 and a PTAT current IPTAT proportional to VT is achieved. With additional equal resistors R1 and R2 (R1 = R2 = R1,2), the BGR circuit achieves a CTAT current ICTAT proportional to VEB. The currents I1 and I2 are the sum of the currents IPTAT and ICTAT, flowing through the current mirror that consists of the transistors M0, M1, and M2 with the same aspect ratio. The currents can be expressed as follows:
I 1 = I 2 = I R E F = v T ln N R 0 + V E B 1 R 1 , 2 = k T q R 0 ln N + V E B 1 R 1 , 2
Then, a low reference voltage VREF can be generated and expressed as
V R E F = I R E F R 3 = I 1 R 3 = I 2 R 3 = V E B R 0 + V E B 1 R 1 , 2 R 3
However, the current-mode BGR circuit shown in Figure 1 still belongs to first-order temperature compensation. A large high-order temperature current flows into the emitter of Q1, which affects the accuracy of VREF. According to the study by Tsividis et al. [9], an accurate analysis of the temperature effects on VEB-T characteristics can be expressed as
V E B T = V G 0 T r + T T r V E B T r V G 0 T r n δ k T q l n T T r
where VG0(Tr) is the bandgap voltage of silicon at the reference temperature Tr, n is a temperature-independent and process-dependent constant around 4, and δ is a factor of the temperature dependent on the collector current, which is equal to 1 if the current in the BJT is PTAT and becomes 0 when the current is temperature-independent. VT is the thermal voltage, k is Boltzmann’s constant, and q is the electric charge.
In Equation (3), the second item has a first-order TC, whereas the third item is a high-order temperature nonlinear term that should be rejected or eliminated to achieve a high-precision BGR.
On the basis of [7], Malcovati et al. [8] presented a high-precision BGR circuit with a low supply voltage, where nonlinear currents were generated to compensate for the high-order errors, as shown in Figure 2.
The currents flowing into Q0 and Q1 are proportional to the absolute temperature so that the parameter δ in the expression of VEB is equal to 1. Since the currents flowing into Q2 are temperature-independent, the parameter δ is equal to 0 [8].
The VEB of Q0 and Q1 can be expressed as
V E B , Q 0 , 1 = V G 0 1 T T r + V E B 0 T T r n 1 k T q l n T T r
The current in M0 is
I R E F = I P T A T + I C T A T I N L
which is the current with a low TC after high-order temperature nonlinear compensation. The current is copied by M2 and injected into a diode connected to NLCBJT Q2, which is expressed by
I Q 2 = I P T A T + I C T A T 3 I N L
Because the nonlinear current INL is very small, its TC can be ignored [8]. Then, a VEB with δ = 0 is produced across Q2, which can be expressed as
V E B , Q 2 = V G 0 , Q 2 1 T T r + V E B 0 , Q 2 T T r n k T q l n T T r
Equation (7) is subtracted from (4) and leads to a nonlinear voltage VNL, which is expressed as
V N L = V E B , Q 2 V E B , Q 0 , 1 = k T q l n T T r + Δ V E B , Q 2 , Q 1 T T r
where the first term in the equation is the nonlinear term of temperature, and the second term is the error of the linear term of the VEB of two BJT Q1 and Q2 with the same geometry; however, the emitter currents IE,Q1 and IE,Q2 are not equal, so the error of the linear term is not equal to zero. Equation (8) is then corrected.
The values of resistors R3 and R4 are equal, and the INLs generated on them are equal. Then, the current of IPTAT + ICTATINL follows M4 and R5, as shown in Figure 3.
The output reference voltage VREF becomes
V R E F = V T R 5 l n N R 0 + V E B , Q 0 , 1 R 5 R 1 , 2 + V N L R 5 R 3 , 4 = R 5 R 1 , 2 R 1 , 2 l n N R 0 V T + V E B , Q 0 , 1 R 1 , 2 R 3 , 4 V N L
where the third term is the nonlinear part, and it can be used to effectively compensate for the nonlinear item of the second term, VEB,Q0,1. By substituting (4) into (9) and setting n − 1 equal to R 1 , 2 R 3 , 4 , the nonlinear temperature term in VREF can be eliminated, and a high-precision reference voltage can be achieved.
This BGR circuit achieves an output reference voltage of 0.536 V and obtains a TC of 7.5 ppm/K over a wide temperature range of 80 °C (from 0 °C to 80 °C). Compared to the BGR circuit without the curvature correction technique, the BGR circuit is improved by about three times.
However, in this structure, the expression for the emitter current of Q2 is actually
I E , Q 2 = I P T A T + I C T A T 3 I N L
where there are excess high-order temperature terms with a certain impact on IREF. The coefficient of this current can be further reduced, and a more accurate IREF can be achieved.

3. Proposed High-Precision Current-Mode BGR Circuit

In order to completely eliminate high-order temperature terms in the current flowing through Q2, a novel high-precision compensation BGR structure is proposed in this paper.
On the basis of the conventional curvature-compensated BGR circuit, the transistor M3 is first added to mirror the current in M0 flowing into BJT Q3 and then form a new branch, which can share the nonlinear current flowing into the same BJT, as shown in Figure 3.
At this time, the current flowing through Q2 and Q3 is
I E , Q 2 , 3 = I P T A T + I C T A T 2 I N L
The TC of the nonlinear compensation BJT current is reduced, which makes the output reference current more accurate.
In order to further eliminate high-order temperature terms, a BGR circuit with high-order temperature compensation was designed, as shown in Figure 4.
Let R5 be equal to R3 and R4 (R3 = R4 = R5). Based on the characteristics of the operational amplifier (OPAMP) A1 and A2, two branches, each with a nonlinear current similar to INL, are formed and injected into Q2 and Q3 to offset the excess high-order temperature terms.
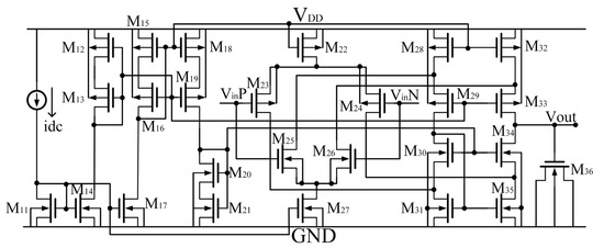
The circuit of the OPAMP A0, A1, and A2 is provided in Figure 5, where the input stage of this circuit mainly consists of a PMOS transistor differential pair M21 and M22 and an NMOS transistor differential pair M23 and M24 placed in parallel as a rail-to-rail differential input stage, whose range of input common-mode voltage can be from ground to VDD. The dominant pole of the circuit is located at the output port. The product of the equivalent impedance and capacitance is large, so the position of the pole is close to the DC point. And the non-dominant pole of the circuit is located at the node between the drain of M32 and the source of M33, and the other pole is located between the source of M34 and the drain of M35. The output impedance and parasitic capacitance of these two nodes are both small so that their poles are far from the dominant pole. So this circuit can be regarded as only one pole approximately and is kept stable through simple compensation.
Finally, the current is
I E , Q 2 , 3 = I P T A T + I C T A T I N L
This formation is theoretically completely independent of temperature.
The design details of the proposed high-precision current-mode BGR and OPAMP circuits A0, A1, and A2 are provided in Table 1.
With the same power supply voltage, the same component sizes, and the same temperature range from −50 °C to 120 °C, the current IPTAT + ICTAT − 3INL flowing into Q2 in Figure 2, the current IPTAT + ICTAT − 2INL flowing into Q2 or Q3 in Figure 3, and the current IPTAT + ICTATINL flowing into Q2 or Q3 in Figure 4 simulated in the SMIC 55 nm CMOS process are shown in Figure 6.
Compared to Figure 2 and Figure 3, the current curve in Figure 4 is the most stable, and the variation is the smallest. In other words, the temperature stability is the best.
And the output reference currents IREF of the structures in Figure 2, Figure 3 and Figure 4 simulated in the SMIC 55 nm CMOS process are shown in Figure 7.
The IREF of the circuit in Figure 2 varies from the minimum of 4.2049 μA to the maximum of 4.2227 μA with a change of 17.8 nA, the IREF in Figure 3 varies from the minimum of 4.1817 μA to the maximum of 4.1926 μA with a change of 10.9 nA, and the IREF in Figure 4 varies from the minimum of 4.1539 μA to the maximum of 4.1563 μA with a change of 2.4 nA. It can be seen that the IREF of the proposed high-precision current-mode BGR circuit is more stable significantly.

4. Simulation Results

The proposed current-mode BGR circuit with a high-order temperature compensation was designed using the SMIC 55 nm CMOS process. The size of the layout of the proposed circuit including dummies turned out to be 300.43 μm × 148.67 μm, which is illustrated in Figure 8.
A.
The output reference current
With a supply voltage of 3.3 V, the IREF of the proposed circuit measured from −50 °C to 120 °C is presented in Figure 9.
The equation of TC can be expressed as
T C = V R E F , m a x V R E F , m i n V R E F , a v e × T m a x T m i n × 10 6
In the current-mode BGR circuit, the VREF in the above equation should be replaced by IREF, while the rest remains unchanged. IREF over the whole temperature range is about 2.4 nA, varying from 3.6829 μA to 3.6853 μA. So, the typical TC can be calculated as 3.78 ppm/°C.
B.
Monte Carlo simulation
The Monte Carlo simulation is conducted to assess the circuit stability due to the influence of the process and mismatched variations. Three hundred iterations of the generated IREF are shown in Figure 10.
The simulation results show that IREF varied from 3.6789 μA to 3.6881 μA under the worst-case scenario in Figure 10a, whose TC is about 7.64 ppm/°C. And it can be calculated that the mean value μ of TC is 4.51 ppm/℃, and the mean square error σ is 0.615 ppm/°C in Figure 10b.
The Monte Carlo simulation covers over 95% of the process corners and mismatches, which ensures a certain qualification rate for the product. However, the process corners have significant process variations under extreme conditions and require to be trimmed. Under the process corner of ss, there is a maximum deviation of 6 nA from the typical value in this paper. Due to the accuracy requirements of the BGR circuit, trims need to be made. Three-bit trimming is adopted, which means that there are eight trimming states. Three states greater than the typical value are set, and each state can be stepped by 3 nA, so a total of 9 nA can be stepped. Four trimming states below the typical value are set, and each state can be stepped by 3 nA, and a total of 12 nA can be stepped. Because trimming is an engineering implementation process, this paper does not provide detailed circuit implementation steps.
Figure 11 shows the simulation result of the output IREF versus the temperature of the process corners, including ff, fs, sf, and ss, where the process corners of ss and fs are trimmed in one step to obtain better results, and those of ff and sf are maintained in the set state of tt without any trimming. At the worst process corner ff, the TC is about 7.97 ppm/°C.
C.
Stability
Figure 12 shows the AC analysis results of the BGR for the gain and phase frequency response of the process corners, including tt, ff, fs, sf, and ss of the proposed circuit.
It can be observed that the phase margin is better than 76.63 degrees, and the gain margin is about 16.64 dB. When the gain is 0 dB, the phase margin is much greater than 60 degrees, which is very stable.
D.
Transient response
Figure 13 illustrates the start-up process of the proposed circuit with a supply voltage VDD step from 0 V to 3.3 V at an edge time of 1 ms, and when IREF flows through a high-precision resistor with a temperature compensation of 160 kΩ, the proposed BGR circuit takes 0.14 ms to reach the normal operating state.
E.
Comparison between the simulated characteristics of the proposed design and other works
The performance of the proposed BGR circuit is compared to that of other previous BGR circuits [10,11,12,13,14], as shown in Table 2.
It can be observed from Table 2 that due to more accurate high-order compensation, the TC of the proposed structure is superior to that of previous works over a wider range of temperatures, and there are also certain comprehensive advantages in layout area, current consumption, and PSR.
In order to evaluate the overall performance of the BGR circuits, an evaluation parameter figure-of-merit (FOM) defined in this paper can be expressed as
F O M = P S R × T e m p   r a n g e B e s t   T C × I Q
Because the layout area is related to the process, for the purpose of a fair comparison, the parameter of the layout area is not used in FOM, which only uses the temperature range, best TC, quiescent current, and PSR. It can be seen from the results that the value of FOM in this paper is much higher than that in [11,15], almost similar to that in [12,13], but lower than that in [10]. However, the FOM of [10] is only because of the excellent parameter of IQ, while the rest of the performance is ordinary. The most important parameter of the BGR circuit is the temperature coefficient, which is best identified in this paper.
F.
Post-layout simulation
The results of the post-layout simulations are shown in Table 3.

5. Conclusions

In this study, the equation of the nonlinear current was modified, the high-order term of the current flowing into the NLCBJT was compensated further, and a high-precision current-mode BGR circuit with a high-order temperature compensation was designed and simulated using Cadence SPECTRE with a SMIC CMOS 55 nm process. The simulation results verify that the output reference current has good temperature independence (TC ≈ 3.78 ppm/°C) with a supply voltage of 3.3 V, a better layout area, and power supply rejection ability (PSR ≈ −63.1 dB at 100 frequency). These results display an effective enhancement in the performance of the BGR circuit.

Author Contributions

Conceptualization, Z.C. and X.L.; methodology, Z.C.; validation, Z.C., Q.W. and X.L.; formal analysis, Z.C.; investigation, Z.C.; resources, Z.C.; data curation, H.C.; writing—original draft preparation, Z.C.; writing—review and editing, Z.C.; visualization, Q.W.; supervision, H.C.; project administration, S.S.; funding acquisition, Z.S. All authors have read and agreed to the published version of the manuscript.

Funding

This work was funded by the National Natural Science Foundation of China (92164302, 61874129), Strategic Priority Research of the Chinese Academy of Sciences (XDB44010200), Science and Technology Council of Shanghai (22DZ2229009).

Data Availability Statement

Not applicable.

Conflicts of Interest

The authors declare no conflict of interest.

References

  1. Rincon-Mora, G.; Allen, P.E. A 1.1-V Current-Mode and Piecewise-Linear Curvature-Corrected Bandgap Reference. IEEE J. Solid-State Circuits 1998, 33, 1551–1554. [Google Scholar] [CrossRef]
  2. Leung, K.N.; Mok, P.K.T.; Leung, C.Y. A 2-V 23-ΜA 5.3-ppm/°C Curvature-Compensated CMOS Bandgap Voltage Reference. IEEE J. Solid-State Circuits 2003, 38, 561–564. [Google Scholar] [CrossRef]
  3. Ker, M.-D.; Chen, J.-S. New Curvature-Compensation Technique for CMOS Bandgap Reference with Sub-1-V Operation. IEEE Trans. Circuits Syst. II 2006, 53, 667–671. [Google Scholar] [CrossRef]
  4. Lee, I.; Kim, G.; Kim, W. Exponential Curvature-Compensated BiCMOS Bandgap References. IEEE J. Solid-State Circuits 1994, 29, 1396–1403. [Google Scholar] [CrossRef]
  5. Song, B.-S.; Gray, P. A Precision Curvature-Compensated CMOS Bandgap Reference. In Proceedings of the 1983 IEEE International Solid-State Circuits Conference, New York, NY, USA, 23–25 February 1983; pp. 240–241. [Google Scholar]
  6. Audy, J.M. 3rd Order Curvature Corrected Bandgap Cell. In Proceedings of the 38th Midwest Symposium on Circuits and Systems, Rio de Janeiro, Brazil, 13–16 August 1995; Volume 1, pp. 397–400. [Google Scholar]
  7. Banba, H.; Shiga, H.; Umezawa, A.; Miyaba, T.; Tanzawa, T.; Atsumi, S.; Sakui, K. A CMOS Bandgap Reference Circuit with Sub-1-V Operation. IEEE J. Solid-State Circuits 1999, 34, 670–674. [Google Scholar] [CrossRef]
  8. Malcovati, P.; Maloberti, F.; Fiocchi, C.; Pruzzi, M. Curvature-Compensated BiCMOS Bandgap with 1-V Supply Voltage. IEEE J. Solid-State Circuits 2001, 36, 1076–1081. [Google Scholar] [CrossRef]
  9. Tsividis, Y.P. Accurate Analysis of Temperature Effects in I/SUB c/V/SUB BE/ Characteristics with Application to Bandgap Reference Sources. IEEE J. Solid-State Circuits 1980, 15, 1076–1084. [Google Scholar] [CrossRef]
  10. Barteselli, E.; Sant, L.; Gaggl, R.; Baschirotto, A. A First Order-Curvature Compensation 5ppm/°C Low-Voltage & High PSR 65nm-CMOS Bandgap Reference with One-Point 4-Bits Trimming Resistor. In Proceedings of the SMACD/PRIME 2021; International Conference on SMACD and 16th Conference on PRIME, Online, 19–22 July 2021. [Google Scholar]
  11. Zhu, G.; Yang, Y.; Zhang, Q. A 4.6-Ppm/°C High-Order Curvature Compensated Bandgap Reference for BMIC. IEEE Trans. Circuits Syst. II 2019, 66, 1492–1496. [Google Scholar] [CrossRef]
  12. Ming, X.; Hu, L.; Xin, Y.-L.; Zhang, X.; Gao, D.; Zhang, B. A High-Precision Resistor-Less CMOS Compensated Bandgap Reference Based on Successive Voltage-Step Compensation. IEEE Trans. Circuits Syst. I 2018, 65, 4086–4096. [Google Scholar] [CrossRef]
  13. Zhou, Z.-K.; Shi, Y.; Huang, Z.; Zhu, P.-S.; Ma, Y.-Q.; Wang, Y.-C.; Chen, Z.; Ming, X.; Zhang, B. A 1.6-V 25-μA 5-Ppm/°C Curvature-Compensated Bandgap Reference. IEEE Trans. Circuits Syst. I 2012, 59, 677–684. [Google Scholar] [CrossRef]
  14. Andreou, C.M.; Koudounas, S.; Georgiou, J. A Novel Wide-Temperature-Range, 3.9 Ppm/°C CMOS Bandgap Reference Circuit. IEEE J. Solid-State Circuits 2012, 47, 574–581. [Google Scholar] [CrossRef]
  15. Ming, X.; Ma, Y.; Zhou, Z.; Zhang, B. A High-Precision Compensated CMOS Bandgap Voltage Reference Without Resistors. IEEE Trans. Circuits Syst. II 2010, 57, 767–771. [Google Scholar] [CrossRef]
Figure 1. The BGR circuit proposed by Banba et al. [7].
Figure 1. The BGR circuit proposed by Banba et al. [7].
Micromachines 14 01420 g001
Figure 2. The high-accuracy BGR circuit proposed by Malcovati [8].
Figure 2. The high-accuracy BGR circuit proposed by Malcovati [8].
Micromachines 14 01420 g002
Figure 3. A solution for reducing the TC of current in NLCBJT.
Figure 3. A solution for reducing the TC of current in NLCBJT.
Micromachines 14 01420 g003
Figure 4. Proposed high-precision current-mode BGR circuit.
Figure 4. Proposed high-precision current-mode BGR circuit.
Micromachines 14 01420 g004
Figure 5. The OPAMP A0, A1, and A2 of the circuit shown in Figure 4.
Figure 5. The OPAMP A0, A1, and A2 of the circuit shown in Figure 4.
Micromachines 14 01420 g005
Figure 6. Currents flowing into Q2 or Q3 of the structures shown in Figure 2, Figure 3 and Figure 4.
Figure 6. Currents flowing into Q2 or Q3 of the structures shown in Figure 2, Figure 3 and Figure 4.
Micromachines 14 01420 g006
Figure 7. Measured IREF of the structures shown in Figure 2, Figure 3 and Figure 4.
Figure 7. Measured IREF of the structures shown in Figure 2, Figure 3 and Figure 4.
Micromachines 14 01420 g007
Figure 8. The layout of the proposed high-precision current-mode BGR circuit.
Figure 8. The layout of the proposed high-precision current-mode BGR circuit.
Micromachines 14 01420 g008
Figure 9. IREF with temperature sweep at the process corner tt.
Figure 9. IREF with temperature sweep at the process corner tt.
Micromachines 14 01420 g009
Figure 10. Monte Carlo simulation (300 iterations) for mismatch and process variations: (a) IREF across temperature; (b) Temperature coefficient.
Figure 10. Monte Carlo simulation (300 iterations) for mismatch and process variations: (a) IREF across temperature; (b) Temperature coefficient.
Micromachines 14 01420 g010
Figure 11. IREF with temperature sweep of process corners including ff, fs, sf, and ss.
Figure 11. IREF with temperature sweep of process corners including ff, fs, sf, and ss.
Micromachines 14 01420 g011
Figure 12. The gain and phase frequency response of every process corner.
Figure 12. The gain and phase frequency response of every process corner.
Micromachines 14 01420 g012
Figure 13. The transient response of the start−up process.
Figure 13. The transient response of the start−up process.
Micromachines 14 01420 g013
Table 1. Component sizes used in the proposed BGR circuit.
Table 1. Component sizes used in the proposed BGR circuit.
ComponentParameter
M0, M1, M2, M3 and M8W = 9 μm, L = 6 μm
M4, M5 and M6W = 6 μm, L = 6 μm
M7W = 3 μm, L = 6 μm
M9 and M10W = 3 μm, L = 8 μm
M11, M14 and M17W = 1 μm, L = 12 μm
M12W = 1.8 μm, L = 6 μm
M13, M16, M19, M29 and M33W = 1.5 μm, L = 6 μm
M15 and M18W = 1.5 μm, L = 12 μm
M22, M28 and M32W = 1.5 μm, L = 12 μm, m = 2
M23 and M24W = 3 μm, L = 6 μm, m = 4
M25 and M26W = 5 μm, L = 2.6 μm, m = 4
M20W = 1.5 μm, L = 8 μm
M21, M30 and M34W = 1 μm, L = 12 μm
M27, M31 and M35W = 1 μm, L = 12 μm, m = 2
Q08 × (5.6 μm × 5.6 μm)
Q1, Q2 and Q31 × (5.6 μm × 5.6 μm)
R031.47 kΩ
R1 and R2249.52 kΩ
R3, R4 and R562.38 kΩ
R6160 kΩ
Table 2. Performance summary and comparisons with other previous studies.
Table 2. Performance summary and comparisons with other previous studies.
ParametersThis WorkRef. [10]Ref. [11]Ref. [12]Ref. [13]Ref. [14]Ref. [15]
Year2023202120192018201220122010
ProcessCMOS
55 nm
CMOS
65 nm
CMOS
0.18 μm
CMOS
0.5 μm
BiCMOS
0.5 μm
CMOS
0.35 μm
CMOS
0.5 μm
Supply voltage (V)3.31.0–1.43.5–52.1–53.62.53.6
Layout area (mm2)0.044(*)0.22250.0530.040.1020.1
Temp range (°C)−50 to 120−40 to 100−40 to 130−5 to 125−40 to 100−15 to 150−40 to 120
Best TC (ppm/°C)3.7854.63.9853.911.8
TrimmingNoNoNoYesYesYesYes
IQ (μA)42.135.210838253818
PSR@27 °C−63.1 dB
@100 Hz
−28.8 dB
@10 kHz
−92 dB
@100 Hz
−84 dB
@100 Hz
−70 dB
@10 kHz
(*)−31.8 dB
@10 Hz
FOM67.36155.0831.4872.278.4(*)24
(*) Not listed.
Table 3. Post layout simulations of this work.
Table 3. Post layout simulations of this work.
SpecificationParameter
ProcessCMOS 55 nm
Supply voltage (V)3.3
Temp range (°C)−50 to 120
TC (ppm/°C)6.02
Phase margin (degree)63.5
IQ (μA)46.8
PSR (dB)53.6 dB@DC
Disclaimer/Publisher’s Note: The statements, opinions and data contained in all publications are solely those of the individual author(s) and contributor(s) and not of MDPI and/or the editor(s). MDPI and/or the editor(s) disclaim responsibility for any injury to people or property resulting from any ideas, methods, instructions or products referred to in the content.

Share and Cite

MDPI and ACS Style

Chen, Z.; Wang, Q.; Li, X.; Song, S.; Chen, H.; Song, Z. A High-Precision Current-Mode Bandgap Reference with Nonlinear Temperature Compensation. Micromachines 2023, 14, 1420. https://doi.org/10.3390/mi14071420

AMA Style

Chen Z, Wang Q, Li X, Song S, Chen H, Song Z. A High-Precision Current-Mode Bandgap Reference with Nonlinear Temperature Compensation. Micromachines. 2023; 14(7):1420. https://doi.org/10.3390/mi14071420

Chicago/Turabian Style

Chen, Zhizhi, Qian Wang, Xi Li, Sannian Song, Houpeng Chen, and Zhitang Song. 2023. "A High-Precision Current-Mode Bandgap Reference with Nonlinear Temperature Compensation" Micromachines 14, no. 7: 1420. https://doi.org/10.3390/mi14071420

APA Style

Chen, Z., Wang, Q., Li, X., Song, S., Chen, H., & Song, Z. (2023). A High-Precision Current-Mode Bandgap Reference with Nonlinear Temperature Compensation. Micromachines, 14(7), 1420. https://doi.org/10.3390/mi14071420

Note that from the first issue of 2016, this journal uses article numbers instead of page numbers. See further details here.

Article Metrics

Back to TopTop