Memristor Crossbar Circuits Implementing Equilibrium Propagation for On-Device Learning
Abstract
1. Introduction
2. Method
2.1. Algorithm
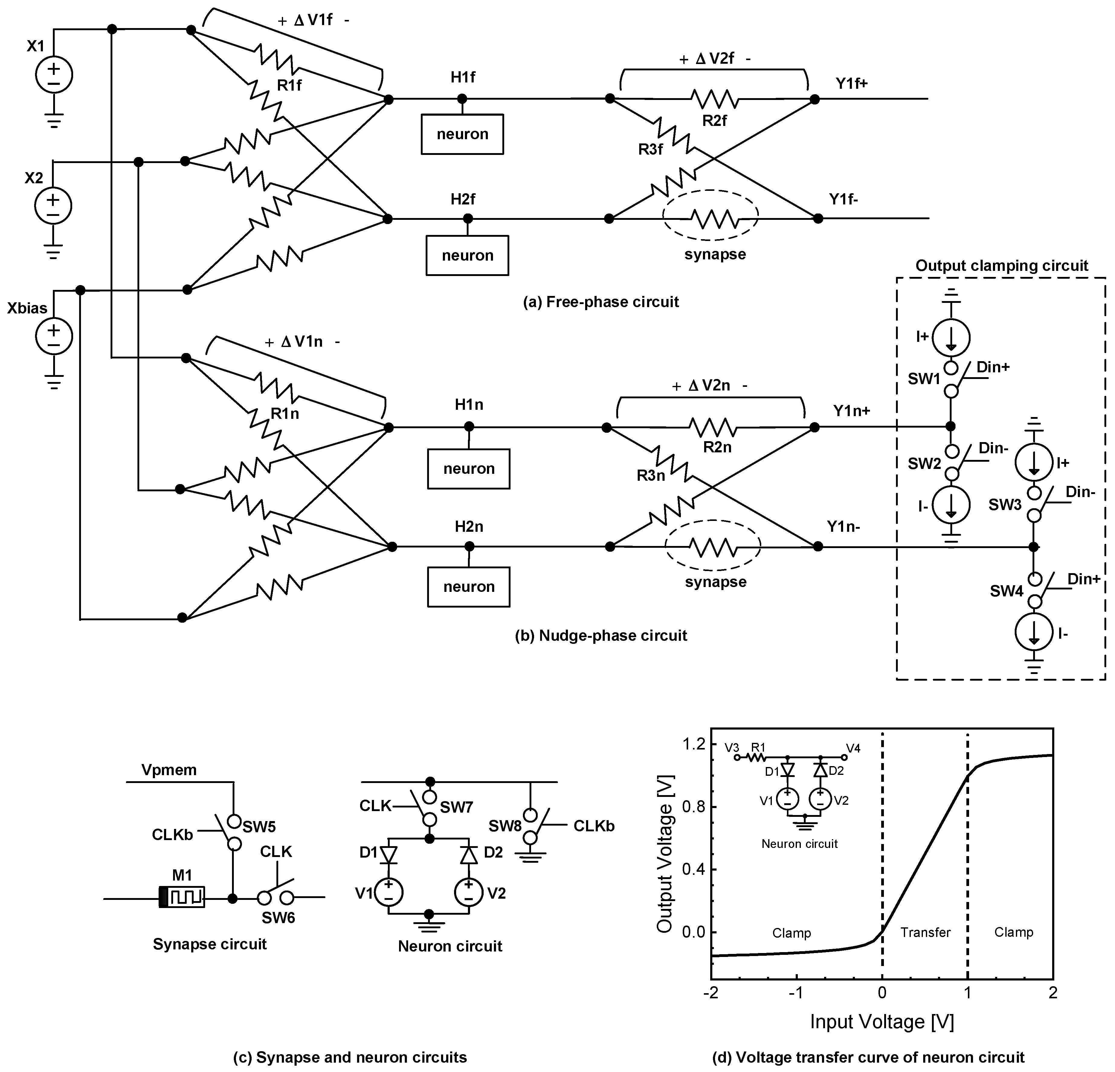
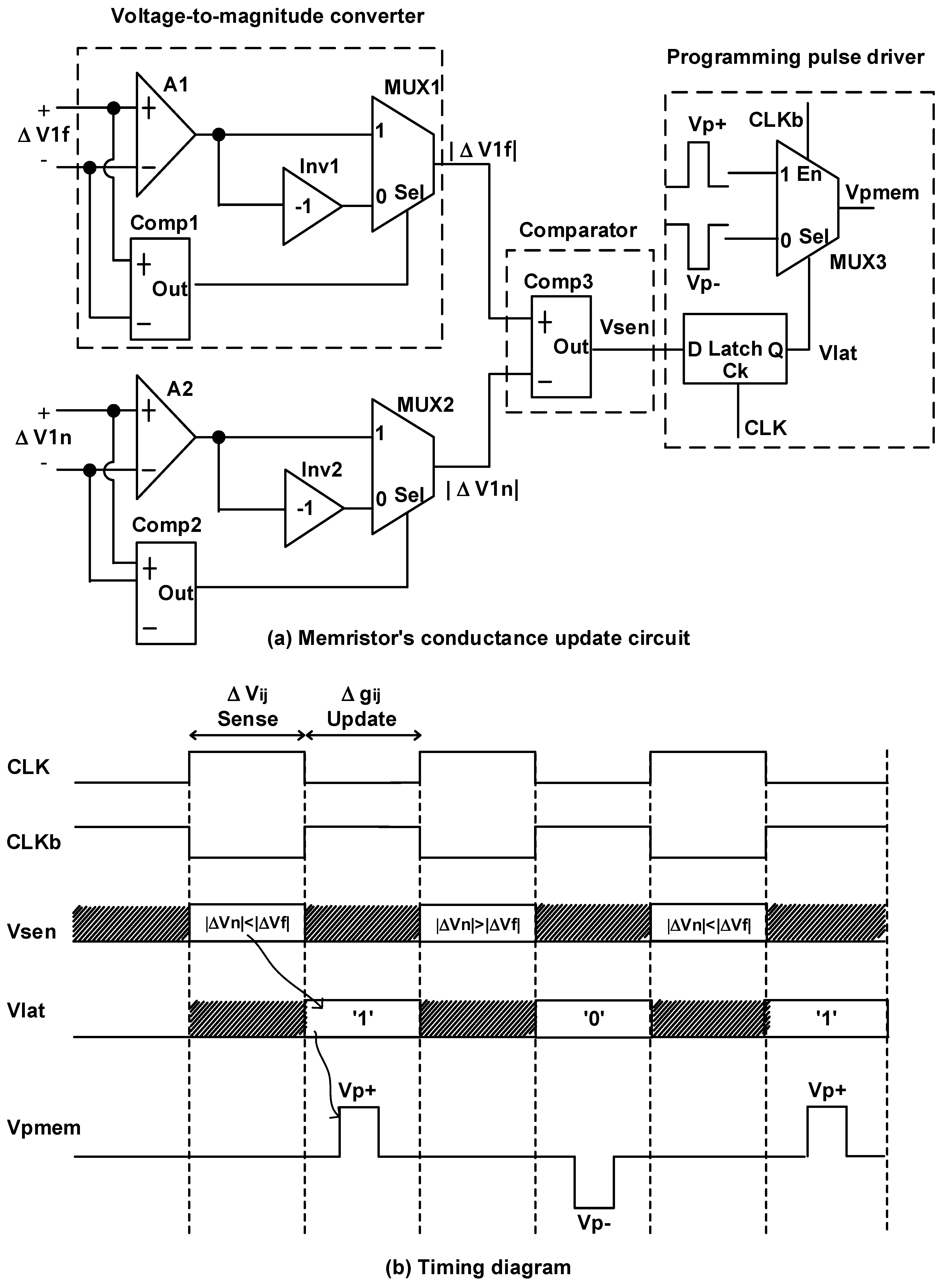
2.2. Circuit Implementation
3. Results
4. Conclusions
Author Contributions
Funding
Data Availability Statement
Acknowledgments
Conflicts of Interest
References
- Furui, S.; Deng, L.; Gales, M.; Ney, H.; Tokuda, K. Fundamental technologies in modern speech recognition. IEEE Signal Process. Mag. 2012, 29, 16–17. [Google Scholar] [CrossRef]
- He, K.; Zhang, X.; Ren, S.; Sun, J. Deep residual learning for image recognition. In Proceedings of the IEEE Computer Society Conference on Computer Vision and Pattern Recognition, Las Vegas, NV, USA, 27–30 June 2016; pp. 770–778. [Google Scholar]
- Shrestha, A.; Mahmood, A. Review of Deep Learning Algorithms and Architectures. IEEE Access 2019, 7, 53040–53065. [Google Scholar] [CrossRef]
- Khalil, R.A.; Jones, E.; Babar, M.I.; Jan, T.; Zafar, M.H.; Alhussain, T. Speech Emotion Recognition Using Deep Learning Techniques: A Review. IEEE Access 2019, 7, 117327–117345. [Google Scholar] [CrossRef]
- Oh, S.; An, J. Area-Efficient Mapping of Convolutional Neural Networks to Memristor Crossbars Using Sub-Image Partitioning. Micromachines 2023, 14, 309. [Google Scholar] [CrossRef]
- Bottou, L. Stochastic gradient descent tricks. Lect. Notes Comput. Sci. 2012, 7700, 421–436. [Google Scholar] [CrossRef]
- Ruder, S. An overview of gradient descent optimization algorithms. arXiv 2016, arXiv:1609.04747. Available online: http://arxiv.org/abs/1609.04747 (accessed on 20 April 2023).
- Mandic, D.P. Descent Algorithm. Signal Process. 2004, 11, 115–118. [Google Scholar]
- Li, B.; Xia, L.; Gu, P.; Wang, Y.; Yang, H. MErging the Interface: Power, area and accuracy co-optimization for RRAM crossbar-based mixed-signal computing system. In Proceedings of the 52nd Annual Design Automation Conference, San Francisco, CA, USA, 7–11 June 2015. [Google Scholar] [CrossRef]
- Wang, F.; Zhang, M.; Wang, X.; Ma, X.; Liu, J. Deep Learning for Edge Computing Applications: A State-of-the-Art Survey. IEEE Access 2020, 8, 58322–58336. [Google Scholar] [CrossRef]
- Chen, J.; Ran, X. Deep Learning With Edge Computing: A Review. Proc. IEEE 2019, 107, 1655–1674. [Google Scholar] [CrossRef]
- Chen, Z.; Hu, J.; Chen, X.; Hu, J.; Zheng, X.; Min, G. Computation Offloading and Task Scheduling for DNN-Based Applications in Cloud-Edge Computing. IEEE Access 2020, 8, 115537–115547. [Google Scholar] [CrossRef]
- Singh, M.K.; Karthik, M.; Ramesh, P.; Rama Naidu, G. Deep Neural Network Inference via Edge Computing: On-Demand Accelerating. Adv. Transdiscipl. Eng. 2023, 32, 557–562. [Google Scholar] [CrossRef]
- Pham, K.V.; Nguyen, T.V.; Min, K.-S. Partial-Gated Memristor Crossbar for Fast and Power-Efficient Defect-Tolerant Training. Micromachines 2019, 10, 245. [Google Scholar] [CrossRef] [PubMed]
- Pham, K.V.; Tran, S.B.; Van Nguyen, T.; Min, K.S. Asymmetrical training scheme of binary-memristor-crossbar-based neural networks for energy-efficient edge-computing nanoscale systems. Micromachines 2019, 10, 141. [Google Scholar] [CrossRef] [PubMed]
- Gruslys, A.; Munos, R.; Danihelka, I.; Lanctot, M.; Graves, A. Memory-efficient backpropagation through time. Adv. Neural Inf. Process. Syst. 2016, 29, 4132–4140. [Google Scholar]
- Beaumont, O.; Herrmann, J.; Pallez, G.; Shilova, A. Optimal memory-aware backpropagation of deep join networks. Philos. Trans. R. Soc. A Math. Phys. Eng. Sci. 2020, 378, 20190049. [Google Scholar] [CrossRef]
- Kellman, M.; Zhang, K.; Markley, E.; Tamir, J.; Bostan, E.; Lustig, M.; Waller, L. Memory-Efficient Learning for Large-Scale Computational Imaging. IEEE Trans. Comput. Imaging 2020, 6, 1403–1414. [Google Scholar] [CrossRef]
- An, J.; Oh, S.; Van Nguyen, T.; Min, K.S. Synapse-Neuron-Aware Training Scheme of Defect-Tolerant Neural Networks with Defective Memristor Crossbars. Micromachines 2022, 13, 273. [Google Scholar] [CrossRef]
- Oh, S.; An, J.; Min, K. Neuron Deactivation Scheme for Defect-Tolerant Memristor Neural Networks. In Proceedings of the 2022 11th International Conference on Modern Circuits and Systems Technologies (MOCAST), Bremen, Germany, 8–10 June 2022; pp. 1–4. [Google Scholar] [CrossRef]
- Martin, E.; Ernoult, M.; Laydevant, J.; Li, S.; Querlioz, D.; Petrisor, T.; Grollier, J. EqSpike: Spike-driven equilibrium propagation for neuromorphic implementations. iScience 2021, 24, 102222. [Google Scholar] [CrossRef]
- Kim, T.; Hu, S.; Kim, J.; Kwak, J.Y.; Park, J.; Lee, S.; Kim, I.; Park, J.-K.; Jeong, Y. Spiking Neural Network (SNN) with Memristor Synapses Having Non-linear Weight Update. Front. Comput. Neurosci. 2021, 15, 22. Available online: https://www.frontiersin.org/article/10.3389/fncom.2021.646125 (accessed on 20 April 2023).
- Taylor, B.; Ramos, N.; Yeats, E.; Li, H. CMOS Implementation of Spiking Equilibrium Propagation for Real-Time Learning. In Proceedings of the 2022 IEEE 4th International Conference on Artificial Intelligence Circuits and Systems (AICAS), Incheon, Republic of Korea, 13–15 June 2022; pp. 283–286. [Google Scholar] [CrossRef]
- Zhang, T.; Jia, S.; Cheng, X.; Xu, B. Tuning Convolutional Spiking Neural Network With Biologically Plausible Reward Propagation. IEEE Trans. Neural Netw. Learn. Syst. 2022, 33, 7621–7631. [Google Scholar] [CrossRef] [PubMed]
- Nguyen, T.V.; Pham, K.V.; Min, K.S. Memristor-CMOS Hybrid Circuit for Temporal-Pooling of Sensory and Hippocampal Responses of Cortical Neurons. Materials 2019, 12, 875. [Google Scholar] [CrossRef] [PubMed]
- Kalbande, M.; Bhavsar, P. Performance Comparison of Deep Spiking CNN with Artificial Deep CNN for Image Classification Tasks. In Proceedings of the 2022 IEEE Region 10 Symposium (TENSYMP), Mumbai, India, 1–3 July 2022; pp. 1–6. [Google Scholar] [CrossRef]
- Nguyen, D.A.; Tran, X.T.; Iacopi, F. A review of algorithms and hardware implementations for spiking neural networks. J. Low Power Electron. Appl. 2021, 11, 23. [Google Scholar] [CrossRef]
- Scellier, B.; Bengio, Y. Equilibrium propagation: Bridging the gap between energy-based models and backpropagation. Front. Comput. Neurosci. 2017, 11, 24. [Google Scholar] [CrossRef]
- Ernoult, M.; Grollier, J.; Querlioz, D.; Bengio, Y.; Scellier, B. Equilibrium Propagation with Continual Weight Updates. arXiv 2020, arXiv:2005.04168. Available online: http://arxiv.org/abs/2005.04168 (accessed on 20 April 2023).
- Yi, S.; Kendall, J.D.; Williams, R.S.; Kumar, S. Activity-difference training of deep neural networks using memristor crossbars. Nat. Electron. 2023, 6, 45–51. [Google Scholar] [CrossRef]
- Scellier, B.; Mishra, S.; Bengio, Y.; Ollivier, Y. Agnostic Physics-Driven Deep Learning. arXiv 2022, arXiv:2205.15021. Available online: http://arxiv.org/abs/2205.15021 (accessed on 20 April 2023).
- Kendall, J.; Pantone, R.; Manickavasagam, K.; Bengio, Y.; Scellier, B. Training End-to-End Analog Neural Networks with Equilibrium Propagation. arXiv 2020, arXiv:2006.01981. Available online: http://arxiv.org/abs/2006.01981 (accessed on 20 April 2023).
- Zoppo, G.; Marrone, F.; Corinto, F. Equilibrium Propagation for Memristor-Based Recurrent Neural Networks. Front. Neurosci. 2020, 14, 240. [Google Scholar] [CrossRef]
- Hopfield, J.J. Neural networks and physical systems with emergent collective computational abilities. Proc. Natl. Acad. Sci. USA 1982, 79, 2554–2558. [Google Scholar] [CrossRef]
- Laborieux, A.; Ernoult, M.; Scellier, B.; Bengio, Y.; Grollier, J.; Querlioz, D. Scaling Equilibrium Propagation to Deep ConvNets by Drastically Reducing Its Gradient Estimator Bias. Front. Neurosci. 2021, 15, 633674. [Google Scholar] [CrossRef] [PubMed]
- Truong, S.N.; Van Pham, K.; Yang, W.; Shin, S.; Pedrotti, K.; Min, K.S. New pulse amplitude modulation for fine tuning of memristor synapses. Microelectronics J. 2016, 55, 162–168. [Google Scholar] [CrossRef]
- Suh, K.-D.; Suh, B.-H.; Lim, Y.-H.; Kim, J.-K.; Choi, Y.-J.; Koh, Y.-N.; Lee, S.-S.; Kwon, S.-C.; Choi, B.-S.; Yum, J.-S. A 3.3 V 32 Mb NAND flash memory with incremental step pulse programming scheme. IEEE J. Solid-State Circuits 1995, 30, 1149–1156. [Google Scholar]
- Jang, J.T.; Ko, D.; Ahn, G.; Yu, H.R.; Jung, H.; Kim, Y.S.; Yoon, C.; Lee, S.; Park, B.H.; Choi, S.-J. Effect of oxygen content of the LaAlO3 layer on the synaptic behavior of Pt/LaAlO3/Nb-doped SrTiO3 memristors for neuromorphic applications. Solid. State. Electron. 2018, 140, 139–143. [Google Scholar] [CrossRef]
- Nguyen, T.V.; An, J.; Min, K.S. Memristor-CMOS Hybrid Neuron Circuit with Nonideal-Effect Correction Related to Parasitic Resistance for Binary-Memristor-Crossbar Neural Networks. Micromachines 2021, 12, 791. [Google Scholar] [CrossRef] [PubMed]
- LeCun, Y.; Cortes, C.; Burges, C. The MNIST Dataset of Handwritten Digits (Images); NYU: New York, NY, USA, 1999. [Google Scholar]
- Li, C.; Hu, M.; Li, Y.; Jiang, H.; Ge, N.; Montgomery, E.; Zhang, J.; Song, W.; Dávila, N.; Graves, C.E. Analogue signal and image processing with large memristor crossbars. Nat. Electron. 2018, 1, 52–59. [Google Scholar] [CrossRef]
- Rao, M.; Tang, H.; Wu, J.; Song, W.; Zhang, M.; Yin, W.; Zhuo, Y.; Kiani, F.; Chen, B.; Jiang, X.; et al. Thousands of conductance levels in memristors integrated on CMOS. Nature 2023, 615, 823–829. [Google Scholar] [CrossRef]





Disclaimer/Publisher’s Note: The statements, opinions and data contained in all publications are solely those of the individual author(s) and contributor(s) and not of MDPI and/or the editor(s). MDPI and/or the editor(s) disclaim responsibility for any injury to people or property resulting from any ideas, methods, instructions or products referred to in the content. |
© 2023 by the authors. Licensee MDPI, Basel, Switzerland. This article is an open access article distributed under the terms and conditions of the Creative Commons Attribution (CC BY) license (https://creativecommons.org/licenses/by/4.0/).
Share and Cite
Oh, S.; An, J.; Cho, S.; Yoon, R.; Min, K.-S. Memristor Crossbar Circuits Implementing Equilibrium Propagation for On-Device Learning. Micromachines 2023, 14, 1367. https://doi.org/10.3390/mi14071367
Oh S, An J, Cho S, Yoon R, Min K-S. Memristor Crossbar Circuits Implementing Equilibrium Propagation for On-Device Learning. Micromachines. 2023; 14(7):1367. https://doi.org/10.3390/mi14071367
Chicago/Turabian StyleOh, Seokjin, Jiyong An, Seungmyeong Cho, Rina Yoon, and Kyeong-Sik Min. 2023. "Memristor Crossbar Circuits Implementing Equilibrium Propagation for On-Device Learning" Micromachines 14, no. 7: 1367. https://doi.org/10.3390/mi14071367
APA StyleOh, S., An, J., Cho, S., Yoon, R., & Min, K.-S. (2023). Memristor Crossbar Circuits Implementing Equilibrium Propagation for On-Device Learning. Micromachines, 14(7), 1367. https://doi.org/10.3390/mi14071367

