Exploring Microphone Technologies for Digital Auscultation Devices
Abstract
:1. Introduction
2. Materials and Methods
2.1. Microphones
2.1.1. Piezoelectric Diaphragms 7BB-35-3L0
2.1.2. Electret Condenser Primo EM272Z1
2.1.3. Analog MEMS MP23ABS1
2.1.4. Digital MEMS IMP34DT05
2.2. Gold Standard
2.2.1. Thinklabs One
- Audio transmission: mm audio jack;
- Audio amplification: 40 dB;
- Audio filters: Five selectable bandpass filters;
- Display: Volume, filter, battery;
- Power supply: 5 V DC (compatible for USB charging)—internal lithium-ion battery;
- Battery life: 4 h;
- Dimensions: 46 mm × 28 mm;
- Weight: 50 g.
- 1.
- 30–500 Hz: heart sounds, especially S3;
- 2.
- 60–500 Hz: heart sounds, whether filter 1 is too intense;
- 3.
- 80–500 Hz: lung sounds and heart valve clicks, S2 splits;
- 4.
- 100–1000 Hz: lung sounds;
- 5.
- 20–2000 Hz: wideband mode.
2.2.2. eKuore
- Audio transmission: Wireless IEEE 802.11b/g and mm audio jack;
- Audio amplification: 10 dB;
- Audio filters: three selectable bandpass filters;
- Display: Volume, filter, and battery;
- Power supply: 5 V DC (compatible for USB charging)—internal lithium-ion battery;
- Battery life: 7 h;
- Dimensions: 130 mm × 50 mm × 30 mm (W × D × H);
- Weight: 85 g.
- 1.
- 50–150 Hz: cardiac mode;
- 2.
- 50–500 Hz: lung mode;
- 3.
- 40–600 Hz: wide mode.
2.3. Chestpiece
2.4. Electronic Prototype
- The “Data acquisition and transmission board” hosts the Microcontroller Unit for data acquisition features and acts as a USB PC peripheral for data transfer to a personal computer for data postprocessing.The main component, an STM32 MCU, is a high-performance STM32L552RE, which integrates an ARM Cortex-M33 core operating at a frequency of up to 110 MHz, with a single-precision floating point unit, a digital signal processing instruction set, 256 KiB of SRAM, and 512 KiB of flash memory. It embeds two fast ( 5 Mbps) 12-bit analog-to-digital converters (ADC), four digital filters for external sigma delta modulators (a digital filter for a sigma-delta modulator peripheral—DFSDM), and various communication interfaces: full-speed USB, SPI, UART, etc.
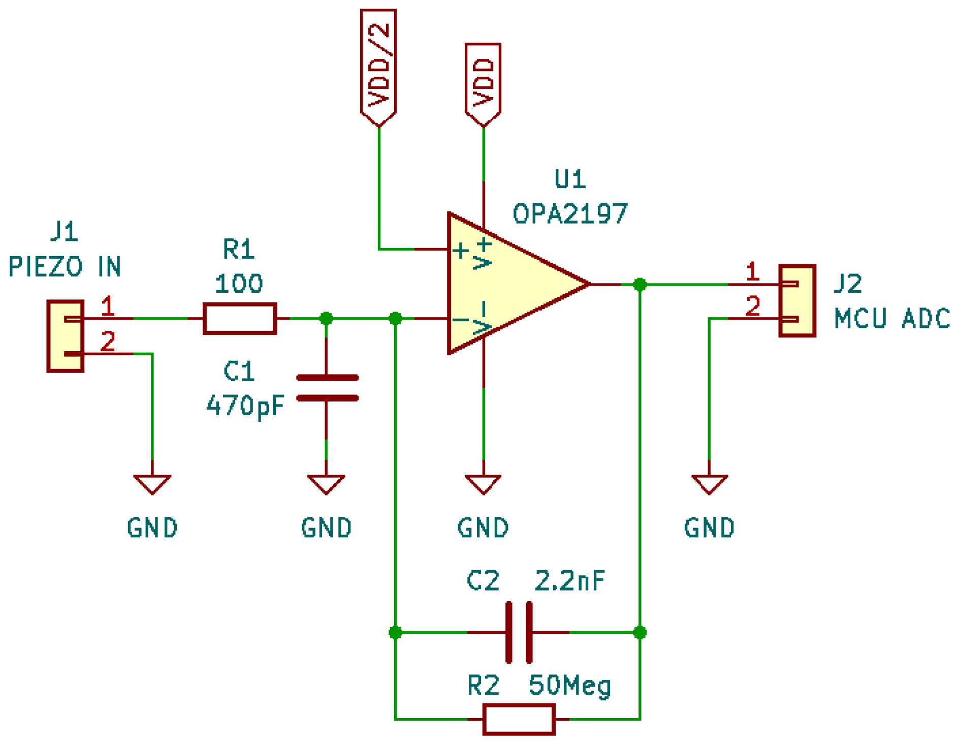
- The “Piezoelectric preamplifier board” is the interface for piezoelectric diaphragms; it embeds two precision dual-channel operational amplifiers (op-amp) in an inverted configuration, with an overall gain of around 22 dB in around the 1 Hz- 20 KHz band and a noise voltage level of 12 V.
- The “Analog preamplifier board” is suitable for MEMSs and condenser analog microphones.As the “Piezoelectric preamplifier board”, it is based on OPA2197 but with a different configuration: a non-inverting circuit with resistive feedback. The gain is around 23 dB in a frequency band of 1 Hz–20 KHz. The schematic is shown in Figure 14;
- The main features are listed here:
- Audio transmission: Full–speed USB;
- Audio amplification: 22–23 dB;
- Audio filters: Custom on MATLAB;
- Power supply: 5 V DC;
- Dimensions: 40 mm × 48 mm × 25 mm (W × D × H).
2.5. Setup
- Piezoelectric Diaphragm 7BB-35-3L0: “Data acquisition and transmission board” and “Piezoelectric preamplifier board”, with firmware for the ADC input.
- Electret Condenser Primo EM272Z1 and analog MEMS MP23ABS1: “Data acquisition and transmission board” and “Analog preamplifier board”, with firmware for the ADC input.
- Digital MEMS IMP34DT05: “Data acquisition and transmission board”, with firmware for DFSDM.
3. Results
- Band 1: 8–100 Hz: related to mechanical cardiac events and containing information about valve functionalities and cardiac muscle contractility [48].
- Band 2: 20–1000 Hz: related to the opening and closing of the heart valves, along with the pumping of blood into the arteries and veins [49].
- Band 3: 20–200 Hz: heart sounds [49].
- Band 4: <100 Hz: seismocardiography, defined as the micromovements of the chest wall, in response to the pumping of blood with every heartbeat [50].
- In the plots, the spectrum for each mic or commercial stethoscope is displayed, labeled as
- “EMic_bChp”: Electret Condenser EM272Z1, with chestpiece size “big”;
- “EMic_sChp”: Electret Condenser EM272Z1, with chestpiece size “small”;
- “Man_bChp”: analog MEMS MP23ABS1, with chestpiece size “big”;
- “Man_sChp”: analog MEMS MP23ABS1, with chestpiece size “small”;
- “Mdig_bChp”: digital MEMS IMP34DT05, with chestpiece size “big”;
- “Mdig_sChp”: digital MEMS IMP34DT05, with chestpiece size “small”;
- “PiezoDiaph”: Piezoelectric Diaphragms 7BB-35-3L0;
- “TOne”: gold standard digital stethoscope: Thinklabs One;
- “eKuore”: gold standard digital stethoscope: eKuore.
4. Conclusions
Author Contributions
Funding
Data Availability Statement
Conflicts of Interest
Abbreviations
| MEMS | Micro-Electro-Mechanical Systems |
| SNR | Signal-to-Noise Ratio |
| AOP | Acoustic Overload Point |
| SPL | Sound Pressure Level |
| PDM | Pulse Density Modulation |
| ADC | Analog-to-Digital Converter |
| OP-AMP | Operational Amplifier |
| PSD | Power Spectral Density |
| RMS | Root Mean Square |
References
- Sarkar, M.; Madabhavi, I.; Niranjan, N.; Dogra, M. Auscultation of the respiratory system. Ann. Thorac. Med. 2015, 10, 158. [Google Scholar] [CrossRef]
- Voin, V.; Oskouian, R.J.; Loukas, M.; Tubbs, R.S. Auscultation of the heart: The basics with anatomical correlation. Clin. Anat. 2017, 30, 58–60. [Google Scholar] [CrossRef]
- Chowdhury, M.E.; Khandakar, A.; Alzoubi, K.; Mansoor, S.; Tahir, A.M.; Reaz, M.B.I.; Al-Emadi, N. Real-time smart-digital stethoscope system for heart diseases monitoring. Sensors 2019, 19, 2781. [Google Scholar] [CrossRef] [PubMed]
- Rangayyan, R.M. Biomedical Signal Analysis; John Wiley & Sons: Hoboken, NJ, USA, 2015. [Google Scholar]
- Varghees, V.N.; Ramachandran, K. A novel heart sound activity detection framework for automated heart sound analysis. Biomed. Signal Process. Control. 2014, 13, 174–188. [Google Scholar] [CrossRef]
- Bohadana, A.; Izbicki, G.; Kraman, S.S. Fundamentals of lung auscultation. N. Engl. J. Med. 2014, 370, 744–751. [Google Scholar] [CrossRef] [PubMed]
- Dalmay, F.; Antonini, M.; Marquet, P.; Menier, R. Acoustic properties of the normal chest. Eur. Respir. J. 1995, 8, 1761–1769. [Google Scholar] [CrossRef]
- Kreikemeier, S.; Margolf-Hackl, S.; Raether, J.; Fichtl, E.; Kiessling, J. Comparison of different directional microphone technologies for moderate-to-severe hearing loss. Hear. Rev. 2013, 20, 44–45. [Google Scholar]
- Teague, C.N.; Hersek, S.; Töreyin, H.; Millard-Stafford, M.L.; Jones, M.L.; Kogler, G.F.; Sawka, M.N.; Inan, O.T. Novel methods for sensing acoustical emissions from the knee for wearable joint health assessment. IEEE Trans. Biomed. Eng. 2016, 63, 1581–1590. [Google Scholar] [CrossRef] [PubMed]
- Askenfelt, A.; Gauffin, J.; Sundberg, J.; Kitzing, P. A comparison of contact microphone and electroglottograph for the measurement of vocal fundamental frequency. J. Speech Lang. Hear. Res. 1980, 23, 258–273. [Google Scholar] [CrossRef] [PubMed]
- Carullo, A.; Casassa, F.; Castellana, A.; Astolfi, A.; Pavese, L.; Puglisi, G.E. Performance comparison of different contact microphones used for voice monitoring. In Proceedings of the International Congress on Sound and Vibration, Florence, Italy, 12–16 July 2015; Volume 22, pp. 12–16. [Google Scholar]
- Loeppert, P.V.; Lee, S.B. SiSonicTM-The first commercialized MEMS microphone. In Proceedings of the Solid-State Sensors, Actuators, and Microsystems Workshop, Hilton Head Island, SC, USA, 4–8 June 2006; pp. 27–30. [Google Scholar]
- Anumukonda, M.; Ramasahayam, S.; Raju, L.P.; Chowdhury, S.R. Detection of cardio auscultation using MEMS microphone. In Proceedings of the 2015 9th International Conference on Sensing Technology (ICST), Auckland, New Zealand, 8–10 December 2015; pp. 173–177. [Google Scholar]
- Kusainov, R.K.; Makukha, V.K. Evaluation of the applicability of MEMS microphone for auscultation. In Proceedings of the 2015 16th International Conference of Young Specialists on Micro/Nanotechnologies and Electron Devices, Erlagol, Russia, 29 June–3 July 2015; pp. 595–597. [Google Scholar]
- Klum, M.; Leib, F.; Oberschelp, C.; Martens, D.; Pielmus, A.G.; Tigges, T.; Penzel, T.; Orglmeister, R. Wearable multimodal stethoscope patch for wireless biosignal acquisition and long-term auscultation. In Proceedings of the 2019 41st Annual International Conference of the IEEE Engineering in Medicine and Biology Society (EMBC), Berlin, Germany, 23–27 July 2019; pp. 5781–5785. [Google Scholar]
- Lee, S.H.; Kim, Y.S.; Yeo, M.K.; Mahmood, M.; Zavanelli, N.; Chung, C.; Heo, J.Y.; Kim, Y.; Jung, S.S.; Yeo, W.H. Fully portable continuous real-time auscultation with a soft wearable stethoscope designed for automated disease diagnosis. Sci. Adv. 2022, 8, eabo5867. [Google Scholar] [CrossRef] [PubMed]
- Murata. Piezoelectric Diaphragms. 2023. Available online: https://www.murata.com/en-global/products/sound/diaphragm (accessed on 28 February 2023).
- Yasuno, Y.; Riko, Y. A chronological review of production and applications of electret condenser microphone for consumer use. In Proceedings of the 8th International Symposium on Electrets (ISE 8), Paris, France, 7–9 September 1994; pp. 943–948. [Google Scholar]
- Lewis, J. Analog and digital MEMS microphone design considerations. In Technical Article MS-2472; Analog Devices: Wilmington, MA, USA, 2013. [Google Scholar]
- Lee, S.H.; Kim, Y.S.; Yeo, W.H. Advances in microsensors and wearable bioelectronics for digital stethoscopes in health monitoring and disease diagnosis. Adv. Healthc. Mater. 2021, 10, 2101400. [Google Scholar] [CrossRef] [PubMed]
- Swarup, S.; Makaryus, A.N. Digital stethoscope: Technology update. Med. Devices Evid. Res. 2018, 11, 29–36. [Google Scholar] [CrossRef] [PubMed]
- Lakhe, A.; Sodhi, I.; Warrier, J.; Sinha, V. Development of digital stethoscope for telemedicine. J. Med. Eng. Technol. 2016, 40, 20–24. [Google Scholar] [CrossRef] [PubMed]
- McLane, I.; Emmanouilidou, D.; West, J.E.; Elhilali, M. Design and comparative performance of a robust lung auscultation system for noisy clinical settings. IEEE J. Biomed. Health Inform. 2021, 25, 2583–2594. [Google Scholar] [CrossRef]
- Shi, P.; Li, Y.; Zhang, W.; Zhang, G.; Cui, J.; Wang, S.; Wang, B. Design and Implementation of Bionic MEMS Electronic Heart Sound Stethoscope. IEEE Sensors J. 2021, 22, 1163–1172. [Google Scholar] [CrossRef]
- eKuore. User Manual eKuore. 2023. Available online: https://drive.google.com/file/d/1B9inPIaAhtvIg8ITtR9AZKS1qFb87j46/view (accessed on 1 April 2023).
- Thinklabs. User Manual ThinklabsOne. 2023. Available online: https://www.thinklabs.com/_files/ugd/51509e_21101c5aaa294c49a519d6897ad1332a.pdf (accessed on 1 April 2023).
- Ramanathan, A.; Zhou, L.; Marzbanrad, F.; Roseby, R.; Tan, K.; Kevat, A.; Malhotra, A. Digital stethoscopes in paediatric medicine. Acta Paediatr. 2019, 108, 814–822. [Google Scholar] [CrossRef]
- Graceffo, S.; Husain, A.; Ahmed, S.; McCollum, E.D.; Elhilali, M. Validation of auscultation technologies using objective and clinical comparisons. In Proceedings of the 2020 42nd Annual International Conference of the IEEE Engineering in Medicine & Biology Society (EMBC), Montreal, QC, Canada, 20–24 July 2020; pp. 992–997. [Google Scholar]
- Rennoll, V.; McLane, I.; Elhilali, M.; West, J.E. Optimized Acoustic Phantom Design for Characterizing Body Sound Sensors. Sensors 2022, 22, 9086. [Google Scholar] [CrossRef]
- Drzewiecki, G.; Katta, H.; Pfahnl, A.; Bello, D.; Dicken, D. Active and passive stethoscope frequency transfer functions: Electronic stethoscope frequency response. In Proceedings of the 2014 IEEE Signal Processing in Medicine and Biology Symposium (SPMB), Philadelphia, PA, USA, 13 December 2014; pp. 1–4. [Google Scholar]
- Weiss, D.; Erie, C.; Butera, J., III; Copt, R.; Yeaw, G.; Harpster, M.; Hughes, J.; Salem, D.N. An in vitro acoustic analysis and comparison of popular stethoscopes. Med. Devices Evid. Res. 2019, 12, 41–52. [Google Scholar] [CrossRef]
- Watrous, R.; Grove, D.; Bowen, D. Methods and results in characterizing electronic stethoscopes. In Proceedings of the Computers in Cardiology, Memphis, TN, USA, 22–25 September 2002; pp. 653–656. [Google Scholar]
- Murata. Murata 7BB-35-3L0 Datasheet. Available online: https://www.murata.com/en-eu/api/pdfdownloadapi?cate=&partno=7BB-35-3L0 (accessed on 3 September 2023).
- Primo. Primo High Sensitivity Electret Condenser Microphone Datasheet. Available online: https://micbooster.com/datasheets/EM272Z1.pdf (accessed on 3 September 2023).
- STMicroelectronics. STMicroelectronics MP23ABS1 Datasheet. Available online: https://www.st.com/resource/en/datasheet/mp23abs1.pdf (accessed on 3 September 2023).
- STMicroelectronics. STMicroelectronics IMP34DT05 Datasheet. Available online: https://www.st.com/resource/en/datasheet/imp34dt05.pdf (accessed on 3 September 2023).
- Lewis, J. Understanding Microphone Sensitivity. Available online: https://www.analog.com/en/analog-dialogue/articles/understanding-microphone-sensitivity.html (accessed on 15 February 2023).
- Takahashi, K.; Ono, K.; Arai, H.; Adachi, H.; Ito, M.; Kato, A.; Takahashi, T. Detection of pathologic heart murmurs using a piezoelectric sensor. Sensors 2021, 21, 1376. [Google Scholar] [CrossRef]
- Makarenkova, A.; Poreva, A.; Slozko, M. Efficiency evaluation of electroacoustic sensors for auscultation devices of human body life-activity sounds. In Proceedings of the 2017 IEEE First Ukraine Conference on Electrical and Computer Engineering (UKRCON), Kyiv, UKraine, 29 May–2 June 2017; pp. 310–313. [Google Scholar]
- Stethoscopesweb. What Are The Parts Of A Stethoscope. 2023. Available online: https://www.excel-medical.com/what-are-the-parts-of-a-stethoscope/ (accessed on 30 January 2023).
- Autodesk. Free Web App for 3D Design, Electronics, and Coding. 2023. Available online: https://www.tinkercad.com/ (accessed on 8 February 2023).
- Littmann. 3M Littmann Stethoscope Spare Parts Kit Classic III Cardiology IV and CORE, 40016, Black, 10 Kit/Case. 2023. Available online: https://www.littmann.com/3M/en_US/littmann-stethoscopes/products/~/3M-Littmann-Stethoscope-Spare-Parts-Kit-Classic-III-Cardiology-IV-and-CORE-40016-Black-10-Kit-Case/?N=5142935+8711017+3290598392&rt=rud (accessed on 8 February 2023).
- Instruments, T. OPAx197 36-V, Precision, Rail-to-Rail Input/Output, Low Offset Voltage, Operational Amplifiers. Available online: https://www.ti.com/lit/ds/symlink/opa2197.pdf?ts=1675935297682&ref_url=https (accessed on 9 February 2023).
- Celik, N.; Gagarin, R.; Huang, G.C.; Iskander, M.F.; Berg, B.W. Microwave stethoscope: Development and benchmarking of a vital signs sensor using computer-controlled phantoms and human studies. IEEE Trans. Biomed. Eng. 2013, 61, 2341–2349. [Google Scholar] [CrossRef]
- Klum, M.; Stehling, J.; Pielmus, A.; Tigges, T.; Orglmeister, R. Validation System for Digital Stethoscopes. Curr. Dir. Biomed. Eng. 2019, 5, 261–264. [Google Scholar] [CrossRef]
- Bands, B.R. Sizing Chart. 2023. Available online: https://www.bouncerubberbands.com/sizing-chart/ (accessed on 5 April 2023).
- RCF. RDNet 4—RCF Sound System Management and Control Software. 2023. Available online: https://www.rcf.it/it/products/product-detail/rdnet (accessed on 1 April 2023).
- Taebi, A.; Solar, B.E.; Bomar, A.J.; Sandler, R.H.; Mansy, H.A. Recent advances in seismocardiography. Vibration 2019, 2, 64–86. [Google Scholar] [CrossRef]
- Gupta, P.; Moghimi, M.J.; Jeong, Y.; Gupta, D.; Inan, O.T.; Ayazi, F. Precision wearable accelerometer contact microphones for longitudinal monitoring of mechano-acoustic cardiopulmonary signals. NPJ Digit. Med. 2020, 3, 19. [Google Scholar] [CrossRef] [PubMed]
- Pandia, K.; Inan, O.T.; Kovacs, G.T. A frequency domain analysis of respiratory variations in the seismocardiogram signal. In Proceedings of the 2013 35th Annual International Conference of the IEEE Engineering in Medicine and Biology Society (EMBC), Osaka, Japan, 3–7 July 2013; pp. 6881–6884. [Google Scholar]
- Hatziantoniou, P.D.; Mourjopoulos, J.N. Generalized fractional-octave smoothing of audio and acoustic responses. J. Audio Eng. Soc. 2000, 48, 259–280. [Google Scholar]
- Hummersone, C. 1/N-Octave Smoothing. 2023. Available online: https://it.mathworks.com/matlabcentral/fileexchange/55161-1-n-octave-smoothing (accessed on 3 March 2023).























| Model | Manufacturer | Technology | Size [mm] | SNR [dBA] | Sensitivity | AOP [dB SPL] |
|---|---|---|---|---|---|---|
| 7BB-35-3L0 [33] | Murata | Piezoelectric diaphragms | 35 Ø | - | - | - |
| EM272Z1 [34] | Primo | Electret Condenser | 10 Ø × 4.5 | 80 1 | −28 ±3 dBV 2,3 | 119 |
| MP23ABS1 [35] | STM | Analog MEMS | 3.5 × 2.65 × 0.98 | 64 1 | −38 ±1 dBV 3 | 130 |
| IMP34DT05 [36] | STM | Digital MEMS | 3 × 4 × 1 | 64 1 | −26 ±3 dBFS 4 | 122.5 |
| EMic_bChp | EMic_sChp | Man_bChp | Man_sChp | Mdig_bChp | Mdig_sChp | PiezoDiaph | TOne | eKuore | |
|---|---|---|---|---|---|---|---|---|---|
| P1 | 1198 | 1099 | 1118 | 3996 | 3008 | 1298 | 2937 | 705 | 633 |
| P2 | 1192 | 1007 | 1074 | 4173 | 2808 | 1068 | 2886 | 663 | 618 |
| EMic_bChp | EMic_sChp | Man_bChp | Man_sChp | Mdig_bChp | Mdig_sChp | PiezoDiaph | TOne | eKuore | |
|---|---|---|---|---|---|---|---|---|---|
| P1 | 11.37 | 9.14 | 13.52 | 8.14 | 15.99 | 7.38 | 6.64 | 13.65 | 11.80 |
| P2 | 9.14 | 4.21 | 4.18 | 4.17 | 9.67 | 7.64 | 7.01 | 16.10 | 11.92 |
Disclaimer/Publisher’s Note: The statements, opinions and data contained in all publications are solely those of the individual author(s) and contributor(s) and not of MDPI and/or the editor(s). MDPI and/or the editor(s) disclaim responsibility for any injury to people or property resulting from any ideas, methods, instructions or products referred to in the content. |
© 2023 by the authors. Licensee MDPI, Basel, Switzerland. This article is an open access article distributed under the terms and conditions of the Creative Commons Attribution (CC BY) license (https://creativecommons.org/licenses/by/4.0/).
Share and Cite
Zauli, M.; Peppi, L.M.; Di Bonaventura, L.; Arcobelli, V.A.; Spadotto, A.; Diemberger, I.; Coppola, V.; Mellone, S.; De Marchi, L. Exploring Microphone Technologies for Digital Auscultation Devices. Micromachines 2023, 14, 2092. https://doi.org/10.3390/mi14112092
Zauli M, Peppi LM, Di Bonaventura L, Arcobelli VA, Spadotto A, Diemberger I, Coppola V, Mellone S, De Marchi L. Exploring Microphone Technologies for Digital Auscultation Devices. Micromachines. 2023; 14(11):2092. https://doi.org/10.3390/mi14112092
Chicago/Turabian StyleZauli, Matteo, Lorenzo Mistral Peppi, Luca Di Bonaventura, Valerio Antonio Arcobelli, Alberto Spadotto, Igor Diemberger, Valerio Coppola, Sabato Mellone, and Luca De Marchi. 2023. "Exploring Microphone Technologies for Digital Auscultation Devices" Micromachines 14, no. 11: 2092. https://doi.org/10.3390/mi14112092
APA StyleZauli, M., Peppi, L. M., Di Bonaventura, L., Arcobelli, V. A., Spadotto, A., Diemberger, I., Coppola, V., Mellone, S., & De Marchi, L. (2023). Exploring Microphone Technologies for Digital Auscultation Devices. Micromachines, 14(11), 2092. https://doi.org/10.3390/mi14112092

