The Design of a 1–6 GHz Broadband Double-Balanced Mixer
Abstract
:1. Introduction
2. Principle Design
2.1. Typical Marchand Balun Principle Circuit
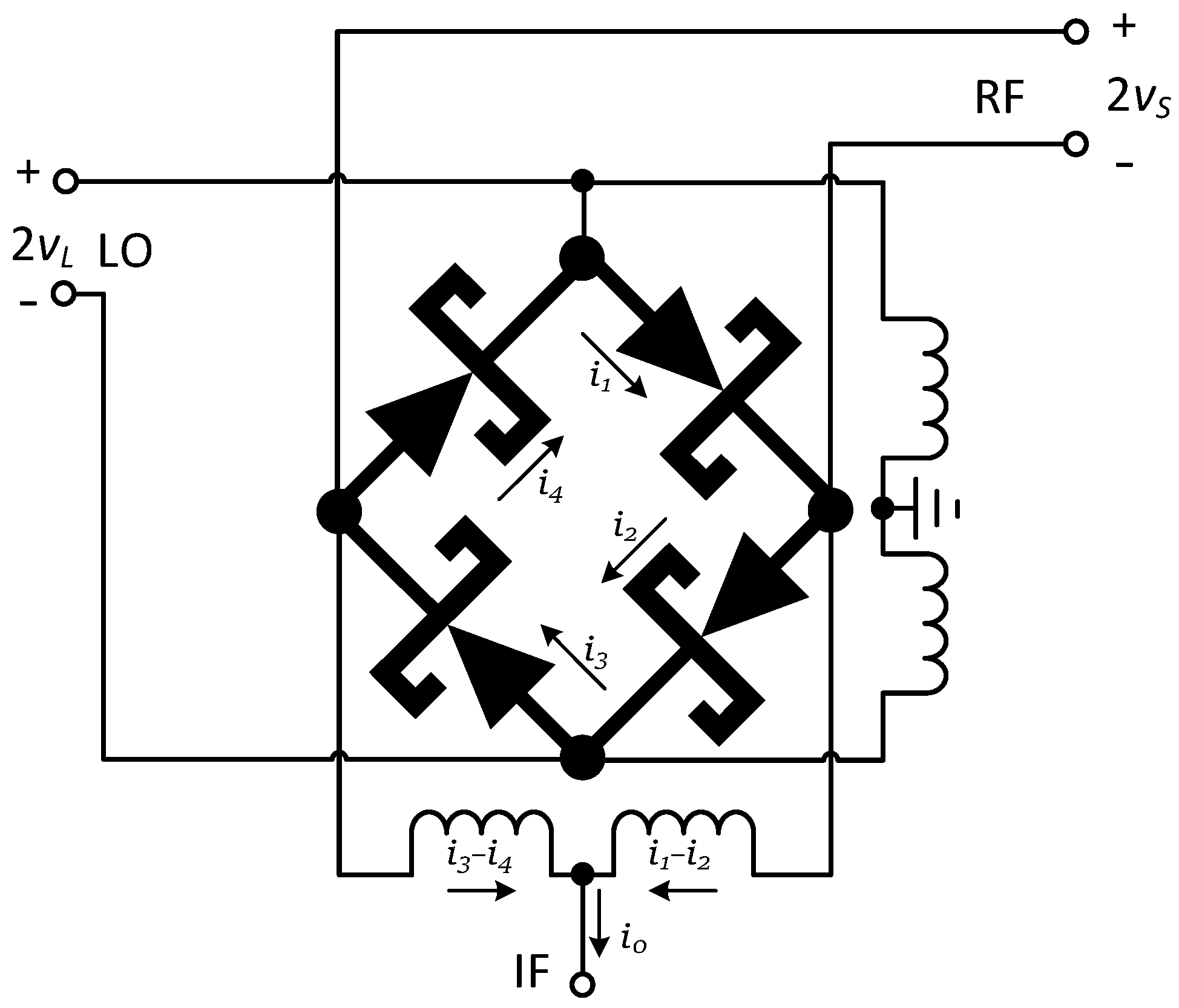
2.2. Principle of Double-Balanced Mixer
3. Circuit Design
3.1. Designing Process
3.1.1. The Design of the Balun
3.1.2. The Design of the Mixer
3.2. Final Layout
4. Experimental Section
4.1. Experimental Platform
4.2. Experimental Results
5. Conclusions
Author Contributions
Funding
Data Availability Statement
Conflicts of Interest
References
- Zhou, C.-Y. 0.7~7.7 GHz UWB Microwave Integrated Double Balanced Mixer. In Electronic Measurement Technology; China Academic Journal Electronic Publishing House: Beijing, China, 1990. [Google Scholar]
- Zhang, B.; Huang, Q.; Wu, H.-Q. Broadband High Linearity High Isolation Passive Double Balanced Mixer. Electron. Compon. Mater. Electron. Compon. Mater. 2022, 41, 423–428. [Google Scholar]
- Wang, G.-D.; Fan, J.-S. A GaAs PHEMT ultra-wideband passive double-balanced mixer MMIC. In Semiconductor Integrated Circuits in China; China Academic Journal Electronic Publishing House: Beijing, China, 2021. [Google Scholar]
- Yao, L.; Zhu, X.-W. A 2.8~6 GHz Monolithic Double Balanced Passive Mixer. J. Microw. China 2019, 6, 26–30. [Google Scholar]
- Li, Z.; Dai, X.; Wei, L.; Sun, J.; Liu, J. Design of a Ka-band double balance mixer based on the marchand balun. In Proceedings of the 2015 IEEE 12th International Conference on Electronic Measurement & Instruments, Qingdao, China, 16–18 July 2015. [Google Scholar]
- Lee, S.; Kim, H.-T.; Kim, S.; Kwon, Y.; Seo, K.-S. A wideband MMIC-compatible balun using offset broadside air-gap coupling. IEEE Microw. Wirel. Components Lett. 2004, 14, 92–93. [Google Scholar]
- Lee, Y.-C.; Lin, C.-M.; Hung, S.-H.; Su, C.-C.; Wang, Y.-H. A broadband doubly balanced monolithic ring mixer with a compact intermediate frequency (if) extraction. Prog. Electromagn. Res. Lett. 2011, 20, 175–184. [Google Scholar] [CrossRef]
- Mongia, R.K.; Bahl, I.J.; Bhartia, P.; Hong, J. RF and Microwave Coupled-Line Circuits; Artech House, Inc.: Norwood, MA, USA, 2007. [Google Scholar]
- Fathelbab, W.M.; Steer, M.B. New Classes of Miniaturized Planar Marchand Baluns. IEEE Trans. Microw. Theory Tech. 2005, 53, 1211–1220. [Google Scholar] [CrossRef]
- Ang, K.S.; Robertson, I. Analysis and design of impedance-transforming planar Marchand baluns. IEEE Trans. Microw. Theory Tech. 2001, 49, 402–406. [Google Scholar]
- Zhou, F.; Guo, L.; Bai, R.; Wang, D. Design of Planar Wideband Balun Model. J. Phys. Conf. Ser. 2021, 1750, 012036. [Google Scholar] [CrossRef]
- Kara-Omar, A.; Dragomirescu, D.; Coustou, A.; Plana, R. Low Power Ultra Wideband Up-Conversion Mixer in CMOS 0.13 μm Technology. In Proceedings of the Mediterranean Electro-Technical Conference, Valletta, Malta, 26–28 April 2010; pp. 1050–1055. [Google Scholar]
- Jeong, J.-C.; Yom, I.-B.; Yeom, K.-W. An Active IF Balun for a Doubly Balanced Resistive Mixer. IEEE Microw. Wirel. Components Lett. 2009, 19, 224–226. [Google Scholar] [CrossRef]
- Kim, T.Y.; Lee, M.J.; Lee, J.C. A Study on Optimization of LO Power for Improving Linearity in MMIC Double Balanced Mixer. J. Korea Inst. Intell. Transp. Syst. 2016, 15, 143–152. [Google Scholar] [CrossRef]




















| RF Input Power (dBm) | IF Output Power (dBm) | Conversion Loss (dB) |
|---|---|---|
| −20.0 | −30.43 | −10.43 (linear) |
| 13.54 | 2.1 | −11.44 (at_P1dB) |
| [13] | [7] | [14] | [4] | [3] | [2] | This Work * | |
|---|---|---|---|---|---|---|---|
| Year | 2009 | 2011 | 2016 | 2019 | 2021 | 2022 | 2023 |
| Tech. | Marchand single ring | Marchand single ring | Marchand single ring | Marchand single ring | Novel Marchand ring | Marchand double ring | Marchand single ring |
| Frequency (GHz) | 8~20 | 11~40 | 1.5~3 | 2.8~6 | 2~22 | 1.5~5 | 1~6 |
| RBW | 0.86 | 1.14 | 0.67 | 0.73 | 1.67 | 1.08 | 1.43 |
| IL (dB) | 5~11 | 11 | 10.4 | 8 | 11.5 | 7 | 10.1 |
| IP1dB (dBm) | 0~4 | 12 | 16 | 10 | 11 | 10 | 13.5 |
| RF-to-LO isolation (dB) | 35 | 26.9 | 40.9 | 40 | 37 | 40 | 34 |
| LO-to-IF isolation (dB) | 32 | 43.2 | 35 | 45 | 20 | 42 | 34 |
| Chip area (mm2) | 1.7 × 1.8 | 0.85 × 0.85 | ≈1 | 1.4 × 1.1 | 1.7 × 1 | 1.6 × 1.6 | 1.13 × 0.95 |
| FoM | 0.15 | 1.20 | 0.77 | 0.50 | 0.53 | 0.49 | 1.21 |
Disclaimer/Publisher’s Note: The statements, opinions and data contained in all publications are solely those of the individual author(s) and contributor(s) and not of MDPI and/or the editor(s). MDPI and/or the editor(s) disclaim responsibility for any injury to people or property resulting from any ideas, methods, instructions or products referred to in the content. |
© 2023 by the authors. Licensee MDPI, Basel, Switzerland. This article is an open access article distributed under the terms and conditions of the Creative Commons Attribution (CC BY) license (https://creativecommons.org/licenses/by/4.0/).
Share and Cite
Wang, Y.; Tian, J.; Wang, B.; Wan, L.; Jin, Z. The Design of a 1–6 GHz Broadband Double-Balanced Mixer. Micromachines 2023, 14, 2069. https://doi.org/10.3390/mi14112069
Wang Y, Tian J, Wang B, Wan L, Jin Z. The Design of a 1–6 GHz Broadband Double-Balanced Mixer. Micromachines. 2023; 14(11):2069. https://doi.org/10.3390/mi14112069
Chicago/Turabian StyleWang, Yujun, Jianglai Tian, Bo Wang, Lixi Wan, and Zhi Jin. 2023. "The Design of a 1–6 GHz Broadband Double-Balanced Mixer" Micromachines 14, no. 11: 2069. https://doi.org/10.3390/mi14112069
APA StyleWang, Y., Tian, J., Wang, B., Wan, L., & Jin, Z. (2023). The Design of a 1–6 GHz Broadband Double-Balanced Mixer. Micromachines, 14(11), 2069. https://doi.org/10.3390/mi14112069

