A Novel Synthesis of Quasi-Chebyshev Ultra-Wideband Bandpass Filter Using Nth Order Stub Loaded Coupled-Line Resonator
Abstract
:1. Introduction
2. Proposed Synthesis for UWB-BPF
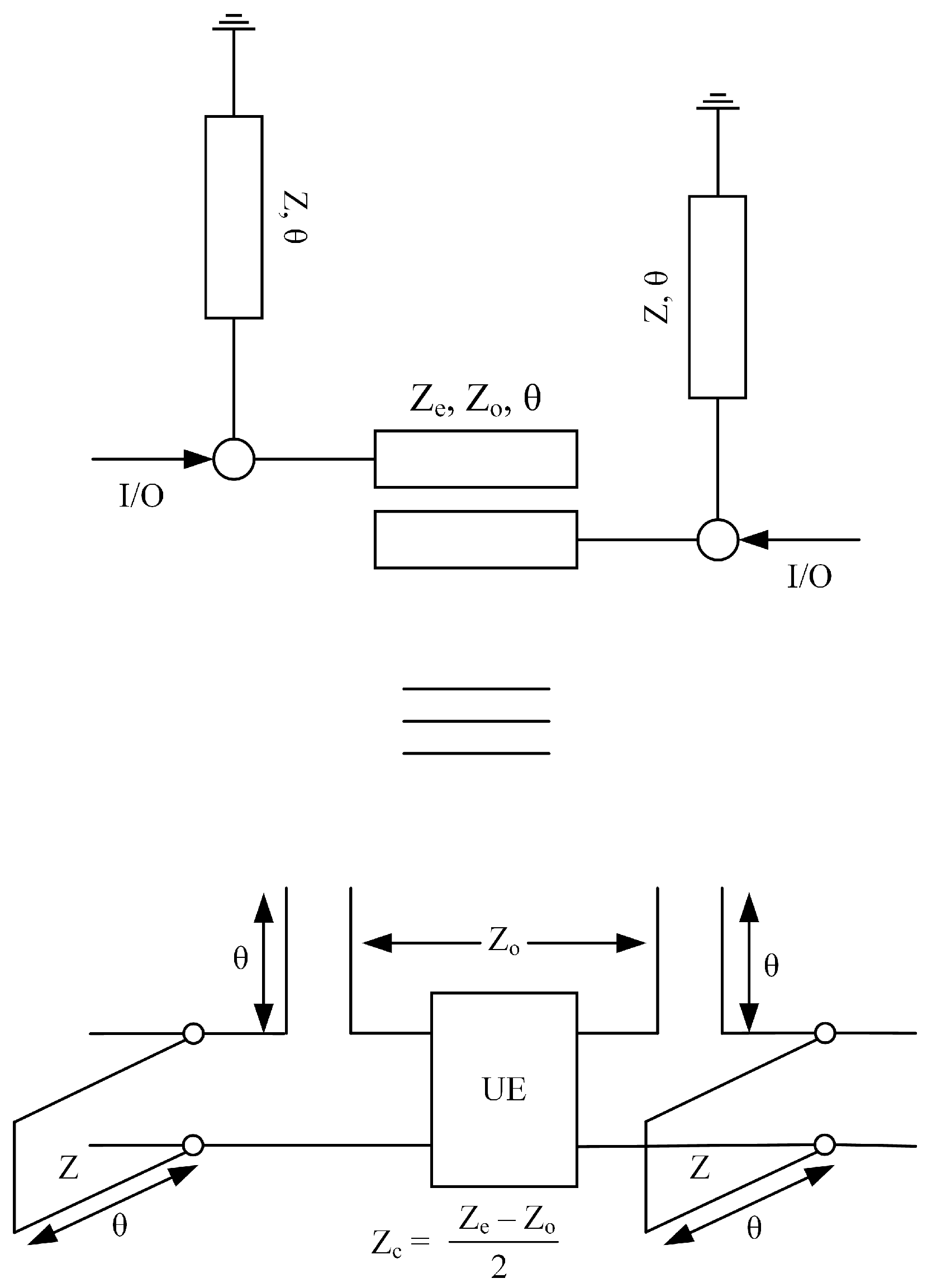
2.1. Synthesis of 4th Order UWB-BPF
2.2. Synthesis of Seventh-Order Bandpass Filter
3. Results
4. Conclusions
Author Contributions
Funding
Data Availability Statement
Acknowledgments
Conflicts of Interest
References
- Kumar, K.V.P.; Karthikeyan, S.S. Compact, high selectivity and wideband bandpass filter with multiple transmission zeros. AEU-Int. J. Electron. Commun. 2018, 94, 79–83. [Google Scholar] [CrossRef]
- Zhou, J.G.; Chiang, Y.C.; Che, W.Q. Wideband bandpass filter based on ring resonator with high selectivity and multiple transmission zeros. Electron. Lett. 2014, 50, 384–386. [Google Scholar] [CrossRef]
- Zhang, T.; Xiao, F.; Bao, J.; Tang, X. Compact ultra-wideband bandpass filter with good se-lectivity. Electron. Lett. 2016, 52, 210–212. [Google Scholar] [CrossRef]
- Xia, X.; Chen, F.; Cheng, X.; Deng, X. A compact ultra-wideband bandpass filter with good selectivity based on interdigital coupled-line. Int. J. RF Microw. Comput.-Aided Eng. 2018, 28, e21419. [Google Scholar] [CrossRef]
- Hameed, M.; Xiao, G.; Qiu, L.; Xiong, C.; Hameed, T. Multiple-mode wideband bandpass filter using split ring resonators in a rectangular waveguide cavity. Electronics 2018, 7, 356. [Google Scholar] [CrossRef]
- Razzaz, F.; Saeed, S.M.; Alkanhal, M.A. Ultra-Wideband Bandpass Filters Using Tapered Resonators. Appl. Sci. 2022, 12, 3699. [Google Scholar] [CrossRef]
- Ji, X.C.; Ji, W.S.; Feng, L.Y.; Tong, Y.Y.; Zhang, Z.Y. Design of a novel multilayer wideband bandpass filter with a notched band. Prog. Electromagn. Res. Lett. 2019, 82, 9–16. [Google Scholar] [CrossRef]
- Choudhary, D.K.; Chaudhary, R.K. A compact via-less metamaterial wideband bandpass filter using split circular rings and rectangular stub. Prog. Electromagn. Res. Lett. 2018, 72, 99–106. [Google Scholar] [CrossRef]
- Jamsai, M.; Angkawisittpan, N.; Nuan-On, A. Design of a compact ultra-wideband bandpass filter using inductively compensated parallel-coupled lines. Electronics 2021, 10, 2575. [Google Scholar] [CrossRef]
- Xu, K.; Zhang, Y.; Lewei, J.; Joines, W.T.; Huo, Q. Miniaturized notch-band UWB bandpass filters using interdigital-coupled feed-line structure. Microw. Opt. Technol. Lett. 2014, 56, 2215–2217. [Google Scholar] [CrossRef]
- Taibi, A.; Trabelsi, M.; Slimane, A. A novel design method for compact UWB bandpass filters. Microw. Wirel. Compon. Lett. 2015, 25, 4–6. [Google Scholar] [CrossRef]
- Saadi, A.A.; Yagoub, M.C.; Slimane, A.; Taibi, A.; Touhami, R.; Belaroussi, M.T. Compact UWB bandpass filter based on simple radial stub resonator structure. Microw. Opt. Technol. Lett. 2016, 58, 1707–1710. [Google Scholar] [CrossRef]
- Nedil, M.; Denidni, T.A.; Djaiz, A. Ultra-wideband microstrip to CB-CPW transition applied to broadband filter. Electron. Lett. 2007, 43, 464–466. [Google Scholar] [CrossRef]
- Nedil, M.; Denidni, T.A.; Djaiz, A. Ultra-wideband bandpass filters using multilayer slot coupled transitions. J. Electromagn. Waves Appl. 2008, 22, 501–516. [Google Scholar] [CrossRef]
- Guo, X.; Zhu, L.; Wang, J.P.; Wu, W. Wideband microstrip-to-microstrip vertical transitions via multiresonant modes in a slotline resonator. IEEE Trans. Microw. Theory Tech. 2015, 63, 1902–1909. [Google Scholar] [CrossRef]
- Wu, X.; Li, Y.; Liu, X. High-order dual-port quasi-absorptive microstrip coupled-line band-pass filters. IEEE Trans. Microw. Theory Tech. 2019, 68, 1462–1475. [Google Scholar] [CrossRef]
- Li, R.; Sun, S.; Zhu, L. Synthesis design of ultra-wideband bandpass filters with composite series and shunt stubs. IEEE Trans. Microw. Theory Tech. 2009, 57, 684–692. [Google Scholar]
- Ghazali, A.N.; Sazid, M.; Pal, S. A dual notched band UWB-BPF based on mi-crostrip-to-short circuited CPW transition. Int. J. Microw. Wirel. Technol. 2018, 10, 794–800. [Google Scholar] [CrossRef]
- Liu, J.; Zhang, Y.; Wan, X.; Jing, H. Miniaturized dual-mode ultra-wideband filter using sector substrate integrated waveguide. Microw. Opt. Technol. Lett. 2021, 63, 2343–2347. [Google Scholar] [CrossRef]
- Zhang, X.W.; Liu, S.B.; Wang, L.L.; Yu, Q.M.; Sun, S.N. High-confinement ultra-wideband bandpass filter using compact folded slotline spoof surface plasmon polaritons. Chin. Phys. B 2022, 31, 014102. [Google Scholar] [CrossRef]
- Khani, S.; Danaie, M.; Rezaei, P.; Shahzadi, A. Compact ultra-wide upper stopband microstrip dual-band BPF using tapered and octagonal loop resonators. Frequenz 2020, 74, 61–71. [Google Scholar] [CrossRef]
- Khani, S.; Makki, S.V.A.D.; Mousavi, S.M.H.; Danaie, M.; Rezaei, P. Adjustable compact dual-band microstrip bandpass filter using T-shaped resonators. Microw. Opt. Technol. Lett. 2017, 59, 2970–2975. [Google Scholar] [CrossRef]
- Hunter, I. Theory and Design of Microwave Filters; The Institution of Engineering and Technology (IET): Stevenage, UK, 2001. [Google Scholar]
- Dai, X.; Yang, Q.; Du, H.; Li, J.; Guo, C.; Zhang, A. Direct synthesis approach for designing high selectivity microstrip distributed bandpass filters combined with deep learning. AEU-Int. J. Electron. Commun. 2021, 131, 153499. [Google Scholar] [CrossRef]
- Sazid, M.; Agrawal, N.; Nagar, M.R.; Raghava, N.S.; Gautam, A.K.; Ghazali, A.N. A com-pact, flexible and transparent UWB bandpass filter with silver nanowires. AEU-Int. J. Electron. Commun. 2023, 167, 154673. [Google Scholar] [CrossRef]
- Zheng, X.; Pan, Y.; Jiang, T. UWB bandpass filter with dual notched bands using T-shaped resonator and L-shaped defected microstrip structure. Micromachines 2018, 9, 280. [Google Scholar] [CrossRef]
- Assaf, M.; Malki, A.; Sarhan, A.A. Synthesis and Design of MMR-Based Ultra-Wideband (UWB) Band Pass Filter (BPF) in Suspended Stripline (SSL) Technology. Prog. Electromagn.-Search Lett. 2019, 84, 123–130. [Google Scholar] [CrossRef]
- Liu, F.; Qun, M. A new compact UWB bandpass filter with quad notched characteristics. Prog. Electromagn. Res. Lett. 2020, 88, 83–88. [Google Scholar] [CrossRef]
- Sahu, S.K.; Sahu, S.; Nourani, V.; Board, C.A.; Shanker, U.; Shanker, R.; Kumari, V.; Bansal, K.K.; Garg, D.; Athavale, V.A.; et al. Miniaturized ultra-wideband bandpass filter with ultra-wide stopband using π-type unit with inductive loading on integrated passive device. IEEE Trans. Circuits Syst. II Express Briefs 2021, 68, 3406–3410. [Google Scholar]
- Zhang, G.; Basit, A.; Khan, M.I.; Daraz, A.; Saqib, N.; Zubir, F. Multi Frequency Controllable In-Band Suppressions in a Broad Bandwidth Microstrip Filter Design for 5G Wi-Fi and Satellite Communi-cation Systems Utilizing a Quad-Mode Stub-Loaded Resonator. Micromachines 2023, 14, 866. [Google Scholar] [CrossRef]
- Pan, D.; You, B.; Wen, X.; Li, X. Wideband substrate integrated waveguide chip filter using spoof surface plasmon polariton. Micromachines 2022, 13, 1195. [Google Scholar] [CrossRef]
- Ghazali, A.N.; Sazid, M.; Pal, S. Design and analysis of a multiple notched UWB-BPF based on microstrip-to-CPW transition. Frequenz 2023, 77, 9–16. [Google Scholar] [CrossRef]
- AbdulRehman, M.; Khalid, S. Design of tri-band bandpass filter using symmetrical open stub loaded step impedance resonator. Electron. Lett. 2018, 54, 1126–1128. [Google Scholar] [CrossRef]












| FBW | Return Loss | z | ||
|---|---|---|---|---|
| (%Age) | (dB) | (Ohm) | (Ohm ) | (Ohm) |
| 56 | 10 | 14.82 | 122.33 | 206.97 |
| 61.3 | 10 | 17.40 | 114.65 | 198.73 |
| 66.6 | 10 | 20.76 | 109.81 | 191.36 |
| 72.6 | 10 | 23.30 | 102.65 | 185.64 |
| 77.3 | 10 | 25.36 | 91.36 | 179.64 |
| 82.6 | 10 | 28.51 | 83.8 | 172.95 |
Disclaimer/Publisher’s Note: The statements, opinions and data contained in all publications are solely those of the individual author(s) and contributor(s) and not of MDPI and/or the editor(s). MDPI and/or the editor(s) disclaim responsibility for any injury to people or property resulting from any ideas, methods, instructions or products referred to in the content. |
© 2023 by the authors. Licensee MDPI, Basel, Switzerland. This article is an open access article distributed under the terms and conditions of the Creative Commons Attribution (CC BY) license (https://creativecommons.org/licenses/by/4.0/).
Share and Cite
Abdul Rehman, M.; Khalid, S.; Mushtaq, B.; Uddin, M.; Iqbal, J.; Abdelhaq, M.; Alsaqour, R. A Novel Synthesis of Quasi-Chebyshev Ultra-Wideband Bandpass Filter Using Nth Order Stub Loaded Coupled-Line Resonator. Micromachines 2023, 14, 1874. https://doi.org/10.3390/mi14101874
Abdul Rehman M, Khalid S, Mushtaq B, Uddin M, Iqbal J, Abdelhaq M, Alsaqour R. A Novel Synthesis of Quasi-Chebyshev Ultra-Wideband Bandpass Filter Using Nth Order Stub Loaded Coupled-Line Resonator. Micromachines. 2023; 14(10):1874. https://doi.org/10.3390/mi14101874
Chicago/Turabian StyleAbdul Rehman, Muhammad, Sohail Khalid, Bilal Mushtaq, Mueen Uddin, Jawaid Iqbal, Maha Abdelhaq, and Raed Alsaqour. 2023. "A Novel Synthesis of Quasi-Chebyshev Ultra-Wideband Bandpass Filter Using Nth Order Stub Loaded Coupled-Line Resonator" Micromachines 14, no. 10: 1874. https://doi.org/10.3390/mi14101874
APA StyleAbdul Rehman, M., Khalid, S., Mushtaq, B., Uddin, M., Iqbal, J., Abdelhaq, M., & Alsaqour, R. (2023). A Novel Synthesis of Quasi-Chebyshev Ultra-Wideband Bandpass Filter Using Nth Order Stub Loaded Coupled-Line Resonator. Micromachines, 14(10), 1874. https://doi.org/10.3390/mi14101874

