A Readout Circuit for MEMS Gas Sensor
Abstract
:1. Introduction
2. Interface Circuit Architecture
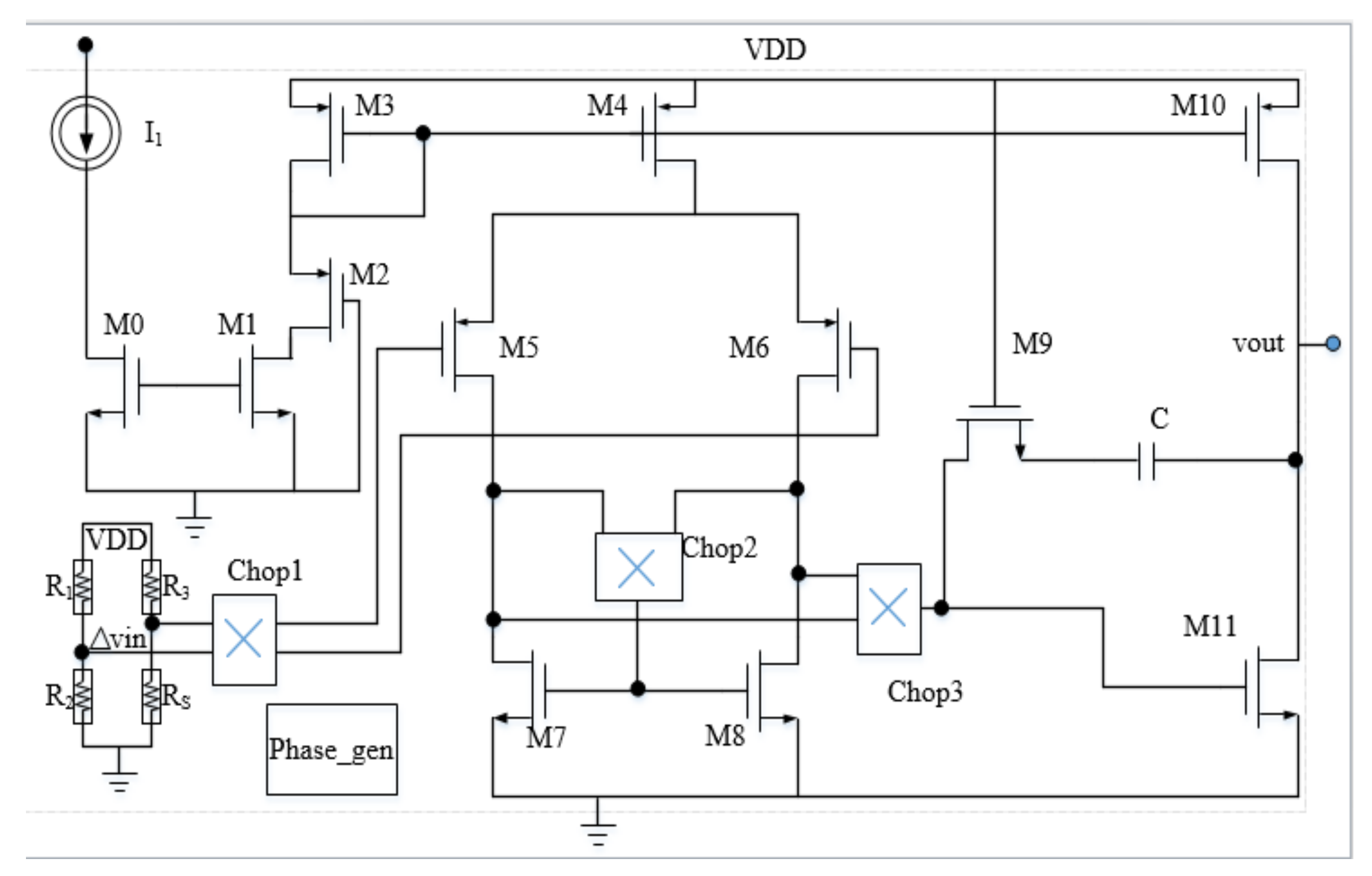
2.1. Pre-Stage Circuit Design
2.2. SAR ADC Circuit Design
3. Results
3.1. Interface Circuit Module Simulation and Analysis
3.2. System Simulation and Analysis
4. Conclusions
Author Contributions
Funding
Data Availability Statement
Acknowledgments
Conflicts of Interest
References
- Ren, M.; Xu, H.; Dong, C.; Zhang, Z. Towards a gas sensor interface circuit—A Review. IEEE Sens. J. 2022, 22, 18253–18265. [Google Scholar] [CrossRef]
- Grassi, M.; Malcovati, P.; Baschirotto, A. A 141-dB dynamic range CMOS gas-sensor interface circuit without calibration with 16-Bit digital output word. IEEE J. Solid St. Circ. 2007, 42, 1543–1554. [Google Scholar] [CrossRef]
- Hijazi, Z.; Grassi, M.; Caviglia, D.D.; Valle, M. 153dB dynamic range calibration-Less gas sensor interface circuit with quasi-digital output. In 2017 New Generation of CAS (NGCAS); IEEE: Genova, Italy, 2017; pp. 109–112. [Google Scholar]
- Hijazi, Z.; Grassi, M.; Caviglia, D.D.; Valle, M. Time-based calibration-less read-out circuit for interfacing wide range MOX gas sensors. Integration 2018, 63, 232–239. [Google Scholar] [CrossRef]
- Ciciotti, F.; Buffa, C.; Radogna, A.V.; Francioso, L.; Capone, S.; Gaggl, R.; Baschirotto, A. A 450-μA 128-dB dynamic range A/D CMOS interface for MOX gas sensors. IEEE Sens. J. 2019, 19, 12069–12078. [Google Scholar] [CrossRef]
- Grassi, M.; Malcovati, P.; Baschirotto, A. A 160 dB equivalent dynamic range auto-scaling interface for resistive gas sensors arrays. IEEE J. Solid St. Circ. 2007, 42, 518–528. [Google Scholar] [CrossRef]
- Mu, X.; Rairigh, D.; Mason, A.J. 125ppm resolution and 120dB dynamic range nanoparticle chemiresistor array readout circuit. In IEEE International Symposium of Circuits & Systems; IEEE: Rio de Janeiro, Brazil, 2011; pp. 2213–2216. 125p. [Google Scholar]
- Park, J.H.; Park, K.M.; Kim, T.W.; Shin, S.; Park, C.O.; Yoo, H.J. Three-electrode metal-oxide gas sensor system with CMOS interface IC. IEEE Sens. J. 2017, 17, 784–793. [Google Scholar] [CrossRef]
- Wang, J.; Yang, J.; Chen, D.; Jin, L.; Li, Y.; Zhang, Y.; Xu, L.; Guo, Y.; Lin, F.; Wu, F. Gas detection microsystem with MEMS gas sensor and integrated circuit. IEEE Sens. J. 2018, 18, 6765–6773. [Google Scholar] [CrossRef]
- Park, K.; Choi, S.; Chae, H.Y.; Park, C.S.; Lee, S.; Lim, Y.; Shin, H.; Kim, J.J. An energy-efficient multimode multichannel gas-sensor system with learning-based optimization and self-calibration schemes. IEEE Trans. Ind. Electron. 2020, 67, 2402–2410. [Google Scholar] [CrossRef]
- Li, Y.; Zhao, Y.; Zhao, Y.; Ye, M. A 12.1 bit-ENOB noise shaping SAR ADC for biosensor applications. Microelectron. J. 2021, 118, 105292. [Google Scholar] [CrossRef]
- Choi, H.S.; Son, K.; Park, H.J.; Sim, J.Y. An 84.6-dB-SNDR and 98.2-dB-SFDR residue-integrated SAR ADC for low-power sensor applications. IEEE J. Solid St. Circ. 2018, 53, 404–417. [Google Scholar] [CrossRef]
- Ha, H.; Suh, Y.; Lee, S.; Park, H.; Sim, J. A 0.5V, 11.3-μW, 1-kS/s resistive sensor interface circuit with correlated double sampling. In Proceedings of the IEEE 2012 Custom Integrated Circuits Conference, San Jose, CA, USA, 9–12 September 2012; pp. 1–4. [Google Scholar]
- Chiang, C.; Hsieh, C. Design of a CMOS Digitized Gas Transducer with Noise Shaping for CO2 Concentration Monitoring Applications. IEEE Sens. J. 2016, 16, 975–982. [Google Scholar] [CrossRef]
- Dudina, A.; Seichepine, F.; Chen, Y.; Stettler, A.; Hierlemann, A.; Frey, U. Monolithic CMOS sensor platform featuring an array of 9’216 carbon-nanotube-sensor elements and low-noise, wide-bandwidth and wide-dynamic-range readout circuitry. Sens. Actuators B Chem. 2019, 279, 255–266. [Google Scholar] [CrossRef] [PubMed]
- Chen, M.; Peng, S.; Wang, N.; Xu, L.; Lin, F.; Wu, F. A wide-range and high-resolution detection circuit for MEMS gas sensor. IEEE Sens. J. 2019, 19, 3130–3137. [Google Scholar] [CrossRef]












| Parametera | Performance |
|---|---|
| Open loop gain (dB) | 62.76 |
| Phase margin (°) | 66 |
| Cut off frequency (Hz) | 338.93 K |
| Output voltage swing (V) | 0.49~2.84 |
| Input voltage range (V) | 0~2.44 |
| Swing rate (V/μs) | 0.95 |
| CMRR(dB) | 75.5 |
| PSRR(dB) | 70.2 |
| Power consumption (μW) | 16.73 |
Disclaimer/Publisher’s Note: The statements, opinions and data contained in all publications are solely those of the individual author(s) and contributor(s) and not of MDPI and/or the editor(s). MDPI and/or the editor(s) disclaim responsibility for any injury to people or property resulting from any ideas, methods, instructions or products referred to in the content. |
© 2023 by the authors. Licensee MDPI, Basel, Switzerland. This article is an open access article distributed under the terms and conditions of the Creative Commons Attribution (CC BY) license (https://creativecommons.org/licenses/by/4.0/).
Share and Cite
Ren, S.; Ren, M.; Xu, H. A Readout Circuit for MEMS Gas Sensor. Micromachines 2023, 14, 150. https://doi.org/10.3390/mi14010150
Ren S, Ren M, Xu H. A Readout Circuit for MEMS Gas Sensor. Micromachines. 2023; 14(1):150. https://doi.org/10.3390/mi14010150
Chicago/Turabian StyleRen, Shengle, Mingyuan Ren, and Honghai Xu. 2023. "A Readout Circuit for MEMS Gas Sensor" Micromachines 14, no. 1: 150. https://doi.org/10.3390/mi14010150
APA StyleRen, S., Ren, M., & Xu, H. (2023). A Readout Circuit for MEMS Gas Sensor. Micromachines, 14(1), 150. https://doi.org/10.3390/mi14010150

