SRAM Cell Design Challenges in Modern Deep Sub-Micron Technologies: An Overview
Abstract
:1. Introduction
2. SRAM Cell
3. Low Voltage Operation
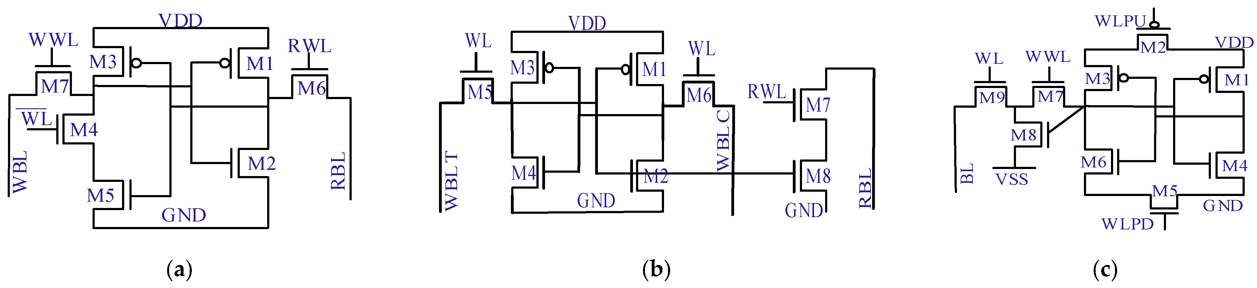
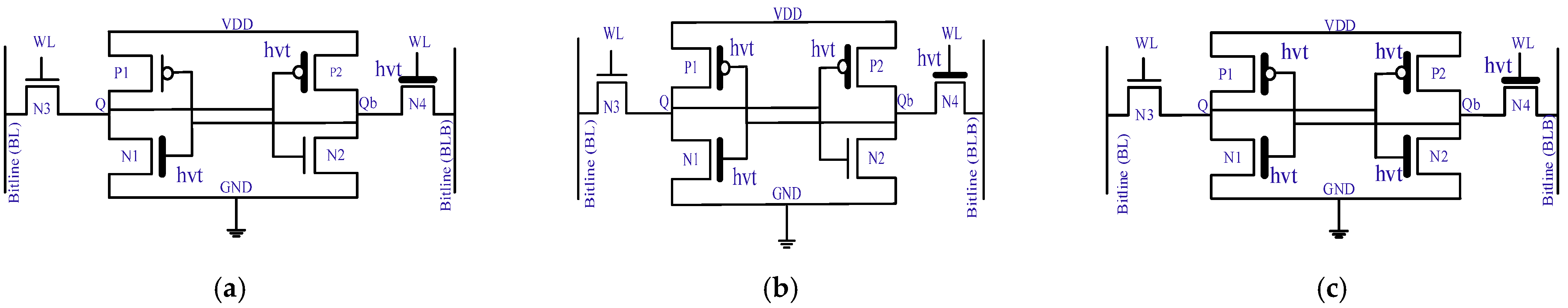
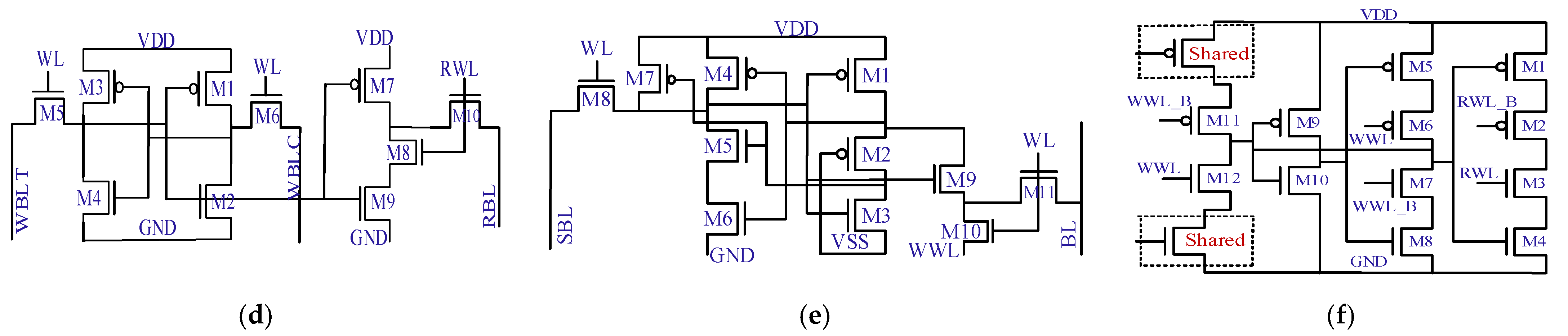
3.1. Alternate Cells
3.2. Assist-Circuits
3.3. Device Structure
4. Leakage Current
4.1. Bitline Leakage
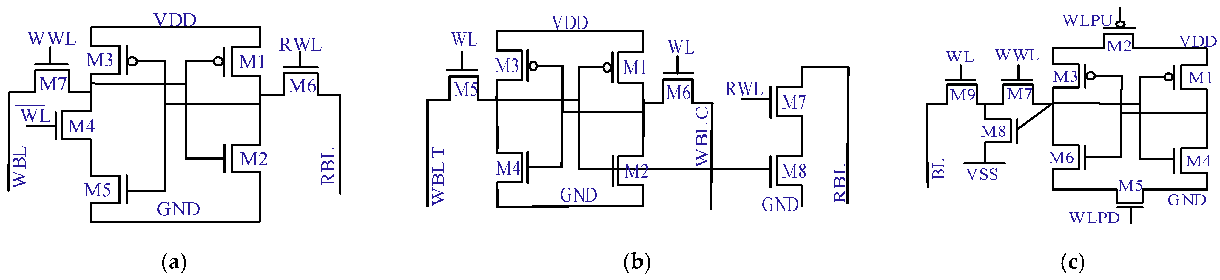
4.2. Asymmetric Cells
4.3. Alternate SRAM Cells
4.4. Power Control
4.5. Body Biasing
4.6. Novel Devices
5. Process and Environmental Variations
5.1. Process Variations
5.2. Environmental Variations
6. Soft Errors
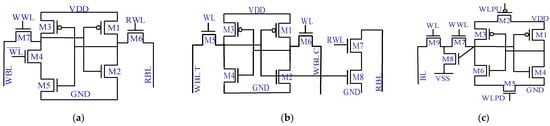
7. Security-Aware Design
8. Discussion
9. Conclusions
Author Contributions
Funding
Data Availability Statement
Conflicts of Interest
References
- Available online: https://www.marketstudyreport.com/reports/global/unitedstates/european/union-and-china-non-volatile-memory-market-research-report-2019-2025 (accessed on 16 December 2021).
- Si, X.; Zhou, Y.; Yang, J.; Chang, M.-F. Challenges and Trend of SRAM Based Computation-in-Memory Circuits for AI Edge Devices. In Proceedings of the IEEE 14th International Conference on ASIC (ASICON), Kunming, China, 26–29 October 2021. [Google Scholar]
- Shimeng, Y.; Xiaoyu, S.; Xiaochen, P.; Shanshi, H. Compute in Memories with Emerging Nonvolatile Memories: Prospects and Challenges. In Proceedings of the IEEE Custom Integrated Circuit Conference (CICC), Boston, MA, USA, 22–25 March 2020. [Google Scholar]
- Chou, C.C.; Lin, Z.J.; Tseng, P.L.; Li, C.F.; Chang, C.Y.; Chen, W.C.; Chih, Y.D.; Chang, T.Y.J. A N40 256Kx44 embedded RRAM macro with SL pre-charge SA and low voltage current limiter to improve read and write performance. In Proceedings of the IEEE International Solid State Circuit Conference (ISSCC), San Francisco, CA, USA, 11–15 February 2018. [Google Scholar]
- Wu, J.Y.; Chen, Y.S.; Khwa, W.S.; Yu, S.M.; Wang, T.Y.; Tseng, J.C.; Chih, Y.D.; Diaz, C.H. A 40nm low power logic compatible phase change memory technology. In Proceedings of the IEEE International Electron Devices Meeting (IEDM), San Francisco, CA, USA, 1–5 December 2018. [Google Scholar]
- Wei, L.; Alzate, J.G.; Arslan, U.; Brockman, J.; Das, N.; Fischer, K.; Ghani, T.; Golozonka, O.; Hentges, P.; Jahan, R.; et al. A 7Mb STT-MRAM in 22FEL FinFET technology with 4ns read sensing time at 0.9V using write verify write scheme and offset cancellation sensing techniques. In Proceedings of the IEEE International Solid-State Circuit Conference (ISSCC), San Francisco, CA, USA, 17–21 February 2019. [Google Scholar]
- Song, Y.J.; Lee, J.H.; Han, S.H.; Shin, H.C.; Lee, K.H.; Suh, K.; Jeong, D.E.; Koh, G.H.; Oh, S.C.; Park, J.H.; et al. Demonstration of highly manufacturable STT-MRAM embedded in 28nm logic. In Proceedings of the IEEE International Electron Devices Meeting (IEDM), San Francisco, CA, USA, 1–5 December 2018. [Google Scholar]
- Weste, N.; Harris, D. CMOS VLSI Design: A Circuits and Systems Perspective, 4th ed.; Pearson Education: London, UK, 2011. [Google Scholar]
- Ishibashi, K.; Osada, K. Low Power and Reliable SRAM Memory Cell and Array Design; Springer: New York, NY, USA, 2011. [Google Scholar]
- Weing, H. Compact Modelling and Short Channel Effects on nanowire MOS transistors. In Proceedings of the IEEE International Conference on Integrated Circuits Design Technologies and Applications (ICICDT), Beijing, China, 21–23 November 2018. [Google Scholar]
- Tsai, M.J. Investigation on 5nm Thick Hf0.5 Zr0.5 O2 Ferroelectric FinFET Dimension for sub 60mv/Decade Subthreshold slope. IEEE J. Electron Devices Soc. 2019, 7, 1033–1037. [Google Scholar] [CrossRef]
- Raskin, J.P. Fully Depleted SOI Technologies from Digital to RF and beyond. In Proceedings of the IEEE SOI-3D Subthreshold Microelectronic Technology Unified Conference (S3S), Burlingame, CA, USA, 15–18 October 2018. [Google Scholar]
- Turi, M.A.; Delgado-Frias, J.G. Effective Low Leakage 6T and 8T FinFET SRAMs: Using Cells with Reverse Biased FinFETs, Near Threshold Operation and Power Gating. IEEE Trans. Circuit Syst. II Express Brief 2019, 67, 765–769. [Google Scholar] [CrossRef]
- Pal, S.; Bose, S.; Ki, W.H.; Islam, A. Characterization of Half Select Free Write Assist 9T SRAM Cell. IEEE Tran. Electron. Devices 2019, 6, 4745–4752. [Google Scholar] [CrossRef]
- Wang, M.; Yan, C.; Li, X.; Zhou, D.; Zeng, X. High Dimensional and Multiple-Failure-Region Importance Sampling for SRAM Yield Analysis. IEEE Trans. Very Large Scale Integr. (VLSI) Syst. 2017, 25, 806–819. [Google Scholar] [CrossRef]
- Kan, S.; Ottavi, M.; Dworak, J. Enhancing embedded SRAM security and error tolerance with hardware CRC and obfuscation. In Proceedings of the IEEE International Symp. on Defect and Fault Tolerance in VLSI and Nanotechnology Systems (DFTS), Mherst, MA, USA, 12–14 October 2015. [Google Scholar]
- Qazi, M.; Sinangil, M.; Chandrakasan, A. Challenges and Directions for Low Voltage SRAMs. IEEE Des. Test Comput. 2011, 28, 32–43. [Google Scholar] [CrossRef]
- Samandari-Rad, J.; Hughey, R. Power/Energy minimization techniques for variability aware high performance 16nm 6T-SRAM. IEEE Access 2016, 4, 594–613. [Google Scholar] [CrossRef]
- Morifuji, E.; Patil, D.; Horowitz, M.; Nishi, Y. Power Optimization for SRAM and its scaling. IEEE Trans. Electron Devices 2017, 54, 715–722. [Google Scholar] [CrossRef]
- Wieckowski, M.; Sylvester, D.; Blaauw, D.; Chandra, V.; Idgunji, S.; Pietrzyk, C.; Aitken, R. A black box method for stability analysis of arbitrary SRAM cell structures. In Proceedings of the Design, Automation & Test in Europe (DATE), Dresden, Germany, 8–12 March 2010. [Google Scholar]
- Bhattacharya, D.; Jha, N.K. Ultra High Density Monolithic 3-D FinFET SRAM with Enhanced Read Stability. IEEE Trans. Circuits Syst.-I 2016, 63, 1176–1187. [Google Scholar] [CrossRef]
- Singh, J.; Mohanty, S.P.; Pradhan, D.K. Robust SRAM Design and Analysis; Springer: New York, NY, USA, 2013. [Google Scholar]
- Huynh-Bao, T.; Sakhare, S.; Yakimets, D.; Ryckaert, J.; Thean, A.V.Y.; Mercha, A.; Verkest, D.; Wambacq, P. A comprehensive benchmark and optimization of 5nm lateral and vertical GAA 6T SRAM. IEEE Trans. Electron. Devices 2016, 63, 643–651. [Google Scholar] [CrossRef]
- Mohapatra, E.; Dash, T.P.; Jena, J.; Das, S.; Maiti, C.K. Performance Analysis of Sub-10nm Vertically Stacked Gate All Around FETs. In Proceedings of the IEEE VLSI Device Circuits and Systems (VLSIDCS), Kolkata, India, 18–19 July 2020. [Google Scholar]
- Weber, O. FDSOI vs FinFET: Differentiating device features for ultra-low power and IoT applications. In Proceedings of the IEEE International Conference on IC design and Technology (ICICDT), Austin, TX, USA, 23–25 May 2017. [Google Scholar]
- Takeda, K.; Hagihara, Y.; Aimoto, Y.; Nomura, M.; Nakazawa, Y.; Ishii, T.; Kobatake, H. A Read-Static-Noise-Margin-Free SRAM Cell for Low-VDD and High-Speed Applications. IEEE J. Solid-State Circuits 2006, 41, 113–121. [Google Scholar] [CrossRef]
- Chang, L.; Fried, D.M.; Hergenrother, J.; Sleight, J.W.; Dennard, R.H.; Montoye, R.K.; Sekaric, L.; McNab, S.J.; Topol, A.W.; Adams, C.D.; et al. Stable SRAM Cell Design for the 32 nmNode and Beyond. In Proceedings of the IEEE Digest of Technical Papers and Symposium on VLSI Technology, Kyoto, Japan, 14–16 June 2005. [Google Scholar]
- Oh, T.W.; Jeong, H.; Kang, K.; Park, J.; Yang, Y.; Jung, S.O. Power gated 9T SRAM cell for low energy operation. IEEE Trans. Very Large Scale Integr. Syst. (VLSI) 2017, 25, 1183–1187. [Google Scholar] [CrossRef]
- Chang, I.J.; Kim, J.J.; Park, S.P.; Roy, K. A 32 kb 10T Sub-threshold SRAM Array with Bit-Interleaving and Differential Read Scheme in 90 nm CMOS. IEEE J. Solid-State Circuits 2009, 44, 650–658. [Google Scholar] [CrossRef]
- He, Y.; Zhang, J.; Wu, X.; Si, X.; Zhen, S.; Zhang, B. A Half select Disturb free 11T SRAM cell with built in read/write assist scheme for ultra-low voltage operation. IEEE Trans. Very Large Scale Integr. Syst. (VLSI) 2019, 27, 2344–2353. [Google Scholar] [CrossRef]
- Sun, J.; Jiao, H. A 12T low power Standard cell based SRAM cell for ultra-low voltage operation. In Proceedings of the IEEE International Conference on IC Design and Technology (ICICDT), Suzhou, China, 17–19 June 2019. [Google Scholar]
- Choi, W.; Park, J. A Charge recycling assist technique for reliable and low power SRAM design. IEEE Trans. Circuits Syst. 2016, 63, 1164–1175. [Google Scholar] [CrossRef]
- Chang, J.; Chen, H.Y.; Chan, G.; Cheng, H.; Wang, S.P.; Lin, Y.; Fujiwara, H.; Lee, R.; Liao, J.H.; Wang, W.P. A 5nm 135Mb SRAM in EUV and High Mobility Channel FinFET Technology with Metal Coupling and Charge Sharing Write Assist Circuitry Schemes for High Density and Low-VMIN Applications. In Proceedings of the IEEE International Solid-State Circuit Conference (ISSCC), San Francisco, CA, USA, 16–20 February 2020. [Google Scholar]
- Song, T.; Rim, W.; Park, S.; Kim, Y.; Yang, G.; Kim, H.; Baek, S.; Jung, J.; Kwon, B.; Cho, S.; et al. A 10nm FinFET 128 Mb SRAM with assist adjustment system for power, performance and area optimization. IEEE J. Solid-State Circuits 2017, 52, 240–249. [Google Scholar] [CrossRef]
- Chang, M.F.; Chen, C.F.; Chang, T.H.; Shuai, C.C. A compact area low VDDmin 6T SRAM with improvement in cell stability, read speed and write margin using a dual split control assist scheme. IEEE J. Solid-State Circuits 2017, 52, 2498–2514. [Google Scholar] [CrossRef]
- Chang, M.F.; Chen, C.F.; Chang, T.H.; Shuai, C.C.; Wang, Y.Y.; Yamauchi, H. A 28nm 256kb 6T-SRAM with 280mV improvement in VMIN using a dual-split-control assist scheme. In Proceedings of the IEEE International Conference on Solid State Circuits (ISSCC), San Francisco, CA, USA, 22–26 February 2015. [Google Scholar]
- Guo, Z.; Kim, D.; Nalam, S.; Wiedemer, J.; Wang, X.; Karl, E. A 23.6Mb/mm2 SRAM in 10nm FinFET technology with pulsed PMOS TVC and stepped-WL for low-voltage applications. In Proceedings of the IEEE International Conference on Solid State Circuits (ISSCC), San Francisco, CA, USA, 11–15 February 2018. [Google Scholar]
- Karl, E.; Guo, Z.; Conary, J.W.; Miller, J.L.; Ng, Y.G.; Nalam, S.; Kim, D.; Keane, J.; Bhattacharya, U.; Zhang, K. A 0.6V 1.5GHz 84Mb SRAM design in 14nm FinFET CMOS technology. In Proceedings of the IEEE International Conference on Solid State Circuits (ISSCC), San Francisco, CA, USA, 22–26 February 2015. [Google Scholar]
- Song, T.; Jung, J.; Rim, W.; Kim, H.; Kim, Y.; Park, C.; Do, J.; Park, S.; Cho, S.; Jung, H.; et al. A 7nm FinFET SRAM using EUV lithography with dual write-driver-assist circuitry for low-voltage applications. In Proceedings of the IEEE International Conference on Solid State Circuits (ISSCC), San Francisco, CA, USA, 11–15 February 2018. [Google Scholar]
- Dutta, T.; Pahwa, G.; Trivedi, A.R.; Sinha, S.; Agarwal, A.; Chauhan, Y.S. Performance evaluation of 7nm node negative capacitance FinFET based SRAM. IEEE Electron. Devices Lett. 2017, 38, 1161–1164. [Google Scholar] [CrossRef]
- Yang, L.; Zhu, J.; Chen, C.; Wang, Z.; Liu, Z.; Huang, Q.; Ye, L.; Huang, R. A novel Si-TFET based SRAM design for ultra-low power 0.3VDD applications. In Proceedings of the 15th IEEE International Conference on Asia and South Pacific Design Automation (ASP-DAC), Taipei, Taiwan, 18–21 January 2010. [Google Scholar]
- Calimera, A.; Macii, A.; Macii, E.; Poncino, M. Design Techniques and Architectures for Low Leakage SRAMs. IEEE Trans. Circuits Syst. 2012, 59, 1992–2007. [Google Scholar] [CrossRef]
- Azizi, N.; Najm, F.N.; Moshovos, A. Low-leakage asymmetrical SRAM. IEEE Trans. Very Large Scale Integr. (VLSI) Syst. 2003, 11, 701–715. [Google Scholar] [CrossRef]
- Pasandi, G.; Mehta, R.; Pedram, M.; Nazarian, S. Hybrid Cell Assignment and Sizing for Power, Area, Delay Product Optimization of SRAM Arrays. IEEE Trans. Circuits Syst.-II 2019, 66, 2047–2051. [Google Scholar] [CrossRef]
- Agarwal, A.; Li, H.; Roy, K. DRG-cache: A data retention gated ground cache for low power. In Proceedings of the IEEE Design Automation Conference (DAC), New Orleans, LA, USA, 10–14 June 2002. [Google Scholar]
- Elakkumanan, P.; Narasimhan, A.; Sridhar, R. NC-SRAM—A low-leakage memory circuit for ultra deep submicron designs. In Proceedings of the IEEE International Conference on System-on-Chip (SoC), Portland, OR, USA, 17–20 September 2003. [Google Scholar]
- Liao, W.; Basile, J.M.; He, L. Microarchitecture-level Leakage reduction with Data retention. IEEE Trans. Very Large Scale Integr. (VLSI) Syst. 2005, 12, 1324–1328. [Google Scholar] [CrossRef]
- Kim, C.H.; Roy, K. Dynamic Vt SRAM: A leakage tolerant cache memory for low voltage microprocessors. In Proceedings of the International Symp. on Low Power Electronics and Design (ISLPED), Monterey, CA, USA, 12–14 August 2002; pp. 251–254. [Google Scholar]
- Wang, T.; Cui, X.; Ni, Y.; Yu, D.; Cui, X. Evolution of Dynamic Adjusting Threshold Voltage Scheme for Low Power FinFET circuits. IEEE Trans. Very Large Scale Integr. (VLSI) Syst. 2018, 26, 1922–1928. [Google Scholar] [CrossRef]
- Mohammed, M.U.; Nizam, A.; Ali, L.; Chowdhury, M.H. A Low Leakage SRAM Bitcell Design Based on MOS Graphene Nano Ribbon FET. In Proceedings of the IEEE International Symp. on Circuits and Systems (ISCAS), Sapporo, Japan, 26–29 May 2019. [Google Scholar]
- Srinivasa, S.; Aziz, A.; Shukla, N.; Li, X.; Sampson, J.; Datta, S.; Kulkarni, J.P.; Narayanan, V.; Gupta, S.K. Correlated material enhanced SRAM with robust low power operation. IEEE Trans. Electron Devices 2016, 63, 4744–4752. [Google Scholar] [CrossRef]
- Rahma, M.A.; Anis, M. Nanometer Variation-Tolerant SRAM: Circuit and Statistical Design for Yield; Springer: New York, NY, USA, 2013. [Google Scholar]
- Karl, E.; Wang, Y.; Ng, Y.G.; Guo, Z.; Hamzaoglu, F.; Bhattacharya, U.; Zhang, K.; Mistry, K.; Bohr, M. A 4.6 GHz 162 Mb SRAM design in 22 nm tri-gate CMOS technology with integrated active VMIN-enhancing assist circuitry. In Proceedings of the IEEE International Solid-State Circuits Conference Digest of Technical Papers (ISSCC), San Francisco, CA, USA, 19–23 February 2012; pp. 230–232. [Google Scholar]
- International Technological Roadmap for Semiconductor (ITRS). 2015. Available online: http://www.itrs2.net/itrs-reports.html (accessed on 3 June 2022).
- Nautiyal, V.; Nukala, N.; Bohra, F.A.; Dwivedi, S.; Dasani, J.; Singh, S.; Singla, G.; Kinkade, M. Logic based row redundancy technique designed in 7nm FinFET technology for embedded SRAM. In Proceedings of the IEEE 19th International Symp. on Quality Electronic Design (ISQED), Santa Clara, CA, USA, 13–14 March 2018. [Google Scholar]
- Mohammad, B.; Rab, M.T.; Mohammad, K.; Suleman, M.A. Dynamic cache resizing for high yield SOC. In Proceedings of the IEEE International Conference on IC Design and Technology (ICICDT), Austin, TX, USA, 18–20 May 2009. [Google Scholar]
- Zimmer, B.; Chiu, P.F.; Nikolić, B.; Asanović, K. Reprogrammable redundancy for SRAM based cache Vmin reduction in 28nm RISC-V processor. IEEE J. Solid-State Circuit 2017, 52, 2589–2600. [Google Scholar] [CrossRef]
- Qazi, M.; Tikekar, M.; Dolecek, L.; Shah, D.; Chandrakasan, A. A loop flattening and spherical sampling: Highly efficient model reduction technique for SRAM yield analysis. In Proceedings of the Design Automation and Test in Europe (DATE), Dresden, Germany, 8–12 March 2010. [Google Scholar]
- Sun, S.; Feng, Y.; Dong, C.; Li, X. Efficient SRAM failure prediction via Gibbs sampling. IEEE Trans. Comput. Aided Des. Integr. Circuit Syst. 2012, 31, 1831–1844. [Google Scholar] [CrossRef]
- Chhabra, A.; Srivastava, M.; Gupta, P.R.; Dhori, K.J.; Triolet, P.; Di Gilio, T.; Bansal, N.; Sujatha, B. Temperature based adaptive memory subsystem in 28nm UTBB FDSOI. In Proceedings of the IEEE International Symp. on Circuits and Systems (ISCAS), Montreal, QC, Canada, 22–25 May 2016. [Google Scholar]
- Kim, T.T.H.; Le Ba, N. Design of temperature aware low voltage SRAM with self-adjustable sensing margin enhancement for high temperature applications upto 300 °C. IEEE J. Solid-State Circuits 2014, 49, 2534–2546. [Google Scholar] [CrossRef]
- Kumar, V.; Kumar Shrivatava, R.; Padaliya, M.M. A temperature compensated read assist for low Vmin and high-performance high density 6T SRAM cell in 7nm technology. In Proceedings of the IEEE 31st International Conference on VLSI design and 17th International Conference on Embedded Systems, Pune, India, 6–10 January 2018. [Google Scholar]
- Cojbasic, R.; Leblebici, Y. Design of High Temperature SRAM for Reliable Operation Beyond 250 °C. In Proceedings of the IEEE International Symposium on Circuits and Systems (ISCAS), Lisbon, Portugal, 24–27 May 2015. [Google Scholar]
- Fang, Y.P.; Oates, A.S. Characterization of single bit and multiple cell soft errors event in planer and FinFET SRAM. IEEE Trans. Device Mater. Reliab. 2016, 16, 132–137. [Google Scholar] [CrossRef]
- Fang, Y.P.; Oates, A.S. Neutron-induced charge collection simulation of bulk FinFET SRAMs compared to planar SRAMs. IEEE Trans. Device Mater. Reliab. 2011, 11, 551–554. [Google Scholar] [CrossRef]
- Fang, Y.P.; Oates, A.S. Muon Induced Soft Errors in the SRAM Circuits in the Terrestrial Environment. IEEE Trans. Devices Mater. Reliab. 2015, 15, 115–122. [Google Scholar] [CrossRef]
- Yoshimoto, S.; Okumura, S.; Nii, K.; Kawaguchi, H.; Yoshimoto, M. Multiple-cell-upset tolerant 6T SRAM using NMOS centered cell layout. IEICE Trans. Fundam. Electron. Commun. Comput. Sci. 2013, E96-A, 1579–1585. [Google Scholar] [CrossRef]
- Alouani, I.; Elsharkasy, W.M.; Eltawil, A.M.; Kurdahi, F.J.; Niar, S. AS8 SRAM: Asymmetric SRAM architecture for soft error hardening enhancement. J. Inst. Eng. Technol. (IET) Circuits Devices Syst. 2017, 11, 89–94. [Google Scholar] [CrossRef]
- Shah, J.S.; Nairn, D.; Sachdev, M. A 32kb Macro with 8T Soft errors Robust, SRAM cell in 65nm CMOS. IEEE Trans. Nucl. Sci. 2015, 62, 1367–1374. [Google Scholar] [CrossRef]
- Mostafa, H.; Anis, M.; Elmasry, M. A bias dependent model for impact of process variations on SRAM soft Errors immunity. IEEE Trans. Very Large Scale Integr. 2011, 19, 2130–2134. [Google Scholar] [CrossRef]
- Liu, S.; Xiao, L.; Li, J.; Zhou, Y.; Mao, Z. Low redundancy matrix-based codes for adjacent errors correction with parity sharing. In Proceedings of the 18th International Symposium on Quality Electronic Design (ISQED), Santa Clara, CA, USA, 14–15 March 2017. [Google Scholar]
- Gracia-Morán, J.; Saiz-Adalid, L.J.; Gil-Tomas, D.; Gil-Vicente, P.J. Improving Error Correction Codes for Multiple Cells Upsets in Space Applications. IEEE Trans. Very Large Scale Integr. (VLSI) Syst. 2018, 26, 2132–2142. [Google Scholar] [CrossRef]
- Liu, S.; Reviriego, P.; Xiao, L. Evaluating Direct Compare for Double Error Correction Codes. IEEE Trans. Device Mater. Reliab. 2017, 17, 802–804. [Google Scholar] [CrossRef]
- Giterman, R.; Keren, O.; Fish, A. A 7T security oriented SRAM bitcell. IEEE Trans. Circuits Syst. 2019, 66, 1396–1400. [Google Scholar] [CrossRef]
- Cakir, C.; Bhargava, M.; Mai, K. 6T SRAM and 3T DRAM data retention and reminisce characterization in 65nm bulk CMOS. In Proceedings of the IEEE Custom Integrated Circuit Conference (CICC), San Jose, CA, USA, 9–12 September 2012. [Google Scholar]
- Pan, X.; Bacha, A.; Rudolph, S.; Zhou, L.; Zhang, Y.; Teodorescu, R. NVCool: When Non Volatile Cache Meet Cold Boot Attack. In Proceedings of the 36th IEEE International Conference on Computer Design (ICCD), Orlando, FL, USA, 7–10 October 2018. [Google Scholar]
- Yap, M.; Wei, T.C.; Narang, V. In Situ Delayering in Atomic Force Microscope for sub 20nm Technology Devices. In Proceedings of the IEEE International Symp. on Physical and Failure Analysis of Integrated Circuits (IPFA), Singapore, 16–19 July 2018. [Google Scholar]
- Giterman, R.; Vicentowski, M.; Levi, I.; Weizman, Y.; Keren, O.; Fish, A. Leakage power attack resilient symmetrical 8T SRAM cell. IEEE Trans. Very Large Scale Integr. (VLSI) Syst. 2018, 26, 2180–2184. [Google Scholar] [CrossRef]
- Ho, W.G.; Chong, K.S.; Kim, T.T.H.; Gwee, B.H. A secure data toggling SRAM for confidential data protection. IEEE Trans. Circuits Syst. 2019, 66, 4186–4199. [Google Scholar] [CrossRef]
- Chandras, A.; Bhaaskaran, V.K. Sensing schemes of sense amplifier for single ended SRAM. In Proceedings of the IEEE International Conference on Next Electronic Technologies: Silicon to Software (ICNETS2), Chennai, India, 23–25 March 2017. [Google Scholar]
- Duan, M.; Zhang, J.F.; Ji, Z.; Zhang, W.D.; Vigar, D.; Asenov, A.; Gerrer, L.; Chandra, V.; Aitken, R.; Kaczer, B. Insight into Electron Traps and Their Energy Distribution Under Positive Bias Temperature Stress and Hot Carrier Aging. IEEE Tran. Electron Devices 2016, 13, 3642–3648. [Google Scholar] [CrossRef]
- Ahmad, S.; Iqbal, B.; Alam, N.; Hasan, M. Low leakage fully half select free Robust SRAM cells with BTI reliability analysis. IEEE Trans. Device Mater. Reliab. 2018, 18, 337–349. [Google Scholar] [CrossRef]
- Zhang, Y.; Piao, Y.; Huo, M.; Wang, T.; Ma, G.; Liu, C.; Ma, J.; Guo, K.; Qi, C. Design and Verification of SRAM Self-Detection Repair Based on ECC and BISR Circuit. In Proceedings of the IEEE 26th Symposium on Physical and Failure Analysis of Integrated Circuits, Hangzhou, China, 2–5 July 2019. [Google Scholar]
- Guler, A.; Jha, N.K. Three Dimensional Monolithic FinFET based 8T SRAM cell Design for Enhanced Read Time and Low Leakage. IEEE Tran. Very Large Scale Integr. Syst. (VLSI) 2019, 27, 899–912. [Google Scholar] [CrossRef]
- Krasich, M. How to Estimate and Use MTTF/MTBF would the real MTBF be stand up please? In Proceedings of the IEEE International Symp. on Annual Reliability and Maintainability, Fort Worth, TX, USA, 26–29 January 2009. [Google Scholar]
- Sze, V.; Chen, Y.H.; Yang, T.J.; Emer, J.S. Efficient Processing of Deep Neural Networks: A Tutorial and Survey. Proc. IEEE 2017, 105, 2295–2329. [Google Scholar] [CrossRef]
- Lin, Z.; Zhan, H.; Li, X.; Peng, C.; Lu, W.; Wu, X.; Chen, J. In-Memory Computing with Double Word Lines and Three Read Ports for Four Operands. IEEE Trans. Very Large Scale Integr. Syst. 2020, 28, 1316–1320. [Google Scholar] [CrossRef]
- Bose, S.K.; Mohan, V.; Basu, A. A 75kb SRAM in 65nm CMOS for In-memory Computing based Neuromorphic Image Denoising. In Proceedings of the IEEE International Symposium on Circuit and Systems (ISCAS), Seville, Spain, 12–14 October 2020. [Google Scholar]
- Yu, S.; Jiang, H.; Huang, S.; Peng, X.; Lu, A. Compute-in-Mmeory Chips for Deep Learning: Recent Trends and Prospects. IEEE Circuit Syst. Mag. 2021, 3, 31–56. [Google Scholar] [CrossRef]























| S. No. | Parameters | Explanation |
|---|---|---|
| 1 | Read Access Time | WL activation (50%) to 50–200 mV differential bitline voltage |
| 2 | Write Access Time | WL activation (50%) to 90%/10% of rising/falling internal node |
| 3 | Read/Write Power | Power consumption during read/write access time |
| 4 | Leakage Power | Power consumption during standby or hold mode |
| 5 | Cell Area | Layout area of the one SRAM cell |
| 6 | Noise Margins | SRAM noise tolerance under hold/read/write mode |
| 7 | Reliability | Performance under process/voltage/environmental variations |
| 8 | Soft Error | Critical charge accumulation to flip the internal node value |
| S. No | Parameter | 6T | 7T [26] | 8T [27] | 9T [28] | 10T [29] | 11T [30] | 12T [31] |
|---|---|---|---|---|---|---|---|---|
| 1 | Area Overhead * | 0% | 16% | 30% | 43% | 58% | 71% | 89% |
| 2 | Read Dynamic Power (µW) | 16.85 | 25.48 | 18.14 | 18.96 | 23.73 | 58.15 | 73.1 |
| 3 | Write Dynamic Power (µW) | 24.31 | 7.5 | 26.52 | 8.19 | 27.49 | 50.83 | 69.1 |
| 4 | Leakage Power (nW) | 5.6 | 5.3 | 5.98 | 6.13 | 5.99 | 2.26 | 7.69 |
| 5 | Read Access Time (ps) | 3.06 | 9.18 | 16.04 | 17.23 | 36.9 | 91.2 | 103.5 |
| 6 | Write Access Time (ps) | 33.53 | 27.96 | 37.93 | 36.7 | 41.83 | 61.06 | 118.3 |
| 7 | Sensing Method | Differential | Single Ended | Single Ended | Single Ended | Single Ended | Single Ended | Single Ended |
| S. No. | Assist Scheme | Type | Overhead |
|---|---|---|---|
| 1 | Negative BL (NBL) | Write | Coupling capacitor |
| 2 | Suppressed BL (SBL) | Read | Discharge devices |
| 3 | WL overdrive (WLOD) | Write | Charge pump and level shifter |
| 4 | WL under-drive (WLUD) | Read | PMOS devices and bias current |
| 5 | VDD boosting | Read | Column MUX |
| 6 | VDD lowering | Write | Pull-up and pull-down devices |
| 7 | GND boosting | Write | External level shifter |
| 8 | GND lowering | Read | External level shifter |
| S. No. | Technique | Description |
|---|---|---|
| 1 | Power Analysis (PA) | Power consumption information to predict internal data |
| 2 | Supply Voltage aging | Variation in supply voltage as of NBTI in PMOS device |
| 3 | Cold Boot Attack | Data retention at lower temperatures |
| 4 | Delayering Microscopy | Data imprinting effects to guess stored data |
Publisher’s Note: MDPI stays neutral with regard to jurisdictional claims in published maps and institutional affiliations. |
© 2022 by the authors. Licensee MDPI, Basel, Switzerland. This article is an open access article distributed under the terms and conditions of the Creative Commons Attribution (CC BY) license (https://creativecommons.org/licenses/by/4.0/).
Share and Cite
Gul, W.; Shams, M.; Al-Khalili, D. SRAM Cell Design Challenges in Modern Deep Sub-Micron Technologies: An Overview. Micromachines 2022, 13, 1332. https://doi.org/10.3390/mi13081332
Gul W, Shams M, Al-Khalili D. SRAM Cell Design Challenges in Modern Deep Sub-Micron Technologies: An Overview. Micromachines. 2022; 13(8):1332. https://doi.org/10.3390/mi13081332
Chicago/Turabian StyleGul, Waqas, Maitham Shams, and Dhamin Al-Khalili. 2022. "SRAM Cell Design Challenges in Modern Deep Sub-Micron Technologies: An Overview" Micromachines 13, no. 8: 1332. https://doi.org/10.3390/mi13081332
APA StyleGul, W., Shams, M., & Al-Khalili, D. (2022). SRAM Cell Design Challenges in Modern Deep Sub-Micron Technologies: An Overview. Micromachines, 13(8), 1332. https://doi.org/10.3390/mi13081332
