High-Speed Shift Register with Dual-Gated Thin-Film Transistors for a 31-Inch 4K AMOLED Display
Abstract
1. Introduction
2. TFT Performance
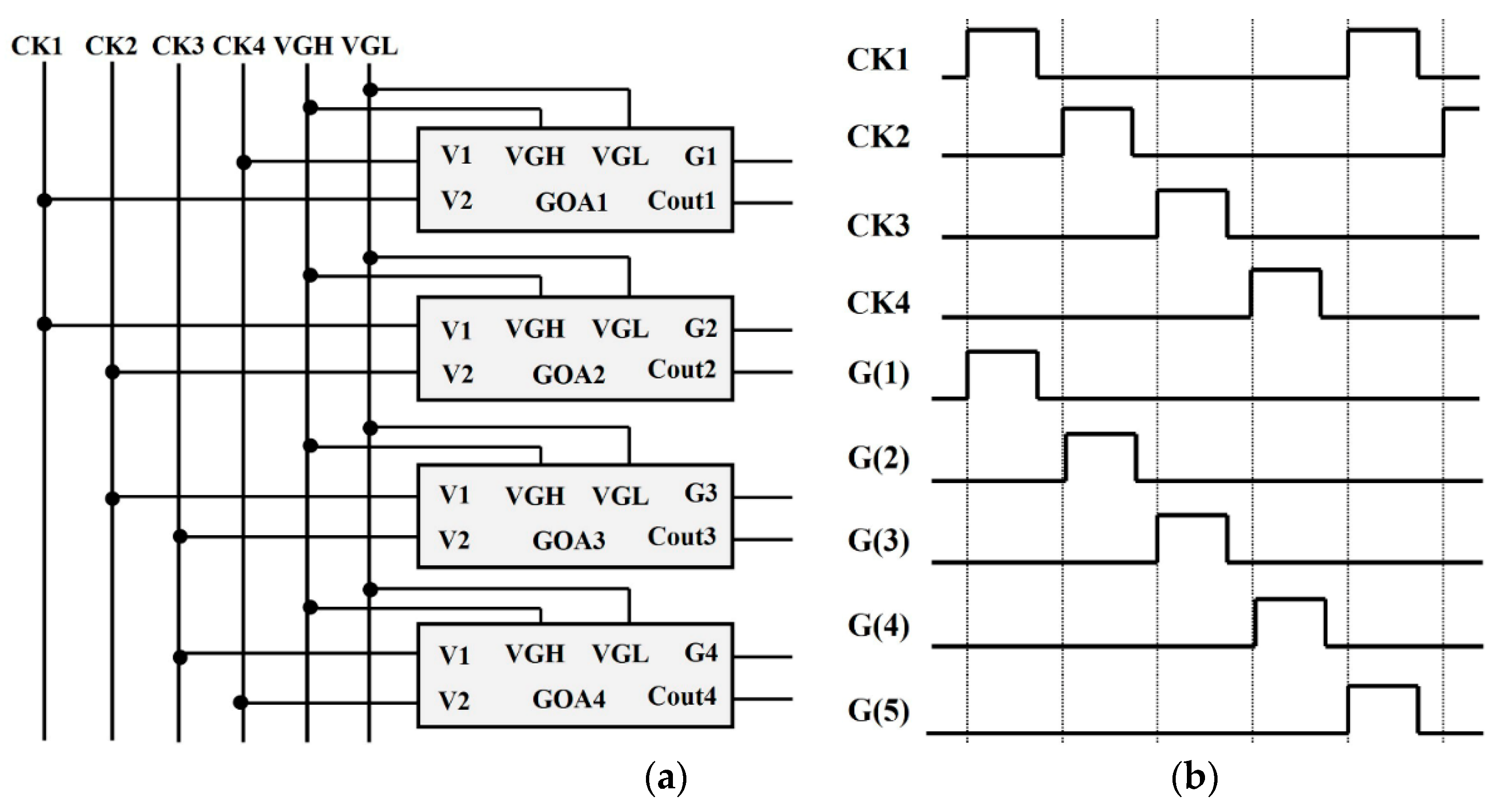
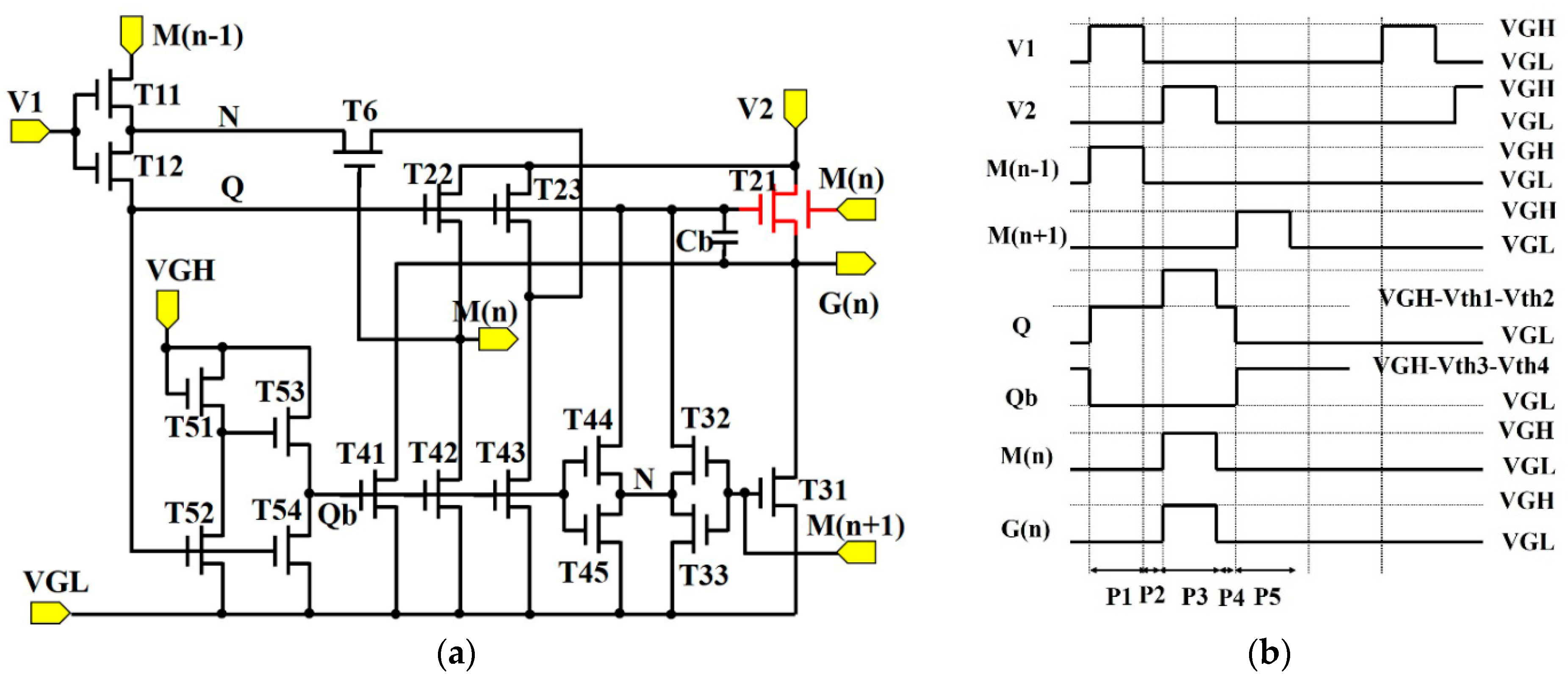
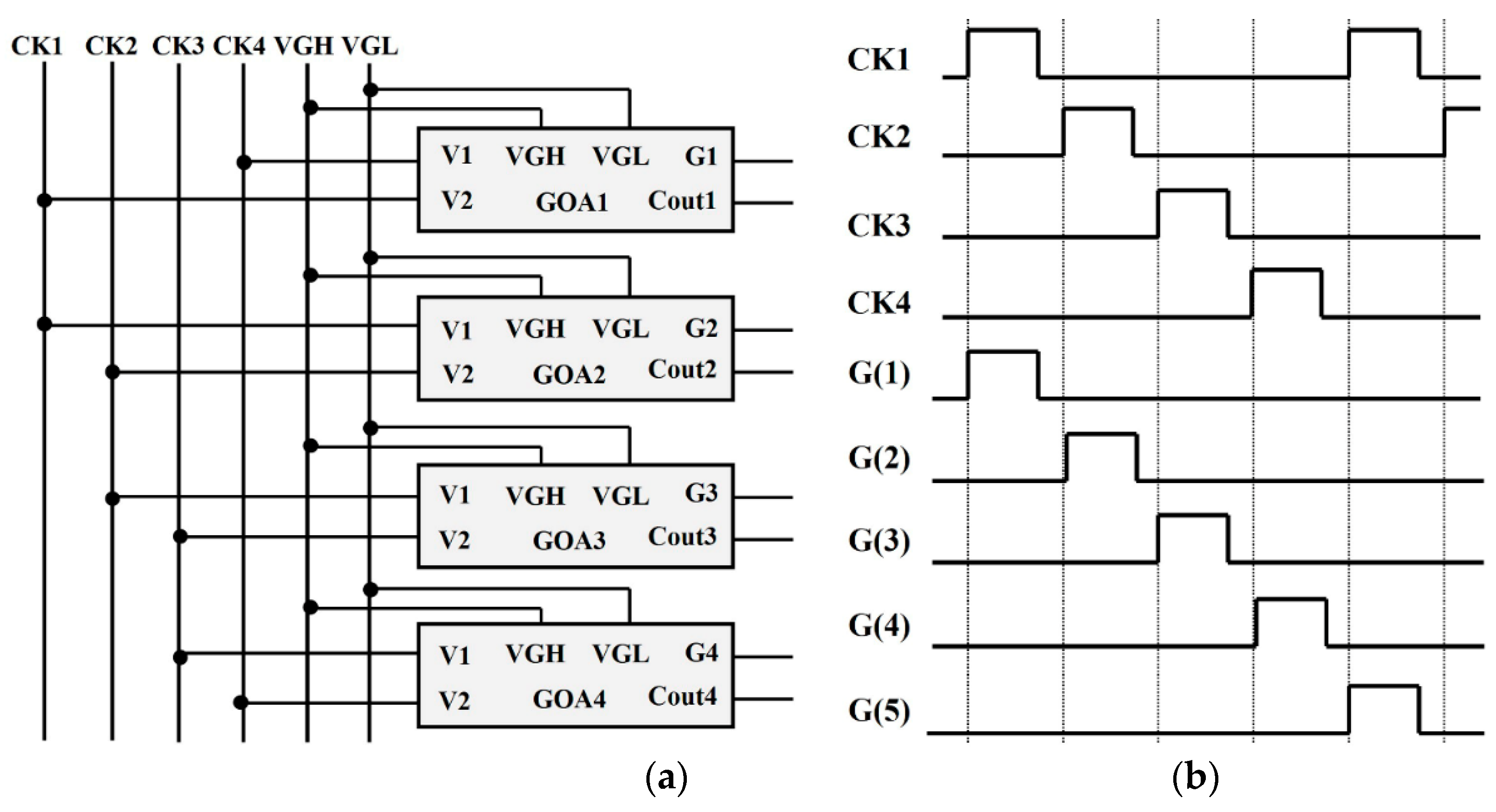
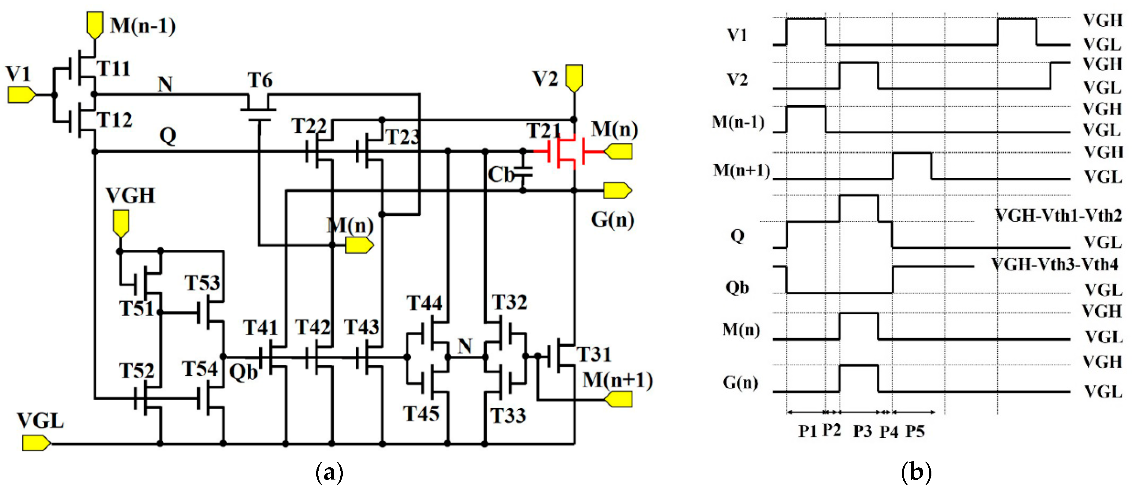
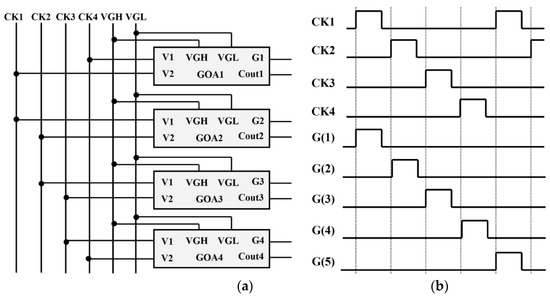
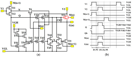
3. SR Circuit
4. Results and Discussion
5. Conclusions
Author Contributions
Funding
Data Availability Statement
Acknowledgments
Conflicts of Interest
References
- Wei, P.; Zhang, D.; Duan, L. Modulation of frster and dexter interactions in single-emissive-layer all-fluorescent WOLEDs for improved efficiency and extended lifetime. Adv. Funct. Mater. 2020, 30, 1907083. [Google Scholar] [CrossRef]
- Lim, S.G.; Lee, K.; Kim, Y.J. Mobile AMOLED display power model considering I-R drop in smartphones. IEEE Trans. Ind. Electron. 2020, 68, 2694–2702. [Google Scholar] [CrossRef]
- Xue, Y.; Han, B.X.; Huang, Y.; Zhang, L.Q.; Wang, X.; Zhou, S.; Xiang, X.; Chaw, G.; Liao, C.W.; Zhang, S.D. The design of a 15-inch AMOLED display derived by GOA. In Proceedings of the 2018 9th Inthernational Conference on Computer Aided Design for Thin-Film Transistors (CAD-TFT), Shenzhen, China, 16–18 November 2018. [Google Scholar] [CrossRef]
- Su, Y.; Geng, D.; Chen, Q.; Ji, H.; Li, M.; Shang, G.; Liu, L.; Duan, X.; Chuai, X.; Huang, S.; et al. Novel TFT-Based emission driver in high performance AMOLED display applications. Org. Electron. 2021, 93, 106160. [Google Scholar] [CrossRef]
- Wu, Y.C.; Xue, Y.; Han, B.X.; Chaw, G.; Lin, Z.G.; Hsu, Y.J.; Fu, J.H.; Hwang, T.J.; Lu, P.Y. Design of an advanced bottom-emission AMOLED display for TVs with high ppi and large size. In Sid Symposium Digest of Technical Papers; Society for Information Display: Santa Ana, CA, USA, 2019; Volume 50, pp. 941–944. [Google Scholar]
- Bang, J.S.; Kim, H.S.; Kim, K.D.; Kwon, O.J.; Shin, C.S.; Lee, J.; Cho, G.H. A Hybrid AMOLED Driver IC for Real-Time TFT Nonuniformity Compensation. IEEE J. Solid-State Circuits 2016, 51, 1–13. [Google Scholar]
- Xue, Y.; Wang, L.; Zhang, Y.; Liang, G.; Chu, J.; Han, B.; Cao, W.; Liao, C.; Zhang, S. 31-inch 4K Flexible Display Employing Gate Driver with Metal Oxide Thin-film Transistors. IEEE Electron. Device Lett. 2020, 42, 188–191. [Google Scholar] [CrossRef]
- Peng, H.; Chang, B.; Fu, H.; Zhang, Y.; Zhou, X.; Lu, L.; Zhang, S. Top-Gate Amorphous Indium-Gallium-Zinc-OxideThin-Film Transistors with Magnesium Metallized Source/Drain Regions. IEEE Trans. Electron. Devices 2020, 67, 1619–1624. [Google Scholar] [CrossRef]
- Kim, H.L.; Sung, J.M.; Cho, H.U.; Kim, Y.J.; Park, Y.G.; Choi, W.Y. LTPS TFTs with an Amorphous Silicon Buffer Layer and Source/Drain Extension. Electronics 2020, 10, 29. [Google Scholar] [CrossRef]
- Li, H.; Han, D.; Dong, J.; Yi, Z.; Zhou, X.; Zhang, S.; Zhang, X.; Wang, Y. Enhanced Performance of Atomic Layer Deposited Thin-Film Transistors with High-Quality ZnO/Al2O3 Interface. IEEE Trans. Electron. Devices 2020, 67, 518–523. [Google Scholar] [CrossRef]
- Lin, W.C.; Chang, T.C.; Su, W.C.; Hung, Y.H.; Cheng, H.C.; Lu, I.N.; Tu, Y.F.; Chang, H.M.; Tsai, T.M.; Zhang, S.D. Investigating the Back-Channel Effect and Asymmetric Degradation under Self-Heating Stress in Large Size a-InGaZnO TFTs. IEEE Trans. Electron. Devices 2020, 41, 58–61. [Google Scholar] [CrossRef]
- Xue, Y.; Han, B.; Zhang, L.; Nie, C.; Chaw, G.; Liao, C.; Zhang, S. A gate driver circuit with a-IGZO TFTs for a 15-inch AMOLED display. Sid Symp. Dig. Tech. Pap. 2018, 49, 580–583. [Google Scholar] [CrossRef]
- Xue, Y.; Han, B.X.; Wang, X.; Zhou, S.; Chaw, G.; Fang, C.H.; Wu, Y.C. A 6T1C Dynamic Threshold Voltage Compensation IGZO-GOA Circuit for 31-Inch AMOLED Display with Slim Border; IDW: Tokyo, Japan, 2019. [Google Scholar] [CrossRef]
- Huang, W.L.; Chang, S.P.; Li, C.H.; Chang, S.J. The Characteristics of Aluminum-Gallium-Zinc-Oxide Ultraviolet Phototransistors by Co-Sputtering Method. Electronics 2021, 10, 631. [Google Scholar] [CrossRef]
- Nathan, A.; Chaji, G.R.; Ashtiani, S.J. Driving schemes for a-Si and LTPS AMOLED display. J. Disp. Technol. 2005, 1, 267–277. [Google Scholar] [CrossRef]
- Lin, C.L.; Cheng, M.H.; Tu, C.D.; Wu, C.E.; Chen, F.H. Low-power a-Si:H gate driver circuit with threshold-voltage-shift recovery and synchronously controlled pull-down scheme. IEEE Trans. Electron. Devices 2015, 62, 136–142. [Google Scholar]
- Kim, B.; Ryoo, C.I.; Kim, S.J.; Bae, J.U.; Seo, H.S.; Kim, C.D.; Han, M.K. New depletion-mode IGZO TFT shift register. IEEE Electron. Device Lett. 2011, 32, 158–160. [Google Scholar] [CrossRef]
- Lee, W.S.; Kang, J.S.; Tak, N.K.; Choi, I.C.; Kim, J.Y.; Han, J.U.; Choi, J.H.; Mativenga, M.; Hwang, M.G. Spice Model for Detection of Dynamic Threshold Voltage Shift during Failure Analysis of Oxide TFT-Based AMD Gate Drivers. J. Soc. Inf. Disp. 2017, 25, 663–671. [Google Scholar] [CrossRef]
- Jeong, H.; Choi, B.K.; Chung, H.J.; Lee, S.G.; Ha, Y.M.; Jang, J. Long Life-Time Amorphous-InGaZnO TFT-Based Shift Register Using a Reset Clock Signal. IEEE Electron. Device Lett. 2014, 35, 844–846. [Google Scholar] [CrossRef]
- Liao, C.W.; Ma, Y.H.; Liu, X.D.; Liu, X.; Zhang, S.D. Robust gate driver design with etching-stop-layer type InGaZnO TFTs using stack buffer structure. In Sid Symposium Digest of Technical Papers; Society for Information Display: Santa Ana, CA, USA, 2017. [Google Scholar]
- Hu, Z.J.; Wang, C.C.; Liao, C.W.; Cao, S.J.; Fan, J.; Zhao, Q.; Zhang, S.D. TFT integrated gate driver with VTH shift compensable low-level holding unit. In Sid Symposium Digest of Technical Papers; Society for Information Display: Santa Ana, CA, USA, 2017. [Google Scholar]
- Mativenga, M.; Choi, M.H.; Choi, J.W.; Jang, J. Transparent Flexible Circuits Based on Amorphous-Indium–Gallium–Zinc–Oxide Thin-Film Transistors. IEEE Electron. Device Lett. 2011, 32, 170–172. [Google Scholar] [CrossRef]
- Kim, B.; Choi, S.C.; Lee, S.Y.; Kuk, S.H.; Jang, Y.H.; Kim, C.D.; Han, M.K. A Depletion-Mode a-IGZO TFT Shift Register with a Single Low-Voltage-Level Power Signal. IEEE Electron. Device Lett. 2011, 32, 1092–1094. [Google Scholar] [CrossRef]
- Lin, C.L.; Lai, P.C.; Lai, P.C.; Chu, T.C.; Lee, C.L. Bidirectional Gte Driver Circuit Using Re-charging and Time Division Driving Scheme for In-cell Touch LCDs. IEEE Trans. Ind. Electron. 2017, 65, 3585–3591. [Google Scholar] [CrossRef]
- Zhang, S.; Han, R.; Sin, J.; Chan, M. A novel self-aligned double-gate TFT technology. IEEE Electron. Device Lett. 2001, 22, 530–532. [Google Scholar] [CrossRef]
- Lee, E.; Chowdhury, M.D.H.; Park, M.S.; Jang, J. Effect of top gate bias on photocurrent and negative bias illumination stress instability in dual gate amorphous indium-gallium-zinc oxide thin-film transistor. Appl. Phys. Lett. 2015, 107, 488. [Google Scholar] [CrossRef]
- Chun, M.; Um, J.G.; Park, M.S.; Chowdhury, M.D.H.; Jang, J. Effect of top gate potential on bias-stress for dual gate amorphous indium-gallium-zinc-oxide thin film transistor. AIP Adv. 2016, 6, 075217. [Google Scholar] [CrossRef]
- Hara, Y.; Kikuchi, T.; Kitagawa, H.; Morinage, J.; Ohgami, H.; Imai, H.; Daitoh, T.; Matsuo, T. IGZO-TFT Technology for Large-screen 8K Display. SID Int. Symp. Dig. Technol. Pap. 2018, 49, 706–709. [Google Scholar] [CrossRef]
- Xue, Y.; Han, B.X.; Wang, X.; Zhou, S.; Liao, C.W.; Zhang, S.D.; Chaw, G.; Lu, P.Y.; Wu, Y.C. Dynamic threshold voltage compensation IGZO-GOA circuit for AMOLED display. SID Symp. Dig. Tech. Pap. 2019, 50, 10–12. [Google Scholar] [CrossRef]
- Xue, Y.; Liao, C.; Zhang, S. Epitaxial growth and characterization of dual-sided Y2O3 buffer layer for superconducting coated conductors. Ceram. Int. 2020, 46, 23728–23733. [Google Scholar] [CrossRef]
- Shin, H.J.; Takasugi, S.; Choi, W.S.; Chang, M.K.; Choi, J.Y.; Jeon, S.K.; Yun, S.H.; Park, H.W.; Kim, J.M.; Kim, H.S.; et al. A Novel OLED Display Panel with High-Reliability Integrated Gate Driver Circuit using IGZO TFTs for Large-Sized UHD TVs. Sid Symp. Dig. Tech. Pap. 2018, 49, 358–361. [Google Scholar] [CrossRef]
- Tsai, Y.L.; Chien, Y.C.; Chang, T.C.; Tsao, Y.C.; Huang, H.C. Improving Reliability of High-Performance Ultraviolet Sensor in a-InGaZnO Thin Film Transistors. IEEE Electron. Device Lett. 2019, 40, 1455–1458. [Google Scholar] [CrossRef]










| Design Parameter | Value |
|---|---|
| CKs | −5~10 V |
| VGH | 10 V |
| VGL | −5 V |
| T11/T12/T22/T23 | 500 μm/8 μm |
| T21 | 2500 μm/8 μm |
| T31/T32/T44/T45 | 150 μm/8 μm |
| T33/T41/T42/T43 | 300 μm/8 μm |
| T51/T6 | 20 μm/8 μm |
| T52/T53/T54 | 80 μm/8 μm |
| Design Parameter | Value |
|---|---|
| Display size | 31-inch |
| Border Width | 7.5 mm |
| Frame Rate | 60 Hz |
| Resolution | 4K (3840 × 2160) |
| TFT Type | Dual-gate and Top-gate |
| OLED Process | Ink jet printer |
| Driver | SR circuit |
Publisher’s Note: MDPI stays neutral with regard to jurisdictional claims in published maps and institutional affiliations. |
© 2022 by the authors. Licensee MDPI, Basel, Switzerland. This article is an open access article distributed under the terms and conditions of the Creative Commons Attribution (CC BY) license (https://creativecommons.org/licenses/by/4.0/).
Share and Cite
Song, R.; Wu, Y.; Lin, C.; Liu, K.; Qing, Z.; Li, Y.; Xue, Y. High-Speed Shift Register with Dual-Gated Thin-Film Transistors for a 31-Inch 4K AMOLED Display. Micromachines 2022, 13, 1696. https://doi.org/10.3390/mi13101696
Song R, Wu Y, Lin C, Liu K, Qing Z, Li Y, Xue Y. High-Speed Shift Register with Dual-Gated Thin-Film Transistors for a 31-Inch 4K AMOLED Display. Micromachines. 2022; 13(10):1696. https://doi.org/10.3390/mi13101696
Chicago/Turabian StyleSong, Rong, Yonghe Wu, Chengkai Lin, Kai Liu, Zhenjun Qing, Yingxiang Li, and Yan Xue. 2022. "High-Speed Shift Register with Dual-Gated Thin-Film Transistors for a 31-Inch 4K AMOLED Display" Micromachines 13, no. 10: 1696. https://doi.org/10.3390/mi13101696
APA StyleSong, R., Wu, Y., Lin, C., Liu, K., Qing, Z., Li, Y., & Xue, Y. (2022). High-Speed Shift Register with Dual-Gated Thin-Film Transistors for a 31-Inch 4K AMOLED Display. Micromachines, 13(10), 1696. https://doi.org/10.3390/mi13101696

