A Power Conversion Technique with Hierarchical Equalization Charging Topology for LiFePO4 Batteries
Abstract
:1. Introduction
2. The Proposed Hierarchical Equalization Charging Topology
- Equalizer-Within Module (EWM)
- 2.
- Equalizer between the Modules (EBM)
- 3.
- Master Control Unit (MCU)
- (1)
- The most advantageous feature of the cell-by-cell topology is its modularity. In addition, the proposed system applies this topology to each module of three cells. Therefore, it is easy to manufacture when used in a large number of battery packs. In addition, the energy exchange between only three cells in a single module has the advantage of reducing the loss caused by the transmission path.
- (2)
- Since each group of three battery cells is considered as a single module, the number of floating switches required between the modules of the isolated power converter structure can be greatly reduced.
- (3)
- Whether it is an equalizer within a module or an equalizer between modules, the converter used in the equalization system can greatly accelerate the equalization speed.
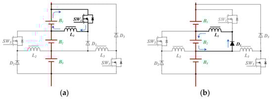
2.1. Equalizer-Within Module (EWM)
2.1.1. Operation Principle of the EWM
2.1.2. Design of the Energy Storage Elements (Inductors) in the EWM
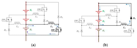
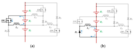
2.2. Equalizer between Modules (EBM)
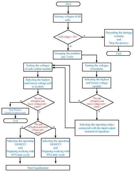
2.3. Control Architecture of the Proposed Equalizer System
3. Experimental Results of Proposed Equalization System
3.1. The Experimental Results of Equalizer within Module
3.2. The Experimental Results of Equalizer between Modules
3.3. The Experimental Results of the Proposed Battery Equalization System
4. Discussion
5. Conclusions
Author Contributions
Funding
Conflicts of Interest
Abbreviation Table with Units
| Parameter | Unit |
| Battery voltage VBn | Volt |
| Switching frequency f | Hertz |
| Output power Po | Watt |
| Snubber capacitor Csnu | Farad |
| Snubber inductor Lsnu | Henry |
| Leakage inductor current iLlk | Ampere |
| Input voltage Vi | Volt |
| Output voltage Vo | Volt |
| Magnetizing Inductor Lm | Henry |
| Input Capacitor Cin | Farad |
| Output Capacitor Cout2 | Farad |
References
- Bosshard, R.; Kolar, J.W. Inductive Power Transfer for Electric Vehicle Charging: Technical Challenges and Tradeoffs. IEEE Power Electron. Mag. 2016, 3, 22–30. [Google Scholar] [CrossRef]
- Photovoltaics, D.G.; Storage, E. IEEE Recommended Practice for Sizing Lead-Acid Batteries for Stand-Alone Photovoltaic (PV) Systems. In IEEE Std 1013-2007 (Revision of IEEE Std 1013-2000); IEEE: Piscataway, NJ, USA, 2007; pp. 1–55. [Google Scholar] [CrossRef]
- Greenleaf, M.; Dalchand, O.; Hui, L.; Zheng, J.P. A Temperature Dependent Study of Sealed Lead-Acid Batteries Using Physical Equivalent Circuit Modeling with Impedance Spectra Derived High Current/Power Correction. IEEE Trans. Sustain. Energy 2015, 6, 380–387. [Google Scholar] [CrossRef]
- Cai, Z.H.; Liu, G.F.; Luo, J. Research State of Charge Estimation Tactics of Nickel-Hydrogen Battery. In Proceedings of the International Symposium on Intelligence Information Processing and Trusted Computing (IPTC’10), Huanggang, China, 28–29 October 2010; pp. 184–187. [Google Scholar]
- Hu, X.; Li, S.E.; Yang, Y. Advanced Machine Learning Approach for Lithium-Ion Battery State Estimation in Electric Vehicles. IEEE Trans. Transp. Electrif. 2016, 2, 140–149. [Google Scholar] [CrossRef]
- Hoke, A.; Brissette, A.; Smith, K.; Pratt, A.; Maksimovic, D. Accounting for Lithium-Ion Battery Degradation in Electric Vehicle Charging Optimization. IEEE J. Emerg. Sel. Topics Power Electron. 2014, 2, 691–700. [Google Scholar] [CrossRef]
- Tesla Model S. Available online: https://en.wikipedia.org/wiki/Tesla_Model_S#Battery (accessed on 25 August 2021).
- Huang, S.T.; Hopkins, D.C.; Mosling, C.R. Extension of Battery Life via Charge Equalization Control. IEEE Trans. Ind. Electron. 1993, 40, 96–104. [Google Scholar] [CrossRef]
- Kimball, J.W.; Kuhn, B.T.; Krein, P.T. Increased Performance of Battery Packs by Active Equalization. In Proceedings of the 2007 IEEE Vehicle Power and Propulsion Conference, Arlington, TX, USA, 9–12 September 2007; pp. 323–327. [Google Scholar]
- Yarlagadda, S.; Hartley, T.T.; Husain, I. A Battery Management System Using An Active Charge Equalization Technique Based on A DC/DC Converter Topology. IEEE Trans. Ind. Appl. 2013, 49, 2721–2730. [Google Scholar] [CrossRef]
- Elsayed, A.T.; Lashway, C.R.; Mohammed, O.A. Advanced Battery Management and Diagnostic System for Smart Grid Infrastructure. IEEE Trans. Smart Grid 2016, 7, 897–905. [Google Scholar]
- Jian, Q.; Lu, D.D.C. Review of Battery Cell Balancing Techniques. In Proceedings of the 2014 Australasian Universities Power Engineering Conference (AUPEC), Perth, Australia, 28 September–1 October 2014; pp. 1–6. [Google Scholar]
- Raman, S.R.; Xue, X.D.; Cheng, K.W.E. Review of Charge Equalization Schemes for Li-Ion Battery and Super-Capacitor Energy Storage Systems. In Proceedings of the 2014 International Conference on Advances in Electronics Computers and Communications, Bangalore, India, 10–11 October 2014; pp. 1–6. [Google Scholar]
- Hui, X.; Yatao, F.; Yiying, W. Review of Equalizing Methods for Battery Pack. In Proceedings of the 2014 17th International Conference on Electrical Machines and Systems (ICEMS), Hangzhou, China, 22–25 October 2014; pp. 871–877. [Google Scholar]
- Stuart, T.; Zhu, W. Fast Equalization for Large Lithium Ion Batteries. IEEE Trans. Aerosp. Electron. Syst. 2009, 24, 27–31. [Google Scholar] [CrossRef] [Green Version]
- Zheng, Y.; Ouyang, M.; Lu, L.; Li, J.; Han, X.; Xu, L. On-Line Equalization for Lithium-Ion Battery Packs Based on Charging Cell Voltages: Part 2. Fuzzy logic equalization. J. Power Sources 2014, 247, 460–466. [Google Scholar] [CrossRef]
- Teofilo, V.L.; Merritt, L.V.; Hollandsworth, R.P. Advanced Lithium Ion Battery Charger. IEEE Trans. Aerosp. Electron. Syst. 1997, 12, 30–36. [Google Scholar] [CrossRef]
- Daowd, M.; Omar, N.; Bossche, P.V.; Mierlo, J.V. Passive and Active Balancing Comparison Based on MATLAB Simulation. In Proceedings of the 2011 IEEE Vehicle Power and Propulsion Conference, Chicago, IL, USA, 6–9 September 2011; pp. 1–7. [Google Scholar]
- Uno, M.; Tanaka, K. Double-Switch Single-Transformer Cell Voltage Equalizer Using a Half-Bridge Inverter and a Voltage Multiplier for Seriesconnected Supercapacitors. IEEE Trans. Veh. Technol. 2012, 61, 3920–3930. [Google Scholar] [CrossRef]
- Uno, M.; Tanaka, K. Single-Switch Multioutput Charger Using Voltage Multiplier for Series-Connected Lithium-Ion Battery/Supercapacitor Equalization. IEEE Trans. Ind. Electron. 2013, 60, 3227–3239. [Google Scholar] [CrossRef]
- Ye, Y.; Cheng, K.W.E. Modeling and Analysis of Series—Parallel Switched-Capacitor Voltage Equalizer for Battery/Supercapacitor Strings. IEEE J. Emerg. Sel. Top. Power Electron. 2015, 3, 977–983. [Google Scholar] [CrossRef]
- Park, H.S.; Kim, C.E.; Kim, C.H.; Moon, G.W.; Lee, J.H. A Modularized Charge Equalizer for an HEV Lithium-Ion Battery String. IEEE Trans. Ind. Electron. 2009, 56, 1464–1476. [Google Scholar] [CrossRef]
- Baughman, A.C.; Ferdowsi, M. Double-Tiered Switched-Capacitor Battery Charge Equalization Technique. IEEE Trans. Ind. Electron. 2008, 55, 2277–2285. [Google Scholar] [CrossRef]
- Kim, M.Y.; Kim, C.H.; Kim, J.H.; Moon, G.W. A Chain Structure of Switched Capacitor for Improved Cell Balancing Speed of Lithium-Ion Batteries. IEEE Trans. Ind. Electron. 2014, 61, 3989–3999. [Google Scholar] [CrossRef]
- Chen, W.L.; Cheng, S.R. Optimal Charge Equalisation Control for Series-Connected Batteries. IET Gener. Transmiss. Distrib. 2013, 7, 843–854. [Google Scholar] [CrossRef]
- Lee, Y.S.; Cheng, G.T. Quasi-Resonant Zero Current Switching Bidirectional Converter for Battery Equalization Applications. IEEE Trans. Power Electron. 2006, 21, 1213–1224. [Google Scholar] [CrossRef]
- Kim, M.Y.; Kim, J.H.; Moon, G.W. Center-Cell Concentration Structure of a Cell-to-Cell Balancing Circuit with a Reduced Number of Switches. IEEE Trans. Power Electron. 2014, 29, 5285–5297. [Google Scholar] [CrossRef]
- Yuanmao, Y.; Cheng, K.W.E.; Yeung, Y.P.B. Zero-Current Switching Switched-Capacitor Zero-Voltage-Gap Automatic Equalization System for Series Battery String. IEEE Trans. Power Electron. 2012, 27, 3234–3242. [Google Scholar] [CrossRef]
- Park, S.H.; Ki, T.S.; Park, J.S.; Moon, G.W.; Yoon, M.J. A New Buck-Boost Type Battery Equalizer. In Proceedings of the 2009 Twenty-Fourth Annual IEEE Applied Power Electronics Conference and Exposition, Washington, DC, USA, 15–19 February 2009; pp. 1246–1250. [Google Scholar]
- Shang, Y.; Zhang, C.; Cui, N.; Guerrero, J.M. A Cell-to-Cell Battery Equalizer with Zero-Current Switching and Zero-Voltage Gap Based on Quasiresonant LC Converter and Boost Converter. IEEE Trans. Power Electron. 2015, 30, 3731–3747. [Google Scholar] [CrossRef] [Green Version]
- Zhang, Z.; Gui, H.; Gu, D.J.; Yang, Y.; Ren, X. A Hierarchical Active Balancing Architecture for Lithium-Ion Battery. IEEE Trans. Power Electron. 2017, 32, 2757–2768. [Google Scholar] [CrossRef]
- Robert, W. Erickson and Dragan Maksimovic, Fundamentals of Power Electronics, 2nd ed.; Kluwer Academic Publishers: Norwell, MA, USA, 2001. [Google Scholar]
- Lee, J.H.; Liang, T.J.; Chen, J.F. Isolated Coupled-Inductor Integrated DC-DC Converter with Nondissipative Snubber for Solar Energy Applications. IEEE Trans. Ind. Electron. 2014, 61, 3337–3348. [Google Scholar] [CrossRef]























| Parameter/Component | Value |
|---|---|
| Input Voltage Vi | 2.1 V~3.65 V |
| Output Voltage Vo | 2.1 V~3.65 V |
| Switching Frequency | 50 kHz |
| Maximum Power Po | 15 W |
| Inductors L1, L2, L3 | 6 μH |
| Power Switches SW1, SW2, SW3 | IRFB4510 |
| Rectifier Didoes D1, D2, D3 | MBR10100 |
| Photocoupler | TLP250 |
| Parameter/Component | Value |
|---|---|
| Input Voltage Vi | 9.9 V |
| Output Voltage Vo | 10.95 V~12 V |
| Switching Frequency | 50 kHz |
| Maximum Power Po | 40 W |
| Duty Ratio | 0.55 |
| Turns Ratio (NP:NS) | 1:1 |
| Magnetizing Inductor Lm | 8.6 μH |
| Snubber Inductor Lsnu | 4.3 μH |
| Snubber Capacitor Csnu | 150 nF |
| Input Capacitor Cin | 470 μF |
| Output Capacitor Cout2 | 2700 μF |
| Power Switches SW1 | IRFP4310 |
| Snubber Diodes D1, D2 | FCQ30A03L |
| Rectifier Diode D3 | FCQ03A04 |
| PWM IC | UC3843 |
| Photocoupler | TLP250 |
| Balance Method | Balance Efficiency | Balance Speed | Balance Control | Modular Design |
|---|---|---|---|---|
| Bleed Resister | Poor | Good | Excellent | Yes |
| Analog Shunting | Poor | Good | Excellent | Yes |
| Switched Capacitor | Excellent | Good | Excellent | Yes |
| Multi-Winding Transformer | Moderate | Excellent | Good | No |
| Switching Transformer | Good | Moderate | Good | No |
| Proposed HECT | Good | Good | Moderate | Yes |
Publisher’s Note: MDPI stays neutral with regard to jurisdictional claims in published maps and institutional affiliations. |
© 2021 by the authors. Licensee MDPI, Basel, Switzerland. This article is an open access article distributed under the terms and conditions of the Creative Commons Attribution (CC BY) license (https://creativecommons.org/licenses/by/4.0/).
Share and Cite
Tseng, K.-C.; Huang, H.-S.; Cheng, C.-A. A Power Conversion Technique with Hierarchical Equalization Charging Topology for LiFePO4 Batteries. Micromachines 2021, 12, 1014. https://doi.org/10.3390/mi12091014
Tseng K-C, Huang H-S, Cheng C-A. A Power Conversion Technique with Hierarchical Equalization Charging Topology for LiFePO4 Batteries. Micromachines. 2021; 12(9):1014. https://doi.org/10.3390/mi12091014
Chicago/Turabian StyleTseng, Kuo-Ching, Hao-Shiang Huang, and Chun-An Cheng. 2021. "A Power Conversion Technique with Hierarchical Equalization Charging Topology for LiFePO4 Batteries" Micromachines 12, no. 9: 1014. https://doi.org/10.3390/mi12091014
APA StyleTseng, K.-C., Huang, H.-S., & Cheng, C.-A. (2021). A Power Conversion Technique with Hierarchical Equalization Charging Topology for LiFePO4 Batteries. Micromachines, 12(9), 1014. https://doi.org/10.3390/mi12091014

