Piezoelectric Performance of a Symmetrical Ring-Shaped Piezoelectric Energy Harvester Using PZT-5H under a Temperature Gradient
Abstract
1. Introduction
2. Structure and Method
2.1. Structure Design
2.2. Finite Element Method (FEM)
2.3. Electromechanical Coupling Model
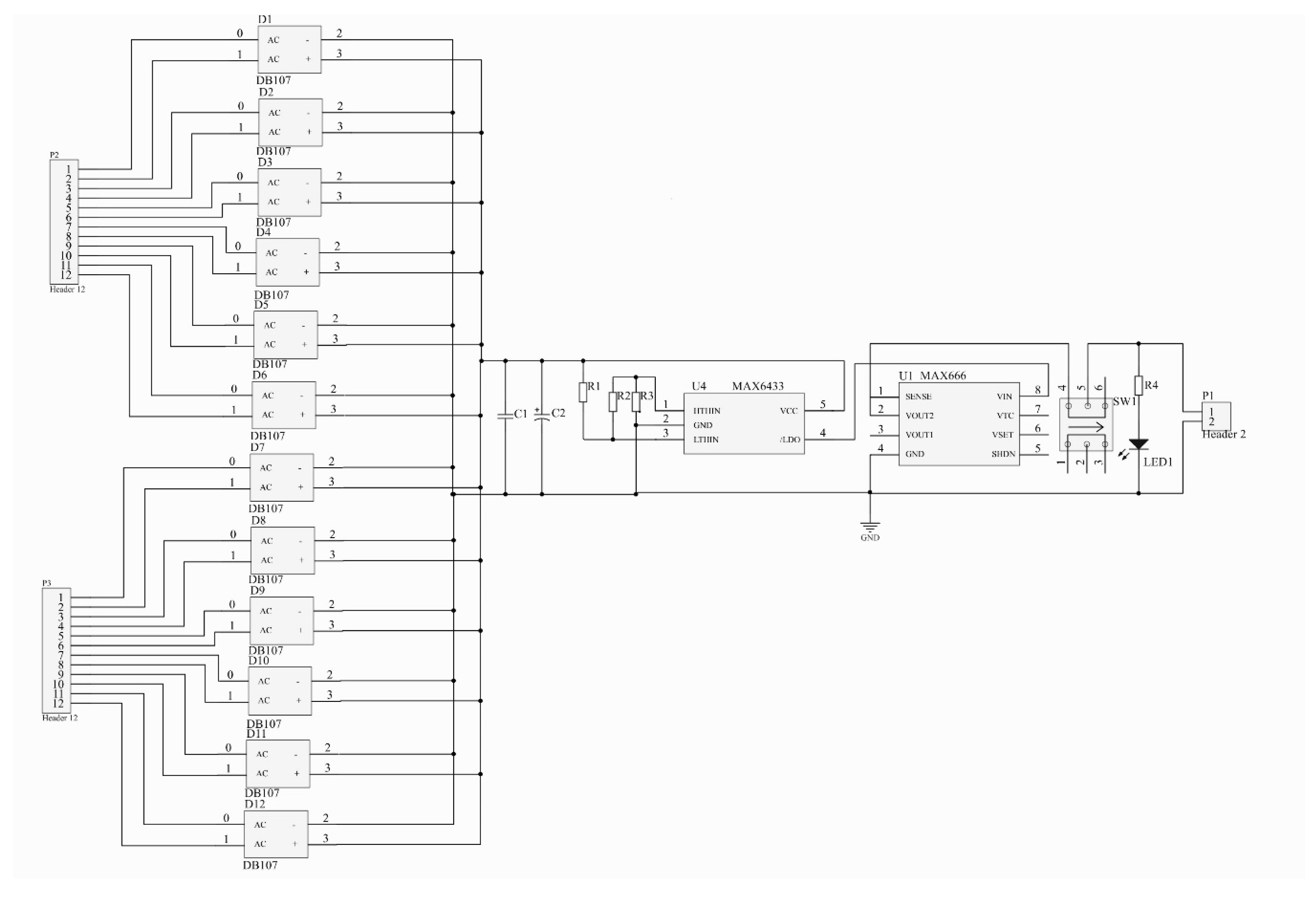
2.4. Commutating and Voltage-Stabilizing Circuit
3. Result and Discussion
3.1. Voltage Analysis
3.2. Power Analysis
3.3. Power Density and Energy Analysis
3.4. Output Performance Comparison
4. Conclusions
Author Contributions
Funding
Acknowledgments
Conflicts of Interest
References
- Deng, F.M.; Zuo, P.Q.; Wen, K.Y. Novel soil environment monitoring system based on RFID sensor and LoRa. Comput. Electron. Agric. 2020, 169, 105169. [Google Scholar] [CrossRef]
- Giannì, C.; Marco, B.; Salvatore, E. Low-power global navigation satellite system-enabled wireless sensor network for acoustic emission localization in aerospace components. Struct. Control Health Monit. 2020, 27, e2525. [Google Scholar] [CrossRef]
- Arpaia, P.; Bonavolontá, F.; Cioffi, A. Problems of the advanced encryption standard in protecting Internet of Things sensor networks. Measurement 2020, 161, 107853. [Google Scholar] [CrossRef]
- Jia, J.D.; Shan, X.B.; Upadrashta, D. An asymmetric bending-torsional piezoelectric energy harvester at low wind speed. Energy 2020, 198, 117287. [Google Scholar] [CrossRef]
- Norihisa, M.; Koji, M.; Yuya, M. Editorial for the Special Issue of Selected Papers from the 9th Symposium on Micro-Nano Science and Technology on Micromachines. Micromachines 2019, 10, 618. [Google Scholar] [CrossRef]
- Singh, B.K.; Bambole, V.; Rastogi, V. Multi-channel photonic bandgap engineering in hyperbolic graded index materials embedded one-dimensional photonic crystals. Opt. Laser Technol. 2020, 129, 106293. [Google Scholar] [CrossRef]
- Wang, H.K.; He, C.M.; Lv, S.Y. A new electromagnetic vibrational energy harvesting device for swaying cables. Appl. Energy 2018, 228, 2448–2461. [Google Scholar] [CrossRef]
- Piao, D.M.; Song, Y.C.; Oh, G. Contribution of Yeast Extract, Activated Carbon, and an Electrostatic Field to Interspecies Electron Transfer for the Bioelectrochemical Conversion of Coal to Methane. Energies 2019, 12, 4051. [Google Scholar] [CrossRef]
- Jeqenyes, N.; Morassi, M.; Chretien, P. High Piezoelectric Conversion Properties of Axial InGaN/GaN Nanowires. Nanomaterials 2018, 8, 367. [Google Scholar] [CrossRef]
- Bin, B.; Chen, W.; Wang, Q. A piezoelectric hydro-energy harvester featuring a special container structure. Energy 2019, 189, 116261. [Google Scholar] [CrossRef]
- Lv, C.; An, D.; Ma, R. Cesium carbonate modified electron transport layer for improving the photoelectric conversion efficiency of planar perovskite solar cells. Mater. Sci. Semicond. Process. 2020, 112, 105014. [Google Scholar] [CrossRef]
- Feng, L.; Ma, T. Experimental Study Comparing the Effectiveness of Physical Isolation and ANN Digital Compensation Methodologies at Eliminating the Stress Wave Effect Error on Piezoelectric Pressure Sensor. Sensors 2020, 20, 2397. [Google Scholar] [CrossRef]
- Liu, G.; Zhang, W.; Xi, A. Nonlinear Vibrations of Laminated Cross-Ply Composite Cantilever Plate in Subsonlc Alr Flow. Math. Probl. Eng. 2020, 2020, 4601672. [Google Scholar]
- Babakhani, B.; Rahami, H.; Mohammadi, R.K. Determining Structural Resonance Frequency via Low-Cost Micro-Electromechanical Systems. Iran. J. Sci. Technol. Trans. Civ. Eng. 2019, 43, 583–590. [Google Scholar] [CrossRef]
- Li, Z.J.; Yang, Z.B. Introducing revolute joints into piezoelectric energy harvesters. Energy 2020, 192, 116604. [Google Scholar] [CrossRef]
- Raju, S.S.; Umapathy, M.; Uma, G. Design and analysis of high output piezoelectric energy harvester using non uniform beam. Mech. Adv. Mater. Struct. 2020, 27, 218–227. [Google Scholar] [CrossRef]
- Saxena, S.; Sharma, R.; Pant, B.D. Design and development of guided four beam cantilever type MEMS based piezoelectric energy harvester. Microsyst. Technol. 2017, 23, 1751–1759. [Google Scholar] [CrossRef]
- Abdul, B.; Qualtieri, A.; Guido, F. Design, fabrication and characterization of piezoelectric cantilever MEMS for underwater application. Micro Nano Eng. 2020, 7, 100050. [Google Scholar] [CrossRef]
- Wang, P.H.; Liu, X.; Zhao, H.B. A two-dimensional energy harvester with radially distributed plezoelectric array for vibration with arbitrary in-plane directions. J. Intell. Mater. Syst. Struct. 2020, 30, 1094–1104. [Google Scholar] [CrossRef]
- Jin, L.; Gao, S.Q.; Zhang, X.Y. Output of MEMS Piezoelectric energy harvester of Double-Clamped Beams with Different Width Shapes. Materials 2020, 13, 2330. [Google Scholar] [CrossRef]
- Huang, M.J.; Hou, C.; Li, Y.F. A Low-Frequency Piezoelectric Energy Harvesting System Based on Frequency Up-Conversion Mechanism. Micromachines 2019, 10, 639. [Google Scholar] [CrossRef] [PubMed]
- Lu, W.; Ding, J.J.; Jiang, Z.D. A packaged piezoelectric vibration energy harvester with high power and broadband characteristics. Energy Harvest. Actuators A Phys. 2019, 295, 629–636. [Google Scholar]
- Imrich, G.; Jaroslav, K.; Jan, P. Simple and Efficient AIN-Based Piezoelectric Energy Harvesters. Micromachines 2020, 11, 143. [Google Scholar] [CrossRef]
- Choudhary, H.K.; Kumar, R.; Pawar, S.P. Effect of morphology and role of conductivity of embedded metallic nanoparticles on electromagnetic interference shielding of PVDF-carbonaceous-nanofiller composites. Carbon 2020, 164, 357–368. [Google Scholar] [CrossRef]
- Zhou, X.Y.; Gao, S.Q.; Jin, L. Effects of changing PZT length on the performance of doubly-clamped piezoelectric energy harvester with different beam shapes under stochastic excitation. Microsyst. Technol. 2018, 24, 3799–3813. [Google Scholar] [CrossRef]
- Sahu, S.A.; Mondal, S.; Dewangan, N. Polarized shear waves in functionally graded piezoelectric material layer sandwiched between corrugated piezomagnetic layer and elastic substrate. J. Sandw. Struct. Mater. 2019, 21, 2921–2948. [Google Scholar] [CrossRef]
- Li, J.; Wang, B.L.; Zhang, C.W. Anti-plane fracture mechanics analysis of a piezoelectric material layer with strain and electric field gradient effects. Mech. Res. Commun. 2019, 102, 103439. [Google Scholar] [CrossRef]
- Xu, M.H.; Zhou, H.; Zhu, L.H. Design and fabrication of a D33-mode piezoelectric micro-accelerometer. Microsyst. Technol. 2019, 25, 4465–4474. [Google Scholar] [CrossRef]
- Oyarzun, D.I.; Hawks, S.A.; Campbell, P.G. Energy transfer for storage or recovery in capacitive deionization using a DC-DC converter. J. Power Sources 2020, 448, 227409. [Google Scholar] [CrossRef]
- Shu, X.; Li, G.; Shen, J.W. An adaptive fusion estimation algorithm for state of charge of lithium-ion batteries considering wide operating temperature and degradation. J. Power Sources 2020, 462, 228132. [Google Scholar] [CrossRef]












| Heading | Material | Size (mm) | Piezoelectric Coefficient d31 | Resistivity |
|---|---|---|---|---|
| Piezoelectric material | PZT-5H | 15 × 10 × 0.15 | −41~274 | High |
| Substrate | Copper | 150 × 10 × 1 | - | Low |
| Insulation layer | PMMA | 16 × 10 × 10−4 | - | High |
| Conductive adhesive layer | Epoxy resin | 16 × 10 × 10−4 | - | Low |
| Electrode | Chromium | 15 × 10 × 10−4 | - | Low |
| Supporting structure | PMMA | - | - | High |
© 2020 by the authors. Licensee MDPI, Basel, Switzerland. This article is an open access article distributed under the terms and conditions of the Creative Commons Attribution (CC BY) license (http://creativecommons.org/licenses/by/4.0/).
Share and Cite
Zhou, N.; Li, R.; Ao, H.; Zhang, C.; Jiang, H. Piezoelectric Performance of a Symmetrical Ring-Shaped Piezoelectric Energy Harvester Using PZT-5H under a Temperature Gradient. Micromachines 2020, 11, 640. https://doi.org/10.3390/mi11070640
Zhou N, Li R, Ao H, Zhang C, Jiang H. Piezoelectric Performance of a Symmetrical Ring-Shaped Piezoelectric Energy Harvester Using PZT-5H under a Temperature Gradient. Micromachines. 2020; 11(7):640. https://doi.org/10.3390/mi11070640
Chicago/Turabian StyleZhou, Nannan, Rongqi Li, Hongrui Ao, Chuanbing Zhang, and Hongyuan Jiang. 2020. "Piezoelectric Performance of a Symmetrical Ring-Shaped Piezoelectric Energy Harvester Using PZT-5H under a Temperature Gradient" Micromachines 11, no. 7: 640. https://doi.org/10.3390/mi11070640
APA StyleZhou, N., Li, R., Ao, H., Zhang, C., & Jiang, H. (2020). Piezoelectric Performance of a Symmetrical Ring-Shaped Piezoelectric Energy Harvester Using PZT-5H under a Temperature Gradient. Micromachines, 11(7), 640. https://doi.org/10.3390/mi11070640
