Compact 20-W GaN Internally Matched Power Amplifier for 2.5 GHz to 6 GHz Jammer Systems
Abstract
1. Introduction
2. Power Amplifier Design
2.1. Device Description
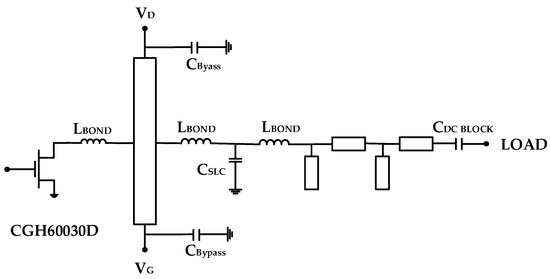
2.2. Input and Output Matching Circuit Design
3. Fabrication and Measurement
3.1. Power Amplifier Fabrication
3.2. Power Amplifier Measurement
4. Conclusions
Author Contributions
Funding
Conflicts of Interest
References
- Runton, D.W.; Trabert, B.; Shealy, J.B.; Vetury, R. History of GaN: High-power RF gallium nitride (GaN) from infancy to manufacturable process and beyond. IEEE Microw. Mag. 2013, 14, 82–93. [Google Scholar] [CrossRef]
- Gonzalez-Garrido, M.A.; Grajal, J.; Cubilla, P.; Cetronio, A.; Lanzieri, C.; Uren, M. 2–6 GHz GaN MMIC power amplifiers for electronic warfare applications. In Proceedings of the 2008 European Microwave Integrated Circuit Conference, IEEE, Amsterdam, The Netherlands, 27–28 October 2008; pp. 83–86. [Google Scholar]
- Saad, P.; Fager, C.; Cao, H.; Zirath, H.; Andersson, K. Design of a highly efficienct 2–4 GHz octave bandwidth GaN-HEMT power amplifier. IEEE Trans. Microw. Theory Tech. 2010, 58, 1677–1685. [Google Scholar] [CrossRef]
- Dennler, P.; Quay, R.; Ambacher, O. Novel semi-reactively-matched multistage broadband power amplifier architecture for monolithic ICs in GaN technology. In Proceedings of the 2013 IEEE MTT-S International Microwave Symposium Digest (MTT), IEEE, Seattle, WA, USA, 2–7 June 2013; pp. 1–4. [Google Scholar]
- Giofre, R.; Colantonio, P.; Giannini, F. 1–6 GHz ultrawideband 4 W single-ended GaN power amplifier. Microw. Opt. Tech. Lett. 2014, 56, 215–217. [Google Scholar] [CrossRef]
- Kim, D.W. An output matching technique for a GaN distributed power amplifier MMIC using tapered drain shunt capacitors. IEEE Microw. Wirel. Compon. Lett. 2015, 25, 603–605. [Google Scholar]
- Bae, K.T.; Kim, D.W. 2-6 GHz GaN distributed power amplifier MMIC with tapered gate-series/drain-shunt capacitors. Int. J. RF Microw. Comput. Aided Eng. 2016, 26, 456–465. [Google Scholar] [CrossRef]
- Wilcox, G.; Andrews, M. TriQuint Delivers High Power–Wideband GaN Technology. Available online: https://www.rfmw.com/data/triquint%20gan.pdf (accessed on 5 July 2019).
- Integrated Electronic Warfare System Own Enemy’s Battlespace. Available online: https://www.qualcomm.com/media/documents/files/spectrum-for-4g-and-5g.pdf (accessed on 20 January 2020).
- Huawei Technologies. 5G Spectrum-Huawei. 2017. Available online: https://www-file.huawei.com/-/media/CORPORATE/PDF/public-policy/public_policy_position_5g_spectrum.pdf (accessed on 8 January 2020).
- Pozar, D.M. Microwave Engineering; Wiley: Hoboken, NJ, USA, 2006. [Google Scholar]
- Virdee, B.S.; Virdee, A.S.; Banyamin, B.Y. Broadband Microwave Amplifiers; Artech House: Norwood, MA, USA, 2004. [Google Scholar]
- Wolfspeed, GaN HEMT CGH60030D. Available online: https://www.wolfspeed.com/cgh60030d (accessed on 1 June 2018).
- Keysight Technologies. PathWave EM Design (EMPro). Available online: https://www.keysight.com/kr/ko/assets/7018-02343/brochures/5990-4819.pdf (accessed on 18 May 2018).
- Kim, S.I.; Lee, M.P.; Hong, S.J.; Kim, D.W. Ku-band 50 W GaN HEMT power amplifier using asymmetric power combining of transistor cells. Micromachines 2018, 9, 619. [Google Scholar] [CrossRef] [PubMed]
- Yeom, K.W. Microwave Circuit Design: A Practical Approach Using ADS; Prentice Hall: Upper Saddle River, NJ, USA, 2015. [Google Scholar]
- Ghannouchi, F.M.; Hashmi, M.S. Load-Pull Techniques with Applications to Power Amplifier Design; Springer: Berlin/Heidelberg, Germany, 2013. [Google Scholar]
- Itoh, Y.; Nii, M.; Kohno, Y.; Mochizuki, M.; Takagi, T. A 4 to 25 GHz 0.5 W monolithic lossy match amplifier. In Proceedings of the IEEE MTT-S International Microwave Symposium Digest, San Diego, CA, USA, 23–27 May 1994; pp. 257–260. [Google Scholar]
- Lee, S.K.; Bae, K.T.; Kim, D.W. 2~6 GHz GaN HEMT power amplifier MMIC with bridged-T all-pass filters and output reactance compensation shorted stubs. J. Semicond. Technol. Sci. 2016, 16, 312–318. [Google Scholar] [CrossRef]
- Bahl, I.J. Fundamentals of RF and Microwave Transistor Amplifiers; Wiley: Hoboken, NJ, USA, 2009. [Google Scholar]
- Berrached, C.; Bouw, D.; Camiade, M.; Barataud, D. Wideband high efficiency high power GaN amplifiers using MIC and quasi-MMIC technologies. In Proceedings of the 2013 European Microwave Conference, IEEE, Nuremberg, Germany, 6–10 October 2013; pp. 1395–1398. [Google Scholar]
- Le, Q.H.; Zimmer, G. Wideband high efficiency 50 W GaN-HEMT balanced power amplifier. In Proceedings of the 2018 48th European Microwave Conference (EuMC), IEEE, Madrid, Spain, 23–27 September 2018; pp. 348–351. [Google Scholar]
- Compex Corporation. Available online: http://www.compexcorp.com/index (accessed on 10 June 2017).
- Besser, L.; Gilmore, R. Practical RF Circuit Design for Modern Wireless Systems—Volume 1 Passive Circuits and Systems; Artech House: Norwood, MA, USA, 2003. [Google Scholar]
- Arnous, M.T.; Barbin, S.E.; Boeck, G. Design of multi-octave highly efficient 20 Watt harmonically tuned power amplifier. In Proceedings of the 2016 21st International Conference on Microwave, Radar and Wireless Communications (MIKON), Krakow, Poland, 9–11 May 2016; pp. 1–4. [Google Scholar]
- Nia, H.T.; Hosseini, S.H.J.; Nayyeri, V. Design and fabrication of 2-6 GHz 25 W and 35 W power amplifiers. In Proceedings of the 2018 9th International Symposium on Telecommunications (IST2018), Tehran, Iran, 17–19 December 2018; pp. 647–651. [Google Scholar]
- Sayed, A.S.; Ahmed, H.N. Wideband high efficiency power amplifier design using precise high frequency GaN HEMT parasitics modeling/compensation. In Proceedings of the 2019 IEEE Topical Conference on RF/Microwave Power Amplifiers for Radio and Wireless Applications (PAWR), Orlando, FL, USA, 20–23 January 2019; pp. 1–4. [Google Scholar]
- Zhuang, Y.; Zhou, J.; Huang, Y.; Rabbi, K.; Rayit, R. Design of ultra broadband highly efficient GaN power amplifier using voronoi diagram. In Proceedings of the ARMMS RF and Microwave Society Conference, Thame, Oxfordshire, UK, 23–24 April 2018; Volume 1, pp. 1–6. [Google Scholar]
- Rubio, J.J.M.; Camarchia, V.; Quaglia, R.; Malaver, E.F.A.; Pirola, M. A 0.6-3.8 GHz GaN power amplifier designed through a simple strategy. IEEE Microw. Wirel. Compon. Lett. 2016, 26, 446–448. [Google Scholar] [CrossRef]
- Berrached, C.; Bouw, D.; Camiade, M.; El-Akhdar, K.; Barataud, D.; Neveux, G. Wideband, high-efficiency, high-power GaN amplifiers, using MIC and quasi-MMIC technologies, in the 1-4 GHz range. Int. J. Microw. Wirel. Technol. 2014, 7, 1–12. [Google Scholar] [CrossRef]













| Parameters | Specifications |
|---|---|
| operating frequency | DC—6 GHz |
| saturated output power | 30 W |
| power-added efficiency | 65% at 4 GHz |
| small-signal gain | 15 dB at 4 GHz |
| operating voltage | 28 V |
| size | 920 μm × 1660 μm |
| References | Frequency [GHz] | Power Gain [dB] | Pout [dBm] | PAE [%] | Technology | Drain Voltage [V] | Size [mm2] |
|---|---|---|---|---|---|---|---|
| Ref. [25] | 1.1–2.7 | 9.5–11.5 | 43–45 | 59–72 | PCB | 28 | 120 × 50 |
| Ref. [26] | 2–6 | 8–9 | 43.5–44.5 | 40–47 | PCB | 30 | est. 68 × 28 |
| Ref. [27] | 1.7–3 | 9.8–10.7 | 43.8–44.4 | 57.2–71.1 1 | PCB | 28 | est. 75 × 35 |
| Ref. [28] | 0.3–2.3 | ≥10 | 40–43.5 | 58–69 | PCB | 28 | 59 × 50 |
| Ref. [29] | 0.6–3.8 | 9–14 | 40–42 | 46–75 | PCB | 28 | 69 × 40 |
| Ref. [30] | 2–4 | ≥9.8 | 44 | 37–521 | Quasi-MMIC | 50 | ≤420 |
| This work | 2.5–6 | 6.2–8.3 | 43.3–43.9 | 33.4–49.7 | Thin film | 28 | 9.9 × 6.8 |
© 2020 by the authors. Licensee MDPI, Basel, Switzerland. This article is an open access article distributed under the terms and conditions of the Creative Commons Attribution (CC BY) license (http://creativecommons.org/licenses/by/4.0/).
Share and Cite
Lee, M.-P.; Kim, S.; Hong, S.-J.; Kim, D.-W. Compact 20-W GaN Internally Matched Power Amplifier for 2.5 GHz to 6 GHz Jammer Systems. Micromachines 2020, 11, 375. https://doi.org/10.3390/mi11040375
Lee M-P, Kim S, Hong S-J, Kim D-W. Compact 20-W GaN Internally Matched Power Amplifier for 2.5 GHz to 6 GHz Jammer Systems. Micromachines. 2020; 11(4):375. https://doi.org/10.3390/mi11040375
Chicago/Turabian StyleLee, Min-Pyo, Seil Kim, Sung-June Hong, and Dong-Wook Kim. 2020. "Compact 20-W GaN Internally Matched Power Amplifier for 2.5 GHz to 6 GHz Jammer Systems" Micromachines 11, no. 4: 375. https://doi.org/10.3390/mi11040375
APA StyleLee, M.-P., Kim, S., Hong, S.-J., & Kim, D.-W. (2020). Compact 20-W GaN Internally Matched Power Amplifier for 2.5 GHz to 6 GHz Jammer Systems. Micromachines, 11(4), 375. https://doi.org/10.3390/mi11040375

