Dual Path Attention Network (DPANet) for Intelligent Identification of Wenchuan Landslides
Abstract
:1. Introduction
- (1)
- We constructed a landslide identification database for Wenchuan County.
- (2)
- To address the problems of the confusion of bare ground with landslides and the difficulty in identifying landslides due to dark remote sensing images, we developed the dual path attention network (DPANet), which can effectively solve the above problems and improve the accuracy of landslide identification.
- (3)
- Through migration learning, we transposed the knowledge of the landslide image features memorized by the deep network for Wenchuan County to other areas in the upper reaches of the Minjiang River. In addition, we interpreted the landslides identified by the model in detail and completed field validation to enrich the landslide database for the upper Minjiang River.
2. Materials and Methods
2.1. Study Area
2.2. Production of Sample Database
2.2.1. Production of Landslide Interpretation Database
2.2.2. Production of a Landslide Sample Database for Intelligent Identification
2.3. Methodology
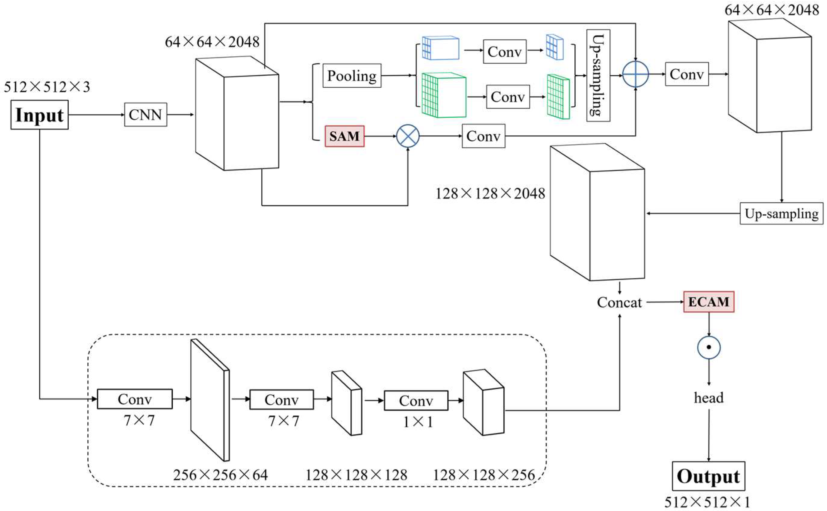
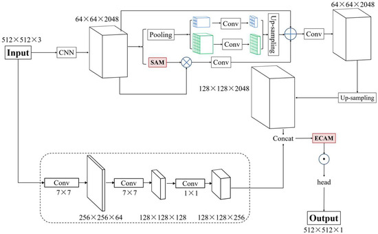
2.3.1. Dual Path Attention Network (DPANet)
2.3.2. Sub-Paths of DPANet
2.3.3. Spatial-Efficient Channel Attention Module (SECAM)
2.3.4. Accuracy Evaluation Index
3. Experimental Analysis and Discussion
3.1. Experimental Platform
3.2. Training Details
3.2.1. Optimizer
3.2.2. Loss Function
3.2.3. Learning Rate
3.3. Accuracy Evaluation of the Baseline Models
3.3.1. Selection of Backbone Networks
3.3.2. Selection of the Baseline Networks
3.4. Ablation Experiments with DPANet
3.4.1. Sub-Paths of DPANet
3.4.2. SECAM of DPANet
3.4.3. DPANet
3.5. Validation of DPANet Transfer Effectiveness
3.5.1. Design for Validation
3.5.2. Results of DPANet Transfer
4. Conclusions
Author Contributions
Funding
Conflicts of Interest
References
- Hampton, M.A.; Lee, H.J.; Locat, J. Submarine Landslides. Rev. Geophys. 1996, 34, 33–59. [Google Scholar] [CrossRef]
- Fell, R.; Ho, K.K.S.; Lacasse, S.; Leroi, E. A Framework for Landslide Risk Assessment and Management. In Landslide Risk Management; CRC Press: Boca Raton, FL, USA, 2005; pp. 13–36. ISBN 0429151357. [Google Scholar]
- Xu, C.; Xu, X.; Yu, G. Landslides Triggered by Slipping-Fault-Generated Earthquake on a Plateau: An Example of the 14 April 2010, Ms 7.1, Yushu, China Earthquake. Landslides 2013, 10, 421–431. [Google Scholar] [CrossRef]
- Ibrahim, M.B.; Salisu, S.A.; Musa, A.A.; Abussalam, B.; Hamza, S.M. Framework for the Identification of Shallow Ground Movement in Modified Slopes (an Expert Opinion). In Proceedings of the IOP Conference Series: Earth and Environmental Science, Depok, Indonesia, 27–28 August 2022; IOP Publishing: Bristol, UK, 2022; Volume 1064, p. 12055. [Google Scholar]
- Fang, K.; Zhang, J.; Tang, H.; Hu, X.; Yuan, H.; Wang, X.; An, P.; Ding, B. A Quick and Low-Cost Smartphone Photogrammetry Method for Obtaining 3D Particle Size and Shape. Eng. Geol. 2023, 322, 107170. [Google Scholar] [CrossRef]
- Cuthbertson, J.; Archer, F.; Robertson, A.; Rodriguez-Llanes, J.M. Improving Disaster Data Systems to Inform Disaster Risk Reduction and Resilience Building in Australia: A Comparison of Databases. Prehosp. Disaster Med. 2021, 36, 511–518. [Google Scholar] [CrossRef] [PubMed]
- Hervás, J.; Bobrowsky, P. Mapping: Inventories, Susceptibility, Hazard and Risk. Landslides–Disaster Risk Reduct. 2009, 321–349. [Google Scholar]
- Ahmed, B.; Rahman, M.S.; Sammonds, P.; Islam, R.; Uddin, K. Application of Geospatial Technologies in Developing a Dynamic Landslide Early Warning System in a Humanitarian Context: The Rohingya Refugee Crisis in Cox’s Bazar, Bangladesh. Geomat. Nat. Hazards Risk 2020, 11, 446–468. [Google Scholar] [CrossRef]
- Garcia-Delgado, H.; Petley, D.N.; Bermúdez, M.A.; Sepúlveda, S.A. Fatal Landslides in Colombia (from Historical Times to 2020) and Their Socio-Economic Impacts. Landslides 2022, 19, 1689–1716. [Google Scholar] [CrossRef]
- Fang, K.; Tang, H.; Li, C.; Su, X.; An, P.; Sun, S. Centrifuge Modelling of Landslides and Landslide Hazard Mitigation: A Review. Geosci. Front. 2022, 14, 101493. [Google Scholar] [CrossRef]
- Wang, C.; Wang, H.; Qin, W.; Wei, S.; Tian, H.; Fang, K. Behaviour of Pile-Anchor Reinforced Landslides under Varying Water Level, Rainfall, and Thrust Load: Insight from Physical Modelling. Eng. Geol. 2023, 325, 107293. [Google Scholar] [CrossRef]
- Huabin, W.; Gangjun, L.; Weiya, X.; Gonghui, W. GIS-Based Landslide Hazard Assessment: An Overview. Prog. Phys. Geogr. Earth Environ. 2005, 29, 548–567. [Google Scholar] [CrossRef]
- Liu, J.; Wu, Y.; Gao, X.; Zhang, X. A Simple Method of Mapping Landslides Runout Zones Considering Kinematic Uncertainties. Remote Sens. 2022, 14, 668. [Google Scholar] [CrossRef]
- Martha, T.R.; Kerle, N.; Van Westen, C.J.; Jetten, V.; Kumar, K.V. Segment Optimization and Data-Driven Thresholding for Knowledge-Based Landslide Detection by Object-Based Image Analysis. IEEE Trans. Geosci. Remote Sens. 2011, 49, 4928–4943. [Google Scholar] [CrossRef]
- Shaha, M.; Pawar, M. Transfer Learning for Image Classification. In Proceedings of the 2018 Second International Conference on Electronics, Communication and Aerospace Technology (ICECA), Coimbatore, India, 29–31 March 2018; IEEE: Piscataway, MJ, USA, 2018; pp. 656–660. [Google Scholar]
- Wang, X.; Fan, X.; Xu, Q.; Du, P. Change Detection-Based Co-Seismic Landslide Mapping through Extended Morphological Profiles and Ensemble Strategy. ISPRS J. Photogramm. Remote Sens. 2022, 187, 225–239. [Google Scholar] [CrossRef]
- Castilla, G.; Hay, G.J.; Ruiz-Gallardo, J.R. Size-Constrained Region Merging (SCRM): An Automated Delineation Tool for Assisted Photointerpretation. Photogramm. Eng. Remote Sens. 2008, 74, 409. [Google Scholar] [CrossRef]
- Huang, Y.; Chen, Z.; Tao, Y.U.; Huang, X.; Gu, X. Agricultural Remote Sensing Big Data: Management and Applications. J. Integr. Agric. 2018, 17, 1915–1931. [Google Scholar] [CrossRef]
- Wasowski, J.; Bovenga, F. Remote Sensing of Landslide Motion with Emphasis on Satellite Multi-Temporal Interferometry Applications: An Overview. Landslide Hazards Risks Disasters 2022, 365–438. [Google Scholar] [CrossRef]
- Casagli, N.; Frodella, W.; Morelli, S.; Tofani, V.; Ciampalini, A.; Intrieri, E.; Raspini, F.; Rossi, G.; Tanteri, L.; Lu, P. Spaceborne, UAV and Ground-Based Remote Sensing Techniques for Landslide Mapping, Monitoring and Early Warning. Geoenviron. Disasters 2017, 4, 9. [Google Scholar] [CrossRef]
- Mohan, A.; Singh, A.K.; Kumar, B.; Dwivedi, R. Review on Remote Sensing Methods for Landslide Detection Using Machine and Deep Learning. Trans. Emerg. Telecommun. Technol. 2021, 32, e3998. [Google Scholar] [CrossRef]
- Patino, J.E.; Duque, J.C. A Review of Regional Science Applications of Satellite Remote Sensing in Urban Settings. Comput. Environ. Urban Syst. 2013, 37, 1–17. [Google Scholar] [CrossRef]
- Taylor, L.S.; Quincey, D.J.; Smith, M.W.; Baumhoer, C.A.; McMillan, M.; Mansell, D.T. Remote Sensing of the Mountain Cryosphere: Current Capabilities and Future Opportunities for Research. Prog. Phys. Geogr. Earth Environ. 2021, 45, 931–964. [Google Scholar] [CrossRef]
- Hölbling, D.; Friedl, B.; Eisank, C. An Object-Based Approach for Semi-Automated Landslide Change Detection and Attribution of Changes to Landslide Classes in Northern Taiwan. Earth Sci. Inform. 2015, 8, 327–335. [Google Scholar] [CrossRef]
- Qi, J.; Chen, H.; Chen, F. Extraction of Landslide Features in UAV Remote Sensing Images Based on Machine Vision and Image Enhancement Technology. Neural Comput. Appl. 2021, 34, 1–15. [Google Scholar] [CrossRef]
- Gong, J.; Wang, D.; Li, Y.; Zhang, L.; Yue, Y.; Zhou, J.; Song, Y. Earthquake-Induced Geological Hazards Detection under Hierarchical Stripping Classification Framework in the Beichuan Area. Landslides 2010, 7, 181–189. [Google Scholar] [CrossRef]
- Fang, H.; Tong, B.; Du, X.; Li, Y.; Yang, X. Semi-Automatic Terrain Slope Unit Division Method Based on Human–Computer Interaction. In Proceedings of the IOP Conference Series: Earth and Environmental Science, Vienna, Austria, 18–21 May 2020; IOP Publishing: Bristol, UK, 2020; Volume 570, p. 42016. [Google Scholar]
- Zheng, X.; He, G.; Wang, S.; Wang, Y.; Wang, G.; Yang, Z.; Yu, J.; Wang, N. Comparison of Machine Learning Methods for Potential Active Landslide Hazards Identification with Multi-Source Data. ISPRS Int. J. Geo-Inf. 2021, 10, 253. [Google Scholar] [CrossRef]
- Moosavi, V.; Talebi, A.; Shirmohammadi, B. Producing a Landslide Inventory Map Using Pixel-Based and Object-Oriented Approaches Optimized by Taguchi Method. Geomorphology 2014, 204, 646–656. [Google Scholar] [CrossRef]
- Keyport, R.N.; Oommen, T.; Martha, T.R.; Sajinkumar, K.S.; Gierke, J.S. A Comparative Analysis of Pixel- and Object-Based Detection of Landslides from Very High-Resolution Images. Int. J. Appl. Earth Obs. Geoinf. 2018, 64, 1–11. [Google Scholar] [CrossRef]
- Dikshit, A.; Pradhan, B.; Alamri, A.M. Pathways and Challenges of the Application of Artificial Intelligence to Geohazards Modelling. Gondwana Res. 2021, 100, 290–301. [Google Scholar] [CrossRef]
- Guha, S.; Jana, R.K.; Sanyal, M.K. Artificial Neural Network Approaches for Disaster Management: A Literature Review (2010–2021). Int. J. Disaster Risk Reduct. 2022, 81, 103276. [Google Scholar] [CrossRef]
- Li, H.; He, Y.; Xu, Q.; Deng, J.; Li, W.; Wei, Y. Detection and Segmentation of Loess Landslides via Satellite Images: A Two-Phase Framework. Landslides 2022, 19, 673–686. [Google Scholar] [CrossRef]
- Li, H.; He, Y.; Xu, Q.; Deng, J.; Li, W.; Wei, Y.; Zhou, J. Sematic Segmentation of Loess Landslides with STAPLE Mask and Fully Connected Conditional Random Field. Landslides 2023, 20, 367–380. [Google Scholar] [CrossRef]
- Hacıefendioğlu, K.; Demir, G.; Başağa, H.B. Landslide Detection Using Visualization Techniques for Deep Convolutional Neural Network Models. Nat. Hazards 2021, 109, 329–350. [Google Scholar] [CrossRef]
- Su, Z.; Chow, J.K.; Tan, P.S.; Wu, J.; Ho, Y.K.; Wang, Y.-H. Deep Convolutional Neural Network–Based Pixel-Wise Landslide Inventory Mapping. Landslides 2021, 18, 1421–1443. [Google Scholar] [CrossRef]
- Höffler, T.N. Spatial Ability: Its Influence on Learning with Visualizations—A Meta-Analytic Review. Educ. Psychol. Rev. 2010, 22, 245–269. [Google Scholar] [CrossRef]
- Lu, M.Y.; Williamson, D.F.K.; Chen, T.Y.; Chen, R.J.; Barbieri, M.; Mahmood, F. Data-Efficient and Weakly Supervised Computational Pathology on Whole-Slide Images. Nat. Biomed. Eng. 2021, 5, 555–570. [Google Scholar] [CrossRef]
- Mondini, A.C.; Guzzetti, F.; Chang, K.-T.; Monserrat, O.; Martha, T.R.; Manconi, A. Landslide Failures Detection and Mapping Using Synthetic Aperture Radar: Past, Present and Future. Earth-Sci. Rev. 2021, 216, 103574. [Google Scholar] [CrossRef]
- Hong, H.; Chen, W.; Xu, C.; Youssef, A.M.; Pradhan, B.; Tien Bui, D. Rainfall-Induced Landslide Susceptibility Assessment at the Chongren Area (China) Using Frequency Ratio, Certainty Factor, and Index of Entropy. Geocarto Int. 2017, 32, 139–154. [Google Scholar] [CrossRef]
- Joseph, J.; Mishra, D.; Martha, T.R.; Nidamanuri, R.R. A Deep Learning Framework for Automatic Landslide Inventory Mapping (DLF-ALM). In Proceedings of the 38th INCA International Congress on Emerging Technologies in Cartography, Hyderabad, India, 29 October 2018. [Google Scholar]
- Ghorbanzadeh, O.; Blaschke, T.; Gholamnia, K.; Meena, S.R.; Tiede, D.; Aryal, J. Evaluation of Different Machine Learning Methods and Deep-Learning Convolutional Neural Networks for Landslide Detection. Remote Sens. 2019, 11, 196. [Google Scholar] [CrossRef]
- Meena, S.R.; Ghorbanzadeh, O.; van Westen, C.J.; Nachappa, T.G.; Blaschke, T.; Singh, R.P.; Sarkar, R. Rapid Mapping of Landslides in the Western Ghats (India) Triggered by 2018 Extreme Monsoon Rainfall Using a Deep Learning Approach. Landslides 2021, 18, 1937–1950. [Google Scholar] [CrossRef]
- Ju, Y.; Xu, Q.; Jin, S.; Li, W.; DONG, X.; GUO, Q. Automatic Object Detection of Loess Landslide Based on Deep Learning. Geomat. Inf. Sci. Wuhan Univ. 2020, 45, 1747–1755. [Google Scholar]
- Ju, Y.; Xu, Q.; Jin, S.; Li, W.; Su, Y.; Dong, X.; Guo, Q. Loess Landslide Detection Using Object Detection Algorithms in Northwest China. Remote Sens. 2022, 14, 1182. [Google Scholar] [CrossRef]
- Liu, P.; Wei, Y.; Wang, Q.; Xie, J.; Chen, Y.; Li, Z.; Zhou, H. A Research on Landslides Automatic Extraction Model Based on the Improved Mask R-CNN. ISPRS Int. J. Geo-Inf. 2021, 10, 168. [Google Scholar] [CrossRef]
- Tao, C.; Qi, J.; Li, Y.; Wang, H.; Li, H. Spatial Information Inference Net: Road Extraction Using Road-Specific Contextual Information. ISPRS J. Photogramm. Remote Sens. 2019, 158, 155–166. [Google Scholar] [CrossRef]
- Zhou, M.; Sui, H.; Chen, S.; Wang, J.; Chen, X. BT-RoadNet: A Boundary and Topologically-Aware Neural Network for Road Extraction from High-Resolution Remote Sensing Imagery. ISPRS J. Photogramm. Remote Sens. 2020, 168, 288–306. [Google Scholar] [CrossRef]
- Li, R.; Zheng, S.; Zhang, C.; Duan, C.; Wang, L.; Atkinson, P.M. ABCNet: Attentive Bilateral Contextual Network for Efficient Semantic Segmentation of Fine-Resolution Remotely Sensed Imagery. ISPRS J. Photogramm. Remote Sens. 2021, 181, 84–98. [Google Scholar] [CrossRef]
- Yu, B.; Chen, F.; Xu, C. Landslide Detection Based on Contour-Based Deep Learning Framework in Case of National Scale of Nepal in 2015. Comput. Geosci. 2020, 135, 104388. [Google Scholar] [CrossRef]
- Akcay, O.; Kinaci, A.C.; Avsar, E.O.; Aydar, U. Semantic Segmentation of High-Resolution Airborne Images with Dual-Stream DeepLabV3+. ISPRS Int. J. Geo-Inf. 2022, 11, 23. [Google Scholar] [CrossRef]
- Schönfeldt, E.; Winocur, D.; Pánek, T.; Korup, O. Deep Learning Reveals One of Earth’s Largest Landslide Terrain in Patagonia. Earth Planet. Sci. Lett. 2022, 593, 117642. [Google Scholar] [CrossRef]
- Wang, Q.; Wu, B.; Zhu, P.; Li, P.; Zuo, W.; Hu, Q. ECA-Net: Efficient Channel Attention for Deep Convolutional Neural Networks. In Proceedings of the IEEE/CVF Conference on Computer Vision and Pattern Recognition, Seattle, WA, USA, 13–19 June 2020; pp. 11534–11542. [Google Scholar]
- Woo, S.; Park, J.; Lee, J.-Y.; Kweon, I.S. Cbam: Convolutional Block Attention Module. In Proceedings of the European Conference on Computer Vision (ECCV), Munich, Germany, 8–14 September 2018; pp. 3–19. [Google Scholar]
- Kalantar, B.; Ueda, N.; Al-Najjar, H.A.H.; Halin, A.A. Assessment of Convolutional Neural Network Architectures for Earthquake-Induced Building Damage Detection Based on Pre-and Post-Event Orthophoto Images. Remote Sens. 2020, 12, 3529. [Google Scholar] [CrossRef]
- Ouma, Y.; Nkwae, B.; Moalafhi, D.; Odirile, P.; Parida, B.; Anderson, G.; Qi, J. Comparison of Machine Learning Classifiers for Multitemporal and Multisensor Mapping of Urban Lulc Features. Int. Arch. Photogramm. Remote Sens. Spat. Inf. Sci. 2022, XLIII-B3-2022, 681–689. [Google Scholar] [CrossRef]
- Caroppo, A.; Leone, A.; Siciliano, P. Deep Transfer Learning Approaches for Bleeding Detection in Endoscopy Images. Comput. Med. Imaging Graph. 2021, 88, 101852. [Google Scholar] [CrossRef]




















| Category | Interpretation Criterion | Major Features |
|---|---|---|
| Direct interpretation of signs | Shape | Typical landslide bodies are usually dustpan-, strap-, or ellipse-shaped in imaging data; most earthquake-caused landslides feature a strip- or spoon-shape. |
| Color tone | Landslide locations are toned differently with respect to the surrounding stable landforms. | |
| Texture | Fragmented terrain and uneven surfaces cause spectra to reflect differently on each part of a landslide slope, leading to roughly textured images. | |
| Indirect interpretation of signs | Vegetation | Disturbed vegetation on a slope’s surface is low in coverage, distributed in irregular and scattered manners as sheets, points, or clusters. Exposed rocky soil always covers a large portion of the surface. |
| Hydrology | Landslides formed on riverbanks will cause arc-shaped protrusions or variations in the river at a given location; squeezes from the slope to the channel will create abnormalities of water flow; the river will also erode the landslide slope at the front edge. | |
| Slope terrain | Indications of landslides include ridges, terraces, and hills in a canyon that are staggered or interrupted; a series of terraces that have changed or been buried under gentle hillsides; grooves or diversions in hillside ravines; ravine captured; obviously narrower or shallower cross-sections; etc. |
| Landslide Boundaries | Cropped Images (512 × 512 Pixels) | Cropped Labels (512 × 512 Pixels) |
|---|---|---|
![]() | ![]() | ![]() |
![]() | ![]() | ![]() |
| Hardware and Software | Parameters |
|---|---|
| CPU | Intel Xeon E5-2680 v3 |
| GPU | NVIDIA GeForce RTX 2080Ti |
| Operating memory | 256 GB |
| Total video memory | 60 GB |
| Operating system | Ubuntu 18.04 |
| Python | Python 3.6 |
| IDE | PyCharm 2020.1 (Professional Edition) |
| CUDA | CUDA 10.0 |
| CUDNN | CUDNN 7.6.5 |
| Deep learning architecture | PyTorch 1.2.0 |
| Baseline Model | Backbone Network | PA | Recall | F1-Score | OA |
|---|---|---|---|---|---|
| U-Net | Resnet18 | 0.54 | 0.41 | 0.47 | 0.83 |
| Resnet34 | 0.53 | 0.40 | 0.46 | 0.83 | |
| Resnet50 | 0.52 | 0.40 | 0.45 | 0.83 | |
| Resnet101 | 0.48 | 0.49 | 0.48 | 0.83 | |
| Resnet152 | 0.55 | 0.35 | 0.43 | 0.84 | |
| Deeplab_V3+ | Resnet18 | 0.55 | 0.38 | 0.45 | 0.84 |
| Resnet34 | 0.49 | 0.48 | 0.49 | 0.83 | |
| Resnet50 | 0.69 | 0.68 | 0.68 | 0.87 | |
| Resnet101 | 0.65 | 0.57 | 0.61 | 0.86 | |
| Resnet152 | 0.67 | 0.49 | 0.57 | 0.86 | |
| PSPNet | Resnet18 | 0.54 | 0.37 | 0.44 | 0.84 |
| Resnet34 | 0.52 | 0.47 | 0.49 | 0.84 | |
| Resnet50 | 0.69 | 0.69 | 0.69 | 0.89 | |
| Resnet101 | 0.67 | 0.68 | 0.67 | 0.88 | |
| Resnet152 | 0.67 | 0.67 | 0.67 | 0.88 | |
| DANet | Resnet18 | 0.67 | 0.63 | 0.65 | 0.87 |
| Resnet34 | 0.64 | 0.63 | 0.64 | 0.87 | |
| Resnet50 | 0.67 | 0.64 | 0.65 | 0.88 | |
| Resnet101 | 0.65 | 0.64 | 0.64 | 0.88 | |
| Resnet152 | 0.66 | 0.66 | 0.66 | 0.88 |
| Models | PA | Recall | F1-Score | OA |
|---|---|---|---|---|
| PSPNet | 0.69 | 0.69 | 0.69 | 0.89 |
| Sub-paths of DPANet | 0.76 | 0.78 | 0.77 | 0.91 |
| Models | PA | Recall | F1-Score | OA |
|---|---|---|---|---|
| PSPNet | 0.69 | 0.69 | 0.69 | 0.89 |
| SECAM of DPANet | 0.74 | 0.69 | 0.71 | 0.90 |
| Models | PA | Recall | F1-Score | OA |
|---|---|---|---|---|
| PSPNet | 0.69 | 0.69 | 0.69 | 0.89 |
| DPANet | 0.87 | 0.85 | 0.86 | 0.93 |
Disclaimer/Publisher’s Note: The statements, opinions and data contained in all publications are solely those of the individual author(s) and contributor(s) and not of MDPI and/or the editor(s). MDPI and/or the editor(s) disclaim responsibility for any injury to people or property resulting from any ideas, methods, instructions or products referred to in the content. |
© 2023 by the authors. Licensee MDPI, Basel, Switzerland. This article is an open access article distributed under the terms and conditions of the Creative Commons Attribution (CC BY) license (https://creativecommons.org/licenses/by/4.0/).
Share and Cite
Wang, X.; Wang, D.; Sun, T.; Dong, J.; Xu, L.; Li, W.; Li, S.; Ran, P.; Ao, J.; Zou, Y.; et al. Dual Path Attention Network (DPANet) for Intelligent Identification of Wenchuan Landslides. Remote Sens. 2023, 15, 5213. https://doi.org/10.3390/rs15215213
Wang X, Wang D, Sun T, Dong J, Xu L, Li W, Li S, Ran P, Ao J, Zou Y, et al. Dual Path Attention Network (DPANet) for Intelligent Identification of Wenchuan Landslides. Remote Sensing. 2023; 15(21):5213. https://doi.org/10.3390/rs15215213
Chicago/Turabian StyleWang, Xiao, Di Wang, Tiegang Sun, Jianhui Dong, Luting Xu, Weile Li, Shaoda Li, Peilian Ran, Jinxi Ao, Yulan Zou, and et al. 2023. "Dual Path Attention Network (DPANet) for Intelligent Identification of Wenchuan Landslides" Remote Sensing 15, no. 21: 5213. https://doi.org/10.3390/rs15215213
APA StyleWang, X., Wang, D., Sun, T., Dong, J., Xu, L., Li, W., Li, S., Ran, P., Ao, J., Zou, Y., Wang, J., & Zeng, X. (2023). Dual Path Attention Network (DPANet) for Intelligent Identification of Wenchuan Landslides. Remote Sensing, 15(21), 5213. https://doi.org/10.3390/rs15215213







