Prediction of Sea Surface Temperature in the East China Sea Based on LSTM Neural Network
Abstract
:1. Introduction
2. Materials and Methods
2.1. Materials
2.2. Methods
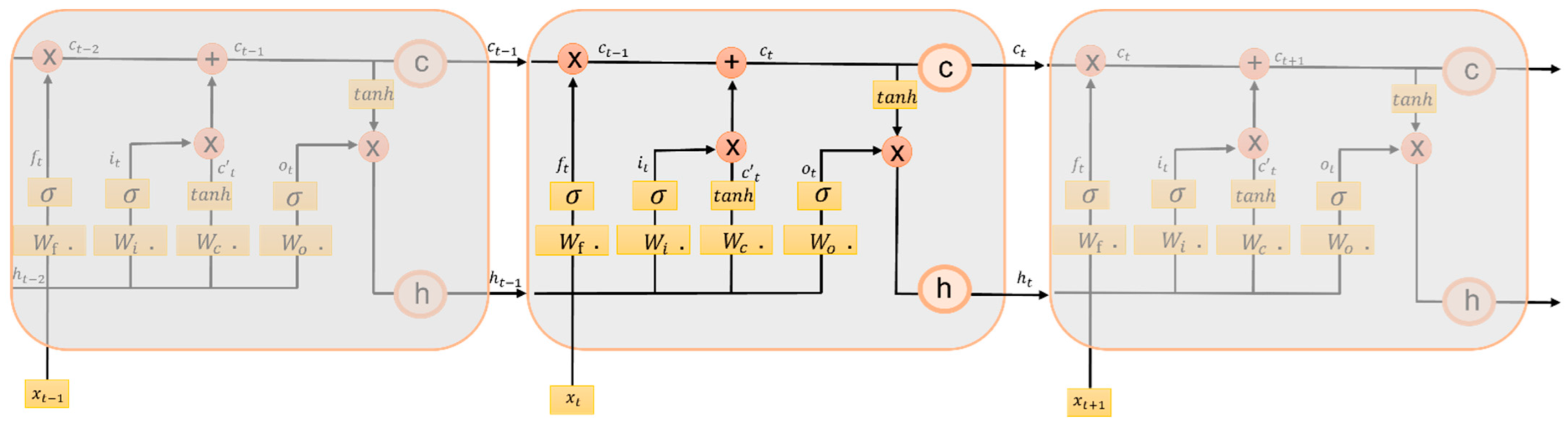
2.2.1. LSTM Neural Network
2.2.2. Model Building
- (1)
- Network initialization. Weights vector W and bias vector b are randomly initialized. The initial learning rate and the maximum number of iterations are set to 0.0001 and 100, respectively, where EarlyStopping is used in the number of iterations.
- (2)
- Data standardization. The missing values in the data are filled with the surrounding values, and the MinmaxScaler function is imported from the sklearn library to standardize the dataset X to (−1, 1) to obtain the standardized dataset X.
- (3)
- The division of dataset X. The standardized dataset X is set according to the window length L and the number of days of prediction, in which the training set and the validation set are divided into 85% and 15%, respectively.
- (4)
- Error calculation. The error between the output of the output layer and the satellite data and the loss function are calculated using MSE.
- (5)
- Update of weights and thresholds. Using the Adam gradient optimization algorithm, update the weights W and biases b according to the loss function.
- (6)
- Repeat steps (3) to (5). The training ends when the training times reach the maximum number of iterations, or the value of the loss function does not change for three consecutive iterations.
2.2.3. Evaluation Indicators
3. Results
3.1. The Effect of Different Parameter Settings on LSTM Prediction Performance
3.1.1. The Impact of Input Length on LSTM Prediction Performance
3.1.2. The Impact of Prediction Lengths on LSTM Prediction Performance
3.2. Analysis of Prediction Results at Different Points
3.3. Migration Analysis
3.3.1. Migration Analysis for Monthly Changes
3.3.2. Mobility Analysis of Seasonal Changes
4. Conclusions
- (1)
- The input and prediction lengths will affect the prediction performance of the LSTM model. The increase of the input length can improve the prediction performance of the LSTM model to a certain extent, but no obvious positive correlation is seen between them. Meanwhile, the prediction performance of the LSTM model decreases with the increase of the prediction length, and an obvious negative correlation is seen between them. The effect is the best when the prediction length is 1 and the worst when it is 5.
- (2)
- The prediction results of the LSTM model for a single site are quite accurate, but the extremum cannot be well displayed. Furthermore, affected by the seasonal variation of the Yangtze River Estuary, the prediction result of the Yangtze River Estuary site is the worst compared with other regions.
- (3)
- By analyzing the AE and RMSE of the prediction results of the LSTM model, most of the error is found to be less than 0.4 °C and 0.5 °C, respectively, and the LSTM model has a very successful migration in the East China Sea. In addition, the AE and RMSE of the seasonal and monthly average have prominent spatial characteristics. The places with larger error are distributed in the Yangtze River estuary and its north, the Kuroshio, and the Min-Zhe coastal current.
Author Contributions
Funding
Institutional Review Board Statement
Informed Consent Statement
Data Availability Statement
Conflicts of Interest
References
- Sumner, M.D.; Michael, K.J.; Bradshaw, C.J.A.; Hindell, M.A. Remote sensing of Southern Ocean sea surface temperature: Implications for marine biophysical models. Remote Sens. Environ. 2003, 84, 161–173. [Google Scholar] [CrossRef]
- Wentz, F.J.; Gentemann, C.; Smith, D.; Chelton, D. Satellite Measurements of Sea Surface Temperature through Clouds. Science 2000, 288, 847–850. [Google Scholar] [CrossRef] [PubMed] [Green Version]
- Rauscher, S.A.; Jiang, X.; Steiner, A.; Williams, A.P.; Jiang, X. Sea Surface Temperature Warming Patterns and Future Vegetation Change. J. Clim. 2015, 28, 7943–7961. [Google Scholar] [CrossRef] [Green Version]
- Salles, R.; Mattos, P.; Iorgulescu, A.-M.D.; Bezerra, E.; Lima, L.; Ogasawara, E. Evaluating temporal aggregation for predicting the sea surface temperature of the Atlantic Ocean. Ecol. Inform. 2016, 36, 94–105. [Google Scholar] [CrossRef]
- Bouali, M.; Sato, O.T.; Polito, P.S. Temporal trends in sea surface temperature gradients in the South Atlantic Ocean. Remote Sens. Environ. 2017, 194, 100–114. [Google Scholar] [CrossRef]
- Cane, M.A.; Kaplan, A.; Clement, A.C.; Kushnir, Y. Twentieth-Century Sea Surface Temperature Trends. Science 1997, 275, 957–960. [Google Scholar] [CrossRef] [Green Version]
- Castro, S.L.; Wick, G.A.; Steele, M. Validation of satellite sea surface temperature analyses in the Beaufort Sea using UpTempO buoys. Remote Sens. Environ. 2016, 187, 458–475. [Google Scholar] [CrossRef]
- Chaidez, V.; Dreano, D.; Agusti, S.; Duarte, C.M.; Hoteit, I. Decadal trends in Red Sea maximum surface temperature. Sci. Rep. 2017, 7, 8144. [Google Scholar] [CrossRef] [Green Version]
- Herbert, T.D.; Peterson, L.C.; Lawrence, K.T.; Liu, Z. Tropical ocean temperatures over the past 3.5 million years. Science 2010, 328, 1530–1534. [Google Scholar] [CrossRef]
- Yao, S.; Luo, J.; Huang, G.; Wang, P. Distinct global warming rates tied to multiple ocean surface temperature changes. Nat. Clim. Change 2017, 7, 486–491. [Google Scholar] [CrossRef]
- Jiao, N.; Zhang, Y.; Zeng, Y.; Gardner, W.D. Ecological anomalies in the East China Sea: Impacts of the Three Gorges Dam? Water Res. 2007, 41, 1287–1293. [Google Scholar] [CrossRef] [PubMed]
- Du, B.; Yuan, X. Analysis and Forecast of Sea Surface Temperature Field for the East China Sea and the adjacent waters. Mar. Forecast. 1986, 1, 3–11. [Google Scholar]
- Gao, G.; Marin, M.; Feng, M.; Yin, B.; Yang, D.; Feng, X.; Ding, Y.; Song, D. Drivers of Marine Heatwaves in the East China Sea and the South Yellow Sea in Three Consecutive Summers During 2016–2018. J. Geophys. Res. Ocean. 2020, 125, e16518. [Google Scholar] [CrossRef]
- Tiwari, P.; Dimri, A.P.; Shenoi, S.C.; Francis, P.A.; Jithin, A.K. Impact of Surface forcing on simulating Sea Surface Temperature in the Indian Ocean—A study using Regional Ocean Modeling System (ROMS). Dyn. Atmos. Ocean. 2021, 95, 101243. [Google Scholar] [CrossRef]
- Gao, S.; Lv, X.; Wang, H. Sea Surface Temperature Simulation of Tropical and North Pacific Basins Using a Hybrid Coordinate Ocean Model (HYCOM). Mar. Sci. Bull. 2008, 10, 1–14. [Google Scholar]
- Arx, W. An Introduction to Physical Oceanography. Am. J. Phys. 2005, 30, 775–776. [Google Scholar] [CrossRef]
- Bell, M.J.; Schiller, A.; Le Traon, P.Y. An introduction to GODAE OceanView. J. Oper. Oceanogr. 2015, 8 (Suppl. 1), s2–s11. [Google Scholar] [CrossRef]
- Xue, Y.; Leetmaa, A. Forecasts of tropical Pacific SST and sea level using a Markov model. Geophys. Res. Lett. 2000, 27, 2701–2704. [Google Scholar] [CrossRef] [Green Version]
- Laepple, T.; Jewson, S. Five year ahead prediction of Sea Surface Temperature in the Tropical Atlantic: A comparison between IPCC climate models and simple statistical methods. arXiv 2007, arXiv:physics/0701165. [Google Scholar] [CrossRef]
- Collins, D.C.; Reason, C.; Tangang, F. Predictability of Indian Ocean sea surface temperature using canonical correlation analysis. Clim. Dyn. 2004, 22, 481–497. [Google Scholar] [CrossRef]
- Peng, Y.; Wang, Q.; Yuan, C.; Lin, K. Review of Research on Data Mining in Application of Meteorological Forecasting. J. Arid. Meteorol. 2015, 33, 9. [Google Scholar]
- Kusiak, A.; Zheng, H.; Song, Z. Wind farm power prediction: A data-mining approach. Wind Energy 2009, 12, 275–293. [Google Scholar] [CrossRef]
- Ho, H.C.; Knudby, A.; Sirovyak, P.; Xu, Y.; Hodul, M. Mapping maximum urban air temperature on hot summer days. Remote Sens. Environ. 2014, 154, 38–45. [Google Scholar] [CrossRef]
- Behrang, M.A.; Assareh, E.; Ghanbarzadeh, A.; Noghrehabadib, A.R. The potential of different artificial neural network (ANN) techniques in daily global solar radiation modeling based on meteorological data. Sol. Energy 2010, 84, 1468–1480. [Google Scholar] [CrossRef]
- Mellit, A.; Pavan, A.M.; Benghanem, M. Least squares support vector machine for short-term prediction of meteorological time series. Theor. Appl. Climatol. 2012, 111, 297–307. [Google Scholar] [CrossRef]
- Yue, L.; Shen, H.; Zhang, L.; Zheng, X.; Zhang, F.; Yuan, Q. High-quality seamless DEM generation blending SRTM-1, ASTER GDEM v2 and ICESat/GLAS observations. ISPRS J. Photogramm. Remote Sens. 2017, 123, 20–34. [Google Scholar] [CrossRef] [Green Version]
- Zang, L.; Mao, F.; Guo, J.; Wang, W.; Pan, Z.; Shen, H.; Zhu, B.; Wang, Z. Estimation of spatiotemporal PM 1.0 distributions in China by combining PM 2.5 observations with satellite aerosol optical depth. Sci. Total Environ. 2019, 658, 1256–1264. [Google Scholar] [CrossRef]
- Tangang, F.T.; Tang, B.; Monahan, A.H. Forecasting ENSO Events: A Neural Network–Extended EOF Approach. J. Clim. 1998, 11, 29–41. [Google Scholar] [CrossRef]
- Tangang, F.T.; Hsieh, W.W.; Tang, B.; Hsieh, W.W. Forecasting the equatorial Pacific sea surface temperatures by neural network models. Clim. Dyn. 1997, 13, 135–147. [Google Scholar] [CrossRef]
- Tangang, F.T.; Hsieh, W.W.; Tang, B. Forecasting regional sea surface temperatures in the tropical Pacific by neural network models, with wind stress and sea level pressure as predictors. J. Geophys. Res. Ocean. 1998, 103, 7511–7522. [Google Scholar] [CrossRef]
- Wu, A.; Hsieh, W.W.; Tang, B. Neural network forecasts of the tropical Pacific sea surface temperatures. Neural Netw. 2006, 19, 145–154. [Google Scholar] [CrossRef] [Green Version]
- Gupta, S.M.; Malmgren, B.A. Comparison of the accuracy of SST estimates by artificial neural networks (ANN) and other quantitative methods using radiolarian data from the Antarctic and Pacific Oceans. Earth Sci. India 2009, 2, 52–75. [Google Scholar]
- Tripathi, K.C.; Das, I.; Sahai, A.K. Predictability of sea surface temperature anomalies in the Indian Ocean using artificial neural networks. Indian J. Mar. Sci. 2006, 35, 210–220. [Google Scholar]
- Patil, K.; Deo, M.C.; Ghosh, S.; Ravichandran, M. Predicting Sea Surface Temperatures in the North Indian Ocean with Nonlinear Autoregressive Neural Networks. Int. J. Oceanogr. 2013, 2013, 302479. [Google Scholar] [CrossRef] [Green Version]
- Patil, K.; Deo, M.C. Prediction of daily sea surface temperature using efficient neural networks. Ocean. Dyn. 2017, 67, 357–368. [Google Scholar] [CrossRef]
- Mahongo, S.B.; Deo, M.C. Using Artificial Neural Networks to Forecast Monthly and Seasonal Sea Surface Temperature Anomalies in the Western Indian Ocean. Int. J. Ocean. Clim. Syst. 2013, 4, 133–150. [Google Scholar] [CrossRef] [Green Version]
- Aparna, S.G.; D’Souza, S.; Arjun, N.B. Prediction of daily sea surface temperature using artificial neural networks. Int. J. Remote Sens. 2018, 39, 4214–4231. [Google Scholar] [CrossRef]
- Hou, S.; Li, W.; Liu, T.; Zhou, S.; Guan, J.; Qin, R.; Wang, Z. MIMO: A Unified Spatio-Temporal Model for Multi-Scale Sea Surface Temperature Prediction. Remote Sens. 2022, 14, 2371. [Google Scholar] [CrossRef]
- Lecun, Y.; Bengio, Y.; Hinton, G. Deep learning. Nature 2015, 521, 436. [Google Scholar] [CrossRef]
- Zhang, Q.; Wang, H.; Dong, J.; Zhong, G.; Sun, X. Prediction of Sea Surface Temperature Using Long Short-Term Memory. IEEE Geosci. Remote Sens. Lett. 2017, 14, 1745–1749. [Google Scholar] [CrossRef] [Green Version]
- Sarkar, P.P.; Janardhan, P.; Roy, P. Prediction of sea surface temperatures using deep learning neural networks. SN Appl. Sci. 2020, 2, 1458. [Google Scholar] [CrossRef]
- Kim, M.; Yang, H.; Kim, J. Sea Surface Temperature and High Water Temperature Occurrence Prediction Using a Long Short-Term Memory Model. Remote Sens. 2020, 12, 3654. [Google Scholar] [CrossRef]
- Li, X. Sea surface temperature prediction model based on long and short-term memory neural network. IOP Conf. Ser. Earth Environ. Sci. 2021, 658, 12040. [Google Scholar] [CrossRef]
- Xiao, C.; Chen, N.; Hu, C.; Wang, K. Short and mid-term sea surface temperature prediction using time-series satellite data and LSTM-AdaBoost combination approach. Remote Sens. Environ. 2019, 233, 111358. [Google Scholar] [CrossRef]
- Xiao, C.; Chen, N.; Hu, C.; Wang, K. A spatiotemporal deep learning model for sea surface temperature field prediction using time-series satellite data. Environ. Model. Softw. 2019, 120, 104501–104502. [Google Scholar] [CrossRef]
- Wei, L.; Guan, L.; Qu, L.; Guo, D. Prediction of Sea Surface Temperature in the China Seas Based on Long Short-Term Memory Neural Networks. Remote Sens. 2020, 12, 2697. [Google Scholar] [CrossRef]
- Sun, Y.; Yao, X.; Bi, X.; Huang, X.; Zhao, X.; Qiao, B. Time-Series Graph Network for Sea Surface Temperature Prediction. Big Data Res. 2021, 25, 100237. [Google Scholar] [CrossRef]
- Zhang, Z.; Pan, X.; Jiang, T.; Sui, B.; Liu, C.; Sun, W. Monthly and Quarterly Sea Surface Temperature Prediction Based on Gated Recurrent Unit Neural Network. J. Mar. Sci. Eng. 2020, 8, 249. [Google Scholar] [CrossRef] [Green Version]
- Donlon, C.J.; Martin, M.; Stark, J. Roberts-Jones, J.; Fiedler, E.; Wimmer, W. The Operational Sea Surface Temperature and Sea Ice Analysis (OSTIA) system. Remote Sens. Environ. 2012, 116, 140–158. [Google Scholar] [CrossRef]
- Jiang, X.; Xi, M.; Song, Q. A comparison analysis of six sea surface temperature products. Acta Oceanol. Sin. 2013, 35, 88–97. [Google Scholar]
- Hochreiter, S.; Schmidhuber, J. Long Short-Term Memory. Neural Comput. 1997, 9, 1735–1780. [Google Scholar] [CrossRef] [PubMed]
- Graves, A.; Schmidhuber, J. Framewise phoneme classification with bidirectional LSTM and other neural network architectures. Neural Netw. 2005, 18, 602–610. [Google Scholar] [CrossRef] [PubMed]
- Duchi, J.; Hazan, E.; Singer, Y. Adaptive Subgradient Methods for Online Learning and Stochastic Optimization. J. Mach. Learn. Res. 2011, 12, 2121–2159. [Google Scholar]
- Kingma, D.P.; Ba, J. Adam: A Method for Stochastic Optimization. arXiv 2014, arXiv:1412.6980. [Google Scholar] [CrossRef]
- Su, J.L.; Guan, B.X.; Jiang, J.Z. The Kuroshio. Part I. Physical features. Oceanogr. Mar. Biol. Annu. Rev. 1990, 28, 11–71. [Google Scholar]
- Bryden, H.L.; Roemmich, D.H.; Church, J.A. Ocean heat transport across 24°N in the Pacific. Deep Sea Res. 1991, 38, 297–324. [Google Scholar] [CrossRef]











| Location | L1 | L2 | L3 | L4 | |
|---|---|---|---|---|---|
| Length of Input | |||||
| 2 | 0.3465 | 0.2698 | 0.1786 | 0.3331 | |
| 5 | 0.2741 | 0.0568 | 0.0458 | 0.0769 | |
| 10 | 0.2730 | 0.0917 | 0.0707 | 0.0764 | |
| 15 | 0.2461 | 0.0995 | 0.1005 | 0.0698 | |
| Location | L1 | L2 | L3 | L4 | |
|---|---|---|---|---|---|
| Length of Input | |||||
| 2 | 0.9976 | 0.9830 | 0.9949 | 0.9884 | |
| 5 | 0.9985 | 0.9992 | 0.9996 | 0.9993 | |
| 10 | 0.9985 | 0.9980 | 0.9992 | 0.9994 | |
| 15 | 0.9988 | 0.9977 | 0.9984 | 0.9995 | |
| Location | L1 | L2 | L3 | L4 | |||||
|---|---|---|---|---|---|---|---|---|---|
| Length of Input | Max | Mean | Max | Mean | Max | Mean | Max | Mean | |
| 2 | 1.3978 | 0.2454 | 0.9512 | 0.1979 | 0.7163 | 0.1356 | 1.1755 | 0.2471 | |
| 5 | 1.1656 | 0.1968 | 0.2773 | 0.0406 | 0.1893 | 0.0328 | 0.3873 | 0.0574 | |
| 10 | 1.0081 | 0.2003 | 0.5757 | 0.0634 | 0.2271 | 0.0540 | 0.3401 | 0.0551 | |
| 15 | 0.8816 | 0.1833 | 0.5338 | 0.0724 | 0.3605 | 0.0773 | 0.3624 | 0.0500 | |
| Improve Rate | 36.93% | 25.31% | 70.85% | 79.48% | 73.57% | 75.81% | 71.07% | 79.77% | |
Publisher’s Note: MDPI stays neutral with regard to jurisdictional claims in published maps and institutional affiliations. |
© 2022 by the authors. Licensee MDPI, Basel, Switzerland. This article is an open access article distributed under the terms and conditions of the Creative Commons Attribution (CC BY) license (https://creativecommons.org/licenses/by/4.0/).
Share and Cite
Jia, X.; Ji, Q.; Han, L.; Liu, Y.; Han, G.; Lin, X. Prediction of Sea Surface Temperature in the East China Sea Based on LSTM Neural Network. Remote Sens. 2022, 14, 3300. https://doi.org/10.3390/rs14143300
Jia X, Ji Q, Han L, Liu Y, Han G, Lin X. Prediction of Sea Surface Temperature in the East China Sea Based on LSTM Neural Network. Remote Sensing. 2022; 14(14):3300. https://doi.org/10.3390/rs14143300
Chicago/Turabian StyleJia, Xiaoyan, Qiyan Ji, Lei Han, Yu Liu, Guoqing Han, and Xiayan Lin. 2022. "Prediction of Sea Surface Temperature in the East China Sea Based on LSTM Neural Network" Remote Sensing 14, no. 14: 3300. https://doi.org/10.3390/rs14143300
APA StyleJia, X., Ji, Q., Han, L., Liu, Y., Han, G., & Lin, X. (2022). Prediction of Sea Surface Temperature in the East China Sea Based on LSTM Neural Network. Remote Sensing, 14(14), 3300. https://doi.org/10.3390/rs14143300

