On-Board Georeferencing Using FPGA-Based Optimized Second-Order Polynomial Equation
Abstract
:1. Introduction
2. Optimization for Georeferencing Scheme
2.1. A Brief Review of Georeferencing
2.1.1. Traditional Second-Order Polynomial Equations
2.1.2. Coordinate Transformation
2.1.3. Resample
2.2. Optimized Georeferencing Scheme
2.2.1. Optimized Second-Order Polynomial Model
2.2.2. Optimized Bilinear Interpolation
3. FPGA-Based Implementation of the Georeferencing Scheme
- The GCPs data is stored in the RAM of the GCP data module. These parameters are sent to the CCM, when the enable signal is being received.
- The gray values of the input image are saved to the ROM through the IIM, when the enable signal is being received.
- The coefficients of , , , , , , , , , , and are calculated in the CCM when the GCP data are arrived. The matrices , , , and are parallel computed.
- The coordinate transformation is carried out in the CTM when the coefficients of second-order polynomial equation are arrived. The values of , , , , and are simultaneously sent to the BIM.
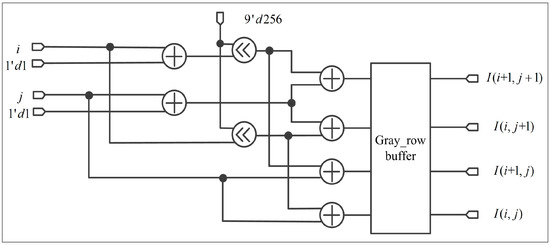
- According to Equations (13) and (16), the interpolation values are calculated. At last, the gray values, latitude, and longitude of the georeferenced image are outputted at the same clock cycle.
3.1. FPGA-Based Solution of the Second-Order Polynomial Equation
3.1.1. Calculation of Matrix
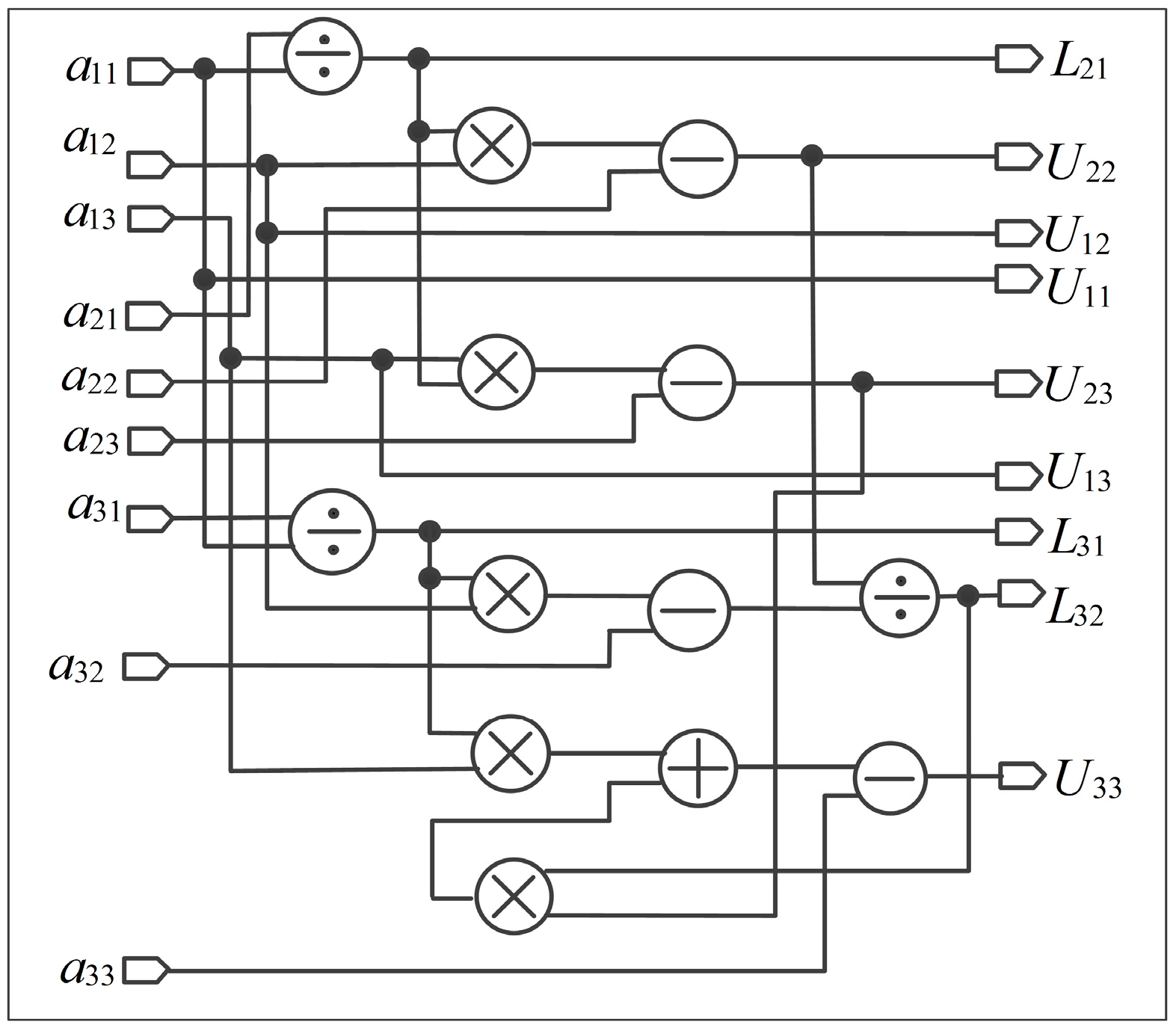
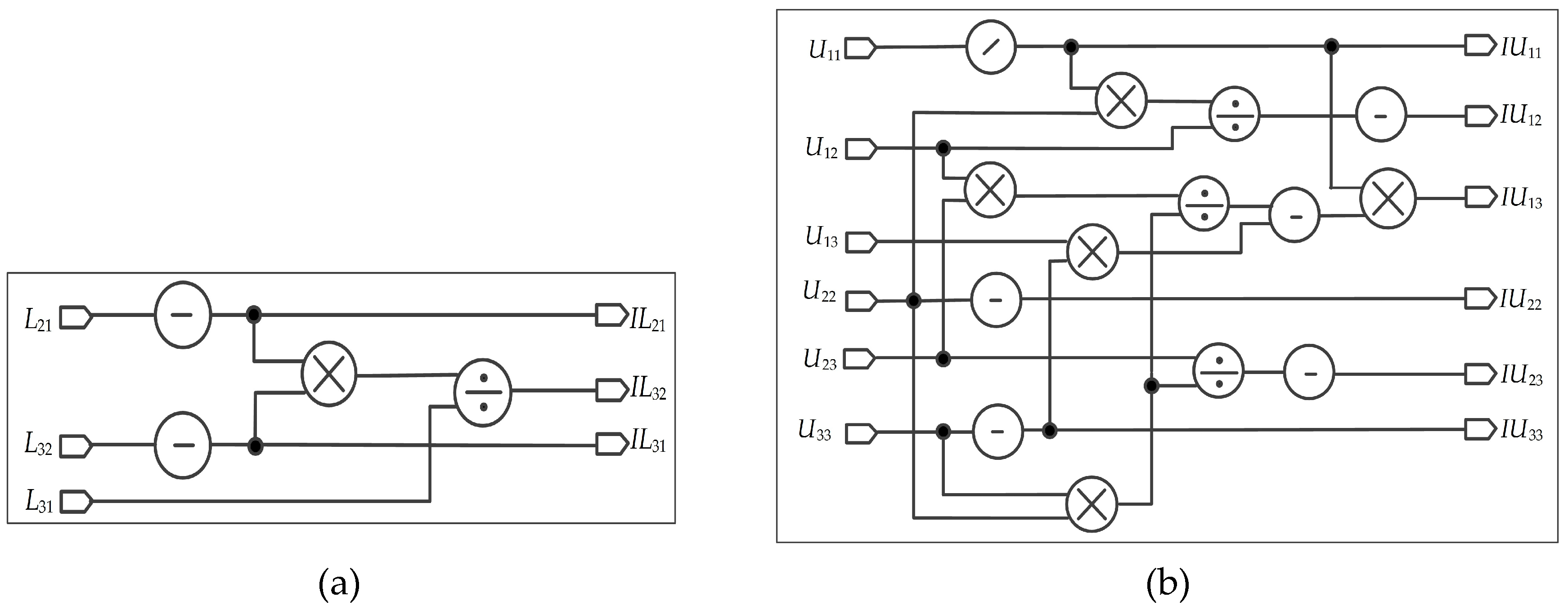
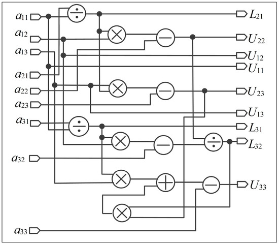
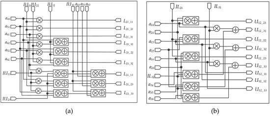
3.1.2. LU Decomposition of the Matrix
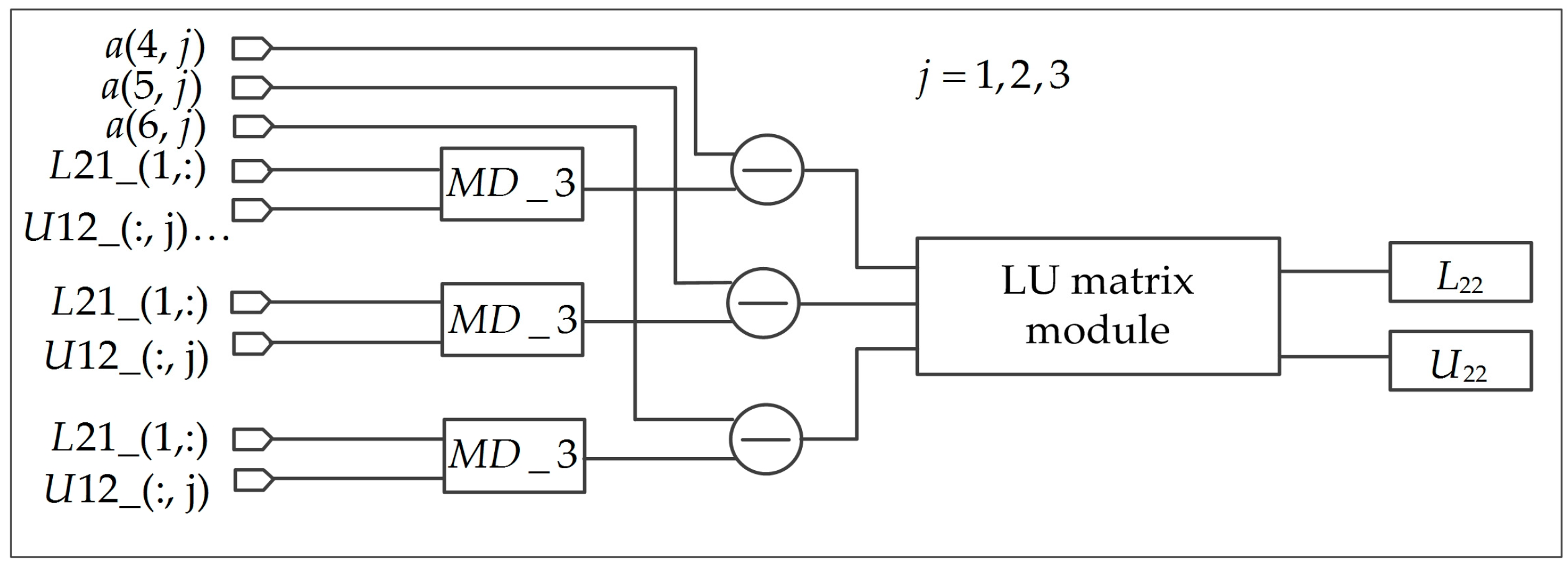
3.1.3. FPGA-Based Implantation of the Matrix
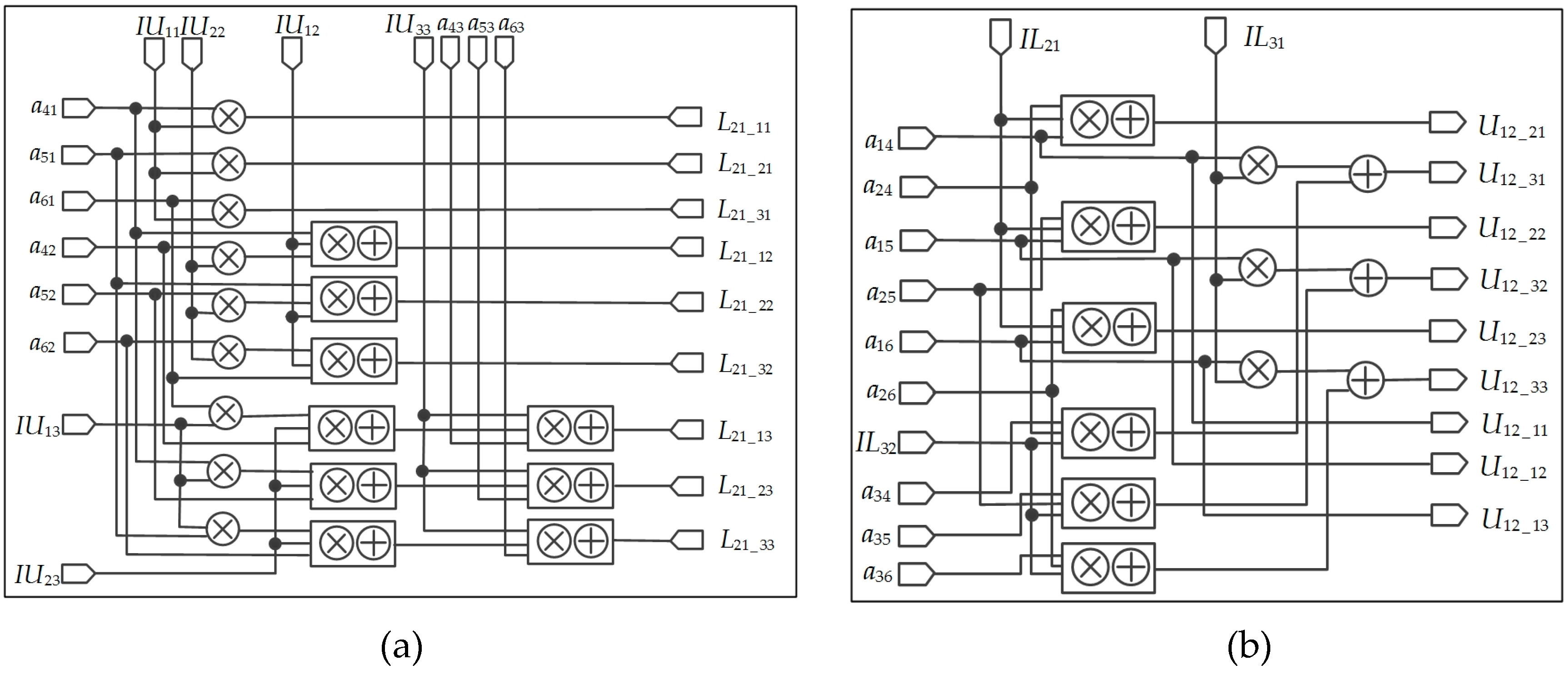
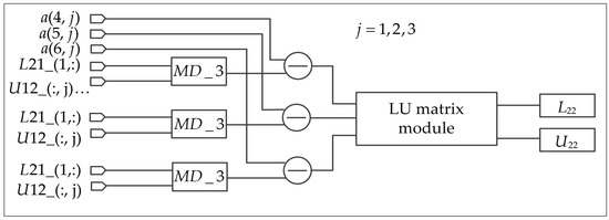
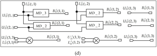
3.1.4. FPGA-Based Implementation of a and b Matrices
- S_idle, idle state. When the rst signal is low, the system is in the reset state, all registers (R0, R1, ..., R5) and other signals are reset.
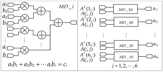
- S_1 to S_6 are the six different state machines (SMs). Under the different SMs, different row values of the matrix with matrix are calculated in the MD_6 modules. The result of MD_6 is serial saved in the registers R5 to R0. When the six SMs are finished, the values of registers R5 to R0 are parallel outputted to the matrix .
- S_1, the first SM. When the rst signal goes high, the current state enters the first state when the enable signal is being received. The values of matrix and are put into the MD_6 module for multiplication and addition. The result is saved in the register R5.
- S_2, the second SM. When the S_1 state is complete, the current state enters the second state. The values of matrix and begin to calculate multiplication and addition. Then, the result is saved in the register R4.
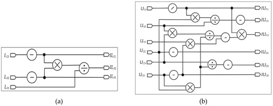
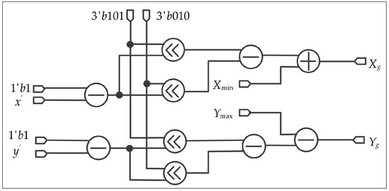
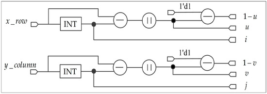
3.2. FPGA-Based Implementation of Coordinate Transformation and Bilinear Interpolation Algorithm
4. Experiment and Performance Analysis
4.1. The Software and Hardware Environment
4.2. Data
4.3. Processing Performance
4.3.1. Error Analysis
4.3.2. Gray Value Comparison
4.3.3. Resource Occupation Analysis
4.3.4. Processing Speed Comparison
4.3.5. Power Consumption
5. Conclusions
Author Contributions
Funding
Acknowledgments
Conflicts of Interest
References
- Joyce, K.E.; Belliss, S.E.; Samsonov, S.V.; Mcneill, S.J.; Glassey, P.J. A review of the status of satellite remote sensing and image processing techniques for mapping natural hazards and disasters. Prog. Phys. Geogr. 2009, 33, 183–207. [Google Scholar] [CrossRef]
- Tralli, D.M.; Blom, R.G.; Zlotnicki, V.; Donnella, A.; Evans, D.L. Satellite remote sensing of earthquake, volcano, flood, landslide and coastal inundation hazards. J. Photogr. Remote Sens. 2005, 59, 185–198. [Google Scholar] [CrossRef]
- Sanyal, J.; Lu, X.X. Application of remote sensing in flood management with special reference to monsoon Asia: A review. Nat. Hazards 2004, 33, 283–301. [Google Scholar] [CrossRef]
- Zhou, G. Near real-time orthorectificatoin and nosaic of small UAV-based video flow for time-critical event response. IEEE Trans. Geosci. Remote Sens. 2009, 47, 739–747. [Google Scholar] [CrossRef]
- Zhou, G.; Zhang, R.; Liu, N.; Huang, J.; Zhou, X. On-board ortho-rectification for images based on an FPGA. Remote Sens. 2017, 9, 874. [Google Scholar] [CrossRef]
- González, G.; Bernabé, S.; Mozos, D.; Plaza, A. FPGA Implementation of an algorithm for automatically detecting targets in remotely Sensed hyperspectral images. IEEE J. Sel. Top. Appl. Earth Obs. Remote Sens. 2016, 9, 4334–4343. [Google Scholar] [CrossRef]
- Qi, B.; Shi, H.; Zhuang, Y.; Chen, H.; Chen, L. On-board, real-time preprocessing system for optical remote-sensing imagery. Sensors 2018, 18, 1328. [Google Scholar] [CrossRef] [PubMed]
- Dawood, A.S.; Visser, S.J.; Williams, J.A. Reconfigurable FPGAs for real time image processing in space. In Proceedings of the 2002 14th International Conference on Digital Signal Processing Proceedings, DSP 2002 (Cat. No. 02TH8628), Santorini, Greece, 1–3 July 2002; pp. 845–848. [Google Scholar]
- Zhang, Y.; Kerle, N. Satellite remote sensing for near-real time data collection. In Geospatial Information Technology for Emergency Response; CRC Press: Taylor & Francis, London, UK, 2008; pp. 91–118. [Google Scholar]
- Zhou, G.; Chen, W.; Kelmelis, J.A.; Zhang, D. A comprehensive study on urban true orthorectification. IEEE Trans. Geosci. Remote Sens. 2005, 43, 2138–2147. [Google Scholar] [CrossRef]
- Zhou, G. Geo-Referencing of video flow from small low-cost civilian UAV. IEEE Trans. Autom. Eng. Sci. 2010, 7, 156–166. [Google Scholar] [CrossRef]
- Ziboon, A.R.T.; Mohammed, I.H. Accuracy assessment of 2D and 3D geometric correction models for different topography in Iraq. Eng. Technol. J. Part A Eng. 2013, 31, 2076–2085. [Google Scholar]
- Kartal, H.; Sertel, E.; Alganci, U. Comperative analysis of different geometric correction methods for very high resolution pleiades images. In Proceedings of the 2017 8th International Conference on Recent Advances in Space Technologies (RAST), Istanbul, Turkey, 19–22 June 2017; pp. 171–175. [Google Scholar]
- Wang, T.; Zhang, G.; Li, D.; Tang, X.; Pan, H.; Zhu, X.; Chen, C. Geometric accuracy validation for ZY-3 satellite imagery. IEEE Geosci. Remote Sens. Lett. 2014, 11, 1168–1171. [Google Scholar] [CrossRef]
- Chen, J.; Joang, T.; Lu, W.; Han, M. The geometric correction and accuracy assessment based on Cartosat-1 satellite image. In Proceedings of the 2010 3rd International Congress on Image and Signal Processing, Yantai, China, 16–18 October 2010; pp. 1253–1257. [Google Scholar]
- Lee, C.A.; Gasster, S.D.; Plaza, A.; Chang, C.I.; Huang, B. Recent developments in high performance computing for remote sensing: A review. IEEE J. Sel. Top. Appl. Earth Obs. Remote Sens. 2011, 4, 508–527. [Google Scholar] [CrossRef]
- Plaza, A.; Valencia, D.; Plaza, J.; Martinez, P. Commodity cluster-based parallel processing of hyperspectral imagery. J. Parallel Distrib. Comput. 2006, 66, 345–358. [Google Scholar] [CrossRef]
- Plaza, A.; Du, Q.; Chang, Y.L.; King, R.L. High performance computing for hyperspectral remote sensing. IEEE J. Sel. Top. Appl. Earth Obs. Remote Sens. 2011, 4, 528–544. [Google Scholar] [CrossRef]
- Fang, L.; Wang, M.; Li, D.; Pan, J. CPU/GPU near real-time preprocessing for ZY-3 satellite images: Relative radiometric correction, MTF compensation, and geocorrection. ISPRS J. Photogr. Remote Sens. 2014, 87, 229–240. [Google Scholar] [CrossRef]
- Van der Jeught, S.; Buytaert, J.A.N.; Dirckx, J.J. Real-time geometric lens distortion correction using a graphics processing unit. Opt. Eng. 2012, 51. [Google Scholar] [CrossRef]
- Thomas, O.; Trym, V.H.; Ingebrigt, W.; Ingebrigt, W. Real-time georeferencing for an airborne hyperspectral imaging system. Algorithms Technol. Multispectral Hyperspectral Ultraspectral Imagery XVII 2011, 8048. [Google Scholar] [CrossRef]
- Reguera-Salgado, J.; Calvino-Cancela, M.; Martin-Herrero, J. GPU geocorrection for airborne pushbroom imagers. IEEE Trans. Geosci. Remote Sens. 2012, 50, 4409–4419. [Google Scholar] [CrossRef]
- López-Fandiño, J.; Barrius, P.Q.; Heras, D.B.; Argüello, F. Efficient ELM-based techniques for the classification of hyperspectral remote sensing images on Commodity GPUs. IEEE J. Sel. Top. Appl. Earth Obs. Remote Sens. 2015, 8, 2884–2893. [Google Scholar] [CrossRef]
- Lu, J.; Zhang, B.; Gong, Z.; Li, E.; Liu, H. The remote-sensing image fusion based on GPU. In Proceedings of the International Archives of the Photogrammetry, Remote Sensing and Spatial Information Sciences, Beijing, China, 23 October 2008; pp. 1233–1238. [Google Scholar]
- Zhu, H.; Cao, Y.; Zhou, Z.; Gong, M. Parallel multi-temporal remote sensing image change detection on GPU. In Proceedings of the IEEE International Parallel and Distributed Processing Symposium Workshops & PhD Forum, IEEE Computer Society, Shanghai, China, 21–25 May 2012; pp. 1898–1904. [Google Scholar]
- Ma, Y.; Chen, L.; Liu, P.; Lu, K. Parallel programing templates for remote sensing image processing on GPU architectures: Design and implementation. Computing 2016, 98, 7–33. [Google Scholar] [CrossRef]
- Lopez, S.; Vladimirova, T.; Gonzalez, G.; Resano, J.; Mozos, D. The promise of reconfigurable romputing for hyperspectral imaging onboard systems: A review and trends. Proc. IEEE 2013, 101, 698–722. [Google Scholar] [CrossRef]
- Zhou, G.; Baysal, O.; Kaye, J.; Habib, S.; Wang, C. Concept design of future intelligent earth observing satellites. Int. J. Remote Sens. 2004, 25, 2667–2685. [Google Scholar] [CrossRef]
- Huang, J.; Zhou, G.; Zhang, D.; Zhang, G.; Zhang, R.; Baysal, O. An FPGA-based implementation of corner detection and matching with outlier rejection. Int. J. Remote Sens. 2018, 1–20. [Google Scholar] [CrossRef]
- Pakartipangi, W.; Darlis, D.; Syihabuddin, B.; Wijanto, H. Analysis of camera array on board data handling using FPGA for nano-satellite application. In Proceedings of the International Conference on Telecommunication Systems Services and Applications, Bandung, Indonesia, 25–26 November 2015; pp. 1–6. [Google Scholar]
- Huang, J.; Zhou, G.; Zhou, X. A new FPGA architecture of fast and brief algorithm for on-board corner detection and matching. Sensors 2018, 18, 1014. [Google Scholar] [CrossRef] [PubMed]
- Yu, G.; Vladimirova, T.; Sweeting, M.N. Image compression systems on board satellites. Acta Astronautica 2009, 64, 988–1005. [Google Scholar] [CrossRef]
- Long, T.; Jiao, W.; He, G.; Zhang, Z. A fast and reliable matching method for automated georeferencing of remotely-sensed imagery. Remote Sens. 2016, 8, 56. [Google Scholar] [CrossRef]
- Williams, J.A.; Dawood, A.S.; Visser, S.J. FPGA-based cloud detection for real-time onboard remote sensing. In Proceedings of the 2002 IEEE International Conference on Field-Programmable Technology (FPT), Hong Kong, China, 16–18 December 2002; pp. 110–116. [Google Scholar]
- González, C.; Mozos, D.; Resano, J.; Plaza, A. FPGA implementation of the N-FINDR algorithm for remotely sensed hyperspectral image analysis. IEEE Trans. Geosci. Remote Sens. 2012, 50, 374–388. [Google Scholar] [CrossRef]
- Swann, R.; Hawkins, D.; Westwellroper, A.; Johnstone, W. The potential for automated mapping from geocoded digital image data. Photogr. Eng. Remote Sens. 1988, 54, 187–193. [Google Scholar]
- Savoy, F.M.; Dev, S.; Lee, Y.H.; Winkler, S. Geo-referencing and stereo calibration of ground-based Whole Sky Imagers using the sun trajectory. In Proceedings of the 2016 IEEE International Geoscience and Remote Sensing Symposium (IGARSS), Beijing, China, 10–15 July 2016; pp. 7473–7476. [Google Scholar]
- Jensen, J.R.; Lulla, K. Introductory Digital image processing-A remote sensing perspective. Environ. Eng. Geosci. 2007, 13, 89–90. [Google Scholar] [CrossRef]
- Chen, L.C.; Teo, T.A.; Liu, C.L. The geometrical comparisons of RSM and RFM for FORMOSAT-2 satellite images. Photogr. Eng. Remote Sens. 2006, 72, 573–579. [Google Scholar] [CrossRef]
- Bannari, A.; Morin, D.; Bénié, G.B.; Bonn, F.J. A theoretical review of different mathematical models of geometric corrections applied to remote sensing images. Remote Sens. Rev. 1995, 13, 27–47. [Google Scholar] [CrossRef]
- Toutin, T. Geometric processing of remote sensing images: Models, algorithms and methods. Int. J. Remote Sens. 2004, 25, 1893–1924. [Google Scholar] [CrossRef]
- Raffa, M.; Mercogliano, P.; Galdi, C. Georeferencing raster maps using vector data: A meteorological application. In Proceedings of the 2016 IEEE Metrology for Aerospace (MetroAeroSpace), Florence, Italy, 22–23 June 2016; pp. 102–107. [Google Scholar]
- Zhou, G.; Ron, L. Accuracy evaluation of ground points from IKONOS high-resolution satellite imagery. Photogr. Eng. Remote Sens. 2000, 66, 1103–1112. [Google Scholar]
- Zhou, G.; Yue, T.; Shi, Y.; Zhang, R.; Huang, J. Second-order polynomial equation-based block adjustment for orthorectification of DISP imagery. Remote Sens. 2016, 8, 680. [Google Scholar] [CrossRef]
- Shlien, S. Geometric correction, registration, and resampling of Landsat imagery. Can. J. Remote Sens. 1979, 5, 74–89. [Google Scholar] [CrossRef]
- Gribbon, K.T.; Bailey, D.G. A novel approach to real-time bilinear interpolation. In Proceedings of the DELTA 2004 Second IEEE International Workshop on Electronic Design, Test and Applications, Perth, WA, Australia, 28–30 January 2004; pp. 126–131. [Google Scholar]
- Bailey, D.G. Design for Embedded Image Processing on FPGAs; John Wiley & Sons (Asia) Pte Ltd.: solaris south tower, Singapore, 2011; pp. 275–305. ISBN 978-0-470-82849-6. [Google Scholar]
- Huang, J. FPGA-Based Optimization and Hardware Implementation of P-H Method for Satellite Relative Attitude and Absolute Attitude Solution. Ph.D. Thesis, Tianjin University, Tianjin, China, 2019. [Google Scholar]
- Zhou, G.; Huang, J.; Shu, L. An FPGA-based P-H method on-board solution for satellite relative altitude. Geomat. Inf. Sci. Wuhan University. 2018, 43, 1–9. [Google Scholar] [CrossRef]
- Daga, V.; Govindu, G.; Prasanna, V.; Gangadharapalli, S.; Sridhar, V. Efficient floating-point based block LU decomposition on FPGAs. In Proceedings of the International Conference on Engineering of Reconfigurable Systems and Algorithms (Ersa’04), Las Vegas, NV, USA, 21–24 June 2004; pp. 276–279. [Google Scholar]
- Gill, T.; Collett, L.; Armston, J.; Eustace, A.; Danaher, T.; Scarth, P.; Flood, N.; Phinn, S. Geometric correction and accuracy assessment of landsat-7 etm+ and landsat-5 tm imagery used for vegetation cover monitoring in queensland, Australia from 1988 to 2007. Surveyor 2010, 55, 273–287. [Google Scholar] [CrossRef]
- Chen, J.; Ji, K.; Shi, Z.; Liu, W. Implementation of block algorithm for LU factorization. In Proceedings of the 2009 WRI World Congress on Computer Science and Information Engineering, Los Angeles, CA, USA, 31 March–2 April 2009; pp. 569–573. [Google Scholar]
- Richards, J.A.; Richards, J.A. Remote Sensing Digital Image Analysis; Springer: Berlin/Heidelberg, Germany, 1999; pp. 39–74. ISBN 978-3-642-30062-2. [Google Scholar]
- Schowengerdt, R.A. Chapter 7-correction and calibration. In Remote Sensing, 3rd ed.; Academic Press: Cambridgem, MA, USA, 2007; p. 285-XXII. ISBN 978-0-12-369407-2. [Google Scholar]
- French, J.C.; Balster, E.J.; Turri, W.F. A 64-bit orthorectification algorithm using fixed-point arithmetic. High-Perform. Comput. Remote Sens. 2013, 8895. [Google Scholar] [CrossRef]
- Shaffer, D.A. An FPGA Implementation of Large-Scale Image Orthorectification. Ph.D. Thesis, University of Dayton, Dayton, OH, USA, 2018. [Google Scholar]



























| Coordinate | Traditional 2nd Polynomial | Optimized 2nd Polynomial | Reduce | |||
|---|---|---|---|---|---|---|
| Multiplier | Adder | Multiplier | Adder | Multiplier | Adder | |
| x | 8 | 5 | 5 | 5 | 6 | 0 |
| y | 8 | 5 | 5 | 5 | ||
| Image | Projection | Zone | Resolution (m) | Band | Wave Length (μm) |
|---|---|---|---|---|---|
| bldt_tm.img | UTM | 13 | 30 × 30 | 3 | 0.63~0.69 |
| tmAtlanta.img | State plan (NAD 27) | 3676 | 30 × 30 | 4 | 0.76~0.90 |
| Platform | RMSEx | RMSEy | RMSE |
|---|---|---|---|
| FPGA | 0.1441 | 0.1672 | 0.2207 |
| MATLAB | 0.1441 | 0.1672 | 0.2207 |
| Visual Studio (C++) | 0.1441 | 0.1672 | 0.2207 |
| ENVI | 0.1442 | 0.1699 | 0.2229 |
| Platform | Coordinate | Max Error (pixel) | Min Error (pixel) | Mean Error (pixel) |
|---|---|---|---|---|
| FPGA | x | 0.5113 | 0.0008 | 0.0775 |
| y | 0.4038 | 0.0026 | 0.0945 | |
| MATLAB | x | 0.5113 | 0.0008 | 0.0775 |
| y | 0.4038 | 0.0026 | 0.0945 | |
| Visual Studio (C++) | x | 0.5113 | 0.0008 | 0.0775 |
| y | 0.4038 | 0.0026 | 0.0945 | |
| ENVI | x | 0.5252 | 0.0008 | 0.0829 |
| y | 0.5252 | 0.0008 | 0.1031 |
| Platform | RMSEx | RMSEy | RMSE |
|---|---|---|---|
| FPGA | 0.0965 | 0.1268 | 0.1593 |
| MATLAB | 0.0965 | 0.1268 | 0.1593 |
| Visual Studio (C++) | 0.0965 | 0.1268 | 0.1593 |
| ENVI | 0.0897 | 0.1009 | 0.1350 |
| Platform | Coordinate | Max Error (pixel) | Min Error (pixel) | Mean Error (pixel) |
|---|---|---|---|---|
| FPGA | x | 0.2613 | 0.0008 | 0.0789 |
| y | 0.2081 | 0.0046 | 0.1144 | |
| MATLAB | x | 0.2613 | 0.0008 | 0.0789 |
| y | 0.2081 | 0.0046 | 0.1144 | |
| Visual Studio (C++) | x | 0.2613 | 0.0008 | 0.0789 |
| y | 0.2081 | 0.0046 | 0.1144 | |
| ENVI | x | 0.4039 | 0.0003 | 0.0588 |
| y | 0.4039 | 0.0003 | 0.0673 |
| Parameter | Used | Available | Utilization Ratio (%) |
|---|---|---|---|
| Number of slice LUTs | 250,656 | 612,000 | 40.96 |
| Number of slice Registers | 499,268 | 1,224,000 | 40.79 |
| Number of DSP48s | 388 | 3600 | 37.96 |
| Parameter | Used | Available | Utilization Ratio (%) |
|---|---|---|---|
| Number of slice LUTs | 27,218 | 612,000 | 4.45 |
| Number of slice Registers | 45,823 | 1,224,000 | 3.74 |
| Number of block RAM/FIFO | 456 | 1500 | 30.40 |
| Number of DSP48s | 267 | 3600 | 7.42 |
| Raw image | FPGA (second) f = 100 MHz | Visual Studio (C++) (second) | MATLAB (second) | Size (pixels2) |
|---|---|---|---|---|
| bldt_tm.img | 0.13 | 1.06 | 1.12 | 281 × 281 |
| tmAtlanta.img | 0.15 | 1.21 | 1.26 | 285 × 277 |
© 2019 by the authors. Licensee MDPI, Basel, Switzerland. This article is an open access article distributed under the terms and conditions of the Creative Commons Attribution (CC BY) license (http://creativecommons.org/licenses/by/4.0/).
Share and Cite
Liu, D.; Zhou, G.; Huang, J.; Zhang, R.; Shu, L.; Zhou, X.; Xin, C.S. On-Board Georeferencing Using FPGA-Based Optimized Second-Order Polynomial Equation. Remote Sens. 2019, 11, 124. https://doi.org/10.3390/rs11020124
Liu D, Zhou G, Huang J, Zhang R, Shu L, Zhou X, Xin CS. On-Board Georeferencing Using FPGA-Based Optimized Second-Order Polynomial Equation. Remote Sensing. 2019; 11(2):124. https://doi.org/10.3390/rs11020124
Chicago/Turabian StyleLiu, Dequan, Guoqing Zhou, Jingjin Huang, Rongting Zhang, Lei Shu, Xiang Zhou, and Chun Sheng Xin. 2019. "On-Board Georeferencing Using FPGA-Based Optimized Second-Order Polynomial Equation" Remote Sensing 11, no. 2: 124. https://doi.org/10.3390/rs11020124
APA StyleLiu, D., Zhou, G., Huang, J., Zhang, R., Shu, L., Zhou, X., & Xin, C. S. (2019). On-Board Georeferencing Using FPGA-Based Optimized Second-Order Polynomial Equation. Remote Sensing, 11(2), 124. https://doi.org/10.3390/rs11020124
