Next Article in Journal
The Wheel of Work and the Sustainable Livelihoods Index (SL-I)
Previous Article in Journal
Urban Projects and the Policy-Making Cycle: Indicators for Effective Governance
Previous Article in Special Issue
Impact of Window Size Modification on Energy Consumption in UK Residential Buildings: A Feasibility and Simulation Study
 
 
Font Type:
Arial Georgia Verdana
Font Size:
Aa Aa Aa
Line Spacing:
Column Width:
Background:
Article

Improving Building Acoustics with Coir Fiber Composites: Towards Sustainable Construction Systems

by
Luis Bravo-Moncayo
1,
Virginia Puyana-Romero
1,*,
Miguel Chávez
1 and
Giuseppe Ciaburro
2
1
Departamento de Ingeniería en Sonido y Acústica, Universidad de Las Américas, Quito 170516, Ecuador
2
Dipartimento di Ingegneria, Facoltà di Ingegneria e Informatica, Università Pegaso, 80143 Napoli, Italy
*
Author to whom correspondence should be addressed.
Sustainability 2025, 17(14), 6306; https://doi.org/10.3390/su17146306
Submission received: 1 April 2025 / Revised: 3 July 2025 / Accepted: 5 July 2025 / Published: 9 July 2025
(This article belongs to the Special Issue Sustainable Architecture: Energy Efficiency in Buildings)

Abstract

Studies underscore the significance of coir fibers as a sustainable building material. Based on these insights, this research aims to evaluate coir fiber composite panels of various thicknesses as eco-friendly sound absorbing alternatives to synthetic construction materials like rockwool and fiberglass, aligning its use with the United Nations Sustainable Development Goals. Acoustic absorption was quantified with an impedance tube, and subsequent simulations compared the performance of coir composite panels with that of conventional materials, which constitutes an underexplored evaluation. Using 10 receiver points, the simulations reproduced the acoustic conditions of a multipurpose auditorium before and after the coir covering of parts of the rear and posterior walls. The results indicate that when coir coverings account for approximately 10% of the auditorium surface, reverberation times at 250, 500, 2000, and 4000 Hz are reduced by roughly 1 s. Furthermore, the outcomes reveal that early reflections occur more rapidly in the coir-enhanced model, while the values of the early decay time parameter decrease across all receiver points. Although the original configuration had poor speech clarity, the modified model achieved optimal values at all the measurement locations. These findings underscore the potential of coir fiber panels in enhancing acoustic performance while fostering sustainable construction practices.

1. Introduction

The construction sector leaves a significant environmental footprint, responsible for high carbon emissions, energy consumption, and waste generation. In light of climate change and rising environmental awareness, adopting eco-friendly materials in building projects is essential to reduce ecological harm and secure long-term economic and social benefits [1]. Conventional construction relies heavily on energy-intensive materials like concrete, steel, and bricks. Cement production is responsible for about 8% of global CO2 emissions, while the extraction and processing of its raw materials cause extensive ecosystem degradation and loss of biodiversity [2].
In response, sustainable alternatives—such as wood, rammed earth, or hemp-based bricks—have gained increasing attention. These materials have a much lower carbon footprint compared to concrete and steel [3]. Since they are derived from renewable sources like bamboo, cork, and wood, these materials regenerate quickly and place less strain on natural resources. Moreover, natural materials emit negligible volatile organic compounds, which improves indoor air quality and contributes to healthier living spaces [4].
Among the most promising alternatives are materials derived from agricultural waste or by-products. Rice straw, nut shells, hemp fibers, and sugarcane bagasse, for example, can be transformed into insulation panels, bricks, and biocomposites [5]. This circular economy approach prevents waste from being incinerated or decomposing in open fields—both of which emit greenhouse gases—and instead converts these residues into valuable construction materials with a significantly lower ecological footprint than conventional products [6,7,8,9].
Beyond their environmental advantages, repurposing agricultural waste materials creates socio-economic benefits, particularly in rural areas. These materials support local economies by creating jobs, adding value to agricultural residues, and fostering innovation in the construction sector [8]. Nevertheless, widespread adoption is still hindered by several challenges, including higher initial investment, insufficient technical knowledge, and a lack of robust supply chains. One critical but often underappreciated challenge in the use of agricultural waste is the difficulty of cleaning and processing these materials, which often contain dirt, plant residues, and other impurities. Natural fibers are highly variable in quality and composition, and removing contaminants such as dust, sand, oil residues, and other organic matter remains a labor-intensive task that affects the scalability and consistency of the final product.
To overcome these challenges and ensure broader adoption of agricultural waste-based materials, targeted public policies and incentives are essential. Government support in the form of tax breaks, subsidies, and green building regulations can encourage manufacturers and developers to shift toward eco-friendly alternatives. Investments in research and development (R&D) and professional training programs are also needed to refine processing techniques, improve performance, and expand the portfolio of available sustainable materials [10].
Among the various agricultural by-products evaluated in research studies, coconut (Cocos nucifera) fibers—commonly known as coir—stand out due to their mechanical strength, durability, and availability [11]. Coconuts (Figure 1b) grow on palm trees (Figure 1a), which belong to the Arecaceae family and reach heights of 10 to 20 m. Coconut is a widely cultivated fruit, especially in tropical regions such as Ecuador [12]. The coastal province of Manabí, in particular, has 1212 hectares dedicated to coconut cultivation according to the most recent National Agricultural Census [13], although the potential for expansion is substantial. Coconut trees thrive in sandy soils and humid climates, both of which are abundant in Ecuador’s coastal regions. The coconut fruit itself is protected by an intermediate fibrous layer known as the mesocarp and an inner hard shell called the endocarp (Figure 1c). While the inner flesh and water are most commonly used, the fibrous husk (coir) surrounding the shell represents an underutilized resource with substantial industrial potential [14].
Coir fibers are extracted from the coconut husk and have been recognized as highly suitable for sustainable construction applications. Chemically, they are composed of cellulose (36–43%), lignin (41–45%), hemicellulose (10–15%), and a small amount of pectin (2–5%) [15,16,17,18]. Cellulose contributes to tensile strength and rigidity [15], while lignin imparts microbial resistance and enhances durability [16]. Hemicellulose influences flexibility and water absorption [17], and pectin is a remnant of the plant’s cellular structure [18]. Coir fibers typically contain 10–12% moisture, which helps them maintain stability across different environmental conditions [19]. This composition makes them strong, resilient, and resistant to degradation—key features for applications such as textiles, erosion-control mats, composites, and building panels.
The literature reflects growing interest in using coir in polymer composites and concrete [20,21]. For instance, Bettini et al. [22] found that coir-reinforced polypropylene composites exhibited improved tensile strength, impact resistance, and durability. Similarly, according to Zainudin et al. [23], an increase in coir fiber content within composite materials led to improved mechanical performance. Researchers like Leão et al. [24] have explored chemical treatments to recover fiber–matrix union in coir-based composites. In particular, coir fibers have been shown to improve crack resistance, tensile strength, and overall toughness [25,26], further supporting their use in construction.
For acoustic applications, coir fiber’s natural porosity makes it particularly effective at absorbing and dissipating sound waves [27,28]. This makes it an excellent material for reducing reverberation within spaces and improving the acoustic quality of the environment. Furthermore, coir fiber is an environmentally friendly and sustainable material that not only offers excellent sound absorbing properties but also significantly reduces environmental impact compared to synthetic alternatives. Its natural ability to regulate humidity and temperature adds to its functional benefits, making it a versatile and sustainable choice for acoustic treatment in building applications. Berardi and Iannace [29] investigated the acoustic properties of natural fibers for application in sound absorption. The study examined various natural fibers, counting coir, wool, and hemp. Through experimental analysis, the authors assessed the sound absorption coefficients (SACs) of these materials. The findings revealed that natural fibers can provide significant benefits in acoustic treatments, offering effective sound absorption while being environmentally friendly. Rusli et al. [30] examined the sound absorption behavior of natural fibrous materials obtained from coir, oil palm fruit bunches, and pineapple leaves, comparing their performance. The results indicated that all three types of natural fibers exhibit notable sound absorption properties, making them viable options for acoustic insulation. Yuhazri et al. [31] studied the acoustic performance of panels made from coir fibers. The authors suggested that coir fiber panels offer effective sound absorption, making them a promising material for improving acoustic performance in building applications. Salinah et al. [32] explored the effect of panel thickness on the acoustic performance of panels made from coir fibers. The results indicated that thicker panels generally provide better acoustic performance. Chin et al. [33] examined the sound absorption properties of microperforated panels made from coir fiber and polylactic acid (PLA). The findings revealed that higher percentages of coir fibers enhance the sound absorption capabilities of the panels. Firsa et al. [34] investigated the SACs of panels made from coir fibers. The results indicate that the fibers exhibit significant sound absorption properties, with coir panels showing promising performance due to their high porosity. Further information from the previous studies can be found in Table A1 of Appendix A.
While coconut fiber has been explored for use in construction materials and soil improvement [35,36], current research often overlooks several key aspects that limit its broader application. This study presents a multifaceted and original contribution to the field of sustainable building acoustics through the development, evaluation, and simulation of acoustic panels made from coir fibers, a natural and renewable byproduct of coconut processing. While coir has been previously explored in construction and soil stabilization, its application in acoustic treatment systems within architectural environments remains underexplored, particularly regarding real-world performance, scalability, and sustainability-oriented implementation. The first innovative aspect of this research lies in the integration of coir-based materials into architectural acoustic simulation, specifically within a multipurpose auditorium model. Unlike conventional studies that focus solely on laboratory measurements of sound absorption coefficients, this study goes a step further by evaluating the practical impact of coir panels on room acoustics, using key metrics such as reverberation time (RT) and early decay time (EDT). This simulation-driven approach bridges the gap between materials engineering and architectural acoustics, providing stakeholders with data that are both technically rigorous and practically actionable. Then, the study is among the few that highlight the scalability and industrial applicability of coir panels. The research considers the variability in raw fiber quality, challenges in maintaining uniformity during fabrication, and the need for standardized production protocols. These issues are typically absent from technical discussions but are crucial for transitioning from laboratory research to commercial or industrial deployment.
In terms of broader significance, the research is strongly aligned with global sustainability efforts. Coir is an abundant agricultural waste product, particularly in tropical regions, and its use contributes directly to circular economy principles and resource efficiency. By promoting the reuse of biodegradable materials in construction, the study supports multiple United Nations Sustainable Development Goals (SDGs), including the following:
  • SDG 9 (Industry, Innovation and Infrastructure): promoting sustainable industrialization through green building technologies;
  • SDG 11 (Sustainable Cities and Communities): improving building comfort and quality through natural material use;
  • SDG 12 (Responsible Consumption and Production): valorizing agricultural waste in high-value applications;
  • SDG 13 (Climate Action): reducing the carbon footprint of building materials.
In conclusion, this study provides an original, integrated, and sustainability-driven perspective on coir fiber applications in acoustics. It demonstrates a novel methodological approach, addresses real-world constraints, and aligns scientific inquiry with pressing environmental and policy goals—thus making a substantive and timely contribution to the field of sustainable construction materials.

2. Materials and Methods

2.1. Coconut Fiber Extraction Procedure and Treatments

Coir fibers originate from the outer husk of coconut fruits: The extraction process, rooted in traditional practices and carried out by local producers, involves several sequential steps. First, mature coconuts are harvested and manually dehusked to remove the fibrous outer layer from the inner nut containing the pulp and water. This outer layer is the primary source of coir fibers. After dehusking, the separated husks undergo a retting process to facilitate fiber extraction. The retting was performed in saltwater and lasted between three and six months [37]. During the retting period, the husks were submerged in water, allowing natural microorganisms to break down the pectic substances that bind the fibers to the surrounding tissue. This process makes it easier to separate the fibers later. After retting, the husks were beaten to separate the fibers from the remaining lignified material. Traditionally, this was performed manually using wooden mallets, but nowadays, special machines are employed. The extracted fibers were then washed to remove any residues and impurities. The cleaned coir fibers were dried either by sun exposure or in mechanical dryers to reduce their moisture content to appropriate levels for further use [38,39].
To enhance their mechanical performance and compatibility with polymer matrices, the cleaned and dried coir fibers underwent an alkaline treatment known as mercerization. This process includes dipping the fibers in a sodium hydroxide (NaOH) solution, typically at concentrations between 2% and 10%, for a period ranging from a few minutes to several hours. The alkaline environment facilitates the elimination of amorphous substances such as lignin, waxes, and hemicelluloses, thereby exposing the crystalline cellulose structure. This chemical modification improves fiber–matrix adhesion, making the treated coir fibers more appropriate for use in composite claims [40,41]. This treatment enhances the surface roughness of the fibers and advances the boundary adhesion with polymer matrices. Furthermore, the alkaline treatment induces a partial crystallization of the cellulose, contributing to greater tensile strength and stiffness of the fibers. A further benefit of this treatment is the reduction in water absorption, due to the removal or modification of hydrophilic components and the formation of a more compact, less porous structure. However, it is essential to optimize the treatment conditions, since an excessive concentration of NaOH or prolonged exposure times can damage the fibers, declining their mechanical properties [42].
For this study, coir fibers between 10 and 30 cm were acquired from producers in the coastal area of Ecuador.

2.2. Preparation of the Coir Fiber Panels

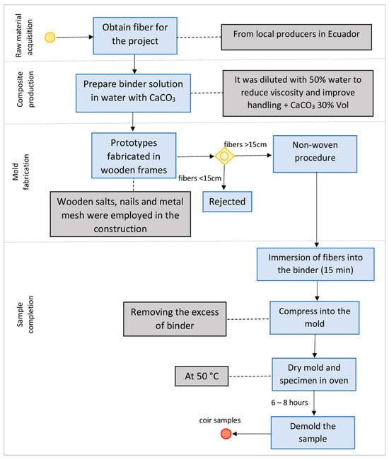
The process of preparing coir fiber panels involves the use of coconut mesocarp fibers, bound with a mixture of water, white glue, and calcium carbonate. Figure 2 displays a flow chart of the elaboration of the coir fiber panels.
To build the panels, the fibers were cut at approximately 15 cm in length and distributed evenly.
The preparation of the mixture requires careful dosing of the binder ingredients: The binding mixture consists of water, white glue, and calcium carbonate. The white glue acts as the main adhesive, while the calcium carbonate helps to improve the strength and durability of the panel [43]. The brand of the white glue used was DISMA, with the following chemical composition: polyvinyl acetate polymers, synthetic polymers, antifoams, dispersants, inorganic fillers, preservatives, and water. The white glue was diluted with deionized water at a 1:1 ratio to reduce its viscosity and enhance the integration of fibers within the matrix. Subsequently, calcium carbonate was incorporated into the diluted binder at a volumetric concentration of 30%. The fibers were completely immersed in the binder for 15 min. This process ensures that the fibers are completely soaked, guarantees a uniform distribution of the adhesive on the fibers, and promotes better cohesion of the final panel.
The weight of both the coir fibers and the composite mixture was controlled to achieve a target density of approximately 115 kg/m3, based on prior trials. To ensure the desired panel volume and thickness, specially designed wooden molds of varying heights were constructed. These molds featured a rack-based bottom to prevent binder accumulation. Once the fiber–binder mixture was prepared, it was transferred into the molds and horizontally drained on the rack frame. The mixture was then manually pressed to compact the fibers, eliminate air bubbles, and achieve a visually uniform fiber distribution. Wooden panels were placed on top of the molds to prevent material expansion during curing and ensure consistent density across all specimens.
Subsequently, the panels underwent a natural indoor drying process for 48 h. Following this step, the fibers were dried in an oven at 50 degrees, for 6–8 h. During oven drying, the weight of the specimens was periodically monitored to achieve the target density with minimal deformation.
After drying, the panels were removed from the molds [44] and were used to prepare samples for measuring the SACs (Figure 3), which is a key parameter for evaluating the acoustic performance of materials. Samples were obtained using a hollow cylindrical drill bit, ensuring dimensional precision for reliable acoustic testing. The samples were circular, with the same diameter as the sample holder of the impedance tube (34.9 mm). For each thickness, three samples were extracted from the manufactured panels. The sample thicknesses were 27.4 mm (±1.85 mm), 28.0 mm (±3.46 mm), 33.6 mm (±2.58 mm), 40.0 mm (±3.12 mm), and 60.0 mm (±4.02 mm). The SAC testing is essential to determine the effectiveness of coir fiber-based panels in improving acoustic comfort in applications such as construction and interior design.

2.3. Sound Absorption Coefficients Measurements

The effectiveness of a material in absorbing sound relies on its capacity to dissipate the energy of incoming sound waves. This characteristic can be evaluated using standardized techniques, such as the impedance tube method (ISO 10534-2:1998 [45]) or measurements conducted in a reverberant chamber (ISO 354:2003 [46]). These approaches enable the determination of two types of sound absorption coefficients: for normal and random incidence, respectively.
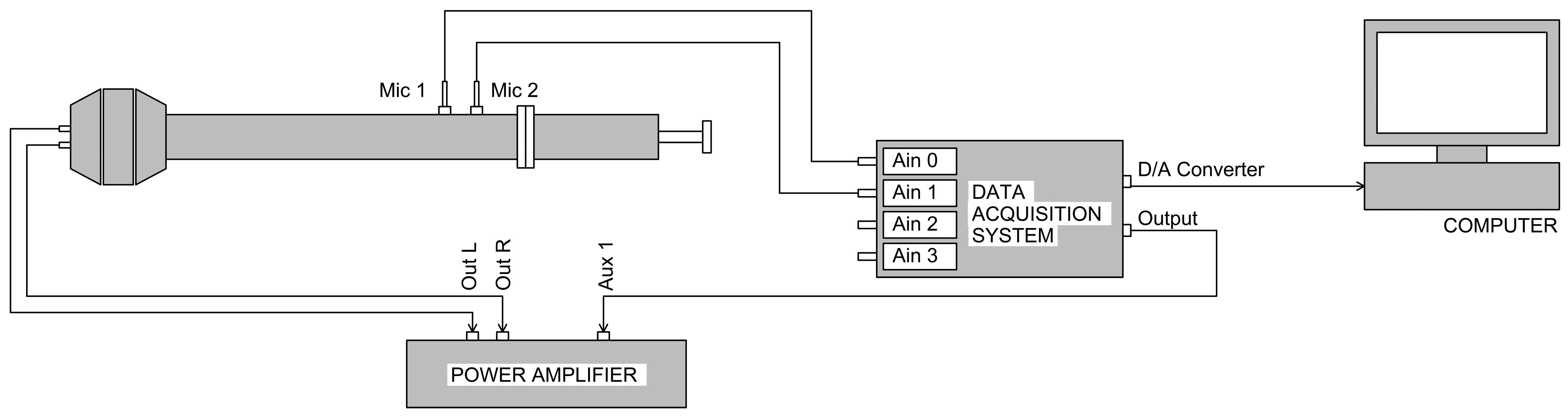
In this study, sound absorption coefficients were measured using the impedance tube method in accordance with ISO 10534-2:1998 [45] (measurements were conducted prior to the 2023 update of the standard). Fiber specimens were precisely placed in a 33 mm specimen container at the tube’s end, guaranteeing no air gaps were present. A loudspeaker at the other end generated a white noise signal, directed normally onto the specimen surface. Two ½″ prepolarized free-field microphones (GRASS 46AO) were positioned between the loudspeaker and the specimen to capture sound pressure inside the tube. Data acquisition, calibration, and signal processing were carried out using ACUPRO software [44]. For analysis, only frequencies ranging from 200 Hz to 5 kHz were considered.
As mentioned earlier, three samples were taken from each panel. To guarantee measurement accuracy, each sample was tested three times, with removal and reinsertion into the impedance tube between each trial. The average of the repeated measurements was subsequently estimated for each specimen thickness. The experimental setup is shown in Figure 4.
Figure 5 shows the image of the impedance tube while conducting the test. The brand and model of the impedance tube, its components, and its dimensional features can be found in Table 1.

2.4. Simulating the Acoustic Absorption Properties of Coir Fiber Panels

Simulating the sound absorption properties of coir fiber materials is essential to evaluate their effectiveness in acoustic treatment of indoor environments. The ODEON v.18 software was used to model the acoustic behavior of these materials and to estimate their performance in various spatial configurations, allowing for a better understanding of their potential applications [48]. The software works with 3D models of interior spaces, using advanced simulation algorithms to calculate how sound waves interact with surfaces and objects within the room. This study develops a simulation model that accurately represents the sound absorption characteristics of panels made from coir fibers. The methodology involves the preliminary characterization of the physical and acoustic properties of the materials, followed by the integration of these data into the ODEON v.18 software to create a realistic simulated environment. Various influencing factors were considered, including the arrangement of the panels, the geometry of the environment, and the incidence conditions of the sound waves. The goal is to deliver a detailed and reliable evaluation of the acoustic performance of coir fiber panels [49].
A multi-purpose auditorium was selected to evaluate the performance of the coir fibers. The 3D model was built with Sketchup v.8 software and imported to ODEON v.18 to use a detailed model of the inner multipurpose auditorium space. The modeled space has a maximum length of 36.5 m, a width of 23.2 m, and an average height of 16 m. The stage of the auditorium is not symmetric, but it has a chamfer in the intersection of a lateral and posterior walls.
ODEON v.18 allows to specify the acoustic properties of the materials, such as the sound absorption, and to define the sound sources and listening points [50]. These data were used to simulate the behavior of sound through different acoustic parameters.
In auditoriums and multipurpose halls, deploying sound reinforcement systems is crucial to enhance both speech intelligibility and musical performance. A measurement according to the ISO 3382-1 was simulated, locating 10 microphone positions according to the number of seats [51].
The room setup in ODEON v.18 considered an impulse response length of 1 s, with 1000 late rays and a maximum reflection order of 10,000. The impulse response resolution was set to 1 ms, and a minimum distance of 0.1 m to walls was defined. For early reflections, a transition order of 2 was used, and 50 early scatter rays were simulated. Regarding the sound system, the modeled configuration included a public address system composed of left and right line arrays with eight loudspeakers each. Additionally, a delay system consisting of left and right line arrays with four loudspeakers was included to cover the rear seating areas, while a front-fill system consisting of six smaller loudspeakers was used to ensure uniform coverage of the front rows. A set of six subwoofers was also incorporated to model the low-frequency support accurately (Figure 6).
The simulations were designed to closely replicate the real conditions of the auditorium to be constructed and acoustically treated. In this context, key acoustic parameters were evaluated: RT (T20); EDT; time for 15 dB reverberation reduction multiplied by four, measured from −5 dB to −20 dB (T15); Speech Transmission Index for Public Address (STIPA), Percentage Articulation Loss of Consonants (%ALCONS); definition (D50); speech clarity (C50); and musical clarity (C80) were calculated. Before explaining each parameter in detail, it is important to note that these parameters can be either measured in situ or predicted through advanced room acoustic simulation software. In our case, we simulated these parameters to achieve a realistic prediction of the auditorium’s acoustic behavior.
The EDT [52] is the time that elapses from when the emitting source stops radiating until the sound pressure level drops by 10 dB. It reflects the strength of early reflections, which are critical for speech clarity and musical definition [53,54]. The T15 extends the analysis beyond the initial decay, measuring the reverberation time over a 15 dB decay interval. It provides a robust assessment of the overall reverberant field in the space, which is essential for evaluating acoustic liveliness and clarity. The STIPA evaluates the effectiveness of speech transmission in space. It is particularly important for ensuring that spoken messages are intelligible even in large and complex environments [55]. %ALCONS integrates acoustic clarity and loudness perception. By combining how early reflections contribute to clarity with the overall sound energy (loudness), %ALCONS offers a comprehensive view of the auditory experience for both speech and music. Although the term “%ALCONS” is less common in standard texts, its conceptual foundation is based on principles detailed in the works of Beranek and Kuttruff [56]. Clarity indices C50 [57] and C80 [58] differentiate between early and late arriving sound energy, with C50 being more indicative of speech clarity and C80 more suited to musical performances; they are widely used to assess the balance between clarity and reverberation in performance spaces [59]. The parameter D50 refers to the clarity index of sound in a space, especially in auditoriums and concert halls. This index measures the proportion of sound energy that reaches the listener within the first 50 milliseconds compared to the total energy received. A high D50 (>0.5) value indicates clearer and more intelligible sound, while a low value suggests greater reverberation and reduced clarity.
The results were represented using colored maps according to the value changes of the parameters analyzed, which helps to improve the acoustic design and advance the sound quality in the analyzed space.

3. Results and Discussion

The research investigates the acoustic properties of advanced panels made from coir fibers. The purpose of the study is to evaluate the acoustic performance of these materials and provide detailed information on their suitability for different acoustic applications.

3.1. Physical Properties of the Coir Fibers and Composite Material

The stereo microscope images reveal fiber thickness from 0.185 mm to 0.373 mm, which is in accordance with other studies that measured diameters of coir fibers from 100 to 450 μm [19,60]. The length of the fibers was approximately 15 cm, as mentioned in the Section 2.
The artisanal process of making the samples controlled the weight and volume of the samples and their components (binder and fibers). As a result, all the specimens had very similar density, 115.4 ± 2.9 kg/m3.
Figure 7 shows the stereo microscope images of the sample of coir fibers of (a) 100X, (b) 46.5X, and (c) 13.2X, made with the stereo microscope AxioCam ICc5 of the ZEISS manufacturer.
The moisture content in coir fibers typically ranges from 10–12%, and this can vary depending on environmental conditions [19]. This moisture can plasticize the cellulose-based components of the fibers, reducing their Young’s modulus and increasing their elongation at break, which ultimately compromises their mechanical strength and durability. Nevertheless, coir fibers remain recognized for their inherent strength, durability, and resistance to environmental conditions, which makes them suitable for various applications, from textiles to agricultural uses, and they have been widely considered in research as sound absorbent materials for buildings [29,30,31,33,34].

3.2. Analysis of Acoustic Properties of the Coir Fiber-Based Panels

SAC measurements of coconut fiber panels are essential to evaluate the effectiveness of these materials in correcting room acoustics. The SAC is a key indicator of a material’s ability to reduce the level of reflected noise, helping to advance the acoustic quality of interior spaces. To obtain an accurate assessment of acoustic performance, it is essential to perform standardized tests that determine how the panels influence the behavior of sound waves [61]. Coir fiber panels are tested using tools such as the impedance tube, which measures the level of sound absorption as a function of frequency. This test involves placing cylindrical specimens cut from the panels in a special device that emits sounds of different frequencies, while sensors record the variations in the sound pressure level.
The materials analyzed are classified as porous acoustic materials because their structure promotes the creation of interconnected pores, which enable sound wave propagation and the dispersal of acoustic energy via viscous boundary layer effects and thermal conduction between the air and its surroundings [62]. The sound absorption efficiency of porous materials depends on several factors, including intrinsic properties like air flow resistivity, tortuosity, and open porosity, as well as manufacturing and installation variables such as material thickness, placement within the acoustic field, and the angle at which sound waves strike the surface [63].
Five different types of samples, each with varying thicknesses, were prepared to examine the effect of thickness on the SAC of coir fiber-based panels (Figure 8).
These samples were designed to represent a range of thicknesses, from thin to thick, to evaluate how different dimensions affect acoustic performance. Each sample was carefully constructed to ensure consistency in material properties and test conditions. Thicknesses were selected to cover a wide range of possible applications and to gain a comprehensive understanding of the interaction between the material and sound.
For each measurement, 100 runs were performed to ensure maximum accuracy. Each measurement was taken by removing and reinserting samples into the tube, with the goal of reducing uncertainty and achieving the most precise results possible [64,65]. Special attention was given to maintaining the sample’s position and orientation consistently to reduce variations due to positioning errors. Furthermore, before each measurement, the instrumentation was carefully checked to confirm proper calibration and to prevent drift over time. This careful procedure guaranteed the collection of reliable and reproducible data, forming a strong foundation for further analysis.
Figure 9 presents the results of the impedance tube measurements, analyzed in one-third octave bands. Each colored curve in the figure corresponds to the acoustic absorption for a specific material thickness tested. The horizontal axis shows the analyzed frequencies, displayed on a logarithmic scale and segmented into one-third octave bands, with the vertical axis showing the measured sound absorption coefficient (SAC). Given that the weight-to-volume ratio was highly consistent across all samples, with a standard deviation of ±2.9 kg/m3, and considering that a craft-based approach was employed in the panel fabrication, the samples can be considered as density-normalized, which facilitates their analysis and comparison [66].
The behavior of the material, characteristic of a typical porous material, is clearly manifested in the trend of the SAC, which presents a bell-shaped curve. This type of behavior is characteristic of porous materials, where sound absorption is generally more effective at certain frequencies, typically between medium and high frequencies. Observing the results, it is evident that as the thickness of the material increases, the peak of the SAC curve shifts towards lower frequencies. This phenomenon can be explained by the fact that increasing the thickness of the material amplifies the ability of the material to absorb sounds at lower frequencies. Lower frequencies require a greater thickness to be effectively absorbed, since the sound waves at these frequencies have a longer wavelength and penetrate deeper into the material. Consequently, a greater thickness allows for greater interaction between the sound waves and the material, improving absorption at lower frequencies. Furthermore, the peak value of the SAC curve increases with greater sample thickness, indicating enhanced acoustic absorption performance. This increase in the peak value is attributed to the improved capacity of the material to dissipate acoustic energy through friction and thermal conduction within the porous structure. Although the SAC trend varies with thickness, it should be noted that that the samples show a SAC value greater than 0.5 in a frequency range from 700 Hz to 5000 Hz, depending on the thickness of the specimen. This suggests that the material is highly effective in absorbing medium and high frequencies, providing good noise control over a wide frequency range. This characteristic is beneficial in acoustic requests where it is necessary to reduce reverberation and improve sound quality in spaces with predominant sound frequencies in this range.

3.3. Acoustic Simulation Using ODEON Software

A simulation of an auditorium in ODEON v.18 software was conducted to assess the acoustic features of the coir panels. The multi-purpose auditorium has not been built yet, so there are no real reverberation times available. Table 2 shows the equivalent absorption area (m2) applied in the simulation of the original acoustic model, without the coir panels, and the modified model, which covers part of the auditorium walls with coir composite panels. The data presented were confined to the frequency bands of the SACs obtained from the impedance tube measurements. The auditorium has a total surface area, considering floor, walls, ceilings, and seats, of 6800.7 m2. In the second model, the surfaces of the rear walls under the amphitheater and the upper surfaces of the side walls are covered with coir fiber panels, computing a total surface of 717.4 m2. The equivalent absorption area of the coir panels is shown in the last row of Table 2.
In auditoriums and multipurpose halls, deploying sound reinforcement systems is crucial to enhance both speech intelligibility and musical performance. A real acoustic measurement has been simulated considering the ISO 3382-1, locating 10 microphone positions according to the number of seats [51]. In the simulations—designed to closely replicate the real conditions of the auditorium that will be constructed and acoustically equipped—the following acoustic parameters were calculated: EDT, T15, STIPA, %ALCONS, D50, C50, and C80.
Table 3 presents the reverberation times measured at the study’s frequency bands for the initial model, expressed in octave bands. With a wall covering accounting for approximately 10% of the total surface area, the use of coir covering panels resulted in an approximate RT reduction of 1 s at 250, 500, 2000, and 4000 Hz. Despite the limited coverage, these results suggest that the materials developed in this study exhibit excellent acoustic properties.
The average values of the differences of the 10 microphone locations for the EDT, T15, STIPA, D50, C50, and C80 are shown in Table 4 for the study frequencies (250 Hz to 4000 Hz).
The EDT and T15 values are lower at the evaluated frequencies in the model with coir panel coverings, indicating faster early reflections and a steeper initial slope of the sound decay curve, which enhances intelligibility in this model.
Figure 10 shows the EDT at the specific frequency of 1000 Hz for the original and modified materials configurations. A substantial reduction in the EDT at the seat of the auditorium can be appreciated. It is worth highlighting that the behavior of the right and left sides of the stalls and amphitheater is not symmetric, since the stage is not symmetric either, and this affects the sound reflections.
After acoustic treatment, a noticeable reduction in EDT is observed across the audience area, especially in the central and rear sections, suggesting improved acoustic control and more uniform reverberation conditions due to the absorption introduced by the coir panels.
Table 5 shows the EDT values for the receivers simulated in ODEON v.18 software. The EDT values are significantly reduced at all 10 measurement points in the coir-covered model, with a maximum reduction of approximately 1 s at points 1 to 4.
The values of T15 also experience a reduction when the acoustic treatment of the room is carried out (Table 6), giving rise to appropriate values, considering that too-low values can make the sound perceived as dry and without depth, while excessive values generate a sensation of prolonged echo, affecting the intelligibility of speech and musical definition.
C50 is critical in environments designed for spoken communication, such as conference halls and lecture theaters. To derive a single speech clarity value, a weighted calculation is performed that emphasizes the frequencies most influential to clarity. Specifically, the calculation incorporates 500 Hz, 1000 Hz, 2000 Hz, and 4000 Hz, with 2000 Hz assigned the highest weight and 500 Hz the lowest, reflecting each octave band’s approximate contribution to speech intelligibility [66]. A C50 value of at least +2 dB is necessary for good speech intelligibility, with an optimal range between +2 dB and +8 dB; values below 0 dB indicate that excessive reverberation is compromising clarity [53,59]. In the present study, the original material configuration resulted in poor speech clarity at all measurement points; however, according to Table 7, after applying coverings to the rear wall and portions of the rear side walls, nearly all measurement points—except points 1 and 9—achieved optimal speech clarity values.
Figure 11 shows the speech clarity (50) at 500 Hz for the initial and modified configuration of the auditorium. It can be appreciated that in the initial configuration, there are areas in the stall, near the stage, with values of C50 below 0, that compromise the acoustic quality of these locations.
In the untreated auditorium, low C50 values are predominant, especially in the front audience area, indicating poor clarity. After applying the panels, there is a marked increase in C50 throughout the space, particularly in the upper and rear sections, reflecting enhanced speech clarity and improved acoustic performance due to the absorptive properties of the coir material.
For musical performances, C80 plays a significant role. To obtain a single representative value, an average was calculated from the C80 values at 500 Hz, 1000 Hz, and 2000 Hz. The interpretation of C80 can vary depending on the source and the intended use of the room. For instance, Higini Arau suggests optimal values between −2 dB and 4 dB for concert halls, and between −2 dB and 6 dB for opera houses [67]. In this study, we adopted the latter range (−2 dB to 6 dB), as the auditorium in question is a multifunctional space where both speech clarity and musical quality are important. Based on this criterion, both the original configuration and the one incorporating coir panels exhibit good C80 (Table 8).
D50 measures the proportion of early reflections that contribute to the perception of sound clarity. In speech-dominated spaces, a D50 value above 50% (0.50) is recommended to ensure good intelligibility [65], whereas mixed-use halls may function well with values around 40% to 50%. If D50 falls below 30%, reverberation starts to overpower direct sound, reducing clarity [53,68]. According to Table 9, the definition of the room has substantially improved with the coir covering setting with respect to the original materials distribution.
STIPA evaluates how effectively speech is transmitted in a given space. Auditoriums and conference rooms should aim for a STIPA value between 0.60 and 0.75, ensuring clear and intelligible speech. In larger venues with sound reinforcement, values between 0.45 and 0.60 may still be acceptable. A STIPA score above 0.75 indicates excellent speech transmission, making it ideal for critical communication spaces like airports or emergency broadcast systems [68,69]. According to the previous references, points 1 to 7 have a STIPA that ensures an acceptable intelligible speech (Table 10).
Although the %ALCONS of the hall with coir covering on the rear and rear side of the stalls walls exceeds 5%, a substantial reduction in consonant articulation loss has been achieved, almost half compared to the original configuration at all receivers located in the auditorium simulation (Table 11). It is worth noting that multipurpose halls can be challenging to operate optimally for both speech and music. Ceiling panels, movable walls, or enclosures are typically used to reduce volume and, thus, achieve better speech intelligibility.
By optimizing these parameters using coir composite panels, through detailed acoustic simulations and careful architectural design, it is possible to achieve a well-balanced and high-quality auditory experience in both speech and music applications.

3.4. Alignment of the Results Obtained with the United Nations Sustainable Development Goals

The integration of coir panels in medium and large-scale auditoriums directly contributes to several specific United Nations Sustainable Development Goals. For example, by replacing conventional synthetic materials with a natural, renewable alternative, this approach promotes SDG 12—Responsible Consumption and Production— by lowering dependence on finite natural resources and decreasing the ecological footprint. Additionally, the use of coir panels helps lower greenhouse gas emissions during both manufacturing and disposal phases, thereby advancing SDG 13—Climate Action—through a reduced carbon footprint in construction projects [70].
Furthermore, these eco-friendly acoustic solutions significantly improve sound quality in auditoriums, enhancing both speech intelligibility and musical clarity. This not only fosters vibrant cultural settings but also bring into line with SDG 11—Sustainable Cities and Communities. By encouraging innovation in building materials and design techniques, the application of coir panels also supports SDG 9—Industry, Innovation, and Infrastructure—demonstrating that sustainable practices can be effectively integrated into modern architectural design while satisfying the demanding acoustic requirements of auditoriums.

3.5. Study Constraints and Prospective Avenues for Further Investigation

Acoustic measurements were performed using the impedance tube; therefore, SACs were reported for normal incidence. However, random incidence would have yielded higher absorption values [29]. Future research is required to evaluate sound absorption for random incidence.
While this study primarily focuses on the acoustic performance of coir-based panels, we acknowledge the importance of considering the mechanical properties and durability of brown fiber boards for their practical application in construction. At present, we have not conducted specific tests on the mechanical strength, wear resistance, or long-term durability of the coir panels under environmental conditions such as humidity, temperature fluctuations, or mechanical stress. These factors are critical in determining the feasibility of coir-based materials for widespread use in the construction industry. To address these concerns, future studies should include a comprehensive evaluation of the mechanical properties of coir panels, such as compressive strength, flexibility, and resistance to degradation over time. Additionally, investigating the impact of environmental exposure and long-term performance under varying conditions would be essential for understanding their suitability for real-world applications. Moreover, potential treatments or hybrid systems that combine coir with other materials could enhance both the mechanical strength and durability of the panels, ensuring their reliability in structural and acoustic applications.
Although the only non-natural material is white glue, which is used as a wood adhesive, and it is part of most of the wood doors and furniture, a specific study would be necessary to rule out possible health problems, such as skin, eye, or respiratory irritation, breathing problems, or allergic reactions.
A future line of research could involve using simulation software to model and compare the acoustic performance of a range of materials, including both synthetic and natural options.
The discussion on these aspects has been added to the manuscript to highlight the need for further research in this area. This will provide a more complete understanding of the potential for coir-based panels in construction and their long-term viability in diverse environments.

4. Conclusions

This study assessed the acoustic performance of coir composite panels in large auditorium settings through simulations carried out using ODEON v.18. The analysis focused on determining the extent to which these panels can improve the acoustic environment by reducing reverberation time, enhancing early reflections, and, ultimately, contributing to better speech intelligibility and overall sound definition.
The simulation outcomes reveal that when coir coverings constitute approximately 10% of the wall surface, reverberation times at 250, 500, 2000, and 4000 Hz decrease by about 1 s. The time for 15 dB reverberation reduction, multiplied by four, also named T50, specifies that early reflections arrive faster to the receivers, and that the EDT values are markedly reduced across all measurement points, with the most significant drop—nearly 1 s—at points 1 to 4. Although the original configuration resulted in poor speech clarity throughout the space, the strategic application of coir panels on the rear and side walls enhanced clarity at nearly all locations, except for points 1 and 9. Furthermore, despite the Percentage Articulation Loss of Consonants (%ALCONS) exceeding 5% in all the evaluation points, there was an almost 50% reduction in consonant articulation loss in comparison with the initial configuration, accompanied by substantial improvements in the room’s definition (D50) and Speech Transmission Index for Public Address (STIPA), indicating good speech transmission. These results highlight the potential of coir composite panels to significantly improve acoustic performance while promoting sustainable construction practices. The acoustic metrics presented in this study, such as %ALCONS, D50, and STIPA, play a crucial role in evaluating the quality of acoustic environments. %ALCONS indicates the proportion of desirable sound levels, D50 represents the clarity of speech transmission, indicates the proportion of desirable sound levels, D50 represents the clarity of speech transmission, and STIPA measures the intelligibility of speech in a space. Understanding these metrics allows for better design and optimization of spaces to enhance user comfort and communication. For example, in classrooms or offices, improving these metrics can minimize unwanted ambient sound and enhance speech clarity, thereby improving overall space usability and occupant satisfaction. In addition to the acoustic benefits, the feasibility of real-world implementation of coir panels should also be considered. Coir, derived from coconut husks, is an affordable material, especially in regions where coconuts are abundant. Its low cost makes it an attractive alternative to more expensive acoustic materials, potentially reducing construction or renovation costs. In terms of durability, coir panels are resistant to wear and tear, providing a long lifespan in indoor environments. They are also resistant to mold and mildew, making them suitable for use in areas with varying humidity levels. Regarding maintenance, coir panels require minimal upkeep. They are naturally resistant to pests and do not require frequent cleaning or replacement, contributing to their sustainability. Furthermore, their biodegradability ensures that they are environmentally friendly at the end of their lifespan. However, the durability of coir in outdoor environments or highly humid areas might require additional treatment to enhance its resilience. Overall, coir panels represent a cost-effective, durable, and low-maintenance option for improving acoustic performance in a variety of settings, including educational spaces, offices, and residential buildings. Their practical advantages, combined with their acoustic properties, make them a promising alternative in sustainable building practices.
The use of coir panels in large-scale performance venues aligns with several of the United Nations’ Sustainable Development Goals, including responsible consumption and production, climate action, and sustainable cities and communities. By integrating these eco-friendly materials, architects and engineers can enhance acoustic absorption, improving both speech intelligibility and musical clarity while reducing the environmental impact associated with conventional synthetic solutions.
Moreover, coir panels contribute to a circular economy by utilizing a renewable natural resource and reducing waste, which supports sustainable construction practices in the entertainment industry. Their application not only meets the acoustic requirements for high-quality sound but also reinforces a commitment to sustainability, promoting energy efficiency and minimizing the overall carbon footprint in large performance spaces.

Author Contributions

Conceptualization, L.B.-M., G.C. and V.P.-R.; samples fabrication, L.B.-M. and M.C.; sample measurements, L.B.-M. and M.C.; formal analysis, L.B.-M., G.C. and V.P.-R.; writing—original draft preparation, G.C., V.P.-R. and L.B.-M.; software, G.C., M.C. and L.B.-M.; writing—review and editing, L.B.-M., G.C. and V.P.-R.; funding acquisition, V.P.-R. All authors have read and agreed to the published version of the manuscript.

Funding

This research was funded by Universidad de Las Américas. Research Project references SOA.LBM.19.04 and 531.B.XV.24.

Institutional Review Board Statement

Not applicable.

Informed Consent Statement

Not applicable.

Data Availability Statement

The original contributions presented in the study are included in the article. Further inquiries can be directed to the corresponding authors.

Conflicts of Interest

The authors declare no conflicts of interest.

Appendix A

Table A1. Main objective and findings of the study of different research studies on the acoustic performance of coir fibers. The type and thicknesses of the samples, measurement technique, and sound absorption coefficient (dimensionless) are also included. The * indicates that the absorption coefficients have been extracted from graphs and, consequently, do not correspond to octave bands but to the specific frequency shown in the table (125 Hz, 250 Hz, 500 Hz, 1000 Hz, 2000 Hz, and 4000 Hz).
Table A1. Main objective and findings of the study of different research studies on the acoustic performance of coir fibers. The type and thicknesses of the samples, measurement technique, and sound absorption coefficient (dimensionless) are also included. The * indicates that the absorption coefficients have been extracted from graphs and, consequently, do not correspond to octave bands but to the specific frequency shown in the table (125 Hz, 250 Hz, 500 Hz, 1000 Hz, 2000 Hz, and 4000 Hz).
Research StudyType of Coir SampleMain ObjectiveMeasurement TechniqueSample Thickness (mm) or Coir PercentageFrequency (Hz)Main Findings
125250500100020004000
Sound Absorption Coefficient (α)
of Coir Samples (Dimensionless)
Berardi and Iannace [29]Samples of natural fibers, including coir fibers, without bindersAcoustic characterization of different natural fibers, including coir, hemp, and woolImpedance tube50 mm-0.16 *0.34 *0.75 *0.95 *-Coir fiber showed high sound absorption at low and mid frequencies, with significantly enhanced performance in thicker layers
100 mm-0.29 *0.81 *0.70 *0.99 *-
Rusli et al. [30]Samples derived from coir, oil palm fruit bunches, and pineapple leavesComparison of the acoustic absorption properties of the different materialsImpedance tube10 mm (lower density)-0.32 *0.24 *0.23 *0.33 *-The specimen with a higher density and 20 mm thickness showed the highest sound absorption, with the highest absorption around 2225 Hz, which then decreases at higher frequencies
10 mm (higher density)-0.32 *0.24 *0.26 *0.43 *-
20 mm (lower density)-0.29 *0.28 *0.33 *0.56 *-
20 mm (higher density)-0.25 *0.29 *0.39 *0.73 *-
Yuhazri et al. [31]Samples of coir fiber mixed with polyurethane foam, with and
without holes, and reinforced polyurethane
Comparison of acoustic absorption properties of coir fiber with and
without holes and reinforced polyurethane
Impedance tube6.5 mm (0.35 mm pore)0.01 *0.09 *0.09 *0.38 *0.54 *-The study found that coir fiber–polyurethane foam composite, filled with PU, was the most effective acoustic panel, with an absorption coefficient of 0.75 at 3500–4000 Hz
6.5 mm (0.67 mm pore)0.02 *0.14 *0.11 *0.60 *0.46 *-
6.5 mm (0.77 mm pore)0.03 *0.15 *0.11 *0.62 *0.70 *-
6.5 mm (1.05 mm pore)0.10 *0.19 *0.22 *0.79 *0.71 *-
6.5 mm + reinforce (3 mm hole)-0.00 *0.09 *0.10 *0.38 *0.74 *
6.5 mm + reinforce (6 mm hole)-0.09 *0.10 *0.13 *0.27 *0.52 *
Salinah et al. [32]Coir fiber without bindersComparison of the acoustic absorption of coir panels of different thicknesses and comparison with fiberglassReverberation chamber measurement10 mm0.050.10.340.650.680.52For coir panels, α increases while thickness increases; better α than fiber glass fibers below 500 Hz
20 mm0.10.150.420.720.660.51
30 mm0.160.280.580.750.630.49
40 mm0.270.410.690.810.620.51
Chin et al. [32]Microperforated panel of coir fibers and polylactic acid compositeComparison of the sound absorption performance
between microperforated
panel made from coir fiber panels of different coir percentages and polylactic acid
Impedance tube5% (1 mm)--0.16 *0.83 *0.12 *-Coir fiber % enhances the sound absorption capabilities of the panels
10% (1 mm)--0.16 *0.86 *0.19 *-
15% (1 mm)--0.12 *0.87 *0.19 *-
20% (1 mm)--0.13 *0.88 *0.19 *-
25% (1 mm)--0.14 *0.89 *0.18 *-
30% (1 mm)--0.09 *0.93 *0.20 *-
Firsa et al. [34]Coir fiber without bindersMeasured the sound absorption characteristics of abaca and coir fibersReverberation chamber measurement16 mm0.27 *0.16 *0.20 *0.30 *0.84 *0.64 *Maximum value of coir fibers was 0.84 at 2000 Hz

References

  1. Ortiz, O.; Castells, F.; Sonnemann, G. Sustainability in the construction industry: A review of recent developments based on LCA. Constr. Build. Mater. 2009, 23, 28–39. [Google Scholar]
  2. Kibert, C.J. Sustainable Construction: Green Building Design and Delivery; John Wiley & Sons: Hoboken, NJ, USA, 2016. [Google Scholar]
  3. Ge, M.; Li, X.; Han, F.; Su, X.; Jiang, H.; Liu, Y.; Wang, Y.; Zou, M. Enhanced Mechanical and Acoustic Properties of Basalt Fiber/Polyurethane Composites by Silane Coupling Agents. Polymers 2025, 17, 61. [Google Scholar]
  4. Omer, A.M. Energy, environment and sustainable development. Renew. Sustain. Energy Rev. 2008, 12, 2265–2300. [Google Scholar]
  5. Rota Font, F.; Ciriano Nogales, Y.; Temes Mendoza, D.; Vallbé Mumbrú, M.; Barbeta Solà, G.; De Felipe Blanch, J.J. Thermal Performance of a Straw Bale Building in Relation to Fiber Orientation: A Case Study. Sustainability 2024, 16, 10304. [Google Scholar] [CrossRef]
  6. Pappu, A.; Saxena, M.; Asolekar, S.R. Solid wastes generation in India and their recycling potential in building materials. Build. Environ. 2007, 42, 2311–2320. [Google Scholar]
  7. Berge, B. Ecology of Building Materials; Routledge: London, UK, 2007. [Google Scholar]
  8. Mohanty, A.K.; Misra, M.; Drzal, L.T. Sustainable bio-composites from renewable resources: Opportunities and challenges in the green materials world. J. Polym. Environ. 2002, 10, 19–26. [Google Scholar]
  9. Prasad, V.; Alliyankal Vijayakumar, A.; Jose, T.; George, S.C. A Comprehensive Review of Sustainability in Natural-Fiber-Reinforced Polymers. Sustainability 2024, 16, 1223. [Google Scholar]
  10. Karimah, A.; Ridho, M.R.; Munawar, S.S.; Adi, D.S.; Damayanti, R.; Subiyanto, B.; Fatriasari, W.; Fudholi, A. A review on natural fibers for development of eco-friendly bio-composite: Characteristics, and utilizations. J. Mater. Res. Technol. 2021, 13, 2442–2458. [Google Scholar]
  11. Ahmad, J.; Majdi, A.; Al-Fahik, A.; Deifalla, A.; Althoey, F.; El Ouni, M.; El-Shorbagy, M. Mechanical and Durability Performance of Coconut Fiber Reinforced Concrete: A State-of-the-Art Review. Materials 2022, 15, 3601. [Google Scholar] [CrossRef]
  12. Rodrigues, G.S.; Martins, C.R.; de Barros, I. Sustainability assessment of ecological intensification practices in coconut production. Agric. Syst. 2018, 165, 71–84. [Google Scholar]
  13. Dueñas, L.; Macías, N. La Diversificación Relacionada de la Producción del Coco en Riochico–Ecuador. Rev. Obs. Econ. Latinoam. 2018, 1–18. Available online: https://www.eumed.net/rev/oel/2018/12/produccion-coco-ecuador.html (accessed on 2 July 2025).
  14. Beveridge, F.C.; Kalaipandian, S.; Yang, C.; Adkins, S.W. Fruit biology of coconut (Cocos nucifera L.). Plants 2022, 11, 3293. [Google Scholar] [CrossRef] [PubMed]
  15. Zhang, L.; Hu, Y. Novel lignocellulosic hybrid particleboard composites made from rice straws and coir fibers. Mater. Des. 2014, 55, 19–26. [Google Scholar]
  16. Yan, L.; Chouw, N.; Huang, L.; Kasal, B. Effect of alkali treatment on microstructure and mechanical properties of coir fibres, coir fibre reinforced-polymer composites and reinforced-cementitious composites. Constr. Build. Mater. 2016, 112, 168–182. [Google Scholar]
  17. Pérez-Fonseca, A.A.; Arellano, M.; Rodrigue, D.; González-Núñez, R.; Robledo-Ortíz, J.R. Effect of coupling agent content and water absorption on the mechanical properties of coir-agave fibers reinforced polyethylene hybrid composites. Polym. Compos. 2016, 37, 3015–3024. [Google Scholar]
  18. Verma, D.; Gope, P.C. The use of coir/coconut fibers as reinforcements in composites. In Biofiber Reinforcements in Composite Materials; Woodhead Publishing: Sawston, UK, 2015; pp. 285–319. [Google Scholar]
  19. Ezekiel, N.; Ndazi, B.; Nyahumwa, C.; Karlsson, S. Effect of temperature and durations of heating on coir fibers. Ind. Crops Prod. 2011, 33, 638–643. [Google Scholar] [CrossRef]
  20. Satheesh Kumar, S.; Murugesan, R.; Sivaraja, M.; Athijayamani, A. Innovative Eco-Friendly Concrete Utilizing Coconut Shell Fibers and Coir Pith Ash for Sustainable Development. Sustainability 2024, 16, 5316. [Google Scholar] [CrossRef]
  21. Li, L.; Wang, J.; Peng, T. The Influence of pH Environments on the Long-Term Durability of Coir Fiber-Reinforced Epoxy Resin Composites. Sustainability 2025, 17, 364. [Google Scholar]
  22. Bettini, S.H.P.; Bicudo, A.B.L.C.; Augusto, I.S.; Antunes, L.A.; Morassi, P.L.; Condotta, R.; Bonse, B.C. Investigation on the use of coir fiber as alternative reinforcement in polypropylene. J. Appl. Polym. Sci. 2010, 118, 2841–2848. [Google Scholar]
  23. Zainudin, E.S.; Yan, L.H.; Haniffah, W.H.; Jawaid, M.; Alothman, O.Y. Effect of coir fiber loading on mechanical and morphological properties of oil palm fibers reinforced polypropylene composites. Polym. Compos. 2014, 35, 1418–1425. [Google Scholar]
  24. Leão, R.M.; Luz, S.M.; Araujo, J.A.; Novack, K. Surface treatment of coconut fiber and its application in composite materials for reinforcement of polypropylene. J. Nat. Fibers 2015, 12, 574–586. [Google Scholar]
  25. Salain, I.M.A.K.; Sutarja, I.N.; Wiryasa, N.M.A.; Jaya, I.M. Mechanical properties of coconut fiber-reinforced concrete. In Proceedings of the 6th International Conference of Asian Concrete Federation, Hanoi, Vietnam, 12–14 April 2016; pp. 21–24. [Google Scholar]
  26. Yadav, S.K.; Singh, A. An experimental study on coconut fiber reinforced concrete. Int. Res. J. Eng. Technol. 2019, 6, 2250–2254. [Google Scholar]
  27. Yang, T.; Hu, L.; Xiong, X.; Petrů, M.; Noman, M.T.; Mishra, R.; Militký, J. Sound Absorption Properties of Natural Fibers: A Review. Sustainability 2020, 12, 8477. [Google Scholar] [CrossRef]
  28. Arenas, J.P.; del Rey, R.; Alba, J.; Oltra, R. Sound-absorption properties of materials made of esparto grass fibers. Sustainability 2020, 12, 5533. [Google Scholar] [CrossRef]
  29. Berardi, U.; Iannace, G. Acoustic characterization of natural fibers for sound absorption applications. Build. Environ. 2015, 94, 840–852. [Google Scholar]
  30. Rusli, M.; Irsyad, M.; Dahlan, H.; Bur, M. Sound absorption characteristics of the natural fibrous material from coconut coir, oil palm fruit bunches, and pineapple leaf. In IOP Conference Series: Materials Science and Engineering; IOP Publishing: Bristol, UK, 2019; Volume 602, p. 012067. [Google Scholar]
  31. Yuhazri, M.Y.; Paramananthan, B.; Amirhafizan, M.H.; Sihombing, H. Coconut fiber panel towards acoustical performance. Int. J. Mech. Mechatron. Eng. 2019, 19, 11–24. [Google Scholar]
  32. Salinah, D.; Fadzlita, M.T.; Habibah, G.; Ayog, L.J.; Adriana, A.; Hassanel, A. Effect of thickness acoustic panels utilizing coconut coir. In Proceedings of the 6th International Conference on Geotechnique, Construction Materials and Environment, Bangkok, Thailand, 14–16 November 2016; pp. 14–16. [Google Scholar]
  33. Chin Vui Sheng, D.D.; Yahya, M.N.B.; Che Din, N.B. Sound absorption of microperforated panel made from coconut fiber and polylactic acid composite. J. Nat. Fibers 2022, 19, 2719–2729. [Google Scholar]
  34. Firsa, T.; Tadjuddin, M.; Iqbal, M.; Putra, R.S. Study of the Sound Absorption Characteristics of Abaca and Coconut Coir Fibers. In Proceedings of the 2nd International Conference on Experimental and Computational Mechanics in Engineering: ICECME 2020, Banda Aceh, Indonesia, 13–14 October 2021; pp. 519–531. [Google Scholar]
  35. Tamassoki, S.; Daud, N.N.N.; Jakarni, F.M.; Kusin, F.M.; Rashid, A.S.A.; Roshan, M.J. Compressive and Shear Strengths of Coir Fibre Reinforced Activated Carbon Stabilised Lateritic Soil. Sustainability 2022, 14, 9100. [Google Scholar] [CrossRef]
  36. Hu, Q.; Song, W.; Hu, J. Study of the Mechanical Properties and Water Stability of Microbially Cured, Coir-Fiber-Reinforced Clay Soil. Sustainability 2023, 15, 13261. [Google Scholar]
  37. Arsyad, M.; Wardana, I.N.G.; Pratikto; Irawan, Y.S. The morphology of coconut fiber surface under chemical treatment. Matéria (Rio J.) 2015, 20, 169–177. [Google Scholar]
  38. Rozman, H.D.; Tan, K.W.; Kumar, R.N.; Abubakar, A.; Ishak, Z.M.; Ismail, H. The effect of lignin as a compatibilizer on the physical properties of coconut fiber–polypropylene composites. Eur. Polym. J. 2000, 36, 1483–1494. [Google Scholar]
  39. Du, X.; Wang, L.; Huang, X.; Jing, H.; Ye, X.; Gao, W.; Bai, X.; Wang, H. Effects of different extraction methods on structure and properties of soluble dietary fiber from defatted coconut flour. LWT 2021, 143, 111031. [Google Scholar]
  40. Luchese, C.L.; Engel, J.B.; Tessaro, I.C. A Review on the Mercerization of Natural Fibers: Parameters and Effects. Korean J. Chem. Eng. 2024, 41, 571–587. [Google Scholar]
  41. Simelane, S.P.; Madyira, D.M. Effect of mercerization on coconut fiber surface condition for use in natural fiber-reinforced polymer composites. In Smart, Sustainable Manufacturing in an Ever-Changing World: Proceedings of International Conference on Competitive Manufacturing (COMA’22), Stellenbosch, South Africa, 4 March 2023; Springer International Publishing: Cham, Switzerland, 2023; pp. 701–713. [Google Scholar]
  42. Kalia, S.; Kaith, B.S.; Kaur, I. Pretreatments of natural fibers and their application as reinforcing material in polymer composites-a review. Polym. Eng. Sci. 2009, 49, 1253–1272. [Google Scholar] [CrossRef]
  43. Bravo-Moncayo, L.; Puyana-Romero, V.; Argotti-Gómez, M.; Ciaburro, G. Enhanced Environmental Sustainability for the Acoustic Absorption Properties of Cabuya Fiber in Building Construction Using Machine Learning Predictive Model. Sustainability 2024, 16, 6204. [Google Scholar] [CrossRef]
  44. Bravo-Moncayo, L.; Argotti-Gómez, M.; Jara, O.; Puyana-Romero, V.; Ciaburro, G.; Guerrero, V.H. Thermo-Acoustic Properties of Four Natural Fibers, Musa textilis, Furcraea andina, Cocos nucifera, and Schoenoplectus californicus, for Building Applications. Buildings 2024, 14, 2265. [Google Scholar] [CrossRef]
  45. ISO 10534-2:1998(En); Acoustics—Determination of Sound Absorption Coefficient and Impedance in Impedance Tubes—Part 2: Transfer-Function Method. International Organization for Standardization: Geneva, Switzerland, 1998.
  46. ISO 354:2003 (En); Acoustics—Measurement of Sound Absorption in a Reverberation Room. International Organization for Standardization: Geneva, Switzerland, 2003.
  47. ASTM E1050-98; Standard Test Method for Impedance and Absorption of Acoustical Materials Using a Tube, Two Microphones, and a Digital Frequency Analysis System. ASTM International: West Conshohocken, PA, USA, 1998.
  48. Siltanen, S.; Lokki, T.; Savioja, L.; Lynge Christensen, C. Geometry reduction in room acoustics modeling. Acta Acust. United Acust. 2008, 94, 410–418. [Google Scholar]
  49. Rindel, J.H.; Nielsen, G.B.; Christensen, C.L. Diffraction around corners and over wide barriers in room acoustic simulations. In Proceedings of the 16th International Congress on Sound Vibration, Krakow, Poland, 5–9 July 2009. [Google Scholar]
  50. Iannace, G.; Ciaburro, G.; Guerriero, L.; Trematerra, A. Use of cork sheets for room acoustic correction. J. Green Build. 2020, 15, 45–55. [Google Scholar]
  51. ISO 3382-1; Acoustics—Measurement of Room Acoustic Parameters. Part 1: Performance Spaces. International Organization for Standardization: Geneva, Switzerland, 2009; pp. 1–29.
  52. Barron, M. Interpretation of Early Decay Times in Concert Auditoria. Acustica 1995, 81, 320–331. [Google Scholar]
  53. Kuttruff, H. Room Acoustics; CRC Press: Boca Raton, FL, USA, 2016. [Google Scholar] [CrossRef]
  54. Vigran, T.E.; Sorsdal, S. Comparison of Methods for Measurement of Reverberation Time. J. Sound Vib. 1976, 48, 1–13. [Google Scholar] [CrossRef]
  55. Bjor, O.-H.; Norsonic, A.S. STIPA—The Golden Mean between Full STI and RASTI. Proc. Inst. Acoust. 2003, 25, 247–252. [Google Scholar]
  56. Bistafa, S.R.; Bradley, J.S. Revisiting Algorithms for Predicting the Articulation Loss of Consonants ALcons. NRC Publ. Arch. 2000, 48, 531–544. [Google Scholar]
  57. Bradley, J.S.; Reich, R.; Norcross, S.G. A Just Noticeable Difference in C50 for Speech. Appl. Acoust. 1999, 58, 99–108. [Google Scholar] [CrossRef]
  58. Larrosa-Navarro, M.; de la Prida, D.; Pedrero, A. Influence of Musical Stimulus on the Perception of Clarity in Rooms and Its Relation to C80. Appl. Acoust. 2023, 208, 109370. [Google Scholar] [CrossRef]
  59. Beranek, L.L. Concert Halls and Opera Houses: Music, Acoustics, and Architecture (Second Edition). J. Acoust. Soc. Am. 2005, 117, 987–988. [Google Scholar] [CrossRef]
  60. Fouladi, M.H.; Ayub, M.; Nor, M.J.M. Analysis of coir fiber acoustical characteristics. Appl Acoust. 2011, 72, 35–42. [Google Scholar] [CrossRef]
  61. Puyana-Romero, V.; Chuquín, J.S.A.; Chicaiza, S.I.M.; Ciaburro, G. Characterization and Simulation of Acoustic Properties of Sugarcane Bagasse-Based Composite Using Artificial Neural Network Model. Fibers 2023, 11, 18. [Google Scholar] [CrossRef]
  62. Atalla, N.; Panneton, R.; Sgard, F.C.; Olny, X. Acoustic absorption of macro-perforated porous materials. J. Sound Vib. 2001, 243, 659–678. [Google Scholar]
  63. Arenas, J.P.; Crocker, M.J. Recent trends in porous sound-absorbing materials. Sound Vib. 2010, 44, 12–18. [Google Scholar]
  64. Ciaburro, G.; Puyana-Romero, V.; Iannace, G.; Jaramillo-Cevallos, W.A. Characterization and modeling of corn stalk fibers tied with clay using support vector regression algorithms. J. Nat. Fibers 2022, 19, 7141–7156. [Google Scholar]
  65. Puyana-Romero, V.; Iannace, G.; Cajas-Camacho, L.G.; Garzón-Pico, C.; Ciaburro, G. Acoustic characterization and modeling of silicone-bonded cocoa crop waste using a model based on the gaussian support vector machine. Fibers 2022, 10, 25. [Google Scholar] [CrossRef]
  66. Carrion, A. Diseño Acústico de Espacios Arquitectónicos; Universitat Politècnica de Catalunya, Iniciativa Digital Politècnica: Catalunya, Spain, 1998. [Google Scholar]
  67. Farina, M.A. Ambientes Acústicos No Convencionales y Representación Musical. EpisteMus 2024, 12, 1–20. [Google Scholar]
  68. Bistafa, S.R.; Bradley, J.S. A Comparative Study of Speech Intelligibility Metrics and the Derivation of Optimum Reverberation Time and Maximum Background-Noise Level for Classrooms; National Research Council of Canada, Institute for Research Construction: Ottawa, ON, Canada, 1999. [Google Scholar] [CrossRef]
  69. Houtgast, T.; Steeneken, H.J.M. A Review of the MTF Concept in Room Acoustics and Its Use for Estimating Speech Intelligibility in Auditoria. J. Acoust. Soc. Am. 1985, 77, 1069–1077. [Google Scholar] [CrossRef]
  70. United Nations Department of Economic and Social Affairs. Sustainable Development Goals. Available online: https://sdgs.un.org/goals (accessed on 5 July 2024).
Figure 1. Coconut plant (a), coconut fruit (b), and coconut endocarp (c).
Figure 1. Coconut plant (a), coconut fruit (b), and coconut endocarp (c).
Sustainability 17 06306 g001
Figure 2. Flow chart of the elaboration of the coir fiber panels.
Figure 2. Flow chart of the elaboration of the coir fiber panels.
Sustainability 17 06306 g002
Figure 3. A fragment of a 60 mm thickness of coir fiber panel from which the samples were extracted to be used in the impedance tube.
Figure 3. A fragment of a 60 mm thickness of coir fiber panel from which the samples were extracted to be used in the impedance tube.
Sustainability 17 06306 g003
Figure 4. Equipment for measuring sound absorption coefficient, which includes a Spectronics impedance tube with two microphones, a loudspeaker and specimen holder, a data acquisition system, an amplifier, and a PC operating ACUPRO 4.5 software.
Figure 4. Equipment for measuring sound absorption coefficient, which includes a Spectronics impedance tube with two microphones, a loudspeaker and specimen holder, a data acquisition system, an amplifier, and a PC operating ACUPRO 4.5 software.
Sustainability 17 06306 g004
Figure 5. Image of the acoustic absorption device used to conduct the measurements. Each part of the acquisition data system can be identified in Figure 4.
Figure 5. Image of the acoustic absorption device used to conduct the measurements. Each part of the acquisition data system can be identified in Figure 4.
Sustainability 17 06306 g005
Figure 6. Images of the auditorium model in ODEON v.18 software (a) with the speaker locations used as sources for sound reinforcement in red and (b) with the microphone locations shown in blue. The microphones are located at a height of 80 cm to reproduce the location of the audience’s ears. The modeled sound system included left (a1 to a8) and right (a9 to a16) line arrays with eight speakers each, a delay system with four speakers on each side (t1 to t8) for rear coverage, six front-fill speakers for the front rows (s1 to s6), and six subwoofers for bass support (s7 to s12). The inner space of the multipurpose auditorium is shown in a frontal perspective.
Figure 6. Images of the auditorium model in ODEON v.18 software (a) with the speaker locations used as sources for sound reinforcement in red and (b) with the microphone locations shown in blue. The microphones are located at a height of 80 cm to reproduce the location of the audience’s ears. The modeled sound system included left (a1 to a8) and right (a9 to a16) line arrays with eight speakers each, a delay system with four speakers on each side (t1 to t8) for rear coverage, six front-fill speakers for the front rows (s1 to s6), and six subwoofers for bass support (s7 to s12). The inner space of the multipurpose auditorium is shown in a frontal perspective.
Sustainability 17 06306 g006
Figure 7. Stereo microscope images of the sample of coir fiber panels at the scales (a) 100X, (b) 46.5X, and (c) 13.2X.
Figure 7. Stereo microscope images of the sample of coir fiber panels at the scales (a) 100X, (b) 46.5X, and (c) 13.2X.
Sustainability 17 06306 g007
Figure 8. Coir fibers samples of 34.9 mm of diameter and different thickness: (a) 27.4 mm; (b) 28.0 mm; (c) 33.6 mm; (d) 40.0 mm; and (e) 60.0 mm.
Figure 8. Coir fibers samples of 34.9 mm of diameter and different thickness: (a) 27.4 mm; (b) 28.0 mm; (c) 33.6 mm; (d) 40.0 mm; and (e) 60.0 mm.
Sustainability 17 06306 g008
Figure 9. Sound absorption coefficients reported in one-third octave bands. Each curve corresponds to a different thickness: (a) 27.4 mm; (b) 28.0 mm; (c) 33.6 mm; (d) 40.0 mm; and (e) 60.0 mm.
Figure 9. Sound absorption coefficients reported in one-third octave bands. Each curve corresponds to a different thickness: (a) 27.4 mm; (b) 28.0 mm; (c) 33.6 mm; (d) 40.0 mm; and (e) 60.0 mm.
Sustainability 17 06306 g009
Figure 10. (a) Early decay time (EDT) outcomes of the initial ODEON v.18 auditorium model and (b) EDT outcomes of the auditorium model with coir fibers covering the back and side walls of the stalls, both at the octave band of 1000 Hz. The vertical color scale of the EDT is given in seconds. The inner space of the multipurpose auditorium is shown in a frontal perspective.
Figure 10. (a) Early decay time (EDT) outcomes of the initial ODEON v.18 auditorium model and (b) EDT outcomes of the auditorium model with coir fibers covering the back and side walls of the stalls, both at the octave band of 1000 Hz. The vertical color scale of the EDT is given in seconds. The inner space of the multipurpose auditorium is shown in a frontal perspective.
Sustainability 17 06306 g010
Figure 11. (a) Speech clarity (C50) outcomes of the original ODEON v.18 auditorium model and (b) C50 outcomes of the auditorium model with coir fibers covering the back and side walls of the stalls, both at the octave band of 500 Hz. The vertical color scale of the C50 is given in dB. The inner space of the multipurpose auditorium is shown in a frontal perspective. The receiver surfaces are located at 80 cm height.
Figure 11. (a) Speech clarity (C50) outcomes of the original ODEON v.18 auditorium model and (b) C50 outcomes of the auditorium model with coir fibers covering the back and side walls of the stalls, both at the octave band of 500 Hz. The vertical color scale of the C50 is given in dB. The inner space of the multipurpose auditorium is shown in a frontal perspective. The receiver surfaces are located at 80 cm height.
Sustainability 17 06306 g011
Table 1. Device and software used to measure the sound acoustic absorption of the samples, including the dimensions of the impedance tube, the compression driver (speaker), and the data acquisition interface brands and model.
Table 1. Device and software used to measure the sound acoustic absorption of the samples, including the dimensions of the impedance tube, the compression driver (speaker), and the data acquisition interface brands and model.
Device UsedSoftwareExternal Diameter (mm)Internal Diameter (mm)Length (mm)Height (mm)SpeakerData Acquisition InterfaceStandards
ACUPRO Spectronics impedance tube
system
ACUPRO 4.541.334.91200250JBL 2426JMCC DT9837AISO 10534-2:1998 [45] and ASTM E1050-98 [47]
Table 2. Area, equivalent absorption area for each band frequency, and scatter coefficients of the surfaces of the floor, ceilings, and walls of the auditorium used in the initial and in the final model. The * indicates the area that was covered with the coir composite.
Table 2. Area, equivalent absorption area for each band frequency, and scatter coefficients of the surfaces of the floor, ceilings, and walls of the auditorium used in the initial and in the final model. The * indicates the area that was covered with the coir composite.
Type of Surface Equivalent Absorption Area (m2)Area (m2)Scatter
Material/Octave Band (Hz)250500100020004000
WallsPlaster, gypsum or lime141.985.17156.842.61789.40.7
WindowGlass, ordinary window6.24.531.7124.90.7
Roof panelsWood floor on joist92.48458.850.458.8840.10.7
Floor of audience areaConcrete block178.2155.9133.7111.4111.42061.30.7
Floor of stageWood parquet in asphalt13.924.220.820.824.2817.40.7
SeatsAudience, heavily uphold8.8.3869899.3909.4909.4550.20.01
Surfaces to be acoustically treatedPlaster, gypsum or lime113.9237.7557.3666.2685.2717.40.7
Surfaces treated with coir covering * Coir absorption data *76.1 *45.6 *30.4 *30.4 *22.8 *717.4 *0.1 *
Table 3. Reverberation times obtained for the auditorium predicted models, without (initial) and with the coir acoustic panels.
Table 3. Reverberation times obtained for the auditorium predicted models, without (initial) and with the coir acoustic panels.
Band Frequency
Reverberation Time (RT or T20) (s)250500100020004000
RT of the initial model2.302.372.242.462.17
RT of the coir acoustic panels1.371.401.441.421.23
Table 4. The Early decay time (EDT), time for 15 dB reverberation reduction multiplied by 4 (T15), time for 20 dB reverberation reduction multiplied by 3 (RT or T20), definition (D50), speech clarity (C50), and musical Clarity (C80) outcomes of the initial and modified model (with coir). The table displays the average values recorded from the various microphone positions.
Table 4. The Early decay time (EDT), time for 15 dB reverberation reduction multiplied by 4 (T15), time for 20 dB reverberation reduction multiplied by 3 (RT or T20), definition (D50), speech clarity (C50), and musical Clarity (C80) outcomes of the initial and modified model (with coir). The table displays the average values recorded from the various microphone positions.
ParameterFrequency
250500100020004000
EDTInitial (average)2.232.482.592.291.66
With coir (average)2.142.081.561.150.36
Diff (%)4.0016.0040.0050.0079.00
T15Initial (average)2.532.652.932.842.10
With coir (average)2.482.462.442.221.26
Diff (%)2.007.0017.0022.0040.00
T20Initial (average)2.322.382.242.462.18
With coir (average)2.282.332.462.481.56
Diff (%)2.002.00−9.00−1.0029.00
D50Initial (average)0.310.320.400.500.67
With coir (average)0.330.390.630.770.90
Diff (%)−4.00−21.00−59.00−54.00−35.00
C50Initial (average)−3.71−3.28−1.901.023.04
With coir (average)−3.46−1.972.495.859.89
Diff (%)7.0040.00234.00−473.00−225.00
C80Initial (average)−1.30−1.31−0.131.644.70
With coir (average)−1.05−0.034.116.9011.22
Diff (%)19.0098.003260.00−320.00−139.00
Table 5. Early decay time (EDT) values (s) for each of the points evaluated in the study.
Table 5. Early decay time (EDT) values (s) for each of the points evaluated in the study.
EDT (s)12345678910
Original2.62.72.52.42.31.81.82.12.32.0
With coir covering1.71.71.51.51.71.11.11.41.61.3
Table 6. The time for 15 dB reverberation reduction multiplied by 4 (T15) (s) values for each of the points evaluated in the study.
Table 6. The time for 15 dB reverberation reduction multiplied by 4 (T15) (s) values for each of the points evaluated in the study.
T15 (s)12345678910
Original2.72.51.52.72.82.32.42.62.02.8
With coir covering2.52.31.22.42.52.12.22.21.72.5
Table 7. Speech clarity average values (C50) of the 10 points simulated in the original and the coir covering configuration of the auditorium.
Table 7. Speech clarity average values (C50) of the 10 points simulated in the original and the coir covering configuration of the auditorium.
C50 (Speech Average)12345678910
Original0.31.21.1−0.40.1−1.0−2.61.0−2.50.0
With coir covering1.77.57.16.05.04.33.34.50.53.6
Table 8. Average musical clarity (C80) of the 10 points simulated in the original and the coir covering configuration of the auditorium.
Table 8. Average musical clarity (C80) of the 10 points simulated in the original and the coir covering configuration of the auditorium.
C80 (Average Music Clarity)12345678910
Original0.1−0.10.50.0−0.41.10.50.6−2.00.5
With coir covering4.64.84.73.73.24.93.63.30.33.5
Table 9. Definition (D50) of the 10 points simulated in the original and the coir covering configuration of the auditorium.
Table 9. Definition (D50) of the 10 points simulated in the original and the coir covering configuration of the auditorium.
D50 (Definition)12345678910
Original0.420.440.450.370.390.440.380.500.380.49
With coir covering0.570.590.590.540.530.590.550.590.470.60
Table 10. Speech Transmission Index for Public Address (STIPA) of the 10 points simulated in the original and the coir covering configuration of the auditorium.
Table 10. Speech Transmission Index for Public Address (STIPA) of the 10 points simulated in the original and the coir covering configuration of the auditorium.
STIPA12345678910
Original0.510.510.500.490.490.510.480.510.430.49
With coir covering0.630.640.650.630.600.610.600.590.520.57
Table 11. Percentage Articulation Loss of Consonants (%ALCONS) of the 10 points simulated in the original and the coir covering configuration of the auditorium.
Table 11. Percentage Articulation Loss of Consonants (%ALCONS) of the 10 points simulated in the original and the coir covering configuration of the auditorium.
%ALCONS12345678910
Original10.41010.211.111.39.349.498.6812.79.59
With coir covering5.715.235.25.726.725.175.596.198.996.56
Disclaimer/Publisher’s Note: The statements, opinions and data contained in all publications are solely those of the individual author(s) and contributor(s) and not of MDPI and/or the editor(s). MDPI and/or the editor(s) disclaim responsibility for any injury to people or property resulting from any ideas, methods, instructions or products referred to in the content.

Share and Cite

MDPI and ACS Style

Bravo-Moncayo, L.; Puyana-Romero, V.; Chávez, M.; Ciaburro, G. Improving Building Acoustics with Coir Fiber Composites: Towards Sustainable Construction Systems. Sustainability 2025, 17, 6306. https://doi.org/10.3390/su17146306

AMA Style

Bravo-Moncayo L, Puyana-Romero V, Chávez M, Ciaburro G. Improving Building Acoustics with Coir Fiber Composites: Towards Sustainable Construction Systems. Sustainability. 2025; 17(14):6306. https://doi.org/10.3390/su17146306

Chicago/Turabian Style

Bravo-Moncayo, Luis, Virginia Puyana-Romero, Miguel Chávez, and Giuseppe Ciaburro. 2025. "Improving Building Acoustics with Coir Fiber Composites: Towards Sustainable Construction Systems" Sustainability 17, no. 14: 6306. https://doi.org/10.3390/su17146306

APA Style

Bravo-Moncayo, L., Puyana-Romero, V., Chávez, M., & Ciaburro, G. (2025). Improving Building Acoustics with Coir Fiber Composites: Towards Sustainable Construction Systems. Sustainability, 17(14), 6306. https://doi.org/10.3390/su17146306

Note that from the first issue of 2016, this journal uses article numbers instead of page numbers. See further details here.

Article Metrics

Back to TopTop