Fuzzy-Based Current-Controlled Voltage Source Inverter for Improved Power Quality in Photovoltaic and Fuel Cell Integrated Sustainable Hybrid Microgrids
Abstract
1. Introduction
1.1. Background and Motivation
1.2. Literature Works
- ▪
- To form a PV-FC hybrid microgrid that allows for bidirectional power exchange with the utility grid to maintain power balance under changing generation and load situations and whose output can be dynamically modified by modifying the PEMFC output power.
- ▪
- To develop a fuzzy-based current controller for the voltage source inverter of the hybrid microgrid to improve the power quality at the consumer end.
- ▪
- To study all the power quality improvement through the computation of indices such as, namely, voltage profile (sag and swell), frequency profile, total harmonic distortion (THD), and also the power factor of the proposed hybrid microgrid system.
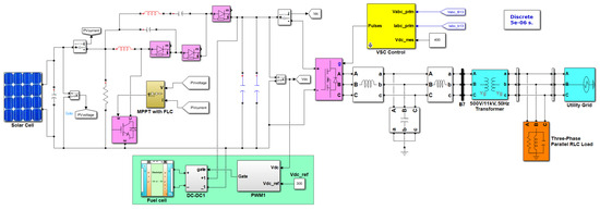
2. Description of PV-FC-Based Hybrid Microgrid
2.1. Modeling of Solar PV Array
2.2. Fuzzy Logic-Based MPPT Control
2.3. Modeling of PEM Fuel Cell
2.4. Energy Management System of Solar PV-FC-Based Hybrid Power System
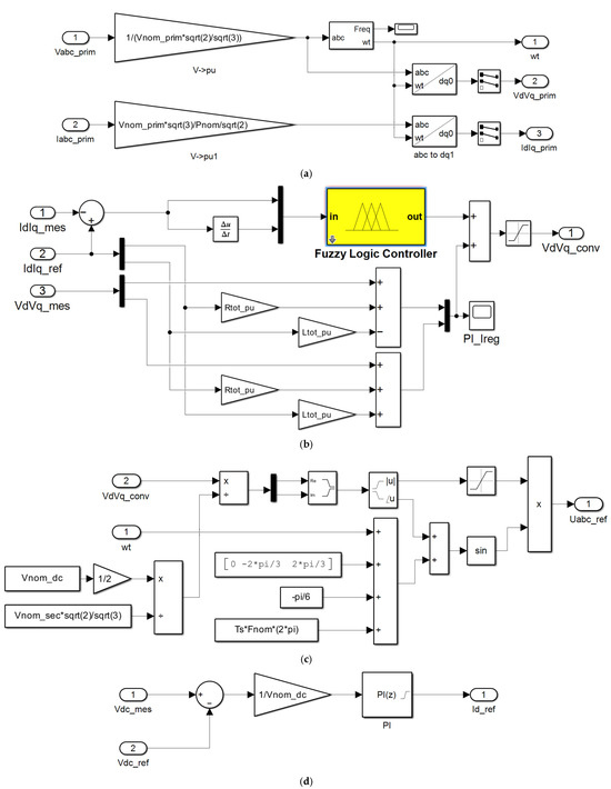
3. Fuzzy-Based Current-Controlled Voltage Source Inverter
4. Discussion and Analysis of Simulation Findings
4.1. Voltage Characteristics
4.2. Frequency Characteristics
- (i).
- Figure 14a shows how frequency characteristics vary with a resistive load of 350 kW. From this, a settling time of 0.23 s is observed with the conventional ANN controller, while it is reduced to 0.16 s with the proposed fuzzy controller.
- (ii).
- Figure 14b shows how frequency characteristics vary with a constant impedance load of 275 kW + j150 kVAR. From this, a settling time of 0.32 s is observed with the conventional ANN controller, while it is reduced to 0.2 s with the proposed fuzzy controller.
- (iii).
- Figure 14c shows how frequency characteristics vary with a high dynamic reactive load in the manner described below to investigate the frequency variations.
- ▪
- Switch the inductive load ON for 0.6 s and OFF for 0.8 s.
- ▪
- Turn the capacitive load ON for 1.4 s and OFF for 1.6 s.
In this case, it is seen that the proposed fuzzy controller exhibited superior characteristics by reducing the deviation compared to the conventional ANN controller.
4.3. Power Factor
4.4. Power Characteristics
4.5. THD Results
5. Conclusions
- ▪
- The suggested fuzzy controller resulted in a voltage sag of 37.5%, compared to 46.15% with the traditional ANN controller. However, voltage swell has been slightly improved, which is 10.25% with ANN and 7.5% with the suggested fuzzy controller.
- ▪
- The suggested fuzzy controller resulted in a voltage imbalance of 1.03%, compared to 3.1% with the traditional ANN controller, which violated the IEEE standard.
- ▪
- The suggested system’s settling time with conventional and proposed controllers is examined under different loads. The quantitative results show that, when compared to conventional ANN (0.23 s), the frequency characteristic of the microgrid requires much less time to settle in the steady state with the proposed fuzzy-based controller (0.16 s) with pure resistive loads. Similarly, when compared to conventional ANN (0.32 s), the frequency characteristic of the microgrid requires much less time to settle in the steady state with the proposed fuzzy-based controller (0.2 s) with constant impedance loads. The suggested controller improves steady-state stability since it has a less settling period.
- ▪
- Based on the power factor plots, it is verified that suggested controller performance gives fruitful results.
- ▪
- Based on the THD results, it can be said that the suggested controller outperformed the other controller when there were different impedance loading situations.
5.1. Relevance of This Research to Sustainable Development Goals
5.2. Limitations and Future Scope
- ▪
- There has been no real-time hardware-in-the-loop or laboratory prototype testing performed for this study; it is fully based on MATLAB/Simulink 2022a models.
- ▪
- Expert judgment and trial-and-error were used to fine-tune fuzzy membership functions and rule bases; systematic auto-tuning or optimization methods were not used.
Author Contributions
Funding
Institutional Review Board Statement
Informed Consent Statement
Data Availability Statement
Conflicts of Interest
References
- Alshehri, J.; Khalid, M. Power quality improvement in microgrids under critical disturbances using an intelligent decoupled control strategy based on battery energy storage system. IEEE Access 2019, 7, 147314–147326. [Google Scholar] [CrossRef]
- Choudhury, S.; Varghese, G.T.; Mohanty, S.; Venkata Ratnam, K.; Bajaj, M.; Blazek, V.; Prokop, L.; Misak, S. Energy management and power quality improvement of microgrid system through modified water wave optimization. Energy Rep. 2023, 9, 6020–6041. [Google Scholar] [CrossRef]
- Kumar, Y.V.P.; Rao, S.N.V.B.; Padma, K.; Reddy, C.P.; Pradeep, D.J.; Flah, A.; Kraiem, H.; Jasiński, M.; Nikolovski, S. Fuzzy Hysteresis Current Controller for Power Quality Enhancement in Renewable Energy Integrated Clusters. Sustainability 2022, 14, 4851. [Google Scholar] [CrossRef]
- Bharat Mohan, N.; Rajagopal, B.; Hari Krishna, D. Power quality enhancement of hybrid renewable energy source-based distribution system using optimised UPQC. J. Control. Decis. 2023, 12, 449–470. [Google Scholar] [CrossRef]
- Srikanth, M.; Pavan Kumar, Y.V.; Reddy, C.P.; Mallipeddi, R. Empowered Virtual Synchronous Generator Based Control Scheme for Improved Transient Response and Reduced Nuisance Tripping in Stable Microgrids. IEEE Access 2024, 12, 99968–99988. [Google Scholar] [CrossRef]
- Sun, Y.; Li, S.; Lin, B.; Fu, X.; Ramezani, M.; Jaithwa, I. Artificial Neural Network for Control and Grid Integration of Residential Solar Photovoltaic Systems. IEEE Trans. Sustain. Energy 2017, 8, 1484–1495. [Google Scholar] [CrossRef]
- Nagaraju, G.; Shankar, S. Power quality improvement of wind energy conversion system with unified power quality controller: A hybrid control model. Trans. Inst. Meas. Control. 2020, 42, 1997–2010. [Google Scholar] [CrossRef]
- Rajakumar, V.; Anbukumar, K.; Selwynraj, A.I. Sliding mode controller-based voltage source inverter for power quality improvement in microgrid. IET Renew. Power Gener. 2020, 14, 1860–1872. [Google Scholar] [CrossRef]
- Gupta, S.; Verma, A.; Singh, B.; Garg, R.; Singh, A. Power quality improvement of PV-WPGS based grid interactive microgrid using MSWL-CLMS control. IET Energy Syst. Integr. 2020, 2, 362–372. [Google Scholar] [CrossRef]
- Khosravi, N.; Echalih, S.; Baghbanzadeh, R.; Hekss, Z.; Hassani, R. Enhancement of power quality issues for a hybrid AC/DC microgrid based on optimization methods. IET Ren. Power Gen. 2022, 16, 1773–1791. [Google Scholar] [CrossRef]
- Khosravi, N.; Abdolvand, A.; Oubelaid, A. Improvement of power quality parameters using modulated-unified power quality conditioner and switched-inductor boost converter by the optimization techniques for a hybrid AC/DC microgrid. Sci. Rep. 2022, 12, 21675. [Google Scholar] [CrossRef] [PubMed]
- Al Sumarmad, K.A.; Sulaiman, N.; Wahab, N.I.A.; Hizam, H. Energy Management and Voltage Control in Microgrids Using Artificial Neural Networks, PID and Fuzzy Logic Controllers. Energies 2022, 15, 303. [Google Scholar] [CrossRef]
- Nair, D.R.; Nair, M.G.; Thakur, T. A Smart Microgrid System with Artificial Intelligence for Power-Sharing and Power Quality Improvement. Energies 2022, 15, 5409. [Google Scholar] [CrossRef]
- Dhanamjayulu, C.; Albert Alexander, S.; Harish, R.; Srinivasan, M.; Sarathkumar, D. Power Quality Improvement in a Solar PV Assisted Microgrid Using Upgraded ANN-Based Controller. Math. Probl. Eng. 2022, 2022, 2441534. [Google Scholar] [CrossRef]
- Das, S.R.; Mishra, A.K.; Ray, P.K.; Salkuti, S.R.; Kim, S.-C. Application of Artificial Intelligent Techniques for Power Quality Improvement in Hybrid Microgrid System. Electronics 2022, 11, 3826. [Google Scholar] [CrossRef]
- Kumar, A.; Choudhary, J. Power quality improvement of hybrid renewable energy systems-based microgrid for statcom: Hybrid-deep-learning model and mexican axoltl dingo optimizer (MADO). Eng. Res. Express 2023, 5, 045031. [Google Scholar] [CrossRef]
- Talaat, M.; Elkholy, M.H.; Alblawi, A. Artificial intelligence applications for microgrids integration and management of hybrid renewable energy sources. Artif. Intell. Rev. 2023, 56, 10557–10611. [Google Scholar] [CrossRef]
- Ravi, T.; Kumar, K.S.; Dhanamjayulu, C.; Khan, B.; Rajalakshmi, K. Analysis and mitigation of PQ disturbances in grid connected system using fuzzy logic based IUPQC. Sci. Rep. 2023, 13, 22425. [Google Scholar] [CrossRef]
- Shikha, G.; Anjeet, V.; Singh, B.; Rachana, G.; Alka, S. AES-FLL control of RES powered MG for power quality improvement with synchronization control. Electr. Power Syst. Res. 2022, 203, 107681. [Google Scholar] [CrossRef]
- Mahendravarman, I.; Elankurisil, S.A.; Venkateshkumar, M.; Ragavendiran, A.; Chin, N. Artificial intelligent controller-based power quality improvement for microgrid integration of photovoltaic system using new cascade multilevel inverter. Soft Comput. 2020, 24, 18909–18926. [Google Scholar] [CrossRef]
- Vidhya, K.; Krishnamoorthi, K. A hybrid technique for optimal power quality enhancement in grid-connected photovoltaic interleaved inverter. Energy Environ. 2022, 35, 0958305X2211405. [Google Scholar] [CrossRef]
- Dhara, A.; Choudhury, A.B.; Sarkar, D.; Pramanik, S.P. Power quality enhancement of microgrid using fuzzy logic-controlled inverter and SFCL. Microsyst. Technol. 2024, 30, 687–710. [Google Scholar] [CrossRef]
- Pei, X.; Zhao, X.; Jia, H.; Wang, H.; Liu, J. Fuzzy sliding mode control with adaptive exponential reaching law for inverters in the photovoltaic microgrid. Front. Energy Res. 2024, 12, 1416863. [Google Scholar] [CrossRef]
- Bouziane, M.; Zarour, L.; Benbouhenni, H.; Elbarbary, Z.M.S.; Colak, I.; Alammar, M.M. Genetic algorithm type 2 fuzzy logic controller of microgrid system with a fractional-order technique. Sci. Rep. 2025, 15, 6318. [Google Scholar] [CrossRef]
- Rao, S.N.V.B.; Padma, K. ANN based Day-Ahead Load Demand Forecasting for Energy Transactions at Urban Community Level with Interoperable Green Microgrid Cluster. Int. J. Renew. Energy Res. 2021, 11, 147–157. [Google Scholar] [CrossRef]
- Narendiran, S.; Sahoo, S.K.; Das, R.; Sahoo, A.K. Fuzzy logic controller based maximum power point tracking for PV system. In Proceedings of the 3rd International Conference on Electrical Energy Systems (ICEES), Chennai, India, 17–19 March 2016; pp. 29–34. [Google Scholar] [CrossRef]
- Bramareswara Rao, S.N.V.; Pavan Kumar, Y.V.; Amir, M.d.; Ahmad, F. An Adaptive Neuro-Fuzzy Control Strategy for Improved Power Quality in Multi-microgrid Clusters. IEEE Access 2022, 10, 128007–128021. [Google Scholar] [CrossRef]
- IEC 61000-4-11:2020; Electromagnetic Compatibility (EMC)—Part 4–34: Electromagnetic Compatibility (EMC)—Part 4-11: Testing and Measurement Techniques-Voltage Dips, Short Interruptions and Voltage Variations Immunity Tests for Equipment with Input Current Up to 16 A Per Phase. IEC: Geneva, Switzerland, 2020.
- IEEE Std 1159.3-2019 (Revision of IEEE Std 1159.3-2003); IEEE Recommended Practice for Power Quality Data Interchange Format (PQDIF). IEEE: New York, NY, USA, 2019; pp. 1–185.
- IEC 61727:2004; Standard—Photovoltaic (P.V.) Systems—Characteristics of the Utility Interface. IEC: Geneva, Switzerland, 2004. Available online: https://webstore.iec.ch/publication/5736 (accessed on 13 April 2025).
- IEC 61000-2-2:2002; Electromagnetic Compatibility (EMC)—Part 2-2: Environment-Compatibility Levels for Low-Frequency Conducted Disturbances and Signaling in Public Low-Voltage Power Supply Systems. IEC: Geneva, Switzerland, 2002. Available online: https://webstore.iec.ch/publication/4133 (accessed on 13 April 2025).
- IEEE Std. 1547.1-2020; IEEE Standard Conformance Test Procedures for Equipment Interconnecting Distributed Energy Resources with Electric Power Systems and Associated Interfaces. IEEE: New York, NY, USA, 2020; pp. 1–282. [CrossRef]


















| ∆E(n) | Low | Very Low | Zero | High | Very High | |
|---|---|---|---|---|---|---|
| E(n) | ||||||
| Low | H | VH | L | L | VL | |
| Very Low | H | H | VL | VL | VL | |
| Zero | Z | Z | Z | Z | Z | |
| High | VL | VL | H | H | H | |
| Very High | VL | L | VH | VH | H | |
| ∆E(n) | −L | −M | −S | EZ | +S | +M | +B | |
|---|---|---|---|---|---|---|---|---|
| E(n) | ||||||||
| −L | −L | −L | −L | −L | −M | −M | −B | |
| −M | −M | −L | −L | −M | −M | EZ | −M | |
| −S | −L | −L | −M. | −M | EZ | +S | −M | |
| EZ | −L | −M | −M | EZ | +S | +M | EZ | |
| +S | −M | −M | EZ | +S | +M | +L | +S | |
| +M | −M | EZ | +S | +M | +L | +L | +M | |
| +L | EZ | +S | +M | +L | +L | +L | +L | |
| Scenario | BLoad (Base Load) | TLoad (Test Load) | Test Procedure | |
|---|---|---|---|---|
| 1. Voltage Characteristics | ||||
| (i) Voltage sag and swell: Investigate the impact of sag and swell on the voltage profile. | (a) Sag | 275 kW + j50kVAR | 500 kW | Apply the large resistive load from 0.2 s to 0.4 s at PCC. |
| (b) Swell | 275 kW + j50kVAR | 350 kW | Cut off a percentage of the base load, say 80% of it, between 0.6 and 0.8 s. | |
| (ii) Voltage imbalance: Investigate the effect of large reactive loads on imbalances. | (c) Imbalance | 275 kW + j50kVAR | J100kVAR | At 0.15 s, an inductive load of j100kVAR is injected into phase “a”. |
| 2. Frequency Characteristics | ||||
| (i) Investigate the frequency deviation with resistive loads | (a) | 350 kW | ---- | To monitor the settling time for frequency stability and variations under pure resistive loads. |
| (ii) Investigate the frequency deviation with constant impedance loads. | (b) | 275 kW + j150kVAR | ---- | To monitor the settling time for frequency stability and variations under constant impedance loads |
| (iii) Investigate the frequency deviation with dynamic reactive loads. | (c) | 275 kW + j50kVAR | j100 kVAR and −j150 kVAR | Applying high dynamic reactive loads in the manner described below. (1) Switch the inductive load ON for 0.6 s and OFF for 0.8 s. (2) Turn the capacitive load ON for 1.4 s and OFF for 1.6 s. (3) Check for deviations when dynamic loading is injected. |
| 3. Power Factor | ||||
| Investigate the variation in the power factor. | 275 kW + j50 kVAR | 150 kW | To monitor the power factor in the presence of both impedance and resistive loads. | |
| 4. Power Characteristics | ||||
| Investigate the changes in active and reactive power characteristics when subjected to a high dynamic reactive load. | 275 kW + j50 kVAR | j100 kVAR and −j150 kVAR | Applying high dynamic reactive loads in the manner described below. (1) Switch the capacitive load ON for 0.1 s and OFF for 0.2 s. (2) Turn the inductive load ON for 0.3 s and OFF for 0.4 s. (3) Check for deviations in active and reactive power when dynamic loading is injected. | |
| 5. Total Harmonic Distortion | ||||
| Investigate the effect of huge resistive loading. | (a) | 275 kW + j50 kVAR | 650 kW | A huge resistive load of 650 kW is applied from 0.15 s to 0.2 s to investigate the effect of THD. |
| Examine the long-term effects of high reactive loads. | (b) | 450 kW + j50 kVAR | J250 kVAR and −j150 kVAR | Switch the j250 kVAR load OFF at 0.15 s and switch the −j150 kVAR load ON at 0.2 s. |
| Power Quality Parameter | Test Scenario | Controller Used to Control the PV-FC Hybrid Microgrid | Standard Requirement | |
|---|---|---|---|---|
| Conventional ANN [15] | Proposed Fuzzy | |||
| Voltage sag | 1(a) | 46.15% (violated) | 37.55% | 40% [28] |
| Voltage swell | 1(b) | 10.25% | 7.5% | |
| Voltage imbalance | 1(c) | 3.11% (violated) | 1.03% | 3% [29] |
| Settling time (Frequency deviations) | 2(a) | 0.23 | 0.16 | Deviation of 1 s [30,31] |
| 2(b) | 0.32 | 0.2 | ||
| Power factor | 3 | 0.745 | 0.767 | -- |
| Total harmonic distortion (THD) | 5(a) | 5.37% (violated) | 3.6% | 5% [32] |
| 5(b) | 3.26% | 2.44% | ||
Disclaimer/Publisher’s Note: The statements, opinions and data contained in all publications are solely those of the individual author(s) and contributor(s) and not of MDPI and/or the editor(s). MDPI and/or the editor(s) disclaim responsibility for any injury to people or property resulting from any ideas, methods, instructions or products referred to in the content. |
© 2025 by the authors. Licensee MDPI, Basel, Switzerland. This article is an open access article distributed under the terms and conditions of the Creative Commons Attribution (CC BY) license (https://creativecommons.org/licenses/by/4.0/).
Share and Cite
Venkata Pavan Kumar, Y.; Naga Venkata Bramareswara Rao, S.; Pradeep, D.J. Fuzzy-Based Current-Controlled Voltage Source Inverter for Improved Power Quality in Photovoltaic and Fuel Cell Integrated Sustainable Hybrid Microgrids. Sustainability 2025, 17, 4520. https://doi.org/10.3390/su17104520
Venkata Pavan Kumar Y, Naga Venkata Bramareswara Rao S, Pradeep DJ. Fuzzy-Based Current-Controlled Voltage Source Inverter for Improved Power Quality in Photovoltaic and Fuel Cell Integrated Sustainable Hybrid Microgrids. Sustainability. 2025; 17(10):4520. https://doi.org/10.3390/su17104520
Chicago/Turabian StyleVenkata Pavan Kumar, Yellapragada, Sivakavi Naga Venkata Bramareswara Rao, and Darsy John Pradeep. 2025. "Fuzzy-Based Current-Controlled Voltage Source Inverter for Improved Power Quality in Photovoltaic and Fuel Cell Integrated Sustainable Hybrid Microgrids" Sustainability 17, no. 10: 4520. https://doi.org/10.3390/su17104520
APA StyleVenkata Pavan Kumar, Y., Naga Venkata Bramareswara Rao, S., & Pradeep, D. J. (2025). Fuzzy-Based Current-Controlled Voltage Source Inverter for Improved Power Quality in Photovoltaic and Fuel Cell Integrated Sustainable Hybrid Microgrids. Sustainability, 17(10), 4520. https://doi.org/10.3390/su17104520
