Abstract
This paper presents a novel approach to manage distributed DC microgrids (DCMG) by integrating a time-of-use (ToU) electricity pricing scheme and an internal price rate calculation mechanism. The proposed power-management system is designed to effectively handle uncertainties such as utility grid (UG) availability, fluctuating electricity prices, battery state of charge (SOC) levels, and frequent plug-ins and plug-outs of electric vehicles (EVs). Uncertainties in DCMG systems often lead to inefficiencies, power imbalances, and inexact voltage regulation issues within DCMGs. In addition, to maintain the power balance and constant voltage regulation under various operational states, the proposed scheme also incorporates secondary control into the DCMG power-management system. Unlike the existing approaches that often fail to adapt dynamically to changing conditions, the proposed method is the first approach to consider the concept of internal price rate in designing the DCMG power management. To address this challenge, this approach proposes a more resilient power-management strategy to enhance the efficiency and adaptability of DCMG systems. Extensive simulations and experimental validations demonstrate the practicality and adaptability of the proposed control strategy under diverse test conditions, including operation transitions between grid-connected mode (GCM) and islanded mode (IM), low battery SOC condition, operation transition from the current control mode (CCM) to distributed secondary control mode (DSCM), and EV plug-in scenarios. The test results confirm that the proposed method enhances the reliability, efficiency, and economic viability of DCMG systems, making it a promising solution for future smart grid and renewable energy integrations.
1. Introduction
The growing global demand for energy, coupled with the urgent need to decrease greenhouse gas emissions, has led to a significant energy transition towards renewable energy sources (RESs) such as wind and solar power. The RESs and distributed generation (DG) technologies have become essential in creating a more resilient and sustainable energy infrastructure [1]. However, the integration of these variable and intermittent RESs into the conventional power grid poses a substantial challenge in terms of stability, reliability, and efficiency [2,3,4]. Furthermore, managing the uncertainties related to renewable energy supply and demand balance, voltage stability, and economic efficiency remains a significant challenge in current microgrid systems.
To address this issue, microgrid systems have emerged as a promising solution. Generally, the microgrids are classified as DC microgrid (DCMG) systems and AC microgrid (ACMG) systems. The DCMG presents several advantages over traditional AC systems, such as enhanced efficiency, minimized losses in the power conversion stage, the absence of harmonic issues, and the elimination of synchronization problems [5,6,7]. The fundamental components of a DCMG typically include DG units using renewable energy (such as wind and solar energy), energy storage systems (ESSs) like batteries, and a control system that manages power flow and maintains voltage stability [8]. However, the deployment of DCMGs still faces several critical problems, which include maintaining the power balance, preventing voltage deviations, and managing energy storage and distribution effectively under various operational conditions.
A key control strategy in DCMG is droop control, which works to balance power among different DG units and energy storage units without requiring high-bandwidth communication. Droop control mimics the natural behavior of voltage and frequency droop in AC systems, allowing power-sharing by decentralized control without communication links [9]. Recent advancements have introduced droop control mechanisms that incorporate real-time pricing information to enhance economic efficiency and operational reliability [10]. Other studies also present adaptive control strategies that adjust the output power of power units for the purpose of ensuring optimal performance under varying conditions [11,12,13]. However, these strategies are often limited by their reliance on static cost models, which do not sufficiently address the real-time economic issue of the DCMG system in real-world applications.
Secondary control strategies are essential for maintaining both the stability and reliability of DCMG. These strategies typically involve voltage restoration and power-sharing among different power units [14]. A distributed secondary control (DSC) strategy that does not rely on a central controller has gained popularity due to its robustness and scalability [15,16,17,18]. This approach uses local measurements and communication between neighboring power units not only to achieve overall control objectives for the entire microgrid but also to enhance the resilience and adaptability of the microgrid.
Several studies on optimization for secondary control in microgrids have been conducted. The research in [19] presents a voltage restoration and optimal power-sharing using the DSC to minimize the total cost of DCMG by defining the quadratic cost function of DG. The study in [20] proposes a distributed discrete-time optimal control that accounts for communication delay by introducing a quadratic cost model for renewable generation similar to that of conventional generation. This cost model is designed to maximize the use of renewable generation over conventional generation. Additionally, other studies in [21,22,23] propose similar approaches for hybrid and ACMGs. However, these studies rely on a cost model that assumes a quadratic relationship between the cost and power generation. Even though a particular cost function in quadratic form is simple for optimization, the use of a volumetric rate such as a time-of-use (ToU) pricing is a more realistic scenario for consumer energy consumption and residential energy community [24]. Furthermore, these studies only consider the power to flow unidirectionally from the power units. The ESS, which not only discharges power but also charges power, has not yet been considered.
Another significant aspect of DCMGs is the economic optimization of their operation. By integrating ToU electricity pricing into the control strategies, microgrid systems can achieve substantial cost savings and enhance economic viability [25]. The ToU pricing allows the microgrid system to respond dynamically to market signals by adjusting the consumption and generation of electricity based on the current prices [26,27,28]. This approach reduces operational costs and also incentivizes the use of RESs and ESSs.
This paper proposes a DSC of DCMGs with power management, which integrates the ToU pricing and internal price rate. The proposed internal price rate encourages the use of energy storage management based on the ToU price method. For example, when the internal price rate of the EV and battery units is lower than the utility grid (UG) unit, the operation of the EV and battery units can be switched to discharging mode in order to use much cheaper energy for the DCMG. Furthermore, the proposed scheme does not rely on the use of a quadratic cost model, which makes the proposed scheme simpler and can be used commonly on the consumer side. In this study, the DCMG system comprises multiple power units which include the UG, an EV and a battery for energy storage, a wind turbine (WT) as a DG, and load units. To demonstrate the adaptability of the control scheme under diverse conditions, it is important to address several uncertainties that arise during DCMG system operation, such as the UG availability, fluctuating electricity prices, battery state of charge (SOC), and EV plug-in. In this study, the EV and battery units run in the current control mode (CCM) with maximum discharging power when the SOC is higher than 50%. Conversely, when the SOC value is lower than 50%, the distributed secondary control mode (DSCM) is used based on the price information of each power unit to conserve it by sharing the supplied power with other power units.
In the proposed scheme, the DC-link voltage of the DCMG system is maintained at the nominal level, which overcomes the typical drawback of voltage deviations associated with conventional droop control. In particular, the secondary control effectively maintains the power balance and constant voltage regulation under various operational states. Moreover, the proposed control strategy that enables ToU-price-based power management is quite scalable and flexible because it eliminates the need for centralized controllers and extensive communication links. The DCMG system can be integrated seamlessly with power units, which improves the resilience of the DCMG system with high adaptability to future energy demands.
In comparison to the conventional studies, the primary contributions of the proposed study are summarized as follows:
- (i)
- A power-management strategy for a distributed DCMG considering the ToU pricing and internal price rate is proposed in this study. To obtain a comparable price value for the ESS such as the EV and battery units, the internal price rate calculation mechanism is introduced. The proposed power-management scheme is designed considering the presence of various uncertainties such as the UG unit availability condition, electricity price change of the UG, SOC levels of the ESS, and EV unit plug-in.
- (ii)
- To obtain both power balance and constant voltage regulation with uncertain conditions such as the UG fault, secondary control is also utilized. By combining the secondary control with the droop control, the power-sharing among the power units is determined using the droop coefficient based on the price information of power units.
To confirm the practicality and adaptability of the proposed control scheme in real power sources, the proposed scheme is demonstrated through extensive simulation and experimental tests under diverse operational conditions. The proposed power-management method is straightforward and flexible, which easily facilitates the integration of various power sources into the DCMG system. This article is organized as follows: Section 2 presents a brief overview of the DCMG configuration considered in this study. Section 3 explains the control schemes for various power units within the DCMG. Section 4 discusses the price models, including the proposed internal price rate calculation used in the control strategy, in detail. To verify the proposed control scheme, the simulation and experimental test results are given under various conditions in Section 5 and Section 6, respectively. Finally, Section 7 gives the conclusion of the paper.
2. Structure of a Distributed DCMG
Figure 1 illustrates the structure of a distributed DCMG discussed in this paper, which consists of a load unit and four power units: a WT unit, a battery unit, an EV unit, and a UG unit. The communication links used to facilitate the exchange of information among power units are also depicted in Figure 1. The WT unit operates unidirectionally, supplying the power to the DC link via a unidirectional AC/DC converter and a three-phase permanent magnet synchronous generator (PMSG). The UG unit, EV unit, and battery unit function bidirectionally. These units can supply power to the DC link. Additionally, these units can also absorb the power from the DC link. The UG unit uses a bidirectional AC/DC converter, while the EV and battery units use an interleaved bidirectional DC/DC converter. The load unit, which only consumes the power from the DC link, employs switches to disconnect loads. These disconnection switches are used in order to handle emergency cases where there is not sufficient power to meet load demand. While the basic structure of the DCMG, which includes the WTs, batteries, and EVs as the power units, follows a widely used configuration in microgrid systems [11,13], the specific contribution of the proposed control scheme lies in the integration of an internal price rate calculation mechanism into the secondary control. This mechanism allows more economic power management under operational uncertainties such as electricity price variation, battery SOC levels, UG availability, and EV plug-ins. The proposed internal price rate calculation of each power unit is explained in the next section.
Figure 1.
Structure of a DCMG.
The power flow is represented by specific variables: for the battery unit, for the EV unit, for the WT unit, for the UG unit, and for the load unit. The values of these variables are negative (−) when power is injected into the DC link and positive when power is absorbed from the DC link. Further details on the operations and control methods are provided in subsequent sections to ensure the power balance and voltage regulation.
We denote the set which consists of the WT, UG, battery, and EV unit. There is a bidirectional communication link in the DCMG, which is denoted by a graph , where is the edge set [19].
3. Control Scheme of DCMG Power Units
3.1. Control of Wind Power Unit
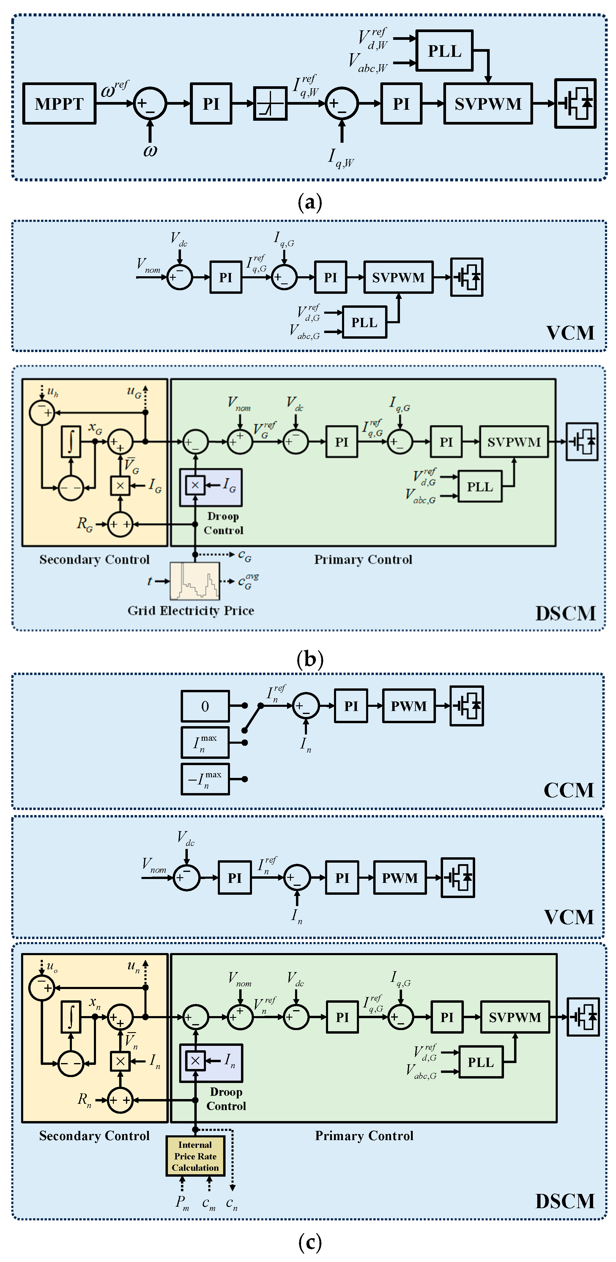
Figure 2a shows the control scheme for the AC/DC power converter of the WT unit working only unidirectionally. To draw the maximum wind power, the WT unit works in maximum power point tracking (MPPT) mode, which has been widely applied in wind energy systems [29]. The speed reference of the MPPT output is used in a proportional-integral (PI) controller to yield reference current for the unidirectional AC/DC converter. The current controller output is applied by space vector pulse width modulation (SVPWM) to drive the AC/DC power converter. The SVPWM also uses a phase-locked loop (PLL) algorithm that can be obtained from three-phase WT voltage and d-axis voltage reference .
Figure 2.
Converter control schemes of a distributed DCMG. (a) WT unit. (b) UG unit. (c) EV and battery units.
3.2. Control of UG Power Unit
Figure 2b shows the proposed DSCM and detailed control scheme for the AC/DC power converter of the UG unit. In contrast with the WT, the AC/DC converter of the UG unit works bidirectionally. Furthermore, the UG unit operates either in voltage control mode (VCM) or DSCM. In VCM, the UG unit regulates DC-link voltage to the nominal value, while the remaining power units work as CCM. In VCM, two cascaded PI controllers are employed to achieve outer loop voltage control and inner loop current control [13]. The resultant control output is applied using the SVPWM to drive the converter switches with the phase angle information from the PLL.
In DSCM, the UG unit achieves both the primary control and the secondary control. The primary control is composed of the droop control, voltage control, and current control [16]. When the UG unit works as the droop control, it utilizes the grid electricity price , which varies with time . The grid electricity price is used as the droop control value in primary control. In addition, the grid electricity price is also used in the secondary control. Further details about the grid electricity price are described in the subsequent section. The secondary control is used in the UG unit to ensure voltage restoration and power-sharing among other power units within a distributed DCMG system. The secondary control of the UG unit utilizes secondary control outputs from neighboring power units, , with and , which are sent via the communication links. In addition, the UG line resistance is also used along with the value of to obtain the virtual voltage drop of UG unit . The secondary control output of the UG is then obtained by utilizing and as shown in Figure 2b [15,16]. The obtained secondary control output is processed by two cascaded PI voltage and current controllers.
3.3. Control of EV and Battery Units
Figure 2c represents the detailed control scheme for the DC/DC power converter for the EV and battery units, which work in a bidirectional way. The EV and battery units operate in three operational modes which are the CCM, VCM, and DSCM. In islanded mode (IM), the EV and battery units work in VCM or DSCM. In most cases, the EV and battery units work in DSCM. However, if the power units to regulate DC-link voltage are not available, the EV and battery units work in VCM.
In the grid-connected mode (GCM), the EV and battery units operate either in CCM or DSCM. When the UG unit works in VCM to regulate the DC link, the EV and battery units operate in CCM. However, the operational mode selection between CCM and DSCM in the EV and battery units is determined according to the electricity price condition and SOC values.
The CCM of the EV and battery units consists of only one current control loop in which reference current is chosen as for the idle mode, for the maximum power charging, and for the maximum power discharging, respectively [29].
Similar to the VCM of the UG unit, the VCM of the EV and battery units is composed of two cascaded PI controllers to achieve the voltage control in the outer loop and the current control in the inner loop.
The DSCM of the EV and battery units has an identical structure to that of the UG unit except for internal price rate calculation. The overall DSCM is composed of both primary control and secondary control. The primary control consists of the droop control, voltage control, and current control [16]. The EV and battery units utilize the internal price rate , with , that is calculated from the price of other power units m, , and the corresponding output power , in which and . The internal price rate value for the EV and battery is then used for both the droop control and secondary control similar to the UG unit. Further details about the internal price rate calculation are provided in the subsequent section.
The secondary control of the EV and battery units in DSCM to ensure voltage restoration and power-sharing, among other units, also has an identical structure to that of the UG unit. The secondary control utilizes the secondary control output from neighboring power units , where and , which are sent via the communication links. In addition, the line resistance of the EV and battery units is also used with the internal price rate value to obtain the virtual voltage drop of the EV and battery units . The secondary control output of the EV and battery units, , is then obtained by utilizing and as shown in Figure 2c. The obtained secondary control output is processed by two cascaded PI voltage and current controllers.
3.4. Control Mode Selection of UG, Battery, and EV Units
Figure 3 presents the control mode selection of the UG unit, as shown in Figure 2b. The UG unit works in DSCM if the EV and battery unit works in DSCM. Conversely, if the EV and battery units operate in CCM, then the UG unit operates in VCM to control the DC-link voltage.
Figure 3.
Control mode selection of UG unit in GCM.
Figure 4 presents the control mode selection of the EV and battery units, as shown in Figure 2c. In IM, if the power unit to control DC-link voltage is not available, the EV or battery unit works in VCM. For instance, if one of the SOCs in the EV or battery unit reaches minimum SOC ( or ), this power unit cannot contribute to power-sharing. In this circumstance, the other storage unit works in VCM. Otherwise, the EV and battery units operate in DSCM to achieve power-sharing. Another condition to use DSCM in the EV and battery units is the GCM when the specific price conditions hold, as in Figure 4, and when the SOC of the EV and battery units is less than 50%.
Figure 4.
Control mode selection of EV and battery units in IM and GCM.
Alternatively, the EV and battery units work in CCM. When the grid electricity price is lower than the average grid price of the previous day and the is lower than , the CCM with the maximum charging is activated. Conversely, when is higher than , the internal price rate is lower than , and is higher than 50%, the CCM with the maximum discharging is activated. Lastly, when reaches the minimum SOC value or the maximum SOC value , the idle mode is selected.
3.5. Distributed Secondary Control Using Price Value as Droop Coefficient
In primary control, the voltage reference in the voltage controller is expressed as
where , , , and are the nominal DC-link voltage, electricity price of the power unit, the output current of the power unit, and secondary control output, respectively.
The current sharing ratio among power units is determined based on the internal price rate value as follows:
The above equation indicates that the power unit support less power than the power unit if . The secondary control output is obtained with a consensus algorithm according to [15,16] as
where if the information can be exchanged between the power unit k and power unit j, where . Otherwise, . The consensus algorithm adjusts the secondary control output by exchanging information among power units to ensure that all power units work together to achieve voltage restoration and power balance. The voltage is defined as the “virtual voltage drop” [16] and obtained as
where is the line resistance value of power unit k. The electricity price is defined in the following section.
A distinguishing feature of the proposed secondary control method is to incorporate the concept of internal price rate into the DCMG control scheme. The internal price rate in all power units are used to determine the support power to the DC link. For example, when the internal price rate of an EV or battery unit is lower than that of the UG, these units will supply more power to the DC link than the UG. The reference current is then obtained from the PI control as
with and being the PI gains of the voltage control.
4. Proposed Internal Price Rate Calculation for EV and Battery Units
4.1. Electricity Price of UG and Renewable Energy
In this study, the electricity price of UG units has a range similar to other related studies in the range between 18 and 34 ¢/kWh [10,30]. Also, it is assumed in this study that the electricity price of UG changes as a step function within the price range. Various scenarios regarding the changes in electricity prices are considered to investigate the price impact on DCMG operation.
The price of renewable energy is assumed to be zero in this study. Operational and maintenance costs are not considered, with the aim of maximizing the utilization of renewable energy generation. This assumption is consistent with other studies that also exclude maintenance costs and assign zero values to fuel and operating expenses [10,30].
4.2. Price Model for EV and Battery Units
Figure 5 shows the calculation process of the internal price rate for the EV and battery units. To achieve substantial cost savings and enhance economic viability by integrating the concept of the ToU electricity price into the control strategies, the ESSs, such as the EV and battery units, also require their own electricity pricing calculations. In this study, the electricity prices for the EV and battery units are determined by calculating the average price of the total energy charged into the EV and battery units.
Figure 5.
Internal price rate calculation process for the EV and battery units (n = B or EV).
Consider the initial value of the SOC, the maximum energy capacity, initial stored energy, and initial internal price rate of the EV or battery unit as , , , , respectively, for n = B or EV. Then, the initial stored energy is expressed as
Considering the initial internal price rate , the initial total price of the total stored energy is calculated as
The stored energy, the total price of total stored energy, and the internal price rate are initialized with these initial values as
The additional stored energy and the updated stored energy can be calculated as
where is power output of unit n. When the EV or battery unit is charging with , an internal price rate for additional stored energy is calculated based on the price rate and power supplied by other power units m, which are denoted by and with , respectively, as
where because the other power units supply power to the DC link. Conversely, when the EV or battery unit is discharging with , the does not change as
The additional price for the additional stored energy , and the updated total price of the total stored energy can be obtained using as
The updated internal price rate is obtained by dividing the updated total price of the total stored energy with the updated stored energy unless the updated total stored energy is zero, as follows:
If the updated total stored energy reaches zero, it indicates that the SOC value also approaches zero. Then, the internal price rate can be considered to be zero, i.e.,
Lastly, all values are updated for next calculations
5. Simulation Tests
To demonstrate the reliability and feasibility of the proposed DSC scheme, which uses the ToU pricing and internal price rate calculation, the simulations are conducted using the DCMG system specified in Table 1.
Table 1.
DCMG Parameters.
Simulation results are presented in diverse conditions, including the transition between IM and GCM, low SOC condition, case of EV operational transition from CCM with the maximum discharging to DSCM, and the case of EV plug-in.
5.1. Transition from GCM to IM
Figure 6 depicts the simulation test results to illustrate the transition between GCM and IM. At the beginning, the DCMG starts to operate in GCM. During this period, the UG price is less than the average grid price of the previous day, which prompts the EV and battery units to be charged by CCM with the maximum charging. In addition, the internal price rate of the EV and battery units decreases because the price rates for UG and WT units are lower than that of the accumulated energy in the EV and battery units. It is worth mentioning that the operations of the power units are determined according to the proposed power-management control strategy, as shown in Figure 2, Figure 3, Figure 4 and Figure 5.
Figure 6.
Simulation tests for the transition from GCM to IM.
In this test, the ToU pricing is defined as a step function for 19 ¢/kWh between 0 to 5 s, then 22 ¢/kWh between 5 and 10 s, and finally, 30 ¢/kWh between 10 and 15 s. During the interval of 15–20 s, as the fault occurs in UG, the UG price rate is 0 ¢/kWh. The average grid price rate of the previous day is assumed as 22.79 ¢/kWh.
At t = 5 s, the UG price rate increases from 19 ¢/kWh to 22 ¢/kWh. Even though the UG price increases, the EV and battery units remain in CCM with the maximum charging because the UG price rate is still lower than the average grid price rate of the previous day. However, the sum of prices for UG and WT units exceeds the internal price rate of the battery unit. This results in a slight increase in the internal price rate of the battery unit. Conversely, the internal price rate of the EV unit decreases because it is still higher than the sum of the prices of the UG and WT units. At t = 7 s, as the power generation of WT increases, the UG decreases supply power into the DC link for regulation of DC-link voltage to nominal value. The sum of the prices of UG and WT units becomes lower than the internal price rate of both the EV and battery units, resulting in a decrease in their internal price rates.
At t = 10 s, the UG price increases higher than the average grid price of the previous day and exceeds the internal price rate of both the EV and battery units. Consequently, the EV and battery units switch their operations from CCM with the maximum charging to CCM with the maximum discharging. As a result, the UG unit absorbs power from the DC link to control the DC link voltage at a nominal value. When the EV or battery unit discharges, the internal price rate of the EV and battery units remains constant because there is no additional energy entering into the EV or battery unit.
At t = 13 s, as the WT power decreases, the power absorbed by UG also decreases. Lastly, at t = 15 s, the UG fault occurs. Then, the EV and battery units switch their operations from CCM with the maximum discharging to DSCM, in which the secondary control output is activated. In this condition, the EV and battery units maintain power-sharing based on their respective internal price rate. Since the internal price rate of the battery unit is lower than that of the EV unit, the battery unit supplies more power than the EV unit does. It is obviously confirmed from the test result that the proposed control method not only maintains power balance reliably but also regulates DC-link voltage stably to nominal value under various conditions.
To prove the increase in reliability and economic efficiency of the proposed strategy, Table 2 shows a comparison of the proposed scheme with the conventional schemes. It is clearly demonstrated from Table 2 that the proposed scheme guarantees power management for the distributed DCMG system under both the IM and GCM, while the conventional schemes in [16,31] work only in the IM. As another contribution, the ToU electricity pricing and internal price rate calculation mechanism for energy storage units and the UG unit are also integrated into the DSC of the proposed control to enhance economic efficiency even under various uncertainties.
Table 2.
Comparison of the proposed scheme with the conventional schemes.
To emphasize the reliability and economic efficiency of the proposed control scheme, Figure 7 shows the comparative simulation tests for the transition from GCM to IM with the WT power variation. Figure 7a presents the waveforms of the proposed control, while Figure 7b shows waveforms of schemes [16,31] under the transition from the GCM to IM. Initially, the DCMG system starts to operate in the GCM. During this period, the UG price is higher than the average grid price of the previous day, which prompts the EV and battery units to be discharged by CCM with the maximum discharging. At t = 2 s, as the WT unit power decreases, the power absorbed by the UG unit also decreases. When the UG fault occurs at t = 4 s, the EV and battery units switch the operation from CCM with the maximum discharging to DSCM, in which the secondary control output is activated. In this condition, the EV and battery units maintain power-sharing based on their respective internal price rates. Since the internal price rate of the battery unit is lower than that of the EV unit, the battery unit supplies more power than the EV unit does. The total cost to supply energy to a DC bus can be defined as

Figure 7.
Comparative simulation tests for the transition from GCM to IM with the WT power variation. (a) Proposed control scheme. (b) Control schemes [16,31]. (c) Comparison of the DCMG total cost to supply energy to DC bus.
Based on the calculation of the total cost, the total costs for the proposed and the conventional schemes are compared in Figure 7c. This figure clearly demonstrates that the proposed scheme requires a smaller total cost than the conventional methods [16,31] to supply energy to the DC bus. As a result, the economic efficiency of the proposed control scheme, which uses the ToU electricity pricing and internal price rate calculation mechanism, is confirmed.
5.2. Case of Battery Low SOC Level in IM
Figure 8 shows the simulation tests in the case of low battery SOC in IM. Initially, the EV and battery units are in DSCM with power-sharing based on its internal price rate because the internal price rate of the battery unit is lower than that of the EV unit, the battery unit supplies more power to load.
Figure 8.
Simulation tests under low battery SOC in IM.
At t = 2 s, as the WT unit decreases power, the EV and battery units increase the supplying power to load according to their internal price rates while maintaining DC-link voltage to the nominal value.
At t = 2.7 s, as soon as the battery SOC becomes minimum, the battery unit operation is changed to idle, and the EV unit operation is changed from DSCM to VCM. In this condition, only EV and WT units support the power to load. If the supply power by both EV and WT units is not sufficient, the DC-link voltage drops rapidly during intervals of 2.7–3.2 s in Figure 8.
At t = 3.2 s, as soon as the DC-link voltage drops below the load-shedding voltage level, the load-shedding starts to prevent DCMG collapse. After load-shedding, the EV unit operates in VCM to regulate DC-link voltage to nominal value.
5.3. Case of EV Operation Transition from CCM to DSCM
Figure 9 presents the simulation tests of the proposed distributed control strategy for EV operation transition from CCM with the maximum discharging to DSCM in GCM. At the beginning, the battery unit is discharged with DSCM control due to , according to the control mode selection of the EV and battery units, as shown in Figure 4. On the contrary, because of , the EV unit works as CCM control. In other words, because of the higher SOC level of the EV, the EV unit discharges more power than the battery, even though the EV has a higher internal price rate than the battery. In this condition, the UG price rate is selected as 34.62 ¢/kWh, whereas the average grid price rate of the previous day is set to 22.79 ¢/kWh. The internal price rates of the EV and battery units are assumed to be 20 ¢/kWh and 25 ¢/kWh, respectively. Since the EV SOC is higher than 50% initially, the EV unit is in CCM with the maximum discharging. However, since the battery SOC is lower than 50%, the battery unit is in DSCM. Hence, the battery and UG units run in DSCM to achieve power-sharing based on the price rates of each unit. The battery unit supplies more power than the UG unit does because the internal price rate of the battery unit is cheaper than that of the UG unit.
Figure 9.
Simulation tests for EV operation transition from CCM with maximum discharging to DSCM.
At t = 3.8 s, as the EV SOC falls below 50%, the EV unit switches the operation from CCM with the maximum discharging to DSCM. As a result, the EV unit shares the supply power with the battery and grid units based on their respective price rates. Since the battery unit has the lowest price, followed by the EV unit, and then by the grid unit, the battery unit supplies the most power, followed by the EV unit, and finally by the grid unit.
5.4. Case of EV Plug-In in IM
Figure 10 represents the simulation tests of the proposed scheme for EV plug-in conditions in IM. The internal price rate of the battery unit is assumed as 20 ¢/kWh. Initially, the WT and battery units work together to supply load. Then, at t = 2.0 s, the EV unit with an internal price rate of 30 ¢/kWh is plugged in. Because both the EV and battery units work in IM and the UG is not available, the EV and battery units start working in DSCM with the secondary control output increasing. The power-sharing is achieved by the EV and battery units according to internal price rates. At t = 4.0 s, as the WT power decreases, the EV and battery units increase the discharging powers to maintain power-sharing according to the internal price rates. Even in the presence of the wind power change, the power-sharing and DC-link voltage regulation is effectively achieved.
Figure 10.
Simulation tests for EV plug-in.
6. Experimental Results
Figure 11 depicts an experimental DCMG setup that is used to verify the feasibility and reliability of the proposed strategy. In the proposed strategy, the main controller is constructed based on a distributed control method. The DCMG setup comprises four power units: a WT unit, a battery unit, an EV unit, and a UG unit. The DC bidirectional power sources are employed for the EV and battery units to support the power to the DC link or absorb the power from the DC link via bidirectional interleaved DC/DC converters. In the UG unit, a bidirectional AC/DC power converter is employed to connect a three-phase grid through an inductor–capacitor–inductor (LCL) passive filter. The WT unit includes AC motor control and induction motor mechanically coupled to PMSG through a unidirectional AC/DC power converter. A digital signal processor (DSP) is used in all power units to implement the proposed distributed power-management strategy. Experimental results are provided under diverse conditions, such as transition from GCM to IM, electricity price change in GCM, battery maximum SOC condition, transition from the CCM with the maximum discharging to the DSCM, and EV unit plug-in in IM, with parameters specified in Table 1.
Figure 11.
Test setup for experiment.
6.1. Transition from GCM to IM
Figure 12 depicts the experimental results for the transition from GCM to IM. At the beginning, the DCMG starts in GCM with a grid electricity price rate of 18.64 ¢/kWh, which is lower than the average grid price rate of the previous day at 22.79 ¢/kWh. Therefore, the battery unit is in CCM with the maximum charging. The combined internal price rates of the grid and WT are lower than the internal price rate of the battery unit, which causes the internal price rate of the battery unit to be reduced. On the other hand, because the EV SOC is at maximum, the EV unit works in an idle state with a constant internal price rate of EV unit. It is worth mentioning that all the price values are internal variables. The values and are calculated inside the DSP based on the internal price rate calculation process for the EV and battery units as shown in Figure 5. The values and are defined inside the DSP of the UG unit. These price variables are transmitted to a digital-to-analog (DAC) converter through the serial peripheral interface (SPI) protocol to display in the oscilloscope.
Figure 12.
Experimental results for a transition from GCM to IM.
When the UG has a fault suddenly, the price rate of the UG unit becomes unavailable. Thus, the EV and battery units enter DSCM with power-sharing based on their respective internal price rates. In this case, both the EV and battery units are supplying power to load.
6.2. Change in Electricity Price Condition in GCM
Figure 13 depicts the experimental results for change in electricity price conditions. Initially, the UG electricity price rate is set to 18.79 ¢/kWh, which is below the average grid price rate of the previous day at 22.79 ¢/kWh. Thus, the battery operates in CCM with the maximum charging, and the internal price rate of the battery unit is decreasing since the combined internal price rates of the grid and WT units are lower than that of the battery unit. On the other hand, the EV unit works in an idle state because the EV SOC approaches the maximum, and the internal price rate of the EV unit remains at a constant value.
Figure 13.
Experimental results with change in electricity price condition.
As soon as the price rate of the UG unit increases above the internal price rates of the EV and battery units, as well as the average grid price rate of the previous day, both the EV and battery units switch operations to CCM with the maximum discharging. In this case, because the internal price rates of the EV and battery are lower than that of UG, the DCMG system exports power to UG using supply power from the EV and battery units. From this experimental test, the proposed control scheme ensures reliable power-sharing and economic viability of the DCMG system, as well as a stable DC-link voltage regulation performance.
6.3. Case of EV Operation Transition from CCM to DSCM
Figure 14 shows the experimental results for battery operation transition from CCM with the maximum discharging to DSCM when the battery SOC drops below 50%. Initially, the EV unit operates in an idle state because the EV SOC is minimal. In this condition, the average grid price rate of the previous day is at 22.79 ¢/kWh. The price rate of UG is higher than that of battery and the average grid price rate of the previous day. In addition, the battery SOC is also above 50%. As a result, the battery should work in CCM with maximum discharging.
Figure 14.
Experimental results for battery operation transition from the CCM with the maximum discharging to the DSCM.
When the battery SOC decreases below 50%, the battery unit switches operation from CCM with the maximum discharging to DSCM to cooperate with UG to supply power to the DC link according to the price rates of each power unit. Since the internal price rate of the battery unit is higher than the electricity price rate of UG, the battery unit supplies more power than the UG unit does.
6.4. Case of Sudden EV Plug-In
Figure 15 presents the experimental results for a sudden EV unit plug-in in IM. The internal price rates of the EV and battery units are assumed to be 20 ¢/kWh and 25 ¢/kWh, respectively. Initially, the DCMG system is in IM with the WT and battery units supplying power to the DC link. As soon as the EV unit is plugged into DCMG, the EV unit runs in DSCM and shares supply power to load according to the internal price rates. The battery unit operation is shifted from VCM to DSCM. Since the internal price rate of the battery unit is lower than that of the EV unit, the battery unit supplies more power to the load than the EV unit does. From this test, it is clearly confirmed that the EV unit can be plugged in seamlessly to share the power with other power units without degrading DC-link voltage regulation performance.
Figure 15.
Experimental results for EV unit plug-in in IM.
7. Conclusions
This study has presented a distributed DCMG power-management strategy that integrates the ToU electricity pricing and internal price rate calculation mechanism for energy storage units and the UG unit into the DSC. The proposed power-management scheme is constructed by considering uncertainties such as UG availability, electricity price fluctuations, battery SOC levels, and frequent plug-ins and plug-outs of EVs. The price rates in each power unit are effectively used to achieve power-sharing among power units in the proposed control strategy. The DSCM maintains power balance and constant voltage regulation when the energy storage units are not in an idle state, the maximum charging, or the maximum discharging. By combining the secondary control with the droop control, the power-sharing is determined using the droop coefficient from the price information of power units.
The usefulness and flexibility of the proposed power-management method have been demonstrated through extensive simulation and experimental tests under various conditions, such as transitions between GCM and IM, low SOC levels, switching from CCM to DSCM, and sudden EV plug-in scenarios. The experimental results clearly confirm that the proposed distributed control strategy ensures good power balance as well as exact regulation of DC-link voltage, stably and reliably.
This research contributes to the sustainability of the electrical power system by integrating renewable energy sources and optimizing power management to reduce carbon emissions and improve energy efficiency in microgrid systems. The use of ToU pricing and internal price rate calculations not only enhances economic viability but also supports the wider adoption of renewable energy, which strengthens long-term environmental sustainability.
Author Contributions
The main concept and idea for the control structure of DCMG were studied by M.A.M.J., D.T.T. and K.-H.K. The analysis was carried out by M.A.M.J. and D.T.T. under the guidance of K.-H.K. Detailed numeric data analysis was done by M.A.M.J. and D.T.T. under the guidance of K.-H.K., M.A.M.J., D.T.T. and K.-H.K. worked together in preparing the manuscript. The published version of the manuscript has been read and agreed upon by all authors. All authors have read and agreed to the published version of the manuscript.
Funding
This work was supported by the National Research Foundation of Korea (NRF) grant funded by the Korea government (MSIT) (NRF-2022R1F1A1064350). This research was supported by Basic Science Research Program through the National Research Foundation of Korea (NRF) funded by the Ministry of Education (NRF-2019R1A6A1A03032119).
Institutional Review Board Statement
Not applicable.
Informed Consent Statement
Not applicable.
Data Availability Statement
Data are contained within the article.
Conflicts of Interest
The authors declare no conflicts of interest.
References
- Olabi, A.G. Renewable energy and energy storage systems. Energy 2017, 136, 1–6. [Google Scholar] [CrossRef]
- Twaisan, K.; Barışçı, N. Integrated distributed energy resources (DER) and microgrids: Modeling and optimization of DERs. Electronics 2022, 11, 2816. [Google Scholar] [CrossRef]
- Rahman, S.; Saha, S.; Islam, S.N.; Arif, M.T.; Mosadeghy, M.; Haque, M.E.; Oo, A.M.T. Analysis of power grid voltage stability with high penetration of solar PV systems. IEEE Trans. Ind. Appl. 2021, 57, 2245–2257. [Google Scholar] [CrossRef]
- Ayesha; Numan, M.; Baig, M.F.; Yousif, M. Reliability evaluation of energy storage systems combined with other grid flexibility options: A review. J. Energy Storage 2023, 63, 107022. [Google Scholar] [CrossRef]
- Al-Ismail, F.S. DC microgrid planning, operation, and control: A comprehensive review. IEEE Access 2021, 9, 36154–36172. [Google Scholar] [CrossRef]
- Lotfi, H.; Khodaei, A. AC versus DC microgrid planning. IEEE Trans. Smart Grid 2017, 8, 296–304. [Google Scholar] [CrossRef]
- Azeem, O.; Ali, M.; Abbas, G.; Uzair, M.; Qahmash, A.; Algarni, A.; Hussain, M.R. A comprehensive review on integration challenges, optimization techniques and control strategies of hybrid AC/DC microgrid. Appl. Sci. 2021, 11, 6242. [Google Scholar] [CrossRef]
- Jithin, K.; Haridev, P.P.; Mayadevi, N.; Harikumar, R.P.; Mini, V.P. A review on challenges in DC microgrid planning and implementation. J. Mod. Power Syst. Clean. Energy 2023, 11, 1375–1395. [Google Scholar] [CrossRef]
- Tayab, U.B.; Roslan, M.A.B.; Hwai, L.J.; Kashif, M. A review of droop control techniques for microgrid. Renew. Sustain. Energy Rev. 2017, 76, 717–727. [Google Scholar] [CrossRef]
- Li, C.; de Bosio, F.; Chen, F.; Chaudhary, S.K.; Vasquez, J.C.; Guerrero, J.M. Economic dispatch for operating cost minimization under real-time pricing in droop-controlled DC microgrid. IEEE J. Emerg. Sel. Top. Power Electron. 2017, 5, 587–595. [Google Scholar] [CrossRef]
- Habibullah, A.F.; Padhilah, F.A.; Kim, K.H. Decentralized control of DC microgrid based on droop and voltage controls with electricity price consideration. Sustainability 2021, 13, 11398. [Google Scholar] [CrossRef]
- Sahoo, S.; Mishra, S.; Jha, S.; Singh, B. A cooperative adaptive droop-based energy management and optimal voltage regulation scheme for DC microgrids. IEEE Trans. Ind. Electron. 2020, 67, 2894–2904. [Google Scholar] [CrossRef]
- Habibullah, A.F.; Kim, K.H. Decentralized power management of DC microgrid based on adaptive droop control with constant voltage regulation. IEEE Access 2022, 10, 129490–129504. [Google Scholar] [CrossRef]
- Li, Q.; Yan, C.; Han, Y.; Zeng, H.; Zalhaf, A.S.; Yang, P.; Wang, C. Optimizing power sharing and voltage control in DC microgrids using a novel adaptive droop control strategy based on current consensus algorithm. Sustain. Energy Grids Netw. 2024, 38, 101386. [Google Scholar] [CrossRef]
- Xing, L.; Guo, F.; Liu, X.; Wen, C.; Mishra, Y.; Tian, Y.-C. Voltage restoration and adjustable current sharing for DC microgrid with time delay via distributed secondary control. IEEE Trans. Sustain. Energy 2021, 12, 1068–1077. [Google Scholar] [CrossRef]
- Xing, L.; Mishra, Y.; Guo, F.; Lin, P.; Yang, Y.; Ledwich, G.; Tian, Y.-C. Distributed secondary control for current sharing and voltage restoration in DC microgrid. IEEE Trans. Smart Grid 2020, 11, 2487–2497. [Google Scholar] [CrossRef]
- Espina, E.; Llanos, J.; Burgos-Mellado, C.; Cárdenas-Dobson, R.; Martínez-Gómez, M.; Sáez, D. Distributed control strategies for microgrids: An overview. IEEE Access 2020, 8, 193412–193448. [Google Scholar] [CrossRef]
- Rodriguez-Martinez, O.F.; Andrade, F.; Vega-Penagos, C.A.; Luna, A.C. A review of distributed secondary control architectures in islanded-inverter-based microgrids. Energies 2023, 16, 878. [Google Scholar] [CrossRef]
- Dou, Y.; Chi, M.; Liu, Z.-W.; Wen, G.; Sun, Q. Distributed secondary control for voltage regulation and optimal power sharing in DC microgrids. IEEE Trans. Control Syst. Technol. 2022, 30, 2561–2572. [Google Scholar] [CrossRef]
- Fan, Z.; Fan, B.; Liu, W. Distributed control of DC microgrids for optimal coordination of conventional and renewable generators. IEEE Trans. Smart Grid 2021, 12, 4607–4615. [Google Scholar] [CrossRef]
- Espina, E.; Cárdenas-Dobson, R.J.; Simpson-Porco, J.W.; Kazerani, M.; Sáez, D. A consensus-based distributed secondary control optimization strategy for hybrid microgrids. IEEE Trans. Smart Grid 2023, 14, 4242–4255. [Google Scholar] [CrossRef]
- Wang, H.; Li, W.; Yue, Y.; Zhao, H. Distributed economic control for AC/DC hybrid microgrid. Electronics 2022, 11, 13. [Google Scholar] [CrossRef]
- Zhou, Q.; Shahidehpour, M.; Li, Z.; Xu, X. Two-layer control scheme for maintaining the frequency and the optimal economic operation of hybrid AC/DC microgrids. IEEE Trans. Power Syst. 2019, 34, 64–75. [Google Scholar] [CrossRef]
- Marques, L.; Uturbey, W.; Heleno, M. An integer non-cooperative game approach for the transactive control of thermal appliances in energy communities. Energies 2021, 14, 6971. [Google Scholar] [CrossRef]
- Zeng, Y.; Xu, Y.; Shen, X.; Sun, H. Optimal time-of-use pricing for renewable energy-powered microgrids: A multi-agent evolutionary game theory-based approach. CSEE J. Power Energy Syst. 2024, 10, 162–174. [Google Scholar]
- Fagundes, T.A.; Fuzato, G.H.F.; Magossi, R.F.Q.; Flores, M.A.B.; Vasquez, J.C.; Guerrero, J.M.; Machado, R.Q. Economic operation optimization under real-time pricing for an energy management system in a redundancy-based microgrid. IEEE Trans. Ind. Electron. 2024, 71, 8872–8882. [Google Scholar] [CrossRef]
- Wu, N.; Wang, H.; Yin, L.; Yuan, X.; Leng, X. Application conditions of bounded rationality and a microgrid energy management control strategy combining real-time power price and demand-side response. IEEE Access 2020, 8, 227327–227339. [Google Scholar] [CrossRef]
- Zhang, N.; Yang, N.-C.; Liu, J.-H. Optimal time-of-use electricity price for a microgrid system considering profit of power company and demand users. Energies 2021, 14, 6333. [Google Scholar] [CrossRef]
- Van Nguyen, T.; Kim, K.-H. Power flow control strategy and reliable DC-link voltage restoration for DC microgrid under grid fault conditions. Sustainability 2019, 11, 3781. [Google Scholar] [CrossRef]
- Qian, X.; Yang, Y.; Li, C.; Tan, S.-C. Operating cost reduction of DC microgrids under real-time pricing using adaptive differential evolution algorithm. IEEE Access 2020, 8, 169247–169258. [Google Scholar] [CrossRef]
- Fan, B.; Guo, S.; Peng, J.; Yang, Q.; Liu, W.; Liu, L. A consensus-based algorithm for power sharing and voltage regulation in DC microgrids. IEEE Trans. Ind. Inform. 2020, 16, 3987–3996. [Google Scholar] [CrossRef]
Disclaimer/Publisher’s Note: The statements, opinions and data contained in all publications are solely those of the individual author(s) and contributor(s) and not of MDPI and/or the editor(s). MDPI and/or the editor(s) disclaim responsibility for any injury to people or property resulting from any ideas, methods, instructions or products referred to in the content. |
© 2024 by the authors. Licensee MDPI, Basel, Switzerland. This article is an open access article distributed under the terms and conditions of the Creative Commons Attribution (CC BY) license (https://creativecommons.org/licenses/by/4.0/).