Stay Two-Meters Apart: Assessing the Impact of COVID-19 Social Distancing Protocols on Subway Station Walkway Performance
Abstract
1. Introduction
2. Literature Review
- Development of a DES model to evaluate the performance of subway station walkways.
- Assessment of key performance metrics under both normal and pandemic conditions.
- Insights into the impact of social distancing measures on walkway efficiency and congestion.
3. Materials and Methods
3.1. Illustration of Subway Station Walkways as a Queuing System
- C is the capacity of the walkway in terms of the number of passengers it can accommodate.
- k is the density of passengers per square meter (passengers/m2).
- L is the length of the walkway in meters.
- W is the width of the walkway in meters.
- V1 is the walking speed of the lone passenger.
- n is the current number of passengers on the walkway.
- α: A probability vector that defines the initial distribution across the phases. It determines the likelihood of starting in any given phase when the arrival process begins.
- T: A sub-generator matrix that contains the transition rates between the phases. The off-diagonal elements represent the rates of transitioning from one phase to another, while the diagonal elements are negative values indicating the rate of leaving a particular phase.
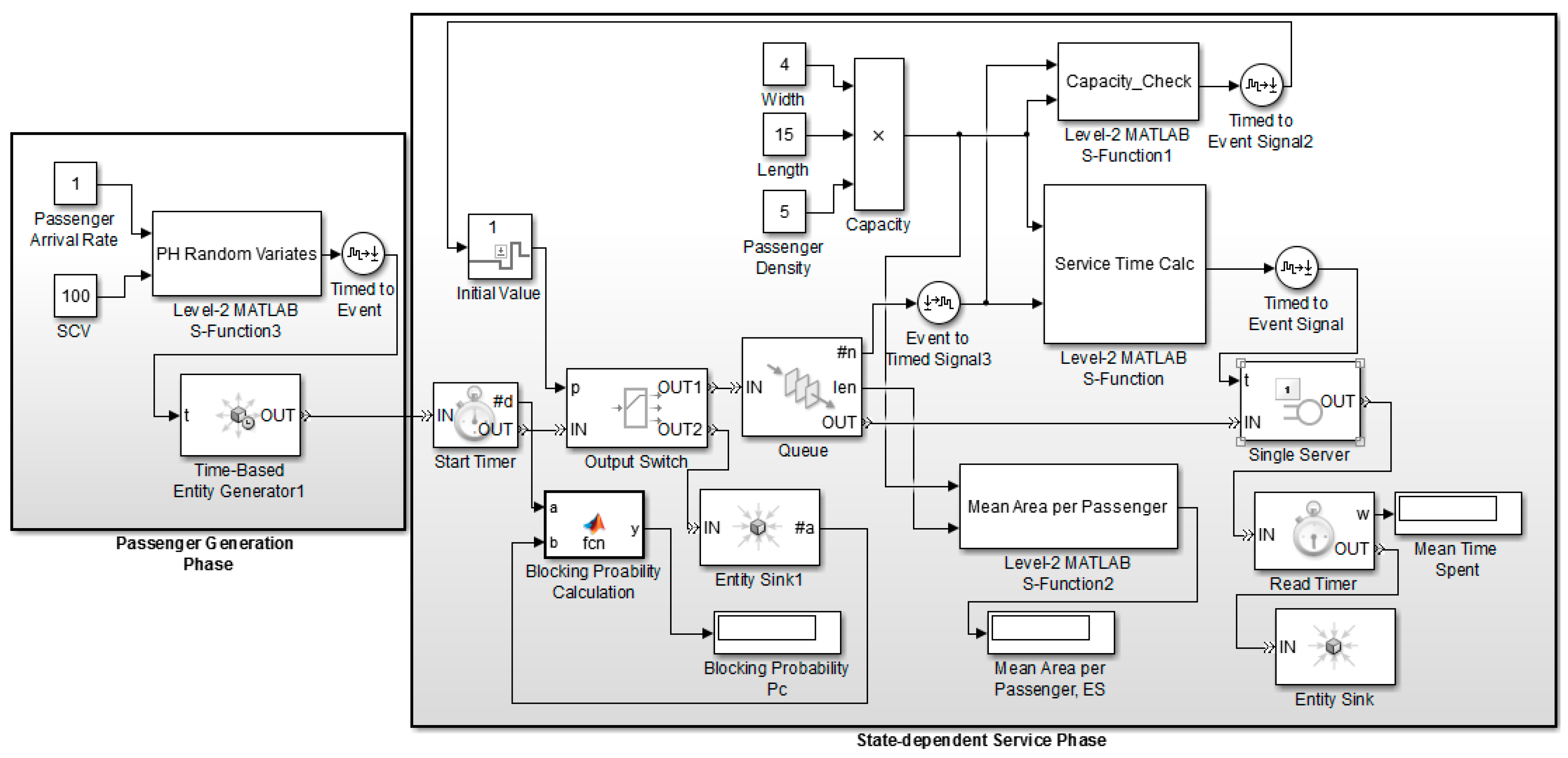
3.2. PH-Based DES Model Architecture of Subway Station Walkway
3.2.1. Passengers’ Arrival Phase
3.2.2. State-Dependent Service Phase
- They calculate the average area occupied per passenger, E[A], which equals the facility’s area divided by the average number of passengers in the facility, E[N]. The E[N] value is directly sourced from the FIFO_Queue block.
- The Function blocks also monitor the number of passengers, checking if it reaches or surpasses the facility’s capacity. Passengers normally pass through the first entity port of the Output Switch block. However, if they exceed the facility’s capacity, the Function block blocks their entry and triggers the second entity port of the Output Switch block to redirect the excess passengers.
- The blocking probability is then determined as the ratio of the number of passengers exiting through the second entity port of the Output Switch block to the total number of arriving passengers.
3.3. Performance Metrics
3.3.1. Average Number of Passengers on the Walkway (E[N])
3.3.2. Average Dwell Time (E[T])
3.3.3. Blocking Probability (Pb)
3.3.4. Average Area Occupied per Passenger (E[A])
4. Results and Discussion
4.1. Validation of Proposed PH-Based DES Model
4.1.1. Initial Experiments and Setup
4.1.2. Testing Procedure
4.2. Effect of Normal and Pandemic Conditions on Performance Metrics
4.3. Sensitivity Analysis
5. Conclusions and Future Recommendations
Author Contributions
Funding
Institutional Review Board Statement
Informed Consent Statement
Data Availability Statement
Conflicts of Interest
References
- Cohen, A. Considerations for Social Distancing on Public Transportation during the COVID-19 Recovery; Mineta Transportation Institute: San Jose, CA, USA, 2020. [Google Scholar]
- Kokkola, M.; Nikolaeva, A.; Brömmelstroet, M.T. Missed connections? Everyday mobility experiences and the sociability of public transport in Amsterdam during COVID-19. Soc. Cult. Geogr. 2023, 24, 1693–1712. [Google Scholar] [CrossRef]
- Dzisi, E.K.J.; Dei, O.A. Adherence to social distancing and wearing of masks within public transportation during the COVID-19 pandemic. Transp. Res. Interdiscip. Perspect. 2020, 7, 100191. [Google Scholar] [CrossRef] [PubMed]
- De Vos, J. The effect of COVID-19 and subsequent social distancing on travel behavior. Transp. Res. Interdiscip. Perspect. 2020, 5, 100121. [Google Scholar] [CrossRef] [PubMed]
- Seriani, S.; Fernandez, R. Pedestrian traffic management of boarding and alighting in metro stations. Transp. Res. Part C Emerg. Technol. 2015, 53, 76–92. [Google Scholar] [CrossRef]
- Zhou, M.; Ge, S.; Liu, J.; Dong, H.; Wang, F.-Y. Field observation and analysis of waiting passengers at subway platform—A case study of Beijing subway stations. Phys. A Stat. Mech. Its Appl. 2020, 556, 124779. [Google Scholar] [CrossRef]
- Park, Y.; Choi, Y.; Kim, K.; Yoo, J.K. Machine learning approach for study on subway passenger flow. Sci. Rep. 2022, 12, 2754. [Google Scholar] [CrossRef] [PubMed]
- Islam, M.K.; Vandebona, U.; Dixit, V.V.; Sharma, A. A bulk queue model for the evaluation of impact of headway variations and passenger waiting behavior on public transit performance. IEEE Trans. Intell. Transp. Syst. 2014, 15, 2432–2442. [Google Scholar] [CrossRef]
- Pu, Y.; Srikukenthiran, S.; Morrow, E.; Shalaby, A.; Klumpenhouwer, W. Capacity analysis of a passenger rail hub using integrated railway and pedestrian simulation. Urban Rail Transit 2022, 8, 1–15. [Google Scholar] [CrossRef]
- Aboudina, A.; Itani, A.; Diab, E.; Srikukenthiran, S.; Shalaby, A. Evaluation of bus bridging scenarios for railway service disruption management: A users’ delay modelling tool. Public Transp. 2021, 13, 457–481. [Google Scholar] [CrossRef]
- Xi, Y.; Du, Q.; He, B.; Ren, F.; Zhang, Y.; Ye, X. The dynamic optimization of the departure times of metro users during rush hour in an agent-based simulation: A case study in Shenzhen, China. Appl. Sci. 2017, 7, 1102. [Google Scholar] [CrossRef]
- Lu, J.; Ren, G.; Xu, L. Analysis of subway station distribution capacity based on automatic fare collection data of Nanjing metro. J. Transp. Eng. Part A Syst. 2020, 146, 04019067. [Google Scholar] [CrossRef]
- Liu, J.; Hu, L.; Xu, X.; Wu, J. A queuing network simulation optimization method for coordination control of passenger flow in urban rail transit stations. Neural Comput. Appl. 2021, 33, 10935–10959. [Google Scholar] [CrossRef]
- Jia, F.; Jiang, X.; Li, H.; Yu, X.; Xu, X.; Jiang, M. Passenger-oriented subway network capacity calculation and analysis based on simulation. Transp. Lett. 2021, 13, 555–567. [Google Scholar] [CrossRef]
- Su, G.; Si, B.; Zhi, K.; Zhao, B.; Zheng, X. Simulation-Based Method for the Calculation of Passenger Flow Distribution in an Urban Rail Transit Network Under Interruption. Urban Rail Transit 2023, 9, 110–126. [Google Scholar] [CrossRef]
- Kittelson & Associates Inc.; Federal Transit Administration; Transit Cooperative Research Program; Transit Development Corporation. Transit Capacity and Quality of Service Manual; Transportation Research Board: Washington, DC, USA, 2003; Volume 42. [Google Scholar]
- Ding, H.; Di, Y.; Zheng, X.; Liu, K.; Zhang, W.; Zheng, L. Passenger arrival distribution model and riding guidance on an urban rail transit platform. Phys. A Stat. Mech. Its Appl. 2021, 571, 125847. [Google Scholar] [CrossRef]
- Jiang, Y.; Hu, L.; Zhu, J.; Chen, Y. PH fitting of the arrival interval distribution of the passenger flow on urban rail transit stations. Appl. Math. Comput. 2013, 225, 158–170. [Google Scholar] [CrossRef]
- Jiang, Y.; Zhu, J.; Hu, L.; Lin, X.; Khattak, A. AG/G (n)/C/C state-dependent simulation model for metro station corridor width design. J. Adv. Transp. 2016, 50, 273–295. [Google Scholar] [CrossRef]
- Khattak, A.; Yangsheng, J.; Abid, M.M. Optimal configuration of the metro rail transit station service facilities by integrated simulation-optimization method using passengers’ flow fluctuation. Arab. J. Sci. Eng. 2018, 43, 5499–5516. [Google Scholar] [CrossRef]
- Sidorchuk, R.; Lukina, A.; Markin, I.; Korobkov, S.; Ivashkova, N.; Mkhitaryan, S.; Skorobogatykh, I. Influence of passenger flow at the station entrances on passenger satisfaction amid COVID-19. J. Open Innov. Technol. Mark. Complex. 2020, 6, 150. [Google Scholar] [CrossRef]
- Yu, H.; Li, A. Study on the Impact of Health Condition Registration and Temperature Check on Inbound Passenger Flow and Optimisation Measures in a Metro Station during the COVID-19 Pandemic. Promet-Traffic Transp. 2023, 35, 738–754. [Google Scholar] [CrossRef]
- Jiao, F.; Huang, L.; Song, R.; Huang, H. An improved STL-LSTM model for daily bus passenger flow prediction during the COVID-19 pandemic. Sensors 2021, 21, 5950. [Google Scholar] [CrossRef]
- Aghdam, F.B.; Sadeghi-Bazargani, H.; Shahsavarinia, K.; Jafari, F.; Jahangiry, L.; Gilani, N. Investigating the COVID-19 related behaviors in the public transport system. Arch. Public Health 2021, 79, 183. [Google Scholar] [CrossRef] [PubMed]
- Hidayat, A.M.; Choocharukul, K. Passengers’ Intentions to Use Public Transport during the COVID-19 Pandemic: A Case Study of Bangkok and Jakarta. Sustainability 2023, 15, 5273. [Google Scholar] [CrossRef]
- Wilbur, M.; Ayman, A.; Sivagnanam, A.; Ouyang, A.; Poon, V.; Kabir, R.; Vadali, A.; Pugliese, P.; Freudberg, D.; Laszka, A. Impact of COVID-19 on public transit accessibility and ridership. Transp. Res. Rec. 2023, 2677, 531–546. [Google Scholar] [CrossRef] [PubMed]
- Bansal, P.; Kessels, R.; Krueger, R.; Graham, D.J. Preferences for using the London Underground during the COVID-19 pandemic. Transp. Res. Part A Policy Pract. 2022, 160, 45–60. [Google Scholar] [CrossRef]
- Singh, R.; Hörcher, D.; Graham, D.J. An evaluation framework for operational interventions on urban mass public transport during a pandemic. Sci. Rep. 2023, 13, 5163. [Google Scholar] [CrossRef] [PubMed]
- Khattak, A.; Yangsheng, J. Modeling of subway stations circulation facilities as state-dependent queuing network based on phase-type distribution. In Proceedings of the 2016 IEEE International Conference on Intelligent Transportation Engineering (ICITE), Singapore, 6 October 2016; pp. 133–138. [Google Scholar]
- Zhu, J.; Hu, L.; Xie, H.; Li, K. A PH (i)/PH (i, n)/C/C Queuing Model in Randomly Changing Environments for Traffic Circulation Systems. J. Adv. Transp. 2022, 2022, 6533567. [Google Scholar] [CrossRef]
- Cheah, J.Y.; Smith, J.M. Generalized M/G/C/C state dependent queueing models and pedestrian traffic flows. Queueing Syst. 1994, 15, 365–386. [Google Scholar] [CrossRef]
- Smith, J.M.; Smith, J.M. Optimal Routing Problems (ORTE) G (E∗) in TND. In Introduction to Queueing Networks: Theory ∩ Practice; Springer: Berlin/Heidelberg, Germany, 2018; pp. 397–459. [Google Scholar]
- Hu, L.; Jiang, Y.; Zhu, J.; Chen, Y. A PH/PH (n)/C/C state-dependent queuing model for metro station corridor width design. Eur. J. Oper. Res. 2015, 240, 109–126. [Google Scholar] [CrossRef]
- Smith, J.M.; Li, W.-J. Quadratic assignment problems and M/G/C/C/state dependent network flows. J. Comb. Optim. 2001, 5, 421–443. [Google Scholar] [CrossRef]
- Chen, Y.; Yi, B.; Jiang, Y.; Sun, J.; Wahab, M. Inter-arrival time distribution of passengers at service facilities in underground subway stations: A case study of the metropolitan city of Chengdu in China. Transp. Res. Part A Policy Pract. 2018, 111, 227–251. [Google Scholar] [CrossRef]
- Khattak, A.; Hussain, A. Hybrid DES-PSO framework for the design of commuters’ circulation space at multimodal transport interchange. Math. Comput. Simul. 2021, 180, 205–229. [Google Scholar] [CrossRef]
- Horváth, G.; Telek, M. Acceptance-rejection methods for generating random variates from matrix exponential distributions and rational arrival processes. In Proceedings of the Matrix-Analytic Methods in Stochastic Models; Springer: Berlin/Heidelberg, Germany, 2013; pp. 123–143. [Google Scholar]










Disclaimer/Publisher’s Note: The statements, opinions and data contained in all publications are solely those of the individual author(s) and contributor(s) and not of MDPI and/or the editor(s). MDPI and/or the editor(s) disclaim responsibility for any injury to people or property resulting from any ideas, methods, instructions or products referred to in the content. |
© 2024 by the authors. Licensee MDPI, Basel, Switzerland. This article is an open access article distributed under the terms and conditions of the Creative Commons Attribution (CC BY) license (https://creativecommons.org/licenses/by/4.0/).
Share and Cite
Dong, S.; Khattak, A.; Chen, F.; Xu, F. Stay Two-Meters Apart: Assessing the Impact of COVID-19 Social Distancing Protocols on Subway Station Walkway Performance. Sustainability 2024, 16, 6858. https://doi.org/10.3390/su16166858
Dong S, Khattak A, Chen F, Xu F. Stay Two-Meters Apart: Assessing the Impact of COVID-19 Social Distancing Protocols on Subway Station Walkway Performance. Sustainability. 2024; 16(16):6858. https://doi.org/10.3390/su16166858
Chicago/Turabian StyleDong, Sheng, Afaq Khattak, Feng Chen, and Feifei Xu. 2024. "Stay Two-Meters Apart: Assessing the Impact of COVID-19 Social Distancing Protocols on Subway Station Walkway Performance" Sustainability 16, no. 16: 6858. https://doi.org/10.3390/su16166858
APA StyleDong, S., Khattak, A., Chen, F., & Xu, F. (2024). Stay Two-Meters Apart: Assessing the Impact of COVID-19 Social Distancing Protocols on Subway Station Walkway Performance. Sustainability, 16(16), 6858. https://doi.org/10.3390/su16166858

