Performance Analysis of Lake Water Cooling Coupled with a Waste Heat Recovery System in the Data Center
Abstract
1. Introduction
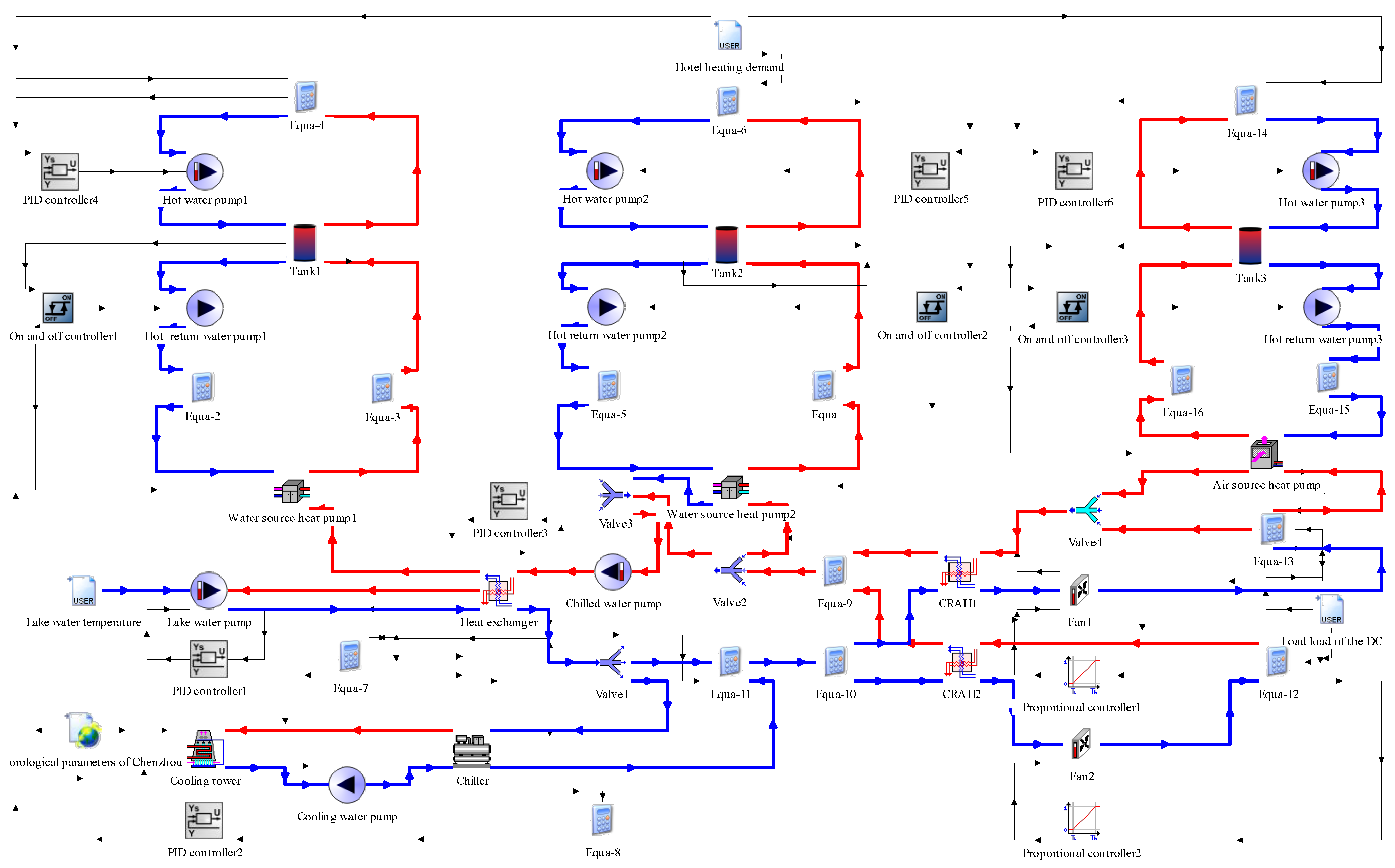
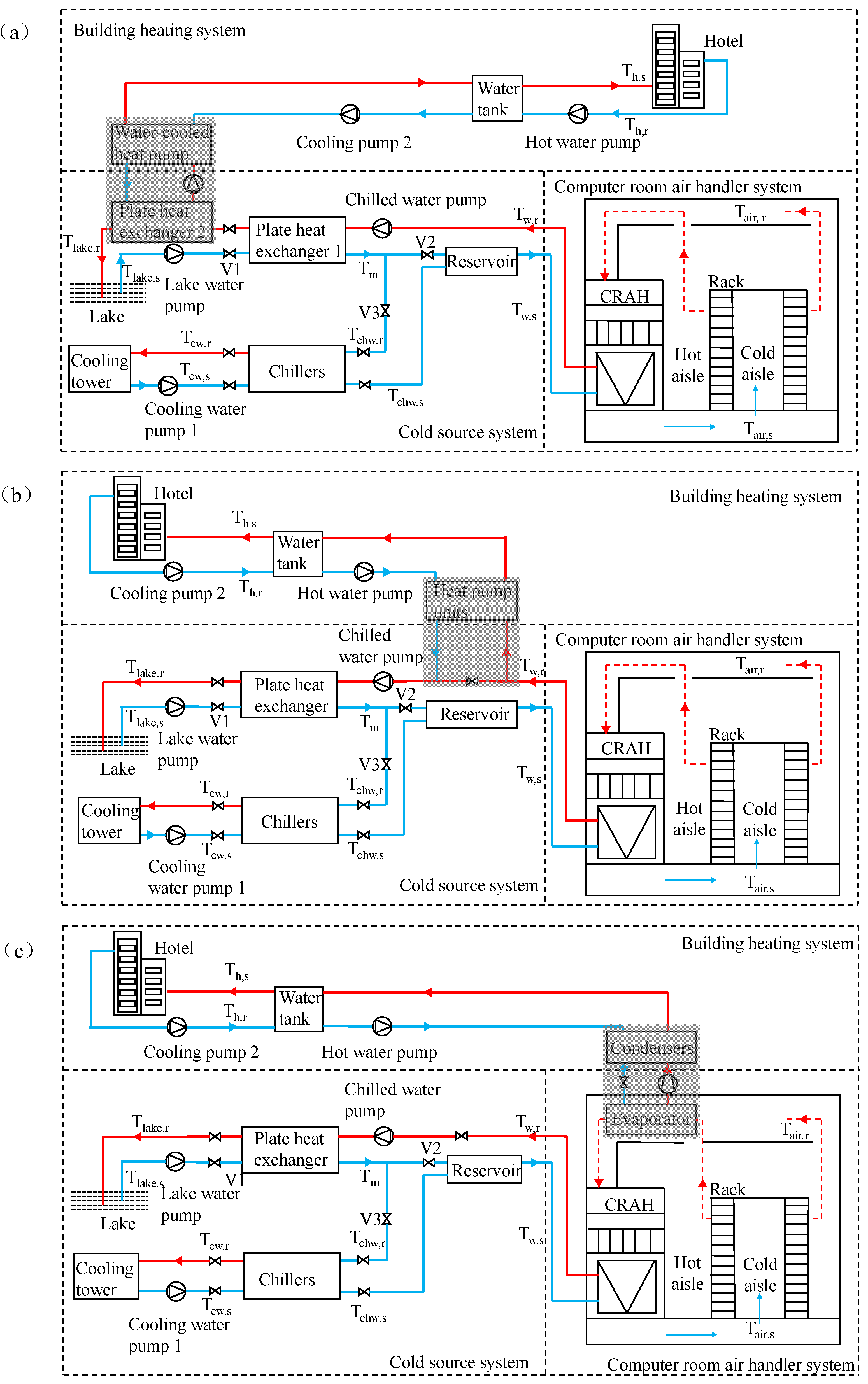
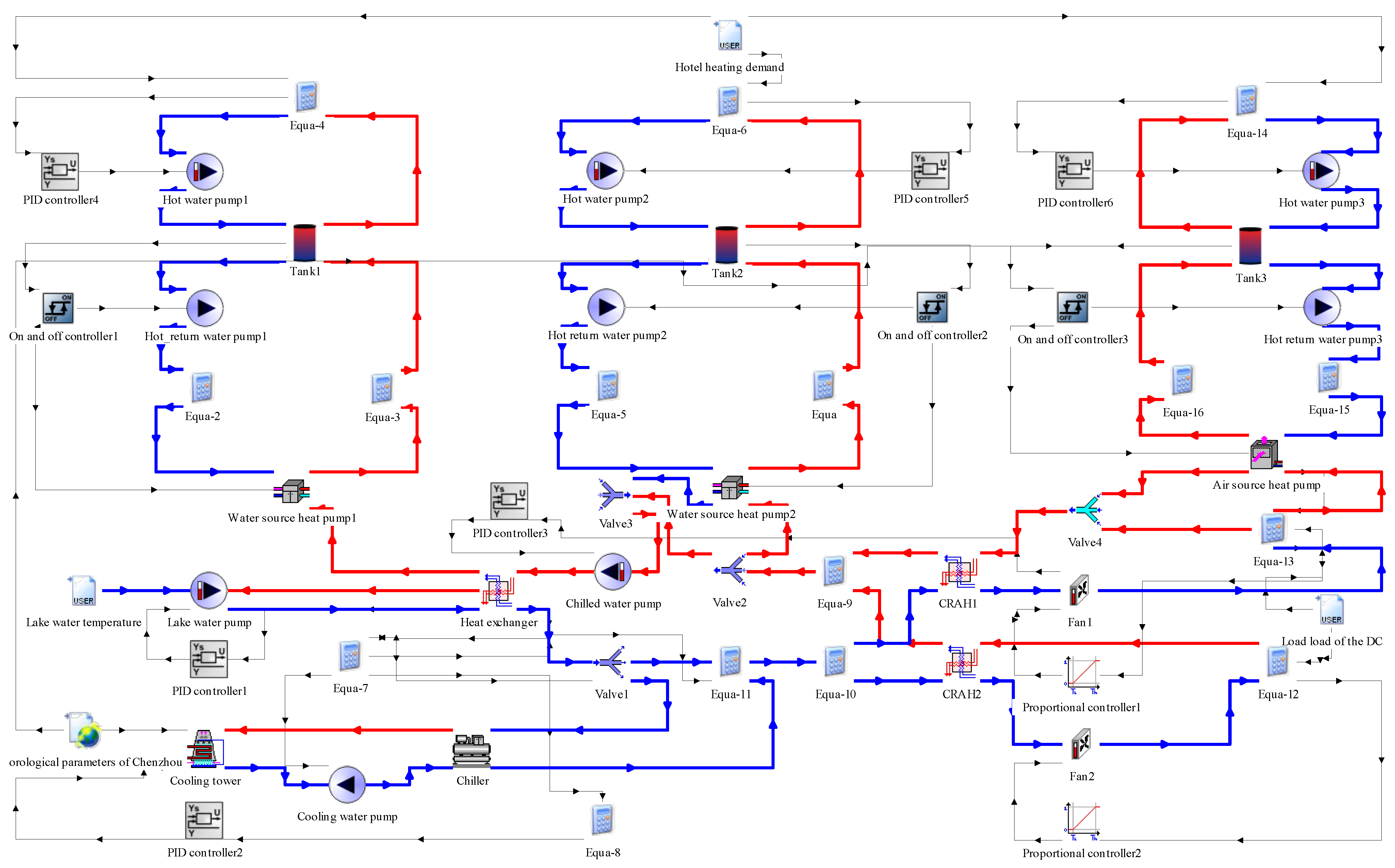
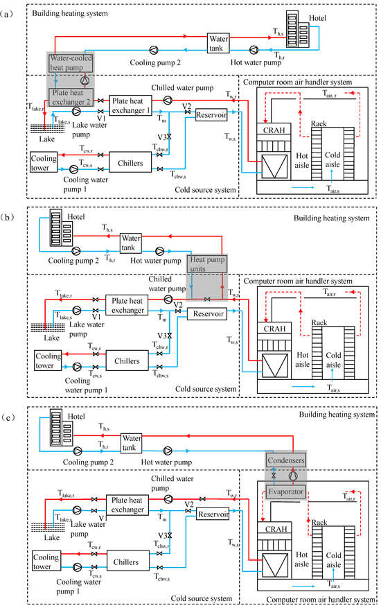
2. Modeling System
2.1. System Description
2.2. Load Calculation Models
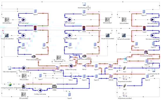
2.3. Simulation Model
2.4. PUE Analysis
2.5. COP Analysis
3. Results and Discussion
3.1. Comparative Analysis of Energy Consumption of Waste Heat Recovery Locations
3.2. Comparative Analysis of Waste Heat Recovery Volumes
3.3. Comparative Analysis of Heat Extraction Methods
3.4. Analysis of Energy-Saving Effect of System Parameters
3.4.1. Analysis of Chilled Water Supply Temperature
3.4.2. Analysis of the Air Supply Temperature in the Server Rooms
3.4.3. Analysis of the Volume of the Storage Tank
4. Conclusions
- (1)
- The scenario where the waste heat recovered from the return air of IT equipment achieves the lowest cooling energy consumption, with PUE, cooling system energy savings, and COP of 1.19, 10.06%, and 10.17, respectively.
- (2)
- In the scenario of maximizing the utilization of waste heat, the energy-saving rate and COP of the cooling system from recovering waste heat from the return air of IT equipment are 19.80% and 12.36, respectively.
- (3)
- Localized heat extraction is more energy efficient than uniform heat extraction, with the best COP of 12.36.
- (4)
- The energy consumption of the system exhibits an initial increase followed by a decrease as the chilled water supply temperature rises, reaching its minimum at 16 °C. As the temperature difference between the air supply temperature of the server rooms and the chilled water supply temperature increases, the cooling energy consumption experiences a notable rise, whereas the opposite effect is observed on the water tank volume. Enhancing the key parameters of the proposed system can lead to a notable reduction in the total energy consumption, amounting to 26.05%.
Author Contributions
Funding
Informed Consent Statement
Data Availability Statement
Conflicts of Interest
Nomenclature
| Acronyms | |
| DC | Data center |
| PUE | Power usage effectiveness |
| COP | Coefficient of performance |
| NPV | Net present value |
| HP | Heat pump |
| SAT | Supply air temperature |
| CRAH | Computer room air handler |
| UPS | Uninterruptible power supply |
| PDU | Power distribution unit |
| ASHP | Air source heat pump |
| WSHP | Water source heat pump |
| Symbols | |
| LDC,cooling | Cold load of the server rooms (kW) |
| Lenvelope | Cold load of enclosure structure (kW) |
| Llighting | Cold load of lighting (kW) |
| LIT | Cold load of operation of IT equipment (kW) |
| Kenvelope | Heat transfer coefficient of the enclosure structure (W/(m2·K)) |
| A | Heat transfer area of the enclosure structure (m2) |
| toutdoor | Dry-bulb temperature of the outdoor air (°C) |
| tindoor | Temperature of the server rooms (°C) |
| q | The illuminance per unit area of the server rooms (W/m2) |
| Lservers | Server heat dissipation (kW) |
| LPDUs | PDU heat loss (kW) |
| LUPSs | UPS heat loss (kW) |
| Nserver | Number of servers |
| PFpower | Server load factor (%) |
| Pfull | Full load power of the servers (kW) |
| α | The rate of change of heat dissipation of the servers |
| userver | Server utilization (%) |
| Tair,s | Temperature of the air supply to the server rooms (°C) |
| LPDUidle | Heat loss of PDU under no load (kW) |
| LUPSidle | Heat loss of UPS under no load (kW) |
| LPDUs | Total heat loss of PDU (kW) |
| LUPSs | Total heat loss of UPS (kW) |
| πPDU | Loss coefficient of PDU |
| πUPS | Loss coefficient of UPS |
| Ptotal | Total energy consumption of the DC (kWh) |
| PIT | Energy consumption of IT equipment (kWh) |
| UAhx,c | Heat transfer coefficient of the exchanger of cooling system (kW/K) |
| Qch | Rated capacity of chiller (kW) |
| COPrate | Rated COP of chiller |
| Tchw,set | The set point temperature of the chilled water stream (°C) |
| mct,a | Design air-flow rate of the cooling tower (m3/h) |
| Pct | Rated fan power of the cooling tower (kW) |
| mchwp | Rated flow rate of the chilled water pump (m3/h) |
| Pchwp | Rated power of the chilled water pump (kW) |
| mcwp | Rated flow rate of the cooling water pump (m3/h) |
| Pcwp | Rated power of the chilled water pump (kW) |
| mlwp | Rated flow rate of the lake water pump (m3/h) |
| Plwp | Rated power of the lake water pump (kW) |
| UAcrah | Heat transfer coefficient of the exchanger of the CRAH (kW/K) |
| Pcrah | Rated power of the fan of the CRAH (kW) |
| mcrah,a | Rated air-flow rate of the fan of the CRAH (m3/h) |
| Pashp,w | Rated heating power of ASHPs without waste heat recovery (kW) |
| Pblower,w | Blower power of ASHPs without waste heat recovery (kW) |
| Qhc,w | Rated heating capacity of ASHPs without waste heat recovery (kW) |
| Qaux,w | Capacity of auxiliary of ASHPs without waste heat recovery (kW) |
| mair,w | Total air-flow rate of ASHPs without waste heat recovery (m3/h) |
| mrated,w | Rated flow rate of water pump in HPs’ load side (m3/h) |
| Prated,w | Rated power of water pump in HPs’ load side (kW) |
| V | Volume of the storage tank (m3) |
| H | Height of the storage tank (m) |
| mhwp | Rated flow rate of hot water (m3/h) |
| Phwp | Rated power of hot water pump (kW) |
| Qwshp | Rated heating capacity of the WASPs (kW) |
| Pwshp | Rated heating power of the WASPs (kW) |
| mwp,h | Rated flow rate of lake water in WSHPs’ source side (m3/h) |
| Pwp,h | Rated power of lake water in WSHPs’ source side (kW) |
| Pashp,h | Rated heating power of ASHPs with waste heat recovery (kW) |
| Pblower,h | Blower power of ASHPs with waste heat recovery (kW) |
| Qhc,h | Rated heating capacity of ASHPs with waste heat recovery (kW) |
| mair,h | Total air-flow rate of ASHPs with waste heat recovery (m3/h) |
References
- Li, J.; Duan, W.; Peng, Z.; Chen, Y.; Chen, H.; Peng, Q.; Liao, S.; Sun, X.; Jiang, C. An experimental and numerical study on the energy storage and release performance of shell and tube heat exchangers with phase change material for the data center. Appl. Therm. Eng. 2024, 255, 123966. [Google Scholar] [CrossRef]
- Wang, J.; Tian, Y.; Qi, Z.; Zeng, L.; Wang, P.; Yoon, S. Sensor fault diagnosis and correction for data center cooling system using hybrid multi-label random Forest and Bayesian Inference. Build. Environ. 2024, 249, 111124. [Google Scholar] [CrossRef]
- Wang, J.; Tong, X.; Yue, C.; Liu, W.; Zhang, Q.; Zeng, L.; Huang, G. Real-time temperature distribution reconstruction via linear parameter-varying state-space model and Kalman filter in rack-based cooling data centers. Build. Environ. 2023, 242, 110601. [Google Scholar] [CrossRef]
- Huang, P.; Copertaro, B.; Zhang, X.; Shen, J.; Löfgren, I.; Rönnelid, M.; Fahlen, J.; Andersson, D.; Svanfeldt, M. A review of data centers as prosumers in district energy systems: Renewable energy integration and waste heat reuse for district heating. Appl. Energy 2020, 258, 114109. [Google Scholar] [CrossRef]
- Phan, L.; Lin, C.-X. A multi-zone building energy simulation of a data center model with hot and cold aisles. Energy Build. 2014, 77, 364–376. [Google Scholar] [CrossRef]
- Liu, Y.; Wei, X.; Xiao, J.; Liu, Z.; Xu, Y.; Tian, Y. Energy consumption and emission mitigation prediction based on data center traffic and PUE for global data centers. Glob. Energy Interconnect. 2020, 3, 272–282. [Google Scholar] [CrossRef]
- Li, X.; Li, M.; Zhang, Y.; Han, Z.; Wang, S. Rack-level cooling technologies for data centers—A comprehensive review. J. Build. Eng. 2024, 90, 109535. [Google Scholar] [CrossRef]
- Tong, X.; Wang, J.; Liu, W.; Samah, H.-A.; Zhang, Q.; Zhang, L. A time-varying state-space model for real-time temperature predictions in rack-based cooling data centers. Appl. Therm. Eng. 2023, 230, 120737. [Google Scholar] [CrossRef]
- Nadjahi, C.; Louahlia, H.; Lemasson, S. A review of thermal management and innovative cooling strategies for data center. Sustain. Comput. 2018, 19, 14–28. [Google Scholar] [CrossRef]
- Ni, J.; Bai, X. A review of air conditioning energy performance in data centers. Renew. Sust. Energ. Rev. 2017, 67, 625–640. [Google Scholar] [CrossRef]
- Lu, T.; Lü, X.; Remes, M.; Viljanen, M. Investigation of air management and energy performance in a data center in Finland: Case study. Energy Build. 2011, 43, 3360–3372. [Google Scholar] [CrossRef]
- Ljungqvist, H.M.; Risberg, M.; Toffolo, A.; Vesterlund, M. A realistic view on heat reuse from direct free air-cooled data centres. Energy Convers. Manag. X 2023, 20, 100473. [Google Scholar] [CrossRef]
- Zhang, Y.; Wei, Z.; Zhang, M. Free cooling technologies for data centers: Energy saving mechanism and applications. Energy Procedia 2017, 143, 410–415. [Google Scholar] [CrossRef]
- Zhang, H.; Shao, S.; Xu, H.; Zou, H.; Tian, C. Free cooling of data centers: A review. Renew. Sust. Energ. Rev. 2014, 35, 171–182. [Google Scholar] [CrossRef]
- Dong, K.; Li, P.; Huang, Z.; Su, L.; Sun, Q. Research on Free Cooling of Data Centers by Using Indirect Cooling of Open Cooling Tower. Procedia Eng. 2017, 205, 2831–2838. [Google Scholar] [CrossRef]
- Wahlroos, M.; Pärssinen, M.; Rinne, S.; Syri, S.; Manner, J. Future views on waste heat utilization—Case of data centers in Northern Europe. Renew. Sust. Energ. Rev. 2018, 82, 1749–1764. [Google Scholar] [CrossRef]
- Wahlroos, M.; Pärssinen, M.; Manner, J.; Syri, S. Utilizing data center waste heat in district heating—Impacts on energy efficiency and prospects for low-temperature district heating networks. Energy 2017, 140, 1228–1238. [Google Scholar] [CrossRef]
- He, Z.; Ding, T.; Liu, Y.; Li, Z. Analysis of a district heating system using waste heat in a distributed cooling data center. Appl. Therm. Eng. 2018, 141, 1131–1140. [Google Scholar] [CrossRef]
- Davies, G.F.; Maidment, G.G.; Tozer, R.M. Using data centres for combined heating and cooling: An investigation for London. Appl. Therm. Eng. 2016, 94, 296–304. [Google Scholar] [CrossRef]
- Ancona, M.A.; Bianchi, M.; Branchini, L.; Pascale, A.D.; Melino, F.; Ottaviano, S.; Peretto, A.; Poletto, C. Experimental and numerical investigation of a micro-ORC system for heat recovery from data centers. J. Phys. Conf. Ser. 2022, 2385, 012122. [Google Scholar] [CrossRef]
- Ebrahimi, K.; Jones, G.F.; Fleischer, A.S. A review of data center cooling technology, operating conditions and the corresponding low-grade waste heat recovery opportunities. Renew. Sust. Energ. Rev. 2014, 31, 622–638. [Google Scholar] [CrossRef]
- Oró, E.; Allepuz, R.; Martorell, I.; Salom, J. Design and economic analysis of liquid cooled data centres for waste heat recovery: A case study for an indoor swimming pool. Sust. Cities Soc. 2018, 36, 185–203. [Google Scholar] [CrossRef]
- Pärssinen, M.; Wahlroos, M.; Manner, J.; Syri, S. Waste heat from data centers: An investment analysis. Sust. Cities Soc. 2019, 44, 428–444. [Google Scholar] [CrossRef]
- Haywood, A.; Sherbeck, J.; Phelan, P.; Varsamopoulos, G.; Gupta, S.K.S. Thermodynamic feasibility of harvesting data center waste heat to drive an absorption chiller. Energy Conv. Manag. 2012, 58, 26–34. [Google Scholar] [CrossRef]
- Ebrahimi, K.; Jones, G.F.; Fleischer, A.S. The viability of ultra low temperature waste heat recovery using organic Rankine cycle in dual loop data center applications. Appl. Therm. Eng. 2017, 126, 393–406. [Google Scholar] [CrossRef]
- Deymi-Dashtebayaz, M.; Valipour-Namanlo, S. Thermoeconomic and environmental feasibility of waste heat recovery of a data center using air source heat pump. J. Clean Prod. 2019, 219, 117–126. [Google Scholar] [CrossRef]
- Zhang, C.; Luo, H.; Wang, Z. An economic analysis of waste heat recovery and utilization in data centers considering environmental benefits. Sustain. Prod. Consump. 2022, 31, 127–138. [Google Scholar] [CrossRef]
- Silva-Llanca, L.; Ponce, C.; Bermúdez, E.; Martínez, D.; Díaz, A.J.; Aguirre, F. Improving energy and water consumption of a data center via air free-cooling economization: The effect weather on its performance. Energy Conv. Manag. 2023, 292, 117344. [Google Scholar] [CrossRef]
- Chen, X.; Pan, M.; Li, X.; Zhang, K. Multi-mode operation and thermo-economic analyses of combined cooling and power systems for recovering waste heat from data centers. Energy Conv. Manag. 2022, 266, 115820. [Google Scholar] [CrossRef]
- Murphy, A.R.; Fung, A.S. Techno-economic study of an energy sharing network comprised of a data centre and multi-unit residential buildings for cold climate. Energy Build. 2019, 186, 261–275. [Google Scholar] [CrossRef]
- Zhou, J.; Kanbur, B.B.; Le, D.V.; Tan, R.; Duan, F. Multi-criteria assessments of increasing supply air temperature in tropical data center. Energy 2023, 271, 127043. [Google Scholar] [CrossRef]
- Ham, S.-W.; Park, J.-S.; Jeong, J.-W. Optimum supply air temperature ranges of various air-side economizers in a modular data center. Appl. Therm. Eng. 2015, 77, 163–179. [Google Scholar] [CrossRef]
- Cho, J. Optimal supply air temperature with respect to data center operational stability and energy efficiency in a row-based cooling system under fault conditions. Energy 2024, 288, 129797. [Google Scholar] [CrossRef]
- Chen, X.; Bai, J.; Fu, L.; Lei, Y.; Zhang, D.; Zhang, Z.; Luo, Q.; Gong, S.; Shen, B. Complementary waste heat utilization from data center to ecological farm: A technical, economic and environmental perspective. J. Clean Prod. 2024, 435, 140495. [Google Scholar] [CrossRef]
- Pelley, S.; Meisner, D.; Wenisch, T.F.; Vangilder, J.W. Understanding and abstracting total data center power. Workshop Energy-Effic. Des. 2009, 11, 1–6. [Google Scholar]
- Zou, S.; Zhang, Q.; Yue, C. Comparative study on different energy-saving plans using water-side economizer to retrofit the computer room air conditioning system. J. Build. Eng. 2023, 69, 106278. [Google Scholar] [CrossRef]
- Gray, L.D.; Kumar, A.; Li, H.H. Workload Characterization of the SPECpower_ssj2008 Benchmark. In SPEC International Performance Evaluation Workshop; Springer: Berlin/Heidelberg, Germany, 2008; pp. 262–282. [Google Scholar] [CrossRef]
- GB 50015-2019; Standard for Design of Building Water Supply and Drainage. Ministry of Housing and Urban-Rural Development of the People’s Republic of China: Beijing, China, 2019.
- Deng, W.; Wang, J.; Yue, C.; Guo, Y.; Zhang, Q. Model-based control strategy with linear parameter-varying state-space model for rack-based cooling data centers. Energy Build. 2024, 319, 114528. [Google Scholar] [CrossRef]













| Time (h) | 1 | 2 | 3 | 4 | 5 | 6 | 7 | 8 |
| Servers’ utilization (%) | 62.6 | 65.3 | 70.1 | 75.3 | 79.4 | 81.0 | 82.6 | 86.1 |
| Time (h) | 9 | 10 | 11 | 12 | 13 | 14 | 15 | 16 |
| Servers’ utilization (%) | 92.0 | 95.3 | 97.0 | 95.9 | 95.0 | 96.1 | 97.1 | 98.0 |
| Time (h) | 17 | 18 | 19 | 20 | 21 | 22 | 23 | 24 |
| Servers’ utilization (%) | 96.3 | 95.1 | 91.7 | 86.8 | 82.2 | 76.1 | 70.1 | 61.9 |
| Component | TRNSYS Type | Technical Parameters |
|---|---|---|
| Heat exchanger | Type5e | UAhx,c = 2878.8 kW/K |
| Chillers | Type666 | Qch = 3868 kW, COPrate = 6.08 Tchw, set = 15 °C |
| Cooling tower | Type510 | mct,a = 455,000 m3/h, Pct = 22 kW |
| Chilled water pump | Type110 | mchwp = 960 m3/h, Pchwp = 132 kW |
| Cooling water pump | Type114 | mcwp = 450 m3/h, Pcwp = 90 kW |
| Lake water pump | Type110 | mlwp = 780 m3/h, Plwp = 110 kW |
| Heat exchangers in CRAHs | Type5e | UAcrah = 10.47 kW/K |
| Fans in CRAHs | Type147 | Pcrah = 4.2 kW, mcrah, a = 32,000 m3/h |
| ASHPs (without heat recovery) | Type941 | Php, w = 122 kW, Pblower, w = 15 kW Qhc, w = 471 kW qaux = 85 kW, mair = 150,000 m3/h |
| Water pump1 | Type114 | mrated, w = 20 m3/h, Prated, w = 2.2 kW |
| Storage tank | Type158 | V = 40 m3, H = 2.1 m |
| Hot water pump | Type110 | mhwp = 20 m3/h, Phwp = 2.2 kW |
| Heat exchanger for recovering heat from lake water | Type5e | UAhx,h = 82 kW/K |
| WSHPs | Type927 | Qwshp = 450 kW, Pwshp = 75 kW |
| Water pump2 | Type110 | mwp,h = 67 m3/h, Pwp,h = 11 kW |
| ASHPs (with heat recovery) | Type941 | Php, h = 12.7 kW, Pblower, h = 2.2 kW Qhc, h = 41 kW |
| M1 | M2 | M3 | M4 | |
|---|---|---|---|---|
| Room size | 29.1 × 16.3 × 4.5 | 29.1 × 16.3 × 4.5 | 26.1 × 17.6 × 4.5 | 26.3 × 17.6 × 4.5 |
| Server rooms area (m2) | 473.5 | 473.5 | 440 | 449 |
| Number of servers | 190 | 192 | 178 | 180 |
| Server full load power | 4 kW | |||
| Heat transfer coefficient of the building envelope | 1.26 W/(m2·K) | |||
| Illuminance per unit area | 10 W/m2 | |||
| Operating Parameters | Simulation Conditions |
|---|---|
| Air supply temperature | 22 °C |
| Air temperature difference | 10 °C |
| Return air temperature | ≤35 °C [27] |
| Chilled water supply temperature | 15 °C |
| A temperature difference between cooling water supply and return | 5 °C |
| Hotel hot water supply temperature | 50~55 °C |
| Temperature difference of hot water supply and return | 20 °C |
Disclaimer/Publisher’s Note: The statements, opinions and data contained in all publications are solely those of the individual author(s) and contributor(s) and not of MDPI and/or the editor(s). MDPI and/or the editor(s) disclaim responsibility for any injury to people or property resulting from any ideas, methods, instructions or products referred to in the content. |
© 2024 by the authors. Licensee MDPI, Basel, Switzerland. This article is an open access article distributed under the terms and conditions of the Creative Commons Attribution (CC BY) license (https://creativecommons.org/licenses/by/4.0/).
Share and Cite
Yin, P.; Guo, Y.; Zhang, M.; Wang, J.; Zhang, L.; Feng, D.; Ding, W. Performance Analysis of Lake Water Cooling Coupled with a Waste Heat Recovery System in the Data Center. Sustainability 2024, 16, 6542. https://doi.org/10.3390/su16156542
Yin P, Guo Y, Zhang M, Wang J, Zhang L, Feng D, Ding W. Performance Analysis of Lake Water Cooling Coupled with a Waste Heat Recovery System in the Data Center. Sustainability. 2024; 16(15):6542. https://doi.org/10.3390/su16156542
Chicago/Turabian StyleYin, Peng, Yang Guo, Man Zhang, Jiaqiang Wang, Linfeng Zhang, Da Feng, and Weike Ding. 2024. "Performance Analysis of Lake Water Cooling Coupled with a Waste Heat Recovery System in the Data Center" Sustainability 16, no. 15: 6542. https://doi.org/10.3390/su16156542
APA StyleYin, P., Guo, Y., Zhang, M., Wang, J., Zhang, L., Feng, D., & Ding, W. (2024). Performance Analysis of Lake Water Cooling Coupled with a Waste Heat Recovery System in the Data Center. Sustainability, 16(15), 6542. https://doi.org/10.3390/su16156542

