Risk Assessment of Highway Infrastructure REITs Projects Based on the DEMATEL—ISM Approach
Abstract
1. Introduction
2. Literature Review
3. Research Method
3.1. DEMATEL Method
3.2. ISM Methodology
4. Results
4.1. Risk Factor Identification
4.2. DEMATEL Modeling
4.2.1. Constructing an Initial Direct Relation Matrix
4.2.2. Normalized Processing
4.2.3. Building the Total Relation Matrix
4.2.4. Calculate Centrality Degree and Causality Degree
4.2.5. Mapping Cause and Effect
4.3. ISM Modeling
4.3.1. Constructing a Holistic Impact Matrix
4.3.2. Calculation Threshold
4.3.3. Constructing a Reachability Matrix
4.3.4. Delineation of the Factor Hierarchy
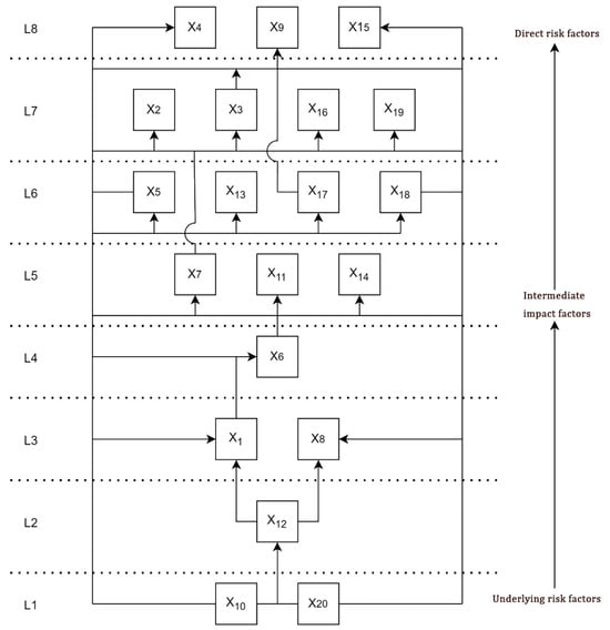
4.3.5. Modeling Multi-Layer Recursive Order Structures
4.4. Sensitivity Analysis
5. Discussion
5.1. Analysis of Centrality and Causality Results
5.2. Analysis of Multilayer Recursive Structural Models
5.2.1. Direct Risk Factors Affecting the Financing of Highway Infrastructure REITs
5.2.2. Intermediate Risk Factors Affecting the Financing of Highway Infrastructure REITs
5.2.3. Underlying Risk Factors Affecting the Financing of Highway Infrastructure REITs
5.3. Risk Governance
5.4. Transferability and Application of the DEMATEL—ISM Approach in Risk Assessment
6. Conclusions
Author Contributions
Funding
Institutional Review Board Statement
Informed Consent Statement
Data Availability Statement
Acknowledgments
Conflicts of Interest
References
- Mahmud, A.T.; Ogunlana, S.O.; Hong, W. Key driving factors of cost overrun in highway infrastructure projects in Nigeria: A context-based perspective. J. Eng. Des. Technol. 2021, 19, 1530–1555. [Google Scholar] [CrossRef]
- Zou, J.; Ni, W. The impact analysis of real estate investment trusts (REITs) on infrastructure projects management and operation. In Proceedings of the 2022 International Conference on Creative Industry and Knowledge Economy (CIKE 2022), Online, 25–27 March 2022; pp. 183–190. [Google Scholar]
- Fang, Z. Research on Risks and Management Mechanism of REITs in China. In Proceedings of the 5th International Conference on Economic Management and Green Development; Springer: Singapore, 2022; pp. 123–136. [Google Scholar]
- Deep, S.; Bhoola, V.; Verma, S.; Ranasinghe, U. Identifying the risk factors in real estate construction projects: An analytical study to propose a control structure for decision-making. J. Financ. Manag. Prop. Constr. 2022, 27, 220–238. [Google Scholar] [CrossRef]
- He, Y.; Kang, J.; Pei, Y.; Ran, B.; Song, Y. Research on influencing factors of fuel consumption on superhighway based on DEMATEL-ISM model. Energy Policy 2021, 158, 112545. [Google Scholar] [CrossRef]
- Bhatt, N.; Sarkar, D. Evaluation of success and risk factors for highway project performance through integrated analytical hierarchy process and fuzzy interpretive structural modelling. Int. J. Constr. Manag. 2020, 20, 653–665. [Google Scholar] [CrossRef]
- Susanti, R.; Nurdiana, A.; Kurnianto, Y. What causes cost overrun in highway strategic project in Indonesia? IOP Conf. Ser. Earth Environ. Sci. 2021, 700, 012050. [Google Scholar] [CrossRef]
- Vu, H.; Wang, J.; Liu, J.; Min, L.; Mai, S. Determiners of Schedule Delay Risk of the Highway Project in Vietnam: Based On the SEM model. In Proceedings of the 2016 International Forum on Management, Education and Information Technology Application, Guangzhou, China, 30–31 January 2016; pp. 98–103. [Google Scholar]
- Kumar, L.; Jindal, A.; Velaga, N.R. Financial risk assessment and modelling of PPP based Indian highway infrastructure projects. Transp. Policy 2018, 62, 2–11. [Google Scholar] [CrossRef]
- Naranjo, A.; Ling, D.C. Economic risk factors and commercial real estate returns. J. Real Estate Financ. Econ. 1997, 14, 283–307. [Google Scholar] [CrossRef]
- Block, R.L. Investing in REITs: Real Estate Investment Trusts; John Wiley & Sons: Hoboken, NJ, USA, 2011; Volume 141, pp. 78–81. [Google Scholar]
- Ooi, J.; Newell, G.; Sing, T.-F. The growth of REIT markets in Asia. J. Real Estate Lit. 2006, 14, 203–222. [Google Scholar] [CrossRef]
- Pagliari, J.L., Jr.; Scherer, K.A.; Monopoli, R.T. Public versus private real estate equities: A more refined, long-term comparison. Real Estate Econ. 2005, 33, 147–187. [Google Scholar] [CrossRef]
- Ling, D.C.; Naranjo, A. Returns and information transmission dynamics in public and private real estate markets. Real Estate Econ. 2015, 43, 163–208. [Google Scholar] [CrossRef]
- Gyourko, J.; Keim, D.B. What does the stock market tell us about real estate returns? Real Estate Econ. 1992, 20, 457–485. [Google Scholar] [CrossRef]
- Eichholtz, P.; Kok, N.; Yonder, E. Portfolio greenness and the financial performance of REITs. J. Int. Money Financ. 2012, 31, 1911–1929. [Google Scholar] [CrossRef]
- Song, Y.; Hao, S. Research on Financing Risk Factors of Expressway REITs in China with a Hybrid Approach. Systems 2022, 10, 38. [Google Scholar] [CrossRef]
- Alqershy, M.T.; Shi, Q. Barriers to Social Responsibility Implementation in Belt and Road Mega Infrastructure Projects: A Hybrid Fuzzy DEMATEL-ISM-MICMAC Approach. Buildings 2023, 13, 1561. [Google Scholar] [CrossRef]
- Lu, M.; Hao, Q.B. Research on construction engineering with data processing in the endowment real estate financing efficiency evaluation. Appl. Mech. Mater. 2015, 730, 339–342. [Google Scholar] [CrossRef]
- Song, J.-m.; Liu, Q.-l.; Chen, L.-m. Study on the Influencing Factors of Investment Return Rate of Waste Incineration Power Generation PPP Project. J. Eng. Manag./Gongcheng Guanli Xuebao 2022, 36, 84–86. [Google Scholar]
- Wang, Y.; Gong, E.; Zhang, Y.; Yao, Y.; Zhou, X. Risk assessment of infrastructure REITs projects based on cloud model: A case study of China. Eng. Constr. Archit. Manag. 2023, 1, 2891–2893. [Google Scholar] [CrossRef]
- Yuan, Q.; Zhang, X.; Zhu, H.; Zhang, B.; Chen, J. Research on influencing factors of coal mine safety production based on integrated fuzzy DEMATEL-ISM methods. Energy Sources Part A Recovery Util. Environ. Eff. 2023, 45, 2811–2830. [Google Scholar] [CrossRef]
- Liu, X.; Dou, Z.; Yang, W. Research on influencing factors of cross border E-commerce supply chain resilience based on integrated fuzzy DEMATEL-ISM. IEEE Access 2021, 9, 36140–36153. [Google Scholar] [CrossRef]
- Giannotti, C.; Mattarocci, G. Risk diversification in a real estate portfolio: Evidence from the Italian market. J. Eur. Real Estate Res. 2008, 1, 214–234. [Google Scholar] [CrossRef]
- Chaudhry, M.; Christie-David, R.; Webb, J. REITs: Hedging and diversification possibilities. J. Real Estate Portf. Manag. 2010, 16, 217–226. [Google Scholar] [CrossRef]
- Trück, S.; Rong, N. Modeling the Dependence Structure between Australian Equity and Real Estate Markets–A Copula Approach. Available at SSRN 1663152 2010, 47, 10–15. [Google Scholar] [CrossRef]
- Du, Y.-W.; Li, X.-X. Hierarchical DEMATEL method for complex systems. Expert Syst. Appl. 2021, 167, 113871. [Google Scholar] [CrossRef]
- Yazdi, M.; Khan, F.; Abbassi, R.; Rusli, R. Improved DEMATEL methodology for effective safety management decision-making. Saf. Sci. 2020, 127, 104705. [Google Scholar] [CrossRef]
- Garg, C.P. Modeling the e-waste mitigation strategies using Grey-theory and DEMATEL framework. J. Clean. Prod. 2021, 281, 124035. [Google Scholar] [CrossRef]
- Chen, J.-K. Improved DEMATEL-ISM integration approach for complex systems. PLoS ONE 2021, 16, e0254694. [Google Scholar] [CrossRef]
- Zhao, X. Evolution of construction risk management research: Historiography and keyword co-occurrence analysis. Eng. Constr. Archit. Manag. 2024, 31, 1408–1428. [Google Scholar] [CrossRef]



| Form | Factor | Encoding | Interpretation of Indicators |
|---|---|---|---|
| Policy risk | Policy and legal adjustments | The government may adjust the cap or floor on REITs’ financing, limiting the growth or reducing the size of the financing, thus affecting investors’ financing needs and opportunities. | |
| Government risk | Excessive government intervention | Excessive government guarantees, over investment and over compensation can be problematic. | |
| Government breach of trust | Government corruption, abuse of authority, and non-performance of works contracts. | ||
| Market risk | Price risk | Losses suffered by investors as a result of unfavorable price trends in the overall market for real estate investment trusts. | |
| Interest rate risk | Risks arising from fluctuations in market interest rates, such as the liquidity risk of interest rate fluctuations related to REITs funds. | ||
| Tax rate risk | If the tax rate is too high, investors will face a higher tax burden, which reduces their expectations of returns from REITs. | ||
| Inflation | Prices generally rise, the purchasing power of money decreases, and the cost of raw materials, labor, and other factors involved in highways also rises. | ||
| Market demand risk | Demand volatility in the real estate market may affect rental income and asset values of highway infrastructure REITs. | ||
| Operational risk | Insufficient operating income | REITs may have to reduce or suspend distributions to investors when project operating revenues are insufficient to cover operating costs and capital expenditures. | |
| Financing costs | Excessive fundraising costs can cost the project money. | ||
| Engineering quality risk | Losses due to quality problems involving the works. | ||
| Insufficient financing | Failure to raise sufficient project funds from financial institutions or other sources. | ||
| Risk of delayed approvals | Problems of delays in approving works during the approval process. | ||
| Increased operating costs | Regular maintenance and rehabilitation work is required during operation to ensure their safe and sustainable operation. Such work requires a significant investment of human and material resources, resulting in increased operating costs. | ||
| Operational inefficiency | Operational inefficiencies involving the operation of the project company may give rise to risks related to the management, with possible termination, and replacement of the operational management organization. | ||
| Decreased traffic flow | In times of economic downturn or recession, people may travel less or choose cheaper modes of transportation, resulting in reduced highway traffic flow. | ||
| Legal risk | Legal risks concerning land | The construction of highways may involve land acquisition and demolition, and relevant legal procedures and disputes may be involved in the process. | |
| Environmental legal risks | The construction and operation of highway infrastructure may have an impact on the environment, and failure to comply with environmental protection laws may result in exposure to environmental pollution liability and legal sanctions. | ||
| Asset risk | Decline in asset values | The market value of assets held by highway infrastructure REITs, such as highways, bridges, and toll stations, may be affected by factors such as the macroeconomic environment and regional development, resulting in fluctuations or declines in asset values. | |
| Other risks | Risk of force majeure | Negative impacts due to irreversible climate change such as warming, earthquakes, and floods, etc. |
| Expert | Education | Specialization | Years of Experience | Position | Work Experience | Work Field |
|---|---|---|---|---|---|---|
| 1 | Ph.D. | Civil Engineering | 25 | Professor | Large-scale highway and tunnel projects | Structural design |
| 2 | M.Sc. | Transportation Eng. | 20 | Senior Engineer | National and international transportation systems | Transportation planning |
| 3 | Ph.D. | Infrastructure Dev. | 18 | Project Manager | Multinational highway infrastructure projects | Project management |
| 4 | M.Sc. | Environmental Eng. | 22 | Environmental Consultant | Highway construction environmental impact assessment | Environmental planning |
| 5 | Ph.D. | Economics | 15 | Policy Analyst | Economic evaluation of infrastructure projects | Policy and economics |
| 6 | M.Sc. | Structural Eng. | 19 | Lead Structural Engineer | Design and maintenance of highway structures | Structural design and analysis |
| 7 | Ph.D. | Transportation Eng. | 17 | Research Scientist | Traffic flow and transportation system analysis | Transportation systems |
| 8 | M.Sc. | Project Management | 23 | Project Director | Management of large-scale infrastructure projects | Project management |
| 9 | Ph.D. | Civil Engineering | 21 | Senior Consultant | Infrastructure development and risk assessment | Risk management |
| 10 | M.Sc. | Infrastructure Dev. | 16 | Infrastructure Specialist | Development of international highway projects | Infrastructure development |
| 0 | 2 | 2 | 1 | 1 | 3 | 2 | 2 | 2 | 0 | 0 | 0 | 0 | 0 | 2 | 1 | 0 | 4 | 0 | 0 | |
| 0 | 0 | 1 | 1 | 0 | 0 | 0 | 0 | 1 | 0 | 0 | 0 | 0 | 0 | 1 | 1 | 1 | 1 | 2 | 0 | |
| 0 | 1 | 0 | 1 | 0 | 0 | 0 | 0 | 1 | 0 | 0 | 0 | 0 | 0 | 1 | 0 | 0 | 3 | 4 | 0 | |
| 0 | 1 | 1 | 0 | 0 | 0 | 0 | 0 | 1 | 0 | 0 | 0 | 0 | 0 | 3 | 0 | 0 | 0 | 1 | 0 | |
| 0 | 2 | 1 | 2 | 0 | 0 | 0 | 0 | 1 | 0 | 0 | 0 | 0 | 0 | 3 | 2 | 0 | 1 | 0 | 0 | |
| 0 | 2 | 2 | 2 | 3 | 0 | 3 | 0 | 1 | 0 | 0 | 0 | 0 | 0 | 3 | 2 | 4 | 2 | 0 | 0 | |
| 0 | 2 | 2 | 2 | 0 | 0 | 0 | 0 | 2 | 0 | 0 | 0 | 0 | 0 | 2 | 4 | 1 | 3 | 2 | 0 | |
| 2 | 1 | 1 | 1 | 1 | 2 | 1 | 0 | 1 | 0 | 0 | 0 | 0 | 0 | 0 | 1 | 4 | 0 | 1 | 0 | |
| 0 | 1 | 1 | 1 | 0 | 0 | 0 | 0 | 0 | 0 | 0 | 0 | 0 | 0 | 0 | 0 | 0 | 1 | 1 | 0 | |
| 1 | 1 | 1 | 1 | 1 | 1 | 1 | 1 | 0 | 0 | 2 | 2 | 2 | 1 | 0 | 0 | 0 | 0 | 1 | 0 | |
| 1 | 1 | 1 | 1 | 1 | 1 | 1 | 1 | 0 | 1 | 0 | 1 | 1 | 1 | 0 | 0 | 0 | 0 | 1 | 0 | |
| 1 | 1 | 1 | 1 | 1 | 1 | 1 | 1 | 0 | 1 | 1 | 0 | 2 | 1 | 1 | 3 | 3 | 0 | 0 | 0 | |
| 1 | 1 | 1 | 1 | 1 | 1 | 1 | 1 | 1 | 1 | 1 | 1 | 0 | 1 | 3 | 2 | 3 | 0 | 2 | 0 | |
| 1 | 1 | 1 | 1 | 1 | 1 | 1 | 1 | 1 | 1 | 1 | 1 | 1 | 0 | 0 | 0 | 2 | 0 | 0 | 0 | |
| 1 | 0 | 1 | 3 | 1 | 0 | 0 | 0 | 1 | 1 | 1 | 1 | 0 | 0 | 0 | 2 | 0 | 0 | 0 | 0 | |
| 1 | 1 | 1 | 1 | 2 | 1 | 1 | 1 | 1 | 0 | 0 | 1 | 0 | 2 | 4 | 0 | 0 | 0 | 0 | 0 | |
| 1 | 0 | 0 | 1 | 0 | 0 | 0 | 1 | 0 | 0 | 0 | 0 | 2 | 1 | 3 | 1 | 0 | 0 | 0 | 0 | |
| 1 | 1 | 1 | 0 | 2 | 0 | 2 | 3 | 3 | 0 | 1 | 1 | 3 | 4 | 0 | 0 | 0 | 0 | 0 | 0 | |
| 2 | 2 | 1 | 3 | 2 | 1 | 0 | 0 | 1 | 1 | 1 | 2 | 1 | 2 | 1 | 0 | 2 | 0 | 0 | 0 | |
| 1 | 3 | 1 | 2 | 1 | 0 | 3 | 3 | 0 | 0 | 0 | 2 | 3 | 1 | 2 | 2 | 1 | 2 | 0 | 0 |
| 0 | 0.07 | 0.07 | 0.04 | 0.04 | 0.11 | 0.07 | 0.07 | 0.07 | 0 | 0 | 0 | 0 | 0 | 0.07 | 0.04 | 0 | 0.15 | 0 | 0 | |
| 0 | 0 | 0.04 | 0.04 | 0 | 0 | 0 | 0 | 0.04 | 0 | 0 | 0 | 0 | 0 | 0.04 | 0.04 | 0.04 | 0.04 | 0.07 | 0 | |
| 0 | 0.04 | 0 | 0.04 | 0 | 0 | 0 | 0 | 0.04 | 0 | 0 | 0 | 0 | 0 | 0.04 | 0 | 0 | 0.11 | 0.15 | 0 | |
| 0 | 0.04 | 0.04 | 0 | 0 | 0 | 0 | 0 | 0.04 | 0 | 0 | 0 | 0 | 0 | 0.11 | 0 | 0 | 0 | 0.04 | 0 | |
| 0 | 0.07 | 0.04 | 0.07 | 0 | 0 | 0 | 0 | 0.04 | 0 | 0 | 0 | 0 | 0 | 0.11 | 0.07 | 0 | 0.04 | 0 | 0 | |
| 0 | 0.07 | 0.07 | 0.07 | 0.11 | 0 | 0.11 | 0 | 0.04 | 0 | 0 | 0 | 0 | 0 | 0.11 | 0.07 | 0.15 | 0.07 | 0 | 0 | |
| 0 | 0.07 | 0.07 | 0.07 | 0 | 0 | 0 | 0 | 0.07 | 0 | 0 | 0 | 0 | 0 | 0.07 | 0.15 | 0.04 | 0.11 | 0.07 | 0 | |
| 0.07 | 0.04 | 0.04 | 0.04 | 0.04 | 0.07 | 0.04 | 0 | 0.04 | 0 | 0 | 0 | 0 | 0 | 0 | 0.04 | 0.15 | 0 | 0.04 | 0 | |
| 0 | 0.04 | 0.04 | 0.04 | 0 | 0 | 0 | 0 | 0 | 0 | 0 | 0 | 0 | 0 | 0 | 0 | 0 | 0.04 | 0.04 | 0 | |
| 0.04 | 0.04 | 0.04 | 0.04 | 0.04 | 0.04 | 0.04 | 0.04 | 0 | 0 | 0.07 | 0.07 | 0.07 | 0.04 | 0 | 0 | 0 | 0 | 0.04 | 0 | |
| 0.04 | 0.04 | 0.04 | 0.04 | 0.04 | 0.04 | 0.04 | 0.04 | 0 | 0.04 | 0 | 0.04 | 0.04 | 0.04 | 0 | 0 | 0 | 0 | 0.04 | 0 | |
| 0.04 | 0.04 | 0.04 | 0.04 | 0.04 | 0.04 | 0.04 | 0.04 | 0 | 0.04 | 0.04 | 0 | 0.07 | 0.04 | 0.04 | 0.11 | 0.11 | 0 | 0 | 0 | |
| 0.04 | 0.04 | 0.04 | 0.04 | 0.04 | 0.04 | 0.04 | 0.04 | 0.04 | 0.04 | 0.04 | 0.04 | 0 | 0.04 | 0.11 | 0.07 | 0.11 | 0 | 0.07 | 0 | |
| 0.04 | 0.04 | 0.04 | 0.04 | 0.04 | 0.04 | 0.04 | 0.04 | 0.04 | 0.04 | 0.04 | 0.04 | 0.04 | 0 | 0 | 0 | 0.07 | 0 | 0 | 0 | |
| 0.04 | 0 | 0.04 | 0.11 | 0.04 | 0 | 0 | 0 | 0.04 | 0.04 | 0.04 | 0.04 | 0 | 0 | 0 | 0.07 | 0 | 0 | 0 | 0 | |
| 0.04 | 0.04 | 0.04 | 0.04 | 0.07 | 0.04 | 0.04 | 0.04 | 0.04 | 0 | 0 | 0.04 | 0 | 0.07 | 0.15 | 0 | 0 | 0 | 0 | 0 | |
| 0.04 | 0 | 0 | 0.04 | 0 | 0 | 0 | 0.04 | 0 | 0 | 0 | 0 | 0.07 | 0.04 | 0.11 | 0.04 | 0 | 0 | 0 | 0 | |
| 0.04 | 0.04 | 0.04 | 0 | 0.07 | 0 | 0.07 | 0.11 | 0.11 | 0 | 0.04 | 0.04 | 0.11 | 0.15 | 0 | 0 | 0 | 0 | 0 | 0 | |
| 0.07 | 0.07 | 0.04 | 0.11 | 0.07 | 0.04 | 0 | 0 | 0.04 | 0.04 | 0.04 | 0.07 | 0.04 | 0.07 | 0.04 | 0 | 0.07 | 0 | 0 | 0 | |
| 0.04 | 0.11 | 0.04 | 0.07 | 0.04 | 0 | 0.11 | 0.11 | 0 | 0 | 0 | 0.07 | 0.11 | 0.04 | 0.07 | 0.07 | 0.04 | 0.07 | 0 | 0 |
| 0.04 | 0.14 | 0.14 | 0.12 | 0.1 | 0.13 | 0.12 | 0.11 | 0.15 | 0.01 | 0.02 | 0.03 | 0.04 | 0.05 | 0.16 | 0.1 | 0.06 | 0.21 | 0.06 | 0 | |
| 0.02 | 0.03 | 0.06 | 0.07 | 0.02 | 0.01 | 0.01 | 0.01 | 0.06 | 0.01 | 0.01 | 0.02 | 0.02 | 0.02 | 0.07 | 0.05 | 0.05 | 0.05 | 0.09 | 0 | |
| 0.03 | 0.08 | 0.04 | 0.09 | 0.04 | 0.02 | 0.02 | 0.02 | 0.08 | 0.01 | 0.02 | 0.03 | 0.03 | 0.04 | 0.08 | 0.02 | 0.03 | 0.13 | 0.17 | 0 | |
| 0.01 | 0.05 | 0.05 | 0.03 | 0.01 | 0.01 | 0 | 0 | 0.05 | 0.01 | 0.01 | 0.01 | 0.01 | 0.01 | 0.13 | 0.02 | 0.01 | 0.01 | 0.05 | 0 | |
| 0.02 | 0.1 | 0.07 | 0.11 | 0.02 | 0.01 | 0.01 | 0.01 | 0.07 | 0.01 | 0.01 | 0.02 | 0.01 | 0.02 | 0.15 | 0.1 | 0.01 | 0.06 | 0.03 | 0 | |
| 0.04 | 0.14 | 0.14 | 0.16 | 0.15 | 0.02 | 0.14 | 0.03 | 0.11 | 0.01 | 0.02 | 0.03 | 0.03 | 0.04 | 0.22 | 0.14 | 0.18 | 0.13 | 0.06 | 0 | |
| 0.04 | 0.13 | 0.13 | 0.14 | 0.05 | 0.02 | 0.03 | 0.03 | 0.13 | 0.02 | 0.02 | 0.03 | 0.03 | 0.05 | 0.16 | 0.19 | 0.07 | 0.15 | 0.12 | 0 | |
| 0.1 | 0.09 | 0.08 | 0.1 | 0.07 | 0.1 | 0.07 | 0.03 | 0.08 | 0.01 | 0.01 | 0.02 | 0.02 | 0.03 | 0.09 | 0.08 | 0.18 | 0.05 | 0.07 | 0 | |
| 0.01 | 0.05 | 0.05 | 0.05 | 0.01 | 0.01 | 0.01 | 0.01 | 0.02 | 0 | 0.01 | 0.01 | 0.01 | 0.01 | 0.02 | 0.01 | 0.01 | 0.05 | 0.05 | 0 | |
| 0.07 | 0.09 | 0.09 | 0.1 | 0.08 | 0.07 | 0.07 | 0.07 | 0.05 | 0.02 | 0.09 | 0.1 | 0.1 | 0.07 | 0.08 | 0.06 | 0.06 | 0.04 | 0.08 | 0 | |
| 0.06 | 0.08 | 0.08 | 0.09 | 0.07 | 0.06 | 0.06 | 0.06 | 0.04 | 0.05 | 0.02 | 0.06 | 0.06 | 0.06 | 0.06 | 0.04 | 0.05 | 0.04 | 0.07 | 0 | |
| 0.08 | 0.1 | 0.1 | 0.11 | 0.09 | 0.07 | 0.07 | 0.07 | 0.06 | 0.05 | 0.06 | 0.03 | 0.1 | 0.07 | 0.14 | 0.17 | 0.16 | 0.04 | 0.05 | 0 | |
| 0.08 | 0.1 | 0.1 | 0.13 | 0.09 | 0.07 | 0.07 | 0.07 | 0.1 | 0.06 | 0.06 | 0.07 | 0.04 | 0.08 | 0.21 | 0.14 | 0.17 | 0.05 | 0.12 | 0 | |
| 0.06 | 0.08 | 0.08 | 0.09 | 0.07 | 0.06 | 0.06 | 0.06 | 0.08 | 0.05 | 0.05 | 0.05 | 0.06 | 0.02 | 0.07 | 0.05 | 0.12 | 0.04 | 0.04 | 0 | |
| 0.05 | 0.04 | 0.07 | 0.15 | 0.06 | 0.02 | 0.02 | 0.02 | 0.07 | 0.05 | 0.05 | 0.05 | 0.01 | 0.02 | 0.06 | 0.1 | 0.02 | 0.03 | 0.03 | 0 | |
| 0.06 | 0.09 | 0.09 | 0.11 | 0.11 | 0.06 | 0.06 | 0.06 | 0.09 | 0.02 | 0.02 | 0.06 | 0.02 | 0.09 | 0.21 | 0.05 | 0.04 | 0.04 | 0.04 | 0 | |
| 0.06 | 0.03 | 0.03 | 0.08 | 0.03 | 0.02 | 0.02 | 0.05 | 0.03 | 0.01 | 0.01 | 0.02 | 0.08 | 0.05 | 0.16 | 0.07 | 0.03 | 0.02 | 0.02 | 0 | |
| 0.08 | 0.11 | 0.11 | 0.08 | 0.12 | 0.04 | 0.11 | 0.15 | 0.17 | 0.02 | 0.06 | 0.07 | 0.14 | 0.18 | 0.09 | 0.07 | 0.08 | 0.05 | 0.06 | 0 | |
| 0.11 | 0.14 | 0.1 | 0.19 | 0.12 | 0.07 | 0.04 | 0.04 | 0.09 | 0.06 | 0.06 | 0.1 | 0.07 | 0.1 | 0.13 | 0.06 | 0.13 | 0.05 | 0.05 | 0 | |
| 0.09 | 0.19 | 0.12 | 0.18 | 0.1 | 0.05 | 0.16 | 0.16 | 0.09 | 0.02 | 0.03 | 0.11 | 0.15 | 0.09 | 0.2 | 0.17 | 0.12 | 0.14 | 0.07 | 0 |
| Factors | Influencing Degree | Influenced Degree | Centrality | Causality | Weight | Rank | Factor Attributes |
|---|---|---|---|---|---|---|---|
| 1.8 | 1.12 | 2.92 | 0.68 | 0.06 | 2 | Contributory factor | |
| 0.71 | 1.84 | 2.55 | −1.13 | 0.05 | 7 | Outcome factors | |
| 0.95 | 1.73 | 2.68 | −0.78 | 0.05 | 7 | Outcome factors | |
| 0.5 | 2.2 | 2.7 | −1.7 | 0.05 | 7 | Outcome factors | |
| 0.85 | 1.42 | 2.27 | −0.57 | 0.04 | 16 | Outcome factors | |
| 1.78 | 0.91 | 2.69 | 0.87 | 0.05 | 7 | Contributory factor | |
| 1.54 | 1.17 | 2.71 | 0.37 | 0.05 | 7 | Contributory factor | |
| 1.28 | 1.07 | 2.35 | 0.21 | 0.05 | 7 | Contributory factor | |
| 0.39 | 1.61 | 2 | −1.22 | 0.04 | 16 | Outcome factors | |
| 1.39 | 0.5 | 1.89 | 0.89 | 0.04 | 16 | Contributory factor | |
| 1.12 | 0.64 | 1.76 | 0.48 | 0.03 | 20 | Contributory factor | |
| 1.63 | 0.89 | 2.52 | 0.74 | 0.05 | 7 | Contributory factor | |
| 1.83 | 1.04 | 2.87 | 0.79 | 0.06 | 2 | Contributory factor | |
| 1.2 | 1.12 | 2.32 | 0.08 | 0.05 | 7 | Contributory factor | |
| 0.9 | 2.5 | 3.4 | −1.6 | 0.07 | 1 | Outcome factors | |
| 1.31 | 1.69 | 3 | −0.38 | 0.06 | 2 | Outcome factors | |
| 0.83 | 1.58 | 2.41 | −0.75 | 0.05 | 7 | Outcome factors | |
| 1.79 | 1.37 | 3.16 | 0.42 | 0.06 | 2 | Contributory factor | |
| 1.7 | 1.33 | 3.03 | 0.37 | 0.06 | 2 | Contributory factor | |
| 2.26 | 0 | 2.26 | 2.26 | 0.04 | 16 | Contributory factor |
| 1.04 | 0.14 | 0.14 | 0.12 | 0.1 | 0.13 | 0.12 | 0.11 | 0.15 | 0.01 | 0.02 | 0.03 | 0.04 | 0.05 | 0.16 | 0.1 | 0.06 | 0.21 | 0.06 | 0 | |
| 0.02 | 1.03 | 0.06 | 0.07 | 0.02 | 0.01 | 0.01 | 0.01 | 0.06 | 0.01 | 0.01 | 0.02 | 0.02 | 0.02 | 0.07 | 0.05 | 0.05 | 0.05 | 0.09 | 0 | |
| 0.03 | 0.08 | 1.04 | 0.09 | 0.04 | 0.02 | 0.02 | 0.02 | 0.08 | 0.01 | 0.02 | 0.03 | 0.03 | 0.04 | 0.08 | 0.02 | 0.03 | 0.13 | 0.17 | 0 | |
| 0.01 | 0.05 | 0.05 | 1.03 | 0.01 | 0.01 | 0 | 0 | 0.05 | 0.01 | 0.01 | 0.01 | 0.01 | 0.01 | 0.13 | 0.02 | 0.01 | 0.01 | 0.05 | 0 | |
| 0.02 | 0.1 | 0.07 | 0.11 | 1.02 | 0.01 | 0.01 | 0.01 | 0.07 | 0.01 | 0.01 | 0.02 | 0.01 | 0.02 | 0.15 | 0.1 | 0.01 | 0.06 | 0.03 | 0 | |
| 0.04 | 0.14 | 0.14 | 0.16 | 0.15 | 1.02 | 0.14 | 0.03 | 0.11 | 0.01 | 0.02 | 0.03 | 0.03 | 0.04 | 0.22 | 0.14 | 0.18 | 0.13 | 0.06 | 0 | |
| 0.04 | 0.13 | 0.13 | 0.14 | 0.05 | 0.02 | 1.03 | 0.03 | 0.13 | 0.02 | 0.02 | 0.03 | 0.03 | 0.05 | 0.16 | 0.19 | 0.07 | 0.15 | 0.12 | 0 | |
| 0.1 | 0.09 | 0.08 | 0.1 | 0.07 | 0.1 | 0.07 | 1.03 | 0.08 | 0.01 | 0.01 | 0.02 | 0.02 | 0.03 | 0.09 | 0.08 | 0.18 | 0.05 | 0.07 | 0 | |
| 0.01 | 0.05 | 0.05 | 0.05 | 0.01 | 0.01 | 0.01 | 0.01 | 1.02 | 0 | 0.01 | 0.01 | 0.01 | 0.01 | 0.02 | 0.01 | 0.01 | 0.05 | 0.05 | 0 | |
| 0.07 | 0.09 | 0.09 | 0.1 | 0.08 | 0.07 | 0.07 | 0.07 | 0.05 | 1.02 | 0.09 | 0.1 | 0.1 | 0.07 | 0.08 | 0.06 | 0.06 | 0.04 | 0.08 | 0 | |
| 0.06 | 0.08 | 0.08 | 0.09 | 0.07 | 0.06 | 0.06 | 0.06 | 0.04 | 0.05 | 1.02 | 0.06 | 0.06 | 0.06 | 0.06 | 0.04 | 0.05 | 0.04 | 0.07 | 0 | |
| 0.08 | 0.1 | 0.1 | 0.11 | 0.09 | 0.07 | 0.07 | 0.07 | 0.06 | 0.05 | 0.06 | 1.03 | 0.1 | 0.07 | 0.14 | 0.17 | 0.16 | 0.04 | 0.05 | 0 | |
| 0.08 | 0.1 | 0.1 | 0.13 | 0.09 | 0.07 | 0.07 | 0.07 | 0.1 | 0.06 | 0.06 | 0.07 | 1.04 | 0.08 | 0.21 | 0.14 | 0.17 | 0.05 | 0.12 | 0 | |
| 0.06 | 0.08 | 0.08 | 0.09 | 0.07 | 0.06 | 0.06 | 0.06 | 0.08 | 0.05 | 0.05 | 0.05 | 0.06 | 1.02 | 0.07 | 0.05 | 0.12 | 0.04 | 0.04 | 0 | |
| 0.05 | 0.04 | 0.07 | 0.15 | 0.06 | 0.02 | 0.02 | 0.02 | 0.07 | 0.05 | 0.05 | 0.05 | 0.01 | 0.02 | 1.06 | 0.1 | 0.02 | 0.03 | 0.03 | 0 | |
| 0.06 | 0.09 | 0.09 | 0.11 | 0.11 | 0.06 | 0.06 | 0.06 | 0.09 | 0.02 | 0.02 | 0.06 | 0.02 | 0.09 | 0.21 | 1.05 | 0.04 | 0.04 | 0.04 | 0 | |
| 0.06 | 0.03 | 0.03 | 0.08 | 0.03 | 0.02 | 0.02 | 0.05 | 0.03 | 0.01 | 0.01 | 0.02 | 0.08 | 0.05 | 0.16 | 0.07 | 1.03 | 0.02 | 0.02 | 0 | |
| 0.08 | 0.11 | 0.11 | 0.08 | 0.12 | 0.04 | 0.11 | 0.15 | 0.17 | 0.02 | 0.06 | 0.07 | 0.14 | 0.18 | 0.09 | 0.07 | 0.08 | 1.05 | 0.06 | 0 | |
| 0.11 | 0.14 | 0.1 | 0.19 | 0.12 | 0.07 | 0.04 | 0.04 | 0.09 | 0.06 | 0.06 | 0.1 | 0.07 | 0.1 | 0.13 | 0.06 | 0.13 | 0.05 | 1.05 | 0 | |
| 0.09 | 0.19 | 0.12 | 0.18 | 0.1 | 0.05 | 0.16 | 0.16 | 0.09 | 0.02 | 0.03 | 0.11 | 0.15 | 0.09 | 0.2 | 0.17 | 0.12 | 0.14 | 0.07 | 1 |
| 1 | 1 | 1 | 1 | 1 | 1 | 1 | 1 | 1 | 0 | 0 | 0 | 0 | 0 | 1 | 1 | 0 | 1 | 0 | 0 | |
| 0 | 1 | 0 | 1 | 0 | 0 | 0 | 0 | 0 | 0 | 0 | 0 | 0 | 0 | 1 | 0 | 0 | 0 | 1 | 0 | |
| 0 | 1 | 1 | 1 | 0 | 0 | 0 | 0 | 1 | 0 | 0 | 0 | 0 | 0 | 1 | 0 | 0 | 1 | 1 | 0 | |
| 0 | 0 | 0 | 1 | 0 | 0 | 0 | 0 | 0 | 0 | 0 | 0 | 0 | 0 | 1 | 0 | 0 | 0 | 0 | 0 | |
| 0 | 1 | 1 | 1 | 1 | 0 | 0 | 0 | 1 | 0 | 0 | 0 | 0 | 0 | 1 | 1 | 0 | 0 | 0 | 0 | |
| 0 | 1 | 1 | 1 | 1 | 1 | 1 | 0 | 1 | 0 | 0 | 0 | 0 | 0 | 1 | 1 | 1 | 1 | 0 | 0 | |
| 0 | 1 | 1 | 1 | 0 | 0 | 1 | 0 | 1 | 0 | 0 | 0 | 0 | 0 | 1 | 1 | 1 | 1 | 1 | 0 | |
| 1 | 1 | 1 | 1 | 1 | 1 | 1 | 1 | 1 | 0 | 0 | 0 | 0 | 0 | 1 | 1 | 1 | 0 | 1 | 0 | |
| 0 | 0 | 0 | 0 | 0 | 0 | 0 | 0 | 1 | 0 | 0 | 0 | 0 | 0 | 0 | 0 | 0 | 0 | 0 | 0 | |
| 1 | 1 | 1 | 1 | 1 | 1 | 1 | 1 | 0 | 1 | 1 | 1 | 1 | 1 | 1 | 0 | 0 | 0 | 1 | 0 | |
| 0 | 1 | 1 | 1 | 1 | 0 | 0 | 0 | 0 | 0 | 1 | 0 | 0 | 0 | 0 | 0 | 0 | 0 | 1 | 0 | |
| 1 | 1 | 1 | 1 | 1 | 1 | 1 | 1 | 0 | 0 | 0 | 1 | 1 | 1 | 1 | 1 | 1 | 0 | 0 | 0 | |
| 1 | 1 | 1 | 1 | 1 | 1 | 1 | 1 | 1 | 0 | 0 | 1 | 1 | 1 | 1 | 1 | 1 | 0 | 1 | 0 | |
| 0 | 1 | 1 | 1 | 1 | 0 | 0 | 0 | 1 | 0 | 0 | 0 | 0 | 1 | 1 | 0 | 1 | 0 | 0 | 0 | |
| 0 | 0 | 1 | 1 | 0 | 0 | 0 | 0 | 1 | 0 | 0 | 0 | 0 | 0 | 1 | 1 | 0 | 0 | 0 | 0 | |
| 0 | 1 | 1 | 1 | 1 | 0 | 0 | 0 | 1 | 0 | 0 | 0 | 0 | 1 | 1 | 1 | 0 | 0 | 0 | 0 | |
| 0 | 0 | 0 | 1 | 0 | 0 | 0 | 0 | 0 | 0 | 0 | 0 | 1 | 0 | 1 | 1 | 1 | 0 | 0 | 0 | |
| 1 | 1 | 1 | 1 | 1 | 0 | 1 | 1 | 1 | 0 | 0 | 1 | 1 | 1 | 1 | 1 | 1 | 1 | 0 | 0 | |
| 1 | 1 | 1 | 1 | 1 | 1 | 0 | 0 | 1 | 0 | 0 | 1 | 1 | 1 | 1 | 0 | 1 | 0 | 1 | 0 | |
| 1 | 1 | 1 | 1 | 1 | 0 | 1 | 1 | 1 | 0 | 0 | 1 | 1 | 1 | 1 | 1 | 1 | 1 | 1 | 1 |
| Factor | Reachability Set | Antecedent Set | Intersection Set |
|---|---|---|---|
| [1, 2, 3, 4, 5, 6, 7, 8, 9, 15, 16, 18] | [1, 8, 10, 12, 13, 18, 19, 20] | [1, 8, 18] | |
| [2, 4, 15, 19] | [1, 2, 3, 5, 6, 7, 8, 10, 11, 12, 13, 14, 16, 18, 19, 20] | [2, 19] | |
| [2, 3, 4, 9, 15, 18, 19] | [1, 3, 5, 6, 7, 8, 10, 11, 12, 13, 14, 15, 16, 18, 19, 20] | [3, 15, 18, 19] | |
| [4, 15] | [1, 2, 3, 4, 5, 6, 7, 8, 10, 11, 12, 13, 14, 15, 16, 17, 18, 19, 20] | [4, 15] | |
| [2, 3, 4, 5, 9, 15, 16] | [1, 5, 6, 8, 10, 11, 12, 13, 14, 16, 18, 19, 20] | [5, 16] | |
| [2, 3, 4, 5, 6, 7, 9, 15, 16, 17, 18] | [1, 6, 8, 10, 12, 13, 19] | [6] | |
| [2, 3, 4, 7, 9, 15, 16, 17, 18, 19] | [1, 6, 7, 8, 10, 12, 13, 18, 20] | [7, 18] | |
| [1, 2, 3, 4, 5, 6, 7, 8, 9, 15, 16, 17, 19] | [1, 8, 10, 12, 13, 18, 20] | [1, 8] | |
| [9] | [1, 3, 5, 6, 7, 8, 9, 13, 14, 15, 16, 18, 19, 20] | [9] | |
| [1, 2, 3, 4, 5, 6, 7, 8, 10, 11, 12, 13, 14, 15, 19] | [10] | [10] | |
| [2, 3, 4, 5, 11, 19] | [10, 11] | [11] | |
| [1, 2, 3, 4, 5, 6, 7, 8, 12, 13, 14, 15, 16, 17] | [10, 12, 13, 18, 19, 20] | [12, 13] | |
| [1, 2, 3, 4, 5, 6, 7, 8, 9, 12, 13, 14, 15, 16, 17, 19] | [10, 12, 13, 17, 18, 19, 20] | [12, 13, 17, 19] | |
| [2, 3, 4, 5, 9, 14, 15, 17] | [10, 12, 13, 14, 16, 18, 19, 20] | [14] | |
| [3, 4, 9, 15, 16] | [1, 2, 3, 4, 5, 6, 7, 8, 10, 12, 13, 14, 15, 16, 17, 18, 19, 20] | [3, 4, 15, 16] | |
| [2, 3, 4, 5, 9, 14, 15, 16] | [1, 5, 6, 7, 8, 12, 13, 15, 16, 17, 18, 20] | [5, 15, 16] | |
| [4, 13, 15, 16, 17] | [6, 7, 8, 12, 13, 14, 17, 18, 19, 20] | [13, 17] | |
| [1, 2, 3, 4, 5, 7, 8, 9, 12, 13, 14, 15, 16, 17, 18] | [1, 3, 6, 7, 18, 20] | [1, 3, 7, 18] | |
| [1, 2, 3, 4, 5, 6, 9, 12, 13, 14, 15, 17, 19] | [2, 3, 7, 8, 10, 11, 13, 19, 20] | [2, 3, 13, 19] | |
| [1, 2, 3, 4, 5, 7, 8, 9, 12, 13, 14, 15, 16, 17, 18, 19, 20] | [20] | [20] |
| Factor | Baseline Centrality | Centrality (+10%) | Centrality (−10%) | Baseline Causality | Causality (+10%) | Causality (−10%) | Baseline Rank | Rank (+10%) | Rank (−10%) |
|---|---|---|---|---|---|---|---|---|---|
| 2.92 | 3.21 | 2.63 | 0.68 | 0.79 | 0.57 | 5 | 4 | 6 | |
| 2.55 | 2.81 | 2.30 | −1.13 | −1.02 | −1.24 | 9 | 8 | 9 | |
| 2.68 | 2.95 | 2.41 | −0.78 | −0.67 | −0.89 | 7 | 6 | 8 | |
| 2.70 | 2.97 | 2.43 | −1.70 | −1.59 | −1.81 | 6 | 5 | 7 | |
| 2.27 | 2.49 | 2.04 | −0.57 | −0.46 | −0.68 | 11 | 10 | 12 | |
| 2.69 | 2.95 | 2.43 | 0.87 | 0.98 | 0.76 | 8 | 7 | 8 | |
| 2.71 | 2.97 | 2.45 | 0.37 | 0.48 | 0.26 | 5 | 5 | 6 | |
| 2.35 | 2.59 | 2.11 | 0.21 | 0.32 | 0.10 | 10 | 9 | 11 | |
| 2.00 | 2.21 | 1.79 | −1.22 | −1.11 | −1.33 | 15 | 14 | 16 | |
| 1.89 | 2.09 | 1.68 | 0.89 | 1.00 | 0.78 | 16 | 15 | 17 | |
| 1.76 | 1.94 | 1.58 | 0.48 | 0.59 | 0.37 | 17 | 16 | 18 | |
| 2.52 | 2.77 | 2.27 | 0.74 | 0.85 | 0.63 | 10 | 9 | 11 | |
| 2.87 | 3.16 | 2.58 | 0.79 | 0.90 | 0.68 | 4 | 4 | 5 | |
| 2.32 | 2.56 | 2.09 | 0.08 | 0.19 | −0.03 | 12 | 11 | 13 | |
| 3.40 | 3.74 | 3.06 | −1.60 | −1.49 | −1.71 | 1 | 1 | 1 | |
| 3.00 | 3.30 | 2.70 | −0.38 | −0.27 | −0.49 | 3 | 3 | 4 | |
| 2.41 | 2.65 | 2.17 | −0.75 | −0.64 | −0.86 | 13 | 12 | 14 | |
| 3.16 | 3.48 | 2.84 | 0.42 | 0.53 | 0.31 | 2 | 2 | 3 | |
| 3.03 | 3.33 | 2.73 | 0.37 | 0.48 | 0.26 | 2 | 2 | 3 | |
| 2.26 | 2.49 | 2.03 | 2.26 | 2.37 | 2.15 | 14 | 13 | 15 |
Disclaimer/Publisher’s Note: The statements, opinions and data contained in all publications are solely those of the individual author(s) and contributor(s) and not of MDPI and/or the editor(s). MDPI and/or the editor(s) disclaim responsibility for any injury to people or property resulting from any ideas, methods, instructions or products referred to in the content. |
© 2024 by the authors. Licensee MDPI, Basel, Switzerland. This article is an open access article distributed under the terms and conditions of the Creative Commons Attribution (CC BY) license (https://creativecommons.org/licenses/by/4.0/).
Share and Cite
Lv, H.; Shi, Z.; Liu, J. Risk Assessment of Highway Infrastructure REITs Projects Based on the DEMATEL—ISM Approach. Sustainability 2024, 16, 5159. https://doi.org/10.3390/su16125159
Lv H, Shi Z, Liu J. Risk Assessment of Highway Infrastructure REITs Projects Based on the DEMATEL—ISM Approach. Sustainability. 2024; 16(12):5159. https://doi.org/10.3390/su16125159
Chicago/Turabian StyleLv, Hongyi, Zhenwu Shi, and Jie Liu. 2024. "Risk Assessment of Highway Infrastructure REITs Projects Based on the DEMATEL—ISM Approach" Sustainability 16, no. 12: 5159. https://doi.org/10.3390/su16125159
APA StyleLv, H., Shi, Z., & Liu, J. (2024). Risk Assessment of Highway Infrastructure REITs Projects Based on the DEMATEL—ISM Approach. Sustainability, 16(12), 5159. https://doi.org/10.3390/su16125159

