Disintegration Characteristics of Remolded Granite Residual Soil with Different Moisture Contents
Abstract
:1. Introduction
2. Materials and Methods
2.1. Soil Sampling and Determination of Its Basic Physicochemical Properties
2.2. Specimen Preparation and Testing Methods
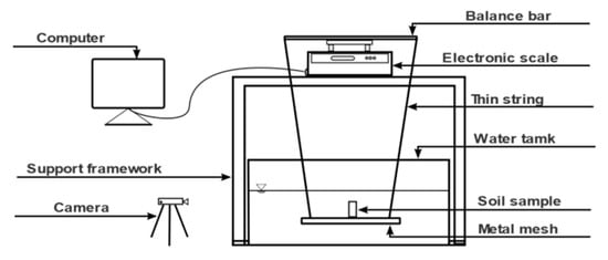
2.2.1. Disintegration and Water-Absorption Tests
2.2.2. Matric Suction Measurement and Triaxial Shear Tests
3. Results
3.1. Water-Absorption Test and Test Reliability Evaluation
3.2. Disintegration Process Curves
3.3. Disintegration Morphology
4. Discussion
4.1. Mechanical Disintegration Mechanism
4.2. Mechanism behind Disintegration Stage Differences
5. Conclusions
- (1)
- The disintegration ratio of soil is often underestimated when the influence of water-absorption weight gain is ignored, and a “negative” disintegration ratio would then be obtained in the initial stage. However, the corrected method can overcome this shortcoming and improve the accuracy of the quantitative evaluation of the disintegration.
- (2)
- The disintegration characteristics and driving forces differ significantly during the two stages. In the first stage, the disintegration’s form is mainly dispersive fragmentation, and particle aerosolization and bubble overflowing are apparent. This process is generally completed within 1.5–2 min, and the disintegration ratio is usually less than 20%. The disintegration’s driving forces are primarily derived from the sizeable tensile stress generated by the sudden increase in pore pressure caused by water infiltration and the expansive force generated by the overflow bubbles, and are closely related to the soil matric suction. In the second stage, disintegration is mainly composed of progressive and block separation when the initial moisture content is low and high, respectively. The disintegration’s driving forces are mostly the results of the weakening of intergranular joining forces caused by the dissolution of intergranular cement, which can be reflected by cohesion.
- (3)
- The initial water content has a significant effect on the disintegration of GRS. The soil samples with lower moisture content have better water stability and disintegrate slowly in the second stage, which is opposite to the changing trend of the initial stage. The average disintegration rate of the soil with a moisture content of 24.4% in the first and second stages was approximately 1/5 and 13 times, respectively, that of the soil with a moisture content of 6.1%; these values can be rendered as 0.049%/s and 0.82%/s, respectively. The average water-absorption and disintegration rates are approximately proportional to the matric suction in the first stage. The average disintegration rate in the second stage has a positive power-function relationship with cohesion.
Author Contributions
Funding
Institutional Review Board Statement
Informed Consent Statement
Data Availability Statement
Acknowledgments
Conflicts of Interest
References
- Sun, Y.L.; Liu, Q.X.; Xu, H.S.; Wang, Y.X.; Tang, L. Influences of different modifiers on the disintegration of improved granite residual soil under wet and dry cycles. Int. J. Min. Sci. Technol. 2022, 32, 831–845. [Google Scholar] [CrossRef]
- Luan, S.; Wang, F.L.; Wang, T.H.; Lu, Z.; Shui, W.H. Characteristics of gravelly granite residual soil in bored pile design: An in situ test in Shenzhen. Adv. Mater. Sci. Eng. 2018, 2018, 7598154. [Google Scholar] [CrossRef]
- Li, X.A.; Wang, L.; Yan, Y.L.; Hong, B.; Li, L.C. Experimental study on the disintegration of loess in the Loess Plateau of China. B Eng. Geol. Environ. 2019, 78, 4907–4918. [Google Scholar] [CrossRef]
- Liang, S.H.; Xiao, X.L.; Fang, C.X.; Feng, D.L.; Wang, Y.X. Experimental study on the mechanical properties and disintegration resistance of microbially solidified granite residual soil. Crystals 2022, 12, 132. [Google Scholar] [CrossRef]
- Han, Y.; Wang, Q. Feature and mechanism analysis of dispersive soil disintegration impacted by soil water content, density, and salinity. Eur. J. Soil. Sci. 2023, 74, e13353. [Google Scholar] [CrossRef]
- Luo, X.Y.; Gao, H.; He, P.; Liu, W.P. Experimental investigation of dry density, initial moisture content, and temperature for granite residual soil disintegration. Arab. J. Geosci. 2021, 14, 1060–1069. [Google Scholar] [CrossRef]
- Liu, W.P.; Song, X.Q.; Huang, F.M.; Hu, L.N. Experimental study on the disintegration of granite residual soil under the combined influence of wetting-drying cycles and acid rain. Geomat. Nat. Haz. Risk. 2019, 10, 1912–1927. [Google Scholar] [CrossRef]
- Chen, Q.N.; Long, K.; Huang, X.C.; Chen, Z.H.; He, Y.C. Improved granite residual soils from a study on diesel contamination in east Hunan province. Sustainability 2023, 15, 4900. [Google Scholar] [CrossRef]
- Yan, T.S.; Xiong, J.; Ye, L.J.; Gao, J.J.; Xu, H. Field investigation and finite element analysis of landslide-triggering factors of a cut slope composed of granite residual soil: A case study of Chong Tou town, Lishui city, China. Sustainability 2023, 15, 6999. [Google Scholar] [CrossRef]
- Li, Q.; Wang, F.L.; Wang, Y.L.; Bai, B.J.; Zhang, J.Y.; Cao, L.L.; Sun, Q.; Wang, Y.; Forson, K. Adsorption behavior and mechanism analysis of siloxane thickener for CO2 fracturing fluid on shallow shale soil. J. Mol. Liq. 2023, 376, 121394. [Google Scholar] [CrossRef]
- Li, Q.C.; Zhao, D.F.; Yin, J.K.; Zhou, X.Y.; Li, Y.; Chi, P.; Han, Y.; Ansari, U.; Cheng, Y.F. Sediment instability caused by gas production from hydrate-bearing sediment in northern South China Sea by horizontal wellbore: Evolution and mechanism. Nat. Resour. Res. 2023, 32, 1595–1620. [Google Scholar] [CrossRef]
- Li, C.S.; Kong, L.W.; Shu, R.J.; An, R.; Zhang, X.W. Disintegration characteristics in granite residual soil and their relationship with the collapsing gully in South China. Open. Geosci. 2020, 12, 1116–1126. [Google Scholar] [CrossRef]
- Liu, W.P.; Song, X.Q.; Luo, J.; Hu, L.N. The processes and mechanisms of collapsing erosion for granite residual soil in southern China. J. Soil. Sediment 2020, 20, 992–1002. [Google Scholar] [CrossRef]
- Ze, Z.; Vadim, P.; Svetlana, N.; Zhang, Z.Q.; Wu, J.J. Disintegration characteristics of a cryolithogenic clay loam with different water content: Moscow covering loam (prQ(III)), case study. Eng. Geol. 2019, 258, 105159. [Google Scholar] [CrossRef]
- Zhang, X.W.; Liu, X.Y.; Chen, C.; Xu, Y.Q.; Liu, H.H. Evolution of disintegration properties of granite residual soil with microstructure alteration due to wetting and drying cycles. B Eng. Geol. Environ. 2022, 81, 93–107. [Google Scholar] [CrossRef]
- Liu, X.Y.; Zhang, X.W.; Kong, L.W.; Wang, G.; Lu, J.F. Disintegration of granite residual soils with varying degrees of weathering. Eng. Geol. 2022, 305, 106723. [Google Scholar] [CrossRef]
- Arkin, Y. Disintegration of marl slopes in Israel. Environ. Geol. Water. Sci. 1988, 11, 5–14. [Google Scholar] [CrossRef]
- Erguler, Z.A.; Ulusay, R. Assessment of physical disintegration characteristics of clay-bearing rocks: Disintegration index test and a new durability classification chart. Eng. Geol. 2009, 105, 11–19. [Google Scholar] [CrossRef]
- Sharma, K.; Kiyota, T.; Kyokawa, H. Effect of slaking on direct shear behaviour of crushed mudstones. Soils Found. 2017, 57, 288–300. [Google Scholar] [CrossRef]
- Wang, J.D.; Gu, T.F.; Zhang, M.S.; Xu, Y.J.; Kong, J.X. Experimental study of loess disintegration characteristics. Earth Surf. Proc. Land. 2019, 44, 1317–1329. [Google Scholar] [CrossRef]
- Gutierrez, N.H.M.; de Nobrega, M.T.; Vilar, O.M. Influence of the microstructure in the collapse of a residual clayey tropical soil. B. Eng. Geol. Environ. 2009, 68, 107–116. [Google Scholar] [CrossRef]
- Wu, N.S. A study on calving property and softening damage parameter of GRS. J. Hebei Inst. Archit. Sci. Technol. 2006, 23, 58–62. (In Chinese) [Google Scholar]
- Tang, S.B.; Li, J.M.; Ding, S.; Zhang, L.T. The influence of water-stress loading sequences on the creep behavior of granite. B Eng. Geol. Environ. 2022, 81, 482–496. [Google Scholar] [CrossRef]
- Tang, L.S.; Sang, H.T.; Hou, T.; Song, J.; Luo, Z.G.; Chen, H.K. Experimental study on tensile strength of granite residual soil. Acta Sci. Nat. Univ. Sunyatseni 2014, 53, 98–105. (In Chinese) [Google Scholar]
- Li, Q.C.; Han, Y.; Liu, X.; Ansari, U.; Cheng, Y.F.; Yan, C.L. Hydrate as a by-product in CO2 leakage during the long-term sub-seabed sequestration and its role in preventing further leakage. Environ. Sci. Pollut. R 2022, 29, 77737–77754. [Google Scholar] [CrossRef] [PubMed]
- Li, Q.; Wang, F.L.; Wang, Y.L.; Forson, K.; Cao, L.L.; Zhang, C.L.; Zhou, C.; Zhao, B.; Chen, J.S. Experimental investigation on the high-pressure sand suspension and adsorption capacity of guar gum fracturing fluid in low-permeability shale reservoirs: Factor analysis and mechanism disclosure. Environ. Sci. Pollut. R 2022, 29, 53050–53062. [Google Scholar] [CrossRef] [PubMed]
- Tang, L.S.; Sang, H.T.; Jiang, L.; Sun, Y.L. New progress in the study of intergranular suction and shear strength of unsaturated soil. Sains. Malays. 2016, 45, 141–156. [Google Scholar] [CrossRef]
- Tang, L.S.; Yan, B.; Zhang, P.C.; Zhang, Q.H. Definition and exploration for effective stress and related conception in unsaturated soil. Chin. J. Geotech. Eng. 2006, 28, 216–220. (In Chinese) [Google Scholar]
- Tang, L.S. New suggestion on shear strength in unsaturated soil based on suction between grains. Chin. J. Geotech. Eng. 2001, 23, 412–417. (In Chinese) [Google Scholar]
- Gardner, W.R. Some steady-state solutions of the unsaturated moisture flow equation with application to evaporation from a water table. Soil. Sci. 1958, 85, 228–232. [Google Scholar] [CrossRef]
- Van Genuchten, M.T. A closed-form equation for predicting the hydraulic conductivity for unsaturated soils. Soil. Sci. Soc. Am. J. 1980, 44, 892–898. [Google Scholar] [CrossRef]
- Fredlund, D.G.; Xing, A.Q. Equations for the soil-water characteristic curve. Can. Geotech. J. 1994, 31, 521–532. [Google Scholar] [CrossRef]
- Zhang, X.W.; Kong, L.W.; Cui, X.L.; Yin, S. Occurrence characteristics of free iron oxides in soil microstructure: Evidence from XRD, SEM and EDS. B Eng. Geol. Environ. 2016, 75, 1493–1503. [Google Scholar] [CrossRef]




















| Moisture Content /(%) | /(g/cm3) | Optimum Moisture Content /(%) | Maximum Dry Density /(g/cm3) | /% | /% | Particle Composition/% | ||||
|---|---|---|---|---|---|---|---|---|---|---|
| >0.25 mm | 0.075–0.25 mm | <0.075 mm | ||||||||
| 19.35 | 1.45 | 0.793 | 2.60 | 20.5 | 1.64 | 45.58 | 22.24 | 31.6 | 10.09 | 58.31 |
| Oxides | Al2O3 | Fe2O3 | K2O | MgO | P2O5 | SiO2 | TiO2 | Co3O4 | ZrO2 | CeO2 | NiO | CuO | SO3 | Rb2O | LOI |
|---|---|---|---|---|---|---|---|---|---|---|---|---|---|---|---|
| Content/% | 30.76 | 3.34 | 0.85 | 0.22 | 0.05 | 50.93 | 0.27 | 0.02 | 0.02 | 0.02 | 0.01 | 0.02 | 0.04 | 0.02 | 13.43 |
Disclaimer/Publisher’s Note: The statements, opinions and data contained in all publications are solely those of the individual author(s) and contributor(s) and not of MDPI and/or the editor(s). MDPI and/or the editor(s) disclaim responsibility for any injury to people or property resulting from any ideas, methods, instructions or products referred to in the content. |
© 2023 by the authors. Licensee MDPI, Basel, Switzerland. This article is an open access article distributed under the terms and conditions of the Creative Commons Attribution (CC BY) license (https://creativecommons.org/licenses/by/4.0/).
Share and Cite
Chen, Y.; Zhou, X.; Ai, X.; Zhou, M.; Zhao, Y.; Lan, Z. Disintegration Characteristics of Remolded Granite Residual Soil with Different Moisture Contents. Sustainability 2024, 16, 84. https://doi.org/10.3390/su16010084
Chen Y, Zhou X, Ai X, Zhou M, Zhao Y, Lan Z. Disintegration Characteristics of Remolded Granite Residual Soil with Different Moisture Contents. Sustainability. 2024; 16(1):84. https://doi.org/10.3390/su16010084
Chicago/Turabian StyleChen, Yicheng, Xiaowen Zhou, Xiaotao Ai, Mi Zhou, Yu Zhao, and Zexin Lan. 2024. "Disintegration Characteristics of Remolded Granite Residual Soil with Different Moisture Contents" Sustainability 16, no. 1: 84. https://doi.org/10.3390/su16010084
APA StyleChen, Y., Zhou, X., Ai, X., Zhou, M., Zhao, Y., & Lan, Z. (2024). Disintegration Characteristics of Remolded Granite Residual Soil with Different Moisture Contents. Sustainability, 16(1), 84. https://doi.org/10.3390/su16010084
