Next Article in Journal
Study of Settlement Patterns in Farming–Pastoral Zones in Eastern Inner Mongolia Using Planar Quantization and Cluster Analysis
Next Article in Special Issue
Study on the Dynamics Characteristics of HTS Maglev Train Considering the Aerodynamic Loads under Crosswinds
Previous Article in Journal
Building Participative E-Governance in Smart Cities: Moderating Role of Institutional and Technological Innovation
 
 
Font Type:
Arial Georgia Verdana
Font Size:
Aa Aa Aa
Line Spacing:
Column Width:
Background:
Article

Diamagnetic Screening in the Electromagnetic Turnout Switch for a High-Temperature Superconducting Maglev System

1
State Key Laboratory of Rail Transit Vehicle System, Southwest Jiaotong University, Chengdu 610031, China
2
The Department of “Traction Rolling Stock”, Russian University of Transport (RUT), Moscow 101000, Russia
*
Author to whom correspondence should be addressed.
Sustainability 2023, 15(20), 15076; https://doi.org/10.3390/su152015076
Submission received: 14 September 2023 / Revised: 7 October 2023 / Accepted: 10 October 2023 / Published: 19 October 2023

Abstract

:
Maglev systems represent a cutting-edge high-speed transport technology, and turnout switches play a critical role in the creation of a highly branched network. There are two common types of turnouts for high-temperature superconducting (HTS) Maglev systems: mechanical and electromagnetic. Due to the many advantages, an electromagnetic turnout is a better choice for a Maglev system than a mechanical one. However, there is a difference in the distribution of the magnetic field over the turnout area and the permanent magnetic track, which cannot meet the safety requirements of the Maglev system. This article proposes a modernized design of an electromagnetic switch based on previously proposed optimization solutions by placing a diamagnetic screen between two electromagnetic poles of an electromagnet, thereby reducing the scattering fluxes between them. The method of diamagnetic screening and experimental methodology are described in this article. The experiment was carried out using a three-dimensional magnetic field scanner to provide results on the distribution of the magnetic field and the increase in the magnetic induction value over the electromagnet poles. Thus, this article provides valuable suggestions for improving the design of the electromagnetic turnout of HTS Maglev systems. Moreover, the proposed method can be applied to any magnetic device or electric machine with an open magnetic circuit.

1. Introduction

Maglev systems have gained significant attention as a potential future transport system. Maglev technology utilizes magnetic fields to levitate and propel vehicles along a guideway, eliminating the need for traditional wheels and tracks. This method offers several advantages over conventional transportation systems, including higher speeds, smoother rides, and reduced maintenance requirements. For this reason, the Maglev system is now becoming a huge system that includes a large number of different applications. Despite the fact that tremendous progress has already been made in the development of the Maglev system [1,2,3,4,5,6,7], some of them still cannot be used in the real life due to shortcomings of the application itself. One such application is the turnout switch.
The turnout switch is an important application that allows for the creation of a highly branched Maglev system. Creating an appropriate turnout is necessary to ensure a quick transfer from one permanent magnet guideway (PMG) to another. Many scientists have been developing a turnout switch that will meet all the requirements of the Maglev system, and some schemes and working principles have already been proposed.
There are two types of turnout switches with different working principles: one of them is mechanical and another one is electromagnetic. The mechanical turnout switch has a traditional working principle of the railway turnout switch [8]. This type of turnout switch has a movable part that moves with the help of a rotary mechanism, thereby allowing for the Maglev train to move along different tracks. For this reason, mechanical turnouts are easier to implement in a real operation [9,10]. Some schemes of mechanical turnouts for HTS Maglev vehicles were suggested [11]. However, the mechanical turnout switches have some disadvantages, including the movable mechanism translation’s long duration, large working area and the side track’s low speed.
On the contrary, the electromagnetic turnout switch allows for the Maglev train to change the moving direction by changing the magnetic field distribution over the track with the electromagnet’s help in seconds. As a rule, there are no moving parts in the drive in the design of the electromagnetic turnout switch. Firstly, Beyer et al. [12,13] proposed the electromagnetic turnout. It was the electromagnetic turnout model for the unimodal magnetic rail, sized for demonstration purposes. Then, Espenhahn et al. [14] proposed the use of YBaCuO tape coils to replace a portion of the permanent magnets (PMs) in the turnout switch, aiming to increase the magnetic field while minimizing the required coil space. Then, Deng et al. [15] proposed a model of the electromagnetic turnout for the HTS Maglev system. HTS levitation offers several advantages over conventional levitation methods, such as strong levitation, high stability and precision, reduced friction, energy efficiency, and others [16,17,18,19]. The proposed electromagnetic turnout prototype for the HTS Maglev system represented a ‘Y’-shaped turnout model in which three electromagnets were substituted with permanent magnets. Thanks to the unique magnetic flux pinning properties of HTS bulks, the Maglev vehicle always moves along a uniform magnetic field. Thus, the operational concept of the electromagnetic turnout for the Halbach PMG was introduced, with significant focus on the development of the electromagnet as a pivotal component [15].
The choice of a turnout switch for the HTS Maglev system can be influenced by various factors, including safety, efficiency, and reliability. Electromagnetic turnout switches can be a suitable choice for HTS Maglev systems. However, the electromagnetic type of turnout still has differences in magnetic induction over the switch part of the turnout and the magnetic tracks, which are unacceptable for the operation of Maglev systems.
Some solutions to optimize the design of the electromagnet [15,20] have already been proposed and their effectiveness has been proven. However, the percentage improvement in the distribution of the magnetic field still does not satisfy the requirements of the uniformity of the magnetic field according to the Maglev system. This confirms the urgency for further improvement.
The purpose of the article is the magnification of magnetic induction over the poles of an electromagnet using diamagnetic screening. To achieve this, the relevance is shown (Section 1), known methods are considered (Section 2), the new method is explained (Section 3), an experiment was conducted, and the magnetic field was determined (Section 4). Additionally, a description, comparative results, and prospects are provided (Section 5). Placing a diamagnetic screen between the magnetic poles resulted in a significant increase in magnetic induction over the poles (11–40%), which represents one of the best-known results.

2. The Electromagnet Design for the Electromagnetic Turnout Switch

The electromagnet’s shape, design, and material for the ‘Y’-shaped turnout model have already been optimized and fabricated. Figure 1 shows the existing electromagnet with two magnetic poles.
The dimensions of the electromagnet are as follows: a height of 260 mm, a length of 20 mm, and a width of 180 mm. The existing electromagnet has four coils; the coil’s cross-section is 125 × 10 mm2. These coils are arranged in eight layers of 100 turns each, totaling 800 turns. The coils of the existing electromagnet are made of copper wire with a cross-sectional area of 1.3 mm2 connected in series and have a resistance of 4.6 Ω [15,20].
Moreover, it was proven that angling the magnetic poles by 5° and increasing the distance between the two magnetic poles can enhance the magnetic field distribution above them by up to 5% [15]. The operational concept of an electromagnetic turnout switch involves rapidly changing the train’s direction by adjusting the distribution of magnetic fluxes through the use of an electromagnet. However, one of the disadvantages of this switch is the significant scattering of fluxes between the two magnetic poles (Figure 2). The simulation was performed using the Ansys Maxwell 2022 R2 software package. Figure 3 displays the simulation results of magnetic induction components within the air gap above the magnetic poles of the existing electromagnet (IN = 16,000 A-turns).
To enhance the design of the electromagnetic turnout, a compensation coil was implemented to mitigate flux scattering [20]. The primary idea of this optimization was the insertion of a compensation coil between the two electromagnet’s poles. The optimization findings revealed that placing a compensation coil in the gap between the magnetic poles and augmenting its magnetomotive force can enhance the electromagnet’s performance. The efficiency of the compensation coil is contingent upon the magnetization mode and allows for an enhancement of magnetic field components by up to 22%. Nevertheless, a challenge arises when trying to achieve a substantial magnetomotive force of 16,000 A-turns for the compensation coil, primarily due to the limited space between the magnetic poles, which is only about 20 × 10 mm2.
To create the strongest magnetic field above the area of the switch, the use of a superconducting coil in the design of the electromagnetic turnout was suggested. In a superconducting electromagnet, the ohmic losses in the winding are minimal, as the current that creates the magnetic field flows mainly through the superconductor [21]. Therefore, such superconducting magnets can be a crucial element in magnetic structures to create permanent strong fields, such as in the electromagnetic turnout switch, and can be successfully used in practice.

3. The Optimization of the Electromagnet by Using a Diamagnetic Screen

The superconducting compensation coil [20] mainly comprises two functions: it can be a source of a magnetic field, and it can also be an ideal diamagnet after cooling it to low temperatures. In this article, the second function is considered, and the diamagnetic screening of magnetic poles is proposed.
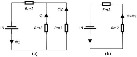
Consider the magnetic circuit of the simplest electromagnet with an open ferromagnetic core. Figure 4a shows a replacement circuit including a magnetic circuit with an air gap between the poles and a source of magnetomotive force IN. The generated magnetic flux Φ1 is divided into two parts. One part of the magnetic lines is closed through the poles of the magnetic circuit—the useful main magnetic flux Φ. The other part of Φ2 is closed through the air between the poles and partially through the magnetic circuit, forming a scattering flow. Rm1 represents the magnetic resistance of the magnetic circuit, while Rm2 denotes the magnetic resistance of the upper section, encompassing the magnetic poles and the air gap above them, and Rm3 signifies the magnetic resistance within the area between the magnetic poles.
The magnetic flux is calculated by integrating the normal vector of magnetic induction B through the surface S. Magnetic induction is proportional to the relative magnetic permeability of the medium μ and the magnetic field strength H.
Φ = ∫ B dS = 4·10−7μH dS
It can be noted that there are several ways to reduce the induction of the magnetic field in the air gap between the poles and the magnetic scattering flux flowing through a given surface—reducing the magnetic field strength and reducing the magnetic permeability of the medium. In an earlier suggested optimization design [15], a decrease in the magnetic field strength was achieved by increasing the distance between the two magnetic poles (the increase in the magnetic field over the poles was 5%). In this work, the magnetic permeability of the medium between the poles is reduced. Diamagnetic materials with a relative magnetic permeability of µ < 1 are suitable for this. Most diamagnets (0.99 < µ < 1) pass magnetic fields and differ little from air.
A diamagnetic screen should be made from a material that typically does not allow for magnetic field lines to pass through it (μ = 0). However, a superconductor is unique in that it can actually repel magnetic field lines, causing them to be pushed away from its surface. The magnetic field intensity vector on the surface of a superconductor is always oriented tangentially to its surface, and there is no component of the magnetic field vector perpendicular to the surface. As a result, the magnetic field lines always surround the superconducting body, regardless of its shape.
Figure 4a illustrates the initial circuit without a diamagnetic screen, and Figure 4b shows the replacement circuit of the electromagnet with a diamagnetic screen. The initial circuit without a diamagnetic screen (Figure 4a) is designed in accordance with the existing electromagnet’s configuration for the electromagnetic turnout switch, as shown in Figure 1. The coils of the magnetic circuit are located on ferromagnetic cores and create a magnetomotive force IN. The magnetic flux Φ1 produced by the electromagnet is divided into the useful flux Φ, magnetizing the region above the poles, and the scattering flux Φ2 between the poles. To diminish the magnetic flux Φ2, which arises due to scattering in the central section of the magnetic circuit, a suggestion is made to introduce a diamagnetic screen between the electromagnet’s magnetic poles. When using a diamagnetic screen, Rm3 >> Rm2, and Φ2 ≈ 0.
The equations of the magnetic flux in both the original and replacement circuits were formulated using the principles of the first Kirchhoff law. The magnetic flux equation for the electromagnet’s original circuit is as follows:
Φ = Φ1 − Φ2
The magnetic flux within the replacement circuit featuring a diamagnetic screen is as follows:
Φ = Φ1
It is evident that the utilization of a diamagnetic screen in the electromagnet leads to a noticeable increase in magnetic flux Φ. Figure 5 represents the existing electromagnet with a diamagnetic screen.
The insertion of a diamagnetic screen between the two magnetic poles of the electromagnet serves to eliminate the dispersion of magnetic field lines in the central section of the magnetic poles while substantially enhancing the magnetic field distribution in the zone above the magnetic poles (Figure 5).
The advantages of this method of optimizing the electromagnet are that only a narrow diamagnetic screen made from a superconductor is sufficient to eliminate scattering flows. The use of type-I superconductors in engineering is very limited due to the expensive cooling with liquid helium. Type-II superconductors do not require such low temperatures and can be cooled with liquid nitrogen. At the same time, the advantage of type-I superconductors is the fact that they have the properties of an ideal diamagnetic material with zero magnetic permeability. To cool the diamagnetic screen, it is placed in a ‘bath’ with refrigerant (the cooling bath is not shown in Figure 5).
Figure 6 shows the magnetic field distribution in the upper segment of the existing electromagnet’s magnetic circuit with a diamagnetic screen made of superconducting material (μ = 0) between the magnetic poles.
Figure 7 displays the simulation outcomes of the magnetic field distribution and a diagram illustrating the alterations in the internal current of a diamagnetic screen.
The average magnetic induction in the middle zone between electromagnetic poles of the electromagnet from scattering fluxes decreased by about 10 times. The average magnetic induction without a diamagnetic screen was 0.52 T; the average magnetic induction with a diamagnetic screen was 0.05 T.
Figure 8 displays the simulation outcome of magnetic induction components within the air gap above the magnetic poles of the magnetic circuit in the existing electromagnet, featuring a diamagnetic screen between the magnetic poles (IN = 16,000 A-turns).
After conducting the appropriate simulations, it was determined that the electromagnet with a diamagnetic screen placed between the magnetic poles experienced a 40% increase in performance in contrast to the initial magnetic circuit.
It should be noted that the type-II superconductors discovered nowadays, for example, YBaCuO, are not an ideal diamagnetic material. They are usually in a mixed state due to the content of impurities that increase the magnetic permeability (0 < µ < 1). In any case, the choice of a superconducting material is carried out taking into account a number of main factors: isotropic properties, parameters of the exit from the superconducting state, cost of production, availability, cost of maintenance and operation.
Using the model described above, the effect of the relative magnetic permeability of a diamagnetic screen placed between the poles on the performance of an electromagnet was established. The percentage change in the magnetic field over the poles from the relative magnetic permeability of the diamagnetic screen ΔBmag(μ) is shown in Figure 9.
The simulation results demonstrate that the use of a diamagnetic screen made of a superconducting material, whether it is type I or II, enhances the performance of the electromagnet. This enhancement is contingent upon the purity of the structure and the isotropy of the superconductor.
The efficiency of a diamagnetic screen can be easily explained through a simple example involving two permanent magnets and a superconductor. In this example, the circuit of an electromagnet with a diamagnetic screen between its magnetic poles can be considered equivalent to that of a permanent magnet circuit with a diamagnetic screen placed between the magnets.
Figure 10 illustrates the models depicting the scattering flows between the electromagnetic poles of an electromagnet and between the poles of permanent magnets.
This attraction will noticeably weaken if a superconductor, cooled with liquid nitrogen, is placed between two permanent magnets. Such a superconducting plate becomes an obstacle for magnetic vectors distributed around the superconductor.
Figure 11 shows a diamagnetic screen (superconducting) for the screening (redirection) of scattering streams. In this design, protrusions can be added to the magnets to redirect the magnetic flux to the upper portion. The diamagnetic screen (superconducting diamagnetic) cannot pass magnetic fluxes through itself, resulting in the redirection of the magnetic flux to the upper section of the screen. This process reduces the scattering fluxes in the middle section. Diamagnetic screening is an effective method for optimizing an electromagnet for an electromagnetic turnout switch, significantly improving the magnetic field’s distribution over the electromagnetic poles.
It should be noted that the described method of diamagnetic screening is universal and can be applied to various magnetic designs. The diamagnetic screening is illustrated by the example of the previously described electromagnet (Figure 12).
A diamagnetic screen supplements this electromagnet. A diamagnetic screen can be made from superconducting tape or ceramics. The tank is filled with refrigerant (liquid nitrogen), basically called a “cooling bath”. A diamagnetic screen, cooled by the refrigerant, goes into a superconducting state and does not allow magnetic field lines to pass through itself.
Thus, we notice that their attraction noticeably weakens when a cooled superconductor is placed between permanent magnets. This is due to the redirection of the magnetic flux along a longer trajectory. Therefore, with the help of a diamagnetic screen placed between the electromagnetic poles of an electromagnet, it is possible to significantly increase the magnitude of the magnetic induction above them.
Moreover, a one-piece superconducting screen is not a necessary condition for the manufacture of a diamagnetic screen, which may consist of several parts located in a refrigerant bath (Figure 13):
-
Joint (the smooth edge is shown in red for a tight fit);
-
Overlap (more convenient when collecting pieces).
To ensure the operability of the diamagnetic screening of the electromagnet, a series of experiments with a diamagnetic screen were carried out as well.

4. The Series of Experiments and Experiment Results

4.1. The First Experiment with a One-Piece Diamagnetic Screen

The experiment involving a superconducting plate placed in a plastic container between the magnetic poles of an existing electromagnet was conducted in two stages: without a diamagnetic screen at first, and then with a diamagnetic screen cooled by a low-temperature refrigerant, such as liquid nitrogen (with a boiling point of 77.4 K). The superconducting plate, measuring 25 × 25 × 2 mm3, was positioned inside a plastic container measuring 40 × 45 mm2. The supply current and voltage were set at 5 A and 22 V, respectively. The superconducting plate was cooled to its superconducting state using liquid nitrogen, and measurements were taken using a gaussmeter.
Firstly, magnetic field distribution readings were taken above the electromagnetic poles of the electromagnet—without a superconducting plate at first, and then with a cooled superconducting plate placed between the electromagnetic poles. These readings were recorded using a gaussmeter.
The magnetic induction values above the pole were as follows:
-
Without a diamagnetic screen, ranging from 128 to 135 units (mT);
-
With a diamagnetic screen, ranging from 147 to 148 units (mT).
Figure 14 shows the process of the experiment with a one-piece diamagnetic screen and a gaussmeter.
Therefore, the observed increase in the 9% to 15% range is not highly accurate. To improve the precision of the results, we have decided to conduct another experiment using a magnetic field scanner and a diamagnetic screen composed of two parts joined together. Based on the graph in Figure 9, it can be concluded that the average value of the relative magnetic permeability between the poles falls in the range of 0.24 to 0.36.

4.2. The Second Experiment Involved a Two-Piece Diamagnetic Screen Joined Together

In a repeated experiment, we used an electromagnet, two superconducting plates of 26 × 26 × 3 mm3 in size, a plastic container (cooling bath) of 40 × 45 mm2 in size, liquid nitrogen, a current source, and a magnetic field scanner. The two superconducting plates were connected “joint-to-joint”. The supply current and voltage were 4.91 A and 22.3 V, respectively.
As before, the experiment was carried out in two stages. Firstly, the distribution of the magnetic field over its poles was measured without a diamagnetic screen, then with a diamagnetic screen. The superconducting plate was brought to a superconducting state using liquid nitrogen. The values of the magnetic induction were taken using a three-dimensional magnetic field scanner. The values of the magnetic induction were taken at three heights above the electromagnetic poles of the electromagnet: 5 mm, 10 m, and 15 mm. All data were exported to an Excel spreadsheet.
The experimental setup with a diamagnetic screen is shown in Figure 15. The power supply readings during the experiment are shown in Figure 16.
The experimental data were processed and graphs of the components of the magnetic induction over the electromagnetic poles of the electromagnet at different heights were constructed.
Below are graphs depicting magnetic induction in the electromagnet’s air gap, both with and without a diamagnetic screen, at heights of 5, 10, and 15 mm (Figure 17, Figure 18 and Figure 19). The black lines represent magnetic induction components in the air gap above the electromagnet’s magnetic poles without a diamagnetic screen, while the red lines depict magnetic induction components in the air gap above the electromagnet’s magnetic poles with a diamagnetic screen.
An increase in magnetic induction of up to 11% was observed in the air gap above the electromagnetic poles with a diamagnetic screen. Based on the data in Figure 9, it can be concluded that the average relative magnetic permeability between the poles is approximately 0.3. Thus, the results of the experiments show an increase in the magnetic field above the magnetic poles and support the existing electromagnet’s ways of optimization.

5. Discussion of the Experiment Results

The experimental results differ slightly from the simulation results. A smaller increase in the magnetic induction above the magnetic poles of the electromagnet can be explained as follows:
-
HTS materials are not purely diamagnetic (HTS materials are capable of both strong diamagnetic effects and superconductivity. When an HTS material is cooled below its critical temperature, it enters a superconducting state and expels magnetic fields from its interior, leading to strong diamagnetic levitation forces).
-
The electromagnet has a decrepit design (if the electromagnet is worn out, its ability to generate a strong and consistent magnetic field may be compromised).
-
The structure of the superconductor material is imperfect (anisotropic) (because of which, there were large scattering fluxes both along the perimeter in the zone between the magnetic poles and along the perimeter of the superconducting plate—an imperfect diamagnetic screen can be a “sieve” that passes magnetic fluxes) (Figure 20).
-
The size of the plates do not fully overlap the zone between the magnetic poles of the electromagnet, meaning that the superconductor parts are loosely fitted to each other (this increases the magnetic scattering fluxes) (Figure 21).
-
The cooling bath has a small volume, from which liquid nitrogen quickly evaporates; additionally, some heating of the diamagnetic screen possibly occurs, meaning that there is a loss of superconducting properties.
The simulation provides “ideal conditions” for research (the properties of the diamagnetic screen during the simulation were taken as the properties of the “ideal diamagnet”).
The ways to improve the efficiency of diamagnetic screening are as follows:
-
Using a superconductor with isotropic properties;
-
Ensuring that the superconductor parts are tightly fitted to each other;
-
Employing a cooling bath with a larger volume to preserve more liquid nitrogen, thereby maintaining the superconducting state of the diamagnetic screen.
Nevertheless, an increase in the magnetic induction in the zone above the magnetic poles of the electromagnet was recorded, amounting to 11%. Currently, this stands as one of the most significant achievements in terms of increasing magnetic induction for electromagnet optimization, as confirmed through experimental verification. Thus, the validity of employing a diamagnetic screen has been experimentally confirmed and established. Moreover, this method can be applied to any magnetic device or electric machine with an open magnetic circuit.

6. Conclusions

This article introduces the optimization of the electromagnetic switch by incorporating a recent solution. The primary optimization method involves reducing magnetic field scattering fluxes between the poles of an electromagnet through the implementation of diamagnetic screening. The advantage of optimizing the electromagnet using this approach lies in its efficiency, as it requires only a slim superconducting diamagnetic screen to eliminate scattering flows. These flows are redirected upwards, significantly improving the distribution of the magnetic field over the magnetic poles of the electromagnet.
The article reviewed previous optimization methods and provided a detailed description of the optimization method using a diamagnetic screen. Simulations were conducted using the Ansys Maxwell 2022 R2 software package, and a series of experiments were carried out. The results were processed and analyzed for both current and modernized electromagnet designs, resulting in a significant increase in magnetic induction over the magnetic poles, ranging from 11% to 40%. It is worth noting that this result is the most impressive among all previous optimization methods. The article also comprehensively outlined the limitations and assumptions of this study. Furthermore, the impact of the relative magnetic permeability of the diamagnetic screen placed between the poles on the electromagnet’s performance was established. The simulation results indicate that utilizing a superconducting material of type I or II for the diamagnetic screen leads to improved electromagnet performance, contingent on the purity and isotropy of the superconductor’s structure.
These results demonstrate that the diamagnetic screen can effectively enhance the design of electromagnetic switches. Furthermore, this approach is applicable to magnetic devices and electric machines with an open magnetic circuit. Therefore, this article provides valuable insights for improving the design of HTS Maglev system’s electromagnetic turnouts. In the future, we plan to continue researching and enhancing magnetic systems with an open magnetic circuit. The development of the obtained results will involve a detailed selection of the properties and dimensions of the diamagnetic screen to match the specified operational parameters of the electromagnetic switch in the Maglev system.

Author Contributions

Conceptualization, A.A.G., C.P., V.O.K. and H.L. (Hao Lu); methodology, all authors; formal analysis, A.A.G.; data curation, all authors; writing—original draft preparation, all authors; writing—review and editing, all authors; visualization, A.A.G. All authors have read and agreed to the published version of the manuscript.

Funding

This research received no external funding.

Institutional Review Board Statement

Not applicable.

Informed Consent Statement

Not applicable.

Data Availability Statement

Not applicable.

Acknowledgments

The authors would like to acknowledge the generous support provided by the China Scholarship Council (CSC) through the CSC scholarship. The authors extend deepest gratitude to the entire CSC team and the Scholarship Committee for their dedication to promoting educational opportunities and fostering international collaboration.

Conflicts of Interest

The authors declare no conflict of interest.

References

  1. Brandt, E.H. Friction in levitated superconductors. Appl. Phys. Lett. 1998, 53, 1554–1556. [Google Scholar] [CrossRef]
  2. Ono, M.; Koga, S.; Ohtsuki, H. Japan’s superconducting Maglev train. IEEE Instrum. Meas. Mag. 2002, 5, 9–15. [Google Scholar] [CrossRef]
  3. Schultz, L.; de Haas, O.; Verges, P.; Beyer, C.; Rohlig, S.; Olsen, H.; Kuhn, L.; Berger, D.; Noteboom, U.; Funk, U. Superconductively levitated transport system—The SupraTrans project. IEEE Trans. Appl. Supercond. 2005, 15, 2301–2305. [Google Scholar] [CrossRef]
  4. Sotelo, G.G.; Oliveira, R.D.; Costa, F.S.; Dias, D.; Andrade, R.D.; Stephan, R.M. A full scale superconducting magnetic levitation (MagLev) vehicle operational line. IEEE Trans. Appl. Supercond. 2005, 25, 6957564. [Google Scholar] [CrossRef]
  5. Mattos, L.S.; Rodriguez, E.; Costa, F.; Sotelo, G.G.; de Andrade, R.; Stephan, R.M. MagLev-Cobra Operational Tests. IEEE Trans. Appl. Supercond. 2016, 26, 3600704. [Google Scholar] [CrossRef]
  6. D’Ovidio, G.; Crisi, F.; Lanzara, G. A ‘V’ shaped superconducting levitation module for lift and guidance of a magnetic transportation system. Phys. C Supercond. Its Appl. 2008, 468, 1036–1040. [Google Scholar] [CrossRef]
  7. Yan, L. Development and Application of the Maglev Transportation System. IEEE Trans. Appl. Supercond. 2008, 28, 92–99. [Google Scholar]
  8. Plsson, B.; Nielsen, J.C.O. Design optimization of switch rails in railway turnouts. Veh. Syst. Dyn. 2013, 51, 1619–1639. [Google Scholar] [CrossRef]
  9. Li, M.; Gao, D.G.; Li, T.; Luo, S.H.; Ma, W.H.; Chen, X.H. Experimental investigation on vibration characteristics of the medium–low-speed maglev vehicle–turnout coupled system. Rail. Eng. Sci. 2022, 30, 242–261. [Google Scholar]
  10. Wang, S.M.; Zhu, Q.; Ni, Y.Q.; Junqi Xu, J.Q.; Chen, F. Dynamic Performance of Low- and Medium-Speed Maglev Train Running on the Turnout. Mechatron. Intell Transp. Syst. 2023, 2, 32–41. [Google Scholar] [CrossRef]
  11. Lu, Y.; Dang, Q. Design of a novel single-angle inclination HTS MagLev train PMG turnout. Iran. J. Sci. Technol. 2018, 43, 507–516. [Google Scholar] [CrossRef]
  12. Beyer, C.; de Haas, O.; Kuehn, L.; Schultz, L. A turnout switch for a superconductively levitated linear transport system. IEEE Trans. Appl. Supercond. 2007, 17, 2129–2132. [Google Scholar] [CrossRef]
  13. Beyer, C.; de Haas, O.; Verges, P.; Schultz, L. Guideway and turnout Switch for the SupraTrans project. J. Phys. Conf. Ser. 2006, 4, 991–994. [Google Scholar] [CrossRef]
  14. Espenhahn, T.; Berger, D.; Hameister, S.; Huhne, R.; Schultz, L.; Nielsch, K. Design and validation of switchable tracks for superconducting levitation systems. IEEE Trans. Appl. Supercond. 2017, 27, 3600605. [Google Scholar]
  15. Li, Y.; Zheng, J.; Li, J.; Zhang, J.; Zhang, Y.; Deng, Z. Design optimization and experimental verification of an electromagnetic turnout for the superconducting MagLev system. IEEE Trans. Appl. Supercond. 2018, 28, 3600405. [Google Scholar] [CrossRef]
  16. Hellman, F.; Gyorgy, E.M.; Johnson, D.W.; O’Bryan, H.M.; Sherwood, R.C. Levitation of a magnet over a flat type II superconductor. J. Appl. Phys. 1988, 63, 447–450. [Google Scholar]
  17. Cha, Y.S.; Hull, J.R.; Mulcahy, T.M.; Rossing, T.D. Effect of size and geometry on levitation force measurements between permanent magnets and high-temperature superconductors. J. Appl. Phys. 1991, 70, 6504–6506. [Google Scholar] [CrossRef]
  18. Peinberger, B.R. Further studies of magnetic levitation using high temperature superconductors. Appl. Supercond. 1994, 2, 511–521. [Google Scholar]
  19. Chu, W.K.; Ma, K.B.; McMichael, C.K.; Lamb, M.A. Applications of high temperature superconductors on levitation bearings and other levitation devices. Appl. Supercond. 1993, 1, 1259–1264. [Google Scholar] [CrossRef]
  20. Gerasimenko, A.A.; Li, H.; Korchagin, V.O.; Peng, C.; Wang, X.; Deng, Z. Design Optimization of the Electromagnetic Turnout by Using a Compensation Coil. IEEE Trans. Appl. Supercond. 2021, 31, 3800504. [Google Scholar]
  21. Du, J.; Wu, W.; Wu, X.; Zhang, G.; Zhao, Y.; Xiao, M. Persistent current effects in highly homogeneous superconducting magnets. Phys. C 2022, 599, 1354094. [Google Scholar] [CrossRef]
Figure 1. Existing electromagnet components for the electromagnetic turnout switch include: 1—magnetic circuit, 2—coils (the section is created utilizing an XZ plane of symmetry) [15,20].
Figure 1. Existing electromagnet components for the electromagnetic turnout switch include: 1—magnetic circuit, 2—coils (the section is created utilizing an XZ plane of symmetry) [15,20].
Sustainability 15 15076 g001
Figure 2. Magnetic field distribution in the upper segment of the magnetic circuit of the existing electromagnet without a diamagnetic screen between the two magnetic poles.
Figure 2. Magnetic field distribution in the upper segment of the magnetic circuit of the existing electromagnet without a diamagnetic screen between the two magnetic poles.
Sustainability 15 15076 g002
Figure 3. The simulation outcome for magnetic induction components in the air gap above the electromagnet’s magnetic poles without a diamagnetic screen: Bx represents the horizontal induction component, |Bz| denotes the vertical induction component, and Bmag signifies the overall magnetic induction.
Figure 3. The simulation outcome for magnetic induction components in the air gap above the electromagnet’s magnetic poles without a diamagnetic screen: Bx represents the horizontal induction component, |Bz| denotes the vertical induction component, and Bmag signifies the overall magnetic induction.
Sustainability 15 15076 g003
Figure 4. (a) The original circuit for the electromagnet, excluding a diamagnetic screen; (b) the replacement circuit for the electromagnet, featuring a diamagnetic screen; IN represents magnetomotive force; Rm1, Rm2, Rm3 signify the magnetic resistance of the magnetic circuit; Φ, Φ1, Φ2 denote the magnetic flux.
Figure 4. (a) The original circuit for the electromagnet, excluding a diamagnetic screen; (b) the replacement circuit for the electromagnet, featuring a diamagnetic screen; IN represents magnetomotive force; Rm1, Rm2, Rm3 signify the magnetic resistance of the magnetic circuit; Φ, Φ1, Φ2 denote the magnetic flux.
Sustainability 15 15076 g004
Figure 5. Existing electromagnet with a diamagnetic screen between the two magnetic poles.
Figure 5. Existing electromagnet with a diamagnetic screen between the two magnetic poles.
Sustainability 15 15076 g005
Figure 6. Magnetic field distribution in the upper segment of the existing electromagnet’s magnetic circuit with a diamagnetic screen between magnetic poles.
Figure 6. Magnetic field distribution in the upper segment of the existing electromagnet’s magnetic circuit with a diamagnetic screen between magnetic poles.
Sustainability 15 15076 g006
Figure 7. (a) The magnetic field distribution of a diamagnetic screen; (b) diagram of the changes in the internal current of a diamagnetic screen.
Figure 7. (a) The magnetic field distribution of a diamagnetic screen; (b) diagram of the changes in the internal current of a diamagnetic screen.
Sustainability 15 15076 g007
Figure 8. The simulation outcome for magnetic induction components in the air gap above the electromagnet’s magnetic poles, with a diamagnetic screen, includes Bx representing the horizontal induction component, |Bz| signifying the vertical induction component, and Bmag denoting the overall magnetic induction.
Figure 8. The simulation outcome for magnetic induction components in the air gap above the electromagnet’s magnetic poles, with a diamagnetic screen, includes Bx representing the horizontal induction component, |Bz| signifying the vertical induction component, and Bmag denoting the overall magnetic induction.
Sustainability 15 15076 g008
Figure 9. The percentage change in the magnetic field above the poles from the relative magnetic permeability of the diamagnetic screen placed between the poles.
Figure 9. The percentage change in the magnetic field above the poles from the relative magnetic permeability of the diamagnetic screen placed between the poles.
Sustainability 15 15076 g009
Figure 10. (a) Model of the scattering flows between the poles using permanent magnets; (b) the main (working) flows and scattering flows between two electromagnetic poles of the electromagnet.
Figure 10. (a) Model of the scattering flows between the poles using permanent magnets; (b) the main (working) flows and scattering flows between two electromagnetic poles of the electromagnet.
Sustainability 15 15076 g010
Figure 11. Screening (redirection) of the scattering flows by a diamagnetic screen (superconducting) (a) between two permanent magnets, and (b) between two electromagnetic poles of the electromagnet.
Figure 11. Screening (redirection) of the scattering flows by a diamagnetic screen (superconducting) (a) between two permanent magnets, and (b) between two electromagnetic poles of the electromagnet.
Sustainability 15 15076 g011
Figure 12. The experimental setup with a diamagnetic screen: 1—magnetic circuit, 2—coils, 3—magnetic poles, 4—plastic container (cooling bath), 5—diamagnetic screen.
Figure 12. The experimental setup with a diamagnetic screen: 1—magnetic circuit, 2—coils, 3—magnetic poles, 4—plastic container (cooling bath), 5—diamagnetic screen.
Sustainability 15 15076 g012
Figure 13. Two options for assembling a diamagnetic screen from small-sized elements (dark orange and light orange—small-sized elements superconducting; gray—bath with refrigerant): (a) joint, (b) overlap.
Figure 13. Two options for assembling a diamagnetic screen from small-sized elements (dark orange and light orange—small-sized elements superconducting; gray—bath with refrigerant): (a) joint, (b) overlap.
Sustainability 15 15076 g013
Figure 14. The experiment to optimize the existing electromagnet using a diamagnetic screen involved measurements conducted with a gaussmeter. The experiment consisted of two phases: (a) the electromagnet without a diamagnetic screen between magnetic poles; (b) the electromagnet with a diamagnetic screen between magnetic poles.
Figure 14. The experiment to optimize the existing electromagnet using a diamagnetic screen involved measurements conducted with a gaussmeter. The experiment consisted of two phases: (a) the electromagnet without a diamagnetic screen between magnetic poles; (b) the electromagnet with a diamagnetic screen between magnetic poles.
Sustainability 15 15076 g014
Figure 15. (a) Experimental setup with a magnetic field scanner for the electromagnet’s diamagnetic screening experiment; (b) side view of the electromagnet setup with a diamagnetic screen.
Figure 15. (a) Experimental setup with a magnetic field scanner for the electromagnet’s diamagnetic screening experiment; (b) side view of the electromagnet setup with a diamagnetic screen.
Sustainability 15 15076 g015
Figure 16. The power supply readings during the experiment.
Figure 16. The power supply readings during the experiment.
Sustainability 15 15076 g016
Figure 17. The magnetic induction component graph at 5 mm above the magnetic poles, both with and without a diamagnetic screen.
Figure 17. The magnetic induction component graph at 5 mm above the magnetic poles, both with and without a diamagnetic screen.
Sustainability 15 15076 g017
Figure 18. The magnetic induction component graph at 10 mm above the magnetic poles, both with and without a diamagnetic screen.
Figure 18. The magnetic induction component graph at 10 mm above the magnetic poles, both with and without a diamagnetic screen.
Sustainability 15 15076 g018
Figure 19. The magnetic induction component graph at 15 mm above the magnetic poles, both with and without a diamagnetic screen.
Figure 19. The magnetic induction component graph at 15 mm above the magnetic poles, both with and without a diamagnetic screen.
Sustainability 15 15076 g019
Figure 20. Enlarged photo of one part of the superconductor that was used in the experiment.
Figure 20. Enlarged photo of one part of the superconductor that was used in the experiment.
Sustainability 15 15076 g020
Figure 21. Enlarged photo of a cooling bath with a diamagnetic screen; some loose fittings of the superconductor parts can be seen.
Figure 21. Enlarged photo of a cooling bath with a diamagnetic screen; some loose fittings of the superconductor parts can be seen.
Sustainability 15 15076 g021
Disclaimer/Publisher’s Note: The statements, opinions and data contained in all publications are solely those of the individual author(s) and contributor(s) and not of MDPI and/or the editor(s). MDPI and/or the editor(s) disclaim responsibility for any injury to people or property resulting from any ideas, methods, instructions or products referred to in the content.

Share and Cite

MDPI and ACS Style

Gerasimenko, A.A.; Peng, C.; Lu, H.; Korchagin, V.O.; Zhang, X.; Li, H.; Deng, Z. Diamagnetic Screening in the Electromagnetic Turnout Switch for a High-Temperature Superconducting Maglev System. Sustainability 2023, 15, 15076. https://doi.org/10.3390/su152015076

AMA Style

Gerasimenko AA, Peng C, Lu H, Korchagin VO, Zhang X, Li H, Deng Z. Diamagnetic Screening in the Electromagnetic Turnout Switch for a High-Temperature Superconducting Maglev System. Sustainability. 2023; 15(20):15076. https://doi.org/10.3390/su152015076

Chicago/Turabian Style

Gerasimenko, Anastasiia A., Can Peng, Hao Lu, Vadim O. Korchagin, Xiwen Zhang, Haitao Li, and Zigang Deng. 2023. "Diamagnetic Screening in the Electromagnetic Turnout Switch for a High-Temperature Superconducting Maglev System" Sustainability 15, no. 20: 15076. https://doi.org/10.3390/su152015076

APA Style

Gerasimenko, A. A., Peng, C., Lu, H., Korchagin, V. O., Zhang, X., Li, H., & Deng, Z. (2023). Diamagnetic Screening in the Electromagnetic Turnout Switch for a High-Temperature Superconducting Maglev System. Sustainability, 15(20), 15076. https://doi.org/10.3390/su152015076

Note that from the first issue of 2016, this journal uses article numbers instead of page numbers. See further details here.

Article Metrics

Back to TopTop