Intelligent RBF-Fuzzy Controller Based Non-Isolated DC-DC Multi-Port Converter for Renewable Energy Applications
Abstract
1. Introduction
- Approximately three power switches are required to obtain power transmitting between the input, battery, and load port.
- The common ground between the input, battery, and load port increases reliability.
- A greater gain with a single-coupled inductor is achievable without using an excessively high duty cycle.
- To reduce the main power switch’s voltage spike, leakage inductance can be recycled via the intermediate capacitor circuit.
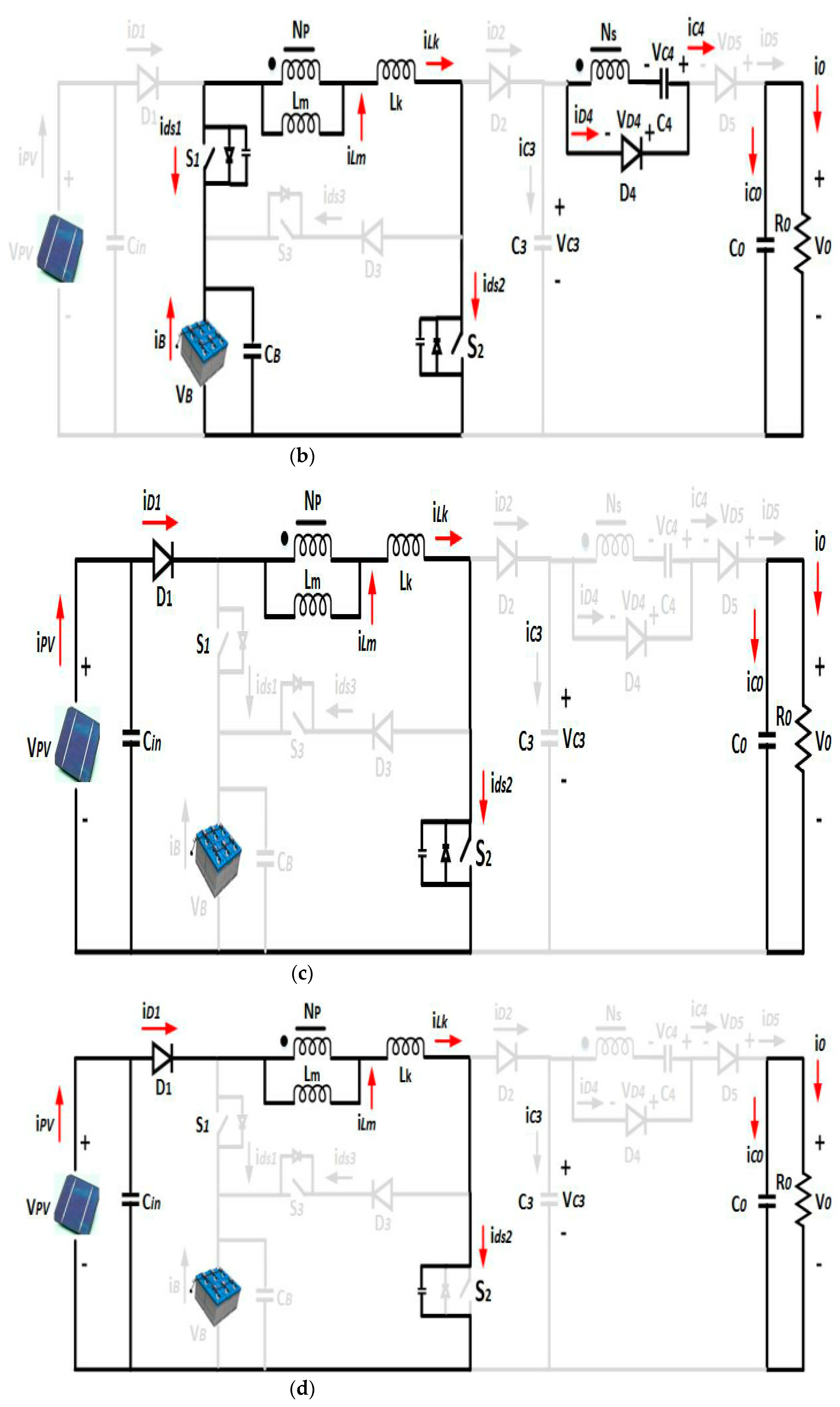
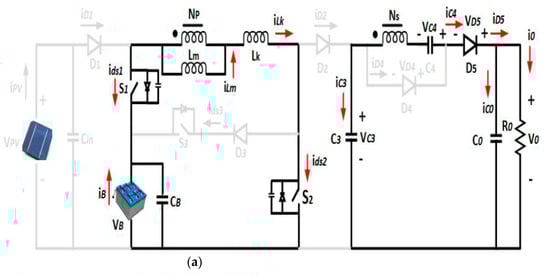
2. Proposed Converter
- Continuous conduction mode (CCM) operation is used to maintain the non-isolated multi-port converter at a steady state.
- All semiconductor devices are recognized as ideal except for body diodes and MOSFET output capacitance.
- The coupled inductor turn ratio is described as Np:NS = 1:n.
- In one switching cycle, VPV, VB, VC3, VC4, and VCo can be regarded as fixed voltages due to the large capacitors of Cin, CB, C3, C4, and C0.
Operating Principle of the Proposed Converter
3. Design Considerations
3.1. Capacitor Design
3.2. Coupled Inductor Design
3.3. Semiconductor Voltage Stresses
4. Design of PV Control
5. Variable Step Size ANN-MPPT Algorithms
6. Proposed VSS-RBFN-Based Fuzzy Logic Controller
7. Experimental Results
8. Power Loss and Efficiency Calculation
8.1. Switch Loss
8.2. Diode Losses
8.3. Inductor Losses
8.4. Capacitor Losses
9. Conclusions
Author Contributions
Funding
Institutional Review Board Statement
Informed Consent Statement
Data Availability Statement
Acknowledgments
Conflicts of Interest
References
- Raghavendra, K.V.G.; Zeb, K.; Muthusamy, A.; Krishna, T.N.V.; Kumar, S.V.P.; Kim, D.H.; Kim, H.J. A comprehensive review of DC–DC converter topologies and modulation strategies with recent advances in solar photovoltaic systems. Electronics 2019, 9, 31. [Google Scholar] [CrossRef]
- Alghaythi, M.L.; O’Connell, R.M.; Islam, N.E.; Khan, M.M.S.; Guerrero, J.M. A high step-up interleaved DC-DC converter with voltage multiplier and coupled inductors for renewable energy systems. IEEE Access 2020, 8, 123165–123174. [Google Scholar] [CrossRef]
- Affam, A.; Buswig, Y.M.; Othman, A.K.B.H.; Julai, N.B.; Qays, O. A review of multiple input DC-DC converter topologies linked with hybrid electric vehicles and renewable energy systems. Renew. Sustain. Energy Rev. 2021, 135, 110186. [Google Scholar] [CrossRef]
- Bharathidasan, M.; Indragandhi, V.; Suresh, V.; Jasiński, M.; Leonowicz, Z. A review on electric vehicle: Technologies, energy trading, and cyber security. Energy Rep. 2022, 8, 9662–9685. [Google Scholar] [CrossRef]
- Siddique, M.D.; Ali, J.S.M.; Mekhilef, S.; Mustafa, A.; Sandeep, N.; Almakhles, D. Reduced switch count based single source 7L boost inverter topology. IEEE Trans. Circuits Syst. II Express Briefs 2020, 67, 3252–3256. [Google Scholar] [CrossRef]
- Arun, V.; Kannan, R.; Ramesh, S.; Vijayakumar, M.; Raghavendran, P.S.; Siva Ram, M.; Anbarasu, P.; Sundramurthy, V.P. Review on Li-Ion Battery vs Nickel Metal Hydride Battery in EV. Adv. Mater. Sci. Eng. 2022, 2022, 7910072. [Google Scholar] [CrossRef]
- Wang, Z.; Luo, Q.; Wei, Y.; Mou, D.; Lu, X.; Sun, P. Topology analysis and review of three-port DC–DC converters. IEEE Trans. Power Electron. 2020, 35, 11783–11800. [Google Scholar] [CrossRef]
- Tseng, K.C.; Chang, S.Y.; Cheng, C.A. Novel isolated bidirectional interleaved converter for renewable energy applications. IEEE Trans. Ind. Electron. 2020, 66, 9278–9287. [Google Scholar] [CrossRef]
- Ishraque, M.F.; Rahman, A.; Shezan, S.; Muyeen, S. Grid Connected Microgrid Optimization and Control for a Coastal Island in the Indian Ocean. Sustainability 2022, 14, 16697. [Google Scholar] [CrossRef]
- Ishraque, M.F.; Rahman, A.; Shezan, S.A.; Shafiullah, G. Operation and Assessment of a Microgrid for Maldives: Islanded and Grid-Tied Mode. Sustainability 2022, 14, 15504. [Google Scholar] [CrossRef]
- Sarker, S.K.; Uddin, M.; Tania, M.; Das, S.; Ishraque, M.; Shezan, S.A. A new decentralized two-stage multi-objective control of secondary network driven hybrid microgrid under variable generation and load conditions. Energy Rep. 2022, 8, 14154–14169. [Google Scholar] [CrossRef]
- Shezan, S.A.; Ishraque, M.F.; Muyeen, S.M.; Abu-Siada, A.; Saidur, R.; Ali, M.M.; Rashid, M.M. Selection of the best dispatch strategy considering techno-economic and system stability analysis with optimal sizing. Energy Strategy Rev. 2022, 43, 100923. [Google Scholar] [CrossRef]
- Shezan, S.A.; Kamwa, I.; Ishraque, M.F.; Muyeen, S.M.; Hasan, K.N.; Saidur, R.; Rizvi, S.M.; Shafiullah, M.; Al-Sulaiman, F.A. Evaluation of Different Optimization Techniques and Control Strategies of Hybrid Microgrid: A Review. Energies 2023, 16, 1792. [Google Scholar] [CrossRef]
- Rajesh, R.; Karthik, R.; Elango, K. Grid-Connected Hybrid Based Multi-Input Transformer-Coupled Bidirectional DC-DC Converter. i-Manag. J. Power Syst. Eng. 2021, 9, 20. [Google Scholar] [CrossRef]
- Tang, S.; Shelden, D.R.; Eastman, C.M.; Pishdad-Bozorgi, P.; Gao, X. A review of building information modeling (BIM) and the internet of things (IoT) devices integration: Present status and future trends. Autom. Constr. 2019, 101, 127–139. [Google Scholar] [CrossRef]
- Dong, Z.; Li, Z.; Li, X.L.; Chi, K.T.; Zhang, Z. Single-inductor multiple-input multiple-output converter with common ground, high scalability, and no cross-regulation. IEEE Trans. Power Electron. 2020, 36, 6750–6760. [Google Scholar] [CrossRef]
- Ashokkumar, R.; Suresh, M.; Sharmila, B.; Panchal, H.; Gokul, C.; Udhayanatchi, K.V.; Israr, M. A novel method for Arduino based electric vehicle emulator. Int. J. Ambient Energy 2022, 43, 4299–4304. [Google Scholar] [CrossRef]
- Sheela, A.; Suresh, M.; Shankar, V.G.; Panchal, H.; Priya, V.; Atshaya, M.; Dharaskar, S. FEA based analysis and design of PMSM for electric vehicle applications using magnet software. Int. J. Ambient Energy 2022, 43, 2742–2747. [Google Scholar] [CrossRef]
- Aljafari, B.; Ramu, S.K.; Devarajan, G.; Vairavasundaram, I. Integration of photovoltaic-based transformerless high step-up dual-output–dual-input converter with low power losses for energy storage applications. Energies 2022, 15, 5559. [Google Scholar] [CrossRef]
- Kumar, A.; Wang, Y.; Pan, X.; Xiong, X.; Reza, M.M.; Al Jaafari, K. Modified a-source converter operating at lower voltage stress. IEEE Access 2019, 7, 179670–179678. [Google Scholar] [CrossRef]
- Abbasi Aghdam Meinagh, F.; Yuan, J.; Yang, Y. Analysis and design of a high voltage gain quasi Z-source DC–DC converter. IET Power Electron. 2019, 13, 1837–1847. [Google Scholar] [CrossRef]
- Mizani, A.; Ansari, S.A.; Shoulaie, A.; Davidson, J.N.; Foster, M.P. Single-active switch high voltage gain DC–DC converter using a non-coupled inductor. IET Power Electron. 2021, 14, 492–502. [Google Scholar] [CrossRef]
- Rahimi, R.; Habibi, S.; Shamsi, P.; Ferdowsi, M. A High Step-Up Z-Source DC-DC Converter for Integration of Photovoltaic Panels into DC Microgrid. In Proceedings of the 2021 IEEE Applied Power Electronics Conference and Exposition (APEC), Phoenix, AZ, USA, 14–17 June 2021; pp. 1416–1420. [Google Scholar]
- HoseinzadehLish, M.; Ebrahimi, R.; MadadiKojabadi, H.; Guerrero, J.M.; NouraniEsfetanaj, N.; Chang, L. Novel high gain DC–DC converter based on coupled inductor and diode capacitor techniques with leakage inductance effects. IET Power Electron. 2020, 13, 2380–2389. [Google Scholar] [CrossRef]
- Deng, J.; Wang, H.; Shang, M. A ZVS three-port DC/DC converter for high-voltage bus-based photovoltaic systems. IEEE Trans. Power Electron. 2019, 34, 10688–10699. [Google Scholar] [CrossRef]
- Wu, Y.E.; Hsu, K.C. Novel three-port bidirectional DC/DC converter with three-winding coupled inductor for photovoltaic system. Energies 2020, 13, 1132. [Google Scholar] [CrossRef]
- Faraji, R.; Farzanehfard, H.; Esteki, M.; Khajehoddin, S.A. A lossless passive snubber circuit for three-port DC–DC converter. IEEE J. Emerg. Sel. Top. Power Electron. 2020, 9, 1905–1914. [Google Scholar] [CrossRef]
- Al-Soeidat, M.R.; Aljarajreh, H.; Khawaldeh, H.A.; Lu, D.D.C.; Zhu, J. A reconfigurable three-port DC–DC converter for integrated PV-battery system. IEEE J. Emerg. Sel. Top. Power Electron. 2019, 8, 3423–3433. [Google Scholar] [CrossRef]
- Rostami, S.; Abbasi, V.; Talebi, N.; Kerekes, T. Three-port DC–DC converter based on quadratic boost converter for stand-alone PV/battery systems. IET Power Electron. 2020, 13, 2106–2118. [Google Scholar] [CrossRef]
- Jalilzadeh, T.; Rostami, N.; Babaei, E.; Hosseini, S.H. Multiport DC–DC converter with step-up capability and reduced voltage stress on switches/diodes. IEEE Trans. Power Electron. 2020, 35, 11902–11915. [Google Scholar] [CrossRef]
- Kim, S.; Nam, H.T.; Cha, H.; Kim, H.G. Investigation of self-output voltage balancing in input-parallel output-series DC–DC converter. IEEE J. Emerg. Sel. Top. Power Electron. 2019, 8, 2850–2860. [Google Scholar] [CrossRef]
- Almutairi, A.; Sayed, K.; Albagami, N.; Abo-Khalil, A.G.; Saleeb, H. Multi-Port PWM DC-DC Power Converter for Renewable Energy Applications. Energies 2021, 14, 3490. [Google Scholar] [CrossRef]
- Li, X.L.; Dong, Z.; Chi, K.T.; Lu, D.D.C. Single-inductor multi-input multi-output DC–DC converter with high flexibility and simple control. IEEE Trans. Power Electron. 2020, 35, 13104–13114. [Google Scholar] [CrossRef]
- Elshora, A.; Elsayed, Y.; Gabbar, H.A. Modular Bidirectional Converter with Multiple Power Sources for Fast Charging of Electric Vehicles. In Proceedings of the 2021 IEEE 9th International Conference on Smart Energy Grid Engineering (SEGE), Oshawa, ON, Canada, 11–13 August 2021; pp. 141–146. [Google Scholar]
- Shoaei, A.; Abbaszadeh, K.; Allahyari, H. A Single-Inductor Multi-Input Multi-Level High Step-Up DC-DC Converter Based on Switched-Diode-Capacitor Cells for PV Applications. IEEE J. Emerg. Sel. Top. Ind. Electron. 2023, 4, 18–27. [Google Scholar] [CrossRef]
- Faraji, R.; Adib, E.; Farzanehfard, H. Soft-switched non-isolated high step-up multi-port DC-DC converter for hybrid energy system with minimum number of switches. Int. J. Electr. Power Energy Syst. 2019, 106, 511–519. [Google Scholar] [CrossRef]
- Faraji, R.; Farzanehfard, H. Fully soft-switched multiport DC–DC converter with high integration. IEEE Trans. Power Electron. 2020, 36, 1901–1908. [Google Scholar] [CrossRef]
- Bhattacharjee, A.K.; Kutkut, N.; Batarseh, I. Review of multiport converters for solar and energy storage integration. IEEE Trans. Power Electron. 2018, 34, 1431–1445. [Google Scholar] [CrossRef]
- Arif, M.; Shahzad, M.; Li, Q.; Saleem, J.; Aslam, M.S.; Majid, A. Single Magnetic Element-Based High Step-Up Converter for Energy Storage and Photovoltaic System with Reduced Device Count. Complexity 2020, 2020, 5892190. [Google Scholar] [CrossRef]
- Mirlohi, S.H.; Yazdani, M.R.; Adib, E.; Amini, M.R. Non-isolated high step-up dual input DC-DC converter with zero voltage transition. Int. J. Circuit Theory Appl. 2020, 48, 762–776. [Google Scholar] [CrossRef]
- Jalilzadeh, T.; Rostami, N.; Babaei, E.; Maalandish, M. Ultra-step-up dc–dc converter with low-voltage stress on devices. IET Power Electron. 2019, 12, 345–357. [Google Scholar] [CrossRef]
- Moury, S.; Lam, J. A soft-switched, multiport photovoltaic power optimizer with integrated storage interface and output voltage regulation. IEEE Trans. Ind. Electron. 2020, 68, 3917–3927. [Google Scholar] [CrossRef]
- Saadatizadeh, Z.; ChavoshipourHeris, P.; Babaei, E.; Blaabjerg, F.; Cecati, C. SIDO coupled inductor-based high voltage conversion ratio DC–DC converter with three operations. IET Power Electron. 2021, 14, 1735–1752. [Google Scholar] [CrossRef]
- Dhananjaya, M.; Pattnaik, S. Design and implementation of a SIMO DC–DC converter. IET Power Electron. 2019, 12, 1868–1879. [Google Scholar] [CrossRef]
- Narayanaswamy, J.; Mandava, S. Non-Isolated Multiport Converter for Renewable Energy Sources: A Comprehensive Review. Energies 2023, 16, 1834. [Google Scholar] [CrossRef]
- Varaprasad, M.V.; Ramakrishna, N.S.S.; Kamwa, I.; Venkatesan, M.; Swamy, D.M.; Muyeen, S.M.; Shezan, S.A.; Ishraque, M.F. Design and analysis of PV fed high-voltage gain DC-DC converter using PI and NN controllers. Ain Shams Eng. J. 2022, 14, 102061. [Google Scholar] [CrossRef]
- Ahmed, M.; Abdelrahem, M.; Kennel, R.; Hackl, C.M. An enhanced maximum power point tracking based finite-control-set model predictive control for PV systems. In Proceedings of the 2020 11th Power Electronics, Drive Systems, and Technologies Conference (PEDSTC), Tehran, Iran, 4–6 February 2020; pp. 1–6. [Google Scholar]
- Yang, Y.; Wen, H. Adaptive perturb and observe maximum power point tracking with current predictive and decoupled power control for grid-connected photovoltaic inverters. J. Mod. Power Syst. Clean Energy 2019, 7, 422–432. [Google Scholar] [CrossRef]
- Jotham Jeremy, L.; Ooi, C.A.; Teh, J. Non-isolated conventional DC-DC converter comparison for a photovoltaic system: A review. J. Renew. Sustain. Energy 2020, 12, 013502. [Google Scholar] [CrossRef]
- Eltamaly, A.M.; Al-Saud, M.S.; Abokhalil, A.G. A novel scanning bat algorithm strategy for maximum power point tracker of partially shaded photovoltaic energy systems. Ain Shams Eng. J. 2020, 11, 1093–1103. [Google Scholar] [CrossRef]
- Ramaprabha, R.; Ramya, G. Global MPP Tracking for Partial shaded PV System using Fractional Order Extreme Seeking controller. IOP Conf. Ser. Mater. Sci. Eng. 2020, 937, 012009. [Google Scholar] [CrossRef]
- Bharathidasan, M.; Indragandhi, V. Implementation of Radial Basis Function Network-Based Maximum Power Point Tracking for PV Fed High Step-Up Converter. Front. Energy Res. 2022, 10, 915730. [Google Scholar] [CrossRef]
- Thankachan, J.; Singh, S.P. A multiport solar-assisted SRM drive for HEV applications. In Proceedings of the 2019 IEEE Power and Energy Conference at Illinois (PECI), Champaign, IL, USA, 28 February–1 March 2019; pp. 1–6. [Google Scholar]
- Rasappan, S.K.; Williams, R.B.; Muthusamy, S.; Pandiyan, S.; Panchal, H.; Meena, R.S. A Novel ultra sparse matrix converter as a power transferring device for gearless wind energy conversion systems based on renewable energy applications. Sustain. Energy Technol. Assess. 2022, 50, 101830. [Google Scholar] [CrossRef]
- Siva Ramkumar, M.; Felshiya Rajakumari, R.; Kannan, N.; Premkumar, R.; Mohanasundaram, S.; Purushotham, S.; Rajan, K. Semiconductor Materials for Solar PV Technology and Challenges towards Electrical Engineering. Adv. Mater. Sci. Eng. 2022, 2022, 7272489. [Google Scholar] [CrossRef]
- Guepfrih, M.F.; Waltrich, G.; Lazzarin, T.B. High step-up DC-DC converter using built-in transformer voltage multiplier cell and dual boost concepts. IEEE J. Emerg. Sel. Top. Power Electron. 2021, 9, 6700–6712. [Google Scholar] [CrossRef]
- Sayed, K.; Ali, Z.M.; Aldhaifallah, M. Phase-Shift PWM-Controlled DC–DC Converter with Secondary-Side Current Doubler Rectifier for On-Board Charger Application. Energies 2020, 13, 2298. [Google Scholar] [CrossRef]
- Sayed, K.; Gronfula, M.G.; Ziedan, H.A. Novel soft-switching integrated boost DC-DC converter for PV power system. Energies 2020, 13, 749. [Google Scholar] [CrossRef]
- Badar, M.; Ahmad, I.; Mir, A.A.; Ahmed, S.; Waqas, A. An autonomous hybrid DC microgrid with ANN-fuzzy and adaptive terminal sliding mode multi-level control structure. Control Eng. Pract. 2022, 121, 105036. [Google Scholar] [CrossRef]
















| dPpv | dVpv | dPpv/dVpv | Duty Cycle |
|---|---|---|---|
| +1 | +1 | +1 | D(k) = D(k − 1) + step |
| +1 | −1 | −1 | D(k) = D(k − 1) − step |
| −1 | +1 | −1 | D(k) = D(k − 1) − step |
| −1 | −1 | +1 | D(k) = D(k − 1) + step |
| Ce/e | NB | NM | NS | Z | PS | PM | PB |
|---|---|---|---|---|---|---|---|
| NB | NB | NB | NB | NB | NM | NS | Z |
| NM | NB | NB | NB | NM | NS | Z | PS |
| NS | NB | NB | NM | NS | Z | PS | PM |
| Z | NB | NM | NS | Z | PS | PM | PB |
| PS | NM | NS | Z | PS | PM | PB | PB |
| PM | NS | Z | PS | PM | PB | PB | PB |
| Output Voltage (V) | Rated Output Power (W) | Voltage Gain (V) | The Voltage Stress on the Power Switch | Number of Semiconductor Components | Efficiency (%) | Topology | ||
|---|---|---|---|---|---|---|---|---|
| S | D | L | ||||||
| 400 | 150 | 11.1 | Vin/(1-D) | 4 | 5 | 2 | 95.8 | [9] |
| 400 | 200 | 10 | Vin/(1-D) | 3 | 7 | 2 | 93.9 | [10] |
| 200 | 125 | 10 | Vin/(1-D) | 4 | 4 | 1 | 96 | [20] |
| 400 | 200 | 16.7 | Vin/(1-D) | 3 | 5 | 1 | 95.8 | Proposed |
Disclaimer/Publisher’s Note: The statements, opinions and data contained in all publications are solely those of the individual author(s) and contributor(s) and not of MDPI and/or the editor(s). MDPI and/or the editor(s) disclaim responsibility for any injury to people or property resulting from any ideas, methods, instructions or products referred to in the content. |
© 2023 by the authors. Licensee MDPI, Basel, Switzerland. This article is an open access article distributed under the terms and conditions of the Creative Commons Attribution (CC BY) license (https://creativecommons.org/licenses/by/4.0/).
Share and Cite
Aljafari, B.; Devarajan, G.; Subramani, S.; Vairavasundaram, S. Intelligent RBF-Fuzzy Controller Based Non-Isolated DC-DC Multi-Port Converter for Renewable Energy Applications. Sustainability 2023, 15, 9425. https://doi.org/10.3390/su15129425
Aljafari B, Devarajan G, Subramani S, Vairavasundaram S. Intelligent RBF-Fuzzy Controller Based Non-Isolated DC-DC Multi-Port Converter for Renewable Energy Applications. Sustainability. 2023; 15(12):9425. https://doi.org/10.3390/su15129425
Chicago/Turabian StyleAljafari, Belqasem, Gunapriya Devarajan, Sivaranjani Subramani, and Subramaniyaswamy Vairavasundaram. 2023. "Intelligent RBF-Fuzzy Controller Based Non-Isolated DC-DC Multi-Port Converter for Renewable Energy Applications" Sustainability 15, no. 12: 9425. https://doi.org/10.3390/su15129425
APA StyleAljafari, B., Devarajan, G., Subramani, S., & Vairavasundaram, S. (2023). Intelligent RBF-Fuzzy Controller Based Non-Isolated DC-DC Multi-Port Converter for Renewable Energy Applications. Sustainability, 15(12), 9425. https://doi.org/10.3390/su15129425

