Efficiency Evaluation of Chinese Provincial Industrial System Based on Network DEA Method
Abstract
:1. Introduction
- ➢
- Has the eco-efficiency of the Chinese provincial industrial system been improved from 2011 to 2015? How efficient are the sub-stages?
- ➢
- Which sub-stages are the causes of low efficiency?
- ➢
- What are the differences in efficiency among the four regions? What are the characteristics of efficiency at different stages in the same system and in different years? Therefore, this paper evaluates the efficiency of Chinese provincial industrial sectors from 2011 to 2015 by combining the network SBM-DEA model and efficiency decomposition method, in order to provide necessary guidance for policy making and sustainable development of industrial economy.
2. Literature Review
3. Materials and Methods
3.1. Materials
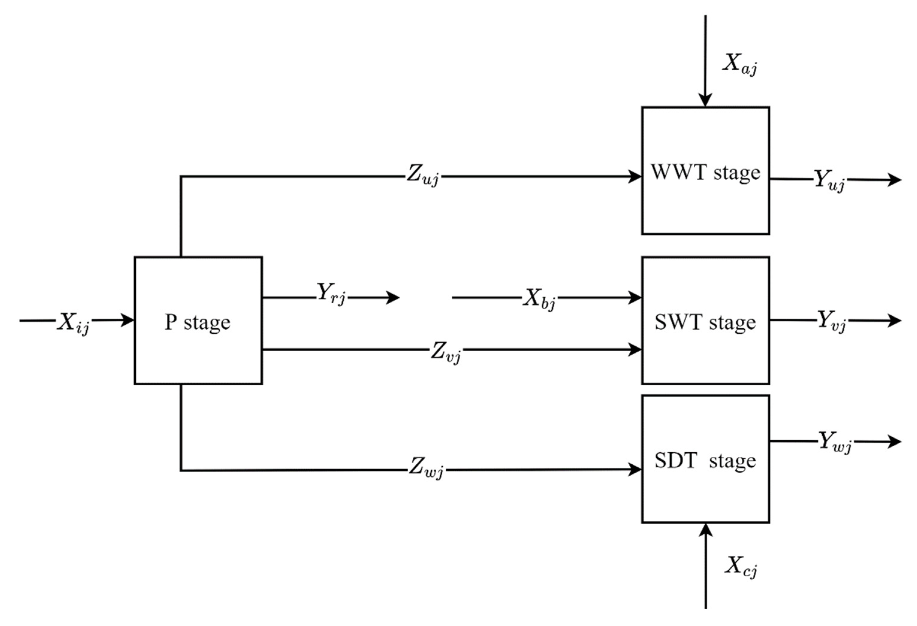
3.2. Methods
4. Results
4.1. Eco-Efficiency Analysis
4.2. Stage Efficiency Analysis
5. Discussion
5.1. Regional Efficiency Comparison
5.2. Stage Efficiency Difference
6. Conclusions
Author Contributions
Funding
Institutional Review Board Statement
Informed Consent Statement
Data Availability Statement
Acknowledgments
Conflicts of Interest
Appendix A
| Provinces | Eco | P | WWT | SWT | SDT |
|---|---|---|---|---|---|
| Beijing | 0.6832 | 0.9424 | 0.5305 | 0.5955 | 0.8387 |
| Tianjin | 0.5201 | 0.9515 | 0.1746 | 0.8024 | 0.4536 |
| Hebei | 0.7715 | 1.0000 | 1.0000 | 1.0000 | 0.2933 |
| Shanxi | 0.5516 | 0.8898 | 0.2530 | 0.8654 | 0.3951 |
| Inner Mongolia | 0.1870 | 0.4949 | 0.0801 | 0.2688 | 0.0429 |
| Liaoning | 0.3809 | 0.9217 | 0.2804 | 0.3299 | 0.1826 |
| Jilin | 0.2925 | 0.7926 | 0.2051 | 0.1432 | 0.1899 |
| Heilongjiang | 0.2603 | 0.6607 | 0.1648 | 0.2019 | 0.1576 |
| Shanghai | 0.5689 | 0.9674 | 0.4954 | 0.5287 | 0.4593 |
| Jiangsu | 0.4576 | 0.8937 | 0.1439 | 0.8338 | 0.2607 |
| Zhejiang | 0.3798 | 1.0000 | 0.0816 | 0.5854 | 0.1468 |
| Anhui | 0.4151 | 0.7663 | 0.1665 | 0.8110 | 0.1719 |
| Fujian | 0.2056 | 0.8110 | 0.0429 | 0.0643 | 0.1245 |
| Jiangxi | 0.3836 | 0.7787 | 0.1984 | 0.2138 | 0.5207 |
| Shandong | 0.3665 | 0.6980 | 0.1011 | 0.9369 | 0.0848 |
| Henan | 0.4468 | 0.9000 | 0.1582 | 0.6360 | 0.3677 |
| Hubei | 0.2526 | 0.7575 | 0.1585 | 0.0812 | 0.1565 |
| Hunan | 0.2808 | 0.8319 | 0.1493 | 0.0854 | 0.2151 |
| Guangdong | 0.3369 | 0.9314 | 0.1803 | 0.0692 | 0.3459 |
| Guangxi | 0.2726 | 0.7623 | 0.1152 | 0.0894 | 0.2786 |
| Hainan | 1.0000 | 1.0000 | 1.0000 | 1.0000 | 1.0000 |
| Chongqing | 0.2971 | 0.7648 | 0.2473 | 0.0564 | 0.5089 |
| Sichuan | 0.2583 | 0.6527 | 0.0928 | 0.2939 | 0.1832 |
| Guizhou | 0.2056 | 0.5866 | 0.1970 | 0.1194 | 0.0911 |
| Yunnan | 0.1707 | 0.5817 | 0.0429 | 0.0894 | 0.1057 |
| Shaanxi | 0.2001 | 0.7562 | 0.0355 | 0.0990 | 0.1038 |
| Gansu | 0.2308 | 0.5291 | 0.0948 | 0.3894 | 0.1423 |
| Qinghai | 0.6417 | 0.9753 | 0.9791 | 0.1972 | 0.6487 |
| Ningxia | 0.1514 | 0.5396 | 0.1067 | 0.0811 | 0.1248 |
| Xinjiang | 0.2464 | 0.5897 | 0.0528 | 0.5035 | 0.1013 |
| Mean | 0.3805 | 0.7909 | 0.2510 | 0.3990 | 0.2899 |
| Province | Eco-Efficiency | P Efficiency | ||||||||
|---|---|---|---|---|---|---|---|---|---|---|
| 2011 | 2012 | 2013 | 2014 | 2015 | 2011 | 2012 | 2013 | 2014 | 2015 | |
| Beijing | 1.0000 | 0.7079 | 0.6044 | 0.3031 | 0.8006 | 1.0000 | 1.0000 | 1.0000 | 0.7120 | 1.0000 |
| Tianjin | 0.1386 | 0.6930 | 0.7513 | 0.5757 | 0.4419 | 0.7575 | 1.0000 | 1.0000 | 1.0000 | 1.0000 |
| Hebei | 0.8499 | 0.8092 | 0.8019 | 0.6950 | 0.7014 | 1.0000 | 1.0000 | 1.0000 | 1.0000 | 1.0000 |
| Shanxi | 0.4743 | 0.6531 | 0.6272 | 0.7155 | 0.2880 | 0.8485 | 0.9520 | 1.0000 | 1.0000 | 0.6483 |
| Inner Mongolia | 0.3933 | 0.1856 | 0.1234 | 0.0939 | 0.1390 | 0.6725 | 0.5555 | 0.5213 | 0.1464 | 0.5787 |
| Liaoning | 0.5757 | 0.4381 | 0.4235 | 0.2129 | 0.2541 | 1.0000 | 1.0000 | 1.0000 | 0.6083 | 1.0000 |
| Jilin | 0.2652 | 0.3944 | 0.3460 | 0.1602 | 0.2967 | 0.6336 | 0.9950 | 1.0000 | 0.3344 | 1.0000 |
| Heilongjiang | 0.3393 | 0.4562 | 0.2237 | 0.1280 | 0.1541 | 0.5963 | 0.9093 | 0.8707 | 0.2734 | 0.6539 |
| Shanghai | 0.7293 | 0.7223 | 0.6245 | 0.4868 | 0.2816 | 1.0000 | 0.9760 | 1.0000 | 0.9980 | 0.8630 |
| Jiangsu | 0.2296 | 0.5318 | 0.5471 | 0.5359 | 0.4436 | 0.4686 | 1.0000 | 1.0000 | 1.0000 | 1.0000 |
| Zhejiang | 0.5181 | 0.4631 | 0.4075 | 0.2608 | 0.2497 | 1.0000 | 1.0000 | 1.0000 | 1.0000 | 1.0000 |
| Anhui | 0.4068 | 0.5041 | 0.5663 | 0.1814 | 0.4168 | 0.5853 | 0.9304 | 1.0000 | 0.4130 | 0.9030 |
| Fujian | 0.1503 | 0.3008 | 0.2555 | 0.1236 | 0.1977 | 0.6428 | 0.9960 | 1.0000 | 0.5176 | 0.8987 |
| Jiangxi | 0.2891 | 0.7147 | 0.5082 | 0.1639 | 0.2420 | 0.6904 | 1.0000 | 1.0000 | 0.3222 | 0.8808 |
| Shandong | 0.3155 | 0.3599 | 0.4011 | 0.4048 | 0.3511 | 0.4271 | 0.7883 | 0.7556 | 0.7634 | 0.7557 |
| Henan | 0.5890 | 0.6711 | 0.3738 | 0.4174 | 0.1830 | 1.0000 | 1.0000 | 1.0000 | 0.7988 | 0.7013 |
| Hubei | 0.1878 | 0.3186 | 0.3310 | 0.1616 | 0.2639 | 0.4920 | 0.9239 | 0.9393 | 0.5013 | 0.9312 |
| Hunan | 0.1942 | 0.3804 | 0.3769 | 0.1776 | 0.2748 | 0.5451 | 1.0000 | 1.0000 | 0.6145 | 1.0000 |
| Guangdong | 0.3486 | 0.3146 | 0.4126 | 0.3604 | 0.2482 | 0.6571 | 1.0000 | 1.0000 | 1.0000 | 1.0000 |
| Guangxi | 0.2158 | 0.3453 | 0.4309 | 0.1275 | 0.2432 | 0.6615 | 0.8568 | 1.0000 | 0.2932 | 1.0000 |
| Hainan | 1.0000 | 1.0000 | 1.0000 | 1.0000 | 1.0000 | 1.0000 | 1.0000 | 1.0000 | 1.0000 | 1.0000 |
| Chongqing | 0.2220 | 0.5133 | 0.3183 | 0.2432 | 0.1884 | 0.6755 | 0.9060 | 0.8930 | 0.4856 | 0.8639 |
| Sichuan | 0.1727 | 0.2746 | 0.2731 | 0.1442 | 0.4271 | 0.4330 | 0.7572 | 0.8444 | 0.4400 | 0.7888 |
| Guizhou | 0.2032 | 0.2698 | 0.2095 | 0.1209 | 0.2245 | 0.4660 | 0.7201 | 0.7137 | 0.1803 | 0.8529 |
| Yunnan | 0.1687 | 0.2529 | 0.1738 | 0.1028 | 0.1553 | 0.5417 | 0.8140 | 0.7176 | 0.1491 | 0.6860 |
| Shaanxi | 0.1630 | 0.2486 | 0.2556 | 0.0899 | 0.2433 | 0.6149 | 1.0000 | 1.0000 | 0.2760 | 0.8904 |
| Gansu | 0.2820 | 0.1651 | 0.1707 | 0.1339 | 0.4021 | 0.5093 | 0.7408 | 0.7271 | 0.1244 | 0.5437 |
| Qinghai | 0.5520 | 0.8882 | 0.5976 | 0.6758 | 0.4950 | 0.8766 | 1.0000 | 1.0000 | 1.0000 | 1.0000 |
| Ningxia | 0.2507 | 0.1944 | 0.1212 | 0.0703 | 0.1203 | 0.4662 | 0.6830 | 0.7307 | 0.0930 | 0.7251 |
| Xinjiang | 0.3309 | 0.3540 | 0.1406 | 0.2261 | 0.1805 | 0.5613 | 1.0000 | 0.6728 | 0.1789 | 0.5354 |
| Mean | 0.3852 | 0.4708 | 0.4132 | 0.3031 | 0.3303 | 0.6941 | 0.9168 | 0.9129 | 0.5741 | 0.8567 |
| Province | 2011 | 2012 | 2013 | 2014 | 2015 |
|---|---|---|---|---|---|
| Beijing | 1.0000 | 1.0000 | 0.0848 | 0.2754 | 0.2922 |
| Tianjin | 0.1666 | 0.2968 | 0.2456 | 0.1136 | 0.0505 |
| Hebei | 1.0000 | 1.0000 | 1.0000 | 1.0000 | 1.0000 |
| Shanxi | 0.2406 | 0.6592 | 0.1509 | 0.1629 | 0.0517 |
| Inner Mongolia | 0.1946 | 0.0915 | 0.0415 | 0.0446 | 0.0283 |
| Liaoning | 0.2906 | 0.4065 | 0.4187 | 0.1350 | 0.1510 |
| Jilin | 0.1562 | 0.2880 | 0.3081 | 0.1846 | 0.0887 |
| Heilongjiang | 0.2070 | 0.3917 | 0.1382 | 0.0651 | 0.0219 |
| Shanghai | 1.0000 | 1.0000 | 0.3909 | 0.0419 | 0.0444 |
| Jiangsu | 0.0569 | 0.2234 | 0.1739 | 0.2364 | 0.0287 |
| Zhejiang | 0.1504 | 0.1045 | 0.0759 | 0.0627 | 0.0144 |
| Anhui | 0.1466 | 0.2396 | 0.3250 | 0.0593 | 0.0622 |
| Fujian | 0.0524 | 0.0755 | 0.0546 | 0.0177 | 0.0143 |
| Jiangxi | 0.1518 | 0.5274 | 0.2558 | 0.0278 | 0.0290 |
| Shandong | 0.0427 | 0.0889 | 0.1382 | 0.1917 | 0.0441 |
| Henan | 0.1782 | 0.2497 | 0.1582 | 0.1566 | 0.0482 |
| Hubei | 0.0894 | 0.1629 | 0.3581 | 0.1120 | 0.0700 |
| Hunan | 0.0776 | 0.2641 | 0.2501 | 0.0866 | 0.0683 |
| Guangdong | 0.1545 | 0.2049 | 0.3003 | 0.2320 | 0.0095 |
| Guangxi | 0.0766 | 0.1267 | 0.2437 | 0.0182 | 0.1108 |
| Hainan | 1.0000 | 1.0000 | 1.0000 | 1.0000 | 1.0000 |
| Chongqing | 0.1577 | 0.4402 | 0.3881 | 0.1462 | 0.1045 |
| Sichuan | 0.0610 | 0.1061 | 0.2159 | 0.0488 | 0.0319 |
| Guizhou | 0.5956 | 0.2036 | 0.0490 | 0.0526 | 0.0842 |
| Yunnan | 0.0876 | 0.0298 | 0.0587 | 0.0210 | 0.0173 |
| Shaanxi | 0.0258 | 0.0342 | 0.0487 | 0.0283 | 0.0403 |
| Gansu | 0.1404 | 0.0907 | 0.0764 | 0.0511 | 0.1156 |
| Qinghai | 0.8957 | 1.0000 | 1.0000 | 1.0000 | 1.0000 |
| Ningxia | 0.2201 | 0.1562 | 0.0738 | 0.0349 | 0.0486 |
| Xinjiang | 0.0893 | 0.0865 | 0.0484 | 0.0100 | 0.0300 |
| Mean | 0.2902 | 0.3516 | 0.2690 | 0.1872 | 0.1567 |
| Province | 2011 | 2012 | 2013 | 2014 | 2015 |
|---|---|---|---|---|---|
| Beijing | 1.0000 | 0.2435 | 0.7194 | 0.0148 | 1.0000 |
| Tianjin | 0.0122 | 1.0000 | 1.0000 | 1.0000 | 1.0000 |
| Hebei | 1.0000 | 1.0000 | 1.0000 | 1.0000 | 1.0000 |
| Shanxi | 1.0000 | 1.0000 | 1.0000 | 1.0000 | 0.3270 |
| Inner Mongolia | 0.9016 | 0.1723 | 0.0036 | 0.1774 | 0.0893 |
| Liaoning | 1.0000 | 0.2642 | 0.1719 | 0.1656 | 0.0476 |
| Jilin | 0.2730 | 0.1089 | 0.0402 | 0.0395 | 0.2543 |
| Heilongjiang | 0.7375 | 0.1500 | 0.0356 | 0.0303 | 0.0560 |
| Shanghai | 1.0000 | 0.3925 | 0.2652 | 0.7455 | 0.2403 |
| Jiangsu | 0.1765 | 0.9926 | 1.0000 | 1.0000 | 1.0000 |
| Zhejiang | 0.9141 | 1.0000 | 0.7477 | 0.0395 | 0.2256 |
| Anhui | 1.0000 | 0.9176 | 1.0000 | 0.1376 | 1.0000 |
| Fujian | 0.0639 | 0.2038 | 0.0104 | 0.0166 | 0.0271 |
| Jiangxi | 0.2517 | 0.4296 | 0.1360 | 0.0876 | 0.1643 |
| Shandong | 1.0000 | 0.7167 | 1.0000 | 1.0000 | 0.9677 |
| Henan | 1.0000 | 1.0000 | 0.0735 | 1.0000 | 0.1064 |
| Hubei | 0.1099 | 0.1015 | 0.0355 | 0.0241 | 0.1348 |
| Hunan | 0.1146 | 0.1916 | 0.0134 | 0.0132 | 0.0942 |
| Guangdong | 0.1422 | 0.0662 | 0.0191 | 0.0342 | 0.0843 |
| Guangxi | 0.1899 | 0.1353 | 0.1013 | 0.0087 | 0.0116 |
| Hainan | 1.0000 | 1.0000 | 1.0000 | 1.0000 | 1.0000 |
| Chongqing | 0.0401 | 0.1452 | 0.0102 | 0.0239 | 0.0626 |
| Sichuan | 0.2923 | 0.0971 | 0.0402 | 0.0396 | 1.0000 |
| Guizhou | 0.0159 | 0.1569 | 0.2248 | 0.0711 | 0.1281 |
| Yunnan | 0.1573 | 0.2132 | 0.0095 | 0.0064 | 0.0605 |
| Shaanxi | 0.1090 | 0.0865 | 0.0209 | 0.0260 | 0.2524 |
| Gansu | 0.7034 | 0.0153 | 0.0806 | 0.1478 | 1.0000 |
| Qinghai | 0.2335 | 0.5527 | 0.0286 | 0.0625 | 0.1089 |
| Ningxia | 0.3139 | 0.0351 | 0.0045 | 0.0063 | 0.0454 |
| Xinjiang | 1.0000 | 0.2849 | 0.0058 | 0.8929 | 0.3337 |
| Mean | 0.5251 | 0.4224 | 0.3266 | 0.3270 | 0.3941 |
| Province | 2011 | 2012 | 2013 | 2014 | 2015 |
|---|---|---|---|---|---|
| Beijing | 1.0000 | 0.6643 | 0.6954 | 0.8340 | 1.0000 |
| Tianjin | 0.1802 | 0.6220 | 1.0000 | 0.4227 | 0.0433 |
| Hebei | 0.5096 | 0.3467 | 0.4071 | 0.1189 | 0.0841 |
| Shanxi | 0.0813 | 0.1828 | 0.6110 | 1.0000 | 0.1003 |
| Inner Mongolia | 0.0465 | 0.0690 | 0.0446 | 0.0349 | 0.0197 |
| Liaoning | 0.2765 | 0.2080 | 0.2470 | 0.0750 | 0.1064 |
| Jilin | 0.1231 | 0.3578 | 0.1753 | 0.1940 | 0.0995 |
| Heilongjiang | 0.0644 | 0.4189 | 0.0684 | 0.1842 | 0.0520 |
| Shanghai | 0.1579 | 0.5206 | 1.0000 | 0.4643 | 0.1538 |
| Jiangsu | 0.3395 | 0.1862 | 0.3652 | 0.2583 | 0.1545 |
| Zhejiang | 0.3060 | 0.1053 | 0.1734 | 0.1164 | 0.0331 |
| Anhui | 0.1722 | 0.1608 | 0.2523 | 0.1935 | 0.0809 |
| Fujian | 0.1020 | 0.1200 | 0.1500 | 0.1768 | 0.0738 |
| Jiangxi | 0.2143 | 1.0000 | 1.0000 | 0.2713 | 0.1181 |
| Shandong | 0.1163 | 0.1139 | 0.0951 | 0.0615 | 0.0371 |
| Henan | 0.5133 | 0.7418 | 0.4526 | 0.0801 | 0.0505 |
| Hubei | 0.1348 | 0.2095 | 0.2127 | 0.1237 | 0.1020 |
| Hunan | 0.1539 | 0.1742 | 0.4363 | 0.2091 | 0.1022 |
| Guangdong | 0.7427 | 0.1137 | 0.4291 | 0.3202 | 0.1238 |
| Guangxi | 0.1116 | 0.4051 | 0.5371 | 0.2664 | 0.0726 |
| Hainan | 1.0000 | 1.0000 | 1.0000 | 1.0000 | 1.0000 |
| Chongqing | 0.4123 | 0.7945 | 0.1607 | 1.0000 | 0.1770 |
| Sichuan | 0.0550 | 0.2569 | 0.2182 | 0.1593 | 0.2263 |
| Guizhou | 0.0415 | 0.1275 | 0.0629 | 0.1574 | 0.0665 |
| Yunnan | 0.0443 | 0.1640 | 0.0678 | 0.2024 | 0.0501 |
| Shaanxi | 0.0613 | 0.1142 | 0.1923 | 0.1044 | 0.0467 |
| Gansu | 0.0389 | 0.1413 | 0.0843 | 0.2017 | 0.2453 |
| Qinghai | 0.3125 | 1.0000 | 0.6523 | 1.0000 | 0.2787 |
| Ningxia | 0.1197 | 0.1950 | 0.1029 | 0.1341 | 0.0721 |
| Xinjiang | 0.0467 | 0.2501 | 0.0653 | 0.0994 | 0.0450 |
| Mean | 0.2493 | 0.3588 | 0.3653 | 0.3155 | 0.1605 |
Appendix B




References
- Zhang, L.; Zhao, L.L.; Zha, Y. Efficiency evaluation of Chinese regional industrial systems using a dynamic two-stage DEA approach. Socio-Econ. Plan. Sci 2021, 77, 101031. [Google Scholar] [CrossRef]
- Díaz-Villavicencio, G.; Didonet, S.R.; Dodd, A. Influencing factors of eco-efficient urban waste management: Evidence from Spanish municipalities. J. Clean. Prod. 2017, 164, 1486–1496. [Google Scholar] [CrossRef]
- Delgado-Antequera, L.; Gémar, G.; Molinos-Senante, M.; Gómez, T.; Caballero, R.; Sala-Garrido, R. Eco-efficiency assessment of municipal solid waste services: Influence of exogenous variables. Waste Manag. 2021, 130, 136–146. [Google Scholar] [CrossRef]
- Lo Storto, C. Eco-Productivity Analysis of the Municipal Solid Waste Service in the Apulia Region from 2010 to 2017. Sustainability 2021, 13, 12008. [Google Scholar] [CrossRef]
- Li, R.; Sun, T. Research on Impact of Different Environmental Regulation Tools on Energy Efficiency in China. Pol. J. Environ. Stud. 2020, 29, 4151–4160. [Google Scholar] [CrossRef]
- Wu, J.; Zhu, Q.; Liang, L. CO2 emissions and energy intensity reduction allocation over provincial industrial sectors in China. Appl. Energy 2016, 166, 282–291. [Google Scholar] [CrossRef]
- Zhou, D.Q.; Wang, Q.; Su, B.; Zhou, P.; Yao, L.X. Industrial energy conservation and emission reduction performance in China: A city-level nonparametric analysis. Appl. Energy 2016, 166, 201–209. [Google Scholar] [CrossRef]
- Song, M.L.; Peng, J.; Wang, J.L.; Zhao, J.J. Environmental efficiency and economic growth of China: A Ray slack-based model analysis. Eur. J. Oper. Res. 2018, 269, 51–63. [Google Scholar] [CrossRef]
- Zhang, Y.-J.; Hao, J.-F. Carbon emission quota allocation among China’s industrial sectors based on the equity and efficiency principles. Ann. Oper. Res. 2016, 255, 117–140. [Google Scholar] [CrossRef]
- Sun, J.; Du, T.; Sun, W.; Na, H.; He, J.; Qiu, Z.; Yuan, Y.; Li, Y. An evaluation of greenhouse gas emission efficiency in China’s industry based on SFA. Sci. Total Environ. 2019, 690, 1190–1202. [Google Scholar] [CrossRef]
- Fetanat, A.; Shafipour, G. A hybrid method of LMDI, symmetrical components, and SFA to estimate the distribution of energy-saving potential with consideration of unbalanced components in decomposition analysis. Energ Effic. 2017, 10, 1041–1059. [Google Scholar] [CrossRef]
- Wang, C.; Zhan, J.; Bai, Y.; Chu, X.; Zhang, F. Measuring carbon emission performance of industrial sectors in the Beijing-Tianjin-Hebei region, China: A stochastic frontier approach. Sci. Total Environ. 2019, 685, 786–794. [Google Scholar] [CrossRef] [PubMed]
- Charnes, A.; Cooper, W.W.; Rhodes, E. Measuring the efficiency of decision making units. Eur. J. Oper. Res. 1978, 2, 429–444. [Google Scholar] [CrossRef]
- Chen, L.; Jia, G. Environmental efficiency analysis of China’s regional industry: A data envelopment analysis (DEA) based approach. J. Clean. Prod. 2017, 142, 846–853. [Google Scholar] [CrossRef]
- Zhou, H.; Yang, Y.; Chen, Y.; Zhu, J. Data envelopment analysis application in sustainability: The origins, development and future directions. Eur. J. Oper. Res. 2018, 264, 1–16. [Google Scholar] [CrossRef]
- Sueyoshi, T.; Yuan, Y.; Goto, M. A literature study for DEA applied to energy and environment. Energy Econ. 2017, 62, 104–124. [Google Scholar] [CrossRef]
- Song, C.; Yin, G.; Lu, Z.; Chen, Y. Industrial ecological efficiency of cities in the Yellow River Basin in the background of China’s economic transformation: Spatial-temporal characteristics and influencing factors. Environ. Sci. Pollut. Res. Int. 2022, 29, 4334–4349. [Google Scholar] [CrossRef] [PubMed]
- Fang, T.; Fang, D.; Yu, B. Carbon emission efficiency of thermal power generation in China: Empirical evidence from the micro-perspective of power plants. Energ Policy 2022, 165, 112955. [Google Scholar] [CrossRef]
- Moutinho, V.; Madaleno, M. A Two-Stage DEA Model to Evaluate the Technical Eco-Efficiency Indicator in the EU Countries. Int. J. Environ. Res. Public Health 2021, 18, 3038. [Google Scholar] [CrossRef]
- Ramli, N.A.; Munisamy, S.; Arabi, B. Scale directional distance function and its application to the measurement of eco-efficiency in the manufacturing sector. Ann. Oper. Res. 2013, 211, 381–398. [Google Scholar] [CrossRef]
- Hermoso-Orzáez, M.J.; García-Alguacil, M.; Terrados-Cepeda, J.; Brito, P. Measurement of Environmental Efficiency in the Countries of the European Union with the Enhanced Data Envelopment Analysis Method (DEA) during the Period 2005–2012. In Proceedings of the 5th Ibero-American Congress on Entrepreneurship, Energy, Environment and Technology—CIEEMAT, Portalegre, Portugal, 11–13 September 2019. [Google Scholar]
- Wang, K.; Wei, Y.-M. China’s regional industrial energy efficiency and carbon emissions abatement costs. Appl. Energy 2014, 130, 617–631. [Google Scholar] [CrossRef]
- Nguyen, N.T. Integrating two stages of Malmquist index and Grey forecasting to access industrial performance: A case of Vietnamese steel industry. J. Grey Syst. 2021, 33, 43–58. [Google Scholar]
- Bi, G.-B.; Song, W.; Zhou, P.; Liang, L. Does environmental regulation affect energy efficiency in China’s thermal power generation? Empirical evidence from a slacks-based DEA model. Energ Policy 2014, 66, 537–546. [Google Scholar] [CrossRef]
- Guo, X.; Zhu, Q.; Lv, L.; Chu, J.; Wu, J. Efficiency evaluation of regional energy saving and emission reduction in China: A modified slacks-based measure approach. J. Clean. Prod. 2017, 140, 1313–1321. [Google Scholar] [CrossRef]
- Sueyoshi, T.; Goto, M. Undesirable congestion under natural disposability and desirable congestion under managerial disposability in U.S. electric power industry measured by DEA environmental assessment. Energy Econ. 2016, 55, 173–188. [Google Scholar] [CrossRef]
- Zhu, N.; He, K. The efficiency of major industrial enterprises in Sichuan province of China: A super slacks-based measure analysis. J. Ind. Manag. Optim. 2022. [Google Scholar] [CrossRef]
- Wu, J.; Li, M.J.; Zhu, Q.Y.; Zhou, Z.X.; Liang, L. Energy and environmental efficiency measurement of China’s industrial sectors: A DEA model with non-homogeneous inputs and outputs. Energy Econ. 2019, 78, 468–480. [Google Scholar] [CrossRef]
- Färe, R.; Grosskopf, S. Network DEA. Socio-Econ. Plan. Sci. 2000, 34, 35–49. [Google Scholar] [CrossRef]
- Tone, K.; Tsutsui, M. Network DEA: A slacks-based measure approach. Eur. J. Oper. Res. 2009, 197, 243–252. [Google Scholar] [CrossRef] [Green Version]
- Tone, K.; Tsutsui, M. Dynamic DEA with network structure: A slacks-based measure approach. Omega-Int. J. Manag. Sci. 2014, 42, 124–131. [Google Scholar] [CrossRef] [Green Version]
- Cook, W.D.; Zhu, J.; Bi, G.B.; Yang, F. Network DEA: Additive efficiency decomposition. Eur. J. Oper. Res. 2010, 207, 1122–1129. [Google Scholar] [CrossRef]
- Kao, C. Decomposition of slacks-based efficiency measures in network data envelopment analysis. Eur. J. Oper. Res. 2020, 283, 588–600. [Google Scholar] [CrossRef]
- Jiang, B.; Chen, H.; Li, J.; Lio, W.C. The uncertain two-stage network DEA models. Soft Comput. 2020, 25, 421–429. [Google Scholar] [CrossRef]
- Hatami-Marbini, A.; Saati, S. Measuring performance with common weights: Network DEA. Neural Comput. Appl. 2020, 32, 3599–3617. [Google Scholar] [CrossRef]
- Zuo, Z.; Guo, H.; Li, Y.; Cheng, J. A two-stage DEA evaluation of Chinese mining industry technological innovation efficiency and eco-efficiency. Environ. Impact Assess. Rev. 2022, 94, 106762. [Google Scholar] [CrossRef]
- Meng, M.; Pang, T. Operational efficiency analysis of China’s electric power industry using a dynamic network slack-based measure model. Energy 2022, 251, 123898. [Google Scholar] [CrossRef]
- Bian, Y.; Liang, N.; Xu, H. Efficiency evaluation of Chinese regional industrial systems with undesirable factors using a two-stage slacks-based measure approach. J. Clean. Prod. 2015, 87, 348–356. [Google Scholar] [CrossRef]
- Liu, Y.; Wang, K. Energy efficiency of China’s industry sector: An adjusted network DEA (data envelopment analysis)-based decomposition analysis. Energy 2015, 93, 1328–1337. [Google Scholar] [CrossRef]
- Li, Y.J.; Shi, X.; Emrouznejad, A.; Liang, L. Environmental performance evaluation of Chinese industrial systems: A network SBM approach. J. Oper. Res. Soc. 2018, 69, 825–839. [Google Scholar] [CrossRef]
- Mousavizadeh, R.; Navabakhsh, M.; Hafezalkotob, A. Cost-efficiency measurement for two-stage DEA network using game approach: An application to electrical network in Iran. Sadhana-Acad. Proc. Eng. Sci. 2020, 45, 1–16. [Google Scholar] [CrossRef]
- Moon, H.; Min, D. A DEA approach for evaluating the relationship between energy efficiency and financial performance for energy-intensive firms in Korea. J. Clean. Prod. 2020, 255, 120283. [Google Scholar] [CrossRef]
- Lu, C.C.; Dan, W.; Chen, X.; Tseng, C.K.; Chou, K.W. Evaluation of the operating performance of Taiwanese machine tool industry with the dynamic network DEA model. Enterp. Inf. Syst. 2020, 15, 87–104. [Google Scholar] [CrossRef]
- Lo Storto, C. Measuring the efficiency of the urban integrated water service by parallel network DEA: The case of Italy. J. Clean. Prod. 2020, 276. [Google Scholar] [CrossRef]
- Wu, J.; Lv, L.; Sun, J.S.; Ji, X. A comprehensive analysis of China’s regional energy saving and emission reduction efficiency: From production and treatment perspectives. Energ Policy 2015, 84, 166–176. [Google Scholar] [CrossRef]
- Wu, J.; Xiong, B.B.; An, Q.X.; Sun, J.S.; Wu, H.Q. Total-factor energy efficiency evaluation of Chinese industry by using two-stage DEA model with shared inputs. Ann. Oper. Res. 2017, 255, 257–276. [Google Scholar] [CrossRef]
- Xu, C.Z.; Wang, S.X. Industrial three-division network system in China: Efficiencies and their impact factors. Environ. Sci. Pollut. Res. 2021, 28, 47375–47394. [Google Scholar] [CrossRef]
- Bian, Y.; Yang, F. Resource and environment efficiency analysis of provinces in China: A DEA approach based on Shannon’s entropy. Energ Policy 2010, 38, 1909–1917. [Google Scholar] [CrossRef]
- Wang, Q.; Tang, J.; Choi, G. A two-stage eco-efficiency evaluation of China’s industrial sectors: A dynamic network data envelopment analysis (DNDEA) approach. Process. Saf. Environ. Prot. 2021, 148, 879–892. [Google Scholar] [CrossRef]
- Xiong, S.; Ma, X.; Ji, J. The impact of industrial structure efficiency on provincial industrial energy efficiency in China. J. Clean. Prod. 2019, 215, 952–962. [Google Scholar] [CrossRef]
- Wu, J.; Yin, P.; Sun, J.; Chu, J.; Liang, L. Evaluating the environmental efficiency of a two-stage system with undesired outputs by a DEA approach: An interest preference perspective. Eur. J. Oper. Res. 2016, 254, 1047–1062. [Google Scholar] [CrossRef]
- Liu, Z.; Zhang, H.; Zhang, Y.-J.; Zhu, T.-T. How does industrial policy affect the eco-efficiency of industrial sector? Evidence from China. Appl. Energy 2020, 272, 115206. [Google Scholar] [CrossRef]
- Shao, L.; Yu, X.; Feng, C. Evaluating the eco-efficiency of China’s industrial sectors: A two-stage network data envelopment analysis. J. Environ. Manag. 2019, 247, 551–560. [Google Scholar] [CrossRef]
- Tang, J.X.; Wang, Q.W.; Choi, G. Efficiency assessment of industrial solid waste generation and treatment processes with carry-over in China. Sci. Total Environ. 2020, 726, 138274. [Google Scholar] [CrossRef]
- Zhao, L.; Zha, Y.; Zhuang, Y.; Liang, L. Data envelopment analysis for sustainability evaluation in China: Tackling the economic, environmental, and social dimensions. Eur. J. Oper. Res. 2019, 275, 1083–1095. [Google Scholar] [CrossRef]
- Liu, W.; Sharp, J. DEA Models via Goal Programming. In Data Envelopment Analysis in the Service Sector; Westermann, G., Ed.; Deutscher Universitätsverlag: Wiesbaden, Germany, 1999; pp. 79–101. [Google Scholar]
- Färe, R.; Grosskopf, S. Modeling undesirable factors in efficiency evaluation: Comment. Eur. J. Oper. Res. 2004, 157, 242–245. [Google Scholar] [CrossRef]
- Iqbal Ali, A.; Seiford, L.M. Translation invariance in data envelopment analysis. Oper. Res. Lett. 1990, 9, 403–405. [Google Scholar] [CrossRef]
- Lovell, K.C.A.; Pastor, J.T.; Turner, J.A. Measuring macroeconomic performance in the OECD: A comparison of European and non-European countries. Eur. J. Oper. Res. 1995, 87, 507–518. [Google Scholar] [CrossRef]
- GanG, C. Data Envelopment Analysis: Methods and MaxDEA Software; Intellectual Property Publishing House: Beijing, China, 2014. [Google Scholar]
- Chun, H.; Wei, H.; Hui, C.Y. Analysis of production, disposal and utilization of industrial solid Waste in Hainan Province. Resour. Conserv. Environ. Prot. 2020, 1, 117–118. [Google Scholar] [CrossRef]
- Yanfei, Z.; Jun, G.; Hui, D.; Mei, Y.; Dan, F. Analysis of environmental Kuznets characteristics of industrial waste discharge in Hainan Province. Spec. Zone Econ. 2015, 4, 26–29. [Google Scholar]
- Sheng, H. Study on the development Strategy of industrial structure upgrading in Hainan Province. Hainan Financ. 2012, 7, 33–37. [Google Scholar]
- Zhang, C. Study on ecological Efficiency of industrial Enterprises in Yunnan minority Areas. Master’s Thesis, Kunming University of Science and Technology, Kunming, China, 2018. [Google Scholar]
- Hasanbeigi, A.; Morrow, W.; Sathaye, J.; Masanet, E.; Xu, T. A bottom-up model to estimate the energy efficiency improvement and CO2 emission reduction potentials in the Chinese iron and steel industry. Energy 2013, 50, 315–325. [Google Scholar] [CrossRef]
- Wang, R.; Wu, Y.; Wang, Y.; Feng, X. An industrial area layout design methodology considering piping and safety using genetic algorithm. J. Clean. Prod. 2017, 167, 23–31. [Google Scholar] [CrossRef]
- Xiao, Z.; Zeng, W.; Ma, Z. Regional differences and pattern evolution of Industrial production efficiency in China. Mod. Manag. Sci. 2021, 2, 3–12. [Google Scholar]
- Feng, Y.; Chiu, Y.-H.; Liu, F.-P. Measuring the Performance of Wastewater Treatment in China. Appl. Sci. 2019, 9, 153. [Google Scholar] [CrossRef] [Green Version]
- Ding, T.; Wu, H.; Jia, J.; Wei, Y.; Liang, L. Regional assessment of water-energy nexus in China’s industrial sector: An interactive meta-frontier DEA approach. J. Clean. Prod. 2020, 244, 118797. [Google Scholar] [CrossRef]



| Stage | Variables | Units | |
|---|---|---|---|
| P stage | Input | TEC | Tons of standard coal |
| NFA | 100 million RMB | ||
| Labor | 10 thousand people | ||
| Output | WWP | 10 thousand tons | |
| SWP | 10 thousand tons | ||
| SDP | 10 thousand tons | ||
| IAV | 100 million RMB | ||
| WWT stage | Input | WWP | 10 thousand tons |
| WWTI | 10 thousand RMB | ||
| Output | WWD | 10 thousand tons | |
| SWT stage | Input | SWP | 10 thousand tons |
| SWTI | 10 thousand RMB | ||
| Output | CUSW | 10 thousand tons | |
| SDT stage | Input | SDP | 10 thousand tons |
| SDTI | 10 thousand RMB | ||
| Output | SDE | 10 thousand tons | |
| Variables | 2011 | 2012 | 2013 | 2014 | 2015 | |
|---|---|---|---|---|---|---|
| TEC | Mean | 9519.76 | 9839.53 | 10,040.77 | 10,034.48 | 10,113.38 |
| S.D. | 6776.94 | 6911.25 | 6971.24 | 6789.89 | 7021.00 | |
| NFA | Mean | 7620.88 | 8544.48 | 9681.50 | 10,909.13 | 11,512.69 |
| S.D. | 5600.50 | 6122.66 | 6850.72 | 7845.07 | 8310.72 | |
| Labor | Mean | 307.99 | 329.01 | 326.13 | 332.30 | 325.61 |
| S.D. | 324.68 | 324.33 | 336.83 | 340.11 | 339.35 | |
| WWP | Mean | 193,500.43 | 175,805.00 | 164,136.33 | 166,590.97 | 148,157.67 |
| S.D. | 186,764.96 | 157,573.71 | 153,180.45 | 161,277.87 | 134,160.48 | |
| SWP | Mean | 10,749.07 | 10,955.97 | 10,911.33 | 10,841.23 | 10,889.30 |
| S.D. | 9643.47 | 9638.67 | 9295.08 | 9397.88 | 9345.74 | |
| SDP | Mean | 199.49 | 205.08 | 210.67 | 211.03 | 211.38 |
| S.D. | 130.24 | 128.10 | 128.17 | 139.77 | 153.89 | |
| IAV | Mean | 7706.05 | 7887.71 | 8394.35 | 9000.06 | 8813.73 |
| S.D. | 6788.58 | 6193.52 | 6608.49 | 6784.07 | 7335.40 | |
| WWTI | Mean | 52,560.40 | 46,750.90 | 41,345.77 | 38,158.37 | 39,430.30 |
| S.D. | 55,971.97 | 50,618.07 | 37,782.89 | 37,154.28 | 41,037.18 | |
| WWD | Mean | 76,946.03 | 73,850.13 | 69,933.30 | 68,433.23 | 66,483.33 |
| S.D. | 63,158.96 | 59,455.30 | 55,184.61 | 52,872.77 | 52,147.66 | |
| SWTI | Mean | 10,454.00 | 8272.93 | 4894.20 | 5020.87 | 5473.83 |
| S.D. | 14,273.25 | 12,737.38 | 7286.86 | 7327.01 | 7772.17 | |
| CUSW | Mean | 6506.90 | 6748.50 | 6863.63 | 6810.77 | 6626.57 |
| S.D. | 4891.62 | 4864.50 | 4938.01 | 5093.70 | 5085.69 | |
| SDTI | Mean | 70,541.03 | 85,898.87 | 213,621.40 | 263,082.73 | 173,926.73 |
| S.D. | 58,888.34 | 72,150.54 | 158,025.80 | 256,241.65 | 156,311.93 | |
| SDE | Mean | 67.24 | 63.72 | 61.17 | 58.01 | 51.89 |
| S.D. | 39.61 | 37.20 | 35.71 | 33.48 | 29.54 |
| Regions | Province |
|---|---|
| Eastern | Beijing, Tianjin, Hebei, Shanghai, Jiangsu, Zhejiang, Fujian, Shandong, Guangdong, and Hainan. |
| Central | Shanxi, Anhui, Jiangxi, Henan, Hubei, and Hunan |
| Western | Inner Mongolia, Guangxi, Chongqing, Sichuan, Guizhou, Yunnan, Tibet, Shaanxi, Gansu, Qinghai, Ningxia, and Xinjiang |
| Northeastern | Liaoning, Jilin, and Heilongjiang |
Publisher’s Note: MDPI stays neutral with regard to jurisdictional claims in published maps and institutional affiliations. |
© 2022 by the authors. Licensee MDPI, Basel, Switzerland. This article is an open access article distributed under the terms and conditions of the Creative Commons Attribution (CC BY) license (https://creativecommons.org/licenses/by/4.0/).
Share and Cite
He, K.; Zhu, N.; Jiang, W.; Zhu, C. Efficiency Evaluation of Chinese Provincial Industrial System Based on Network DEA Method. Sustainability 2022, 14, 5264. https://doi.org/10.3390/su14095264
He K, Zhu N, Jiang W, Zhu C. Efficiency Evaluation of Chinese Provincial Industrial System Based on Network DEA Method. Sustainability. 2022; 14(9):5264. https://doi.org/10.3390/su14095264
Chicago/Turabian StyleHe, Kai, Nan Zhu, Wu Jiang, and Chuanjin Zhu. 2022. "Efficiency Evaluation of Chinese Provincial Industrial System Based on Network DEA Method" Sustainability 14, no. 9: 5264. https://doi.org/10.3390/su14095264
APA StyleHe, K., Zhu, N., Jiang, W., & Zhu, C. (2022). Efficiency Evaluation of Chinese Provincial Industrial System Based on Network DEA Method. Sustainability, 14(9), 5264. https://doi.org/10.3390/su14095264

