A Topological Advancement Review of Magnetically Coupled Impedance Source Network Configurations
Abstract
:1. Introduction
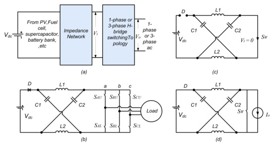
2. Operating Principle of Impedance Source Network
2.1. Mode I
| Switching State | Conducting Switches |
|---|---|
| , | |
| , | |
| , | |
| , ,, | |
| , ,, | |
| , ,, | |
| , ,, ,, |
2.2. Mode II
3. Magnetically Coupled Impedance Source Network Topological Advancement
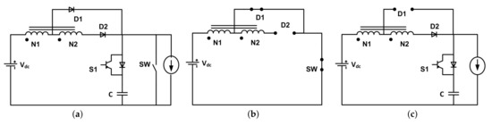
3.1. T-Source or Trans-Z-Source Impedance Network
| ZSI [20,48,49,50,51,52,53] | qZSI [22,54,55,56,57,58,59,60,61,62] | Trans-ZSI or T-ZSI [37,45,46] | Trans-qZSI [63] | Improved Trans-qZSI [64] | Improved Trans-ZSI with two transformers [47] | |
|---|---|---|---|---|---|---|
| Boost factor | ||||||
| Component used | ||||||
| Capacitor | 2 | 2 | 1 | 1 | 2 | 2 |
| Inductor | 2 | 2 | - | - | 1 | - |
| Coupled Inductor | - | - | 2 | 2 | 2 | 2 |
| Diode | 1 | 1 | 1 | 1 | 1 | 2 |
| Current drawn from source | discontinuous | continuous, highly rippled | discontinuous | continuous, highly rippled | continuous | discontinuous |
| Draws inrush current | yes | no | yes | no | no | no |
| Comment | first impedance source network, high voltage stress on components | first modified ZSI, lower voltage stress for same voltage gain, reduced component rating | higher gain, reduced component, LC i/p filter to suppress high inrush current | reduced component, LC i/p filter to suppress high ripples in input current | highest gain, reduced component count (trans-ZSI/qZSI with LC i/p filter) | higher voltage gain than trans-ZSI, cascaded multicell trans-ZSI and A-source network, lower voltage stress on diode and capacitors |
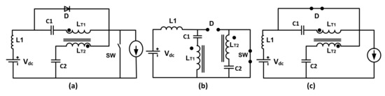
3.2. TZ-Source Impedance Network
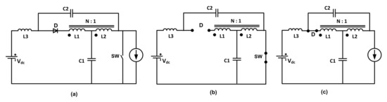
3.3. LCCT Impedance Network
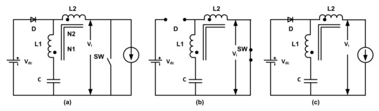
3.4. Gamma Impedance Source Inverter (ZSI)
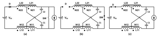
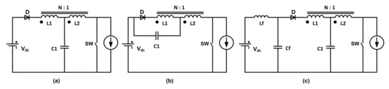
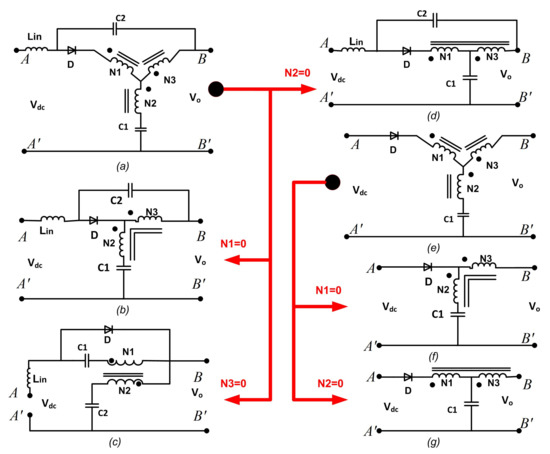
3.5. Y-Source Impedance Network
3.6. Coupled Inductor L-Source Inverter (CL-LSI)
3.7. A-Source Impedance Network
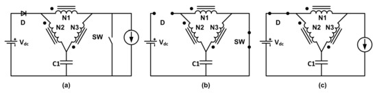
3.8. -Source Impedance Network
4. Conclusions
| LCCT-Z Source [71,72,73] | -Source [66,74] | Asym--Source [75] | -Source [67] | A-Source [76] | |
|---|---|---|---|---|---|
| Boost factor | |||||
| Component used | |||||
| Capacitor | 2 | 1 | 2 | 2 | 2 |
| Inductor | 1 | - | 1 | - | 1 |
| Coupled Inductor | 1 | 1 | 1 | 2 | 1 |
| Diode | 1 | 1 | 1 | 1 | 1 |
| Current drawn from source | continuous | discontinuous | continuous | discontinuous | continuous |
| Draws inrush current | no | yes | no | yes | no |
| Comment | inherent dc blocking, continuous current even at light load | high gain by lowering turn ratio, reduced core size, less component | high gain by lowering turn ratio, suppresses high inrush current, reduced core size | high gain, low voltage stress, reduced core size | uses autotransformer, reduced turn ratio for same gain, high power density |
| Y-Source [68,69,77] | Improved Y-Source [69,78,79] | Quasi-Y Source [69,78,79] | -Source [80] | ||
|---|---|---|---|---|---|
| Type I | Type II | ||||
| Boost factor | |||||
| Component used | |||||
| Capacitor | 1 | 2 | 2 | 2 | 1 |
| Inductor | - | 1 | - | 1 | - |
| Three-winding coupled inductor | 1 | 1 | 1 | 1 | 1 |
| Diode | 1 | 1 | 1 | 1 | 1 |
| Current drawn from source | discontinuous | continuous | continuous | continuous | discontinuous |
| Draws inrush current | yes | yes | no | yes | |
| Comment | has 3 degree of freedom, more design choices, very high boost at low compared to two winding MCIS topology, versatile | smoothing inductor and capacitor is added, high voltage gain at same , high voltage stress, improved performance at the cost of high component count | certain ratio is maintained for continuous current, risk of high inrush current and high startup inrush current, sensitive to capacitor ESR and parameter variation | same gain for , inherent dc blocking, reduced core size for same voltage gain | lower magnetizing current, high output voltage at same B compared to original Y-source but high core losses due to highly rippled magnetizing current |
Author Contributions
Funding
Institutional Review Board Statement
Informed Consent Statement
Data Availability Statement
Acknowledgments
Conflicts of Interest
References
- Xue, Y.; Chang, L.; Kjaer, S.B.; Bordonau, J.; Shimizu, T. Topologies of single-phase inverters for small distributed power generators: An overview. IEEE Trans. Power Electron. 2004, 19, 1305–1314. [Google Scholar] [CrossRef]
- Kjaer, S.B.; Pedersen, J.K.; Blaabjerg, F. Power inverter topologies for photovoltaic modules-a review. In Proceedings of the 37th IAS Annual Meeting (Cat. No. 02CH37344), Pittsburgh, PA, USA, 13–18 October 2002; Volume 2, pp. 782–788. [Google Scholar]
- Jain, S.; Agarwal, V. A single-stage grid connected inverter topology for solar PV systems with maximum power point tracking. IEEE Trans. Power Electron. 2007, 22, 1928–1940. [Google Scholar] [CrossRef] [Green Version]
- Kjaer, S.B.; Pedersen, J.K.; Blaabjerg, F. A review of single-phase grid-connected inverters for photovoltaic modules. IEEE Trans. Ind. Appl. 2005, 41, 1292–1306. [Google Scholar] [CrossRef]
- Li, Q.; Wolfs, P. A review of the single phase photovoltaic module integrated converter topologies with three different DC link configurations. IEEE Trans. Power Electron. 2008, 23, 1320–1333. [Google Scholar]
- Araújo, S.V.; Zacharias, P.; Mallwitz, R. Highly efficient single-phase transformerless inverters for grid-connected photovoltaic systems. IEEE Trans. Ind. Electron. 2010, 57, 3118–3128. [Google Scholar] [CrossRef]
- Rodriguez, J.; Lai, J.S.; Peng, F.Z. Multilevel inverters: A survey of topologies, controls, and applications. IEEE Trans. Ind. Electron. 2002, 49, 724–738. [Google Scholar] [CrossRef] [Green Version]
- Daher, S.; Schmid, J.; Antunes, F.L. Multilevel inverter topologies for stand-alone PV systems. IEEE Trans. Ind. Electron. 2008, 55, 2703–2712. [Google Scholar] [CrossRef]
- Gupta, K.K.; Ranjan, A.; Bhatnagar, P.; Sahu, L.K.; Jain, S. Multilevel inverter topologies with reduced device count: A review. IEEE Trans. Power Electron. 2016, 31, 135–151. [Google Scholar] [CrossRef]
- Peng, F.Z. A generalized multilevel inverter topology with self voltage balancing. In Proceedings of the Conference Record of the 2000 Industry Applications Conference, Rome, Italy, 8–12 October 2000; Volume 3, pp. 2024–2031. [Google Scholar]
- Gupta, H.; Yadav, A.; Maurya, S. Dynamic performance of cascade multilevel inverter based STATCOM. In Proceedings of the Power Electronics, Intelligent Control and Energy Systems (ICPEICES), New Delhi, India, 4–6 July 2016; pp. 1–4. [Google Scholar]
- Gupta, H.; Yadav, A.; Maurya, S. Multi carrier PWM and selective harmonic elimination technique for cascade multilevel inverter. In Proceedings of the Advances in Electrical, Electronics, Information, Communication and Bio-Informatics (AEEICB), Chennai, India, 27–28 February 2016; pp. 98–102. [Google Scholar]
- Loh, P.C.; Vilathgamuwa, D.M.; Gajanayake, C.J.; Lim, Y.R.; Teo, C.W. Transient modeling and analysis of pulse-width modulated Z-source inverter. IEEE Trans. Power Electron. 2007, 22, 498–507. [Google Scholar] [CrossRef]
- Shen, M.; Peng, F.Z. Operation modes and characteristics of the Z-source inverter with small inductance or low power factor. IEEE Trans. Ind. Electron. 2008, 55, 89–96. [Google Scholar] [CrossRef]
- Li, Y.; Anderson, J.; Peng, F.Z.; Liu, D. Quasi-Z-source inverter for photovoltaic power generation systems. In Proceedings of the 2009 Twenty-Fourth Annual IEEE Applied Power Electronics Conference and Exposition, APEC 2009, Washington, DC, USA, 15–19 February 2009; pp. 918–924. [Google Scholar]
- Tang, Y.; Xie, S.; Zhang, C.; Xu, Z. Improved Z-source inverter with reduced Z-source capacitor voltage stress and soft-start capability. IEEE Trans. Power Electron. 2009, 24, 409–415. [Google Scholar] [CrossRef]
- Huang, Y.; Shen, M.; Peng, F.Z.; Wang, J. Z-Source Inverter for Residential Photovoltaic Systems. IEEE Trans. Power Electron. 2006, 21, 1776–1782. [Google Scholar] [CrossRef]
- Tang, Y.; Xie, S.; Zhang, C. An improved Z-source inverter. IEEE Trans. Power Electron. 2011, 26, 3865–3868. [Google Scholar] [CrossRef]
- Yang, S.; Peng, F.Z.; Lei, Q.; Inoshita, R.; Qian, Z. Current-fed quasi-Z-source inverter with voltage buck–boost and regeneration capability. IEEE Trans. Ind. Appl. 2011, 47, 882–892. [Google Scholar] [CrossRef]
- Peng, F.Z. Z-source inverter. IEEE Trans. Ind. Appl. 2003, 39, 504–510. [Google Scholar] [CrossRef]
- Peng, F.Z.; Joseph, A.; Wang, J.; Shen, M.; Chen, L.; Pan, Z.; Ortiz-Rivera, E.; Huang, Y. Z-source inverter for motor drives. IEEE Trans. Power Electron. 2005, 20, 857–863. [Google Scholar] [CrossRef]
- Li, Y.; Jiang, S.; Cintron-Rivera, J.G.; Peng, F.Z. Modeling and control of quasi-Z-source inverter for distributed generation applications. IEEE Trans. Ind. Electron. 2013, 60, 1532–1541. [Google Scholar] [CrossRef]
- Jammy, R.R.; Annamalai, K. A new configuration of seven-level quasi Z-source–based isolated inverter for renewable applications. Int. Trans. Electr. Energy Syst. 2019, 29, e2833. [Google Scholar] [CrossRef]
- Zhou, Z.J.; Zhang, X.; Xu, P.; Shen, W.X. Single-phase uninterruptible power supply based on Z-source inverter. IEEE Trans. Ind. Electron. 2008, 55, 2997–3004. [Google Scholar] [CrossRef]
- Peng, F.Z.; Shen, M.; Holland, K. Application of Z-source inverter for traction drive of fuel cell—Battery hybrid electric vehicles. IEEE Trans. Power Electron. 2007, 22, 1054–1061. [Google Scholar] [CrossRef]
- Shen, M.; Joseph, A.; Wang, J.; Peng, F.Z.; Adams, D.J. Comparison of traditional inverters and Z-source inverter for fuel cell vehicles. IEEE Trans. Power Electron. 2007, 22, 1453–1463. [Google Scholar] [CrossRef]
- Hanif, M.; Basu, M.; Gaughan, K. Understanding the operation of a Z-source inverter for photovoltaic application with a design example. IET Power Electron. 2011, 4, 278–287. [Google Scholar] [CrossRef]
- Yadav, A.; Deolia, V.K.; Agrawal, S. Indirect closed loop control of quasi-Z-source inverter for standalone solar PV-based energy conversion system. Int. J. Power Energy Convers. 2021, 12, 236–251. [Google Scholar] [CrossRef]
- Yadav, A.; Deolia, V.K.; Agrawal, S. Dual Current Loop Control for a Third-Order Passive Damped Filter Based Quasi-Z-Source Inverter. ECTI Trans. Electr. Eng. Electron. Commun. 2021, 19, 12–22. [Google Scholar] [CrossRef]
- Ellabban, O.; Abu-Rub, H. Z-source inverter: Topology improvements review. IEEE Ind. Electron. Mag. 2016, 10, 6–24. [Google Scholar] [CrossRef]
- Siwakoti, Y.P.; Peng, F.Z.; Blaabjerg, F.; Loh, P.C.; Town, G.E. Impedance-source networks for electric power conversion part I: A topological review. IEEE Trans. Power Electron. 2014, 30, 699–716. [Google Scholar] [CrossRef]
- Abdelhakim, A.; Blaabjerg, F.; Mattavelli, P. Modulation schemes of the three-phase impedance source inverters—Part I: Classification and review. IEEE Trans. Ind. Electron. 2018, 65, 6309–6320. [Google Scholar] [CrossRef]
- Abdelhakim, A.; Blaabjerg, F.; Mattavelli, P. Modulation schemes of the three-phase impedance source inverters—Part II: Comparative assessment. IEEE Trans. Ind. Electron. 2018, 65, 6321–6332. [Google Scholar] [CrossRef]
- Siwakoti, Y.P.; Peng, F.Z.; Blaabjerg, F.; Loh, P.C.; Town, G.E.; Yang, S. Impedance-source networks for electric power conversion part II: Review of control and modulation techniques. IEEE Trans. Power Electron. 2014, 30, 1887–1906. [Google Scholar] [CrossRef]
- Yadav, A.; Deolia, V.; Agrawal, S. Influence of parasitic resistance on dynamic response of a Quasi-Z-Source connected system. In Proceedings of the 2020 International Conference on Power Electronics & IOT Applications in Renewable Energy and Its Control (PARC), Mathura, UP, India, 28–29 February 2020; pp. 220–225. [Google Scholar] [CrossRef]
- Yadav, A.; Chandra, S. Single stage high boost Quasi-Z-Source inverter for off-grid photovoltaic application. In Proceedings of the 2020 International Conference on Power Electronics & IOT Applications in Renewable Energy and its Control (PARC), Mathura, UP, India, 28–29 February 2020; pp. 257–262. [Google Scholar] [CrossRef]
- Strzelecki, R.; Adamowicz, M.; Strzelecka, N.; Bury, W. New type T-source inverter. In Compatibility and Power Electronics; IEEE: Piscataway, NJ, USA, 2009; pp. 191–195. [Google Scholar]
- Liu, H.; Ji, Y.; Wang, L.; Wheeler, P. A family of improved magnetically coupled impedance network boost DC–DC converters. IEEE Trans. Power Electron. 2017, 33, 3697–3702. [Google Scholar] [CrossRef]
- Shen, M.; Wang, J.; Joseph, A.; Peng, F.Z.; Tolbert, L.M.; Adams, D.J. Constant boost control of the Z-source inverter to minimize current ripple and voltage stress. IEEE Trans. Ind. Appl. 2006, 42, 770–778. [Google Scholar] [CrossRef]
- Peng, F.Z.; Shen, M.; Qian, Z. Maximum boost control of the Z-source inverter. IEEE Trans. Power Electron. 2005, 20, 833–838. [Google Scholar] [CrossRef]
- Shen, M.; Wang, J.; Joseph, A.; Peng, F.Z.; Tolbert, L.M.; Adams, D.J. Maximum constant boost control of the Z-source inverter. In Proceedings of the 39th IAS Annual Meeting Industry Applications Conference, Edmonton, AB, Canada, 5–9 October 2004; Volume 1. [Google Scholar]
- Loh, P.C.; Vilathgamuwa, D.M.; Lai, Y.S.; Chua, G.T.; Li, Y. Pulse-width modulation of Z-source inverters. In Proceedings of the 2004 39th IAS Annual Meeting Industry Applications Conference, Washinghton, DC, USA, 3–7 October 2004; Volume 1. [Google Scholar]
- Ellabban, O.; Van Mierlo, J.; Lataire, P. Comparison between different PWM control methods for different Z-source inverter topologies. In Proceedings of the 2009 Power Electronics and Applications, EPE’09, Barcelona, Spain, 8–10 September 2009; pp. 1–11. [Google Scholar]
- Yadav, A.; Chandra, S.; Deolia, V.; Agrawal, S. Z source inverter application and control for decentralized photovoltaic system. In Proceedings of the Condition Assessment Techniques in Electrical Systems (CATCON), Chennai, India, 21–23 November 2017; pp. 52–57. [Google Scholar]
- Qian, W.; Peng, F.Z.; Cha, H. Trans-Z-source inverters. IEEE Trans. Power Electron. 2011, 26, 3453–3463. [Google Scholar] [CrossRef]
- Li, D.; Loh, P.C.; Zhu, M.; Gao, F.; Blaabjerg, F. Cascaded multicell trans-Z-source inverters. IEEE Trans. Power Electron. 2013, 28, 826–836. [Google Scholar]
- Kojabadi, H.M.; Kivi, H.F.; Blaabjerg, F. Experimental and theoretical analysis of trans-Z-source inverters with leakage inductance effects. IEEE Trans. Ind. Electron. 2018, 65, 977–987. [Google Scholar] [CrossRef]
- Tran, Q.V.; Chun, T.W.; Ahn, J.R.; Lee, H.H. Algorithms for controlling both the DC boost and AC output voltage of Z-source inverter. IEEE Trans. Ind. Electron. 2007, 54, 2745–2750. [Google Scholar] [CrossRef]
- Gajanayake, C.J.; Vilathgamuwa, D.M.; Loh, P.C. Development of a Comprehensive Model and a Multiloop Controller for Z-Source Inverter DG Systems. IEEE Trans. Ind. Electron. 2007, 54, 2352–2359. [Google Scholar] [CrossRef]
- Hakeem, A.A.; Elserougi, A.; El Zawawi, A.; Ahmed, S.; Massoud, A. A modified modulation scheme for capacitor voltage control of renewable energy-fed grid-connected z-source inverters. In Proceedings of the IECON 2012-38th Annual Conference on IEEE Industrial Electronics Society, Montreal, QC, Canada, 25–28 October 2012; pp. 886–893. [Google Scholar]
- Cavalcanti, M.; Bradaschia, F.; de Melo Neto, M.; Azevedo, G.; Cardoso, T. Dynamic modeling and control system design of the buck-boost-based three-state three-phase Z-source inverter. Int. J. Electr. Power Energy Syst. 2019, 104, 654–663. [Google Scholar] [CrossRef]
- Dehghanzadeh, A.R.; Behjat, V.; Banaei, M.R. Double input Z-source inverter applicable in dual-star PMSG based wind turbine. Int. J. Electr. Power Energy Syst. 2016, 82, 49–57. [Google Scholar] [CrossRef]
- Sonar, S.; Maity, T.; Minu, M. Single phase transformerless wide range ac boost voltage regulator based on z-source network. Int. J. Electr. Power Energy Syst. 2013, 47, 193–197. [Google Scholar] [CrossRef]
- Liu, Y.; Ge, B.; Abu-Rub, H.; Peng, F.Z. Control system design of battery-assisted quasi-Z-source inverter for grid-tie photovoltaic power generation. IEEE Trans. Sustain. Energy 2013, 4, 994–1001. [Google Scholar] [CrossRef]
- Ge, B.; Abu-Rub, H.; Peng, F.Z.; Lei, Q.; De Almeida, A.T.; Ferreira, F.J.; Sun, D.; Liu, Y. An energy-stored quasi-Z-source inverter for application to photovoltaic power system. IEEE Trans. Ind. Electron. 2013, 60, 4468–4481. [Google Scholar] [CrossRef]
- Abu-Rub, H.; Iqbal, A.; Ahmed, S.M.; Peng, F.Z.; Li, Y.; Baoming, G. Quasi-Z-source inverter-based photovoltaic generation system with maximum power tracking control using ANFIS. IEEE Trans. Sustain. Energy 2013, 4, 11–20. [Google Scholar] [CrossRef]
- Liu, Y.; Abu-Rub, H.; Ge, B. Z-Source∖/Quasi-Z-Source Inverters: Derived Networks, Modulations, Controls, and Emerging Applications to Photovoltaic Conversion. IEEE Ind. Electron. Mag. 2014, 8, 32–44. [Google Scholar] [CrossRef]
- Florez-Tapia, A.M.; Vadillo, J.; Martin-Villate, A.; Echeverria, J.M. Transient analysis of a trans quasi-Z-source inverter working in discontinuous conduction mode. Electr. Power Syst. Res. 2017, 151, 106–114. [Google Scholar] [CrossRef]
- Florez-Tapia, A.M.; Ibanez, F.M.; Vadillo, J.; Elosegui, I.; Echeverria, J.M. Small signal modeling and transient analysis of a Trans quasi-Z-source inverter. Electr. Power Syst. Res. 2017, 144, 52–62. [Google Scholar] [CrossRef]
- Rajasegharan, V.; Premalatha, L.; Rengaraj, R. Modelling and controlling of PV connected quasi Z-source cascaded multilevel inverter system: An HACSNN based control approach. Electr. Power Syst. Res. 2018, 162, 10–22. [Google Scholar]
- Khajesalehi, J.; Hamzeh, M.; Sheshyekani, K.; Afjei, E. Modeling and control of quasi Z-source inverters for parallel operation of battery energy storage systems: Application to microgrids. Electr. Power Syst. Res. 2015, 125, 164–173. [Google Scholar] [CrossRef]
- Sun, D.; Ge, B.; Bi, D.; Peng, F.Z. Analysis and control of quasi-Z source inverter with battery for grid-connected PV system. Int. J. Electr. Power Energy Syst. 2013, 46, 234–240. [Google Scholar] [CrossRef]
- Florez-Tapia, A.M.; Vadillo, J.; Echeverria, J.M. Fault tolerance of the bidirectional trans quasi-Z-source inverter. Int. J. Electr. Power Energy Syst. 2018, 95, 440–450. [Google Scholar] [CrossRef]
- Nguyen, M.K.; Lim, Y.C.; Park, S.J. Improved trans-Z-source inverter with continuous input current and boost inversion capability. IEEE Trans. Power Electron. 2013, 28, 4500–4510. [Google Scholar] [CrossRef]
- Nguyen, M.K.; Lim, Y.C.; Kim, Y.G. TZ-source inverters. IEEE Trans. Ind. Electron. 2013, 60, 5686–5695. [Google Scholar] [CrossRef]
- Loh, P.C.; Li, D.; Blaabjerg, F. Γ-Z-source inverters. IEEE Trans. Power Electron. 2013, 28, 4880–4884. [Google Scholar] [CrossRef]
- Soon, J.J.; Low, K.S. Sigma-Z-source inverters. IET Power Electron. 2015, 8, 715–723. [Google Scholar] [CrossRef]
- Siwakoti, Y.P.; Loh, P.C.; Blaabjerg, F.; Town, G. Y-source impedance network. In Proceedings of the Applied Power Electronics Conference and Exposition (APEC), Fort Worth, TX, USA, 16–20 March 2014; pp. 3362–3366. [Google Scholar]
- Siwakoti, Y.P.; Loh, P.C.; Blaabjerg, F.; Town, G.E. Magnetically coupled high-gain Y-source isolated DC/DC converter. IET Power Electron. 2014, 7, 2817–2824. [Google Scholar] [CrossRef]
- Liu, H.; Ji, Y.; Wheeler, P. Coupled-inductor L-source inverter. IEEE J. Emerg. Sel. Top. Power Electron. 2017, 5, 1298–1310. [Google Scholar] [CrossRef]
- Adamowicz, M. LCCT-Z-source inverters. In Proceedings of the Environment and Electrical Engineering (EEEIC), Rome, Italy, 8–11 May 2011; pp. 1–6. [Google Scholar]
- Adamowicz, M.; Strzelecki, R.; Peng, F.Z.; Guzinski, J.; Rub, H.A. New type LCCT-Z-source inverters. In Proceedings of the Power Electronics and Applications (EPE 2011), Birmingham, UK, 30 August–1 September 2011; pp. 1–10. [Google Scholar]
- Adamowicz, M.; Guzinski, J.; Strzelecki, R.; Peng, F.Z.; Abu-Rub, H. High step-up continuous input current LCCT-Z-source inverters for fuel cells. In Proceedings of the Energy Conversion Congress and Exposition (ECCE), Phoenix, AZ, USA, 17–22 September 2011; pp. 2276–2282. [Google Scholar]
- Mo, W.; Loh, P.C.; Blaabjerg, F. Voltage type Γ-source inverters with continuous input current and enhanced voltage boost capability. In Proceedings of the Power Electronics and Motion Control Conference (EPE∖PEMC), Novi Sad, Serbia, 4–6 September 2012. [Google Scholar]
- Mo, W.; Loh, P.C.; Blaabjerg, F. Asymmetrical∖Γ-Source Inverters. IEEE Trans. Ind. Electron. 2014, 61, 637–647. [Google Scholar] [CrossRef]
- Siwakoti, Y.P.; Blaabjerg, F.; Galigekere, V.P.; Ayachit, A.; Kazimierczuk, M.K. A-source impedance network. IEEE Trans. Power Electron. 2016, 31, 8081–8087. [Google Scholar] [CrossRef]
- Siwakoti, Y.P.; Loh, P.C.; Blaabjerg, F.; Andreasen, S.J.; Town, G.E. Y-source boost dc/dc converter for distributed generation. IEEE Trans. Ind. Electron. 2015, 62, 1059–1069. [Google Scholar] [CrossRef]
- Siwakoti, Y.P.; Blaabjerg, F.; Loh, P.C. Quasi-Y-source boost dc–dc converter. IEEE Trans. Power Electron. 2015, 30, 6514–6519. [Google Scholar] [CrossRef]
- Siwakoti, Y.P.; Blaabjerg, F.; Loh, P.C. New magnetically coupled impedance (Z-) source networks. IEEE Trans. Power Electron 2016, 31, 7419–7435. [Google Scholar] [CrossRef]
- Hakemi, A.; Sanatkar-Chayjani, M.; Monfared, M. Δ-source impedance network. IEEE Trans. Ind. Electron. 2017, 64, 7842–7851. [Google Scholar] [CrossRef]















Publisher’s Note: MDPI stays neutral with regard to jurisdictional claims in published maps and institutional affiliations. |
© 2022 by the authors. Licensee MDPI, Basel, Switzerland. This article is an open access article distributed under the terms and conditions of the Creative Commons Attribution (CC BY) license (https://creativecommons.org/licenses/by/4.0/).
Share and Cite
Yadav, A.; Chandra, S.; Bajaj, M.; Sharma, N.K.; Ahmed, E.M.; Kamel, S. A Topological Advancement Review of Magnetically Coupled Impedance Source Network Configurations. Sustainability 2022, 14, 3123. https://doi.org/10.3390/su14053123
Yadav A, Chandra S, Bajaj M, Sharma NK, Ahmed EM, Kamel S. A Topological Advancement Review of Magnetically Coupled Impedance Source Network Configurations. Sustainability. 2022; 14(5):3123. https://doi.org/10.3390/su14053123
Chicago/Turabian StyleYadav, Arvind, Subhash Chandra, Mohit Bajaj, Naveen Kumar Sharma, Emad M. Ahmed, and Salah Kamel. 2022. "A Topological Advancement Review of Magnetically Coupled Impedance Source Network Configurations" Sustainability 14, no. 5: 3123. https://doi.org/10.3390/su14053123
APA StyleYadav, A., Chandra, S., Bajaj, M., Sharma, N. K., Ahmed, E. M., & Kamel, S. (2022). A Topological Advancement Review of Magnetically Coupled Impedance Source Network Configurations. Sustainability, 14(5), 3123. https://doi.org/10.3390/su14053123

