Decreasing the Battery Recharge Time if Using a Fuzzy Based Power Management Loop for an Isolated Micro-Grid Farm
Abstract
:1. Introduction
1.1. Literat Ure State of the Art
1.2. Statement about the Paper Contribution
1.3. Paper Organization
2. The Isolated Micro-Grid Composition
2.1. Photovoltaic Generator
2.2. Wind Turbine
2.2.1. Mechanical Subsystem
2.2.2. Electrical Subsystem
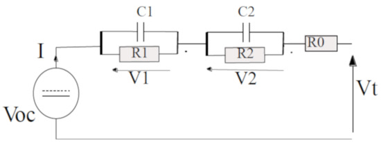
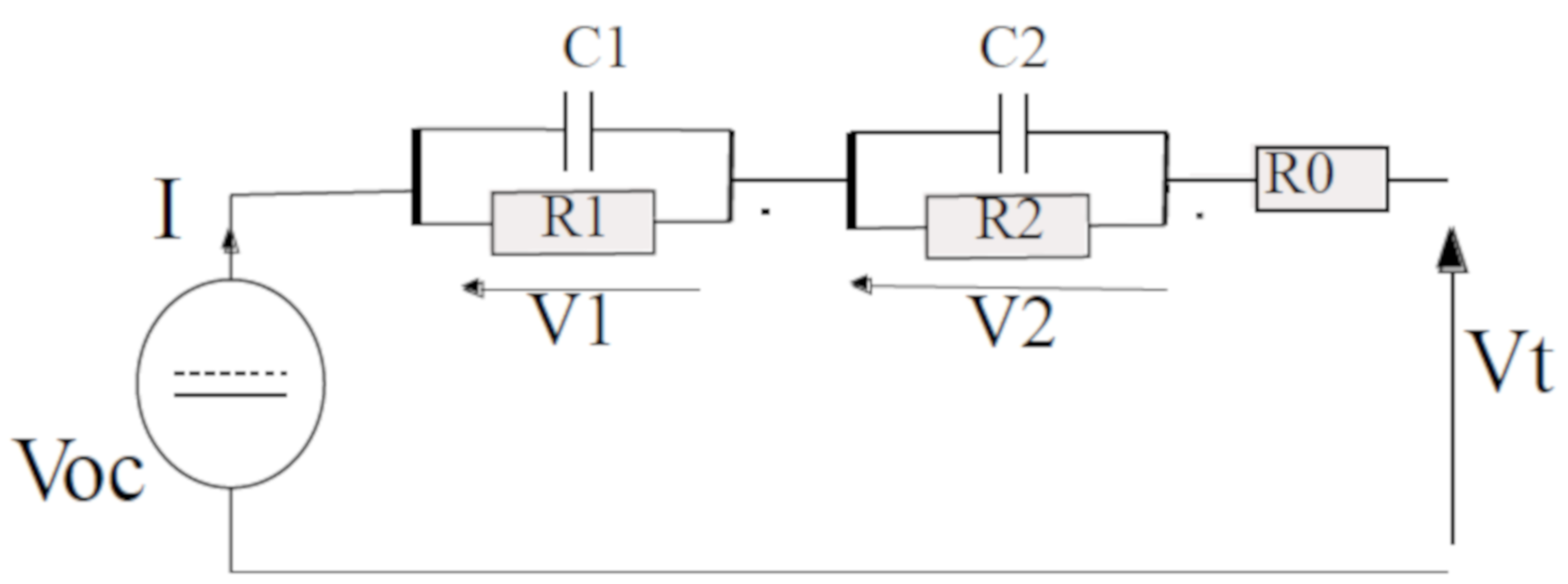
2.3. Lithium Battery Pack
2.4. Converters
3. Loop of Power Management
3.1. Fuzzy Controller Configuration
3.2. The Neural Network Control Combination
3.3. The Relay ON_OFF Control Loop
3.4. The PI Control Loop
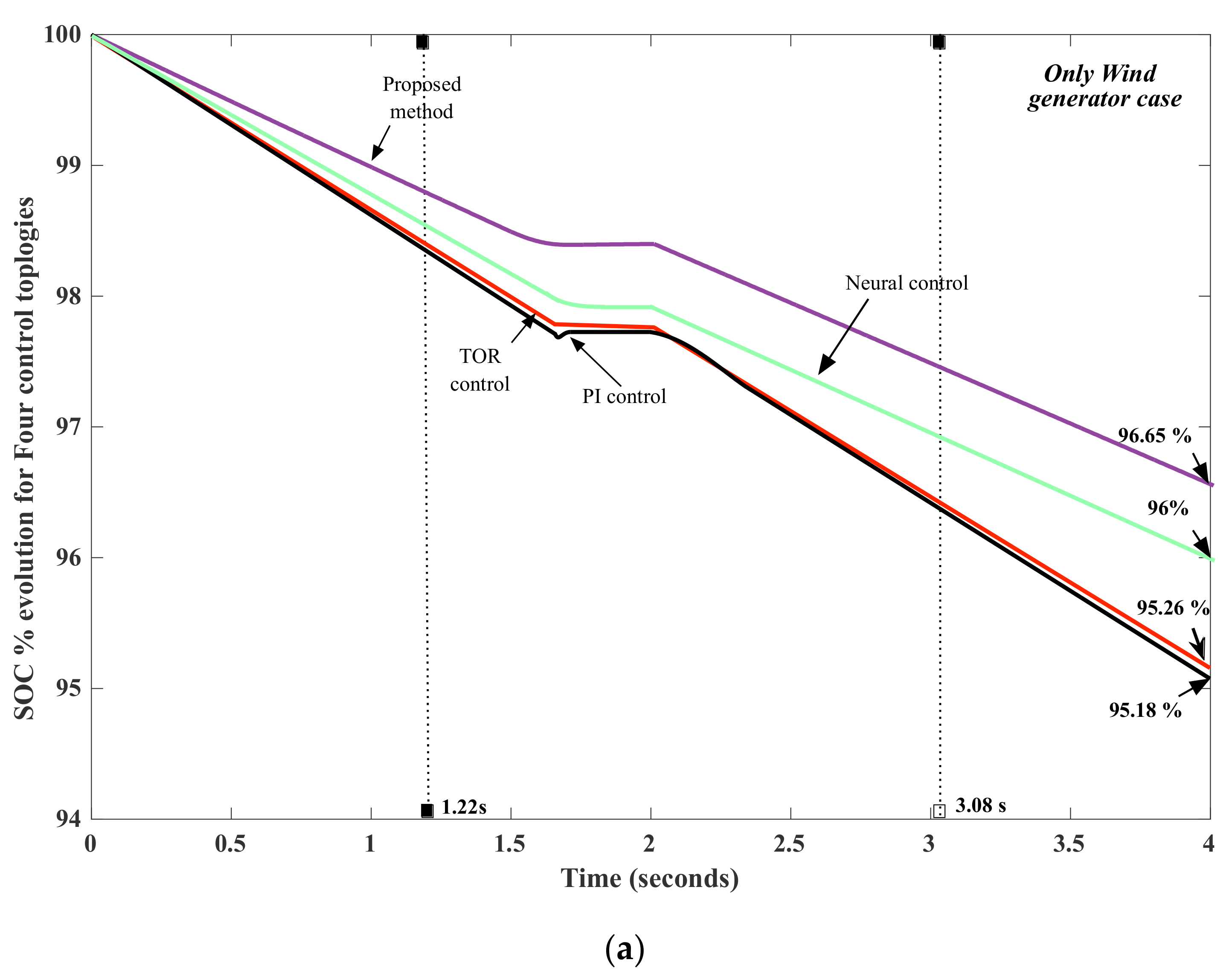
3.5. The Simulation Results
Case of a Stationary Load
4. Application to a Real Case
5. Conclusions
Author Contributions
Funding
Acknowledgments
Conflicts of Interest
List of Symbols
| Total output current | Nominal Maximum Power | ||
| Current generated by the incident light | Optimum Operating Voltage | ||
| Diode current | Optimum Operating Current | ||
| The current of a parallel resistance | Wind power | ||
| The diode saturation current | Mechanical power | ||
| Short circuit current | Power coefficient of the wind turbine | ||
| Diode thermal voltage | Wind speed | ||
| Open circuit voltage | Tip speed ratio | ||
| Series resistance | Rotation speed of the turbine | ||
| Parallel resistance | The radius of the rotor blade | ||
| Boltzmann constant | Pitch angle | ||
| Electron charge | The surface of the blade | ||
| Diode ideality constant | Air density | ||
| Temperature coefficient of short circuit current | Moment of inertia | ||
| Operating temperature | Electromagnetic torque | ||
| Nominal temperature | Viscosity coefficient of friction | ||
| Actual sun irradiance | Number of series cells of a module | ||
| Nominal sun irradiance | Power PV | ||
| The band gap of silicon at 25°C | Total output voltage | ||
| Number parallels strings | Number series strings |
References
- Kayacan, E.; Kayacan, E.; Ramon, H.; Kaynak, O.; Saeys, W. Towards Agrobots: Trajectory Control of an Autonomous Tractor Using Type-2 Fuzzy Logic Controllers. IEEE/ASME Trans. Mechatron. 2015, 20, 287–298. [Google Scholar] [CrossRef]
- Ritzen, P.; Roebroek, E.; Van De Wouw, N.; Jiang, Z.; Nijmeijer, H. Trailer Steering Control of a Tractor–Trailer Robot. IEEE Trans. Control Syst. Technol. 2016, 24, 1240–1252. [Google Scholar] [CrossRef]
- Zhiying, Z.; Haiqing, J.; Shutong, Z.; Jianshe, J. The Electricity Management System of Agricultural Irrigation Based on Fee Control Terminal. In Proceedings of the 2018 China International Conference on Electricity Distribution (CICED), Tianjin, China, 17–19 September 2018; pp. 2–6. [Google Scholar]
- AEM. U.S. Tractor and Combine Sales Achieve Positive Results in 2019. Available online: https://www.oemoffhighway.com/market-analysis/industry-news/agriculture/news/21110001/association-of-equipment-manufacturers-aem-us-tractor-and-combine-sales-achieve-positive-results-in-2019 (accessed on 20 September 2021).
- Tavoosi, J.; Mohammadzadeh, A.; Pahlevanzadeh, B.; Kasmani, M.B.; Band, S.S.; Safdar, R.; Mosavi, A.H. A machine learning approach for active/reactive power control of grid-connected doubly-fed induction generators. Ain Shams Eng. J. 2022, 13, 101564. [Google Scholar] [CrossRef]
- Liu, Z.; Mohammadzadeh, A.; Turabieh, H.; Mafarja, M.; Band, S.S.; Mosavi, A. A New Online Learned Interval Type-3 Fuzzy Control System for Solar Energy Management Systems. IEEE Access 2021, 9, 10498–10508. [Google Scholar] [CrossRef]
- Moayedi, H.; Mosavi, A. Double-Target Based Neural Networks in Predicting Energy Consumption in Residential Buildings. Energies 2021, 14, 1331. [Google Scholar] [CrossRef]
- Band, S.S.; Ardabili, S.; Mosavi, A.; Jun, C.; Khoshkam, H.; Moslehpour, M. Feasibility of soft computing techniques for estimating the long-term mean monthly wind speed. Energy Rep. 2022, 8, 638–648. [Google Scholar] [CrossRef]
- Sahragard, A.; Falaghi, H.; Farhadi, M.; Mosavi, A.; Estebsari, A. Generation Expansion Planning in the Presence of Wind Power Plants Using a Genetic Algorithm Model. Electronics 2020, 9, 1143. [Google Scholar] [CrossRef]
- Panday, A.; Bansal, H. A review of optimal energy management strategies for hybrid electric vehicle. Int. J. Veh. Technol. 2014, 2014, 160510. [Google Scholar] [CrossRef] [Green Version]
- Romero, A.; Carvalho, M.; Millar, D.L. Optimal Design and Control of Wind-Diesel Hybrid Energy Systems for Remote Arctic Mines. J. Energy Resour. Technol. 2016, 138, 62004–62010. [Google Scholar] [CrossRef]
- Maissa, F.; Barambones, O.; Lassad, S.; Fleh, A. A robust MPP tracker based on sliding mode control for a photovoltaic based pumping system. Int. J. Autom. Comput. 2017, 14, 489–500. [Google Scholar] [CrossRef]
- Femia, N.; Petrone, G.; Spagnuolo, G.; Vitelli, M. Optimization of perturb and observe maximum power point tracking method. IEEE Trans. Power Electron. 2005, 20, 963–973. [Google Scholar] [CrossRef]
- Milivojevic, N.; Member, S.; Stamenkovic, I.; Member, S. Electrical Machines and Power Electronic Drives for Wind Turbine Applications. In Proceedings of the 2008 34th Annual Conference of IEEE Industrial Electronics, Orlando, FL, USA, 10–13 November 2008. [Google Scholar] [CrossRef]
- Khaligh, A.; Member, S.; Li, Z.; Member, S. Battery, Ultracapacitor, Fuel Cell, and Hybrid Energy Storage Systems for Electric, Hybrid Electric, Fuel Cell, and Plug-In Hybrid Electric Vehicles: State of the Art. IEEE Trans. Veh. Technol. 2010, 59, 2806–2814. [Google Scholar] [CrossRef]
- Wu, F.-B.; Yang, B.; Ye, J.-L. (Eds.) Chapter 4—Operation control technology of energy storage systems. In Grid-Scale Energy Storage Systems and Applications; Academic Press: Cambridge, MA, USA, 2019; pp. 83–151. ISBN 978-0-12-815292-8. [Google Scholar]
- Nam, S.S.; Alouini, M.; Choi, S. Iterative Relay Scheduling With Hybrid ARQ Under Multiple User Equipment (Type II) Relay Environments. IEEE Access 2018, 6, 6455–6463. [Google Scholar] [CrossRef]
- Rao, L.N.; Gairola, S. PV System Analysis under Partial Shading Using a Sine Model. Int. J. Renew. Energy Res. 2018, 8, 280–290. [Google Scholar]
- Radu, R.; Micheli, D.; Alessandrini, S.; Casula, I.; Radu, B. Modeling and Performance Analysis of an Integrated System: Variable Speed Operated Internal Combustion Engine Combined Heat and Power Unit–Photovoltaic Array. J. Energy Resour. Technol. 2015, 137, 32001–32010. [Google Scholar] [CrossRef]
- Chenouard, R.; El-Sehiemy, R.A. An interval branch and bound global optimization algorithm for parameter estimation of three photovoltaic models. Energy Convers. Manag. 2020, 205, 112400. [Google Scholar] [CrossRef]
- Said, M.; Shaheen, A.M.; Ginidi, A.R.; El-Sehiemy, R.A.; Mahmoud, K.; Lehtonen, M.; Darwish, M.M.F. Estimating Parameters of Photovoltaic Models Using Accurate Turbulent Flow of Water Optimizer. Processes 2021, 9, 627. [Google Scholar] [CrossRef]
- Hammoumi, D.; El Bekkali, C.; Karim, M.; Taoussi, M.; El Ouanjli, N.; Bossoufi, B. Direct controls for wind turbine with PMSG used on the real wind profile of essaouira-Morocco City. Indones. J. Electr. Eng. Comput. Sci. 2019, 16, 1229–1239. [Google Scholar] [CrossRef]
- Angala Parameswari, G.; Habeebullah Sait, H. A comprehensive review of fault ride-through capability of wind turbines with grid-connected doubly fed induction generator. Int. Trans. Electr. Energy Syst. 2020, 30, e12395. [Google Scholar] [CrossRef]
- Asmine, M.; Brochu, J.; Fortmann, J.; Gagnon, R.; Kazachkov, Y.; Langlois, C.-E.; Larose, C.; Muljadi, E.; MacDowell, J.; Pourbeik, P.; et al. Model Validation for Wind Turbine Generator Models. IEEE Trans. Power Syst. 2011, 26, 1769–1782. [Google Scholar] [CrossRef]
- Sørensen, P.; Andresen, B.; Fortmann, J.; Pourbeik, P. Modular structure of wind turbine models in IEC 61400-27-1. In Proceedings of the 2013 IEEE Power & Energy Society General Meeting, Vancouver, BC, Canada, 21–25 July 2013; pp. 1–5. [Google Scholar]
- Flah, A.; Irfan, A.K.; Agarwal, A.; Sbita, L.; Marcelo, G. Simoes Field-oriented control strategy for double-stator single-rotor and double-rotor single-stator permanent magnet machine: Design and operation. Comput. Electr. Eng. 2021, 90, 106953. [Google Scholar] [CrossRef]
- Ogunjuyigbe, A.S.O.; Ayodele, T.R.; Adetokun, B.B. Modelling and Analysis of Dual Stator-Winding Induction Machine using Complex Vector Approach Engineering Science and Technology, an International Journal Modelling and analysis of dual stator-winding induction machine using complex vector approach. Eng. Sci. Technol. Int. J. 2018, 21, 351–363. [Google Scholar] [CrossRef]
- Rajan Singaravel, M.M.; Arul Daniel, S. Sizing of hybrid PMSG-PV system for battery charging of electric vehicles. Front. Energy 2015, 9, 68–74. [Google Scholar] [CrossRef]
- Rothenberger, M.J.; Safi, J.; Liu, J.; Anstrom, J.; Brennan, S.; Fathy, H.K. Improving Lithium-Ion Battery Pack Diagnostics by Optimizing the Internal Allocation of Demand Current for Parameter Identifiability. J. Dyn. Syst. Meas. Control 2017, 139, 081001. [Google Scholar] [CrossRef]
- Scrosati, B.; Garche, J. Lithium batteries: Status, prospects and future. J. Power Sources 2010, 195, 2419–2430. [Google Scholar] [CrossRef]
- Di Domenico, D.; Stefanopoulou, A.; Fiengo, G. Lithium-Ion Battery State of Charge and Critical Surface Charge Estimation Using an Electrochemical Model-Based Extended Kalman Filter. J. Dyn. Syst. Meas. Control 2010, 132, 061302. [Google Scholar] [CrossRef]
- El-Sehiemy, R.A.; Hamida, M.A.; Mesbahi, T. Parameter identification and state-of-charge estimation for lithium-polymer battery cells using enhanced sunflower optimization algorithm. Int. J. Hydrogen Energy 2020, 45, 8833–8842. [Google Scholar] [CrossRef]
- Kraiem, H.; Flah, A.; Mohamed, N.; Alowaidi, M.; Bajaj, M.; Mishra, S.; Sharma, N.K.; Sharma, S.K. Increasing Electric Vehicle Autonomy Using a Photovoltaic System Controlled by Particle Swarm Optimization. IEEE Access 2021, 9, 72040–72054. [Google Scholar] [CrossRef]
- Hajia, N.; Venkatesh, B. SOC model of high power Lithium-Ion battery. In Proceedings of the 2015 IEEE Electrical Power and Energy Conference, London, ON, Canada, 24 October 2015; pp. 112–119. [Google Scholar] [CrossRef]
- Rezzak, D.; Boudjerda, N. Management and control strategy of a hybrid energy source fuel cell/supercapacitor in electric vehicles. Int. Trans. Electr. Energy Syst. 2017, 27, e2308. [Google Scholar] [CrossRef]
- Tankari, M.A.; Camara, M.B.; Dakyo, B. DC-bus voltage control for multi-sources systems—Battery and Supercapacitors. In Proceedings of the IECON 2011—37th Annual Conference of the IEEE Industrial Electronics Society, Melbourne, VIC, Australia, 7–10 November 2011; pp. 1270–1275. [Google Scholar] [CrossRef]
- Reshma Gopi, R.; Sreejith, S. Converter topologies in photovoltaic applications—A review. Renew. Sustain. Energy Rev. 2018, 94, 1–14. [Google Scholar] [CrossRef]
- Patin, N. 2—DC/AC Converters. In Power Electronics Applied to Industrial Systems and Transports; Elsevier: Amsterdam, The Netherlands, 2015; Volume 2, pp. 35–100. ISBN 978-1-78548-001-0. [Google Scholar]













| Parameters | Values | Parameters | Values |
|---|---|---|---|
| 7.9163 A | 0.07 %/deg.C | ||
| 1.3196 × 10−10 A | a | 0.9467 | |
| 7.89 A | T | 273 + (10, 15, 25, 30) K | |
| 43.4 V | 298 K | ||
| 0.53082 Ω | G | (500, 750, 1000) W/m2 | |
| 159.1067 Ω | 1000 W/m2 | ||
| 34.4 V | 7.27 A | ||
| K | 1.38 × 10−23 J/K | 1.2 eV | |
| q | 1.6 × 10−19 C | 72 | |
| 5 kW | 172 V | ||
| 29.069 A | 5*4 |
| Mechanical Parameters | Electrical Parameters | ||||
|---|---|---|---|---|---|
| Parameter | Value | Parameter | Value | Parameter | Value |
| 13,500 W | 5 | 50 N.m | |||
| 0.48 | 21 | 4 | |||
| -- m/s | 0.0068 | 0.1688 web | |||
| 1.2 | 33.36 m2 | 0.0918 Ω | |||
| 300 tr/min | 1.292 Kg/m | 314.159 tr/min | |||
| 3 m | 148.5 Kg.m2 | ||||
| 0 deg | 1.4 N.m.s/rad | ||||
| 0.5176 | 31.41 rad/s | ||||
| 116 | 45 N.m | ||||
| 0.4 | |||||
| Parameter | Value |
|---|---|
| 1500 Wh | |
| 150 V | |
| 10 Ah | |
| 0.15 Ω |
| Input Variable | Fuzzy Equivalence | A | B | C | |
|---|---|---|---|---|---|
| SOC | Small | 0 | 0.25 | 0.55 | ![]() |
| Medium | 0.25 | 0.5 | 0.75 | ||
| Big | 0.5 | 0.75 | 1 | ||
| Small | 0 | 0.2 | 0.5 | ||
| Medium | 0.2 | 0.5 | 0.8 | ||
| Big | 0.5 | 0.8 | 1 | ||
| Small | 0 | 0.2 | 0.4 | ||
| Medium | 0.2 | 0.6 | 0.8 | ||
| Big | 0.6 | 0.8 | 1 |
| Output Vector | Fuzzy Equivalence | A | B | C |
|---|---|---|---|---|
| Little | 0 | 0.1 | 0.15 | |
| Medium | 0.12 | 0.3 | 0.45 | |
| High | 0.45 | 0.75 | 1.0 | |
| Little | 0 | 0.25 | 0.5 | |
| Medium | 0.2 | 0.5 | 0.8 | |
| High | 0.5 | 0.75 | 1 |
| Rules | Input Vector | ||||
|---|---|---|---|---|---|
| SOC | |||||
| 1 | Small | Big | Small | High | Little |
| 2 | Small | Big | Medium | High | Little |
| 3 | Small | Big | Big | Medium | medium |
| 4 | Small | Medium | Small | High | Little |
| 5 | Small | Medium | Medium | medium | Little |
| 6 | Small | Medium | Big | medium | Little |
| 7 | Small | Small | Small | medium | Medium |
| 8 | Small | Small | Medium | medium | Medium |
| 9 | Small | Small | Big | medium | Little |
| 10 | Medium | Big | Small | High | Little |
| 11 | Medium | Big | Medium | medium | Medium |
| 12 | Medium | Big | Big | medium | Medium |
| 13 | Medium | Medium | Small | medium | High |
| 14 | Medium | Medium | Medium | medium | High |
| 15 | Medium | Medium | Big | Little | Medium |
| 16 | Medium | Small | Small | medium | Medium |
| 17 | Medium | Small | Medium | Little | High |
| 18 | Medium | Small | Big | Little | Little |
| 19 | Big | Big | Small | medium | High |
| 20 | Big | Big | Medium | little | High |
| 21 | Big | Big | Big | little | High |
| 22 | Big | Medium | Small | medium | Medium |
| 23 | Big | Medium | Medium | little | Medium |
| 24 | Big | Medium | Big | little | High |
| 25 | Big | Small | Small | medium | High |
| 26 | Big | Small | Medium | little | High |
| 27 | Big | Small | Big | little | High |
| Time (s) | Wind Power (Watt) | PV Power (Watt) | Total (watt) | Extra Power(watt) | Needed Power (watt) |
|---|---|---|---|---|---|
| 0 to 1 | 3000 | 1500 | 4500 | - | 10,500 |
| 1 to 2 | 15,000 | 5000 | 20,000 | 5000 | - |
| 2 to 3 | 12,000 | 3500 | 15,500 | 500 | - |
| 3 to 4 | 5000 | 1500 | 6500 | - | 8500 |
| SOC (%) Loss | Only PV Generator | Only Wind Generator | PV and Wind Generators |
|---|---|---|---|
| with fuzzy controller | 3.62% | 3.35% | 0.97% |
| With neural controller | 4.29% | 4.00% | 1.27% |
| With PI controller | 5.08% | 4.82% | 1.37% |
| with Relay controller | 5.15% | 4.74% | 1.42% |
| Month | Jan | Feb | Mar | Apri–Aug |
|---|---|---|---|---|
| Average Hours of Solar radiation per day | ||||
| Average Hours of Wind per day | ||||
| Average Hours of the maximum of radiation per day | ||||
| Average Hours of the maximum wind speed per day | ||||
| Month | Sep | Oct–Nov | Dec | |
| Average Hours of Solar radiation per day | ||||
| Average Hours of Wind per day | ||||
| Average Hours of the maximum of radiation per day | ||||
| Average Hours of the maximum wind speed per day |
Publisher’s Note: MDPI stays neutral with regard to jurisdictional claims in published maps and institutional affiliations. |
© 2022 by the authors. Licensee MDPI, Basel, Switzerland. This article is an open access article distributed under the terms and conditions of the Creative Commons Attribution (CC BY) license (https://creativecommons.org/licenses/by/4.0/).
Share and Cite
Kraiem, H.; Flah, A.; Mohamed, N.; Messaoud, M.H.B.; Al-Ammar, E.A.; Althobaiti, A.; Alotaibi, A.A.; Jasiński, M.; Suresh, V.; Leonowicz, Z.; et al. Decreasing the Battery Recharge Time if Using a Fuzzy Based Power Management Loop for an Isolated Micro-Grid Farm. Sustainability 2022, 14, 2870. https://doi.org/10.3390/su14052870
Kraiem H, Flah A, Mohamed N, Messaoud MHB, Al-Ammar EA, Althobaiti A, Alotaibi AA, Jasiński M, Suresh V, Leonowicz Z, et al. Decreasing the Battery Recharge Time if Using a Fuzzy Based Power Management Loop for an Isolated Micro-Grid Farm. Sustainability. 2022; 14(5):2870. https://doi.org/10.3390/su14052870
Chicago/Turabian StyleKraiem, Habib, Aymen Flah, Naoui Mohamed, Mohamed H. B. Messaoud, Essam A. Al-Ammar, Ahmed Althobaiti, Abdullah Alhumaidi Alotaibi, Michał Jasiński, Vishnu Suresh, Zbigniew Leonowicz, and et al. 2022. "Decreasing the Battery Recharge Time if Using a Fuzzy Based Power Management Loop for an Isolated Micro-Grid Farm" Sustainability 14, no. 5: 2870. https://doi.org/10.3390/su14052870
APA StyleKraiem, H., Flah, A., Mohamed, N., Messaoud, M. H. B., Al-Ammar, E. A., Althobaiti, A., Alotaibi, A. A., Jasiński, M., Suresh, V., Leonowicz, Z., & Jasińska, E. (2022). Decreasing the Battery Recharge Time if Using a Fuzzy Based Power Management Loop for an Isolated Micro-Grid Farm. Sustainability, 14(5), 2870. https://doi.org/10.3390/su14052870


