Techno-Economic Analysis of Scenarios on Energy and Phosphorus Recovery from Mono- and Co-Combustion of Municipal Sewage Sludge
Abstract
:1. Introduction
2. Technology Scenarios
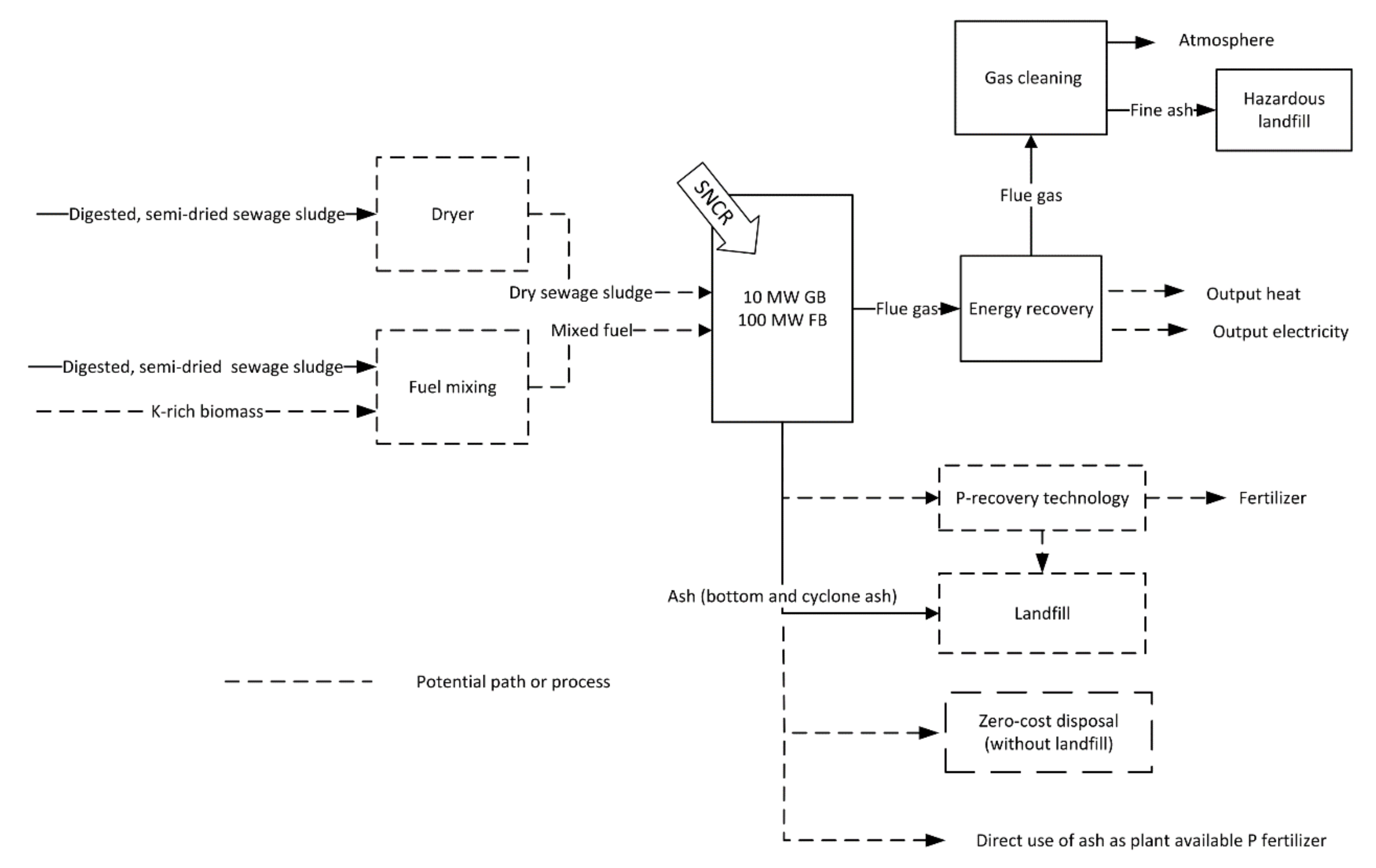
2.1. Boiler Type, Size, and Ash Distribution
2.2. Fuel Composition
2.3. The Final Destinations of the Ash Residue
2.4. Products
2.5. Scenario Summary
3. Methodology and Input Data
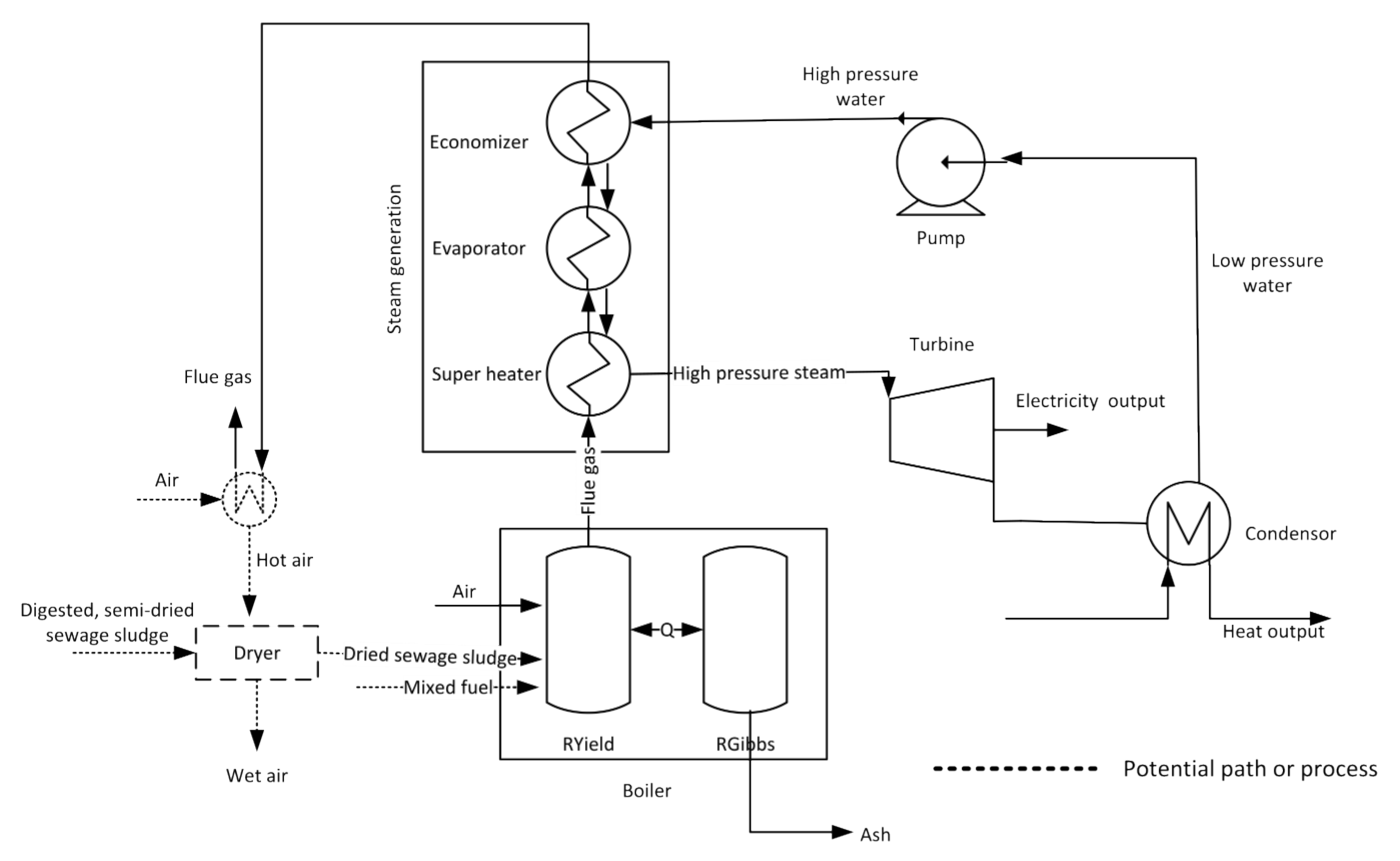
3.1. Process Modeling
3.2. Economic Analysis
Operation and Market Variations
4. Results
4.1. Mass and Energy Balances
4.2. Economic Results
4.2.1. Heat−Only and Heat+Direct PF Product Scenarios
4.2.2. CHP and CHP+direct PF Product Scenarios
4.2.3. Comparing Heat-Only to CHP Scenarios
4.2.4. PF Production Scenarios
5. Discussion
6. Conclusions
Author Contributions
Funding
Institutional Review Board Statement
Informed Consent Statement
Data Availability Statement
Conflicts of Interest
Abbreviations
| ar | As received |
| CAPEX | Total capital costs |
| db | Dry base |
| FB | Fluidized bed |
| FC | Fixed carbon |
| GB | Grate boiler |
| HMs | Heavy metals |
| h | Hour |
| MSP | Minimum selling price |
| MSS | Municipal sewage sludge |
| OPEX | Operational costs |
| P | Phosphorus |
| PF | Phosphorus fertilizer |
| SNCR | Selective non-catalytic reduction |
| SSA | Sewage sludge ash |
| VM | Volatile material |
| WS | Wheat straw |
Appendix A
| Input Elements | Unit | Amount | Reference Per Feed | Price Unit | Price | Ref |
|---|---|---|---|---|---|---|
| Hot ash | kg/h | 1725 | 0 | - | 0 | [28,29] |
| Na2SO4 | kg/h | 640 | 0.37 | €/t | 80 | |
| Ca (OH)2 | kg/h | 26 | 0.02 | €/t | 90 | |
| Electricity | kWh/kg ash | 150 | 0.04 | €/MWh | 81 a | |
| Natural gas | kWh/kg ash | 670 | 0.39 | €/MWh | 31 b | |
| Calcined fertilizer | kg/h | 2273 | 1.32 | |||
| Waste (filter residue, concentrated metals) | kg/h | 43 | 0.03 | |||
| Water | Liter/t waste | 0.3 | €/m3 | 0.5 | [67] | |
| Flue Gas Cleaning System | Unit | Amount | Price unit | Price | Ref | |
| Coke | g/kg TS | 0.3 | €/t | 400 | [28] | |
| Lime | g/kg TS | 5 | €/t | 90 | ||
| NaOH | g/kg TS | 16.5 | €/t | 90 | ||
| Electricity for flue gas cleaning | kWh/kg TS | 0.23 | €/MWh | 81 a | ||
| Ca (OH)2 | kg /kg off gas | 0.005 | €/t | 90 | ||
| NH3 25% | g/kg TS | 16.5 | €/t | 150 | ||
| Ash landfill | €/t | 50 | ||||
| Hazardous waste landfill | €/t | 120 | ||||
| Wheat straw | €/t | 13.65 | [65] | |||
| Element | Base Capacity | Capacity Unit | Value (1000 € 2020) | Description | Ref |
|---|---|---|---|---|---|
| Dryer | 100 | MW | 1467 | includes conveyor to and from the dryer | [72] |
| GB | 150 | MW | 24,641 | Steam generation cost and cyclone are included | [73] |
| FB | 355 | MW | 49,566 | Steam generation cost and cyclone are included | [72] |
| Turbine | 275 | MW | 63,578 | Generator cost in included | |
| Fuel conveyor | 17 | MW | 96 | It is included in co-combustion scenarios | [73] |
| Ash container and conveyor | 17 | MW | 145 | [73] | |
| Electrostatic precipitator | 18 | Tons of waste/h | 1909 | Particle’s remover in gas cleaning system | [67,74] |
| Wet scrubber | 18 | Tons of waste/h | 5967 | included of the water treatment system | [67,74] |
| Bag filter | 18 | Tons of waste/h | 2625 | [67,74] | |
| SNCR | 18 | Tons of waste/h | 1193 | To remove NOx from flue gas | [67,74] |
| Ash Dec | 30,000 | Tons of ash/y | 18,600 | Contact with company |
References
- Cordell, D.; White, S. Peak phosphorus: Clarifying the key issues of a vigorous debate about long-term phosphorus security. Sustainability 2011, 3, 2027–2049. [Google Scholar] [CrossRef] [Green Version]
- Bia, A.; Koziel, J.A.; Jama-rodze, A. Waste to phosphorus: A transdisciplinary solution to P recovery from wastewater based on the TRIZ approach. J. Environ. Manag. 2021, 287. [Google Scholar] [CrossRef]
- Smol, M. The importance of sustainable phosphorus management in the circular economy (CE) model: The Polish case study. J. Mater. Cycles Waste Manag. 2019, 21, 227–238. [Google Scholar] [CrossRef] [Green Version]
- Meng, X.; Huang, Q.; Xu, J.; Gao, H.; Yan, J. A review of phosphorus recovery from different thermal treatment products of sewage sludge. Waste Dispos. Sustain. Energy 2019, 1, 99–115. [Google Scholar] [CrossRef] [Green Version]
- Mayer, B.K.; Baker, L.A.; Boyer, T.H.; Drechsel, P.; Gi, M.; Hanjra, M.A.; Parameswaran, P.; Stoltzfus, J.; Westerho, P.; Rittmann, B.E. Total Value of Phosphorus Recovery. Environ. Sci. Technol. 2016, 2016, 6606–6620. [Google Scholar] [CrossRef]
- De Boer, M.A.; Wolzak, L.; Slootweg, J.C. Phosphorus: Reserves, Production, and Applications. In Phosphorus Recovery and Recycling; Springer: Singapore, 2019; pp. 75–100. ISBN 9789811080319. [Google Scholar]
- Hamilton, H.A.; Brod, E.; Hanserud, O.; Müller, D.B.; Brattebø, H.; Haraldsen, T.K. Recycling potential of secondary phosphorus resources as assessed by integrating substance flow analysis and plant-availability. Sci. Total Environ. 2017, 575, 1546–1555. [Google Scholar] [CrossRef]
- Cieślik, B.; Konieczka, P. A review of phosphorus recovery methods at various steps of wastewater treatment and sewage sludge management. The concept of “no solid waste generation” and analytical methods. J. Clean. Prod. 2017, 142, 1728–1740. [Google Scholar] [CrossRef]
- Harder, R.; Wielemaker, R.; Larsen, T.A.; Zeeman, G.; Öberg, G. Recycling nutrients contained in human excreta to agriculture: Pathways, processes, and products. Crit. Rev. Environ. Sci. Technol. 2019, 49, 695–743. [Google Scholar] [CrossRef] [Green Version]
- Hgm, S.; Sancho, D. Technical Proposals for Selected New Fertilising Materials under the Fertilising Products Regulation (Regulation (EU) 2019/1009); European Commission: Luxembourg, 2019. [Google Scholar]
- Smol, M. Phosphorus Extraction and Sludge Dissolution; Elsevier Inc.: Amsterdam, The Netherlands, 2019; ISBN 9780128159071. [Google Scholar]
- Eurostat Sewage Sludge Production and Disposal. Available online: http://appsso.eurostat.ec.europa.eu/nui/show.do?lang=en&dataset=env_ww_spd (accessed on 8 July 2021).
- Desmidt, E.; Ghyselbrecht, K.; Zhang, Y.; Pinoy, L.; Van Der Bruggen, B.; Verstraete, W.; Rabaey, K.; Meesschaert, B. Global phosphorus scarcity and full-scale P-recovery techniques: A review. Crit. Rev. Environ. Sci. Technol. 2015, 45, 336–384. [Google Scholar] [CrossRef]
- Melia, P.M.; Cundy, A.B.; Sohi, S.P.; Hooda, P.S.; Busquets, R. Trends in the recovery of phosphorus in bioavailable forms from wastewater. Chemosphere 2017, 186, 381–395. [Google Scholar] [CrossRef] [Green Version]
- Horttanainen, M.; Kaikko, J.; Bergman, R.; Pasila-Lehtinen, M.; Nerg, J. Performance analysis of power generating sludge combustion plant and comparison against other sludge treatment technologies. Appl. Therm. Eng. 2010, 30, 110–118. [Google Scholar] [CrossRef] [Green Version]
- Kacprzak, M.; Neczaj, E.; Fijałkowski, K.; Grobelak, A.; Grosser, A.; Worwag, M.; Rorat, A.; Brattebo, H.; Almås, Å.; Singh, B.R. Sewage sludge disposal strategies for sustainable development. Environ. Res. 2017, 156, 39–46. [Google Scholar] [CrossRef]
- Donatello, S.; Cheeseman, C.R. Recycling and recovery routes for incinerated sewage sludge ash (ISSA): A review. Waste Manag. 2013, 33, 2328–2340. [Google Scholar] [CrossRef] [PubMed]
- Egle, L.; Rechberger, H.; Krampe, J.; Zessner, M. Science of the Total Environment Phosphorus recovery from municipal wastewater: An integrated comparative technological, environmental and economic assessment of P recovery technologies. Sci. Total Environ. 2016, 571, 522–542. [Google Scholar] [CrossRef] [PubMed] [Green Version]
- Chrispim, M.C.; Scholz, M.; Nolasco, M.A. Phosphorus recovery from municipal wastewater treatment: Critical review of challenges and opportunities for developing countries. J. Environ. Manage. 2019, 248, 109268. [Google Scholar] [CrossRef]
- Kehrein, P.; Van Loosdrecht, M.; Osseweijer, P.; Garfí, M.; Dewulf, J.; Posada, J. A critical review of resource recovery from municipal wastewater treatment plants-market supply potentials, technologies and bottlenecks. Environ. Sci. Water Res. Technol. 2020, 6, 877–910. [Google Scholar] [CrossRef] [Green Version]
- Tan, Z.; Lagerkvist, A. Phosphorus recovery from the biomass ash: A review. Renew. Sustain. Energy Rev. 2011, 15, 3588–3602. [Google Scholar] [CrossRef]
- Kratz, S.; Vogel, C.; Adam, C. Agronomic performance of P recycling fertilizers and methods to predict it: A review. Nutr. Cycl. Agroecosystems 2019, 115, 1–39. [Google Scholar] [CrossRef]
- Shiba, N.C.; Ntuli, F. Extraction and precipitation of phosphorus from sewage sludge. Waste Manag. 2017, 60, 191–200. [Google Scholar] [CrossRef]
- Hannl, T.K.; Sefidari, H.; Kuba, M.; Skoglund, N.; Öhman, M. Thermochemical equilibrium study of ash transformation during combustion and gasification of sewage sludge mixtures with agricultural residues with focus on the phosphorus speciation. Biomass Convers. Biorefinery 2020, 11(1), 57–68. [Google Scholar] [CrossRef]
- Stemann, J.; Peplinski, B.; Adam, C. Thermochemical treatment of sewage sludge ash with sodium salt additives for phosphorus fertilizer production - Analysis of underlying chemical reactions. Waste Manag. 2015, 45, 385–390. [Google Scholar] [CrossRef]
- Ottosen, L.M.; Kirkelund, G.M.; Jensen, P.E. Extracting phosphorous from incinerated sewage sludge ash rich in iron or aluminum. Chemosphere 2013, 91, 963–969. [Google Scholar] [CrossRef] [PubMed]
- Herzel, H.; Krüger, O.; Hermann, L.; Adam, C. Sewage sludge ash - A promising secondary phosphorus source for fertilizer production. Sci. Total Environ. 2016, 542, 1136–1143. [Google Scholar] [CrossRef] [PubMed]
- Kabbe, C. Sustainable Sewage Sludge Management Fostering Phosphorus Recovery and Energy Efficiency; European Commission: Luxembourg, 2015. [Google Scholar]
- Hermann, L.; Schaaf, T. Outotec (AshDec®) process for P fertilizers from sludge ash. In Phosphorus Recovery and Recycling; Springer: Singapore, 2018; pp. 221–233. ISBN 9789811080319. [Google Scholar]
- Häggström, G.; Hannl, T.K.; Hedayati, A.; Kuba, M.; Skoglund, N.; Öhman, M. Single Pellet Combustion of Sewage Sludge and Agricultural Residues with a Focus on Phosphorus. Energy Fuels 2021, 35, 10009–10022. [Google Scholar] [CrossRef]
- Grimm, A.; Skoglund, N.; Boström, D.; Boman, C.; Öhman, M. Influence of phosphorus on alkali distribution during combustion of logging residues and wheat straw in a bench-scale fluidized bed. Energy Fuels 2012, 26, 3012–3023. [Google Scholar] [CrossRef]
- Falk, J.; Skoglund, N.; Grimm, A.; Öhman, M. Fate of Phosphorus in Fixed Bed Combustion of Biomass and Sewage Sludge. Energy Fuels 2020, 34, 4587–4594. [Google Scholar] [CrossRef] [Green Version]
- Shaddel, S.; Bakhtiary-Davijany, H.; Kabbe, C.; Dadgar, F.; Østerhus, S.W. Sustainable sewage sludge management: From current practices to emerging nutrient recovery technologies. Sustainability 2019, 11, 3435. [Google Scholar] [CrossRef] [Green Version]
- Schnell, M.; Horst, T.; Quicker, P. Thermal treatment of sewage sludge in Germany: A review. J. Environ. Manage. 2020, 263, 110367. [Google Scholar] [CrossRef]
- Zhang, Q.; Hu, J.; Lee, D.J.; Chang, Y.; Lee, Y.J. Sludge treatment: Current research trends. Bioresour. Technol. 2017, 243, 1159–1172. [Google Scholar] [CrossRef]
- Molinos-Senante, M.; Hernández-Sancho, F.; Sala-Garrido, R.; Garrido-Baserba, M. Economic feasibility study for phosphorus recovery processes. Ambio 2011, 40, 408–416. [Google Scholar] [CrossRef] [Green Version]
- Daneshgar, S.; Buttafava, A.; Callegari, A.; Capodaglio, A.G. Economic and energetic assessment of different phosphorus recovery options from aerobic sludge. J. Clean. Prod. 2019, 223, 729–738. [Google Scholar] [CrossRef]
- Oladejo, J.; Shi, K.; Luo, X.; Yang, G.; Wu, T. A review of sludge-to-energy recovery methods. Energies 2019, 12, 60. [Google Scholar] [CrossRef] [Green Version]
- Syed-Hassan, S.S.A.; Wang, Y.; Hu, S.; Su, S.; Xiang, J. Thermochemical processing of sewage sludge to energy and fuel: Fundamentals, challenges and considerations. Renew. Sustain. Energy Rev. 2017, 80, 888–913. [Google Scholar] [CrossRef]
- Widell, H. Industrial-Scale Biomass Combustion Plants: Engineering Issues and Operation; Woodhead Publishing Limited: Sawston, UK, 2013; ISBN 9780857091314. [Google Scholar]
- Makarichi, L.; Jutidamrongphan, W.; Techato, K.A. The evolution of waste-to-energy incineration: A review. Renew. Sustain. Energy Rev. 2018, 91, 812–821. [Google Scholar] [CrossRef]
- Leckner, B.; Lind, F. Combustion of municipal solid waste in fluidized bed or on grate—A comparison. Waste Manag. 2020, 109, 94–108. [Google Scholar] [CrossRef] [PubMed]
- Lanzerstorfer, C. Grate-Fired Biomass Combustion Plants Using Forest Residues as Fuel: Enrichment Factors for Components in the Fly Ash. Waste Biomass Valorization 2017, 8, 235–240. [Google Scholar] [CrossRef] [PubMed] [Green Version]
- Gao, N.; Kamran, K.; Quan, C.; Williams, P.T. Thermochemical conversion of sewage sludge: A critical review. Prog. Energy Combust. Sci. 2020, 79, 100843. [Google Scholar] [CrossRef]
- Jurczyk, M.; Mikus, M.; Dziedzic, K. Flue Gas Cleaning in Municipal Waste-To-Energy Plants-Part I. Infrastruct. Ecol. Rural Areas 2016, 1179–1193. [Google Scholar] [CrossRef]
- Singh, R.; Shukla, A. A review on methods of flue gas cleaning from combustion of biomass. Renew. Sustain. Energy Rev. 2014, 29, 854–864. [Google Scholar] [CrossRef]
- Chanaka Udayanga, W.D.; Veksha, A.; Giannis, A.; Lisak, G.; Chang, V.W.C.; Lim, T.T. Fate and distribution of heavy metals during thermal processing of sewage sludge. Fuel 2018, 226, 721–744. [Google Scholar] [CrossRef]
- Kudra, T.; Gawrzynski, Z.; Glaser, R.; Stanislawski, J.; Poirier, M. Drying of pulp and paper sludge in a pulsed fluid bed dryer. Dry. Technol. 2002, 20, 917–933. [Google Scholar] [CrossRef]
- Escala, M.; Zumbühl, T.; Koller, C.; Junge, R.; Krebs, R. Hydrothermal carbonization as an energy-efficient alternative to established drying technologies for sewage sludge: A feasibility study on a laboratory scale. Energy Fuels 2013, 27, 454–460. [Google Scholar] [CrossRef]
- Kamizela, T.; Kowalczyk, M. Sludge Dewatering: Processes for Enhanced Performance; Butterworth-Heinemann: Oxford, UK, 2019; ISBN 9780128159071. [Google Scholar]
- Mulchandani, A.; Westerhoff, P. Recovery opportunities for metals and energy from sewage sludges. Bioresour. Technol. 2016, 215, 215–226. [Google Scholar] [CrossRef] [Green Version]
- Kelessidis, A.; Stasinakis, A.S. Comparative study of the methods used for treatment and final disposal of sewage sludge in European countries. Waste Manag. 2012, 32, 1186–1195. [Google Scholar] [CrossRef] [PubMed]
- Vassilev, S.V.; Baxter, D.; Andersen, L.K.; Vassileva, C.G. An overview of the chemical composition of biomass. Fuel 2010, 89, 913–933. [Google Scholar] [CrossRef]
- Phyllis2. Database for the Physico-Chemical Composition of (Treated) Lignocellulosic Biomass, Micro- and Macroalgae, Various Feedstocks for Biogas Production and Biochar. Available online: https://phyllis.nl/ (accessed on 9 September 2021).
- Birgitta Strömberg, S.H.S. The Fuel Handbook; Värmeforsk: Stockholm, Sweden, 2012. [Google Scholar]
- Raheem, A.; Sikarwar, V.S.; He, J.; Dastyar, W.; Dionysiou, D.D.; Wang, W.; Zhao, M. Opportunities and challenges in sustainable treatment and resource reuse of sewage sludge: A review. Chem. Eng. J. 2018, 337, 616–641. [Google Scholar] [CrossRef]
- Gorazda, K.; Tarko, B.; Wzorek, Z.; Kominko, H.; Nowak, A.K.; Kulczycka, J.; Henclik, A.; Smol, M. Fertilisers production from ashes after sewage sludge combustion—A strategy towards sustainable development. Environ. Res. 2017, 154, 171–180. [Google Scholar] [CrossRef]
- Smol, M.; Kulczycka, J.; Henclik, A.; Gorazda, K.; Wzorek, Z. The possible use of sewage sludge ash (SSA) in the construction industry as a way towards a circular economy. J. Clean. Prod. 2015, 95, 45–54. [Google Scholar] [CrossRef]
- Salman, C.A.; Naqvi, M.; Thorin, E.; Yan, J. Gasification process integration with existing combined heat and power plants for polygeneration of dimethyl ether or methanol: A detailed profitability analysis. Appl. Energy 2018, 226, 116–128. [Google Scholar] [CrossRef]
- Matthew Wittenstein, G.R. Projected Cost of Generating Electricity; NEA: Paris, France, 2015. [Google Scholar]
- Doyle, G.; Borkowski, K.; Vantsiotis, G.; Dodds, J.; Critten, S. Costs of Low-Carbon Generation Technologies; Committee on Climate Change: Bristol, UK, 2011. [Google Scholar]
- The World Bank Group. Commodity Markets Outlook, January; The World Bank Group: Washington, DC, USA, 2017; Volume 1, pp. 1689–1699. [Google Scholar]
- European Union. Study on Energy Prices, Costs and Their Impact on Industry and Households; European Union: Brussels, Belgium, 2020. [Google Scholar]
- European Union. Report from the Commission to the European Parliament, the Council, the European Economic and Social Committee and the Committee of the Regions; European Union: Brussels, Belgium, 2020. [Google Scholar]
- Lo, S.L.Y.; How, B.S.; Leong, W.D.; Teng, S.Y.; Rhamdhani, M.A.; Sunarso, J. Techno-economic analysis for biomass supply chain: A state-of-the-art review. Renew. Sustain. Energy Rev. 2021, 135, 110164. [Google Scholar] [CrossRef]
- Eurostat. Natural Gas Price Statistics—Statistics Explained. Available online: https://ec.europa.eu/eurostat/statistics-explained/index.php?title=Natural_gas_price_statistics#Electricity_prices_for_household_consumers (accessed on 8 July 2021).
- Dal Pozzo, A.; Guglielmi, D.; Antonioni, G.; Tugnoli, A. Environmental and economic performance assessment of alternative acid gas removal technologies for waste-to-energy plants. Sustain. Prod. Consum. 2018, 16, 202–215. [Google Scholar] [CrossRef]
- Savage, G.M. Sludge Treatment and Disposal; IWA Publishing: London, UK, 2003; Volume 23, ISBN 8790402057. [Google Scholar]
- International Energy Agency (IEA). Electricity Market Report—December 2020; International Energy Agency (IEA): Paris, France, 2020; Volume 1.
- Skoglund, N.; Grimm, A.; Öhman, M.; Boström, D. Effects on ash chemistry when co-firing municipal sewage sludge and wheat straw in a fluidized bed: Influence on the ash chemistry by fuel mixing. Energy Fuels 2013, 27, 5725–5732. [Google Scholar] [CrossRef]
- Eurostat Statistics—Eurostat. Available online: https://ec.europa.eu/eurostat/web/products-datasets/product?code=env_ww_spd (accessed on 8 July 2021).
- Holmgren, K.M. Investment Cost Estimates for Gasification-Based Biofuel Production Systems; IVL: Stockholm, Sweden, 2015. [Google Scholar]
- Obernberger, I.; Hammerschmid, A. Techno-Economic Evaluation of Selected Decentralised CHP Applications Based on Biomass Combustion with Steam Turbine and ORC Processes; IEA Bioenergy: Graz, Austria, 2015. [Google Scholar]
- Schneider, D.R.; Lončar, D.; Bogdan, Ž. Cost Analysis of Waste-to-Energy Plant. Stroj. Časopis za Teoriju i Praksu u Strojarstvu 2010, 52, 369–378. [Google Scholar]








| Fuel Characteristics | WS | MSS | ||
|---|---|---|---|---|
| min | max | min | max | |
| Moisture content (wt% ar) | 8.3 | 17.4 | 53 | 77.6 |
| Ash content (wt%,db) | 3.06 | 9.55 | 29 | 54.5 |
| Volatile material (VM) (wt%,db) | 71.1 | 81.2 | 39.7 | 60.4 |
| Fixed carbon (FC) (wt%,db) | 14.9 | 19.3 | 2.1 | 11.5 |
| C (wt%,db) | 42.9 | 48.3 | 23.1 | 36.5 |
| H (wt%,db) | 3.1 | 5.96 | 2.6 | 5.3 |
| O (wt%,db) | 38.3 | 45.6 | 10.3 | 32.5 |
| N (wt%,db) | 0.28 | 1.54 | 1.4 | 5.6 |
| S (wt%,db) | 0.03 | 0.29 | 0.5 | 1.88 |
| Cl (mg/kg) | 200 | 500 | 300 | 800 |
| High heating value (MJ/kg,db) | 16.4 | 20.7 | 7.2 | 16.7 |
| Ash Analyses (mg/kg ash) | WS | MSS | ||
| min | max | min | max | |
| Si | 217,371 | 339,380 | 72,778 | 200,000 |
| Al | 1535 | 3017 | 30,278 | 116,000 |
| Fe | 1259 | 4057 | 100,000 | 233,645 |
| Pb | n.a | n.a | 22 | 424 |
| Mn | 387 | 697 | 421 | 1938 |
| Ca | 67,896 | 109,348 | 37,400 | 94,884 |
| Mg | 12,062 | 20,505 | 3673 | 13,256 |
| Na | 5564 | 7419 | 1430 | 8500 |
| K | 9132 | 152,747 | 1102 | 18,600 |
| P | 7419 | 16,583 | 48,900 | 105,030 |
| Scenario | Boiler Capacity (MW) | Boiler Type | Fuel (MSS/WS wt%,db) | Ash Destination | Energy Recovery | ||||
|---|---|---|---|---|---|---|---|---|---|
| Ash Landfill | Zero-cost Ash Handling a | Ash Post-Treatment b | Direct Use | Heat | Electricity | ||||
| (1)-10MW-mono-heat only-with landfill | 10 | GB | 100/0 | yes | no | no | no | yes | no |
| (2)-10MW-mono-heat only-without landfill | 10 | GB | 100/0 | no | yes | no | no | yes | no |
| (3)-10MW- mono-heat and PF | 10 | GB | 100/0 | no | no | yes | no | yes | no |
| (4)-10MW-mono-CHP with landfill | 10 | GB | 100/0 | yes | no | no | no | yes | yes |
| (5)-10MW-mono-CHP-without landfill | 10 | GB | 100/0 | no | yes | no | no | yes | yes |
| (6)-10MW-mono-CHP and PF | 10 | GB | 100/0 | no | no | yes | no | yes | yes |
| (7)-10MW-co-heat-direct PF | 10 | GB | 10/90 | no | no | no | yes c | yes | no |
| (8)-10MW-co-CHP-direct PF | 10 | GB | 10/90 | no | no | no | yes c | yes | yes |
| (9)-100MW-mono-heat only-with land fill | 100 | FB | 100/0 | yes | no | no | no | yes | no |
| (10)-100MW-mono-heat only-without landfill | 100 | FB | 100/0 | no | yes | no | no | yes | no |
| (11)-100MW-mono-heat and PF | 100 | FB | 100/0 | no | no | yes | no | yes | no |
| (12)-100MW-mono-CHP and landfill | 100 | FB | 100/0 | yes | no | no | no | yes | yes |
| (13)-100MW-mono-CHP without landfill | 100 | FB | 100/0 | no | yes | no | no | yes | yes |
| (14)-100MW-mono-CHP and PF | 100 | FB | 100/0 | no | no | yes | no | yes | yes |
| (15)-100MW-co-heat-direct PF | 100 | FB | 10/90 | no | no | no | yes c | yes | no |
| (16)-100MW-co-CHP-direct PF | 100 | FB | 10/90 | no | no | no | yes c | yes | yes |
| Fuel Characteristics | ||
|---|---|---|
| MSS a | WS b | |
| Proximate | % | % |
| Moisture FC VM Ash | 50 8.6 53 38.4 | 10.25 18.68 77.2 4.12 |
| Ultimate | wt%,db | wt%,db |
| Ash C H N Cl S O | 38.4 31.1 4.2 3.3 0.9 1.1 21 | 4.1 46.56 5.68 0.43 0.2 0.064 42.9 |
| P2O5 in the ash | 21 | 2.7 |
| High heating value (MJ/kg) | 13.9 | 18.8 |
| Process Data | ||
| Dryer output moisture content (%) | 20 | |
| Combustion temperature () | 900 | |
| Steam pressure (bar) | 45 | |
| Steam temperature () | 450 | |
| Stack temperature () | 120 | |
| Excess air (%) | GB | 80 |
| FB | 30 | |
| District heating temperature () | inlet | 40 |
| outlet | 95 | |
| Scenarios | Scenario Number | MSP | Gate Fee |
|---|---|---|---|
| Heat-only a | 1,2,9,10 | ||
| CHP b | 4,5,12,13 | ||
| Heat+ direct PF c | 7,15 | ||
| CHP+ direct PF c | 8,16 | ||
| Heat+PF d | 3,7,11,15 | ||
| CHP+PF e | 6,8,14,16 | ||
| Parameter | Unit | Base Value | Variation | Reference |
|---|---|---|---|---|
| Varied Parameters | ||||
| Electricity selling price a | €/MWh | 40 | 10/40/60 | [63,64] |
| Electricity buying price b | €/MWh | 81 | 40/81/140 | |
| Heat selling price c | €/MWh | - | 5/30 | [15] |
| WS d | €/t | 14 | 21–28 | [65] |
| Annual plant operation time | h/y | 5000 | 3500/5000/8000 | |
| Fixed parameters | ||||
| Natural gas price e | €/MWh | 31 | - | [66] |
| Na2SO4 | €/t | 80 | - | [28,29] |
| Ca (OH)2 | €/t | 90 | - | |
| Coke | €/t | 400 | - | |
| NaOH | €/t | 90 | - | |
| NH3 25% | €/t | 150 | - | |
| Water | €/m3 | 0.5 | - | [67] |
| Ash landfilling | €/t | 50 | - | [28] |
| Hazardous waste landfilling f | €/t | 120 | - | |
| Sewage sludge | €/t | 0 | - | - |
| Commercial fertilizer (triple superphosphate) g | €/t | 267 | - | [62] |
| Scenario | Heat Output (MWh) | Electricity Output (MWh) | Drying Energy (MWh) | Electricity Demand (MWh) | Fuel a (t/h) | Ash (t/h) | P Production (kg/h) |
|---|---|---|---|---|---|---|---|
| (1)-10MW-mono-heat only-with landfill | 6.6 | 0 | 1.8 | 0.61 | 5.29 | 1.01 | 0 |
| (2)-10MW-mono-heat only-without landfill | 6.6 | 0 | 1.8 | 0.61 | 5.29 | 1.01 | 0 |
| (3)-10MW- mono-heat and PF | 6.6 | 0 | 1.8 | 0.65 | 5.29 | 1.01 | 90 |
| (4)-10MW-mono-CHP- with landfill | 4.9 | 1.35 | 1.8 | 0.61 | 5.29 | 1.01 | 0 |
| (5)-10MW-mono-CHP-without landfill | 4.9 | 1.35 | 1.8 | 0.61 | 5.29 | 1.01 | 0 |
| (6)-10MW-mono-CHP and PF | 4.9 | 1.35 | 1.8 | 0.65 | 5.29 | 1.01 | 90 |
| (7)-10MW-co-heat+direct PF | 8.7 | 0 | 0 | 0.46 | 2.25 | 0.14 | 1.39 b |
| (8)-10MW-co-CHP+direct PF | 7.0 | 1.43 | 0 | 0.46 | 2.25 | 0.14 | 1.39 b |
| (9)-100MW-mono-heat only-with landfill | 67 | 0 | 19 | 6.17 | 53.7 | 10.3 | 0 |
| (10)-100MW-mono-heat only-without landfill | 67 | 0 | 19 | 6.17 | 53.7 | 10.3 | 0 |
| (11)-100MW-mono-heat and PF | 67 | 0 | 19 | 6.58 | 53.7 | 10.3 | 919 |
| (12)-100MW-mono-CHP and landfill | 53 | 14.0 | 19 | 6.17 | 53.7 | 10.3 | 0 |
| (13)-100MW-mono-CHP- without landfill | 53 | 14.0 | 19 | 6.17 | 53.7 | 10.3 | 0 |
| (14)-100MW-mono-CHP and PF | 53 | 14.0 | 19 | 6.58 | 53.7 | 10.3 | 919 |
| (15)-100MW-co-heat+direct PF | 89 | 0 | 0 | 4.67 | 22.6 | 1.40 | 13.8 b |
| (16)-100MW-co -CHP+ direct PF | 71 | 18.2 | 0 | 4.67 | 22.6 | 1.40 | 13.8 b |
| Scenarios | Specific Investment Cost (€/kW a) | Specific Operation Cost (€/MWh b) | MSPheat (€/MWh) | MSPPF (€/kg PF) | Gate Feeheat c (€/t) | Gate FeePF c (€/t) |
|---|---|---|---|---|---|---|
| (1)-10MW-mono-heat only-with landfill | 1187 | 28 | 53 | - | 60–29 | - |
| (2)-10MW-mono-heat only-without landfill | 1187 | 19 | 44 | - | 49–17 | - |
| (3)-10MW- mono-heat and PF | 2175 | 82 | 77 d | 5.6–3.8 | 90–59 | 92–61 |
| (4)-10MW-mono-CHP- with landfill | 2004 | 71 | 66 | - | 57–34 | - |
| (5)-10MW-mono-CHP-without landfill | 2004 | 60 | 55 | - | 47–23 | - |
| (6)-10MW-mono-CHP and PF | 3328 | 111 | 98 d | 5.5–4.1 | 87–64 | 90–66 |
| (7)-10MW-co-heat+direct PF | 619 | 14 | 27 | 59–0 | 86–0 | 731–0 |
| (8)-10MW-co-CHP+direct PF | 1050 | 35 | 30 | 55–0.3 | 78–0 | 682–0.9 |
| (9)-100MW-mono-heat only-with landfill | 646 | 23 | 37 | - | 40–9 | - |
| (10)-100MW-mono-heat only-without landfill | 646 | 15 | 29 | - | 30–0 | - |
| (11)-100MW-mono-heat and PF | 1271 | 56 | 51 d | 3.7–1.9 | 57–26 | 60–29 |
| (12)-100MW-mono-CHP and landfill | 1352 | 52 | 47 | - | 41–16 | - |
| (13)-100MW-mono-CHP-without landfill | 1352 | 42 | 36 | - | 31–6 | - |
| (14)-100MW-mono-CHP and PF | 2143 | 77 | 64 d | 3.8–2.4 | 58–33 | 61–36 |
| (15)-100MW-co-heat+direct PF | 371 | 11 | 19 | 40–0 | 59–0 | 487–0 |
| (16)-100MW-co-CHP+direct PF | 902 | 31 | 23 | 41–0 | 57–0 | 506–0 |
Publisher’s Note: MDPI stays neutral with regard to jurisdictional claims in published maps and institutional affiliations. |
© 2022 by the authors. Licensee MDPI, Basel, Switzerland. This article is an open access article distributed under the terms and conditions of the Creative Commons Attribution (CC BY) license (https://creativecommons.org/licenses/by/4.0/).
Share and Cite
Bagheri, M.; Öhman, M.; Wetterlund, E. Techno-Economic Analysis of Scenarios on Energy and Phosphorus Recovery from Mono- and Co-Combustion of Municipal Sewage Sludge. Sustainability 2022, 14, 2603. https://doi.org/10.3390/su14052603
Bagheri M, Öhman M, Wetterlund E. Techno-Economic Analysis of Scenarios on Energy and Phosphorus Recovery from Mono- and Co-Combustion of Municipal Sewage Sludge. Sustainability. 2022; 14(5):2603. https://doi.org/10.3390/su14052603
Chicago/Turabian StyleBagheri, Marzieh, Marcus Öhman, and Elisabeth Wetterlund. 2022. "Techno-Economic Analysis of Scenarios on Energy and Phosphorus Recovery from Mono- and Co-Combustion of Municipal Sewage Sludge" Sustainability 14, no. 5: 2603. https://doi.org/10.3390/su14052603
APA StyleBagheri, M., Öhman, M., & Wetterlund, E. (2022). Techno-Economic Analysis of Scenarios on Energy and Phosphorus Recovery from Mono- and Co-Combustion of Municipal Sewage Sludge. Sustainability, 14(5), 2603. https://doi.org/10.3390/su14052603

