Recycling and Material-Flow Analysis of End-of-Life Vehicles towards Resource Circulation in South Korea
Abstract
:Highlights:
- (i)
- Material flow of ELVs was examined by life cycle.
- (ii)
- Substantial amounts of PBDEs are often found in seat fabric and ASR.
- (iii)
- Monitoring of PBDEs in ASR is required in order to reduce the dispersion in the environment.
- (iv)
- Automobile producers should take more responsibility to meet the target recycling rate of 95%.
1. Introduction
2. Methodology
2.1. Data Collection and Methods
2.2. Collection and Chemical Analysis of ELVs Samples
2.3. Material-Flow Analysis of ELVs
3. Results and Discussion
3.1. Management System of ELVs in South Korea
3.1.1. Regulations of ELV Management
3.1.2. Recycling Systems of ELVs in South Korea
3.1.3. Generation and Recycling Rates of ELVs
3.2. Analytical Results of PBDEs in ELVs
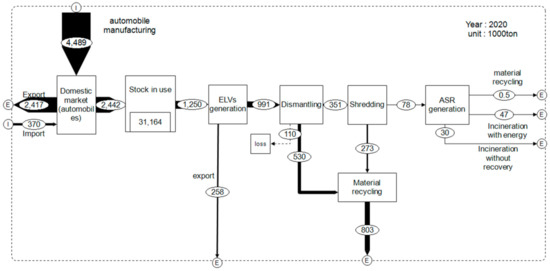
3.3. MFA Result of ELVs by Life Cycle
4. Challenges and Suggestions
5. Conclusions
Author Contributions
Funding
Institutional Review Board Statement
Informed Consent Statement
Data Availability Statement
Acknowledgments
Conflicts of Interest
References
- Statistia. Estimated Worldwide automobile Production from 2000 to 2020. Available online: https://lb-aps-frontend.statista.com/statistics/262747/worldwide-automobile-production-since-2000/ (accessed on 18 June 2021).
- OICA (International Organization of Motor Vehicle Manufacturers). Vehicles in Use. Available online: https://www.oica.net/vehicles-in-use-2/ (accessed on 30 June 2021).
- BNEF (Bloomberg NEF). Electric Vehicle Outlook 2019: Executive Summary. Available online: https://legacy-assets.eenews.net/open_files/assets/2019/05/15/document_ew_02.pdf (accessed on 30 June 2021).
- ACEA (European Automobile Manufacturers’ Association). Vehicles in Use, Europe 2021. Available online: https://www.acea.auto/publication/report-vehicles-in-use-europe-january-2021/ (accessed on 30 June 2021).
- KOSIS (Korea Statistical Information Services). Statistics on Manufacturing of Automobiles between 1998 and 2020. Available online: https://www.kosis.kr/statisticslist (accessed on 18 June 2021).
- MOLIT (Ministry of Land, Infrastructure and Transport). Statistical Year Book of MOLIT; MOLIT (Ministry of Land, Infrastructure and Transport): Sejong, Korea, 2021.
- Sakai, S.; Yoshida, H.; Hiratsuka, J.; Vandecasteele, C.; Kohlmeyer, R.; Rotter, V.S.; Passarini, F.; Santini, A.; Peeler, M.; Li, J.; et al. An international comparative study of end-of-life vehicle (ELV) recycling systems. J. Mater. Cycles Waste Manag. 2014, 16, 1–20. [Google Scholar] [CrossRef] [Green Version]
- Lin, H.T.; Nakajima, K.; Yamasue, E.; Ishihara, K.N. Recycling of end-of-life vehicles in small islands: The case of Kinmen, Taiwan. Sustainability 2018, 10, 4377. [Google Scholar] [CrossRef] [Green Version]
- JARPC (Japan Automobile Recycling Promotion Center). Automobile Recycle Data Book 2018. Available online: https://www.jarc.or.jp/data/databook/ (accessed on 30 June 2021).
- Eurostat. End-of-Life Vehicles: Reuse, Recycling and Recovery, Totals. Available online: http://appsso.eurostat.ec.europa.eu/ (accessed on 20 June 2021).
- Simic, V. End-of-life vehicle recycling—A review of the state-of-the-art. Tech. Gaz. 2013, 20, 371–380. [Google Scholar]
- Japan Automobile Manufacturers Association, INC, 2017. The Motor Industry of Japan 2017. Available online: http://www.jama-english.jp/publications/MIJ2017.pdf (accessed on 30 June 2021).
- European Commission. Assessment of the Implementation of the ELV Directive 2000/53/EU on End-of-Life Vehicles (the ELV Directive) with Emphasis on the End of Life Vehicles of Unknown Whereabouts; Oeko-Institute e.V., Institute for Applied Ecology: Freiburg, Germany, 2018. [Google Scholar]
- Cossu, R.; Lai, T. Automotive shredder residue (ASR) management: An overview. Waste Manag. 2015, 45, 143–151. [Google Scholar] [CrossRef] [PubMed]
- Yang, W.S.; Lee, J.E.; Seo, Y.C.; Lee, J.S.; Yoo, H.M.; Park, J.K.; Park, S.W.; Choi, H.S.; Lee, K.B.; Kim, W.H. Utilization of automobile shredder residue (ASR) as a reducing agent for the recovery of black copper. Korean J. Chem. Eng. 2016, 33, 1267–1277. [Google Scholar] [CrossRef]
- Restrepo, E.; Løvik, A.N.; Wäger, P.; Widmer, R.; Lonka, R.; Müller, D.B. Stocks, flows, and distribution of critical metals in embedded electronics in passenger vehicles. Environ. Sci. Technol. 2017, 51, 1129–1139. [Google Scholar] [CrossRef] [PubMed]
- Osada, M.; Tanigaki, N.; Takahashi, S.; Sakai, S. Brominated flame retardants and heavy metals in automobile shredder residue (ASR) and their behavior in the melting process. J. Mater. Cycles Waste Manag. 2008, 10, 93–101. [Google Scholar] [CrossRef]
- Nwachukwu, M.A.; Feng, H.; Achilike, K. Integrated studies for automobile wastes management in developing countries; in the concept of environmentally friendly mechanic village. Environ. Monit. Assess. 2011, 178, 581–593. [Google Scholar] [CrossRef]
- Liu, H.; Yano, J.; Kajiwara, N.; Sakai, S. Dynamic stock, flow, and emissions of brominated flame retardants for vehicles in Japan. J. Clean. Prod. 2019, 232, 910–924. [Google Scholar] [CrossRef]
- UNEP (United Nations Environment Programme). HFCs: A Critical Link in Protecting Climate and the Ozone Layer; A UNEP Synthesis Report; UN Environment Programme: Nairobi, Kenya, 2011. [Google Scholar]
- European Commission. Directive 2000/53/EC of the European Parliament and the Council of 18 September 2000 on End-of Life Vehicles; Official Journal of the European Union: Luxembourg, 2000; pp. 1–34. [Google Scholar]
- Stewart, R. Waste management. In Management, Recycling and Reuse of Waste Composites; Goodship, V., Ed.; CRC Press: Boca Raton, FL, USA, 2010; pp. 39–61. [Google Scholar]
- European Commission. Assessment of the Implementation of the ELV Directive with Emphasis on ELVs Unknown Whereabouts; Öko-Institut e.V., Institute for Applied Ecology: Freiburg, Germany, 2017. [Google Scholar]
- Japanese Law Translation. Act on Recycling of End-of-Life Automobiles, Article 72 (Act No. 87 of 12 July 2002). Available online: http://www.japaneselawtranslation.go.jp/ (accessed on 30 June 2021).
- JAMA, 2016. Situation of POPs Used in Automobile Components. Available online: http://www.env.go.jp/recycle/pops/conf/pops_com03/mat01_3 (accessed on 18 December 2021).
- Srogi, K. An overview of current processes for the thermochemical treatment of automobile shredder residue. Clean Technol. Environ. Policy 2008, 10, 235–244. [Google Scholar] [CrossRef]
- Fuse, M.; Kashima, S. Evaluation method of automobile recycling systems for Asia considering international material cycles: Application to Japan and Thailand. J. Mater. Cycles Waste Manag. 2008, 10, 153–164. [Google Scholar] [CrossRef]
- Fiore, S.; Ruffino, B.; Zanetti, M.C. Automobile Shredder Residues in Italy: Characterization and valorization opportunities. Waste Manag. 2012, 32, 1548–1559. [Google Scholar] [CrossRef] [Green Version]
- Ruffino, B.; Fiore, S.; Zanetti, M.C. Strategies for the enhancement of automobile shredder residues (ASRs) recycling: Results and cost assessment. Waste Manag. 2014, 34, 148–155. [Google Scholar] [CrossRef] [PubMed] [Green Version]
- Hatayama, H.; Daigo, I.; Tahara, K. Tracking effective measures for closed-loop recycling of automobile steel in China. Resour. Conserv. Recycl. 2014, 87, 65–71. [Google Scholar] [CrossRef]
- Soo, V.K.; Peeters, J.; Compston, P.; Doolan, M.; Duflou, J.R. Comparative study of end-of-life vehicle recycling in Australia and Belgium. Procedia CIRP 2017, 61, 269–274. [Google Scholar] [CrossRef]
- Anderson, M.; Soderman, M.; Sanden, B. Challenges of recycling multiple scarce metals: The case of Swedish ELV and WEEE recycling. Resour. Policy 2019, 63, 101403. [Google Scholar] [CrossRef]
- D’Adamo, I.; Gastaldi, M.; Rosa, P. Recycling of end-of-life vehicles: Assessing trends and performances in Europe. Technol. Forecast. Soc. Chang. 2020, 152, 119887. [Google Scholar] [CrossRef]
- Sato, F.; Furubayashi, T.; Nakata, T. Application of energy and CO2 reduction assessments for end-of-life vehicles recycling in Japan. Appl. Energy 2019, 237, 779–794. [Google Scholar] [CrossRef]
- Li, Y.; Fujikawa, K.; Wang, J.; Li, X.; Ju, Y.; Chen, C. The potential and trend of end-of-life passenger vehicles recycling in China. Sustainability 2020, 12, 1455. [Google Scholar] [CrossRef] [Green Version]
- Redin, L.; Niinipuu, M.; Jansson, S. Occurrence of brominated diphenyl ethers, dibenzo-p-dioxins and dibenzofurans in foam materials in scrapped car seats from 1985 to 2012. Waste Manag. 2017, 61, 300–306. [Google Scholar] [CrossRef]
- Vojta, S.; Bećanová, J.; Melymuk, L.; Komprdova, K.; Kohoutek, J.; Kukućka, P.; Klanova, J. Screening for halogenated flame retardants in European consumer products, building materials and wastes. Chemosphere 2017, 168, 457–466. [Google Scholar] [CrossRef] [PubMed]
- Khaled, A.; Richard, C.; Redin, L.; Niinipuu, M.; Jansson, S.; Jaber, F.; Sleiman, M. Characterization and photodegradation of polybrominated diphenyl ethers in car seat fabrics from end-of-life vehicles. Environ. Sci. Technol. 2018, 52, 1216–1224. [Google Scholar] [CrossRef] [PubMed]
- Yamamoto, T.; Noma, Y.; Kida, A.; Sakai, S. Thermal Behavior of Brominated Flame Retardants and Brominated Dioxins during Combustion of Automobile Shredder Residue; BFR: Amsterdam, The Netherlands, 2007. [Google Scholar]
- Kajiwara, N.; Sueoka, M.; Ohiwa, T.; Takigami, H. Determination of flame retardant hexabromocyclododecane diastereomers in textiles. Chemosphere 2009, 74, 1485–1489. [Google Scholar] [CrossRef] [PubMed]
- Choi, Y.; Rhee, S. Current status and perspectives on recycling of end-of-life battery of electric vehicle in Korea (Republic of). Waste Manag. 2020, 106, 261–270. [Google Scholar] [CrossRef] [PubMed]
- Choi, J.H.; Jang, Y.C.; Kim, J.G. Substance flow analysis and environmental releases of PBDEs in life cycle of automobiles. Sci. Total Environ. 2017, 574, 1085–1094. [Google Scholar] [CrossRef]
- Cencic, O.; Rechberger, H. Material flow analysis with software STAN. J. Environ. Eng. Manag. 2008, 18, 3–7. [Google Scholar]
- Stan2web. STAN Software 2.6.801. Available online: https://www.stan2web.net/ (accessed on 20 March 2021).
- Korea Ministry of Environment. Enforcement Regulations for the Act on Resource Circulation of Electrical and Electronic Equipment and Vehicles, Article 23; Korea Ministry of Environment: Sejong, Korea, 2013.
- Morselli, L.; Santini, A.; Passarini, F.; Vassura, I. Automotive shredder residue (ASR) characterization for a valuable management. Waste Manag. 2010, 30, 2228–2234. [Google Scholar] [CrossRef]
- Vermeulen, I.; Van Caneghem, J.; Block, C.; Baeyens, J.; Vandecasteele, C. Automotive shredder residue (ASR): Reviewing its production from end-of-life vehicles (ELVs) and its recycling, energy or chemicals valorisation. J. hazard. Mater. 2011, 190, 8–27. [Google Scholar] [CrossRef]
- Korea Environment Corporation (KECO). Internal Data, Eco-Assurance Division; Korea Environment Corporation (KECO): Incheon, Korea, 2021. [Google Scholar]
- Chang, Y.; Jang, Y.C.; Ko, Y.; Yi, S.; Lee, K. A study of the material flow analysis and proper management plan of refrigerants in automobiles in Korea. J. Korea Soc. Waste Manag. 2017, 34, 292–298. (In Korean) [Google Scholar] [CrossRef]
- Joung, H.T.; Cho, S.J.; Seo, Y.C.; Kim, W.H. Concentration of dioxin congeners in different phase products from a thermal process of end of life automobile shredder dusts. Environ. Eng. Sci. 2009, 26, 721–729. [Google Scholar] [CrossRef]
- Vyzinkarova, D.; Brunner, P.H. Substance flow analysis of wastes containing polybrominated diphenyl ethers the need for more information and for final sinks. J. Ind. Ecol. 2013, 17, 900–911. [Google Scholar] [CrossRef] [Green Version]
- Leslie, H.A.; Leonards, P.E.G.; Brandsma, S.H.; de Boer, J.; Jonkers, N. Propelling plastics into the circular economy—weeding out the toxics first. Environ. Int. 2016, 94, 230–234. [Google Scholar] [CrossRef] [PubMed]
- Weber, R.; Sakurai, T. PCDD/PCDF formation characteristics during pyrolysis processes. Chemosphere 2001, 45, 1111–1117. [Google Scholar] [CrossRef]
- Sakai, S.; Noma, Y.; Kida, A. End-of-life vehicle recycling and automobile shredder residue management in Japan. J. Mater. Cycles Waste Manag. 2007, 9, 151–158. [Google Scholar] [CrossRef]
- UNEP (United Nations Environment Programme). Guidance on Best available Techniques and Best Environmental Practices for the Recycling and Disposal of Waste Containing Polybrominated Diphenyl Ethers (PBDEs) Listed under the Stockholm Convention on Persistent Organic Pollutants; UN Environment Programme: Nairobi, Kenya, 2017. [Google Scholar]





| Life Cycle | Type of Data | References |
|---|---|---|
| Export/Import | Export/Import of automobiles | Korea Trade Statistics Promotion Institute, 2020 |
| Manufacturing | Manufacturing of automobiles | Korea Statistical Information Service (KOSIS), 2020 |
| Domestic demands for automobiles | Korea Statistical Information Service (KOSIS), 2020 | |
| Use and generation | The number of automobiles registered | Korea Statistical Information Service (KOSIS), 2020 |
| The number of automobiles deregistered | Korea Statistical Information Service (KOSIS), 2020 | |
| Used cars exported and imported | Korea Trade Statistics Promotion Institute, 2020 | |
| Recycling | Number of automobiles dismantled by recycling facilities | Korea Environment Cooperation |
| Number of automobiles shredded by recycling facilities | Korea Environment Cooperation | |
| Amount of ASR treated by ASR-processing facilities | Korea Environment Cooperation | |
| Disposal | Incinerated amount | Korea Environment Cooperation |
| Landfilled amount | Korea Environment Cooperation |
| Year | 2008 | 2009 | 2010 | 2011 | 2012 | 2013 | 2014 | 2015 | 2016 | 2017 | 2018 | 2019 | 2020 |
|---|---|---|---|---|---|---|---|---|---|---|---|---|---|
| Number of ELVs (1000) (a) | 611 | 679 | 653 | 813 | 762 | 735 | 711 | 737 | 735 | 761 | 821 | 890 | 862 |
| Number of dismantling facilities (b) | 417 | 435 | 458 | 485 | 509 | 515 | 522 | 510 | 516 | 520 | 535 | 543 | 556 |
| Number of ELVs per dismantling facility (a/b) | 1464 | 1561 | 1427 | 1677 | 1496 | 1427 | 1363 | 1445 | 1474 | 1464 | 1535 | 1640 | 1551 |
| 2013 | 2014 | 2015 | 2016 | 2017 | 2018 | 2019 | 2020 | |
|---|---|---|---|---|---|---|---|---|
| Generation (1000 ton) | 940.6 | 927.8 | 981.8 | 1019.0 | 1148.3 | 1162.8 | 1313.6 | 1250.2 |
| Export (1000 ton) | 120.0 | 110.0 | 138.5 | 125.2 | 141.2 | 116.1 | 301.4 | 258.8 |
| Domestic treatment of ELVs (1000 ton) | 820.5 | 809.8 | 843.3 | 893.8 | 1007.1 | 1046.7 | 1012.6 | 991.4 |
| Recycling rate (%) | 88.7 | 88.7 | 89.0 | 88.8 | 89.1 | 89.3 | 89.1 | 88.9 |
| Total recycled and reused (=a+b+c+d) (1000 ton) | 727.8 | 717.9 | 750.3 | 793.3 | 897.8 | 880.5 | 901.7 | 881.3 |
| Recycled and reused by disassembly facilities(a) (1000 ton) | 506.0 | 504.4 | 468.3 | 495.8 | 561.7 | 543.3 | 567.1 | 529.7 |
| Recycled amount by shredding facilities(b) (1000 ton) | 215.6 | 191.8 | 251.1 | 238.3 | 278.8 | 269.5 | 269.2 | 273.3 |
| Recycled amount by ASR recycling facilities(c) (1000 ton) | 4.2 | 21.7 | 30.9 | 59.1 | 58.0 | 63.6 | 65.5 | 78.3 |
| Recovered refrigerants (d) (ton) | 0 | 0.5 | 11 | 50 | 64 | 58 | 58 | 39 |
| Components | Number of Samples Analyzed | Number of Samples Detected | Concentration Range | Average of Detected Samples |
|---|---|---|---|---|
| Seat fabrics (cover, foam) | 10 | 4 | 2587~37,498 | 14,752 |
| Dashboard, indoor lights, seatbelts | 11 | 0 | <1.0 | <1.0 |
| Ceilings and floor cover | 9 | 0 | <1.0 | <1.0 |
| Automobile shredded residues | 6 | 2 | 312~5525 | 2919 |
| Total | 36 | 6 | 312~37,498 | 8836 |
Publisher’s Note: MDPI stays neutral with regard to jurisdictional claims in published maps and institutional affiliations. |
© 2022 by the authors. Licensee MDPI, Basel, Switzerland. This article is an open access article distributed under the terms and conditions of the Creative Commons Attribution (CC BY) license (https://creativecommons.org/licenses/by/4.0/).
Share and Cite
Jang, Y.-C.; Choi, K.; Jeong, J.-h.; Kim, H.; Kim, J.-G. Recycling and Material-Flow Analysis of End-of-Life Vehicles towards Resource Circulation in South Korea. Sustainability 2022, 14, 1270. https://doi.org/10.3390/su14031270
Jang Y-C, Choi K, Jeong J-h, Kim H, Kim J-G. Recycling and Material-Flow Analysis of End-of-Life Vehicles towards Resource Circulation in South Korea. Sustainability. 2022; 14(3):1270. https://doi.org/10.3390/su14031270
Chicago/Turabian StyleJang, Yong-Chul, Kyunghoon Choi, Ji-hyun Jeong, Hyunhee Kim, and Jong-Guk Kim. 2022. "Recycling and Material-Flow Analysis of End-of-Life Vehicles towards Resource Circulation in South Korea" Sustainability 14, no. 3: 1270. https://doi.org/10.3390/su14031270
APA StyleJang, Y.-C., Choi, K., Jeong, J.-h., Kim, H., & Kim, J.-G. (2022). Recycling and Material-Flow Analysis of End-of-Life Vehicles towards Resource Circulation in South Korea. Sustainability, 14(3), 1270. https://doi.org/10.3390/su14031270

