Techno-Economic Assessment of Heat Supply Systems in Woodchip Drying Bases for Wood Gasification Combined Heat and Power
Abstract
1. Introduction
2. Materials and Methods
2.1. Scope and Scenarios
2.2. Woodchip Drying System and Hypothesis
2.2.1. Low-Grade Wood Procurement
2.2.2. Chipping of Debarked Logs
2.2.3. Screening of Woodchips
2.2.4. Drying of Woodchips
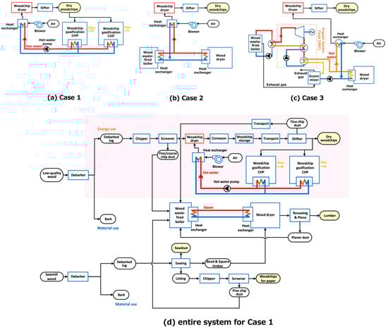
2.2.5. Heat Supply Systems for Drying Woodchips
2.2.6. Dry Woodchips, Electricity and Heat Sales, and Residue Disposal Expense
2.3. Economic–Financial Analysis
2.4. Allocation and Sensitivity Analysis
3. Results and Discussion
3.1. Cash Flow and Economical–Financial Viability
3.2. Sensitivity Analysis for Comparison of Heat Supply Systems
3.3. Sensitivity Analysis for Comparison of Operation
4. Conclusions
- The woodchips production with CHP heat supply is effective and profitable when the low-quality wood price is below 5600 JPY/t50%-wb. or the dry woodchip sales price is above 28,120 JPY/t10%-wb.
- For wood waste-fired boilers, it is effective to implement several improvement measures, such as reducing the price of low-quality wood by utilizing branches and stumps and increasing the woodchip sales price.
- Even if the equipment and construction costs are high for ORC turbines, they can be profitable if the low-quality wood price is below 6730 JPY/t50%, the dry woodchip sales price is above 23,310 JPY/t10%, or the heavy oil A price is above 93.5 JPY/L.
Author Contributions
Funding
Institutional Review Board Statement
Informed Consent Statement
Data Availability Statement
Conflicts of Interest
References
- Climate Action Network Japan. Declaration of Carbon Neutral Goal for Japan by 2050. Available online: https://www.can-japan.org/advocacy/2857 (accessed on 25 November 2022).
- Climate Action Network Japan. Japan’s New −46% Emissions Target Not Enough to Avert Climate Crisis: Japan Needs More Ambitious Targets and Policies to Achieve 1.5 °C Paris Agreement Target. Available online: https://www.can-japan.org/advocacy/2857 (accessed on 25 November 2022).
- Allesina, G.; Pedrazzi, S. Barriers to Success: A Technical Review on the Limits and Possible Future Roles of Small Scale Gasifiers. Energies 2021, 14, 6711. [Google Scholar] [CrossRef]
- Situmorang, Y.A.; Zhao, Z.; Yoshida, A.; Abudula, A.; Guan, G. Small-Scale Biomass Gasification Systems for Power Generation (<200 KW Class): A Review. Renew. Sustain. Energy Rev. 2020, 117, 9486. [Google Scholar] [CrossRef]
- Salem, A.M.; Dhami, H.S.; Paul, M.C. Syngas Production and Combined Heat and Power from Scottish Agricultural Waste Gasification—A Computational Study. Sustainability 2022, 14, 3745. [Google Scholar] [CrossRef]
- Heidenreich, S.; Müller, M.; Foscolo, P.U. Chapter 3—Biomass Pretreatment. In Advanced Biomass Gasification: New Concepts for Efficiency Increase and Product Flexibility; Academic Press: Massachusetts, MA, USA, 2016; pp. 11–17. ISBN 978-0-12-804296-0. [Google Scholar]
- Li, H.; Chen, Q.; Zhang, X.; Finney, K.N.; Sharifi, V.N.; Swithenbank, J. Evaluation of a Biomass Drying Process Using Waste Heat from Process Industries: A Case Study. Appl. Therm. Eng. 2012, 35, 71–80. [Google Scholar] [CrossRef]
- Pang, S.; Mujumdar, A.S. Drying of Woody Biomass for Bioenergy: Drying Technologies and Optimization for an Integrated Bioenergy Plant. Dry. Technol. 2010, 28, 690–701. [Google Scholar] [CrossRef]
- Bianchini, D.C.; Simioni, J. Economic and Risk Assessment of Industrial Wood Chip Drying. Sustain. Energy Technol. Assess. 2021, 44, 101016. [Google Scholar] [CrossRef]
- Paolotti, L.; Martino, G.; Marchini, A.; Boggia, A. Economic and Environmental Assessment of Agro-Energy Wood Biomass Supply Chains. Biomass Bioenergy 2017, 97, 172–185. [Google Scholar] [CrossRef]
- Miranda, M.A.D.S.; Ribeiro, G.B.D.D.; Valverde, S.R.; Isbaex, C. Eucalyptus Sp. Woodchip Potential for Industrial Thermal Energy Production. Rev. Árvore 2017, 41, e410604. [Google Scholar] [CrossRef]
- Flores Hernández, U.; Jaeger, D.; Islas Samperio, J. Evaluating Economic Alternatives for Wood Energy Supply Based on Stochastic Simulation. Sustainability 2018, 10, 1161. [Google Scholar] [CrossRef]
- Dessbesell, L.; Welter, C.A.; de Farias, J.A. Economic and Environmental Analysis of Pellets’ Production in Rio Pardo Watershed, Brazil. Floresta Ambient. 2019, 26, e20160427. [Google Scholar] [CrossRef]
- Pradhan, P.; Gadkari, P.; Arora, A.; Mahajani, S.M. Economic Feasibility of Agro Waste Pelletization as an Energy Option in Rural India. Energy Procedia 2019, 158, 3405–3410. [Google Scholar] [CrossRef]
- Rocha, Q.S.; Lima, R.C.A.; Munis, R.A.; Pereira, G.; Simões, D. Economic Viability of the Whole Tree Harvest under Conditions of Uncertainty: A Study in Southeastern Brazil. Int. J. For. Eng. 2022, 33, 181–188. [Google Scholar] [CrossRef]
- Sahoo, K.; Ted Bilek, E.M.; Mani, S. Techno-Economic and Environmental Assessments of Storing Woodchips and Pellets for Bioenergy Applications. Renew. Sustain. Energy Rev. 2018, 98, 27–39. [Google Scholar] [CrossRef]
- Anerud, E.; Eriksson, A. Evaluation of an Improved Design for Large-Scale Storage of Wood Chip and Bark. Biomass Bioenergy 2021, 154, 106255. [Google Scholar] [CrossRef]
- De Fusco, L.; Jeanmart, H.; Blondeau, J. A Modelling Approach for the Assessment of an Air-Dryer Economic Feasibility for Small-Scale Biomass Steam Boilers. Fuel Process. Technol. 2015, 134, 251–258. [Google Scholar] [CrossRef]
- Del Giudice, A.; Acampora, A.; Santangelo, E.; Pari, L.; Bergonzoli, S.; Guerriero, E.; Petracchini, F.; Torre, M.; Paolini, V.; Gallucci, F. Wood Chip Drying through the Using of a Mobile Rotary Dryer. Energies 2019, 12, 1590. [Google Scholar] [CrossRef]
- Manzone, M.; Bergante, S.; Facciotto, G. Energy and Economic Evaluation of a Poplar Plantation for Woodchips Production in Italy. Biomass Bioenergy 2014, 60, 164–170. [Google Scholar] [CrossRef]
- Haque, N.; Somerville, M. Techno-Economic and Environmental Evaluation of Biomass Dryer. Procedia Eng. 2013, 56, 650–655. [Google Scholar] [CrossRef]
- Myllymaa, T.; Holmberg, H.; Hillamo, H.; Laajalehto, T.; Ahtila, P. Wood Chip Drying in Fixed Beds: Drying Kinetics and Economics of Drying at a Municipal Combined Heat and Power Plant Site. Dry. Technol. 2015, 33, 205–215. [Google Scholar] [CrossRef]
- Coskun, C.; Bayraktar, M.; Oktay, Z.; Dincer, I. Energy and Exergy Analyses of an Industrial Wood Chips Drying Process. Int. J. Low-Carbon Technol. 2009, 4, 224–229. [Google Scholar] [CrossRef]
- Silva, J.; Ferreira, A.C.; Teixeira, S.; Martins, L.; Ferreira, E.; Teixeira, J.C. Sawdust Drying Process in a Large-Scale Pellets Facility: An Energy and Exergy Analysis. Clean. Environ. Syst. 2021, 2, 100037. [Google Scholar] [CrossRef]
- Yi, J.; Li, X.; He, J.; Duan, X. Drying Efficiency and Product Quality of Biomass Drying: A Review. Dry. Technol. 2020, 38, 2039–2054. [Google Scholar] [CrossRef]
- Kaplan, O.; Celik, C. An Experimental Research on Woodchip Drying Using a Screw Conveyor Dryer. Fuel 2018, 215, 468–473. [Google Scholar] [CrossRef]
- Klavina, K.; Cinis, A.; Zandeckis, A. Experimental Study on the Effects of Air Velocity, Temperature and Depth on Low-Temperature Bed Drying of Forest Biomass Residue. Energy Procedia 2015, 72, 42–48. [Google Scholar] [CrossRef][Green Version]
- Seppä, E. Techno-Economic Study on Biomass-Based Small-Scale Combined Heat and Power Production by Gasification; Aalto University: Helsinki, Finland, 2017. [Google Scholar]
- Do, T.X.; Lim, Y.i.; Yeo, H.; Lee, U.d.; Choi, Y.t.; Song, J.h. Techno-Economic Analysis of Power Plant via Circulating Fluidized-Bed Gasification from Woodchips. Energy 2014, 70, 547–560. [Google Scholar] [CrossRef]
- Mazzucco, A.; Rokni, M. Thermo-Economic Analysis of a Solid Oxide Fuel Cell and Steam Injected Gas Turbine Plant Integrated with Woodchips Gasification. Energy 2014, 76, 114–129. [Google Scholar] [CrossRef]
- Zhou, J.; Tabata, T. Economic, Societal, and Environmental Evaluation of Woody Biomass Heat Utilization: A Case Study in Kobe, Japan. Renew. Energy 2022, 188, 256–268. [Google Scholar] [CrossRef]
- Jeswani, H.K.; Whiting, A.; Azapagic, A. Environmental and Economic Sustainability of Biomass Heat in the UK. Energy Technol. 2020, 8, 1901044. [Google Scholar] [CrossRef]
- Kalina, J. Techno-Economic Assessment of Small-Scale Integrated Biomass Gasification Dual Fuel Combined Cycle Power Plant. Energy 2017, 141, 2499–2507. [Google Scholar] [CrossRef]
- Cruz, I.; Johansson, M.T.; Wren, J. Assessment of the Potential for Small-Scale CHP Production Using Organic Rankine Cycle (ORC) Systems in Different Geographical Contexts: GHG Emissions Impact and Economic Feasibility. Energy Rep. 2022, 8, 7680–7690. [Google Scholar] [CrossRef]
- Bagherian, M.A.; Mehranzamir, K.; Ahmed, J.; Nafea, M.; Nabipour-Afrouzi, H.; Wooi, C.; Pour, A.B.; Rezania, S.; Morteza Alizadeh, S. Techno-Economic Analysis of Direct Combustion and Gasification Systems for off-Grid Energy Supply: A Case for Organic Rankine Cycle and Dual Fluidized-Bed. IET Renew. Power Gener. 2021, 15, 2596–2614. [Google Scholar] [CrossRef]
- Bank of Japan. Foreign Exchange Market Conditions. Available online: https://www.boj.or.jp/statistics/market/forex/fxdaily/fxlist/index.htm/ (accessed on 26 November 2022).
- Procurement Price Calculation Committee. Opinion on Procurement Prices since 2022. Available online: https://www.meti.go.jp/shingikai/santeii/pdf/20220204_1.pdf (accessed on 26 November 2022).
- New Energy and Industrial Technology Development Organization (NEDO). Feasibility Assessment of a Regional Self-Sustaining System for Public Facilities in Tochigi Prefecture That Utilises Biomass Resources Including Erianthus. NEDO Rep. 2019, 1038, 1–183. [Google Scholar]
- Shuetsu, S.; Naohiro, K. A Test Calculation of Drying Lumber Production Cost by Drying Factory Scale. Kanto J. For. Res. 2009, 60, 281–282. (In Japanese) [Google Scholar]
- New Energy and Industrial Technology Development Organization (NEDO). Feasibility Assessment of a Sustainable Project for Regional Circulation of Agriculture, Forestry and Energy Based on Fast-Growing Trees. NEDO Report. 2020, Volume 20, pp. 1–109. Available online: https://www.nedo.go.jp/library/database_index.html (accessed on 26 November 2022).
- New Energy and Industrial Technology Development Organization (NEDO). Feasibility Study on the Commercialisation of Cooperative Wood Drying Using Biomass Boilers. NEDO Report. 2009, Volume 1193, p. 1. Available online: https://www.nedo.go.jp/library/database_index.html (accessed on 26 November 2022).
- Volter, O. Volter 40 INDOOR Gasifier. Available online: https://volter.fi/products/volter-40-indoor/ (accessed on 26 November 2022).
- Yagi, K.; Nakata, T. Economic Analysis on Small-Scale Forest Biomass Gasification Considering Regional Resource Distribution and Technical Characteristics. J. Jpn. Inst. Energy 2007, 86, 109–118. [Google Scholar] [CrossRef][Green Version]
- Yanagida, T.; Komata, H.; Kuboyama, H. Economic Evaluation Considering Uncertainties for a Small-Scale Gasification Combined Heat and Power Generation Business Using Dry Wood Chips. Wood Ind. 2021, 76, 170–177. (In Japanese) [Google Scholar]
- Ministry of Economy Trade and Industry. Renewable Energy Purchase Prices, Surcharge Rate, and Other Details Related to FIT and FIP Schemes from FY2022 Onward to Be Determined. Available online: https://www.meti.go.jp/english/aboutmeti/index.html (accessed on 26 November 2022).
- Agency for Natural Resources and Energy. Petroleum Product Price Survey. Available online: https://www.enecho.meti.go.jp/statistics/petroleum_and_lpgas/pl007/results.html (accessed on 26 November 2022).
- Agency for Natural Resources and Energy. List of Standard Calorific Values by Energy Source. Available online: https://www.enecho.meti.go.jp/statistics/total_energy/pdf/stte_016.pdf (accessed on 26 November 2022).
- Energy Information Center. Trends in Electricity Unit Prices. Available online: https://pps-net.org/unit (accessed on 26 November 2022).
- Ministry of Internal Affairs and Communications. Property Tax Overview. Available online: https://www.soumu.go.jp/main_sosiki/jichi_zeisei/czaisei/czaisei_seido/149767_08.html (accessed on 26 November 2022).
- Teikoku Databank. Trend Survey of National Average Borrowing Rate of Interest in FY2021. Available online: https://www.tdb.co.jp/report/watching/press/pdf/p221009.pdf (accessed on 26 November 2022).
- PricewaterhouseCoopers (PwC). Taxes on Corporate Income—Japan. Available online: https://taxsummaries.pwc.com/japan/corporate/taxes-on-corporate-income (accessed on 26 November 2022).







| Item | Value | Reference |
|---|---|---|
| Moisture content | 50%-wb. | |
| Heating value at 50% moisture | 8 MJ/kg50%-wb. | |
| Higher heating value in db | 20 MJ/kg-db. | |
| Log price | 5850 JPY/t50%-wb. | 900 JPY/GJ, [37] |
| Equipment | Initial Expense [Million JPY] | Reference |
|---|---|---|
| Woodchipdrying plant | ||
| Wood chipper | 54.01 | [38] |
| Wheel loader | 10 | Used price |
| Woodchip dryer (with water-air heat exchanger, blower, conveyer, controlling board, equipment installation) | 20 | [38] |
| Heat source | ||
| CHP | 52.72 | 131.8 mill. JPY/kWe, [37] |
| WWFB * | 8 | [39] |
| ORC turbine | 2100 | [40] |
| Item | Value | Reference |
|---|---|---|
| Wood chipper | ||
| Power | 250 kWe | [38] |
| Woodchips production | 150 m3/h | [38] |
| Annual operating day | 312 d/y | |
| Woodchipsscreener | ||
| Power | 35 kWe | [38] |
| Processing capacity | 100 m3/h | [38] |
| Annual operating day | 312 d/y | |
| Wheel loader | ||
| Power | 44.3 kW | |
| Averaged transport volume | 75.6 m3/h | [41] |
| Diesel fuel consumption | 0.33 L/m3 | [41] |
| Annual operating day | 312 d/y | |
| Woodchipdryer | ||
| Power | 10 kWe/unit | [38] |
| Drying heat demand | 419 kWth/h/t50%-wb./unit | [38] |
| Drying capacity | 360 kg50%-wb./h/unit | [38] |
| Chip weight after drying | 200 kg10%-wb./h/unit | [38] |
| Heat-exchange efficiency | 66% | |
| Annual operating day | 312 d/y | |
| Gasification CHP | ||
| Electricity output | 40 kWe/unit | [42] |
| Heat output | 100 kWth/unit | [42] |
| Woodchips input | 1 t15%-wb./d/unit | [42] |
| Char producing rate | 8% | |
| Operating time | 6000 h/y | |
| Wood waste-fired boiler | ||
| Heat output | 1254 kWth/unit | 2 t-steam/h, [39] |
| Heat production efficiency | 85% | |
| Ash generation | 0.5% | |
| Operating time | 7500 h/y | |
| ORC turbine | ||
| Electricity output | 702 kWe | [40] |
| Heat output | 3082 kWth | [40] |
| Operating time | 7500 h/y | |
| Dry woodchip | ||
| Moisture content | 10%-wb. |
| Items | Value | Reference |
|---|---|---|
| Electricity sales price (FIT for small-scale plant [<2000 kWe] with low-quality wood) | 40 JPY/kWeh | [45] |
| Heavy oil A replacement benefit | 88.3 JPY/L | [46] |
| Heavy oil A heating value | 38.90 MJ/L | [47] |
| Ash/char disposal costs | 20,000 JPY/t-wb. | [44] |
| Dry woodchip sales price | 18,500 JPY/t10%-wb. | [43,44] |
| Item | Value | Reference |
|---|---|---|
| Grid electricity price | 17 JPY/kWh | High-voltage power (50–2000 kW), [48] |
| Diesel oil price | 122 JPY/L | [46] |
| Labor cost | 4 million JPY/y/person | [37] |
| Depreciation period | 15 y | [44] |
| Project period | 20 y | [44] |
| Property tax rate | 1.4% | [49] |
| Interest rate | 1.5% | averaged for 2012–2021 [50] |
| Corporate tax rate | 30.62% | [51] |
| NPV discount rate | 5% |
| Process | Case 1 | Case 2 | Case 3 |
|---|---|---|---|
| Wood (cedar) | |||
| Total wood input | 271,534 t50%-wb. | 137,858 t50%-wb. | 390,989 t50%-wb. |
| Woodchip drying plant | |||
| Wood chipper | 1 unit | 1 unit | 1 unit |
| Wheel loader | 1 unit | 1 unit | 1 unit |
| Woodchip dryer (with water-air heat exchanger, blower, conveyer, controlling board) | 4 units | 2 units | 2 units |
| Heat source | CHP: 10.6 units, WWFB: 0.60 units | WWFB 1: 0.42 units | WWFB 1: 3.1 units, ORC 2: 1 unit |
| Products | |||
| Dry woodchips | 2361 t10%-wb./y | 2361 t10%-wb./y | 2361 t10%-wb./y |
| Heavy oil substitution | 4.17 GWthh/y | – | 19.2 GWthh/y |
| Electricity sales | 42.5 GWeh/y | – | 5.27 GWeh/y |
| Indicator | Heat Supply System | ||
|---|---|---|---|
| Case 1 (CHP) | Case 2 (Boiler) | Case 3 (ORC) | |
| Discount payback period | 40.1 y | na | 21.9 y |
| NPV 1 at 20 y | −186 million JPY | −402 million JPY | −103 million JPY |
| IRR 2 | 1.87% | na | 4.47% |
| BCR 3 | 1.08 | 0.618 | 1.28 |
Publisher’s Note: MDPI stays neutral with regard to jurisdictional claims in published maps and institutional affiliations. |
© 2022 by the authors. Licensee MDPI, Basel, Switzerland. This article is an open access article distributed under the terms and conditions of the Creative Commons Attribution (CC BY) license (https://creativecommons.org/licenses/by/4.0/).
Share and Cite
Koido, K.; Takata, E.; Yanagida, T.; Kuboyama, H. Techno-Economic Assessment of Heat Supply Systems in Woodchip Drying Bases for Wood Gasification Combined Heat and Power. Sustainability 2022, 14, 16878. https://doi.org/10.3390/su142416878
Koido K, Takata E, Yanagida T, Kuboyama H. Techno-Economic Assessment of Heat Supply Systems in Woodchip Drying Bases for Wood Gasification Combined Heat and Power. Sustainability. 2022; 14(24):16878. https://doi.org/10.3390/su142416878
Chicago/Turabian StyleKoido, Kenji, Eri Takata, Takashi Yanagida, and Hirofumi Kuboyama. 2022. "Techno-Economic Assessment of Heat Supply Systems in Woodchip Drying Bases for Wood Gasification Combined Heat and Power" Sustainability 14, no. 24: 16878. https://doi.org/10.3390/su142416878
APA StyleKoido, K., Takata, E., Yanagida, T., & Kuboyama, H. (2022). Techno-Economic Assessment of Heat Supply Systems in Woodchip Drying Bases for Wood Gasification Combined Heat and Power. Sustainability, 14(24), 16878. https://doi.org/10.3390/su142416878

