Operation and Assessment of a Microgrid for Maldives: Islanded and Grid-Tied Mode
Abstract
1. Introduction
2. Methodology
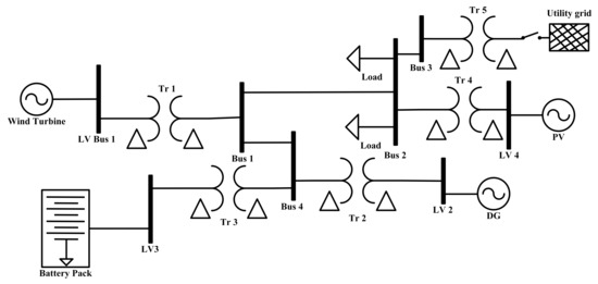
2.1. System Configuration
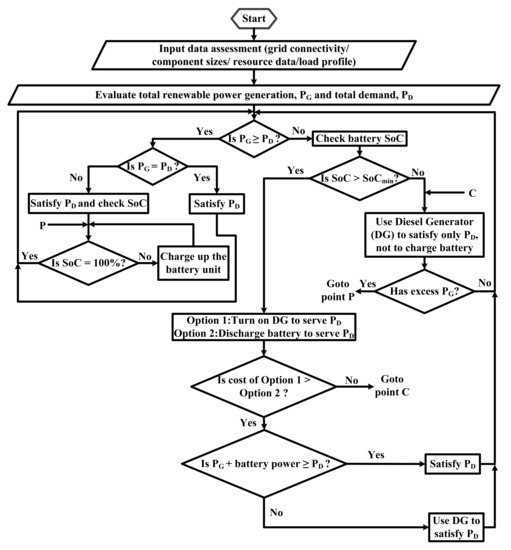
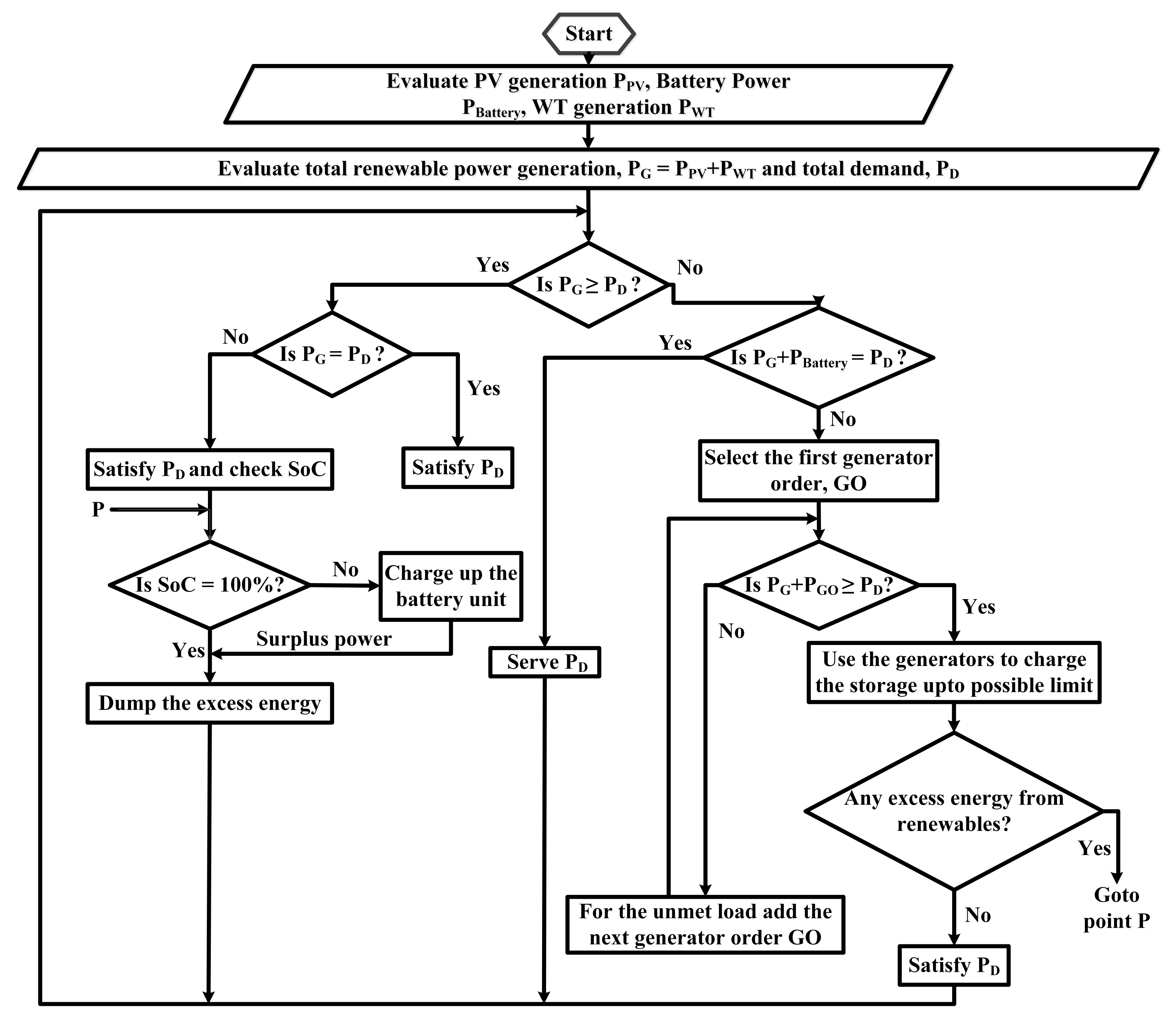
2.2. Control Approaches
2.3. DIgSILENT PowerFactory Microgrid Model
3. Results and Discussion
3.1. Techno–Economic–Environmental Evaluation
3.2. Active Power Responses
3.3. Voltage Responses
3.4. Comparison with Other Works
4. Conclusions
Author Contributions
Funding
Institutional Review Board Statement
Informed Consent Statement
Data Availability Statement
Acknowledgments
Conflicts of Interest
Abbreviations
| AC | Alternating Current |
| BSD | Battery Storage Device |
| CC | Cycle Charging |
| CD | Combined Dispatch |
| COE | Cost of Energy |
| DC | Direct Current |
| DG | Diesel Generator |
| DS | Dispatch Strategy |
| EMS | Energy Management System |
| EP | Energy Purchased |
| ES | Energy Sold |
| GO | Generator Order |
| HKT | Hydro Kinetic Turbine |
| HRES | Hybrid Renewable Energy Systems |
| LF | Load Following |
| LV | Low Voltage |
| MG | Microgrid |
| NPC | Net Present Cost |
| PMSG | Permanent Magnet Synchronous Generator |
| PS | Homer Predictive Dispatch |
| PSO | Particle Swarm Optimization |
| PV | Photovoltaic |
| RF | Renewable Fraction |
| SoC | State of Charge |
| SPVS | Solar PV System |
| TEES | Technical, Economical, Environmental, Social |
| WT | Wind Turbine |
| List of Symbols | |
| Rotor angle | |
| Output frequency | |
| Rated frequency of the microgrid | |
| E | Voltage output of generator |
| Rated voltage of the microgrid | |
| m | Frequency droop gain |
| n | Voltage droop gain |
| P | Active Power |
| Total Demand | |
| Renewable Power Generation | |
| Battery Power | |
| Generation from Solar PV | |
| Generation from WT | |
| Q | Reactive power |
| V | Voltage for AC bus |
| Nominal Voltage | |
| X | Inductive reactance |
References
- Olabi, A.; Abdelkareem, M.A. Renewable energy and climate change. Renew. Sustain. Energy Rev. 2022, 158, 112111. [Google Scholar] [CrossRef]
- Peidong, Z.; Yanli, Y.; Yonghong, Z.; Lisheng, W.; Xinrong, L. Opportunities and challenges for renewable energy policy in China. Renew. Sustain. Energy Rev. 2009, 13, 439–449. [Google Scholar] [CrossRef]
- Tamir, K. Identifying and Addressing Drivers and Barriers to Renewable Energy Development in the Rural Electrification of Mongolia. Ph.D. Thesis, Murdoch University, Perth, Australia, 2011. [Google Scholar]
- Kushwaha, P.K.; Bhattacharjee, C. Integrated techno-economic-enviro-socio design of the hybrid renewable energy system with suitable dispatch strategy for domestic and telecommunication load across India. J. Energy Storage 2022, 55, 105340. [Google Scholar] [CrossRef]
- Shezan, S.A.; Ishraque, M.F.; Paul, L.C.; Sarkar, M.R.; Rana, M.M.; Uddin, M.; Hossain, M.B.; Shobug, M.A.; Hossain, M.I. Assortment of dispatch strategies with the optimization of an islanded hybrid microgrid. MIST Int. J. Sci. Technol. 2022, 10, 15–24. [Google Scholar] [CrossRef]
- Dagar, A.; Gupta, P.; Niranjan, V. Microgrid protection: A comprehensive review. Renew. Sustain. Energy Rev. 2021, 149, 111401. [Google Scholar] [CrossRef]
- Ishraque, M.F.; Shezan, S.A.; Ali, M.; Rashid, M. Optimization of load dispatch strategies for an islanded microgrid connected with renewable energy sources. Appl. Energy 2021, 292, 116879. [Google Scholar] [CrossRef]
- Ma, Q.; Huang, X.; Wang, F.; Xu, C.; Babaei, R.; Ahmadian, H. Optimal sizing and feasibility analysis of grid-isolated renewable hybrid microgrids: Effects of energy management controllers. Energy 2022, 240, 122503. [Google Scholar] [CrossRef]
- Ishraque, M.F.; Ali, M.M. Optimized Design of a Hybrid Microgrid using Renewable Resources Considering Different Dispatch Strategies. In Proceedings of the 2021 International Conference on Automation, Control and Mechatronics for Industry 4.0 (ACMI), Rajshahi, Bangladesh, 8–9 July 2021; pp. 1–6. [Google Scholar]
- Mahmoodi, M.; Shamsi, P.; Fahimi, B. Economic dispatch of a hybrid microgrid with distributed energy storage. IEEE Trans. Smart Grid 2015, 6, 2607–2614. [Google Scholar] [CrossRef]
- Ishraque, M.F.; Shezan, S.A.; Rana, M.S.; Muyeen, S.; Rahman, A.; Paul, L.C.; Islam, M.S. Optimal sizing and assessment of a renewable rich standalone hybrid microgrid considering conventional dispatch methodologies. Sustainability 2021, 13, 12734. [Google Scholar] [CrossRef]
- Shezan, S.A.; Ishraque, M.F.; Muyeen, S.; Arifuzzaman, S.; Paul, L.C.; Das, S.K.; Sarker, S.K. Effective dispatch strategies assortment according to the effect of the operation for an islanded hybrid microgrid. Energy Convers. Manag. X 2022, 14, 100192. [Google Scholar] [CrossRef]
- Chaurasia, R.; Gairola, S.; Pal, Y. Technical, economic, and environmental performance comparison analysis of a hybrid renewable energy system based on power dispatch strategies. Sustain. Energy Technol. Assess. 2022, 53, 102787. [Google Scholar] [CrossRef]
- Aziz, A.S.; Tajuddin, M.F.N.; Zidane, T.E.K.; Su, C.L.; Alrubaie, A.J.K.; Alwazzan, M.J. Techno-economic and environmental evaluation of PV/diesel/battery hybrid energy system using improved dispatch strategy. Energy Rep. 2022, 8, 6794–6814. [Google Scholar] [CrossRef]
- Moretti, L.; Polimeni, S.; Meraldi, L.; Raboni, P.; Leva, S.; Manzolini, G. Assessing the impact of a two-layer predictive dispatch algorithm on design and operation of off-grid hybrid microgrids. Renew. Energy 2019, 143, 1439–1453. [Google Scholar] [CrossRef]
- Nwulu, N.I.; Xia, X. Optimal dispatch for a microgrid incorporating renewables and demand response. Renew. Energy 2017, 101, 16–28. [Google Scholar] [CrossRef]
- Ramesh, M.; Saini, R.P. Dispatch strategies based performance analysis of a hybrid renewable energy system for a remote rural area in India. J. Clean. Prod. 2020, 259, 120697. [Google Scholar] [CrossRef]
- Shahzad, M.; Qadir, A.; Ullah, N.; Mahmood, Z.; Saad, N.M.; Ali, S.S.A. Optimization of On-Grid Hybrid Renewable Energy System: A Case Study on Azad Jammu and Kashmir. Sustainability 2022, 14, 5757. [Google Scholar] [CrossRef]
- Hossen, M.D.; Islam, M.F.; Ishraque, M.F.; Shezan, S.A.; Arifuzzaman, S. Design and Implementation of a Hybrid Solar-Wind-Biomass Renewable Energy System considering Meteorological Conditions with the Power System Performances. Int. J. Photoenergy 2022, 2022. [Google Scholar] [CrossRef]
- Yousif, M.; Ai, Q.; Gao, Y.; Wattoo, W.A.; Jiang, Z.; Hao, R. An optimal dispatch strategy for distributed microgrids using PSO. CSEE J. Power Energy Syst. 2019, 6, 724–734. [Google Scholar] [CrossRef]
- Mašić, F.; Memišević, B.; Bosović, A.; Merzić, A.; Musić, M. Implementation of microgrid on location Rostovo with installation of sustainable hybrid power system (case study of a real medium-voltage network). In Proceedings of the International Symposium on Innovative and Interdisciplinary Applications of Advanced Technologies; Springer: Cham, Switzerland, 2018; pp. 224–242. [Google Scholar]
- Toopshekan, A.; Yousefi, H.; Astaraei, F.R. Technical, economic, and performance analysis of a hybrid energy system using a novel dispatch strategy. Energy 2020, 213, 118850. [Google Scholar] [CrossRef]
- Mejía, M.E.A.; Mariano-Hernández, D.; Santana, R.B.; de León Concepción, E.; Martijena, A.A.; Ruiz, A.C.; Mendoza, D.L.; Suero, E.C.F. Design of an Interconnected Microgrid for the Electrification of San Pablo II Community: Case of Study Dominican Republic. In Proceedings of the 2020 IEEE International Smart Cities Conference (ISC2), Piscataway, NJ, USA, 28 September–1 October 2020; pp. 1–8. [Google Scholar]
- Stackhouse, P. NASA POWER | Prediction of Worldwide Energy Resources. 2021. Available online: https://power.larc.nasa.gov/ (accessed on 1 October 2022).
- Aziz, A.S.; Tajuddin, M.F.N.; Adzman, M.R.; Ramli, M.A.; Mekhilef, S. Energy management and optimization of a PV/diesel/battery hybrid energy system using a combined dispatch strategy. Sustainability 2019, 11, 683. [Google Scholar] [CrossRef]
- Rad, M.A.V.; Shahsavari, A.; Rajaee, F.; Kasaeian, A.; Pourfayaz, F.; Yan, W.M. Techno-economic assessment of a hybrid system for energy supply in the affected areas by natural disasters: A case study. Energy Convers. Manag. 2020, 221, 113170. [Google Scholar]
- Wu, D.; Tang, F.; Vasquez, J.C.; Guerrero, J.M. Control and analysis of droop and reverse droop controllers for distributed generations. In Proceedings of the 2014 IEEE 11th International Multi-Conference on Systems, Signals & Devices (SSD14), Barcelona, Spain, 11–14 February 2014; pp. 1–5. [Google Scholar]
- Chandorkar, M.C.; Divan, D.M.; Adapa, R. Control of parallel connected inverters in standalone AC supply systems. IEEE Trans. Ind. Appl. 1993, 29, 136–143. [Google Scholar] [CrossRef]
- De Brabandere, K.; Bolsens, B.; Van den Keybus, J.; Woyte, A.; Driesen, J.; Belmans, R. A voltage and frequency droop control method for parallel inverters. IEEE Trans. Power Electron. 2007, 22, 1107–1115. [Google Scholar] [CrossRef]
- Shuai, Z.; Mo, S.; Wang, J.; Shen, Z.J.; Tian, W.; Feng, Y. Droop control method for load share and voltage regulation in high-voltage microgrids. J. Mod. Power Syst. Clean Energy 2016, 4, 76–86. [Google Scholar] [CrossRef]
- Chen, M.R.; Wang, H.; Zeng, G.Q.; Dai, Y.X.; Bi, D.Q. Optimal PQ control of grid-connected inverters in a microgrid based on adaptive population extremal optimization. Energies 2018, 11, 2107. [Google Scholar] [CrossRef]
- Arif, S.; Rabbi, A.E.; Ahmed, S.U.; Hossain Lipu, M.S.; Jamal, T.; Aziz, T.; Sarker, M.R.; Riaz, A.; Alharbi, T.; Hussain, M.M. Enhancement of Solar PV Hosting Capacity in a Remote Industrial Microgrid: A Methodical Techno-Economic Approach. Sustainability 2022, 14, 8921. [Google Scholar] [CrossRef]
- Fatima, S.; Püvi, V.; Lehtonen, M. Review on the PV hosting capacity in distribution networks. Energies 2020, 13, 4756. [Google Scholar] [CrossRef]
- Mohammadi, P.; Mehraeen, S. Challenges of PV integration in low-voltage secondary networks. IEEE Trans. Power Deliv. 2016, 32, 525–535. [Google Scholar] [CrossRef]
- Iqbal, A.; Ayoub, A.; Waqar, A.; Ul-Haq, A.; Zahid, M.; Haider, S. Voltage stability enhancement in grid-connected microgrid using enhanced dynamic voltage restorer (EDVR). AIMS Energy 2021, 9, 150–177. [Google Scholar] [CrossRef]
- Sood, V.K.; Ali, M.Y.; Khan, F. Energy management system of a microgrid using particle swarm optimization (PSO) and communication system. In Microgrid: Operation, Control, Monitoring and Protection; Springer: Singapore, 2020; pp. 263–288. [Google Scholar]
- Ishraque, M.F.; Hussain, M.S.; Rana, M.S.; Roni, M.H.K.; Shezan, S.A. Design and Assessment of a Standalone Hybrid Mode Microgrid for the Rohingya Refugees Using Load Following Dispatch Strategy. In Proceedings of the 2021 6th International Conference on Development in Renewable Energy Technology (ICDRET), Dhaka, Bangladesh, 28–30 December 2021; pp. 1–6. [Google Scholar]













| Grid-Tied Mode | ||||||||||||||
|---|---|---|---|---|---|---|---|---|---|---|---|---|---|---|
| DS | PV | WT | DG | Battery | Grid | Converter | NPC ($) | COE | Operating | Initial | RF | EP | ES | CO |
| (kW) | (kW) | (kW) | (kWh) | (kW) | (kW) | ($/kWh) | Cost ($/yr) | Capital ($) | (%) | (kWh) | (kWh) | kg/yr | ||
| CC | 25 | 4 | 1 | 1 | 999,999 | 18.8 | 132,906 | 0.135 | 7463 | 36,433 | 55.9 | 33,717 | 15,985 | 21,309 |
| CD | No output results. HOMER was unable to find a solution | |||||||||||||
| LF | 25 | 4 | 1 | 1 | 999,999 | 18.8 | 132,522 | 0.135 | 7433 | 36,433 | 56.1 | 33,438 | 15,675 | 21,133 |
| PS | No feasible solution. HOMER was unable to find a solution | |||||||||||||
| GO | 40 | 1 | 1 | 134 | 999,999 | 14.6 | 113,137 | 0.166 | 2086 | 86,175 | 100 | 0 | 0 | 0 |
| Grid-Isolated Mode | ||||||||||||||
| DS | PV | WT | DG | Battery | Grid | Converter | NPC ($) | COE | Operating | Initial | RF | EP | ES | CO |
| (kW) | (kW) | (kW) | (kWh) | (kW) | (kW) | ($/kWh) | Cost ($/yr) | Capital ($) | (%) | (kWh) | (kWh) | kg/yr | ||
| CC | 25 | 15 | 2 | 87 | - | 15.5 | 147,058 | 0.213 | 5508 | 75,848 | 81.3 | - | - | 8107 |
| CD | 25 | 8 | 3 | 81 | - | 13.2 | 137,398 | 0.200 | 5635 | 64,553 | 78.4 | - | - | 9348 |
| LF | 25 | 13 | 3 | 82 | - | 14.9 | 141,448 | 0.024 | 5180 | 74,484 | 83.3 | - | - | 7547 |
| PS | 35 | 1 | 1 | 104 | - | 11.3 | 120,410 | 0.175 | 3807 | 71,191 | 89.7 | - | - | 4404 |
| GO | 40 | 1 | 1 | 134 | - | 14.6 | 113,137 | 0.166 | 2086 | 86,175 | 100 | - | - | 0 |
| Reference | Parameter | Grid-Tied Mode | Grid-Isolated Mode | ||
|---|---|---|---|---|---|
| Proposed | Referred | Proposed | Referred | ||
| Work | Work | Work | Work | ||
| Sood et al., 2020 in [36] | NPC | USD 113,137 | - | USD 141,448 | - |
| COE | 0.166 $/kWh | - | 0.024 $/kWh | - | |
| Operating Cost | 2086 $/yr | 2298 $/24 h | 5180 $/yr | 2278 $/24 h | |
| Emission CO | 0 kg/yr | - | 7547 kg/yr | - | |
| RF | 100% | - | 83.3 | -% | |
| Power System Study | Active power | Active | Active power | Active power | |
| Voltage | power | Voltage | |||
| Control Algorithm | Dispatch Strategy (GO) | PSO | Dispatch Strategy (LF) | PSO | |
| Reference | Parameter | Grid-Tied Mode | Grid-Isolated Mode | ||
|---|---|---|---|---|---|
| Proposed | Referred | Proposed | Referred | ||
| Work | Work | Work | Work | ||
| Ishraque et al., 2021 in [37] | NPC | USD 113,137 | - | USD 141,448 | USD 163,237 |
| COE | 0.166 $/kWh | - | 0.024 $/kWh | 0.224 $/kWh | |
| Operating Cost | 2086 $/yr | - | 5180 $/yr | 4327 $/yr | |
| Emission CO | 0 kg/yr | - | 7547 kg/yr | 4515 kg/yr | |
| RF | 100% | - | 83.3% | 90.6% | |
| Power System Study | Active power, | - | Active power, | Active power, voltage | |
| Voltage | Voltage | frequency | |||
| Control Algorithm | Dispatch Strategy | - | Dispatch Strategy | Dispatch Strategy | |
| (GO) | (LF) | (LF) | |||
Publisher’s Note: MDPI stays neutral with regard to jurisdictional claims in published maps and institutional affiliations. |
© 2022 by the authors. Licensee MDPI, Basel, Switzerland. This article is an open access article distributed under the terms and conditions of the Creative Commons Attribution (CC BY) license (https://creativecommons.org/licenses/by/4.0/).
Share and Cite
Ishraque, M.F.; Rahman, A.; Shezan, S.A.; Shafiullah, G. Operation and Assessment of a Microgrid for Maldives: Islanded and Grid-Tied Mode. Sustainability 2022, 14, 15504. https://doi.org/10.3390/su142315504
Ishraque MF, Rahman A, Shezan SA, Shafiullah G. Operation and Assessment of a Microgrid for Maldives: Islanded and Grid-Tied Mode. Sustainability. 2022; 14(23):15504. https://doi.org/10.3390/su142315504
Chicago/Turabian StyleIshraque, Md. Fatin, Akhlaqur Rahman, Sk. A. Shezan, and GM Shafiullah. 2022. "Operation and Assessment of a Microgrid for Maldives: Islanded and Grid-Tied Mode" Sustainability 14, no. 23: 15504. https://doi.org/10.3390/su142315504
APA StyleIshraque, M. F., Rahman, A., Shezan, S. A., & Shafiullah, G. (2022). Operation and Assessment of a Microgrid for Maldives: Islanded and Grid-Tied Mode. Sustainability, 14(23), 15504. https://doi.org/10.3390/su142315504

