Design and Analysis of DFIG-STATCOM Coordinated P2P Grid Connected System Using RMSProp
Abstract
1. Introduction
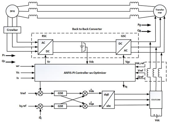
2. Problem Identification and Modelling of DFIG-STATCOM
3. Problem Formulation and Solution Methodology
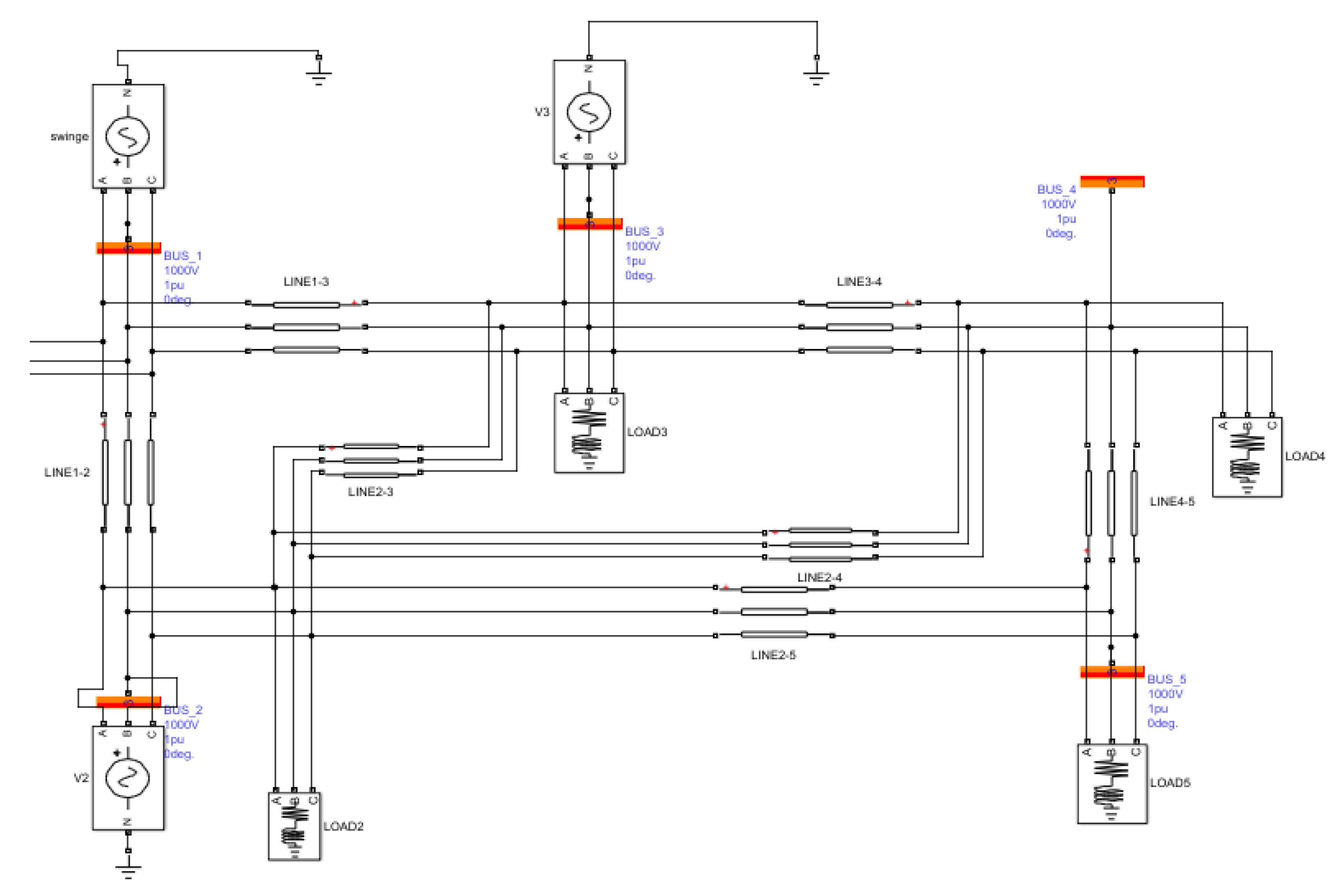
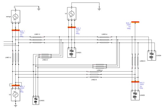
4. Bench Marking Model
- Case-I: ANFIS tuned PI controller for achieving coordinated control of DFIG-STATCOM.
- Case-II: FPA tuned Gaussian PI Controller
4.1. Case-I
4.2. Case-II
- Set the value of time t = 0 and start the FPA (flower pollination algorithm) and parallel algorithm.
- Between the two data sets of data, evaluate similarity and the pollen distance.
- In pollen space, evaluate the flatness in FPA from the range 0.3 to 0.99.
- With reference to decision variables, check for global and local optimization.
- Set the outcome to stopping criterion once Gbest is attained.
- For the training and for testing sets, make two databases.
- If the best possible solution is not receiving, change the Gaussian surface.
5. Result Analysis
5.1. Case-1: Single Line to Ground Fault
5.2. Case-2: Line-Line to Ground Fault
5.3. Case-3: Line-Line-Line to Ground Fault
6. Conclusions
Author Contributions
Funding
Institutional Review Board Statement
Informed Consent Statement
Data Availability Statement
Acknowledgments
Conflicts of Interest
Appendix A

| Sl. No. | Bus No. | Real Power Flow (P.U) | Reactive Power Flow (P.U) |
|---|---|---|---|
| 01. | 1–2 | 0.0142 | 0.0419 |
| 02. | 2–4 | 0.0541 | 0.0570 |
| 04. | 4–4 | 0.4202 | 0.1402 |
| 04. | 4–5 | 0.0210 | 0.0220 |
| 05. | 4–5 | 0.0277 | 0.0290 |
References
- Chen, X.; Wu, W.; Gao, N.; Chung, H.S.-H.; Liserre, M.; Blaabjerg, F. Finite Control Set Model Predictive Control for LCL-Filtered GridTied Inverter with Minimum Sensors. IEEE Trans. Ind. Electron. 2020, 67, 9980–9990. [Google Scholar] [CrossRef]
- Hingorani, N.G. High Power Electronics and Flexible AC Transmission System. IEEE Power Eng. Rev. 1988, 7, 3–4. [Google Scholar] [CrossRef]
- Parizad, A.; Kalantar, M.; Khazali, A. Application of HSA and GA in Optimal Placement of FACTS Devices Considering Voltage Stability and Losses. In Proceedings of the International Conference on Electric Power and Energy Conversion Systems, Sharjah, United Arab Emirates, 10–12 November 2009; pp. 1–7. [Google Scholar]
- Rajderkar, V.P.; Chandrakar, V.K. Comparison of Series FACTS Devices Via Optimal Location in a Power System for Congestion Management. In Proceedings of the 2009 Asia-Pacific Power and Energy Engineering Conference, Wuhan, China, 27–31 March 2009; pp. 1–5. [Google Scholar]
- Kheirizad, I.; Mohammadi, A.; Varahram, M.H. A Novel Algorithm for Optimal Location of FACTS Devices in Power System Planning. J. Electr. Eng. Technol. 2008, 3, 177–183. [Google Scholar] [CrossRef]
- Zhang, W.; Li, F.; Tolbert, L.M. Optimal Allocation of Shunt Dynamic Var Source SVC and STATCOM: A Survey; Department of Electrical and Computer Engineering, The University of Tennessee: Knoxville, TX, USA, 2006; pp. 1–6. [Google Scholar]
- Hete, R.R.; Mishra, S.K.; Dash, R.; Ballaji, A.; Subburaj, V.; Reddy, K.J. Analysis of DFIG-STATCOM P2P control action using simulated annealing techniques. Heliyon 2022, 8, e09008. [Google Scholar] [CrossRef] [PubMed]
- Das, M.C.; Dash, R.; Swain, S.C.; Subburaj, V. Performance Enhancement of PI-Controller Using SVM for DFIG-Grid Interconnected System. In Proceedings of the 2021 2nd International Conference for Emerging Technology (INCET), Belagavi, India, 21–23 May 2021; pp. 1–6. [Google Scholar] [CrossRef]
- Palaniraj, P.; Sakthivel, G. Hybrid Motion Estimation Algorithm Based on PSO with Dynamic Threshold on Static Block Detection. Procedia Comput. Sci. 2018, 132, 1487–1496. [Google Scholar] [CrossRef]
- Saurabh, S.; Ahmed, M.I. Optimal Placement of STATCOM for improving voltage stability using GA. Int. J. Sci. Eng. Technol. 2014, 2, 1349–1353. [Google Scholar]
- Karthikeyan, K.; Dhal, P.K. Investigation of optimal location and tuning of STATCOM by genetic algorithm based transient stability improvement. J. Electr. Syst. 2018, 14, 103–117. [Google Scholar]
- Mishra, S.; Dash, R.; Swain, S.C. Line to Ground fault analysis of DFIG and STATCOM using Simulated Annealing optimization-Part-I. In Proceedings of the 2021 International Conference on Innovative Practices in Technology and Management (ICIPTM), Noida, India, 17–19 February 2021; pp. 94–98. [Google Scholar] [CrossRef]
- Das, A.; Dawn, S.; Gope, S. A Review on Optimal Placement of FACTS Devices. Int. J. Comput. Intell. IoT 2019, 2, 626–630. [Google Scholar]
- Molinas, M.; Suul, J.A.; Undeland, T. Low voltage ride through of wind farms with cage generators: STATCOM versus SVC. IEEE Trans. Power Electron. 2008, 23, 1104–1117. [Google Scholar] [CrossRef]
- Nguyen, H.V.; Cao, M.T.; Nguyen, H.; Le, K.H. Performance Comparison between PSO and GA in Improving Dynamic Voltage Stability in ANFIS Controllers for STATCOM. Eng. Technol. Appl. Sci. Res. 2019, 9, 4863–4869. [Google Scholar] [CrossRef]
- Ganesh, A.; Dahiya, R.; Singh, G.K. Development of simple technique for STATCOM for voltage regulation and power quality improvement. In Proceedings of the 2016 IEEE International Conference on Power Electronics Drives and Energy Systems (PEDES), Trivandrum, India, 14–17 December 2016; pp. 1–6. [Google Scholar]
- Varshney, S.; Srivastava, L.; Pandit, M. Optimal placement and sizing of STATCOM for voltage security enhancement using PSO-TVAC. In Proceedings of the International Conference on Power and Energy Systems, Chennai, India, 22–24 December 2011; pp. 1–6. [Google Scholar]
- Saravanan, M.; Slochanal, S.M.R.; Venkatesh, P.; Abraham, J.P.S. Application of particle swarm optimization technique for optimal location of FACTS devices considering cost of installation and system loadability. Int. J. Electr. Power Syst. Res. 2007, 77, 276–283. [Google Scholar] [CrossRef]
- Laifa, A.; Boudour, M. Facts allocation for power system voltage stability enhancement using MOPSO. In Proceedings of the 5th International Multi-Conference on Systems, Signals and Devices, Amman, Jordan, 20–22 July 2008; pp. 1–6. [Google Scholar]
- Jena, R.; Swain, S.C.; Dash, R. Power flow simulation & voltage control in a SPV IEEE-5 bus system based on SVC. Mater. Today Proc. 2021, 39, 1934–1940. [Google Scholar] [CrossRef]
- Dash, R.; Paikray, P.; Swain, S.C. Active power filter for harmonic mitigation in a distributed power generation system. In Proceedings of the 2017 Innovations in Power and Advanced Computing Technologies (i-PACT), Vellore, India, 21–22 April 2017; pp. 1–6. [Google Scholar] [CrossRef]
- Pattanaik, D.; Mishra, S.; Khuntia, G.P.; Dash, R.; Swain, S.C. An innovative learning approach for solar power forecasting using genetic algorithm and artificial neural network Open Engineering. Open Eng. 2020, 10, 630–641. [Google Scholar] [CrossRef]
- Paul, R.; Dash, R.; Swain, S.C. Design & Analysis of Current Controller for SPV Grid Connected System through Hysteresis CCT. In Proceedings of the 2018 International Conference on Applied Electromagnetics, Signal Processing and Communication (AESPC), Bhubaneswar, India, 22–24 October 2018; pp. 1–6. [Google Scholar] [CrossRef]
- Shivani Mishra, R.K. Viral, Integration Phenomena of Renewable Energy with Contemplation of Issues from Electricity Distribution Utility and Consumer Perceptive. In Proceedings of the 2021 International Conference on Sustainable Energy and Future Electric Transportation (SEFET), Hyderabad, India, 21–23 January 2021; pp. 1–6. [Google Scholar]
- Pattanaik, D.; Dash, R.; Swain, S.C. A Review on Solar Thermal PV Modeling & Its Characteristics. In Proceedings of the 2018 International Conference on Applied Electromagnetics, Signal Processing and Communication (AESPC), Bhubaneswar, India, 22–24 October 2018; pp. 1–6. [Google Scholar] [CrossRef]
- Nsengimana, C.; Han, X.Y.; Li, L.-L. Comparative Analysis of Reliable, Feasible, Low-Cost Photovoltaic Microgrid for a Residential Load in Rwanda. Int. J. Photoenergy 2020, 2020, 8855477. [Google Scholar] [CrossRef]
- Pattanaik, D.; Dash, R.; Swain, S.C. Design & Analysis of Hybrid PSPS with SPV under Islanding Mode of Operation. In Proceedings of the 2018 International Conference on Applied Electromagnetics, Signal Processing and Communication (AESPC), Bhubaneswar, India, 22–24 October 2018; pp. 1–5. [Google Scholar] [CrossRef]
- Khan, M.J.; Yadav, A.K.; Mathew, L. Techno economic feasibility analysis of different combinations of PV-Wind-Diesel-Battery hybrid system for telecommunication applications in different cities of Punjab, India. Renew. Sustain. Energy Rev. 2017, 76, 577. [Google Scholar] [CrossRef]
- Mishra, S.; Pattanaik, D.; Pau, R.; Dash, R.; Swain, S.C. A Review on Different Types of Maximum Power Point Tracking System & its Application with PR Current Control Technique. In Proceedings of the 2018 International Conference on Applied Electromagnetics, Signal Processing and Communication (AESPC), Bhubaneswar, India, 22–24 October 2018; pp. 1–6. [Google Scholar] [CrossRef]
- Tobias, R.R.; Mital, M.E.; Lauguico, S.; Guillermo, M.; Naidas, J.R.; Lopena, M.; Dizon, M.E.; Dadios, E. Design and Construction of a Solar Energy Module for Optimizing Solar Energy Efficiency. In Proceedings of the 2020 IEEE 12th International Conference on Humanoid, Nanotechnology, Information Technology, Communication and Control, Environment, and Management (HNICEM), Manila, Philippines, 3–7 December 2020; pp. 1–6. [Google Scholar]
- Swain, S.C.; Gogoi, A.; Sharma, S.; Dash, R.; Acharya, A. Some Aspects of Fuzzy Logic Controller for Designing MPPT Based SPV System. In Proceedings of the 2018 International Conference on Recent Innovations in Electrical, Electronics & Communication Engineering (ICRIEECE), Bhubaneswar, India, 27–28 July 2018; pp. 3357–3361. [Google Scholar] [CrossRef]
- Bernard, M.; Musilek, P. Ant-based optimal tuning of PID controllers for load frequency control in power systems. In Proceedings of the 2017 IEEE Electrical Power and Energy Conference (EPEC), Saskatoon, SK, Canada, 22–25 October 2017; pp. 1–6. [Google Scholar]
- Paul, R.; Dash, R.; Swain, S.C. A Comparative Analysis of Pi and Anfis Pi Based Current Control Technique for Three Phase Grid Connected Solar PV System. In Proceedings of the 2018 3rd International Conference on Communication and Electronics Systems (ICCES), Coimbatore, India, 15–16 October 2018; pp. 303–307. [Google Scholar] [CrossRef]
- Abhishek, A.; Akbar, S.A. Linear and nonlinear control strategy for full bridge buck converter. In Proceedings of the 2015 International Conference on Electrical, Electronics, Signals, Communication and Optimization (EESCO), Visakhapatnam, India, 24–25 January 2015; pp. 1–6. [Google Scholar]
- Singh, S.; Swain, S.C.; Dash, R.; Roy, P. Current control strategies for SPV grid interconnection based on artificial neural network. In Proceedings of the 2017 Innovations in Power and Advanced Computing Technologies (i-PACT), Vellore, India, 21–22 April 2017; pp. 1–5. [Google Scholar] [CrossRef]
- Carrasco, J.M.; Franquelo, L.G.; Bialasiewicz, J.T.; Galvan, E.; Guisado, R.C.P.; Prats, M.A.M.; Leon, J.I. Power-Electronic Systems for the Grid Integration of Renewable Energy Sources: A Survey. IEEE Trans. Ind. Electron. 2006, 53, 1002–1016. [Google Scholar] [CrossRef]
- Swain, S.C.; Mishra, S.; Dash, R.; Nanda, G. Performance analysis of different types of PV testing using MATLAB. In Proceedings of the 2017 Innovations in Power and Advanced Computing Technologies (i-PACT), Vellore, India, 21–22 April 2017; pp. 1–6. [Google Scholar] [CrossRef]
- Steimer, P.K. Enabled by high power electronics—Energy efficiency renewables and smart grids. In Proceedings of the Power Electronics Conference (IPEC) 2010 International, Sapporo, Japan, 21–24 June 2010; pp. 11–15. [Google Scholar]
- Singh, S.; Dash, R.; Roy, P.; Swain, S.C. Performance analysis of a renewable grid interconnected system based on fuzzy logic. In Proceedings of the 2016 International Conference on Signal Processing, Communication, Power and Embedded System (SCOPES), Paralakhemundi, India, 3–5 October 2016; pp. 1931–1936. [Google Scholar] [CrossRef]
- Kelley, J.P.; Wetz, D.A.; Turner, G.K.; Cohen, I. Integration of pulsed loads into a Microgrid architecture. In Proceedings of the Plasma Science (ICOPS) 2013 Abstracts IEEE International Conference, San Francisco, CA, USA, 16–21 June 2013. [Google Scholar]
- Dey, S.; Dash, R.; Swain, S.C. Optimal design and feasibility study of renewable hybrid energy systems. In Proceedings of the 2016 International Conference on Emerging Trends in Engineering, Technology and Science (ICETETS), Pudukkottai, India, 24–26 February 2016; pp. 1–6. [Google Scholar] [CrossRef]
- Ballaji, A.; Dash, R.; Subburaj, V.; Kalvakurthi, J.R.; Swain, D.; Swain, S.C. Design & Development of MPPT Using PSO with Predefined Search Space Based on Fuzzy Fokker Planck Solution. IEEE Access 2022, 10, 80764–80783. [Google Scholar] [CrossRef]
- Swain, S.C.; Panda, S.; Mahapatra, S. A multi-criteria optimization technique for SSSC based power oscillation damping controller design. Ain Shams Eng. J. 2016, 7, 553–565. [Google Scholar] [CrossRef]
- Ledesma, P.; Usaola, J. Doubly Fed Induction Generator Model for Transient Stability Analysis. IEEE Trans. Energy Convers. 2005, 20, 388–397. [Google Scholar] [CrossRef]
- Ekanayake, B.; Holdsworth, L.; Wu, X.G.; Jenkins, N. Dynamic Modeling of Doubly Fed Induction Generator Wind Turbines. IEEE Trans. Power Syst. 2003, 18, 803–809. [Google Scholar] [CrossRef]
- Lei, Y.; Mullane, A.; Lightbody, G.; Yacamini, R. Modeling of the Wind Turbine with a Doubly Fed Induction Generator for Grid Integration Studies. IEEE Trans. Energy Convers. 2006, 21, 256–264. [Google Scholar] [CrossRef]

































| Sigma | Type of Gaussian Surface | RMSE | Response Time | RF |
|---|---|---|---|---|
| 0.8 | Squared Exponential | 1.7723 | 3.77 | 9.4 |
| Matern 5/2 GPR | 1.7179 | 3.72 | 17.7 | |
| Exponential GPR | 1.4233 | 3.52 | 6.43 | |
| 0.9 | Squared Exponential | 1.581 | 3.08 | 9.3 |
| Matern 5/2 GPR | 1.647 | 3.17 | 11.4 | |
| Exponential GPR | 1.292 | 3.10 | 4.77 | |
| 0.94 | Squared Exponential | 1.782 | 3.7 | 9.45 |
| Matern 5/2 GPR | 1.8798 | 3.2 | 9.3 | |
| Exponential GPR | 1.5653 | 3.2 | 7.13 |
| Sigma | Type of Gaussian Surface | RMSE | Response Time | RF |
|---|---|---|---|---|
| 0.8 | Squared Exponential | 1.7723 | 3.77 | 9.4 |
| Matern 5/2 GPR | 1.9179 | 3.72 | 17.7 | |
| Exponential GPR | 1.4233 | 3.57 | 6.43 | |
| 0.9 | Squared Exponential | 1.717 | 3.324 | 9.267 |
| Matern 5/2 GPR | 1.129 | 3.213 | 11.217 | |
| Exponential GPR | 1.328 | 2.96 | 4.8 | |
| 0.94 | Squared Exponential | 1.782 | 3.78 | 9.45 |
| Matern 5/2 GPR | 1.8208 | 3.205 | 9.092 | |
| Exponential GPR | 1.4865 | 3.224 | 7.248 |
| Sl. No. | Parameters | Rating |
|---|---|---|
| 1 | Grid Voltage | 400 V, 50 Hz |
| 2 | Line Parameters | 1 ohm, 1 mH |
| 3 | Coupling Inductor | 3 mH, 0.5 ohm |
| 4 | DC Bus Capacitor | 1.34 mH |
| 5 | Vdc, Ref. Voltage | 700 V |
| 6 | Sampling Time | 2 × 10−6 s |
| 7 | Switching Frequency | 15 kHz |
| Bus No. | 1–2 | 1–4 | 2–3 | 3–5 | 4–5 | ||||||
|---|---|---|---|---|---|---|---|---|---|---|---|
| STATCOM Distance from Tr. Line | 1.45 | 2.07 | 3.41 | 4.22 | 4.67 | ||||||
| P | Q | P | Q | P | Q | P | Q | P | Q | ||
| Without Coordinated Control Between DFIG and STATCOM | ANFIS + PI | 0.015 | 0.044 | 0.058 | 0.061 | 0.449 | 0.150 | 0.022 | 0.024 | 0.029 | 0.031 |
| FPA + PI | 0.014 | 0.041 | 0.054 | 0.057 | 0.42 | 0.14 | 0.021 | 0.022 | 0.027 | 0.029 | |
| RMSProp + PI | 0.016 | 0.047 | 0.062 | 0.066 | 0.483 | 0.161 | 0.024 | 0.025 | 0.031 | 0.033 | |
| With Coordinated Control Between DFIG and STATCOM | ANFIS + PI | 0.015 | 0.044 | 0.058 | 0.062 | 0.454 | 0.151 | 0.023 | 0.024 | 0.029 | 0.031 |
| FPA + PI | 0.016 | 0.048 | 0.063 | 0.066 | 0.485 | 0.162 | 0.024 | 0.026 | 0.031 | 0.033 | |
| RMSProp + PI | 0.017 | 0.051 | 0.067 | 0.071 | 0.522 | 0.174 | 0.026 | 0.027 | 0.033 | 0.036 | |
| System Type | Parameters | Proportional Gain | Integral Gain | Rise Time | Peak Time | Settling Time | Max over Shoot |
|---|---|---|---|---|---|---|---|
| Situation 1 | ANFIS + PI | 0.32 | 0.57 | 0.88 | 0.97 | 1.2 | 11.24 |
| FPA + PI | 0.29 | 0.57 | 0.83 | 0.99 | 1.4 | 11.007 | |
| RMSProp + PI | 0.36 | 0.70 | 1.02 | 1.20 | 1.66 | 13.48 | |
| Situation 2 | ANFIS + PI | 0.38 | 0.68 | 1.05 | 1.15 | 1.43 | 13.38 |
| FPA + PI | 0.35 | 0.68 | 0.99 | 1.18 | 1.67 | 13.10 | |
| RMSProp + PI | 0.43 | 0.83 | 1.21 | 1.43 | 1.98 | 16.04 |
| Bus No. | 1–2 | 1–4 | 2–3 | 3–5 | 4–5 | ||||||
|---|---|---|---|---|---|---|---|---|---|---|---|
| STATCOM Distance from Tr. Line | 1.45 | 2.07 | 3.41 | 4.22 | 4.67 | ||||||
| P | Q | P | Q | P | Q | P | Q | P | Q | ||
| Without Coordinated Control Between DFIG and STATCOM | ANFIS + PI | 0.012 | 0.035 | 0.046 | 0.048 | 0.355 | 0.119 | 0.017 | 0.019 | 0.023 | 0.024 |
| FPA + PI | 0.011 | 0.032 | 0.043 | 0.045 | 0.332 | 0.111 | 0.017 | 0.017 | 0.021 | 0.023 | |
| RMSProp + PI | 0.013 | 0.037 | 0.049 | 0.052 | 0.382 | 0.127 | 0.019 | 0.020 | 0.024 | 0.026 | |
| With Coordinated Control Between DFIG and STATCOM | ANFIS + PI | 0.012 | 0.035 | 0.046 | 0.049 | 0.359 | 0.119 | 0.018 | 0.019 | 0.023 | 0.024 |
| FPA + PI | 0.013 | 0.038 | 0.050 | 0.052 | 0.383 | 0.128 | 0.019 | 0.021 | 0.024 | 0.026 | |
| RMSProp + PI | 0.013 | 0.040 | 0.053 | 0.056 | 0.412 | 0.137 | 0.021 | 0.021 | 0.026 | 0.028 | |
| System Type | Parameters | Proportional Gain | Integral Gain | Rise Time | Peak Time | Settling Time | Max over Shoot |
|---|---|---|---|---|---|---|---|
| Situation 1 | ANFIS + PI | 0.37 | 0.67 | 1.03 | 1.13 | 1.40 | 13.15 |
| FPA + PI | 0.34 | 0.67 | 0.97 | 1.16 | 1.64 | 12.88 | |
| RMSProp + PI | 0.42 | 0.82 | 1.19 | 1.40 | 1.94 | 15.77 | |
| Situation 2 | ANFIS + PI | 0.41 | 0.73 | 1.12 | 1.23 | 1.53 | 14.32 |
| FPA + PI | 0.37 | 0.73 | 1.06 | 1.26 | 1.79 | 14.02 | |
| RMSProp + PI | 0.46 | 0.89 | 1.29 | 1.53 | 2.12 | 17.16 |
| Bus No. | 1–2 | 1–4 | 2–3 | 3–5 | 4–5 | ||||||
|---|---|---|---|---|---|---|---|---|---|---|---|
| STATCOM Distance from Tr. Line | 1.45 | 2.07 | 3.41 | 4.22 | 4.67 | ||||||
| P | Q | P | Q | P | Q | P | Q | P | Q | ||
| Without Coordinated Control Between DFIG and STATCOM | ANFIS + PI | 0.011 | 0.031 | 0.041 | 0.043 | 0.319 | 0.107 | 0.016 | 0.017 | 0.021 | 0.022 |
| FPA + PI | 0.010 | 0.029 | 0.038 | 0.040 | 0.298 | 0.099 | 0.015 | 0.016 | 0.019 | 0.021 | |
| RMSProp + PI | 0.011 | 0.033 | 0.044 | 0.047 | 0.343 | 0.114 | 0.017 | 0.018 | 0.022 | 0.023 | |
| With Coordinated Control Between DFIG and STATCOM | ANFIS + PI | 0.011 | 0.031 | 0.041 | 0.044 | 0.322 | 0.107 | 0.016 | 0.017 | 0.021 | 0.022 |
| FPA + PI | 0.011 | 0.034 | 0.045 | 0.047 | 0.344 | 0.115 | 0.017 | 0.018 | 0.022 | 0.023 | |
| RMSProp + PI | 0.012 | 0.036 | 0.048 | 0.050 | 0.371 | 0.124 | 0.018 | 0.019 | 0.023 | 0.026 | |
| System Type | Parameters | Proportional Gain | Integral Gain | Rise Time | Peak Time | Settling Time | Max over Shoot |
|---|---|---|---|---|---|---|---|
| Situation 1 | ANFIS + PI | 0.49 | 0.89 | 1.37 | 1.50 | 1.86 | 17.49 |
| GA + PI | 0.45 | 0.89 | 1.29 | 1.54 | 2.18 | 17.13 | |
| RMSProp + PI | 0.56 | 1.09 | 1.58 | 1.86 | 2.58 | 20.97 | |
| Situation 2 | ANFIS + PI | 0.55 | 0.97 | 1.49 | 1.64 | 2.03 | 19.05 |
| GA + PI | 0.49 | 0.97 | 1.41 | 1.68 | 2.38 | 18.65 | |
| RMSProp + PI | 0.61 | 1.18 | 1.72 | 2.03 | 2.82 | 22.82 |
Publisher’s Note: MDPI stays neutral with regard to jurisdictional claims in published maps and institutional affiliations. |
© 2022 by the authors. Licensee MDPI, Basel, Switzerland. This article is an open access article distributed under the terms and conditions of the Creative Commons Attribution (CC BY) license (https://creativecommons.org/licenses/by/4.0/).
Share and Cite
Hete, R.R.; Mishra, S.K.; Dash, R.; Jyotheeswara Reddy, K.; Subburaj, V.; C, D. Design and Analysis of DFIG-STATCOM Coordinated P2P Grid Connected System Using RMSProp. Sustainability 2022, 14, 15105. https://doi.org/10.3390/su142215105
Hete RR, Mishra SK, Dash R, Jyotheeswara Reddy K, Subburaj V, C D. Design and Analysis of DFIG-STATCOM Coordinated P2P Grid Connected System Using RMSProp. Sustainability. 2022; 14(22):15105. https://doi.org/10.3390/su142215105
Chicago/Turabian StyleHete, R. R., Sanjay Kumar Mishra, Ritesh Dash, Kalvakurthi Jyotheeswara Reddy, Vivekanandan Subburaj, and Dhanamjayulu C. 2022. "Design and Analysis of DFIG-STATCOM Coordinated P2P Grid Connected System Using RMSProp" Sustainability 14, no. 22: 15105. https://doi.org/10.3390/su142215105
APA StyleHete, R. R., Mishra, S. K., Dash, R., Jyotheeswara Reddy, K., Subburaj, V., & C, D. (2022). Design and Analysis of DFIG-STATCOM Coordinated P2P Grid Connected System Using RMSProp. Sustainability, 14(22), 15105. https://doi.org/10.3390/su142215105

