A New p–y Curve for Laterally Loaded Large-Diameter Monopiles in Soft Clays
Abstract
1. Introduction
2. Two Methods for Analyzing Lateral Responses of Piles in Soft Clays
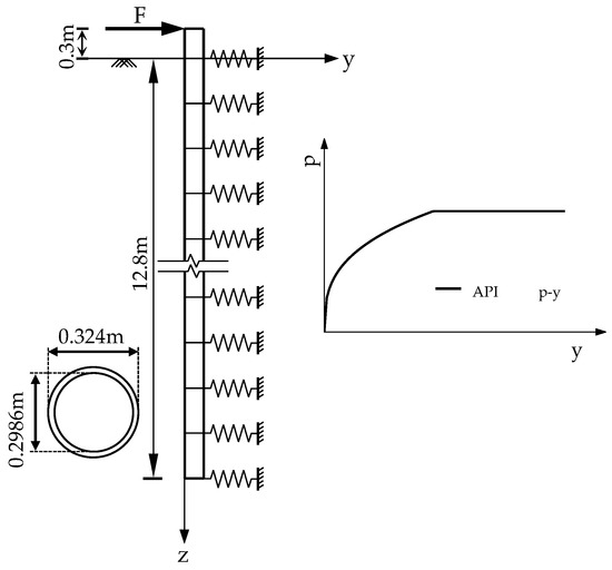
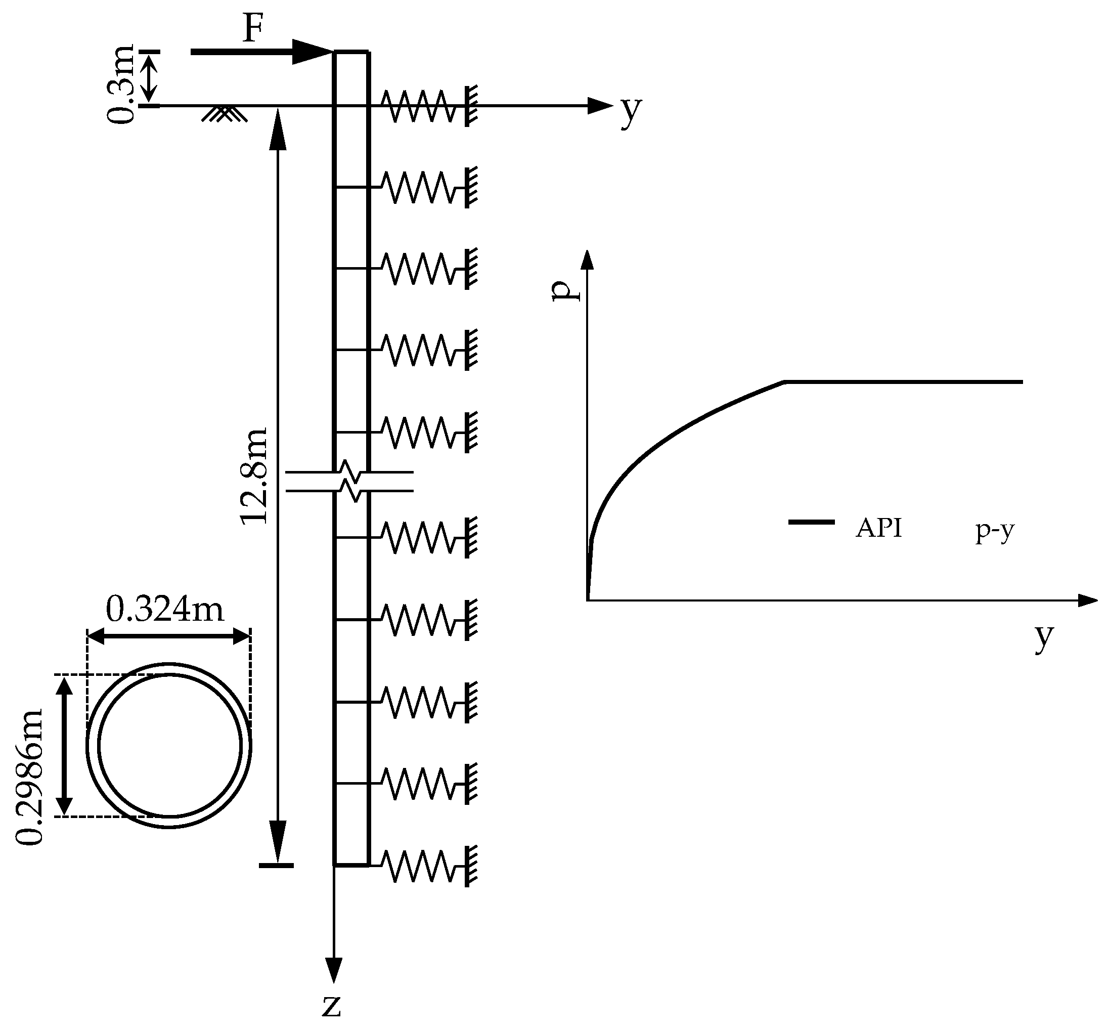
2.1. Beam on Nonlinear Winkler Foundation (BNWF) Method
2.2. Three-Dimensional Finite Element Method (3D FEM)
3. Lateral Behavior Analysis of Monopiles with Different Diameters
3.1. Numerical Model
3.2. Comparison of Predicted Lateral Behavior for Two Methods
3.3. Limitations of API p–y Curve for Soft Clay
4. New p–y Curve for Soft Clay
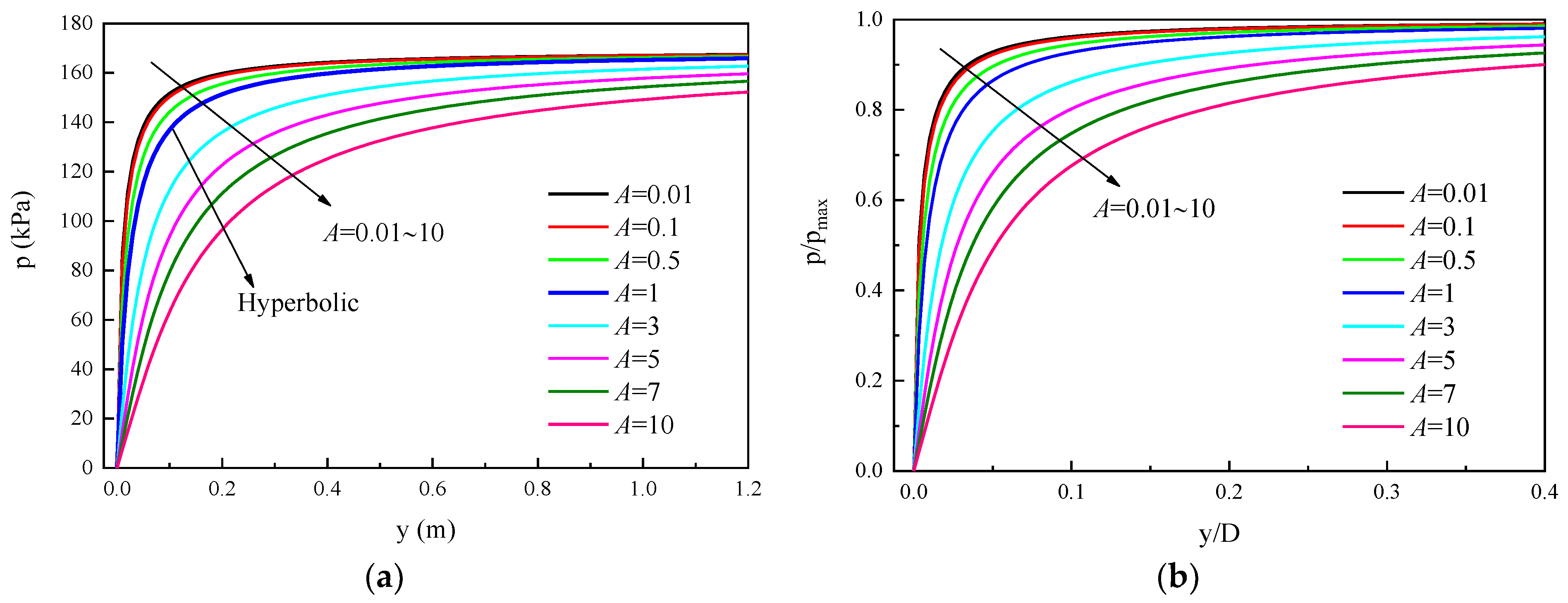
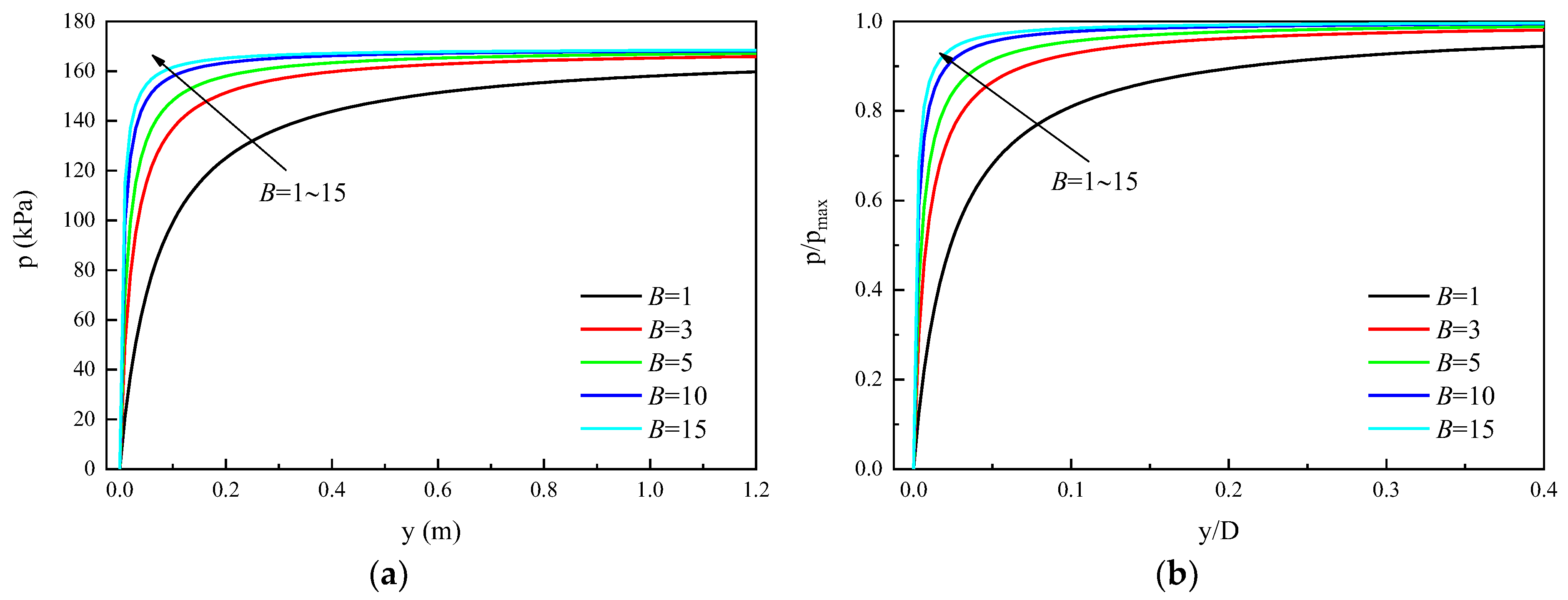
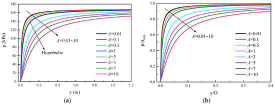
4.1. New p–y Formula and Parameter Influence
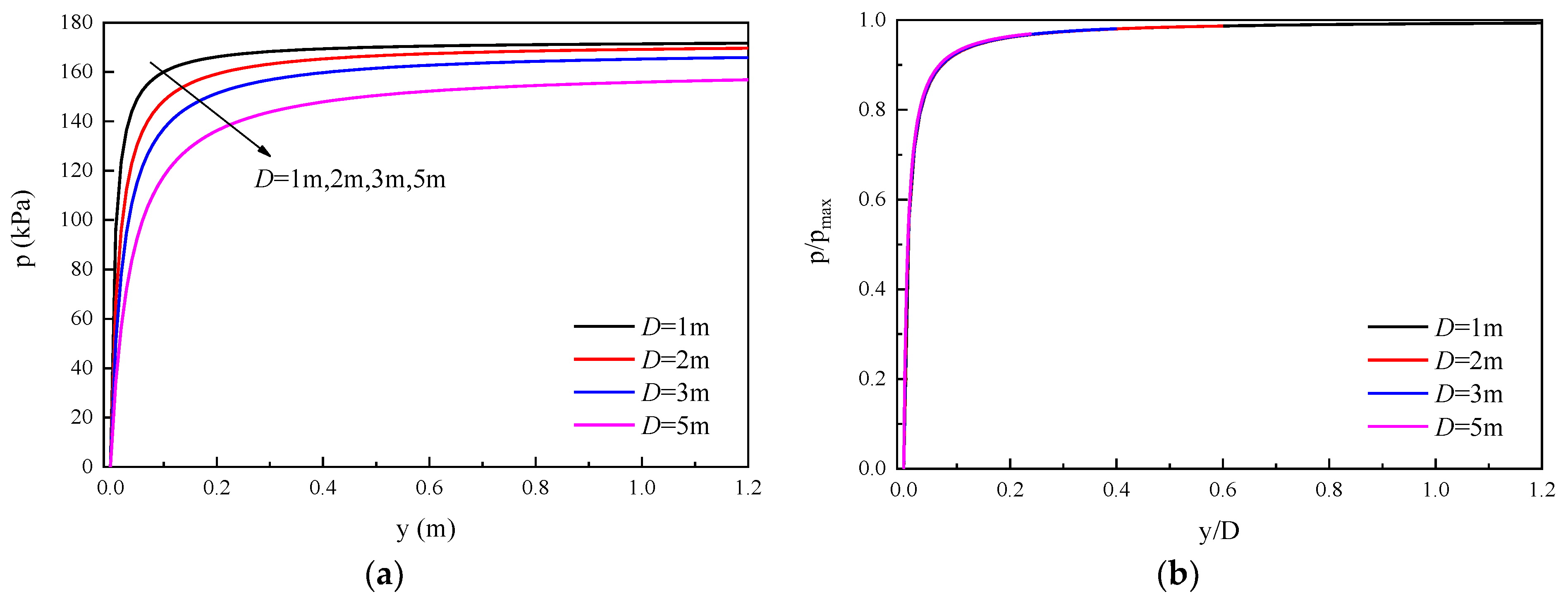
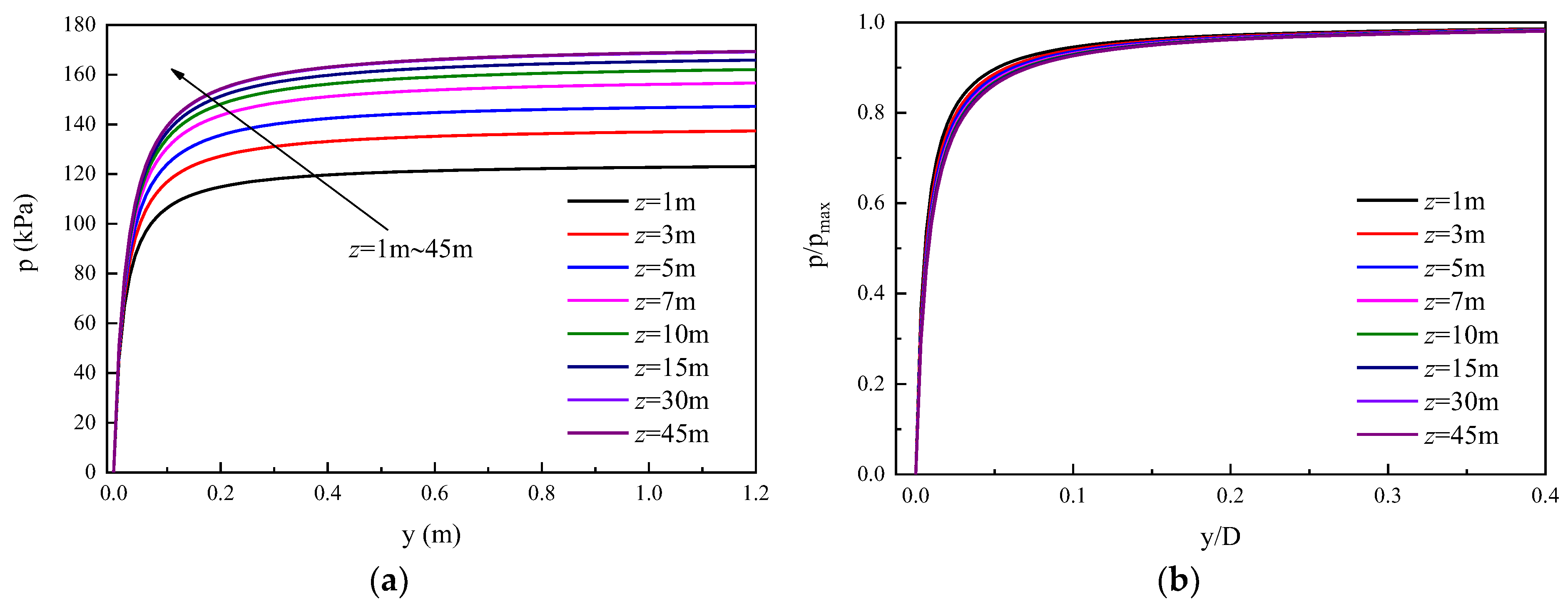
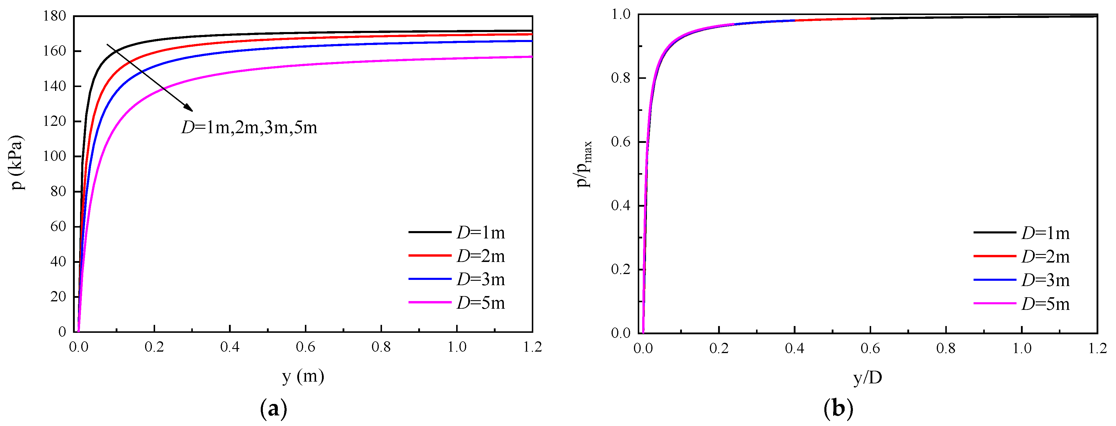
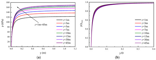
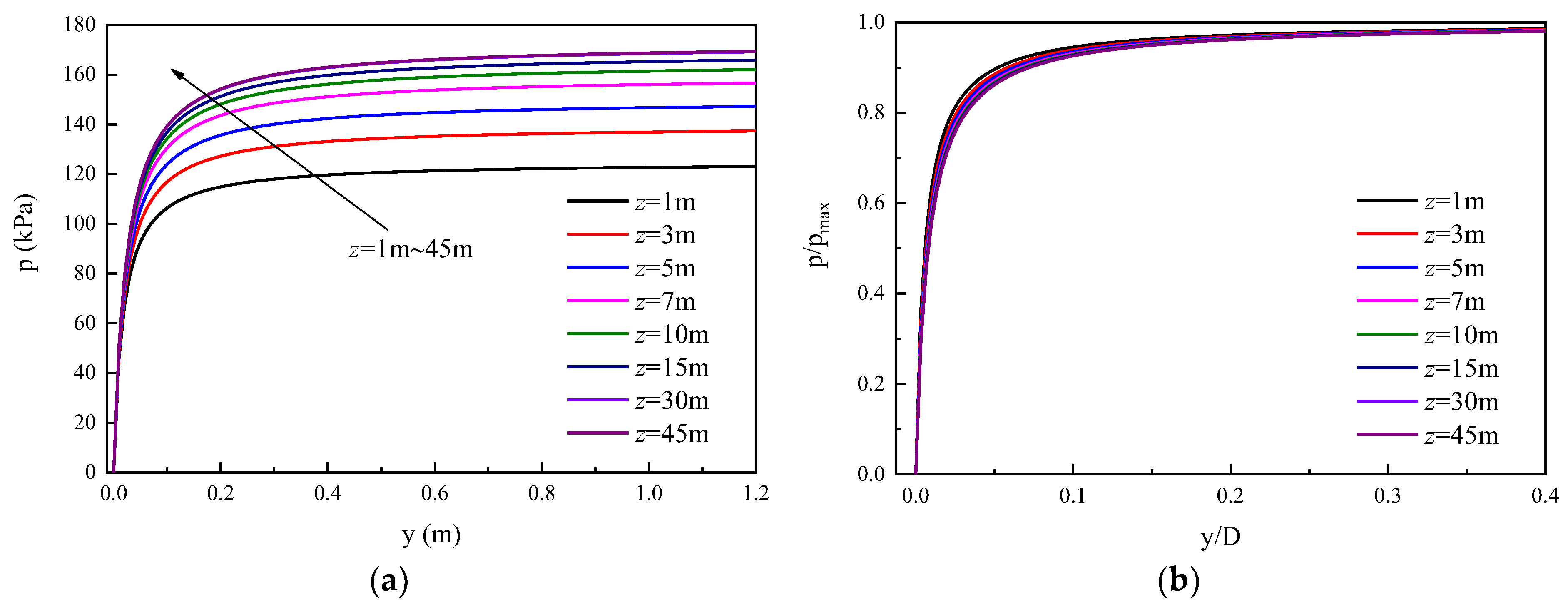
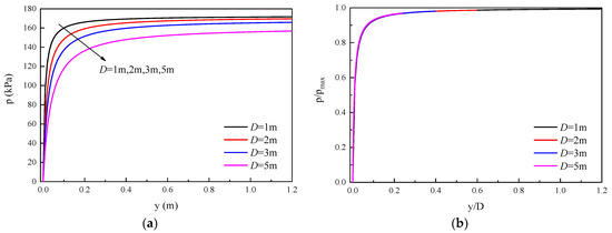
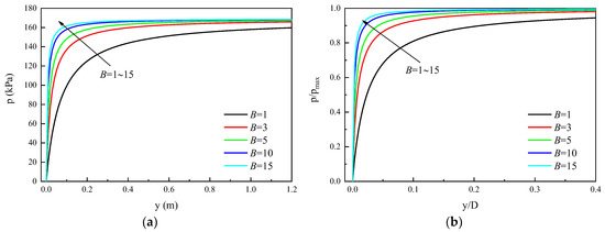
4.2. Effect of Pile Diameter and Soil Depth on p–y Curve
4.3. Validation of New p–y Formula
5. Summary and Conclusions
5.1. Main Conclusions
- (1)
- The BNWF method based on the p–y curve and 3D FEM for analyzing the lateral responses of monopiles are developed based on ABAQUS software and the accuracy of the two methods is validated using the field test results of the piles in soft clays.
- (2)
- The lateral responses of monopiles with different diameters are simulated by employing the two methods. It is found that the BNWF method based on the API p–y curve overestimates the deflection and bending moment while it underestimates the ultimate bearing capacity of the large diameter pile.
- (3)
- The API p–y curve significantly underestimates the ultimate soil reaction of soft clays and the degree of the underestimation increases as the soil depth increases; it also significantly underestimates the initial stiffness of the soft clays. These findings are supported by previous research results [12,15].
- (4)
- A new p–y model with variable parameters A and B was proposed that is more versatile and offers wider applicability to represent different soft clay and pile diameters. The current model can be simplified into the hyperbolic p–y model when A =1.
5.2. Significance and Application
Author Contributions
Funding
Data Availability Statement
Conflicts of Interest
References
- Carter, J.M.F. North Hoyle offshore wind farm: Design and build. Proc. Inst. Civ. Eng.-Energy 2007, 160, 21–29. [Google Scholar] [CrossRef]
- Oh, K.Y.; Nam, W.; Ryu, M.S. A review of foundations of offshore wind energy convertors: Current status and future perspectives. J. Renew. Sustain. Energy Rev. 2018, 88, 16–36. [Google Scholar] [CrossRef]
- Wu, X.; Hu, Y.; Li, Y. Foundations of offshore wind turbines: A review. J. Renew. Sustain. Energy Rev. 2019, 104, 379–393. [Google Scholar] [CrossRef]
- Hamilton, B.; Battenberg, L.; Bielecki, M.; Bloch, C.; Decker, T.; Frantzis, L.; Paidipati, J.; Wickless, A.; Zhao, F. Offshore Wind Market and Economic Analysis: Annual Market Assessment; Navigant Consulting, Inc.: Burlington, MA, USA, 2013. [Google Scholar]
- Esteban, M.D.; Lopez-Gutierrez, J.S.; Negro, V.; Matutano, C.; Garcia-Flores, F.M.; Millan, M.A. Offshore wind foundation design: Some key issues. J. Energy. Resour. Technol. 2015, 137, 051211. [Google Scholar] [CrossRef]
- McClelland, B.; Focht, J.A. Soil modulus for laterally loaded piles. Trans. ASCE 1956, 182, 1–22. [Google Scholar] [CrossRef]
- Matlock, H. Correlations for design of laterally-loaded piles in soft clay. In Proceedings of the 2nd Offshore Technology Conference, Houston, TX, USA, 22–24 April 1970; p. 1204. [Google Scholar]
- API Recommended Practice 2GEO. Geotechnical and Foundation Design Considerations, 1st ed.; Addendum 1; American Petroleum Institute: Washington, DC, USA, 2014. [Google Scholar]
- Kondner, R.L. Hyperbolic stress-strain response: Cohesive soils. J. Soil. Mech. Found. Div.—ASCE 1963, 89, 115–143. [Google Scholar] [CrossRef]
- Georgiadis, M.; Anagnostopoulos, C.; Saflekou, S. Cyclic lateral loading of piles in soft clay. Geotech. Eng. 1992, 23, 47–60. [Google Scholar]
- Dewaikar, D.M.; Patil, P.A. A new hyperbolic p-y curve for laterally loaded piles in soft caly. Found. Anal. Des. 2006, 152–158. [Google Scholar]
- Jeanjean, P. Re-assessment of p-y curves for soft clays from centrifuge testing and finite element modelling. In Proceedings of the Offshore Technology Conference (OTC 20158), Houston, TX, USA, 4–7 May 2009. [Google Scholar]
- Klinkvort, R.T.; Hededal, O. Effect of load eccentricity and stress level on monopile support for offshore wind turbines. Can. Geotech. J. 2014, 51, 966–974. [Google Scholar] [CrossRef]
- Rathod, D.; Muthukkumaran, K.; Sitharam, T.G. Effect of slope on p-y curves for laterally loaded piles in soft clay. Geotech. Geol. Eng. 2018, 36, 1509–1524. [Google Scholar] [CrossRef]
- Zhu, B.; Zhu, Z.J.; Li, T.; Liu, J.C.; Liu, Y.F. Field tests of offshore driven piles subjected to lateral monotonic and cyclic loads in soft clay. J. Waterw. Port. C ASCE 2017, 143, 05017003. [Google Scholar] [CrossRef]
- Xu, D.S.; Xu, X.Y.; Li, W. Field experiments on laterally loaded piles for an offshore wind farm. Mar. Struct. 2020, 69, 102684. [Google Scholar] [CrossRef]
- Wang, Z.; Xie, X.; Wang, J. A new nonlinear method for vertical settlement prediction of a single pile and pile groups in layered soils. Comput. Geotech. 2012, 45, 118–126. [Google Scholar] [CrossRef]
- Zhang, C.; Yu, J.; Huang, M. Winkler load-transfer analysis for laterally loaded piles. Can. Geotech. J. 2016, 53, 1110–1124. [Google Scholar] [CrossRef]
- Choo, Y.W.; Kim, D. Experimental development of the p-y relationship for large-diameter offshore monopiles in sands: Centrifuge tests. J. Geotech. Geoenviron. Eng. 2016, 142, 04015058. [Google Scholar] [CrossRef]
- Boonyatee, T.; Lai, Q.V. A non-linear load transfer method for determining the settlement of piles under vertical loading. Int. J. Geotech. Eng. 2017, 14, 206–217. [Google Scholar] [CrossRef]
- Zhang, Y.; Andersen, K.H. Scaling of lateral pile p-y response in clay from laboratory stress-strain curves. Mar. Struct. 2017, 53, 124–135. [Google Scholar] [CrossRef]
- Elkasabgy, M.; El Naggar, M.H. Lateral performance and p–y curves for large-capacity helical piles installed in clayey glacial deposit. J. Geotech. Geoenviron. Eng. 2019, 145, 04019078. [Google Scholar] [CrossRef]
- Li, S.; Yu, J.; Huang, M.; Leung, C.F. Application of T-EMSD based p-y curves in the three-dimensional analysis of laterally loaded pile in undrained clay. Ocean. Eng. 2020, 206, 107256. [Google Scholar] [CrossRef]
- Zhang, Y.; Andersen, K.H. Soil reaction curves for monopiles in clay. Mar. Struct. 2019, 65, 94–113. [Google Scholar] [CrossRef]
- El Naggar, M.H.; Novak, M. Nonlinear analysis for dynamic lateral pile response. Soil Dyn. Earthq. Eng. 1996, 15, 233–244. [Google Scholar] [CrossRef]
- Gerolymos, N.; Gazetas, G. Phenomenological model applied to inelastic response of soil-pile interaction systems. Soils Found. 2005, 45, 119–132. [Google Scholar] [CrossRef]
- Allotey, N.; El Naggar, M.H. Generalized dynamic Winkler model for nonlinear soil-structure interaction analysis. Can. Geotech. J. 2008, 45, 560–573. [Google Scholar] [CrossRef]
- Heidari, M.; El Naggar, M.H.; Jahanandish, M.; Ghahramani, A. Generalized cyclic p-y curve modeling for analysis of laterally loaded piles. Soil Dyn. Earthq. Eng. 2014, 63, 138–149. [Google Scholar] [CrossRef]
- Liang, F.Y.; Chen, H.B.; Jia, Y.J. Quasi-static p-y hysteresis loop for cyclic lateral response of pile foundations in offshore platforms. Ocean Eng. 2018, 148, 62–74. [Google Scholar] [CrossRef]
- Wu, K.; Chen, R.; Li, S. Finite element modeling of horizontally loaded monopile foundation of large scale offshore wind turbine in non-homogeneity clay. IEEE Softw. 2009, 2, 329–333. [Google Scholar]
- Abdel-Rahman, K.; Achmus, M. Numerical modeling of the combined axial and lateral loading of vertical piles. In Proceedings of the 6th European Conference on Numerical Methods in Geotechnical Engineering, Graz, Austria, 6–8 September 2006; pp. 575–581. [Google Scholar]
- Haiderali, A.; Madabhushi, G. Three-dimensional finite element modelling of monopiles for offshore wind turbines. In Proceedings of the World Congress on Advances in Civil, Environmental and Materials Research, Seoul, Korea, 26–29 August 2012; pp. 3277–3295. [Google Scholar]
- Haiderali, A.; Cilingir, U.; Madabhushi, G. Lateral and axial capacity of monopiles for offshore wind turbines. Indian Geotech. J. 2013, 43, 181–194. [Google Scholar] [CrossRef]
- Cheng, X.L.; Wang, T.J.; Zhang, J.X.; Liu, Z.X.; Cheng, W.L. Finite element analysis of cyclic lateral responses for large diameter monopiles in clays under different loading patterns. Comput. Geotech. 2021, 134, 104104. [Google Scholar] [CrossRef]
- Achmus, M.; Abdel-Rahman, K.; Kuo, Y.S. Numerical modelling of large diameter steel piles under monotonic and cyclic horizontal loading. In Proceedings of the Tenth International Symposium on Numerical Models in Geomechanics, Rhodes, Greece, 25–27 April 2007; Taylor Francis: London, UK, 2007; pp. 453–459. [Google Scholar]
- Heidari, M.; Jahanandish, M.; El Naggar, H.; Ghahramani, A. Nonlinear cyclic behavior of laterally loaded pile in cohesive soil. Can. Geotech. J. 2014, 51, 129–143. [Google Scholar] [CrossRef]
- Hong, Y.; He, B.; Wang, L.Z.; Wang, Z.; Ng, W.W.C.; Masin, D. Cyclic lateral response and failure mechanisms of semi-rigid pile in soft clay: Centrifuge tests and numerical modelling. Can. Geotech. J. 2017, 54, 806–824. [Google Scholar] [CrossRef]
- He, B.; Lai, Y.; Wang, L.; Hong, Y.; Zhu, R. Scour effects on the lateral behavior of a large-diameter monopile in soft clay: Role of stress history. J. Mar. Sci. Eng. 2019, 7, 170. [Google Scholar] [CrossRef]
- Dassault Systemes Simulia Corp. Abaqus Analysis User’s Manual Version 6.14; Simulia: Johnston, RI, USA, 2014. [Google Scholar]
- Murff, J.D.; Hamilton, J.M. P-ultimate for undrained analysis of laterally loaded piles. J. Geotech. Eng. 1993, 119, 91–107. [Google Scholar] [CrossRef]














| Parameter | Soil Elastic Modulus (Mpa) | Soil Poisson’s Ratio | Soil Shear Strength (kPa) | Soil Effective Unit Weight (kN/m3) | Pile–Soil Frictional Coefficient |
|---|---|---|---|---|---|
| Value | 8 | 0.3 | 14.4 | 7.85 | 0.3 |
Publisher’s Note: MDPI stays neutral with regard to jurisdictional claims in published maps and institutional affiliations. |
© 2022 by the authors. Licensee MDPI, Basel, Switzerland. This article is an open access article distributed under the terms and conditions of the Creative Commons Attribution (CC BY) license (https://creativecommons.org/licenses/by/4.0/).
Share and Cite
Wang, M.; Wang, M.; Cheng, X.; Lu, Q.; Lu, J. A New p–y Curve for Laterally Loaded Large-Diameter Monopiles in Soft Clays. Sustainability 2022, 14, 15102. https://doi.org/10.3390/su142215102
Wang M, Wang M, Cheng X, Lu Q, Lu J. A New p–y Curve for Laterally Loaded Large-Diameter Monopiles in Soft Clays. Sustainability. 2022; 14(22):15102. https://doi.org/10.3390/su142215102
Chicago/Turabian StyleWang, Mingyuan, Miao Wang, Xinglei Cheng, Qun Lu, and Jiaqing Lu. 2022. "A New p–y Curve for Laterally Loaded Large-Diameter Monopiles in Soft Clays" Sustainability 14, no. 22: 15102. https://doi.org/10.3390/su142215102
APA StyleWang, M., Wang, M., Cheng, X., Lu, Q., & Lu, J. (2022). A New p–y Curve for Laterally Loaded Large-Diameter Monopiles in Soft Clays. Sustainability, 14(22), 15102. https://doi.org/10.3390/su142215102
